专题37实验六 验证机械能守恒定律---2021年高考物理复习专题训练含真题及解析
- 格式:doc
- 大小:534.57 KB
- 文档页数:13
2024届全国高考复习物理历年好题专项(实验:验证机械能守恒定律)练习1.[2023ꞏ湖南邵阳一模]某同学用如图甲所示的实验装置“验证机械能守恒定律”.实验所用的电源为学生电源,可以提供输出电压为6 V 的交变电流和直流电,交变电流的频率为50 Hz .重锤从高处由静止开始下落,打点计时器在纸带上打出一系列的点,对纸带上的点测量并分析,即可验证机械能守恒定律.(1)他进行了下面几个操作步骤:A .按照图示的装置安装器材;B .将打点计时器接到电源的“直流输出”上;C .用天平测出重锤的质量;D .先接通电源,后释放纸带,打出一条纸带;E .测量纸带上某些点间的距离;F .根据测量的结果计算重锤下落过程中减少的重力势能是否等于其增加的动能. 其中没有必要进行的步骤是________,操作不当的步骤是________(均填步骤前的选项字母).(2)这位同学进行正确测量后挑选出一条点迹清晰的纸带进行测量分析,如图乙所示,其中O 点为起始点,A 、B 、C 、D 、E 、F 为六个计时点.根据纸带上的测量数据,可得出打B 点时重锤的速度为________m /s (保留3位有效数字).(3)他根据纸带上的数据算出各点的速度v ,量出下落距离h ,并以v 22 为纵轴、h 为横轴画出的图像应是下图的________(填选项字母).2.[2021ꞏ海南卷]为了验证物体沿光滑斜面下滑的过程中机械能守恒,某学习小组用如图所示的气垫导轨装置(包括导轨、气源、光电门、滑块、遮光条、数字毫秒计)进行实验.此外可使用的实验器材还有:天平、游标卡尺、刻度尺.(1)某同学设计了如下的实验步骤,其中不必要的步骤是____________;①在导轨上选择两个适当的位置A、B安装光电门Ⅰ、Ⅱ,并连接数字毫秒计;②用天平测量滑块和遮光条的总质量m;③用游标卡尺测量遮光条的宽度d;④通过导轨上的标尺测出A、B之间的距离l;⑤调整好气垫导轨的倾斜状态;⑥将滑块从光电门Ⅰ左侧某处,由静止开始释放,从数字毫秒计读出滑块通过光电门Ⅰ、Ⅱ的时间Δt1、Δt2;⑦用刻度尺分别测量A、B点到水平桌面的高度h1、h2;⑧改变气垫导轨倾斜程度,重复步骤⑤⑥⑦,完成多次测量.(2)用游标卡尺测量遮光条的宽度d时,游标卡尺的示数如图所示,则d=________mm;某次实验中,测得Δt1=11.60 ms,则滑块通过光电门Ⅰ的瞬时速度v1=________m/s(保留3位有效数字);(3)在误差允许范围内,若h1-h2=________(用上述必要的实验步骤直接测量的物理量符号表示,已知重力加速度为g),则认为滑块下滑过程中机械能守恒;(4)写出两点产生误差的主要原因:________________________________________________________________________ ________________________________________________________________________.3.[2022ꞏ湖北卷]某同学设计了一个用拉力传感器验证机械能守恒定律的实验.一根轻绳一端连接固定的拉力传感器,另一端连接小钢球,如图甲所示.拉起小钢球至某一位置由静止释放,使小钢球在竖直平面内摆动,记录钢球摆动过程中拉力传感器示数的最大值T max 和最小值T min.改变小钢球的初始释放位置,重复上述过程.根据测量数据在直角坐标系中绘制的T max - T min图像是一条直线,如图乙所示.(1)若小钢球摆动过程中机械能守恒.则图乙中直线斜率的理论值为________.(2)由图乙得:直线的斜率为________,小钢球的重力为________N.(结果均保留2位有效数字)(3)该实验系统误差的主要来源是________(单选,填正确答案标号).A.小钢球摆动角度偏大B.小钢球初始释放位置不同C.小钢球摆动过程中有空气阻力4.[2022ꞏ河北卷]某实验小组利用铁架台、弹簧、钩码、打点计时器、刻度尺等器材验证系统机械能守恒定律,实验装置如图1所示.弹簧的劲度系数为k,原长为L0,钩码的质量为m.已知弹簧的弹性势能表达式为E=12kx2,其中k为弹簧的劲度系数,x为弹簧的形变量,当地的重力加速度大小为g.(1)在弹性限度内将钩码缓慢下拉至某一位置,测得此时弹簧的长度为L.接通打点计时器电源.从静止释放钩码,弹簧收缩,得到了一条点迹清晰的纸带.钩码加速上升阶段的部分纸带如图2所示,纸带上相邻两点之间的时间间隔均为T(在误差允许范围内,认为释放钩码的同时打出A点).从打出A点到打出F点时间内,弹簧的弹性势能减少量为________________,钩码的动能增加量为____________________,钩码的重力势能增加量为____________________.(2)利用计算机软件对实验数据进行处理,得到弹簧弹性势能减少量、钩码的机械能增加量分别与钩码上升高度h的关系,如图3所示.由图3可知,随着h增加,两条曲线在纵向的间隔逐渐变大,主要原因是________.5.[2023ꞏ湖南岳阳三模]某兴趣小组用如图甲所示的实验装置来测物块与斜面间的动摩擦因数.PQ为一块倾斜放置的木板,在斜面底端Q处固定有一个光电门,光电门与数字计时器相连(图中未画).每次实验时将一物体(其上固定有宽度为d的遮光条)从不同高度h处由静止释放,但始终保持斜面底边长L=0.500 m不变.(设物块与斜面间的动摩擦因数处处相同)(1)用20分度游标卡尺测得物体上的遮光条宽度d如图乙所示,则d=________cm;(2)该小组根据实验数据,计算得到物体经过光电门的速度v,并作出了如图丙所示的v2 - h图像,其图像与横轴的交点为0.25.由此可知物块与斜面间的动摩擦因数μ=________;(3)若更换动摩擦因数更小的斜面,重复上述实验得到v2- h图像,其图像的斜率将________(填“增大”“减小”或“不变”).6.[2023ꞏ北师大二附中模拟]某同学采用如图甲所示的装置进行“验证机械能守恒定律”实验.(1)除了图甲装置中的器材之外,还必须从图乙中选取实验器材,其名称是________;(2)指出图甲装置中不合理的地方(一处)________________________________________________________________________;(3)小明同学通过正确实验操作得到了如图丙所示的一条纸带,读出计数点0、4两点间的距离为________cm;(4)已知打点计时器的电源频率为50 Hz,计算得出打下计数点5时纸带速度的大小为________m/s(保留两位有效数字);(5)在实际的测量中,重物减少的重力势能通常会________(选填“略大于”“等于”或“略小于”)增加的动能,这样产生的误差属于________(选填“系统误差”或“偶然误差”);7.[2022ꞏ广东卷]某实验小组为测量小球从某一高度释放,与某种橡胶材料碰撞导致的机械能损失,设计了如图(a)所示的装置,实验过程如下:(1)让小球从某一高度由静止释放,与水平放置的橡胶材料碰撞后竖直反弹.调节光电门位置,使小球从光电门正上方释放后,在下落和反弹过程中均可通过光电门.(2)用螺旋测微器测量小球的直径,示数如图(b)所示,小球直径d=________mm.(3)测量时,应________(选填“A”或“B”,其中A为“先释放小球,后接通数字计时器”,B为“先接通数字计时器,后释放小球”).记录小球第一次和第二次通过光电门的遮光时间t1和t2.(4)计算小球通过光电门的速度,已知小球的质量为m,可得小球与橡胶材料碰撞导致的机械能损失ΔE=________(用字母m、d、t1和t2表示).(5)若适当调高光电门的高度,将会________(选填“增大”或“减小”)因空气阻力引起的测量误差.参考答案1.答案:(1)C B (2)1.84 (3)C答案解析:(1)应将打点计时器接到电源的“交流输出”上,选项B 操作不当,因实验只需比较gh 和v 22 的大小关系,不需要测量质量,选项C 没必要.(2)打B 点的速度即为AC 段的平均速度,即v B =(21.68-14.31)×10-22×0.02 m/s ≈1.84 m/s. (3)根据12 m v 2=mgh 可知,12 v 2与h 成正比,故C 项正确.2.答案:(1)②④ (2)5.00 0.431 (3)12⎝⎛⎭⎫d Δt 22-12⎝⎛⎭⎫d Δt 12g(4)滑块在下滑过程中受到空气阻力作用,产生误差;遮光条宽度不够窄,测量速度不准确,产生误差答案解析:(1)滑块沿光滑的斜面下滑过程机械能守恒,需要通过光电门测量通过滑块运动的速度v =d Δt ,滑块下滑过程中机械能守恒,减少的重力势能转化为动能mg (h 1-h 2)=12 m v 22 -12 m v 21 =12 m ⎝⎛⎭⎫d Δt 2 2-12 m ⎝⎛⎭d Δt 1 2,整理化简得g (h 1-h 2)=12 ⎝⎛⎭d Δt 2 2-12 ⎝⎛⎭⎫d Δt 1 2,所以测量滑块和遮光条得总质量m 不必要,②满足题目要求,测量A 、B 之间的距离l 不必要,④满足题目要求.(2)游标卡尺的读数为d =5 mm +0×0.05 mm =5.00 mm ,滑块通过光电门的速度v 1=d Δt 1 =511.60 m/s =0.431 m/s ,(3)根据(1)问可知h 1-h 2=12⎝⎛⎭⎫d Δt 22-12⎝⎛⎭⎫d Δt 12g ,在误差允许的范围内,满足该等式可认为滑块下滑过程中机械能守恒.(4)滑块在下滑过程中受到空气阻力作用,产生误差;遮光条宽度不够窄,测量速度不准确,产生误差.3.答案:(1)-2 (2)-2.1 0.59 (3)C答案解析:(1)设初始位置时,细线与竖直方向夹角为θ,则细线拉力最小值为T min =mg cos θ,到最低点时细线拉力最大,则mgl (1-cos θ)=12 m v 2,T max -mg =m v 2l ,联立可得T max =3mg -2T min ,即若小钢球摆动过程中机械能守恒.则图乙中直线斜率的理论值为-2;(2)由图乙得直线的斜率为k =-1.77-1.350.2=-2.1,3mg =1.77,则小钢球的重力为mg =0.59 N.(3)该实验系统误差的主要来源是小钢球摆动过程中有空气阻力,使得机械能减小,故选C.4.答案:(1)k (L -L 0)h 5-12 kh 25 m ()h 6-h 428T 2mgh 5 (2)见答案解析 答案解析:(1)从打出A 点到打出F 点时间内,弹簧的弹性势能减少量为ΔE p 弹=12 k (L-L 0)2-12 k (L -L 0-h 5)2整理有ΔE p 弹=k (L -L 0)h 5-12 kh 25 ;打F 点时钩码的速度为v F =h 6-h 42T ,由于在误差允许的范围内,认为释放钩码的同时打出A 点,则钩码动能的增加量为ΔE k =12 m v 2F -0=m ()h 6-h 428T 2,钩码的重力势能增加量为ΔE p =mgh 5. (2)钩码机械能的增加量,即钩码动能和重力势能增加量的总和,若无阻力做功则弹簧弹性势能的减少量等于钩码机械能的增加量.现在随着h 增加,两条曲线在纵向的间隔逐渐变大,而两条曲线在纵向的间隔即阻力做的功,则产生这个问题的主要原因是钩码和纸带运动的速度逐渐增大,导致空气阻力逐渐增大,以至于空气阻力做的功也逐渐增大.5.答案:(1)0.225 (2)0.5 (3)不变答案解析:(1)由图知第5条刻度线与主尺对齐,则读数为:d =2 mm +5×0.05 mm =2.25 mm =0.225 cm ;(2)设斜面的长为s ,倾角为θ,由动能定理得(mg sin θ-μmg cos θ)s =12 m v 2,即:mgh-μmgL =12 m v 2,v 2=2gh -2μgL ,由图像可知,当h =0.25 m 时,v =0,代入得到μ=0.5;(3)由v 2=2gh -2μgL 知斜率k =2g 为定值,若更换动摩擦因数更小的斜面,图像的斜率不变.6.答案:(1)刻度尺 (2)重物离打点计时器太远 (3)3.11(3.10~3.12) (4)0.91(0.89~0.93) (5)略大于 系统误差答案解析:(1)验证机械能守恒定律需要测量重物下降的高度以及重物的速度,因此需要使用刻度尺.(2)为充分利用纸带记录实验数据,重物应尽量靠近打点计时器,而题图甲中重物离打点计时器太远.(3)计数点0对应的读数为1.00 cm ,计数点4对应的读数为4.11 cm ,所以计数点0到4的距离为3.11 cm.(4)计数点5对应的速度等于计数点4~6对应的平均速度,即v 5=(7.75-4.11)×10-20.04 m/s =0.91 m/s.(5)由于阻力的存在,重物减少的重力势能略大于增加的动能,这种误差与人为因素无关,与实验系统本身有关,所以该误差称为系统误差.7.答案:(2)7.885 (3)B (4)md 22 (1t 21 -1t 22) (5)增大 答案解析:(2)根据螺旋测微器读数规则可知,小球直径d =7.5 mm +0.385 mm =7.885 mm.(3)由于小球自由落体运动时间很短,所以测量时,应该先接通数字计时器,后释放小球.(4)小球第1次通过光电门时的速度v 1=d t 1 ,第2次通过光电门时的速度v 2=d t 2,小球与橡胶材料碰撞导致的机械能损失ΔE =12 m v 21 -12 m v 22 =md 22 (1t 21 -1t 22).(5)若适当调高光电门高度,将会增大因空气阻力引起的测量误差.。
专题11 验证机械能守恒-备战2021年高考物理考点专项突破题集1.用如图所示的装置测量弹簧的弹性势能。
将弹簧放置在水平气垫导轨上,左端固定,右端在O 点;在O 点右侧的B 、C 位置各安装一个光电门,计时器(图中未画出)与两个光电门相连。
先用米尺测得B 、C 两点间距离x ,再用带有遮光片的滑块压缩弹簧到某位置A ,静止释放,计时器显示遮光片从B 到C 所用的时间t ,用米尺测量A 、O 之间的距离x 。
(1)计算滑块离开弹簧时速度大小的表达式是_______。
(2)为求出弹簧的弹性势能,还需要测量_______。
A .弹簧原长B .当地重力加速度C .滑块(含遮光片)的质量(3)增大A 、O 之间的距离x ,计时器显示时间t 将_____。
A .增大B .减小C .不变【答案】:(1)s t;(2)C ;(3)B 。
【解析】:(1)滑块离开弹簧后做匀速直线运动,因为气垫导轨可以平衡摩擦力。
可以用s t 表示滑块离开弹簧时的速度;(2)根据能量守恒可知,弹簧弹性势能转化为滑块的动能212p E Mv ,故选择C 正确;(3)增大A 、O 之间的距离x 就是增大弹簧弹性势能,滑块获得速度大,通过相同的位移时间少,故选择B 。
2.(2016·全国卷Ⅰ)某同学用图(a )所示的实验装置验证机械能守恒定律,其中打点计时器的电源为交流电源,可以使用的频率有20Hz 、30Hz 和40Hz ,打出纸带的一部分如图(b )所示。
该同学在实验中没有记录交流电的频率,需要用实验数据和其它题给条件进行推算。
(1)若从打出的纸带可判定重物匀加速下落,利用和图(b )中给出的物理量可以写出:在打点计时器打出B 点时,重物下落的速度大小为_________,打出C 点时重物下落的速度大小为________,重物下落的加速度的大小为________.(2)已测得=8.89cm ,=9.50cm ,=10.10cm ;当地重力加速度大小为9.80m/,实验中重物受到的平均阻力大小约为其重力的1%。
高考物理复习机械能守恒定律专题练习(附答案)在只要重力或系统内弹力做功的物体系统内,物体系统的动能和势能发作相互转化,但机械能的总量坚持不变。
以下是查字典物理网整理的2021高考物理温习机械能守恒定律专题练习,请考生及时练习。
1.本实验中,除铁架台、夹子、高压交流电源、纸带和重物外,还需选用的仪器是()A.秒表B.刻度尺C.天平D.打点计时器2.在验证机械能守恒定律的实验中(1)不需测量或计算的物理量是()A.下落高度B.瞬时速度C.重物质量D.时间(2)由于打点计时器两限位孔不在同一竖直线上,使纸带经过时遭到了较大的阻力,这样会招致实验结果mgh________mv2(选填或).3.在一次验证机械能守恒定律实验中,质量m=1 kg 的重物自在下落,在纸带上打出一系列的点,如图1所示(打点距离为0.02 s),单位cm.那么(1)纸带的________端与重物相连;(2)打点计时器打下计数点B时,物体的速度vB=________;(3)从终点O到打下计数点B的进程中重力势能减大批是Ep=________.此进程中物体动能的添加量Ek=________(g取9.8 m/s2);(4)经过计算,数值上Ep________Ek(填、=或),这是由于__________________________________;(5)实验的结论是___________________________________________________ _____________________________________________________ _____________________.4.在验证机械能守恒定律的实验中,打点计时器打点距离为T,某一组同窗失掉了一条如图2所示的纸带,在填写实验报告时甲、乙两个同窗选择了不同的数据处置方法:图2甲同窗测出了C点到第一点O的距离hOC,应用v=2ghOC计算失掉了C点的速度,然后验证mghOC与mv相等.乙同窗测出了A、B、C、D各点到第一点O的距离hA、hB、hC、hD,应用vB=、vC=计算B、C点的速度,然后验证了mg(hC-hB)与mv-mv能否相等.请你对甲乙两位同窗的做法逐一剖析,不合理之处提出完善方法.5.在用自在落体法验证机械能守恒定律的实验中,失掉如图3所示的一条纸带.起始点O到A、B、C、D、E各点的距离区分为hA、hB、hC、hD、hE.假设重物的质量为m,打点计时器所用电源的频率为f,那么在打B、D两点时,重物的速度vB=________,vD=________.假设选择起始点的位置为零势能参考点,那么在打B、D两点时重物的机械能EB=________,ED=________,假定EB________ED,那么说明重物在下落进程中机械能守恒.6.在验证机械能守恒定律的实验中,应用重物拖着纸带自在下落经过打点计时器并打出一系列的点,对纸带上的点迹停止测量剖析,即可验证机械能守恒定律.(1)正确停止实验操作,从打出的纸带中选出契合要求的纸带,如图4所示.图中O点为打点起始点,且速度为零.选取纸带上打出的延续点,标上A、B、C测得其中E、F、G 点距打点起始点O的距离区分为h1、h2、h3.重物的质量为m,外地重力减速度为g,打点计时器的打点周期为T.为验证此实验进程中机械能能否守恒,需求计算出从打下O点到打下F点的进程中,重物重力势能的减大批Ep=________,动能的添加量Ek=________.(用题中所给字母表示)(2)以各点到起始点的距离h为横坐标,以各点速度的平方v2为纵坐标树立直角坐标系,用实验测得的数据绘出v2-h 图象,如图5所示:由v2-h图线求得重物下落的减速度g=________m/s2.(结果保管三位有效数字)7.在验证机械能守恒定律的实验中,打点计时器所用电源的频率为50 Hz,查妥外地的重力减速度g=9.80 m/s2,某同窗选择了一条理想的纸带,用刻度尺测量时各计数点对应刻度尺上的读数如图6所示,图中O点是打点计时器打出的第一个点,A、B、C、D区分是每打两个点取出的计数点.依据以上数据,重物由O点运动到B点时,重物质量为m(kg).求:(1)重力势能的减大批为多少?(2)动能的添加量是多少?(3)依据计算的数据可得出什么结论?发生误差的主要缘由是什么?参考答案1.BD[ 测量下落高度需用刻度尺,打点计时器打出纸带并能标识时间,选B、D.]2.(1)C (2)解析 (1)本实验需求验证mgh与mv2的关系,所以不需求测量重物质量m,C正确.(2)重物在下落进程中克制阻力做功,使减小的重力势能不能完全转化为动能,所以mghmv2.3.(1)O (2)0.98 m/s (3)0.49 J 0.48 J (4) 重物和纸带下落时遭到阻力作用 (5)在实验误差允许的范围内,重力势能的减大批等于动能的添加量解析 (1)纸带释放时速度较小,打点较密,先打距重物近的一侧,故O端与重物相连.(2)B点速度vB== cm/s=0.98 m/s(3)从O点到打B点,重力势能减大批Ep=mghB=19.80.0501 J=0.49 J动能添加量mv=0.48 J;(4)由(3)中计算结果知EpEk,由于重物和纸带下落时遭到阻力作用;(5)由(3)中计算结果可知,在实验误差允许的范围内,机械能守恒.4.甲同窗选择从O到C段验证机械能守恒,计算C点的速度用v=2ghOC的话,犯了用机械能守恒定律去验证机械能守恒的错误.计算vC可以选择vC=.乙同窗选择了从B到C段验证机械能守恒,由于BC较近,形成误差偏大,选择BD段相对较为适宜.5.f f mf2(hC-hA)2-mghBmf2(hE-hC)2-mghD =解析依据纸带上瞬时速度的计算方法,得vB==f,vD==f 打B点时,重物的动能和重力势能区分为EkB=mv=m2=mf2(hC-hA)2EpB=-mghB.此时重物的机械能EB=EkB+EpB=mf2(hC-hA)2-mghB,同理EkD=mv=mf2(hE-hC)2,EpD=-mghD,ED=mf2(hE-hC)2-mghD假设EB=ED,那么说明重物在下落进程中机械能守恒.6.(1)mgh2(2)9.71(9.64~9.77均可)解析 (1)从打下O点到打下F点的进程中,重物重力势能的减大批Ep=mgh2,vF=动能的添加量Ek=mv=.(2)由mv2=mgh可得:v2=2gh,由v2-h图线可求得:图线的斜率k=19.42由k=2g可得:物体下落的减速度g=9.71 m/s2.7.(1)1.91m J (2)1.86m J (3)见地析解析 (1)重力势能的减大批为Ep减=mghOB=m9.80.195=1.91m (J)(2)重锤下落到B点时的速度vB== m/s=1.94 m/s所以重锤从末尾下落到B点添加的动能为Ek增=mv=m(1.94)2=1.88m (J)(3)从(1)(2)中计算的数据得出在实验误差允许的范围内重锤增加的重力势能等于其添加的动能,机械能守恒.重锤增加的重力势能略大于其添加的动能的缘由是:重锤在下落时要遭到阻力作用(打点计时器对纸带的摩擦力,空气阻力),克制阻力做功.2021高考物理温习机械能守恒定律专题练习及解析的全部内容就分享到这里,希望考生效果可以时时有提高。
验证机械能守恒定律典型例题热点一实验装置和实验数据的处理【典例1】(2019·石家庄模拟)某同学用如甲图所示装置验证机械能守恒定律时,所用交流电源的频率为50 Hz,得到如图乙所示的纸带。
选取纸带上打出的连续五个点A、B、C、D、E,测出A点距起点O的距离为s0=19.00 cm,点A、C间的距离为s1=8.36 cm,点C、E间的距离为s2=9.88 cm,g取9.8 m/s2,测得重物的质量为m=1 kg。
(1)下列做法正确的有__________ 。
A.图甲中两限位孔必须在同一竖直线上B.实验前,手应提住纸带上端,使纸带竖直C.实验时,先放开纸带,再接通打点计时器的电源D.数据处理时,应选择纸带上距离较近的两点作为初、末位置(2)选取O、C两点为初、末位置验证机械能守恒定律,重物减少的重力势能是__________J,打下C点时重物的速度大小是__________m/s。
(结果保留三位有效数字)(3)根据纸带算出打下各点时重物的速度v,量出下落距离s,则以为纵坐标、以s为横坐标画出的图像应是下面的__________。
(4)重物减少的重力势能总是略大于增加的动能,产生这一现象的原因是__________________。
(写出一条即可)【解析】(1)图甲中两限位孔必须在同一竖直线上,实验前手应提住纸带上端,并使纸带竖直,这是为了减小打点计时器与纸带之间的摩擦,选项A、B正确;实验时,应先接通打点计时器的电源再放开纸带,选项C错误;数据处理时,应选择纸带上距离较远的两点作为初、末位置,以减小长度的测量误差,选项D错误。
(2)重物减少的重力势能为ΔE p=mg(s0+s1)≈2.68 J,由于重物下落时做匀变速运动,根据匀变速直线运动任意时间段中间时刻的瞬时速度等于这段时间内的平均速度可知,打下C点时重物的速度为v C==2.28 m/s。
(3)物体自由下落过程中机械能守恒,可以得出mgs=mv2,即gs=v2,所以-s图线应是一条过原点的倾斜直线,选项C正确。
高考实验专题复习一力学实验(附参考答案)实验一《研究匀变速直线运动》本实验是力学实验的重点实验,是力学实验的基础,通过熟练掌握打点计时器的使用,为验证牛顿运动定律、探究动能定理、验证机械能守恒定律做好必要的知识和方法上的准备。
、考查重点:(一)打点计时器的使用(二)毫米刻度尺的使用(三)速度和加速度的求解方法二、注意事项1. 交流电源的电压及频率要符合要求.2 •实验前要检查打点的稳定性和清晰程度,必要时要调节振针的高度和更换复写纸.3 •开始释放小车时,应使小车靠近打点计时器.4 .先接通电源,打点计时器工作后,再放开小车,当小车停止运动时及时断开电源.5.要区别打点计时器打出的点与人为选取的计数点,一般在纸带上每隔四个点取一个计数点, 即时间间隔为T = 0.02 >5 s= 0.1 s.6 •小车另一端挂的钩码个数要适当,避免速度过大而使纸带上打的点太少,或者速度太小, 使纸带上的点过于密集.7.选择一条理想的纸带,是指纸带上的点迹清晰. 适当舍弃开头密集部分,适当选取计数点,弄清楚所选的时间间隔T.8 .测x时不要分段测量,读数时要注意有效数字的要求,计算a时要注意用逐差法,以减小误差.三、经典讲练【例题】(2010广东理综)如图是某同学在做匀变速直线运动实验中获得的一条纸带.(1)已知打点计时器电源频率为50 Hz ,则纸带上打相邻两点的时间间隔为⑵ABCD是纸带上四个计数点,每两个相邻计数点间有四个点没有画出,从图中读出A、B两点间距x= ;C点对应的速度是(计算结果保留三位有效数字).fl【命题立意】本题主要考查打点计时器、刻度尺的读数、纸带公式、有效数字。
1【规范解答】①T 0.02s②读A、B两点数值: 1.00cm、1.70cm 故:s=1.70cm-1.00cm=0.70cmV c V BD BD 型空1°2m/s 0.100m/s 2t 0.2【答案】①0.02s ②0.70cm;0.100m/s邻两计数点间还有 4个打点(图中未标出),计数点间的距离如图所示. 根据图中数据计算的加速度⑵回答下列两个问题:① 为测量动摩擦因数,下列物理量中还应测量的有A. 木板的长度L B .木板的质量m i C •滑块的质量m 2 D .托盘和砝码的总质量 m 3E .滑块运动的时间t② ____________________________________________________ 测量①中所选定的物理量时需要的实验器材是 __________________________________________________________(3)滑块与木板间的动摩擦因数 = ___________ (用被测物理量的字母表示,重力加速度为g ).与真实值相比,测量的动摩擦因数 _____________ (填偏大”或偏小”)解析:⑴ 逐差法"求解:S 4-S i =S 5-S 2=S 6-S 3=3aT 2⑶对整体列牛顿第二定律,m 3g- ym g=(m 2+m 3)a答案 (1)0. 495 m/s 2〜0. 497 m/s 2 (2)①CD ②天平 (3)网_(m2+m3)a 偏大m 2g五、真题训练1. (2013浙江)如图所示,装置甲中挂有小桶的细线绕过定滑轮,固定在小车上;装置乙中橡皮 筋的一端固定在导轨的左端,另一端系在小车上。
实验六验证机械能守恒定律知识巩固练1.某同学用如图甲所示的实验装置验证机械能守恒定律.实验所用的电源为学生电源,可以提供输出电压为6 V的交变电流和直流电,交变电流的频率为50 Hz.重锤从高处由静止开始下落,重锤拖着的纸带上打出一系列的点,对纸带上的点测量并分析,即可验证机械能守恒定律.(1)他进行了下面几个操作步骤:A.按照图示的装置安装器件;B.将打点计时器接到电源的“直流输出”上;C.用天平测出重锤的质量;D.先接通电源,后释放纸带,打出一条纸带;E.测量纸带上某些点间的距离;F.根据测量的结果计算重锤下落过程中减少的重力势能是否等于其增加的动能.其中没有必要进行的步骤是____________,操作不当的步骤是__________.(填选项字母) (2)这位同学进行正确测量后挑选出一条点迹清晰的纸带进行测量分析,如图乙所示,其中O点为起始点,A、B、C、D、E、F为六个计数点.根据纸带上的测量数据,可得出打B点时重锤的速度约为______m/s.(保留3位有效数字)(3)他根据纸带上的数据算出各点的速度v,量出下落距离h,并以v2为纵轴、h为横轴画出2图像,应是下列图中的______.A B C D【答案】(1)C B(2)1.84(3)C【解析】(1)应将打点计时器接到电源的“交流输出”上,故B错误,操作不当;因为是比mv2的大小关系,故m可先约去再比较,不需要用天平,故C没有必要.较mgh、12(2)匀变速直线运动中中间时刻的瞬时速度等于该过程中的平均速度,由此可以求出B点的速度大小v B=x ACt AC =0.216 8-0.143 12×0.02m/s≈1.84 m/s.(3)他继续根据纸带算出各点的速度v,量出下落距离h,并以v22为纵轴、以h为横轴画出图像,根据12v2=gh,所以应是C图.2.(2023年佛山一中模拟)甲、乙都是使用电磁打点计时器验证机械能守恒定律的实验装置图.(1)较好的装置是________(填“甲”或“乙”).(2)某同学用关系式mgh=12mv2来验证机械能是否守恒,他采用较好的装置进行实验,得到如图丙所示的一条完整纸带,将纸带上打出的第一个点标为A点,第二个点标为B点,后面依次类推,分别标为C、D、E、F、G、H、I,则在D点时重物运动的速度大小为______m/s.(计算结果保留两位有效数字)(3)若当地重力加速度g取9.80 m/s2,比较重物在A、D间的势能变化ΔE p和动能变化ΔE k 的大小关系为ΔE k______ΔE p(填“>”“=”或“<”),分析造成的原因是_【答案】(1)甲(2)0.90(在0.90~0.92范围)(3)>实验时先释放纸带后接通电源(即A点的速度不等于零)【解析】(1)甲好一些.因为用夹子固定纸带,可以避免由于手的抖动会造成纸带上的第一个点迹被拖长或位置不能确定;另一方面,用夹子固定纸带,便于将纸带调整为竖直方向,以避免纸带与打点计时器限位孔之间产生过大的摩擦.(2)D点的瞬时速度等于CE段的平均速度,则v D=x CE2T=0.90 m/s.(3)从起点A到打下计数点D的过程中重力势能减少量是ΔE p=mgh=m×9.8×0.0350 J≈0.34mJ.动能的增加量ΔE k=12mv D2=0.41m J,可见重力势能的减小量小于动能的增加量,原因是实验时先释放纸带后接通电源,(即A点的速度不等于零).综合提升练3.登上月球的宇航员利用频闪仪(频率为每秒20次)给自由落体的小球拍摄的频闪照片如图所示(图上所标数据为小球到达各位置时下落的高度),则:(1)月球表面重力加速度为________m/s 2.(保留2位有效数字)(2)月球表面没有空气,因此做能量守恒实验具有更好的条件.假设月球表面重力加速度为上述计算值,小球的质量为m ,则小球从O 点由静止开始下落到E 处增加的动能的表达式为____________(距离用OA 、AB 、BC 等字母表示,频闪时间间隔为T ).从O 点开始下落到E 点的过程中减少的势能表达式为________________(月球表面重力加速度用g 月表示),由照片上的数据可以计算并判断出小球下落过程中机械能________(填“守恒”或“不守恒”).【答案】(1)1.6 (2)ΔE k =18m DF 2T 2 ΔE p =mg 月OE 守恒4.(2023年广州一中模拟)某同学要验证机械能守恒定律,设计了如下实验.如图甲所示,把带孔的重金属球套在“L ”形轻杆的直角弯头上,把球拉到一定高度后,由静止释放,在重力作用下,重球和轻杆一起绕转轴O 自由下摆.(1)如图乙所示,在轻杆转动轴的正下方装有一个横挡杆,把重球拉高当球的重心到达A 点时由静止释放,当“L ”形轻杆运动到竖直位置时,被横挡杆挡住,重球便离开“L ”形轻杆沿水平方向抛出.用游标卡尺测量重球的直径如图丙所示,则重球的直径d =______mm.(2)该同学测得的物理量有A 点距离地面的高度H ,球的重心最低点B 距离地面的高度h ,重球落地点到B 点的水平距离x ,重力加速度为g .设重球在B 点的速度为v ,由于重球不能看作质点,根据平抛运动规律,v 可以表示为__________(用h 、g 、d 、x 表示).若满足关系式x =________(用H 、h 、d 表示)即可验证机械能守恒.【答案】14.15 √g 2h -dx =√2(H -h )(2h -d ) 【解析】(1)由题图丙可知,主尺刻度为14 mm ,游标尺第3格与主尺刻线对齐,且该游标卡尺为20分度,精度为0.05 mm ,游标卡尺不估读,所以其读数为14.15 mm .(2)重球在落到水平地面后,重球的尺寸不能忽略,根据平抛运动的规律,竖直方向有h -d 2=12gt 2,水平方向有x =vt ,联立解得v =x √g2h -d .若想验证机械能守恒,需满足关系式mgH -mghmv2,将v代入整理得x=√2(H-h)(2h-d).=12。
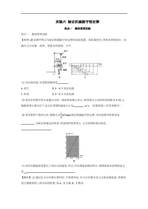
实验六验证机械能守恒定律热点一教材原型实验热点一教材原型实验【典例1】如图甲所示为验证机械能守恒定律的实验装置。
现有器材为:带铁夹的铁架台、电磁打点计时器、纸带、带铁夹的重物、天平。
(1)为完成实验,还需要的器材有________。
A.米尺B.0~6 V直流电源C.秒表D.0~6 V交流电源(2)某同学用图甲所示装置打出的一条纸带如图乙所示,相邻两点之间的时间间隔为0.02 s,根据纸带计算出打下D点时重物的速度大小为________ m/s。
(结果保留三位有效数字)(3)采用重物下落的方法,根据公式mv2=mgh验证机械能守恒定律,对实验条件的要求是__________,为验证和满足此要求,所选择的纸带第1、2点间的距离应接近_______________________。
(4)该同学根据纸带算出了相应点的速度,作出v2-h图象如图丙所示,则图线斜率的物理意义是_____________________________________。
【解析】(1)通过打点计时器计算时间,不需要秒表,打点计时器应该与交流电源连接,需要刻度尺测量纸带上两点间的距离,故A、D正确,B、C错误。
(2)由图可知CE间的距离为s=19.41 cm-12.40 cm=7.01 cm=0.0701 m,则由平均速度公式得D 点的速度v D== m/s≈1.75 m/s。
(3)用公式mv2=mgh时,对纸带上起点的要求是重物是从初速度为零开始下落,打点计时器的打点频率为50 Hz,打点周期为0.02 s,重物开始下落后,在第一个打点周期内重物下落的高度h=gT2=×9.8×0.022 m≈2 mm,所以所选的纸带最初两点间的距离接近2 mm。
(4)由机械能守恒mgh=mv2得v2=2gh,由此可知图象的斜率k=2 g。
答案:(1)A、D (2)1.75(3)重物的初速度为零 2 mm (4)当地重力加速度的2倍【解题通法】实验数据的处理方法处理实验数据的方法有计算法和图象法。
高考物理《实验:验证机械能守恒定律》真题练习含答案1.利用如图所示装置做“验证机械能守恒定律”实验.为验证机械能是否守恒,需要比较重物下落过程中任意两点间的动能变化量与势能变化量.(1)实验中,先接通电源,再释放重物,得到如图所示的一条纸带.在纸带上选取三个连续打出的点A 、B 、C ,测得它们到起始点O 的距离分别为h A 、h B 、h C .已知当地重力加速度为g ,打点计时器打点的周期为T .设重物的质量为m .从打O 点到打B 点的过程中,重物的重力势能变化量ΔE p =________,动能变化量ΔE k =________.(2)大多数学生的实验结果显示,重力势能的减少量大于动能的增加量,原因是________.A .利用公式v =gt 计算重物速度B .利用公式v =2gh 计算重物速度C .空气阻力和摩擦力的影响D .没有采用多次实验取平均值的方法(3)某同学想用下述方法研究机械能是否守恒,在纸带上选取多个计数点,测量它们到起始点O 的距离h ,计算对应计数点的重物速度v ,描绘v 2h 图像,并做如下判断:若图像是一条过原点的直线,图像斜率满足k =________,则重物下落过程中机械能守恒.答案:(1)mgh B m (h C -h A )28T 2(2)C (3)2g 解析:(1)从打O 点到打B 点的过程中,重物的重力势能减少量ΔE p =mgh B .B 点的速度v B =hC -h A 2T ,则动能的增加量为ΔE k =12 m v 2B =m (h C -h A )28T 2. (2)验证性实验中若重物的速度采用选项A 、B 的方法计算得出,则会出现重力势能的减少量等于动能的增加量,A 、B 错误;由于纸带在下落过程中,重锤和空气之间存在阻力,纸带和打点计时器之间存在摩擦力,所以减小的重力势能会大于动能的增加量,C 正确;多次实验取平均值的方法可以减小偶然误差,对系统误差没有效果,D 错误.(3)若机械能守恒,则有mgh =12m v 2,可得v 2=2gh ,则此时v 2 h 图像是过原点的一条直线,图像的斜率为2g .2.[2024·海南省天一大联考]某同学利用频闪照相机和气垫导轨做“验证机械能守恒定律”的实验,实验装置如图1所示.实验的主要步骤如下:A.用天平测出滑块的质量m =0.2 kg ;B .将安装有刻度尺的气垫导轨调整到倾角θ=24°的倾斜状态(sin 24°=0.4);C .将滑块从导轨的顶端由静止释放,使用频闪照相机对滑块进行拍摄,频闪照相机每隔T =0.05 s 拍摄一次.某次拍摄后得到的照片如图2所示,该同学在实验中测得影像间对应的实际距离分别为s 1=2.42 cm ,s 2=3.41 cm ,s 3=4.37 cm ,s 4=5.34 cm.已知当地的重力加速度g =9.8 m/s 2.结合以上实验数据,完成下列填空:(计算结果均保留三位有效数字)(1)滑块在位置B 时的速度大小为________ m/s.(2)滑块由B 运动至D ,重力势能的减小量为________ J ,动能的增加量为________ J ,在误差允许的范围内,认为滑块下滑过程机械能守恒.(3)写出两条产生误差的可能原因:①____________________;②____________________.答案:(1)0.583 (2)6.10×10-2 6.03×10-2 (3)空气阻力的作用 读取数据时产生读数误差解析:(1)滑块做匀变速运动,在位置B 时有v B =(s 1+s 2)2T,代入数据得v B =0.583 m/s. (2)滑块由B 运动至D ,重力势能的减少量ΔE p =mg (s 3+s 2)·sin 24°=6.10×10-2 J ,滑块在D 点的速度大小v D =(s 3+s 4)2T ,解得v D =0.971 m/s ,动能的增加量ΔE k =12m (v 2D -v 2B ),解得ΔE k =6.03×10-2 J.(3)滑块在下滑过程中受空气阻力作用,产生误差或读取刻度尺上滑块对应位置距离时产生读数误差.3.[2024·江西省南昌市期中考试]用如图甲所示的实验装置验证质量分别为m 1、m 2的物体A 、B 组成的系统机械能守恒.物体B 从高处由静止开始下落,物体A 上拖着的纸带打出一系列的点,如图乙所示是实验中获取的一条纸带,0是打下的第一个点,每相邻两计数点间还有4个点未画出,计数点间的距离如图所示.已知m 1=50 g ,m 2=150 g .(打点计时器打点周期为0.02 s ,g 取9.8 m/s 2)(1)在打0~5点的过程中系统动能的增加量ΔE k =________ J(保留三位有效数字),系统重力势能的减少量ΔE p =________ J ,(保留三位有效数字)由此得出的结论是在误差允许范围内,A 、B 组成的系统机械能守恒.(2)若某同学作出12v 2h 图像如图丙所示,则实验测出当地的重力加速度g =________ m/s 2.(保留三位有效数字)答案:(1)0.576 0.600 (2)9.70解析:(1)打点计时器打点周期为0.02 s ,每相邻两计数点间还有4个点未画出,则相邻计数点间的时间间隔为T =5×0.02 s =0.1 s ,由中间时刻的瞬时速度等于这段时间内的平均速度可得,打下点5时,速度大小为v 5=x 462T =(21.60+26.40)×10-22×0.1 m/s =2.40 m/s ,系统动能的增加量ΔE k =12(m 1+m 2)v 25 =0.576 J ,系统重力势能的减少量ΔE p =(m 2-m 1)gh 5=0.600 J.(2)系统机械能守恒,由机械能守恒定律得(m 2-m 1)gh =12 (m 1+m 2)v 2,解得12v 2=(m 2-m 1)g (m 1+m 2) h ,结合12 v 2h 图像有(m 2-m 1)g (m 1+m 2)=5.821.20 ,解得g =9.70 m/s 2.。
2021届高考物理必考实验六:验证机械能守恒定律1.实验原理(1)在只有重力做功的自由落体运动中,物体的重力势能和动能互相转化,但总的机械能保持不变,若物体某时刻瞬时速度为v,下落高度为h,则重力势能的减少量为mgh,动能的增加量为mv2,看它们在实验误差允许的范围内是否相等,若相等则验证了机械能守恒定律。
(2)计算点n速度的方法:测出点n与相邻前后点间的距离x n和x n+1,如图所示,由公式v n=或v n=算出。
2.实验器材铁架台(含铁夹),打点计时器,学生电源,纸带,复写纸,导线,毫米刻度尺,重物(带纸带夹)。
3.实验步骤(1)安装置:将检查、调整好的打点计时器竖直固定在铁架台上,接好电路。
(2)打纸带:将纸带的一端用夹子固定在重物上,另一端穿过打点计时器的限位孔用手提着纸带使重物静止在靠近打点计时器的地方,先接通电源,后松开纸带,让重物带着纸带自由下落,更换纸带重复做3~5次实验。
(3)选纸带:分两种情况说明①用m=mgh n验证时,应选点迹清晰,且1、2两点间距离小于或接近2 mm的纸带。
若1、2两点间的距离大于2 mm,这是由先释放纸带,后接通电源造成的,这样,第1个点就不是运动的起始点了,这样的纸带不能选。
②用m-m=mgΔh验证时,由于重力势能的相对性,处理纸带时,选择适当的点为基准点,这样纸带上打出的第1、2两点间的距离是否为2 mm就无关紧要了,只要后面的点迹清晰就可选用。
4.数据分析方法一:利用起始点和第n点计算。
代入gh n和,如果在实验误差允许的情况下,gh n=,则验证了机械能守恒定律。
方法二:任取两点计算。
(1)任取两点A、B,测出h AB,算出gh AB;(2)算出-的值;(3)在实验误差允许的情况下,若gh AB=-,则验证了机械能守恒定律。
方法三:图象法。
从纸带上选取多个点,测量从第一点到其余各点的下落高度h,并计算各点速度的二次方v2,然后以v2为纵轴,以h为横轴,根据实验数据绘出v2-h图线,若在误差允许的范围内图象是一条过原点且斜率为g的直线,则验证了机械能守恒定律。
验证机械能守恒定律知识元验证机械能守恒定律知识讲解一、实验目的验证物体做自由落体运动时机械能守恒二、实验原理自由下落的物体只有重力做功,若减小的势能等于增加的动能,即:-△E p=△E k,则物体机械能守恒.三、实验器材铁架台(带铁夹)、打点计时器、纸带、交流电源、导线、带铁夹的重锤、纸带、刻度尺等.四、实验步骤1.按如图1装置把打点计时器安装在铁架台上,并使两限位孔在同一竖直线上,以减小摩擦阻力.用导线把打点计时器与交流电源连接好.2.把纸带的一端在重锤上用夹子固定好,另一端穿过计时器限位孔,用手竖直提起纸带使重锤停靠在打点计时器附近.3.先接通电源,再松开纸带,让重锤带着纸带自由下落.4.重复几次,得到3~5条打好点的纸带.5.在打好点的纸带中挑选点迹清晰且第1、2两计时点间的距离接近2mm的一条纸带,在起始点标上O,再在距离O点较远处开始选取相邻的几个计数点依次标上1、2、3……用刻度尺测出对应下落的高度h1、h2、h3……6.应用公式v n=计算各点对应的瞬时速度v1、v2、v3……7.计算各点对应的重力势能减少量mgh和动能的增加量mv2,进行比较五、注意事项1.打点计时器的两限位孔必须在同一竖直线上,以减少摩擦阻力.2.选用质量和密度较大的重物,以减小空气阻力的影响.3.实验时,需保持提纸带的手不动,待接通电源,让打点计时器工作正常后再松开纸带让重锤下落,以保证第一个点是一个清晰的小点.4.利用方法mgh=mv2进行验证时,选用纸带时应尽量挑选第1、2点间距接近2mm的纸带.5.因为不需要知道物体在某点动能和势能的具体数值,所以不必测量物体的质量m,而只需验证v n2=gh n就行了.6.测量下落高度时,必须从起始点算起,为了减小测量h时的相对误差,选取的各个计数点要离起始点远一些.六、误差分析1.在进行长度测量时,测量及读数不准造成误差.2.纸带与限位孔间的摩擦,空气阻力造成误差;例题精讲验证机械能守恒定律例1.(2021∙徐汇区一模)“用DIS研究机械能守恒定律”实验装置如图所示。
实验:验证机械能守恒定律1.某同窗在研究“对不同物体做相同功情况下,物体质量与速度的关系”时,提出了以下四种猜想:A .m ∝vB .m ∝1vC .m ∝v 2D .m ∝21v 为验证猜想的正确性,该同窗用如图所示的装置进行实验:将长木板平放在水平桌面上,木块固定在长木板一端,打点计时器固定在木块上,木块右边固定一轻弹簧。
用连接纸带的小车紧缩弹簧至长木板的虚线处由静止释放,打点计时器在纸带上打下一系列点,选取点迹均匀的一部份纸带,计算出小车匀速运动的速度v 1,测出小车的质量m 1;然后在小车上加砝码,再次压缩弹簧至木板虚线处由静止释放小车,计算出小车和砝码匀速运动的速度v 2,测出小车和砝码的总质量m 2;再在小车上加砝码,重复以上操作,别离测出v 3、m 3···(1)每次实验中,都将小车紧缩弹簧至长木板的虚线处由静止释放,目的是_______________;若要消除每次实验中小车和纸带受到的阻力对小车运动的影响,应进行的实验操作是____________。
(2)某次实验搜集的五组数据如下表:m /kgv /(m·s –1) 由表格数据直观判断,明显不正确的两个猜想是A 、B 、C 、D 中的________;若对某个猜想进行数据处置并作图,画出了如图所示的图象,则图中的横坐标应是________。
2.用如图1所示的实验装置验证机械能守恒定律。
重锤从高处由静止落下的进程中,重锤上拖着的纸带通过打点计时器打出一系列的点,对纸带上的点迹进行测量,已知重力加速度为g ,即可验证机械能守恒定律。
(1)下列说法正确的是______。
A.用刻度尺测量重物下落的距离,用秒表测量下落的时间B.通过测量重物自由下落进程中动能的增加量和重力势能的减少量是不是相等来验证机械能守恒定律C.重物在下落进程中克服空气阻力做功是实验误差来源之一D.需要用天平测量重物的质量(2)如图2所示是实验中取得一条较为理想的纸带,将起始点记为O,并在离O点较远的任意点依次选取6个持续的点,别离记为A、B、C、D、E、F,测出它们与O点的距离分别为h一、h二、h3、h4、h五、h6,利用交流电的周期为T,设重锤质量为m,则在打O点和E点这段时间内的重力势能的减少量的表达式为______,在打E点时重锤的动能的表达式为______。
2021年高考物理一轮复习考点全攻关
专题(37)实验六 验证机械能守恒定律(原卷版)
双基过关:
基本实验要求
1.实验目的
验证机械能守恒定律.
2.实验原理(如图1所示) 通过实验,求出做自由落体运动物体的重力势能的减少量和对应过程动能的增加量,在实验误差允许范围内,若二者相等,说明机械能守恒,从而验证机械能守恒定律.
3.实验器材
打点计时器、交流电源、纸带、复写纸、重物、刻度尺、铁架台(带铁夹)、导线.
4.实验步骤
(1)安装器材:将打点计时器固定在铁架台上,用导线将打点计时器与电源相连.
(2)打纸带 用手竖直提起纸带,使重物停靠在打点计时器下方附近,先接通电源,再松开纸带,让重物自由下落,打点计时器就在纸带上打出一系列的点,取下纸带,换上新的纸带重打几条(3~5条)纸带.
(3)选纸带:分两种情况说明
①若选第1点O 到下落到某一点的过程,即用mgh =12
m v 2来验证,应选点迹清晰,且第1、2两点间距离接近2 mm 的纸带(电源频率为50 Hz).
②用12m v B 2-12
m v A 2=mgh AB 验证时,由于重力势能的相对性,处理纸带时选择适当的点为基准点即可. 5.实验结论
在误差允许的范围内,自由落体运动过程机械能守恒.
基本实验方法
1.误差分析
(1)测量误差:减小测量误差的方法,一是测下落距离时都从O 点量起,一次将各打点对应下落高度测量完,二是多测几次取平均值.
(2)系统误差:由于重物和纸带下落过程中要克服阻力做功,故动能的增加量ΔE k =12
m v n 2必定稍小于重力势能的减少量ΔE p =mgh n ,改进办法是调整安装的器材,尽可能地减小阻力.
2.注意事项
(1)打点计时器要竖直:安装打点计时器时要竖直架稳,使其两限位孔在同一竖直线上,以减少摩擦阻力.
(2)重物应选用质量大、体积小、密度大的材料.
(3)应先接通电源,让打点计时器正常工作,后松开纸带让重物下落.
(4)测长度,算速度:某时刻的瞬时速度的计算应用v n =h n +1-h n -12T
,不能用v n =2gh n 或 v n =gt 来计算.
3.验证方案
方案一:利用起始点和第n 点计算
代入mgh n 和12m v n 2,如果在实验误差允许的范围内,mgh n 和12
m v n 2相等,则验证了机械能守恒定律. 方案二:任取两点计算
(1)任取两点A 、B ,测出h AB ,算出mgh AB .
(2)算出12m v B 2-12
m v A 2的值. (3)在实验误差允许的范围内,若mgh AB =12m v B 2-12
m v A 2,则验证了机械能守恒定律. 方案三:图象法
从纸带上选取多个点,测量从第一点到其余各点的下落高度h ,并计算各点速度的平方v 2,然后以12
v 2为纵轴,以h 为横轴,根据实验数据作出12
v 2-h 图象.若在误差允许的范围内图象是一条过原点且斜率为g 的直线,则验证了机械能守恒定律.
命题热点一:教材原型实验
例1】“验证机械能守恒定律”的实验装置如图甲所示,图乙为实验所得的一条纸带,在纸带上选取了点迹清晰的连续7个点,若只测出了点4与点0之间的距离为h4以及点6与点0的距离为h6,已知打点周期为T,当地重力加速度为g.(以下的三个结论均由题中所给符号表示)
(1)打点5时重物的速度v=________;
(2)由已知条件从理论上计算点5到点0的距离h5=________;
(3)若打点0时重物的速度为零,则要验证从点0到点5间重物下落过程中机械能守恒的等式为________________.
【变式1
用落体法验证机械能守恒定律,打出如图3甲所示
的一条纸带.已知打点计时器工作频率为50 Hz.
(1)根据纸带所给数据,打下C 点时重物的速度为________ m/s(结果保留三位有效数字).
(2)某同学选用两个形状相同、质量不同的重物a 和b 进行实验,测得几组数据,画出v 2
2
-h 图象,并求出图线的斜率k ,如图乙所示,由图象可知a 的质量m 1________(选填“大于”或“小于”)b 的质量m 2.
(3)通过分析发现造成k 2值偏小的原因是实验中存在各种阻力,已知实验所用重物的质量m 2= 0.052 kg ,当地重力加速度g =9.78 m/s 2,求出重物所受的平均阻力F f =________ N .(结果保留两位有效数字) 命题热点二:实验创新
创新点1 实验装置的创新
【例2】 为了验证矩形线框自由下落过程中上、下边经过光电门时机械能是否守恒,使用了如图4所示的实验装置,已知矩形线框用直径为d 的圆形材料做成.某次实验中矩形线框下边和上边先后经过光电门的挡光时间分别为t 1和t 2.
(1)为完成该实验,还需通过操作测量相应的物理量是________.
A .用天平测出矩形线框的质量m
B.用刻度尺测出矩形线框下边离光电门的高度h
C.用刻度尺测出矩形线框上、下边之间的距离L
D.用秒表测出线框上、下边通过光电门的时间间隔Δt
(2)如果满足关系式________________(请用测量的物理量和已知量来表示,重力加速度为g),则自由下落过程中线框的机械能守恒.
【变式2】某实验小组的同学在做验证机械能守恒定律的实验,实验装置如图甲所示,接下来该小组的同学完成了如下的操作:
(1)先利用10分度的游标卡尺测出了小球的直径,其示数如图乙所示,该示数为________ cm;
(2)将该小球由光电门1的正上方无初速度释放,先后通过光电门1、2,通过电脑显示的时间分别为Δt1=5×10-3 s、Δt2=4×10-3 s,若小球通过两光电门1、2的速度分别用v1、v2表示,由以上数据可知v2=________ m/s;
(3)该小组的同学测出两光电门之间的距离为h,重力加速度用g表示,若小球的机械能守恒,则需要验证的关系式为________________.(用题中所给字母表示)
创新点2实验方案的创新
【例3】利用气垫导轨“验证机械能守恒定律”,实验装置如图6甲所示,水平桌面上固定一倾斜的气垫导轨,导轨上A点处有一带长方形遮光片的滑块,其总质量为M,左端由跨过轻质光滑定滑轮的细绳与一质量为m的小球相连;遮光片两条长边与导轨垂直,导轨上B点有一光电门,可以测量遮光片经过光电门时的挡光时间t,用d表示A点到光电门B处的距离,b表示遮光片的宽度,将遮光片通过光电门的平均速度看作滑块通过B点时的瞬时速度v,实验时滑块在A处由静止开始运动.
(1)某次实验测得倾角θ=30°,重力加速度用g表示,滑块从A处到达B处时m和M组成的系统动能增加量可表示为ΔE k=________________,系统的重力势能减少量可表示为ΔE p=________,在误差允许的范围内,若ΔE k=ΔE p,则可认为系统的机械能守恒;(用题中所给字母表示)
(2)按上述实验方法,某同学改变A、B间的距离,得到滑块到B点时对应的速度,作出v2-d图象如图乙所示,并测得M=m,则重力加速度g=________ m/s2.。