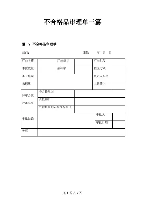
不合格评审单
- 格式:xls
- 大小:20.00 KB
- 文档页数:1
不合格品评审处置单
不合格品返工(返修)单
预防措施实施报告
纠正措施实施报告
检测设备及计量器具送检明细表
检测设备及计量器具送检通知单(存根)
NO: XY/PR7.5-TY-02 厂、部:
年月,你单位即将到周检期的检测设备及计量器具已列入本通知的附表《检测设备及计量器具送检明细表》中,请按要求送检,最迟不得超过有效检定日期5—10天。
发单部门签字:接单部门签字:
年月日年月日
检测设备及计量器具送检通知单(存根)
NO: XY/PR7.5-TY-02 厂、部:
年月,你单位即将到周检期的检测设备及计量器具已列入本通知的附表《检测设备及计量器具送检明细表》中,请按要求送检,最迟不得超过有效检定日期5—10天。
发单部门签字:接单部门签字:
年月日年月日。
提出部门/人
提出时间
编号
阶段是否需要停线材料/产品名称规格型号供应商物料编码/工单号/
产品批号不良批次
数量
不合格情况描述
品质部门意见
签名/日期
采购部门意见
签名/日期
计划部门意见
签名/日期
生产部门意见
签名/日期
工程技术部意见
签名/日期
销售部门评审意见签名/日期
总经理意见
签名/日期
评审结论签名/日期
备注
归档部门:品质部 保存期限:3年 表单编号 :S2-SP-014-S2-A/01
客户是否同意让步接收
编码规则:年-月-三位顺序码;例如:2021-05-001
注:1)表单中不适宜评审部门请用斜线“/”杠掉。
2)涉及批次问题及功能问题,需要总经理参与评审,安全性问题不允许评审。
传递流程:发现人员填写→各部门负责人会签→品质总监填写评审结论→品质部归档不合格评审单
□进料 □制程 □成品 □出货 □其他( )
□是 □否
返工
退货/报废
让步接收
返工
退货/报废
让步接收
返工
退货/报废
让步接收
返工
退货/报废
让步接收
是
否
返工
退货/报废
让步接收
返工
退货/报废
让步接收
返工
退货/报废
让步接收。
不合格品评审记录日期:XXXX年XX月XX日评审人:XXX1.产品信息:产品名称:XXXXX规格型号:XXXXX产品批次号码:XXXXX供应商:XXXXX2.不合格品描述:在本次评审中,我们发现了以下不合格品:(1)不合格品1:描述(2)不合格品2:描述(3)不合格品3:描述...3.不合格品原因分析:(1)不合格品1的原因分析:a.原因1:描述b.原因2:描述...(2)不合格品2的原因分析:a.原因1:描述b.原因2:描述...(3)不合格品3的原因分析:a.原因1:描述b.原因2:描述...4.修正措施:根据不合格品的原因分析,我们制定了以下修正措施:(1)对于不合格品1,我们将采取以下修正措施:a.修正措施1:描述b.修正措施2:描述...(2)对于不合格品2,我们将采取以下修正措施:a.修正措施1:描述b.修正措施2:描述...(3)对于不合格品3,我们将采取以下修正措施:a.修正措施1:描述b.修正措施2:描述...5.责任分配:(1)对于不合格品1的修正措施,责任分配如下:a.责任人1:描述b.责任人2:描述...(2)对于不合格品2的修正措施,责任分配如下:a.责任人1:描述b.责任人2:描述...(3)对于不合格品3的修正措施,责任分配如下:a.责任人1:描述b.责任人2:描述...6.审核意见:经过评审人员的讨论和审核,上述不合格品描述、原因分析、修正措施和责任分配得到了确认。
7.后续跟进:我们将跟踪执行修正措施的进展,并在下次评审中进行进一步的讨论和验证。
备注:本次评审记录仅针对评审过程中发现的不合格品,其他合格产品不在此记录范围内。