省统表--建筑起重机械安装验收表
- 格式:xls
- 大小:19.50 KB
- 文档页数:4
建筑起重机械基础验收表(表一)
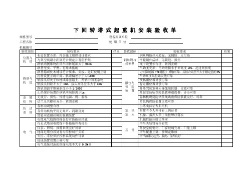
工程名称:设备名称:型号规格:安装单位:使用单位:项目经理:
建筑起重机械安装拆卸前检查表(表二)
(二)塔式起重机拆卸前检查表
建筑起重机械安全技术交底书
年月日
建筑起重机械安装自检验收表(一)塔式起重机安装自检验收表
(二)施工升降机安装自检验收表
建筑起重机械加节检验表
(二)施工升降机加节检验表
建筑起重机械附着检验表(一)塔式起重机附着检验表
(二)施工升降机附着检验表
建筑起重机械运转及交接班记录表
建筑起重机械定期检查记录
机械名称:
型号规格:
产权单位:
(一)建筑起重机械单机记录
(二)建筑起重机械使用登记记录
检查人(2)
(三)安全保护装置定期检验、检修记录
检查人(2)
(四)建筑起重机械定期维护保养记录
检查人(2)
(四)建筑起重机械定期维护保养记录
(五)建筑起重机械事故记录。
建筑施工起重机械塔式起重机安装验收记录表建筑施工起重机械塔式起重机安装验收记录表工程名称:XXX验收日期:XXXX年XX月XX日施工单位:XXX设备名称:XXX制造厂家:XXX设备编号:XXX起重量:XXX吨安装单位:XXX安装质量:合格/不合格验收结论:合格/不合格I. 设备的现场拍照记录II. 安装单位人员名单姓名职务上岗证号III. 等高线及平面图的平放和弧度的检查记录IV. 安装基础的检查与记录1. 地基承载能力检查地基承载力(标准)安装基础面积(平米)承载力(KN)承载力合格率2. 安装基础平整度检查基础面积(平米)最大高差(mm)平面度合格率V. 安装监理复验记录表与技术交底(见技术交底及监理复验记录表)VI. 塔式起重机质量证明文件检查与记录1. 设备出厂合格证书复印件2. 安装工程师持证上岗合格证书复印件3. 设备制造厂家组织的出厂检验、试运行记录VII. 外观及部件质量检查记录1. 设备名称、编号、制造厂家、安装日期、额定起重力矩、吊装高度和工业生产许可证相符合。
2. 塔体外观、防腐处理和镶垫轮的检查、操作杆的装配和调整、液压管路的检查少表面VIII. 塔吊各部件检查与调整记录1. 链条和绳缆编号规格检查结果2. 液压油品名规格检查结果3. 紧固件编号规格检查结果IX. 检查各部装置工作状况1. 设备启动,吊钩升降、平移、回转的检查2. 安全限位开关的校验3. 各控制工作站的功能和安全警示标识的检查X. 塔吊安全设施及机架配件的检验记录1. 避雷装置和接地线的检查2. 平衡重链和双(三)控制器、玻璃钢反光手提警示标志牌、气喇叭、射灯的检查。
3. 各操作自动装置、缆绳式自动安全制动器、承载力限制器和风速表的检查。
维修保养记录表日期维修项目维修人员总结:以上为建筑施工起重机械塔式起重机安装验收记录表,各项数据齐全、记录详细,起到了对塔式起重机设备安装的全面检查以及确保安全使用的有效性。
建筑施工起重机械物料提升机安装验收记录表参考模板范本 (一)建筑施工起重机械物料提升机是建筑施工中必不可少的设备,其安装验收记录表是检验起重机械是否符合国家安全标准的重要文件。
下面是一份建筑施工起重机械物料提升机安装验收记录表参考模板范本,以供参考。
1.项目名称与位置:(填写具体项目名称及安装位置)2.提升机厂家:(填写提升机生产厂家名称)3.型号规格:(填写提升机型号及规格参数)4.安装日期:(填写提升机的安装日期)5.安装单位:(填写提升机的安装单位名称及联系方式)6.安装人员:(填写主要安装人员的姓名)7.验收人员:(填写验收人员的姓名及单位)8.安装质量评定:(填写安装质量评定结果,可以是安装合格或者安装存在问题)9.安全性能测试:(填写安全性能测试结果,包括提升机的工作能力是否存在问题、安全装置可靠性等)10.液压系统检验:(填写液压系统的检验结果,包括系统质量、泄漏、压力等等)11.电气系统检验:(填写电气系统的检验结果,包括电缆质量,电机功率,控制箱的可靠性等)12.配重系统检验:(填写配重系统的检验结果,包括配重系统是否灵活、双重悬挂系统是否稳定可靠等情况)13.安全保护装置检验:(填写安全保护装置的检验结果,包括重载保护、限位开关、紧急停止控制器等)14.基础设施检验:(填写基础设施的检验结果,包括基础钢结构、地基附加构造等)15.总计测试得分: (填写测试检验所得分数总和)16.安装验收意见:(安装验收人员在此处提出意见和建议)17.签字:(填写参与安装的人员及验收人员的签字)通过使用本建筑施工起重机械物料提升机安装验收记录表参考模板范本,可以对安装的起重机械进行严格的检验与评估,确保机械设备达到国家安全标准,并保证建筑施工的安全实际。
建筑施工起重机械的检验与监督,是建筑施工的关键之一,需要加强安装人员的素质与技能,提高其对设备质量的关注度,切实保障施工安全。
建筑施工起重机械(履带起重机)安装验收
记录表
1.项目名称:
填写建设项目的名称。
2.起重机械基本情况:
填写履带起重机的基本信息,包括型号、制造单位、产品合格证编号等。
3.安装单位:
填写履带起重机的安装单位信息,包括单位名称、联系人、联系电话等。
4.安装地点:
填写履带起重机的具体安装地点。
5.安装时间:
填写履带起重机的安装日期和时间。
6.施工安装过程及技术要求:
简要描述履带起重机的施工安装过程,包括安装人员、技术要
求等。
7.安装验收过程:
描述履带起重机的安装验收过程,包括验收人员、验收内容等。
8.安装验收结果:
填写履带起重机的安装验收结果,包括验收合格或不合格等。
9.备注:
填写对履带起重机安装验收的其他备注信息。
10.签字:
安装单位负责人和验收人员在相应的签字处签名确认。
11.附件:
附上履带起重机的相关材料和证件,如产品合格证复印件、安
装人员资质证件等。
以上是建筑施工起重机械(履带起重机)安装验收记录表的内容。
请在文档中根据实际情况填写相关信息,以确保安装验收的准
确性和合规性。
档案号合肥市建筑起重机械安全管理手册监督注册号设备注册号工程名称建设单位名称监理单位名称维保单位名称施工单位名称安(拆)单位名称安/拆日期 /合肥市建筑质量安全监督站制关于合肥市建筑起重机械管理手册的使用说明为进一步规范我市建筑起重机械设备的使用管理,根据《建设工程安全生产管理条例》、《特种设备安全监查条例》,结合《建筑起重机械安全监督管理规定》和《建筑起重机械备案登记办法》文件要求,编制《合肥市建筑起重机械使用管理手册》。
本手册自建筑起重机械设备进入施工现场,在设备使用、检查、维修过程中如实填写直至设备撤离施工现场,每台设备必须单独成册归档(存档单位分别:施工总承包单位、安拆维保单位和产权单位),档案号由合肥市建筑质量安全监督站统一编号。
本册一式三份,由施工总承包单位、安拆维保单位和监理单位如实填写并安排专人负责保管。
填写要求:总承包施工单位、使用单位、安拆维保单位和监理单位必须由相关责任人亲自填写,项目经理和总监理工程师必须加盖执业注册章。
填表的内容‘○’内检查无问题写‘√’有问题的在‘○’写‘×’,验收结论只准填写合格或不合格,带有为★保证项,保证项有一项不合格结论视为不合格。
概况合肥市建筑起重机械进场验收表1合肥市建筑起重机械基础验收表2合肥市建筑塔式起重机安装验收表3—1 注:此表包括安装、加节、降节验收合肥市建筑人货电梯安装验收表4-1合肥市建筑起重机械附墙验收告知表5-1 注:此表可作为每次附墙安装告知表,由总监审核签字同意后,方可安装合肥市建筑起重机械塔吊检查维护保养记录表6-1 注:此表维保内容全为保证项合肥市建筑起重机械人货电梯检查维护保养记录表7-1 注:此表维保内容全为保证项合肥市建筑起重机械特殊工种变更登记表10。
建筑施工起重机械施工升降机安装验收记录表参考模板范本 (一)随着现代化建筑工程的不断发展,建筑施工起重机械施工升降机已经成为建筑施工的必要设备之一。
为了确保工程质量和安全性,升降机的安装和验收显得非常重要。
下面介绍一下建筑施工起重机械施工升降机安装验收记录表的模板范本,希望对大家有所帮助。
建筑施工起重机械施工升降机安装验收记录表安装单位:检验单位:安装日期:检验日期:安装地点:机械名称:机械型号:序列号:一、安装前准备1.安装场地选择和清理2.材料准备3.施工方案的审批及配套的安全措施4.安全检查记录二、安装监理1.监理单位或监理对该升降机施工安装过程的监管2.升降机安装监理日志三、施工现场安全管理1.严格管理到场人员和工作人员2.实行施工现场封锁3.远离公共空间和疏散区四、升降机安装调试工程1.升降机器架组装2.提升机器架组件带电检查3.升降机框架的检查和调整4.升降机柱的安装和焊接5.升降机篮上的足门安装和调节6.电气设备和控制系统的安装7.升降机整机调试(静态和动态)五、验收标准1.国家标准GB7588-2003《起重机安全规定》、GB/T19022-2016《升降机技术参数、安全要求和基本结构》等2.机械性能安全、可靠性、经济性、环境适应性、技术保障、质量保障、外观和环保标准六、安全要求1.根据地形地貌要求制定合理的安装方案2.准确判断安装地点是否合适3.升降机施工过程中必须防止事故发生4.升降机安装后,必须做好日常维护保养工作,以确保机器功能正常。
五、验收结果1.机械性能达到标准2.检验不合格项目六、其它要求1.2.施工单位:检验单位:签字:签字:日期:日期:这是一份建筑施工起重机械施工升降机安装验收记录表的模板范本,具体内容可以根据实际需要进行修改。
通过严格的安装和验收程序,可以确保升降机顺利安装并保障施工质量和安全。
同时,建议在安装期间加强安全教育和培训,将安全观念根植于每个施工人员的心中,保证升降机安全有效运转。
安、拆装单位塔机型号
塔式起
®机塔式起重机安装(顶升、加节)验收记录
起升高度
验收日期:
安、拆负责人
产权登记号
幅度
臂端起重量
起重力矩TM
项U 内容和要求验收结果
结■
构部件、附件、联结件安装是否齐全,位置是否正确
螺栓拧紧力矩是否达到技术要求,开口销是否安全撬开结构是否有变形、开焊、疲劳裂纹
压重、配重重量、位置是否达到说明书要求
■
钢丝绳在卷筒上面缠绕是否整齐、润滑是否良好
钢丝绳规格是否正确、断丝和磨损是否达到报废标准钢丝绳固定和编插是否符合国家标准
各部件滑轮转动是否灵活、可靠,有无卡塞现象
吊钩磨损是否达到报废标准、保险装置是否可靠
各机构转动是否平衡有无异常响声
各润滑点是否润滑良好、润滑油牌号是否正确
制动器、离合器动作是否灵活可靠
电缆供电系统供电是否充分、正常工作、电压380±5%炭刷、接触器、继电器触点是否&好
仪表、照明、报警系统是否完好、可靠
控制、操纵装置动作是否灵活、可靠
电气各种安全保护装置是否齐全、可靠
电气系统对塔吊的绝缘电阻不小于0
T
最大起重量
/ T
塔式起重机安装(加节)检查验收表
表
验收意见:
参加验收人员。
建筑施工起重机械(桥式起重机)安装验收
记录表
项目名称:
客户名称:
施工单位:
安装日期:
起重机类型:
型号:
承重量:
起升高度:
跨度:
工作级别:
操作控制方式:
在安装起重机械之前,确保以下准备工作已完成:
确保施工场地平整牢固,符合安装要求;
准备起重机械及其配件,并进行检查;
确保安装人员熟悉起重机械的安装方式和注意事项;
确保所需工具和设备准备充足。
根据起重机械的安装图纸和说明书,按照指导进行安装;
安装起重机主梁、走架、起重机械的支腿等部件;
连接电源线和控制线,并进行线路检查;
调整起重机的平衡,确保吊臂平稳运行;
安装起重机械的安全装置,包括限位器、重载保护装置等;
安装操作控制台,确保控制台功能正常;
进行起重机械的静载试验和动载试验,确保其性能符合相关要求。
检查起重机械的外观质量,确保没有明显缺陷和损坏;
检查起重机械的安全装置,确保其功能正常;
进行起重机械的各项功能测试,包括起升、转动、行走等;
进行起重机械的静载试验和动载试验,确保其性能符合相关要求;
检查起重机械的标识和铭牌是否完好,并核对相关信息的准确性。
经过安装验收,本次起重机械安装符合规范要求,性能良好。
1.姓名:
2.职务:
3.签名:
4.日期:
1.代表姓名:
2.签名:
3.日期:
可选,如有需要请填写)可选,如有需要请填写)。
广东省建筑施工安全管理资料统一用表目录第一章施工企业安全生产管理第一节企业安全管理策划1.在建项目一览表GDAQ1101 (2)2.安全生产保证体系文件一览表GDAQ1102 (3)3.企业安全目标GDAQ1103 (4)4.企业安全目标管理方案(无表式)GDAQ1104 (5)5.施工现场安全生产保证计划(无表式)GDAQ1105 (6)6.施工现场安全生产保证计划评审记录表GDAQ1106 (7)7.施工现场安全生产保证计划变更审评记录表GDAQ1107 (8)8.在建项目危险源与不利环境因素识别与评价汇总表GDAQ1108 (9)9.在建项目危险源与不利环境因素识别评价表GDAQ1109 (10)10.在建项目危险源或不利环境因素控制措施方案要素表GDAQ1110 (11)第二节企业安全管理实施1.安全管理制度一览表GDAQ1201 (13)2.安全教育培训记录汇总表GDAQ1202 (14)3.安全教育培训记录表GDAQ1203 (15)4.安全物资供应商选择、评价记录表GDAQ1204 (16)5.采购和租赁安全物资验证记录表GDAQ1205 (17)6.分包方评价记录表GDAQ1206 (18)7.分包方控制记录表GDAQ1207 (19)8.分包方采购、租赁或自备安全物资验证记录表GDAQ1208 (20)9.施工企业生产安全事故应急救援预案GDAQ1209 (21)第三节企业安全检查1.安全检查和整改记录GDAQ1301 (23)3.安全监测仪器校准和维护记录表GDAQ1303 (25)第四节企业安全生产评价一、安全生产条件评价1.安全生产管理评分表(含续表)GDAQ1401 (27)2.安全技术管理评分表GDAQ1402 (29)3.设备与设施管理分项评分表GDAQ1403 (36)4.企业市场行为评分表GDAQ1404 (37)二、安全生产业绩评价5.施工现场安全管理评分表GDAQ1405 (38)三、安全生产评价汇总6.施工企业安全生产评价汇总表GDAQ1406 (39)第二章工程项目安全生产管理第一节工程项目基本情况1.工程概况表GDAQ20101 (43)2.项目安全管理组织机构框架图(无表式)GDAQ20102 (44)3.项目管理人员登记表GDAQ20103 (45)4.项目安全生产管理人员登记表GDAQ20104 (46)5.项目特种作业人员登记表GDAQ20105 (47)6.作业人员平安卡办理情况汇总表GDAQ20106 (48)7.施工总承包单位安全生产管理人员签名笔迹备查表GDAQ20107 (49)8.专业分包单位安全生产管理人员签名笔迹备查表GDAQ20108 (50)9.安全防护、文明施工措施费用使用计划(无表式)GDAQ20109 (51)10.分包方进场登记表GDAQ20110 (52)11.危险性较大分部分项工程汇总表GDAQ20111 (53)12.超过一定规模的危险性较大分部分项工程汇总表GDAQ20112 (54)13.项目部劳动防护用品发放登记表GDAQ20113 (55)第二节责任、目标考核1.安全生产管理人员岗位安全责任书(无表式)GDAQ20201 (59)2.安全生产责任制考核汇总表(年)GDAQ20202 (60)(1)管理人员安全生产责任制考核表GDAQ2020201 (61)(2)安全生产责任制班组(部门)考核表GDAQ2020202 (62)3.安全生产管理目标考核表(年月)GDAQ20203 (63)4.项目部安全生产管理目标考核表(含续表)GDAQ20204 (64)第三节安全检查一、检查评分1.建筑施工安全检查评分汇总表GDAQ2030101 (69)2.安全管理检查评分表GDAQ2030102 (70)3.文明施工检查评分表(含续表)GDAQ2030103 (71)4.落地式外脚手架检查评分表GDAQ2030104 (73)5.悬挑式脚手架检查评分表GDAQ2030105 (74)6.门型脚手架检查评分表GDAQ2030106 (75)7.挂脚手架检查评分表GDAQ2030107 (76)8.吊篮脚手架检查评分表GDAQ2030108 (77)9.附着式升降脚手架(整体提升架或爬架)检查评分表(含续表)GDAQ2030109 (78)10.基坑支护安全检查评分表GDAQ2030110 (80)11.模板工程安全检查评分表GDAQ2030111 (81)12.“三宝”、“四口”防护检查评分表GDAQ2030112 (82)13.施工用电检查评分表GDAQ2030113 (83)14.物料提升机(龙门架、井字架)检查评分表(含续表)GDAQ2030114 (84)15.外用电梯(人货两用电梯)检查评分表GDAQ2030115 (86)16.塔吊检查评分表GDAQ2030116 (87)17.起重吊装安全检查评分表GDAQ2030117 (88)18.施工机具检查评分表GDAQ2030118 (89)1.项目部安全检查及隐患整改记录表GDAQ2030201 (90)2.停工通知书(公司对项目)GDAQ2030202 (91)3.复工申请书(项目部报公司)GDAQ2030203 (92)第四节分部分项工程安全技术交底1.管理人员进场安全交底表GDAQ20401 (95)2.分部(分项)工程安全技术交底GDAQ20402 (96)3.分部(分项)工程安全技术交底汇总表GDAQ20403 (97)第五节安全教育1.新工人安全教育汇总表GDAQ20501 (101)2.新工人入场三级安全教育登记表GDAQ20502 (102)(1)公司(第一级)安全教育记录GDAQ2050201 (103)(2)项目部(第二级)安全教育记录GDAQ2050202 (105)(3)班组(第三级)安全教育记录GDAQ2050203 (107)3.变换工种安全教育登记表GDAQ20503 (109)4.作业人员安全教育登记表GDAQ20504 (110)5.管理人员安全教育登记表GDAQ20505 (111)6.急救人员安全教育登记表GDAQ20506 (112)7.节后安全教育登记表GDAQ20507 (113)8.日常安全教育登记表GDAQ20508 (114)9.应急知识教育登记表GDAQ20509 (115)第六节安全活动记录1.班组班前安全活动记录(含续表)GDAQ20601 (119)2.施工安全日记GDAQ20602(含续表) (121)3.基坑支护水平位移观测记录表GDAQ20603 (124)4.基坑支护沉降观测记录表GDAQ20604 (125)5.气体检测记录GDAQ20605 (126)6.施工现场临时用电设备明细表GDAQ20606 (127)8.电气线路绝缘强度测试记录表GDAQ20608 (129)9.施工现场临时用电设备检查记录表GDAQ20609 (130)10.安全防护用具检查记录表GDAQ20610 (131)11.施工机具及配件检查维护保养记录表GDAQ20611 (132)12.建筑起重机械维护保养记录表(含续表)GDAQ20612 (133)13.建筑起重机械运行记录(含续表)GDAQ20613 (135)第七节事故应急救援及调查处理1.事故应急救援演练计划(无表式)GDAQJ207012.事故应急救援演练记录(无表式)GDAQ3207023.工程建设质量安全事故快报(含续表)GDAQ20703 (141)4.事故调查处理有关文件汇总(无表式)GDAQ20704 (143)5.意外伤害保险登记表GDAQ20705 (144)第八节安全警示标志1.安全警示标志平面布置图GDAQ20801 (147)2.施工现场安全警示标志检查表(含续表)GDAQ20802 (148)第九节安全防护用具、设备设施验收表一、安全防护用具、设备验收表1.安全防护用具进场查验登记表GDAQ2090101 (153)2.机械设备进场查验登记表GDAQ2090102 (154)3.施工机具及配件进场查验登记表GDAQ2090103 (155)4.建筑起重机械安装验收表GDAQ2090104 (157)5.建筑起重机械基础验收表GDAQ2090105 (158)6.施工升降机附着验收表(含续表)GDAQ2090106 (159)7.塔式起重机附着验收记录表GDAQ2090107 (161)8.安装自检记录表(1)施工升降机安装自检表(含续表)GDAQ209010801 (162)(2)施工升降机附着自检表(含续表)GDAQ209010802 (173)(4)塔式起重机附着自检表(含续表)GDAQ209010804 (187)(5)物料提升机安装自检表(含续表)GDAQ209010805 (189)(6)架桥机安装自检表(含续表)GDAQ209010806 (197)(7)桥(门)式起重机安装自检表(含续表)GDAQ209010807 (207)9.定期自检记录表(1)施工升降机定期自检表(含续表)GDAQ209010901 (218)(2)塔式起重机定期自检表(含续表)GDAQ209010902 (220)(3)物料提升机定期自检表(含续表)GDAQ209010903 (222)(4)架桥机定期自检表(含续表)GDAQ209010904 (224)(5)桥(门)式起重机定期自检表(含续表)GDAQ209010905 (226)二、设施验收表1.脚手架验收表(1)扣件式钢管脚手架基础验收表GDAQ209020101 (228)(2)门式钢管脚手架基础验收表GDAQ209020102 (229)(3)扣件式钢管脚手架验收表GDAQ209020103 (230)(4)门型脚手架验收表(含续表)GDAQ209020104 (232)(5)悬挑式脚手架验收表GDAQ209020105 (234)(6)吊篮脚手架验收表GDAQ209020106 (235)(7)附着式整体和分片提升脚手架验收表(含续表)GDAQ209020107 (236)2.混凝土模板工程验收表(含续表)GDAQ2090202 (238)3.临边洞口防护验收表GDAQ2090203 (240)4.施工现场临时用电验收表(含续表)GDAQ2090204 (241)5.人工挖孔桩防护验收表(含续表)GDAQ2090205 (243)第十节建筑起重机械产权备案、安装(拆卸)告知、使用登记用表1.建筑起重机械备案申报表(施工升降机)GDAQ21001 (247)2.建筑起重机械备案申报表(塔式起重机)GDAQ21002 (248)3.建筑起重机械备案申报表(门式起重机)GDAQ21003 (249)4.建筑起重机械备案申报表(物料提升机)GDAQ21004 (250)5.建筑起重机械备案申报材料清单GDAQ21005 (251)6.建筑起重机械安装(拆卸)告知表GDAQ21006 (252)7.建筑起重机械安装(拆卸)告知材料清单GDAQ21007 (253)8.安装塔式起重机相关安全条件确认表GDAQ21008 (254)9.建筑起重机械使用登记牌(施工升降机)GDAQ21009 (255)10.建筑起重机械使用登记牌(塔式起重机)GDAQ21010 (256)11.建筑起重机械使用登记牌(门式起重机)GDAQ21011 (257)12.建筑起重机械使用登记牌(物料提升机)GDAQ21012 (258)13.建筑起重机械办理使用登记牌材料清单GDAQ21013 (259)14.建筑起重机械安装(拆卸)作业公示牌GDAQ21014 (260)第十一节报审表GDAQ21101 (263)GDAQ21102 (264)3.安全专项施工方案报审表GDAQ21103 (265)4.模板拆除审批表GDAQ21104 (266)第十二节文明施工1.五牌一图(无表式)GDAQ21201 (269)2.消防安全管理组织机构框架图(无表式)GDAQ21202 (270)3.动火作业审批表GDAQ21203 (271)4.急救人员登记表GDAQ21204 (273)5.厨房工作人员健康证登记表GDAQ21205 (274)6.施工现场消防设施验收表GDAQ21206 (275)7.施工现场消防重点部位登记表GDAQ21207 (276)第十三节施工起重机械、安全设施、安全防护用品检测报告1.安全带检验报告GDAQ21301 (279)2.安全帽检验报告GDAQ21302 (280)3.安全网检验报告GDAQ21303 (281)4.钢管脚手架(对接)扣件检验报告GDAQ21304 (282)5.钢管脚手架(旋转)扣件检验报告GDAQ21305 (283)6.钢管脚手架(直角)扣件检验报告GDAQ21306 (284)7.门式钢管脚手架(门架)检验报告GDAQ21307 (285)8.门式钢管脚手架(底座)检验报告GDAQ21308 (286)9.碗扣式钢管脚手架检验报告GDAQ21309 (287)10.广东省建筑工程施工升降机安装检验评定报告GDAQ21310 (288)11.广东省建筑工程塔式起重机安装检验评定报告(含续表)GDAQ2131130112.广东省建筑工程物料提升机安装检验评定报告(含续表)GDAQ2131231213.高处作业吊篮检测报告GDAQ2131314.桥(门)式起重机检验报告GDAQ21314第三章施工安全生产技术资料第一节安全生产管理制度1.项目安全管理制度汇编GDAQ3101 (327)第二节安全专项施工方案1.施工现场临时用电安全专项施工方案编制要点GDAQ32012.建筑基坑支护安全专项施工方案编制要点GDAQ32023.土方开挖施工安全专项施工方案编制要点GDAQ32034.模板施工安全专项施工方案编制要点GDAQ32045.起重吊装工程安全专项施工方案编制要点GDAQ32056.扣件式钢管脚手架安全专项施工方案编制要点GDAQ32067.塔式起重机、施工升降机、物料提升机安装(拆卸)安全专项施工方案编制要点GDAQ32078.人工挖孔桩工程安全专项施工方案编制要点GDAQ32089.拆除工程安全专项施工方案编制要点GDAQ320910.施工现场应急救援预案编制要点GDAQ3210第三节安全技术交底一、地基与基础工程1.土方工程安全技术交底GDAQ330101 (359)2.回填土工程安全技术交底GDAQ330102 (360)3.深基坑工程安全技术交底GDAQ330103 (361)4.静力压桩工程安全技术交底GDAQ330104 (362)5.钻孔桩机安全技术交底GDAQ330105 (363)6.冲孔桩机安全技术交底GDAQ330106 (364)7.蒸汽打桩机安全技术交底GDAQ330107 (365)8.多功能打桩机安全技术交底GDAQ330108 (367)9.水上打桩工程安全技术交底GDAQ330109 (368)10.振动沉拔桩机安全技术交底GDAQ330110 (369)11.人工挖孔桩安全技术交底GDAQ330111 (370)12.人工挖孔桩钢筋安装安全技术交底GDAQ330112 (371)13.人工挖孔桩混凝土浇灌安全技术交底GDAQ330113 (372)14.人工土方开挖安全技术交底GDAQ330114 (373)15.地下连续墙施工安全技术交底GDAQ330115 (374)16.沉井施工安全技术交底GDAQ330116 (375)17.干作业螺旋钻孔成孔灌注桩施工安全技术交底GDAQ330117 (376)18.钻孔灌注桩安全技术交底GDAQ330118 (377)二、模板工程1.模板工程安全技术交底GDAQ330201 (378)2.高支模模板支架工程安全技术交底GDAQ330202 (379)3.大模板的堆放、安装和拆除安全技术交底GDAQ330203 (380)4.滑升模板安全技术交底GDAQ330204 (381)5.拆除模板支架安全技术交底GDAQ330205 (382)三、脚手架工程1.门型钢管外脚手架安全技术交底GDAQ330301 (383)3.落地式钢管外脚手架拆除安全技术交底GDAQ330303 (385)4.附着式整体和分片提升脚手架工程安全技术交底GDAQ330304 (386)5.附着整体和分片提升脚手架升降作业技术交底GDAQ330305 (387)6.附着整体和分片脚手架安装搭设施工技术交底GDAQ330306 (388)7.悬挑脚手架作业安全技术交底GDAQ330307 (389)四、钢筋混凝土工程1.钢筋工程安全技术交底GDAQ330401 (390)2.钢筋调直机安全技术交底GDAQ330402 (391)3.钢筋弯曲机安全技术交底GDAQ330403 (392)4.钢筋冷拉机安全技术交底GDAQ330404 (393)5.预应力钢筋拉伸设备安全技术交底GDAQ330405 (394)6.钢筋切断机安全技术交底GDAQ330406 (395)7.钢筋对焊机安全技术交底GDAQ330407 (396)8.混凝土工程安全技术交底GDAQ330408 (397)9.砌块工程施工安全技术交底GDAQ330409 (398)10.泵送混凝土工程作业安全技术交底GDAQ330410 (399)五、施工机具1.混凝土喷射机安全技术交底GDAQ330501 (400)2.搅拌机安全技术交底GDAQ330502 (401)3.砂浆拌和机安全技术交底GDAQ330503 (402)4.圆盘锯安全技术交底GDAQ330504 (403)5.木工平刨安全技术交底GDAQ330505 (404)6.自动压刨安全技术交底GDAQ330506 (405)7.砂轮转机安全技术交底GDAQ330507 (406)8.空气压缩机安全技术交底GDAQ330508 (407)9.机动翻斗车安全技术交底GDAQ330509 (409)10.水磨石机安全技术交底GDAQ330510 (410)1.塔式起重机安装(拆卸)安全技术交底GDAQ3306012.塔式起重机附着爬升(降塔)安全技术交底GDAQ3306023.塔式起重机操作安全技术交底GDAQ3306034.施工升降机安装(拆卸)安全技术交底GDAQ3306045.施工升降机操作安全技术交底GDAQ3306056.物料提升机安装(拆卸)安全技术交底GDAQ3306067.物料提升机操作安全技术交底GDAQ3306078.桥(门)式起重机安装(拆卸)安全技术交底GDAQ3306089.桥(门)式起重机操作安全技术交底GDAQ33060910.架桥机安装(拆卸)安全技术交底GDAQ33061011.架桥机操作安全技术交底GDAQ33061112.挖掘机安全技术交底GDAQ33061213.起重指挥司索工安全技术交底GDAQ330613七、装饰装修工程1.外墙装饰抹灰工程安全技术交底GDAQ330701 (433)2.油漆作业安全技术交底GDAQ330702 (434)3.玻璃工程安全技术交底GDAQ330703 (435)4.玻璃幕墙工程安全技术交底GDAQ330704 (436)5.门窗安装工程安全技术交底GDAQ330705 (437)6.卷材屋面施工安全技术交底GDAQ330706 (438)7.灌浆堵漏施工安全技术交底GDAQ330707 (439)八、钢结构工程1.金属加工、机修工程安全技术交底GDAQ330801 (440)2.铁器构件安装工程安全技术交底GDAQ330802 (441)3.钢结构及铁件制作工程安全技术交底GDAQ330803 (442)4.钢结构吊装安全技术交底GDAQ330804 (443)5.构件吊装安全技术交底GDAQ330805 (444)九、其他作业1.电焊工安全技术交底GDAQ330901 (445)2.高处作业及登高架设作业安全技术交底GDAQ330902 (446)3.气焊(割)作业技术交底GDAQ330903 (447)4.拆除工程安全技术交底GDAQ330904 (448)5.临时用电工程安全技术交底GDAQ330905 (449)6.装卸工作安全技术交底GDAQ330906 (451)7.爆破工程安全技术交底GDAQ330907 (452)8.顶管工程安全技术交底GDAQ330908 (453)9.管道施工工程安全技术交底GDAQ330909 (454)10.电梯安装安全技术交底GDAQ330910 (455)11.通风与空调工程设备安装安全技术交底GDAQ330911 (456)第四节各工种及机械设备安全操作规程一、各工种安全操作规程1.普通工(杂工)安全操作规程GDAQ340101 (459)2.凿岩爆破工安全操作规程GDAQ340102 (460)3.木工安全操作规程GDAQ340103 (462)4.钢筋工安全操作规程GDAQ340104 (463)5.混凝土工安全操作规程GDAQ340105 (465)6.搅拌机操作工安全操作规程GDAQ340106 (466)7.抹灰工安全操作规程GDAQ340107 (467)8.瓦工安全操作规程GDAQ340108 (468)9.架子工安全操作规程GDAQ340109 (469)10.高空作业安全操作规程GDAQ340110 (471)11.建筑电工安全操作规程GDAQ340111 (472)12.电焊工安全操作规程GDAQ340112 (474)13.气焊(割)工安全操作规程GDAQ340113 (475)15.机械维修工安全操作规程GDAQ340115 (477)16.卷扬机司机安全操作规程GDAQ340116 (478)17.物料提升机司机安全操作规程GDAQ340117 (479)18.施工升降机司机安全操作规程GDAQ340118 (480)19.塔式起重机司机安全操作规程GDAQ340119 (481)20.架桥机司机安全操作规程GDAQ340120 (482)21.门式起重机司机安全操作规程GDAQ340121 (484)22.桥式起重机司机安全操作规程GDAQ340122 (486)23.起重指挥司索工安全操作规程GDAQ234012324.流动式起重机司机安全操作规程GDAQ J3T4012425.打桩机司机安全操作规程GDAQ34012526.打桩工安全操作规程GDAQ234012627.机动车司机安全操作规程GDAQ234012728.土方机械司机安全操作规程GDAQ34012829.保温、防水工安全操作规程GDAQ234012930.安装钳工铆工安全操作规程GDAQ334013031.管道安装工安全操作规程GDAQ234013L32.通风工安全操作规程GDAQ234013233.油漆涂料工安全操作规程GDAQ34013334.玻璃工安全操作规程GDAQ340134二.各种机械设备安全操作规程1.塔式起重机安全操作规程GDAQ340201 (503)2.施工升降机安全操作规程GDAQ340202 (505)3.物料提升机安全操作规程GDAQ340203 (507)4.架桥机安全操作规程GDAQ340204 (508)5.门式、桥式起重机安全操作规程GDAQ340205 (514)6.起重吊车安全操作规程GDAQ340206 (515)8.木工平刨机安全操作规程GDAQ340208 (518)9.钢筋切断机安全操作规程GDAQ340209 (519)10.钢筋对焊机安全操作规程GDAQ340210 (520)11.钢筋弯曲机安全操作规程GDAQ340211 (521)12.套丝切管机安全操作规程GDAQ340212 (522)13.钢筋冷挤压连接机安全操作规程GDAQ340213 (523)14.混凝土泵机安全操作规程GDAQ340214 (524)15.混凝土搅拌机安全操作规程GDAQ340215 (526)16.混凝土插人式振动器安全操作规程GDAQ340216 (528)17.混凝土附着式、平板式振动器安全操作规程GDAQ340217 (529)18.砂浆搅拌机安全操作规程GDAQ340218 (530)19.蛙式夯实机安全操作规程GDAQ340219 (531)20.振动冲击夯机安全操作规程GDAQ340220 (532)21.交流电焊机安全操作规程GDAQ340221 (533)22.水磨石机安全操作规程GDAQ340222 (534)23.手持电动工具安全操作规程GDAQ340223 (535)24.砂轮机安全操作规程GDAQ340224 (537)25.机动翻斗车安全操作规程GDAQ340225 (538)26.装载机安全操作规程GDAQ340226 (539)27.柴油锤桩机安全操作规程GDAQ340227 (540)28.振动锤桩机安全操作规程GDAQ340228 (541)29.静力压桩机安全操作规程GDAQ340229 (543)30.强夯机安全操作规程GDAQ340230 (544)31.风动凿岩机安全操作规程GDAQ340231 (545)32.空气压缩机安全操作规程GDAQ340232 (546)33.发电机安全操作规程GDAQ340233 (547)34.潜水泵安全操作规程GDAQ340234 (548)36.混凝土切割机安全操作规程GDAQ340236 (550)37.推土机安全操作规程GDAQ340237 (551)38.振动压路机安全操作规程GDAQ340238 (553)第四章安全监理资料第一节安全监理制度1.监理单位安全监理责任制编制要点GDAQ4101 (557)2.监理单位安全管理制度编制要点GDAQ4102 (560)3.监理单位安全教育培训制度编制要点GDAQ4103 (562)第二节安全监理方案及实施细则1.安全监理方案GDAQ4201 (565)2.安全监理实施细则GDAQ4202 (566)第三节安全监理用表1.监理单位管理人员签名笔迹备查表GDAQ4301 (569)2.安全会议纪要(含续表)GDAQ4302 (570)3.安全监理工作计划表GDAQ4303 (572)4.安全监理工作联系单GDAQ4304 (573)5.安全监理日志GDAQ4305 (574)6.施工安全监理周报(报建设工程安全监督站)GDAQ4306 (575)7.建筑施工起重机械安装/拆卸旁站监理记录表GDAQ4307 (576)8.危险性较大的分部分项工程旁站监理记录表GDAQ4308 (577)9.安全隐患整改通知(监理对施工单位项目部)GDAQ430910.安全隐患整改通知回复(施工单位项目部报监理)GDAQ431011.暂时停止施工通知(监理对施工单位项目部)GDAQ431112.复工申请(施工单位项目部报监理)GDAQ431213.安全监理重大情况报告GDAQ431314.安全专项施工方案报审表GDAQ2110316.安全防护、文明施工措施费用使用计划报审表GDAQ4315 17.施工单位(总包,分包)安全管理体系报审表GDAQ4316 18.施工安全防护用具、设备、器材报审表GDAQ431719.建设工程施工安全评价书GDAQ4318附录一工程项目安全生产管理资料组卷目录。
建筑施工起重机械(吊车)安装验收记录表
项目信息
- 项目名称: [填写项目名称]
- 施工单位: [填写施工单位]
- 安装日期: [填写安装日期]
- 安装地点: [填写安装地点]
起重机械信息
- 品牌型号: [填写起重机械的品牌和型号]
- 最大起重量: [填写起重机械的最大起重量]
- 安装地点: [填写起重机械的安装地点]
- 安装高度: [填写起重机械的安装高度]
验收过程
1. 验收人员: [填写参与验收的人员名单]
2. 验证安装位置的平整度和稳固程度。
3. 确认起重机械的基础固定牢固,没有松动和变形。
4. 检查起重机械的电气系统、液压系统和操作系统,确保其正常运行。
5. 检查起重机械的安全装置,包括重载保护、限位保护、限速器等,确保其正常工作。
6. 检查起重机械的钢丝绳、钢缆和吊钩,确保其完好无损。
7. 进行起重机械的试运行,确认其运行平稳、无异常声音和震动。
8. 对起重机械进行功能测试,包括上升、下降、移动等,确保其操作灵活、准确。
9. 检查起重机械的安全标志和警示标志,确保其清晰可见。
10. 验收人员共同签字确认验收结果。
验收结论
- 验收结果: [填写验收结果,可以是合格、不合格或待处理]
- 验收备注: [填写验收过程中需要特别注意的事项和备注]
验收人员签字
- 验收人员1: [填写验收人员1姓名和签字]
- 验收人员2: [填写验收人员2姓名和签字]
- 验收日期: [填写验收日期]。
建筑施工起重机械(升降机)安装验收记录表项目信息- 项目名称:[项目名称]- 施工单位:[施工单位]- 起重机械(升降机)安装单位:[安装单位]- 施工工地地址:[工地地址]- 安装日期:[安装日期]起重机械(升降机)信息设备基本参数- 设备型号:[设备型号]- 额定载重量:[额定载重量]- 最大起升高度:[最大起升高度]- 工作速度:[工作速度]- 悬挂装置:[悬挂装置]安全装置- 上、下限位安全装置:[安装状态:正常/损坏/无] - 载重限制装置:[安装状态:正常/损坏/无]- 防倾翻装置:[安装状态:正常/损坏/无]- 电气保护装置:[安装状态:正常/损坏/无]验收情况记录安装验收人员- 主要负责人:[主要负责人姓名]- 验收人员:[验收人员姓名]验收内容1. 安装前的准备工作是否完成:- [ ] 已完善设备基础- [ ] 已合理布置安装场地- [ ] 已检查并准备好所需安装工具和设备- [ ] 其他:____________________________2. 安装过程及质量是否符合规范要求:- [ ] 设备安装位置与规划一致- [ ] 设备固定牢固可靠- [ ] 设备电气接线正确可靠- [ ] 设备运行平稳无异响- [ ] 其他:____________________________3. 安全装置的安装及功能是否达标:- [ ] 上、下限位安全装置正常- [ ] 载重限制装置正常- [ ] 防倾翻装置正常- [ ] 电气保护装置正常- [ ] 其他:____________________________4. 安装验收结论:- [ ] 安装验收合格- [ ] 安装验收不合格(请在备注中说明原因)备注[请输入备注信息]---*以上为建筑施工起重机械(升降机)安装验收记录表*。