建筑工地春节放假值班表模板
- 格式:doc
- 大小:291.50 KB
- 文档页数:2
春节建筑工地值班方案表
时间(十二月三十日至一月十四日)工期(二十五天)
工地名称:春节建筑工地值班方案表
值班人员安排:
一、白班:早上8点至下午5点(1月1日至1月7日)
值班人员:张三、李四、王五
工作内容:
1. 确保现场安全,做好工地的巡视和监管工作。
2. 保持工地的整洁和卫生,定期清理工地周边区域。
3. 协助工地管理人员处理突发事件。
4. 对进出工地的人员和车辆进行登记和核实身份。
二、夜班:晚上7点至早上7点(十二月三十日至一月十三日)值班人员:王五、赵六、刘七
工作内容:
1. 对工地周边区域进行夜间巡查,做好安全防范工作。
2. 监控现场设备和器材,确保设备正常运行。
3. 处理夜间工地突发事件,及时报告工地管理人员。
4. 确保夜间运输车辆和人员按规定进出工地。
注意事项:
1. 值班人员需严格按照工作时间安排到岗,并保持通讯畅通。
2. 值班人员需配备必要的工具和设备,做好自身安全防范措施。
3. 值班期间,禁止将工地设备和材料借给外人使用。
4. 值班期间,禁止在工地上进行非法、违规活动。
备注:若有工地改变项目或人员的情况发生,应及时通知值班人员,并重新安排值班方案。
******春节假期值班表******定于2012年1月15日至1月30日放春节长假,为保证春节期间项目部人员、财产安全,做到上通下达,让大家过一个欢乐、祥和、安定的新春佳节。
特制定2012年春节假期值班表,希望值班人员认真执行,确保值班期间不出现任何问题。
期间不出现任何问题。
值班日期值班日期 值班人员值班人员 联系电话联系电话 值班期间有无异常值班期间有无异常交接班签字交接班签字 1月16日1月17日 1月18日1月19日 1月20日 1月21日 1月22日 1月23日 1月24日 1月25日 1月26日 1月27日 1月28日1月29日值班期间注意事项:1.1.放假期间成立紧急情况应急处理小组,放假期间成立紧急情况应急处理小组,放假期间成立紧急情况应急处理小组,******任组长,其他值班人员任组员。
全任组长,其他值班人员任组员。
全面负责春节长假期间各种突发紧急事件(如盗窃、失火)的妥善处理和协调指挥。
每一值班人员必须与接班人员当面交班,并告知其值班期间的情况,做好交接班记录;值班当日如遇重大事件需及时向领导请示以便妥善处理。
2.2.务必做好防盗工作,保证人员、财产安全。
值班员值班当日不得擅自脱离值务必做好防盗工作,保证人员、财产安全。
值班员值班当日不得擅自脱离值班岗位,如遇特殊情况可及时与其他值班人员提前沟通以做好临时调换;不得出现放假期间无人员值班情况。
得出现放假期间无人员值班情况。
3.3.务必做好防火工作,保证人员、财产安全。
值班员须每日检查灭火器材的性务必做好防火工作,保证人员、财产安全。
值班员须每日检查灭火器材的性能,做到灭火器材随时可用;加强日常防火灾管理,安全用电,不随意生火,人员外出要及时切断宿舍电源及食堂电源、火源。
人员外出要及时切断宿舍电源及食堂电源、火源。
4.4.值班期间应急使用车辆为项目部猎豹汽车(车牌号:渝值班期间应急使用车辆为项目部猎豹汽车(车牌号:渝C****C****,驾驶员,驾驶员,驾驶员******联系电话:联系电话:152****8384152****8384152****8384);值班人员必须保持电话);值班人员必须保持电话24小时畅通。
春节期间工地人员值班表完整During the Spring Festival。
XXX Command Center Project Department has made the following arrangements to ensure a safe and happy XXX:1.XXX during the Spring Festival.The site will implement a 24-hour duty system during the Spring Festival。
XXX site。
In case of emergencies。
XXX.2.Fire safety measures during the Spring Festival.During the Spring Festival。
XXX。
In case of a fire。
self-rescue should be carried out according to the n of labor of the fire department。
If self-rescue is not possible。
119 should be called XXX in the duty room。
During the Spring Festival。
to prevent fire accidents。
it is not allowed to use fire in places where XXX materials are stored。
nor is it XXX according to the "XXX" and "no leniency" principles。
and will be required to XXX.3.Electrical safety XXX site during the Spring Festival.During the Spring Festival。
关于做好春节期间安全管理工作要求的通知集团公司所属各分、子公司、项目部:春节将近,为保证集团公司春节期间各项工作的安全,确保对各种突发性事件都制定有针对性的应急措施,做到防患于未然,使全体员工度过一个祥和、欢乐的春节,特要求各单位按照以下几点要求,做好本单位节日期间的安全管理工作。
1、各单位在放假之前,由本单位第一负责人牵头,对本单位进行一次全面的安全隐患排查工作,并针对排查出的安全隐患逐项给予消除、整改。
重点是施工现场重大危险源的安全技术措施及监控、应急措施,建筑施工安全防护设施和个人防护用品,火灾预防措施及消防设施配备,民工宿舍结构安全及“三合一”(住宿、食堂、仓库)现象等,全力预防坍塌、火灾、触电、人员高处坠落等恶性事故发生。
隐患排查及治理情况随同值班表一同报至工程管理部;2、各单位要认真落实春节期间领导值班、带班制度。
节日期间,要安排好专人值班,要求在建工程当班值班人员不少于2人,制定重点检查部位及检查线路,定时巡查。
严肃值班纪律,坚守岗位,尽职尽责,做好上情下达,下情上报工作。
值班电话及值班表于2月15日前报工程管理部。
3、放假前对本单位员工进行一次假日期间安全注意事项的教育培训活动,按要求检查、配置灭火器材,清理在建工程内的易燃物品。
严禁值班人员夜间用煤火、柴火、易燃有害物品点燃取暖,严防火灾和煤气中毒事故发生,严禁在未竣工房屋楼顶观看、燃放烟火爆竹。
4、放假期间要将办公场所和施工现场大门封闭,加强值班和安全保卫工作,禁止闲杂人员特别是儿童进入施工现场;5、现场的起重设备(塔吊、施工电梯、龙门架、吊篮)要拉闸断电,塔吊要打开回转制动,使塔吊大臂能够随风转动,施工电梯、龙门架、吊篮要落地,配电箱要拉闸、落锁;脚手架要进行一次全面检查、加固、清理工作。
另附隐患排查表和人员值班表工程管理部 2015.2. 3节前施工现场隐患排查表工程名称: 填表人: 填表时间:春节期间施工现场人员值班表工程名称: 填表人: 填表时间:注:1、值班日期填写格式*月*号—*月*号;2、值班时间填写白天、夜间或全天;3、责任区域填写生活区、办公区、施工现场或全部区域;。
XX工程春节假期安全保证措施你为使项目部全体员工春节度过一个平安、快乐、和谐的节日,确保春节假期期间安全形势稳定,特作如下安排:一、春节期间人员值班工作。
春节期间工地值班工作,实行24小时值班制度,有规律的在施工现场巡查,遇到紧急情况要及时赶赴现场,并及时、如实上报。
值班人员详见值班表。
二、春节期间防火安全保证措施春节期间,在施工现场要严格遵守烟厂防火规定和现场的防火制度。
在工作中要认真执行个人的防火责任制。
一旦发生火警要按消防组织的分工进行自救,不能自救时要及时打119电话报警。
值班室内不准用电炉子取暖。
春节期间为防止火灾事故,不准在堆放易燃、易爆材料的地方用火,不准私自乱拉乱搭电线等。
如不按上述规定执行,造成火灾事故的,要分别按照“谁违章谁负责”及“三不放过”的原则给予责任处罚,赔偿经济损失,追究事故责任。
三、春节期间施工现场用电安全措施春节期间施工现现场的用电:施工用电、生活用电除值班室照明电以外其余用电均断电。
确保春节期的用电安全。
春节期间定期检查电路是否有雨水打湿而导电的情况、配电箱是否,四、注意事项:1.春节期间工地实行封闭管理。
2.封闭管理期间,禁止材料、设备外出;除留守人员外,其余人员禁止入内。
3.值班人员必须坚持工作岗位,24小时保证通讯畅通。
4.值班人员必须要有高度责任心,切实做好财产保卫工作。
5.值班人员要认真担负起防火防盗的职责。
6.工地内禁止燃放烟花炮竹。
7.禁止在活动房内酗酒、赌博、打架斗殴等。
8.处理好值班当日的各类事项,遇重大问题要及时请示领导。
详细名单如下;XXX项目部2017年1月19日。
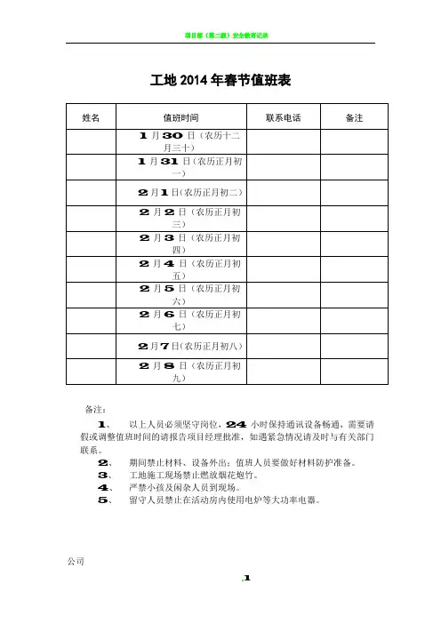
工地2014年春节值班表
备注:
1、以上人员必须坚守岗位,24小时保持通讯设备畅通,需要请
假或调整值班时间的请报告项目经理批准,如遇紧急情况请及时与有关部门联系。
2、期间禁止材料、设备外出;值班人员要做好材料防护准备。
3、工地施工现场禁止燃放烟花炮竹。
4、严禁小孩及闲杂人员到现场。
5、留守人员禁止在活动房内使用电炉等大功率电器。
公司
项目部
二○一四年一月二十一日
工地2014年春节值班表
备注:
1、以上人员必须坚守岗位,24小时保持通讯设备畅通,需要请假或调整值班时间的请报告项目经理批准,如遇紧急情况请及时与有关部门联系。
2、期间禁止材料、设备外出;值班人员要做好材料防护准备。
3、工地施工现场禁止燃放烟花炮竹。
4、留守人员禁止在活动房内使用电炉等大功率电器。
公司
项目部
二○一四年一月二十一日。
建筑工地休息日值班表(2样板)
本文档旨在为建筑工地的休息日制定一个值班表样板,以确保在休息日期间有足够的人员负责管理和应对紧急情况。
值班表样板1
请注意:上述值班表样板仅为示例,实际使用时需要根据实际人员情况和工地需求进行调整。
值班表样板2
请注意:上述值班表样板仅为示例,实际使用时需要根据实际人员情况和工地需求进行调整。
总结
以上提供的两份建筑工地休息日值班表样板可作为参考,在实际使用中根据具体人员安排进行修改。
值班表的制定有助于保证建筑工地在休息日有人负责管理,并能够及时应对突发情况。
建议在制定值班表时考虑人员轮休和技能匹配,以确保工地运营的顺利进行。
春节期间工地人员值班表编辑整理:尊敬的读者朋友们:这里是精品文档编辑中心,本文档内容是由我和我的同事精心编辑整理后发布的,发布之前我们对文中内容进行仔细校对,但是难免会有疏漏的地方,但是任然希望(春节期间工地人员值班表)的内容能够给您的工作和学习带来便利。
同时也真诚的希望收到您的建议和反馈,这将是我们进步的源泉,前进的动力。
本文可编辑可修改,如果觉得对您有帮助请收藏以便随时查阅,最后祝您生活愉快业绩进步,以下为春节期间工地人员值班表的全部内容。
贵阳市经济技术开发区大数据应急指挥中心工程春节假期安全保证措施你为使项目部全体员工春节度过一个平安、快乐、和谐的节日,确保春节假期期间安全形势稳定,特作如下安排:一、春节期间人员值班工作.春节期间工地值班工作,实行24小时值班制度,有规律的在施工现场巡查,遇到紧急情况要及时赶赴现场,并及时、如实上报。
值班人员详见值班表.二、春节期间防火安全保证措施春节期间,在施工现场要严格遵守烟厂防火规定和现场的防火制度。
在工作中要认真执行个人的防火责任制.一旦发生火警要按消防组织的分工进行自救,不能自救时要及时打119电话报警.值班室内不准用电炉子取暖.春节期间为防止火灾事故,不准在堆放易燃、易爆材料的地方用火,不准私自乱拉乱搭电线等。
如不按上述规定执行,造成火灾事故的,要分别按照“谁违章谁负责"及“三不放过”的原则给予责任处罚,赔偿经济损失,追究事故责任。
三、春节期间施工现场用电安全措施春节期间施工现现场的用电:施工用电、生活用电除值班室照明电以外其余用电均断电。
确保春节期的用电安全。
春节期间定期检查电路是否有雨水打湿而导电的情况、配电箱是否,四、注意事项:1.春节期间工地实行封闭管理。
2.封闭管理期间,禁止材料、设备外出;除留守人员外,其余人员禁止入内。
3.值班人员必须坚持工作岗位,24小时保证通讯畅通。
4.值班人员必须要有高度责任心,切实做好财产保卫工作.5.值班人员要认真担负起防火防盗的职责。
建筑工地春节放假值班表
2016年春节值班人员安排
为了保障XXXXXXXXXX项目的正常运转,特制定以下2016年春节值班人员安排:
值班时间:
2月07日(农历十二月二十九)至2月16日(农历正月
初九)
值班人员须知:
1.值班人员必须坚守岗位,24小时保持通讯设备畅通。
如需请假或调整值班时间,需报告项目经理批准。
如遇紧急情况,请及时与有关部门联系。
2.期间禁止材料、设备外出,值班人员要做好材料防护准备。
3.工地施工现场禁止燃放烟花炮竹。
4.留守人员禁止在活动房内使用电炉等大功率电器。
5.严禁小孩及闲杂人员到现场。
管理人员通讯录和紧急
为方便管理和应对突发情况,特列出以下管理人员通讯录和紧急
姓名职务联系电话备注
略)
值班人员和管理人员须共同遵守上述规定,确保XXXXXXXXXX项目的安全和顺利进行。
如有问题,请及时与项目经理联系。
工地春节值班记录表日期:XXXX年XX月XX日
值班人员:XXX
工作内容及情况:
1. 检查工地安全设施,确保无安全隐患。
2. 检查施工设备,确保正常运行。
3. 巡查工地现场,确保无违规操作。
4. 保持与上级部门的沟通,及时汇报工地情况。
发现的问题及处理措施:
1. 部分安全设施老化,已上报维修。
2. 部分施工设备出现故障,已联系专业人员进行维修。
3. 发现一名工人未佩戴安全帽,已现场纠正。
值班建议:
1. 加强春节期间的安全巡查,确保工地安全。
2. 提前做好设备维护工作,确保设备正常运行。
3. 提高工人的安全意识,加强安全培训。
备注:值班期间,整体情况良好,但仍需加强安全管理,确保春节期间无安全事故发生。
春节期间工地人员值班表全集文档(可以直接使用,可编辑实用优质文档,欢迎下载)贵阳市经济技术开发区大数据应急指挥中心工程春节假期安全保证措施你为使项目部全体员工春节度过一个平安、快乐、和谐的节日,确保春节假期期间安全形势稳定,特作如下安排:一、春节期间人员值班工作。
春节期间工地值班工作,实行24小时值班制度,有规律的在施工现场巡查,遇到紧急情况要及时赶赴现场,并及时、如实上报。
值班人员详见值班表。
二、春节期间防火安全保证措施春节期间,在施工现场要严格遵守烟厂防火规定和现场的防火制度。
在工作中要认真执行个人的防火责任制。
一旦发生火警要按消防组织的分工进行自救,不能自救时要及时打119 报警。
值班室内不准用电炉子取暖。
春节期间为防止火灾事故,不准在堆放易燃、易爆材料的地方用火,不准私自乱拉乱搭电线等。
如不按上述规定执行,造成火灾事故的,要分别按照“谁违章谁负责”及“三不放过”的原则给予责任处罚,赔偿经济损失,追究事故责任。
三、春节期间施工现场用电安全措施春节期间施工现现场的用电:施工用电、生活用电除值班室照明电以外其余用电均断电。
确保春节期的用电安全。
春节期间定期检查电路是否有雨水打湿而导电的情况、配电箱是否,四、注意事项:1.春节期间工地实行封闭管理。
2.封闭管理期间,禁止材料、设备外出;除留守人员外,其余人员禁止入内。
3.值班人员必须坚持工作岗位,24小时保证通讯畅通。
4.值班人员必须要有高度责任心,切实做好财产保卫工作。
5.值班人员要认真担负起防火防盗的职责。
6.工地内禁止燃放烟花炮竹。
7.禁止在活动房内酗酒、赌博、打架斗殴等。
8.处理好值班当日的各类事项,遇重大问题要及时请示领导。
详细名单如下;贵阳市经济技术开发区大数据应急指挥中心项目部2021年1月19日××年春节保安队值班表当班保安人员必须加强车间、宿舍巡查工作,如有特殊情况应及时向班长或上级主管报告。
人事行政部××年×月×日备注:1、以上人员必须坚守岗位,24小时保持通讯设备畅通,需要请假或调整值班时间的请报告项目经理批准,如遇紧急情况请及时与有关部门联系。
宁波住宅建设集团蓝城·蘭园项目
春节期间值班表
注:
1、值班人员实行24小时值班制,值班期间不得擅离职守。
2、值班人员及时处理值班中遇到的情况和问题,并做好值班记录,
发生突发事件及时向项目领导汇报,及时妥善处理;
3、值班人员值班期间应负责做好项目卫生保洁、安全保卫、防火和保密工作。
4、值班人员要时刻保持通讯畅通。
5、值班人员因事或因病不能值班时,需报项目领导批准后,由本人协调调换班次,确保项目值班工作正常进行,严禁擅自不值班或值班脱岗。
附:值班人员职务及联系方式
宁波住宅建设集团股份有限公司
蓝城·蘭园项目部
2019年1月28日。
XXXXXXXXXX项目
2016年春节值班人员安排
姓名值班时间联系电话备注
2月 07日(农历十二月二十九)
2月 08日(农历正月初一)
2月 09日(农历正月初二)
2月 10日(农历正月初三)
2月 11日(农历正月初四)
2月 12日(农历正月初五)
2月 13日(农历正月初六)
2月 14日(农历正月初七)
2月 15日(农历正月初八)
2月 16日(农历正月初九)
备注:
1、项目放假安排: 2015年 2月 7号— 2015年 2月 16号
2、以上人员必须坚守岗位, 24小时保持通讯设备畅通,需要请假或调整值班时间的请报告项目经理批准,如遇紧急情况请及时与有关部门联系。
3、期间禁止材料、设备外出;值班人员要做好材料防护准备。
4、工地施工现场禁止燃放烟花炮竹。
5、严禁小孩及闲杂人员到现场。
6、留守人员禁止在活动房内使用电炉等大功率电器。
公司
项目部
2016年 2月 5日
XXXXXXXXXX项目
管理人员通讯录和紧急电话
姓名职务联系电话备注
备注:
1、以上人员必须坚守岗位, 24小时保持通讯设备畅通,需要请假或调整值班时间的请报告项目经理批准,如遇紧急情况请及时与有关部门联系。
2、期间禁止材料、设备外出;值班人员要做好材料防护准备。
3、工地施工现场禁止燃放烟花炮竹。
4、留守人员禁止在活动房内使用电炉等大功率电器。
公司
项目部
2016年 2月 5日。