齿轮油的粘度等级学习资料.doc
- 格式:doc
- 大小:44.00 KB
- 文档页数:2
页脚* 1工业齿轮油的粘度等级 粘度等级 40 ℃运动粘度 (mm/s) 50 ℃运动粘度 (mm/s ,旧牌号) AGMA 粘度等级 ISO 粘度等级 68 61.2~74.8 50 2EP VG68 100 90~110 50~70 3EP VG100 150 135~165 90 4EP VG150 220 198~242 120 5EP VG220 320 288~352 200 6EP VG320 460 414~506 250 7EP VG460 680612~7483508EPVG680车用齿轮油的粘度等级SAE粘度级别 150,000厘泊时的最高温度(C ) 100C 是的粘度(厘斯)最低值 最高值 70W -55 4.1 - 75W -40 4.1 - 80W -26 7.0 - 85W -12 11.0 - 90 - 13.5 <24.0 140 - 24.0 <41.0 250-41.06 等级分类6.1 工业齿轮油的质量等级分类 分 级 现行名称 组成、特性及使用说明 L-CKB 抗氧化防锈型 普通工业齿轮油由精制矿物油加入抗氧化、防锈添加剂调配而成,有严格的抗氧化、防锈、抗泡、抗乳化性能要求,适用于一般轻负荷的齿轮润滑L-CKC 极压型 中负荷工业齿轮油 由精制矿物油加入抗氧化、防锈、极压抗磨剂调配而成,比CKB 具有较好的抗磨性,适用于中等负荷的齿轮润滑L-CKD 极压型 重负荷工业齿轮油由精制矿物油加入抗氧化、防锈、极压抗磨剂调配而成,比CKC具有更好的抗磨性和热氧化安定性,适用于高温下操作的重负荷的齿轮润滑 L-CKE 蜗轮蜗杆 蜗轮蜗杆油 由精制矿物油或合成烃加入油性剂等调配而成,具有良好的润滑特性和抗氧化、防锈性能,适用于蜗轮蜗杆润滑L-CKT 合成烃极压型低温中负荷工业齿轮以合成烃为基础油,加入同CKC 相似的添加剂,性能除具有CKC 的特性外,有更好的低温、高温性能,适用于高、低温环境下的中负荷齿轮之润滑。
如何选择车用齿轮油粘度等级有哪些?2011年02月18日16:59腾讯汽车[微博]综合报道我要评论(0)字号:T|T我们通常把用于变速器、后桥齿轮传动机构的润滑油叫做齿轮油。
齿轮的轴线相互位置和齿形不同,在齿面啮合部分的接触应力和相对滑移速度有很大的区别,因此要求使用不同类型和品种的齿轮油。
齿轮油分类:齿轮油的分类我国车辆齿轮油的旧分类是按照原苏联标准分类的。
普通齿轮油按100度运动粘度分为20、26、30号3个牌号。
双曲线齿轮油按100度运动粘度分为18号、22号、26号、28号4个牌号。
现在我国按质量分为三类:普通车辆齿轮油(CLC)、中等负荷车辆齿轮油(CLD)、重负荷车辆齿轮油(CLE)。
齿轮油型号:齿轮油的级别分类,按照美国石油学会(API)的标准,可分为GL-1、GL-2、GL-3、GL-4、GL-5、GL-6等质量级别,轮油外包装上都有相应的质量级别标识。
齿轮油的粘度等级:轮油按100℃运动粘度和表观黏度为150000mPa.s时最高使用温度规定,分为75W、75W/90、80W/90、85W/90、90、85W/140和140七个粘度等级(牌号)。
齿轮油的低温表观粘度的测定:齿轮油的低温表观粘度是采用布氏粘度计(Brookfield)按ASTMD2983(GB/T11145)方法测定的动力粘度,以mPa.s表示,表观粘度与后桥齿轮的低温流动性有关,通常用表观粘度为150000mPa.s时最高使用温度来确定油品的粘度等级(牌号)。
齿轮油如何应用:①普通车辆齿轮油。
适用于中等负荷和速度,比较苛刻的手动变速器和螺旋伞齿轮的驱动桥。
按粘度不同分为80W/90,85W/90,90三个规格。
长江以南地区90号规格的油可全年使用。
②中负荷车辆齿轮油。
适用于低速高扭矩、高速低扭矩下工作的齿轮,以及使用条件不太苛刻的准双曲线齿轮的驱动桥。
按粘度不同有75W,80W/90,85W/90,90,85W/40五个规格,其中90号规格油在长江以南地区可全年使用。
齿轮油粘度级别车辆齿轮油粘度级别选用表环境温度,℃车辆齿轮油粘度级别-57~+1075W-25~+4980W/90-15~+4985W/90-12~+4990-15~+4985W/140-7~+49140汽车用齿轮油主要用于变速器、驱动桥齿轮、传动机构的润滑,颜色多为深黑色;馏分型双曲线齿轮油一般为黄绿色及深棕红色。
其分类方法类似于发动机润滑油,从GL-1到GL-6,数字越大,品质越高,GL-4即可满足一般轿车的需要,粘度上按SAE分为70W、75W、80W、90 、140 、250共6个级别,前4种适用于低温工作。
质量档次的选择汽车齿轮油质量档次的选择应依据主减速器齿轮类型及其工作条件,如果主减速器是双曲线齿轮且齿面负荷在2000MPa以上、划移速度超过10米/秒、油温可达120-130摄氏度以上的车辆必须选用含有大量积压剂的重负荷车辆齿轮油(GL-5),如北京切诺基、红旗和进口高级轿车齿轮油;如果主减速器是双曲线齿轮,但负荷较小,不超过2000M帕,齿面划移速度在1.5-8 米/秒的车,如EQ1090、桑塔纳、夏利等应选择中负荷齿轮油(GL-4);有些结构较紧凑的越野车和进口载货车,如红岩CQ-261、斯太尔等,主减速器虽为螺旋伞齿轮传动,但工作条件比较苛刻,它们也必须使用中负荷齿轮油(GL-4),不可使用极压抗磨性很低的普通车辆齿轮油。
若后桥主减速器是一般螺旋伞齿轮,一般的车辆如:CA30A、JN150等,选用普通车辆齿轮油(GL-3)即可。
车辆的手动变速器、分动器的齿轮都是圆柱直齿轮或斜齿轮,负荷一般低于2000M帕,转速较快,容易形成流体(轻负荷)或弹性流体(重负荷)润滑油膜,同时各挡齿轮交替工作,所以工作条件比主减速器温和,选用含非活形抗磨剂的或少量极压抗磨剂的普通车辆齿轮油即能满足润滑要求。
但为简化用油品种,方便管理,多数汽车制造厂推荐驱动桥和手动变速器用同一种齿轮油。
2、粘度等级的选择车辆齿轮油粘度等级的选择主要依据其使用环境温度。
车辆齿轮油粘度级别选用表环境温度,℃车辆齿轮油粘度级别-57~+10 75W-25~+49 80W/90-15~+49 85W/90-12~+49 90-15~+49 85W/140-7~+49 140汽车用齿轮油主要用于变速器、驱动桥齿轮、传动机构的润滑,颜色多为深黑色;馏分型双曲线齿轮油一般为黄绿色及深棕红色。
其分类方法类似于发动机润滑油,从GL-1到GL-6,数字越大,品质越高,GL-4即可满足一般轿车的需要,粘度上按SAE分为70W、75W、80W、90 、140 、250共6个级别,前4种适用于低温工作。
质量档次的选择汽车齿轮油质量档次的选择应依据主减速器齿轮类型及其工作条件,如果主减速器是双曲线齿轮且齿面负荷在2000MPa 以上、划移速度超过10米/秒、油温可达120-130摄氏度以上的车辆必须选用含有大量积压剂的重负荷车辆齿轮油(GL-5),如北京切诺基、红旗和进口高级轿车齿轮油;如果主减速器是双曲线齿轮,但负荷较小,不超过2000M帕,齿面划移速度在 1.5-8 米/秒的车,如EQ1090、桑塔纳、夏利等应选择中负荷齿轮油(GL-4);有些结构较紧凑的越野车和进口载货车,如红岩CQ-261、斯太尔等,主减速器虽为螺旋伞齿轮传动,但工作条件比较苛刻,它们也必须使用中负荷齿轮油(GL-4),不可使用极压抗磨性很低的普通车辆齿轮油。
若后桥主减速器是一般螺旋伞齿轮,一般的车辆如:CA30A、JN150等,选用普通车辆齿轮油(GL-3)即可。
车辆的手动变速器、分动器的齿轮都是圆柱直齿轮或斜齿轮,负荷一般低于2000M帕,转速较快,容易形成流体(轻负荷)或弹性流体(重负荷)润滑油膜,同时各挡齿轮交替工作,所以工作条件比主减速器温和,选用含非活形抗磨剂的或少量极压抗磨剂的普通车辆齿轮油即能满足润滑要求。
但为简化用油品种,方便管理,多数汽车制造厂推荐驱动桥和手动变速器用同一种齿轮油。
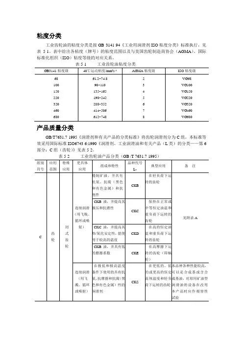
粘度分类
工业齿轮油的粘度分类是按GB 3141-94《工业用润滑剂ISO粘度分类》标准执行,见表5-1。
表中给出各粘度(牌号)的粘度范围以及与美国齿轮制造商协会(AGMA)、国际标准化组织(ISO)粘度等级的对应关系。
表5-1 工业齿轮油粘度分类
产品质量分类
GB/T7631.7-1995《润滑剂和有关产品的分类标准》将齿轮润滑剂分为C组,本标准等效采用国际标准ISO6743-6:1990《润滑剂、工业润滑油和有关产品(L类)的分类——第6部分:C组(齿轮)》见表5-2。
表5-2 工业齿轮油产品分类(GB /T 7631.7-1995)
注:1)这些应用可涉及到某些润滑脂。
根据BG/T7631.8,由供应者提供合适的润滑脂品种标记。
齿轮油粘度级别车辆齿轮油粘度级别选用表环境温度,℃车辆齿轮油粘度级别-57~+1075W-25~+4980W/90-15~+4985W/90-12~+4990-15~+4985W/140-7~+49140汽车用齿轮油主要用于变速器、驱动桥齿轮、传动机构的润滑,颜色多为深黑色;馏分型双曲线齿轮油一般为黄绿色及深棕红色。
其分类方法类似于发动机润滑油,从GL-1到GL-6,数字越大,品质越高,GL-4即可满足一般轿车的需要,粘度上按SAE分为70W、75W、80W、90 、140 、250共6个级别,前4种适用于低温工作。
质量档次的选择汽车齿轮油质量档次的选择应依据主减速器齿轮类型及其工作条件,如果主减速器是双曲线齿轮且齿面负荷在2000MPa以上、划移速度超过10米/秒、油温可达120-130摄氏度以上的车辆必须选用含有大量积压剂的重负荷车辆齿轮油(GL-5),如北京切诺基、红旗和进口高级轿车齿轮油;如果主减速器是双曲线齿轮,但负荷较小,不超过2000M帕,齿面划移速度在1.5-8 米/秒的车,如EQ1090、桑塔纳、夏利等应选择中负荷齿轮油(GL-4);有些结构较紧凑的越野车和进口载货车,如红岩CQ-261、斯太尔等,主减速器虽为螺旋伞齿轮传动,但工作条件比较苛刻,它们也必须使用中负荷齿轮油(GL-4),不可使用极压抗磨性很低的普通车辆齿轮油。
若后桥主减速器是一般螺旋伞齿轮,一般的车辆如:CA30A、JN150等,选用普通车辆齿轮油(GL-3)即可。
车辆的手动变速器、分动器的齿轮都是圆柱直齿轮或斜齿轮,负荷一般低于2000M帕,转速较快,容易形成流体(轻负荷)或弹性流体(重负荷)润滑油膜,同时各挡齿轮交替工作,所以工作条件比主减速器温和,选用含非活形抗磨剂的或少量极压抗磨剂的普通车辆齿轮油即能满足润滑要求。
但为简化用油品种,方便管理,多数汽车制造厂推荐驱动桥和手动变速器用同一种齿轮油。
2、粘度等级的选择车辆齿轮油粘度等级的选择主要依据其使用环境温度。
润滑油配方技术--齿轮油1.齿轮油调合生产配方讲解常规配方:基础油+复合添加剂+降凝剂(+增粘剂)。
基础油采用400SN ,500SN ,650SN ,150BS 。
增粘剂如果需要添加,采用小分子的聚异丁烯。
2.齿轮油粘度分类100℃粘度,cStD 445 SAE 粘度级别 表观粘度150000 cP 时的最高温度,D 2983最小 最大 70 W - 55 4.1 -- 75 W - 40 4.1 -- 80 W - 26 7.0 -- 85 W -12 11.0 -- 80 7.0 < 11.0 85 11.0 < 13.5 90 13.5 < 24.0 140 24.0 < 41.0 25041.0--3.齿轮油质量分类我国车辆齿轮油我国标准相当API 分类号使用部位普通车辆齿轮油,L-CLC (SH/T0350-92)GL-3手动变速器、螺旋伞齿轮的驱动桥中负荷车辆齿轮油,L-CLD 企业标准GL-4手动变速器、螺旋伞齿轮和使用条件不太苛刻的准双曲面齿轮的驱动桥重负荷车辆齿轮油,L-CLE (GB13895-92),GL-5操作条件缓和或苛刻的准双曲线齿轮及其它各种齿轮的驱动桥,也可用于手动变速器4.润滑油灌装调和装置简图5.润滑油调和后的灌装过滤灌装速度:按大桶每小时60桶(170kg/桶)灌装质量:理化指标如粘度,抗乳化性,等不发生改变,且NAS等级尽可能高润滑油的灌装过滤,即润滑油在包装出厂前的终端过滤,需要对机械杂质进行有效的过滤,使之达到要求的清洁度等级(ISO4406或NAS1638)。
卓品科技采用多级深层过滤,不同的精度和不同的过滤元件搭配,经济有效的实现润滑油的灌装过滤,可以将清洁度等级稳定的控制在NAS5级下,不改变润滑油性能,且实现快速灌装,特别适合高清油的灌装。
6.润滑油过滤解决方案流量:14m3/h滤器型号:SBV-02DR-080D(单袋/双袋/多袋,滤袋/滤芯)需3台过滤机,分三级过滤金属网过滤+普通滤袋+多层高效过滤袋。
工业齿轮油的粘度等级粘度等级40 ℃运动粘度(mm/s) 50℃运动粘度(mm/s,旧牌号)AGMA粘度等级ISO粘度等级68 61.2~74.8 50 2EP VG68 100 90~110 50~70 3EP VG100 150 135~165 90 4EP VG150 220 198~242 120 5EP VG220 320 288~352 200 6EP VG320 460 414~506 250 7EP VG460 680 612~748 350 8EP VG680 车用齿轮油的粘度等级SAE粘度级别150,000厘泊时的最高温度(C)100C是的粘度(厘斯)最低值最高值70W -55 4.1 - 75W -40 4.1 - 80W -26 7.0 - 85W -12 11.0 - 90 - 13.5 <24.0 140 - 24.0<41.0 250 - 41.06 等级分类6.1 工业齿轮油的质量等级分类分级现行名称组成、特性及使用说明L-CKB抗氧化防锈型普通工业齿轮油由精制矿物油加入抗氧化、防锈添加剂调配而成,有严格的抗氧化、防锈、抗泡、抗乳化性能要求,适用于一般轻负荷的齿轮润滑L-CKC 极压型中负荷工业齿轮油由精制矿物油加入抗氧化、防锈、极压抗磨剂调配而成,比CKB具有较好的抗磨性,适用于中等负荷的齿轮润滑L-CKD 极压型重负荷工业齿轮油由精制矿物油加入抗氧化、防锈、极压抗磨剂调配而成,比CKC具有更好的抗磨性和热氧化安定性,适用于高温下操作的重负荷的齿轮润滑L-CKE 蜗轮蜗杆蜗轮蜗杆油由精制矿物油或合成烃加入油性剂等调配而成,具有良好的润滑特性和抗氧化、防锈性能,适用于蜗轮蜗杆润滑L-CKT合成烃极压型低温中负荷工业齿轮油以合成烃为基础油,加入同CKC相似的添加剂,性能除具有CKC的特性外,有更好的低温、高温性能,适用于高、低温环境下的中负荷齿轮之润滑L-CKS合成烃齿轮油以合成油或半合成油为基础油加入各种相应的添加剂,适用低温、高温或温度变化大、耐燃、耐热、耐化学品以及其他特殊场合的齿轮传动润滑Welcome To Download !!!欢迎您的下载,资料仅供参考!。
n220齿轮油运动粘度标准
N220是一种矿物油基硫化齿轮油,通常用于润滑工业齿轮系统。
运动粘度是油润滑剂的一个关键性能指标,通常使用ISO粘度等级进行表示。
在ISO标准中,润滑油的运动粘度分级采用两个数值,例如ISO VG 68,其中“68”表示在40摄氏度下的运动粘度。
然而,N220不是ISO VG等级。
如果你在寻找N220齿轮油的具体运动粘度标准,我建议你查阅该产品的技术数据表、生产商提供的规格说明书或联系制造商。
技术数据表中通常包含有关产品性能、运动粘度、使用温度范围等方面的详细信息。
齿轮油的运动粘度标准可能还涉及到其他标准,例如ASTM(美国材料与试验协会)或其他国际标准组织的标准。
因此,查看与该产品相关的标准和规范文件也是获取详细信息的一种途径。
工业齿轮油不同黏度级别通读规则研究工业齿轮油不同黏度级别通读规则研究工业齿轮油是机械部件及机械装置中不可缺少的一种重要润滑剂,其性能对齿轮传动、轴承和其它机械部件的使用寿命具有重大影响。
因此,在现代传动系统中,工业齿轮油的黏度级别及其选择符合特定的通用规则,以保证润滑性能的正确性和可靠性。
工业齿轮油的黏度级别的定义是根据国际标准ISO VG (Viscosity Grade) 的标准来进行的,即液体的黏度值与温度之间的关系。
每个等级的黏度值在相应温度下有一个精确的值,以便于确定润滑油的适用性和性能。
研究表明,在某些特定应用中,润滑油的黏度级别必须符合特定的要求,以保证润滑性能的正确性和可靠性。
因此,从理论上讲,工业齿轮油的黏度级别及其选择必须遵循一定的通用规则,以保证其性能的最佳匹配。
首先,在润滑油的黏度级别选择中,必须考虑齿轮及驱动系统的工作状态,以确定最佳的黏度级别。
如果驱动系统处于高负荷、高温或低温条件下运行,则必须选择一种更高(或更低)的黏度级别的润滑油,以确保其正常运行。
其次,在润滑油的黏度级别选择中,也要考虑能够提供的润滑性能,以确定其最佳的黏度级别。
由于不同等级的润滑油具有不同的润滑性能,因此必须根据具体情况选择一种最佳的黏度级别,以保证润滑性能的正确性和可靠性。
再次,在润滑油的黏度级别选择中,也要考虑润滑油的能耗特性,以确定其最佳的黏度级别。
高黏度级别的润滑油可以更好地保持润滑油的润滑性能,但其能耗特性较差;而低黏度级别的润滑油可以更好地减少能耗,但其润滑性能较差。
因此,根据润滑油的能耗特性,应该选择一种最佳的黏度级别,以确保润滑性能的正确性和可靠性。
此外,在润滑油的黏度级别选择中,还应考虑润滑油的耐腐蚀特性,以确定其最佳的黏度级别。
由于不同等级的润滑油具有不同的耐腐蚀性,因此必须根据具体情况选择一种最佳的黏度级别,以保证润滑性能的正确性和可靠性。
总之,工业齿轮油的黏度级别及其选择必须遵循一定的通用规则,以保证其性能的最佳匹配。