国家规定钢筋允许误差
- 格式:docx
- 大小:72.25 KB
- 文档页数:5
纵向受力钢筋锚固长度允许偏差
钢筋的锚固长度是指钢筋在混凝土构件内部的固定长度,它直接影响着钢筋与混凝土之间的粘结性能。
在工程实践中,钢筋的锚固长度允许存在一定的偏差,这个偏差通常是由设计标准或者规范来规定的。
下面我将从不同角度来解释这个问题。
首先,根据《建筑结构工程混凝土结构设计规范》(GB 50010-2010)的规定,钢筋的锚固长度允许存在一定的偏差。
具体的偏差数值会根据混凝土的等级、构件的受力性质、钢筋的直径和材质等因素来确定。
一般来说,设计规范会对于允许的最小和最大偏差进行明确的规定,以确保钢筋的锚固长度符合结构设计的要求。
其次,从施工的角度来看,钢筋的锚固长度偏差也受到一定的限制。
在实际施工中,由于各种原因,如材料和设备的误差、施工操作的不确定性等,钢筋的实际锚固长度可能会存在一定的偏差。
因此,施工单位需要严格按照设计要求进行施工,并通过质量检验来控制钢筋的锚固长度偏差,以确保结构的安全性和可靠性。
此外,钢筋的锚固长度偏差还涉及到结构的受力性能。
过大或过小的锚固长度偏差都会对结构的受力性能产生不利影响。
如果锚
固长度偏差过大,可能会导致钢筋与混凝土之间的粘结性能不足,
影响结构的承载能力和变形性能;而如果偏差过小,可能会导致钢
筋的受力性能无法得到充分发挥,同样会影响结构的整体性能。
综上所述,钢筋的锚固长度允许存在一定的偏差,但这个偏差
是受到严格控制的。
从设计、施工和结构受力性能等多个角度来看,都需要对钢筋的锚固长度偏差进行全面考虑和控制,以确保结构的
安全可靠。
国家规定钢筋允许误差I级钢的标准为GB13013-91《钢筋混凝土用热轧光圆钢筋》:II级和III级钢的标准为GB1499-1998《钢筋混凝土用热轧带肋钢筋》。
1.热轧带肋钢筋尺寸、外形、重量和允许偏差,1)公称直径范围及推荐直径钢筋的公称直径范围为6~25mm,标准推荐的钢筋公称直径为6、8、10、12、14、16、18、20、22、25、32、40、50mm;内径为5.8、7.7、9.6、11.5、13.4、15.4、17.3、19.3、21.3、24.2、31.0、38.7、48.52)带肋钢盘的表面形状(见附图)及尺寸允许偏差、带肋钢筋横肋应符合下列基本规定:横肋与钢盘轴线的夹角β不应小于45度,当该夹角不大于70度时,钢筋相对两面上横肋的方向应相反;横肋与间距l不得大于钢筋公称直径的0.7倍;横肋侧面与钢筋表面的夹角α不得小于45度;钢筋相对两面上横肋末端之间的间隙(包括纵肋宽度)总和不应大于钢筋公称周长的20%;当钢筋公称直径不大于12mm时,相对肋面积不应小于0.055;•公称直径为14mm和16mm,相对肋面积不应小于0.060;公称直径大于16mm时,相对肋面积不应小于0.065。
3)长度及允许偏差a、长度:钢筋通常按定尺长度交货,具体交货长度应在合同中注明;•钢筋以盘卷交货时,每盘应是一条钢筋,允许每批有5%•的盘数(不足两盘时可有两盘)由两条钢筋组成。
其盘重及盘径由供需双方协商规定。
b、长度允许偏差:钢筋按定尺交货时的长度允许偏差不得大于+50mm。
c、弯曲度和端部:直条钢筋的弯曲变应不影响正常使用,总弯曲度不大于钢筋总长度的40%;钢筋端部应剪切正直,局部变形应不影响使用。
4)重量允许偏差:直径6~12mm为±7%,14~20mm为±5%,22~50mm为±4%。
续;图中:d-钢筋内径;α-横肋斜角;h-横肋高度;β-横肋与轴线夹角;h1-纵肋高度;θ-纵肋斜角;a-纵肋顶宽;l-横肋间距;b-横肋顶宽2.热轧光圆钢筋尺寸、外形:1). 钢筋的公称直径范围为8mm~20mm,推荐的钢筋公称直径为8、10、12、14、16、18、20mm.2). 钢筋的公称直径、横截面积列于下表:公称直径公称截面面积公称质量(mm)(mm2 kg/m)8 50.27 0.39510 78.54 0.61712 113.1 0.88814 153.9 1.2116 201.1 1.5818 254.5 2.0020 314.2 2.473). 钢筋的直径允许偏差:A级精度+0.40mm B级精度+0.30mm C级精度+0.15mm4). 通常长度:钢筋按直条交货时,其通常长度为3.5m~12mm,其中长度为3.5m至小于6 m 之间的钢筋不得超过每批质量的3%。
钢筋绑扎间距允许误差
摘要:
1.钢筋绑扎间距允许误差的概念
2.钢筋绑扎间距允许误差的规定
3.钢筋绑扎间距允许误差的测量方法
4.钢筋绑扎间距允许误差的实际应用
5.结论
正文:
钢筋绑扎间距允许误差是指在钢筋绑扎过程中,钢筋之间的间距可以有一定的偏差,这个偏差在一定范围内是允许的。
这个允许的偏差范围可以保证钢筋绑扎的质量,同时也能够提高工程的效率。
根据我国的相关规范,钢筋绑扎间距允许误差的规定如下:
1.钢筋绑扎间距的允许偏差为正负10mm;
2.钢筋绑扎的网眼尺寸允许偏差为20mm。
在实际操作中,测量钢筋绑扎间距允许误差的方法是使用钢尺连续测量三档,取偏差绝对值最大处。
在实际应用中,钢筋绑扎间距允许误差的规定可以起到重要的作用。
例如,在梁的施工中,为了防止混凝土收缩和温度变形而产生竖向裂缝,同时加强钢筋骨架的刚度,需要在梁的两侧沿梁高每隔200mm 处各设一根直径不小于10mm 的腰筋,两根腰筋之间用6 或8 的拉筋连系,拉筋间距一般为箍筋的2 倍。
这样可以保证钢筋绑扎的质量,同时也能够提高工程的效率。
总之,钢筋绑扎间距允许误差的规定是保证钢筋绑扎质量的重要规定,也是提高工程效率的重要措施。
钢筋混凝土扩展基础轴线位置允许偏差值为≤钢筋混凝土扩展基础是建筑工程的重要组成部分,它是一种将地上建筑的重量通过基础系统传递到地下土体的结构形式。
在建造过程中,扩展基础的轴线位置必须保持垂直、水平和平行,以确保其在承受建筑重量时的稳定性和可靠性。
但是,在实际操作中,由于工程界的误差和土体中的不规则性,轴线位置偏差不可避免。
因此,钢筋混凝土扩展基础轴线位置允许偏差值为≤是建筑工程行业的一个重要问题。
首先,需要了解“轴线位置偏差”的概念。
轴线位置偏差是指与设计轴线位置相比,实际轴线位置偏移的最大距离。
轴线位置偏差不仅会影响基础的承载能力和稳定性,还会影响上部结构的建设,甚至会带来安全隐患。
所以,在扩展基础的设计和施工中,必须充分考虑轴线位置偏差,以确保建筑工程的质量和安全。
在国家标准《建筑工程基础设计规范》中,规定了钢筋混凝土扩展基础轴线位置允许的偏差值。
具体规定为:轴线与设计中心线的偏离距离在0.01H~0.03H之间,其中H 为扩展基础的长度。
这个范围的设定考虑到了施工中的误差和土体的不规则性,既可以满足基础的要求,又保证了建筑工程的质量和安全。
因此,在施工过程中,操作者必须严格按照标准规定进行设计和施工,以确保工程质量优良。
除了按照国家标准进行设计施工外,还需要注意以下几点:1、地质勘探:在设计之前,必须对工程区域进行地质勘探,了解地下结构情况、土体性质、承载能力等信息,以便对设计方案进行优化和修改。
2、制定施工方案:针对具体施工情况,制定合理的施工方案,包括施工工序、施工造价、工期等,以确保施工进度和质量。
3、材料和工具:需要选择质量可靠的建筑材料和施工工具,保证施工质量。
4、现场管理:现场管理要严格,对于施工中出现的质量、进度、安全等问题,按照规定及时处理,确保工程质量。
总之,钢筋混凝土扩展基础轴线位置允许偏差值为≤是建筑工程行业中一个重要的问题,施工方需要按照国家规定进行设计和施工,并且严格按照相关的施工标准和流程操作,这样才能保证工程质量,满足客户的需求。
钢结构加工及施工误差标准一、构件连接处螺栓孔加工误差值标准C级螺栓孔的允许偏差(mm)螺栓孔孔距的允许偏差(mm)二、焊接型钢误差值标准焊接H型钢的允许偏差(mm)2.0腹板中心偏移b/100且不应大翼缘板垂直度△于3.0/1000 l且不应大弯曲矢高10.0 于h/250 且不应大扭曲5.0 于普3.0 t<14 钢构腹板2.0 14≥t 件局部平面轻 h/100 横截面水平弓度f度钢构 h/100纵截面水平弓度件610~1220mm)) 凹进+3.0(高度大于弯曲度c (只允许 1220mm)) 凹进焊接连接制作组装的允许偏差(mm)搭接长度a±5.0缝隙△ 1.5高度±2.0b/100 垂直度△ 4.0且不大于中心偏移e±2.0连接处1.0型钢错位其它处2.0箱形截面高度±h2.0宽度b ±2.0b/200 垂直度△ 3.0且不大于三、钢构件的外形尺寸单层钢柱的外形尺寸允许偏差(mm)连接处 1.5翼缘对腹板的垂直b/100度其他处且不大于5.0柱脚底板平面度 5.0柱脚螺栓孔中心3.0对柱轴线的距离焊接实腹钢梁外形尺寸允许偏差(mm)项目允许偏差图例求起拱拱度设计未10.0 要求起-5.0 拱L/2000,侧弯矢高且不应大10.0 于且h/250,扭曲不应大于10.0t≤145.0腹板局部平面度4.014t>图例项目允许偏差b/100 翼缘对腹板的垂箱型截面对角线5.0差箱型截1.0连接处面两腹板至翼缘板中心线的1.5其他处 a 距离梁端板h/500 的平面度(只且不大于2.0允许凹进)梁端板h/500 与腹板且不大于的垂直2.0 度钢管外形尺寸允许偏差(mm)项目允许偏差图例对口错边且不应大于3.0四、安装误差值标准支承面、地脚螺栓(锚栓)的允许偏差(mm)钢柱安装的允许偏差(mm)项目允许偏差图例柱基准点标高+5.0 无吊车梁的柱-8.0H/1000 挠曲矢高10.010.0 H<10m单层柱H/1000 柱轴 H>10m 20.0 线垂直度底层柱 10.0 多节柱柱全高25.0柱顶标高 10±桁架、梁及受压杆件垂直度和侧向弯曲矢高的允许偏差(mm)。
钢筋施工与建筑图纸误差范围
一、C级螺栓孔的允许偏差(mm)
1、优许偏差,直径,+1.0 0.0。
2、用游标卡尺或孔径量规检
3、圆度,12.0。
4、垂直度,2.0且不大于0.03t。
二、螺栓孔孔距的允许偏差(mm)
1、螺栓孔孔距范围,k500 501~1200 1201~3000 3000。
2、同一组内任意两孔间距离,1.5±1。
3、相邻两组的端孔间距离,±2.01,2.5,3.0。
4、在节点中连接板与一根杆件相连的所有螺栓孔为一组。
5、对接接头在拼接板一侧的螺栓孔为一组。
6、在两相邻节点或接头间的螺栓孔为一组, 但不包括上述两款所规定的螺栓孔。
7、受弯构件翼缘上的连接螺栓孔,每米长度范围内的螺栓孔为一组。
8、检测方法:用钢尺检查。
钢筋重量偏差允许范围钢筋重量偏差允许范围是指在钢筋生产过程中,由于原材料、工艺、检测等多种因素对钢筋的重量可能会存在一定的偏差,为了保证钢筋的质量,国家规定了钢筋重量偏差的允许范围。
一般来说,钢筋重量偏差允许范围为:1、热轧钢筋按规格的重量偏差不大于±3%;2、冷轧钢筋按规格的重量偏差不大于±4.5%;3、直径≤12mm 的钢筋按规格的重量偏差不大于±2.5%;4、直径>12mm 的钢筋按规格的重量偏差不大于±3%。
上述是钢筋重量偏差允许范围的总体概括,以下将详细介绍其中每一项的具体要求:一、热轧钢筋按规格的重量偏差不大于±3%1、每件钢筋的重量偏差不大于±3%;2、每批次钢筋的重量平均偏差不大于±2%;3、每批次钢筋的重量最大偏差不大于标准规定的最大偏差,即不大于±3%。
二、冷轧钢筋按规格的重量偏差不大于±4.5%1、每件钢筋的重量偏差不大于±4.5%;2、每批次钢筋的重量平均偏差不大于±3%;3、每批次钢筋的重量最大偏差不大于标准规定的最大偏差,即不大于±4.5%。
三、直径≤12mm 的钢筋按规格的重量偏差不大于±2.5%1、每件钢筋的重量偏差不大于±2.5%;2、每批次钢筋的重量平均偏差不大于±2%;3、每批次钢筋的重量最大偏差不大于标准规定的最大偏差,即不大于±2.5%。
四、直径>12mm 的钢筋按规格的重量偏差不大于±3%1、每件钢筋的重量偏差不大于±3%;2、每批次钢筋的重量平均偏差不大于±2.5%;3、每批次钢筋的重量最大偏差不大于标准规定的最大偏差,即不大于±3%。
总之,钢筋重量偏差允许范围是比较严格的,装配时要特别注意,不能使用超过允许范围的钢筋,以免影响结构的安全性能。
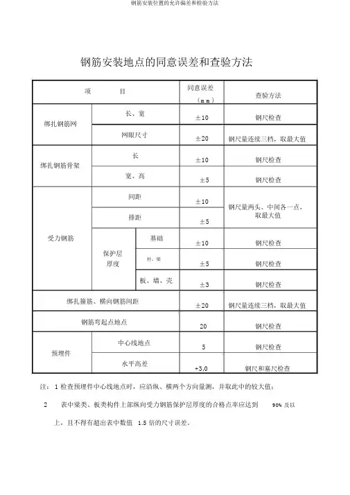
钢筋安装位置的允许偏差和检验方法
钢筋安装地点的同意误差和查验方法
项目
长、宽
绑扎钢筋网
网眼尺寸
长
绑扎钢筋骨架
宽、高
间距
排距
受力钢筋基础
保护层
柱、梁
厚度
板、墙、壳绑扎箍筋、横向钢筋间距
钢筋弯起点地点
中心线地点预埋件
水平高差同意误差
查验方法
(mm)
±10 钢尺检查
±20 钢尺量连续三档,取最大值±10 钢尺检查
±5钢尺检查
±10
钢尺量两头、中间各一点,±5
取最大值
±10 钢尺检查
±5钢尺检查
±3钢尺检查
±20 钢尺量连续三档,取最大值
20 钢尺检查
5 钢尺检查
+3,0 钢尺和塞尺检查
注: 1 检查预埋件中心线地点时,应沿纵、横两个方向量测,并取此中的较大值;
2表中梁类、板类构件上部纵向受力钢筋保护层厚度的合格点率应达到90%及以上,且不得有超出表中数值 1.5 倍的尺寸误差。
混凝土钢筋直径误差标准混凝土钢筋直径误差标准一、前言混凝土钢筋是建筑施工中常用的一种钢材,其直径误差对建筑质量和安全有着重要的影响。
因此,制定混凝土钢筋直径误差标准对于保障建筑施工质量和安全至关重要。
二、标准的制定背景混凝土钢筋的直径误差是指钢筋直径与其标称直径的偏差。
钢筋的直径误差会影响钢筋的强度和使用寿命,进而对建筑的安全性产生影响。
因此,制定混凝土钢筋直径误差标准是必要的。
三、标准的适用范围本标准适用于混凝土钢筋直径误差的测量、评定和控制。
四、标准的术语和定义4.1 钢筋的标称直径:是指钢筋的制造厂家在生产时规定的钢筋直径。
4.2 钢筋的实际直径:是指在实际测量中得到的钢筋直径。
4.3 直径误差:是指钢筋实际直径与其标称直径之间的差值。
五、标准的要求5.1 钢筋的标称直径混凝土钢筋的标称直径应符合国家或行业标准的规定。
同时,钢筋生产厂家应在钢筋上明确标注其标称直径。
5.2 钢筋的实际直径钢筋的实际直径应在标称直径的允许误差范围内。
钢筋的实际直径应采用精密测量仪器进行测量,并应在钢筋上标注其实际直径。
5.3 直径误差的允许范围钢筋的直径误差应在国家或行业标准规定的允许误差范围内。
直径误差的允许范围应根据钢筋的用途和强度等级进行调整。
5.4 测量方法的选择混凝土钢筋的直径误差可以采用光学测量、机械测量或超声波测量等方法进行测量。
在测量时,应根据钢筋的特点和具体情况选择合适的测量方法。
5.5 测量精度的要求钢筋的直径误差应在允许误差范围内,测量精度应达到国家或行业标准规定的要求。
5.6 控制措施的实施在混凝土钢筋的生产、运输、存储和使用过程中,应采取措施控制钢筋的直径误差。
如在生产过程中,应加强对钢筋材料的质量控制;在运输和存储过程中,应避免钢筋的挤压和弯曲等情况;在使用过程中,应严格按照设计要求进行施工。
六、标准的检验方法6.1 钢筋直径误差的测量钢筋的直径误差可以采用光学测量、机械测量或超声波测量等方法进行测量。
钢筋过磅误差标准
钢筋过磅误差标准通常由相关的国家标准或行业标准规定,具体数值可能因地区和应用领域的不同而有所差异。
以下是一些常见的钢筋过磅误差标准:
1. 国家标准:在中国,国家标准《钢筋混凝土用热轧带肋钢筋》(GB 1499.2-2018)规定了钢筋的重量偏差允许值。
对于直径为6mm-
12mm 的钢筋,重量偏差应不超过±7%;对于直径为14mm-20mm 的钢筋,重量偏差应不超过±5%;对于直径大于22mm 的钢筋,重量偏差应不超过±4%。
2. 行业标准:不同行业可能有自己的标准,如建筑行业、机械行业等。
这些标准可能会对钢筋的过磅误差有更具体的规定。
3. 客户要求:在某些情况下,客户可能对钢筋的过磅误差有特殊要求。
在这种情况下,应按照客户的要求进行过磅。
需要注意的是,钢筋过磅误差标准的具体数值可能因地区、行业和客户要求的不同而有所差异。
在进行钢筋过磅时,应遵循相关的标准和规定,以确保过磅结果的准确性和可靠性。
传力杆钢筋间距允许偏差1.引言1.1 概述传力杆钢筋间距允许偏差是指在建筑施工过程中,对于传力杆使用的钢筋的间距,在一定范围内允许存在一定的偏差。
这个偏差是建筑工程中难以避免的,它可能由于材料的加工误差、施工操作不规范或者其他因素导致。
因此,对于钢筋间距允许的偏差进行合理的控制和规定,对于保证建筑结构的安全和质量具有重要作用。
在传力杆的使用过程中,钢筋的间距是一个重要的设计参数。
传力杆通常被用于各种结构中,如梁、柱等,起到传递荷载和加固结构的作用。
而钢筋的间距直接关系到传力杆的受力性能和整体结构的稳定性。
如果钢筋的间距偏差过大,将会导致传力杆失去原本的设计功能,甚至可能引发结构的安全隐患。
然而,实际的施工过程中,钢筋间距的偏差难以完全避免。
施工现场存在着人为因素和材料因素等各种影响因素,这些因素可能导致钢筋的安装位置与设计要求存在一定的差异。
因此,为了合理控制钢筋间距的偏差,在建筑行业中制定了一系列的规范和标准,对钢筋间距允许的偏差进行了明确的规定。
这些规范和标准通常包括了对传力杆的设计、加工、安装等各个环节进行详细的要求和控制措施。
通过合理的施工方案和科学的施工管理,可以有效地控制钢筋间距的偏差,确保建筑结构的稳定和安全性。
综上所述,传力杆钢筋间距允许偏差是建筑施工中一个常见的问题。
合理控制钢筋间距的偏差,对于保证传力杆的受力性能和整个建筑结构的安全至关重要。
在实际施工中,我们应该严格遵守规范和标准,采取合理的措施和工艺,以确保钢筋间距允许的偏差在可接受的范围内。
通过合理的施工管理,实现建筑结构的优质和可靠性,为人们的生活和工作提供更加安全和舒适的环境。
1.2 文章结构文章结构部分的内容可以包括以下内容:文章结构部分是对整篇文章的结构进行介绍和概述,主要用于帮助读者了解文章的组织架构和内容安排。
下面是文章结构部分的内容示例:2. 正文文章正文是本篇文章的核心部分,主要讨论传力杆钢筋间距允许偏差的相关要点。
桩钢筋笼箍筋10公分间距允许误差摘要:1.桩钢筋笼箍筋的概念和作用2.10 公分间距允许误差的规定3.箍筋间距的允许误差对桩基工程的影响4.施工过程中如何保证箍筋间距的精度5.结论正文:一、桩钢筋笼箍筋的概念和作用桩钢筋笼箍筋是指在桩基工程中,用于固定和保护钢筋笼的一种构件。
它通常由钢筋或钢丝制成,呈环状,围绕桩身布置。
箍筋的主要作用是增强桩身的抗弯和抗剪能力,提高桩基的稳定性和承载力。
二、10 公分间距允许误差的规定根据我国相关规范,桩钢筋笼箍筋的间距应控制在10 公分左右,允许的误差范围为±2 公分。
这意味着在实际施工中,箍筋的间距可以在8-12 公分之间波动,超过这个范围就需要进行调整。
三、箍筋间距的允许误差对桩基工程的影响箍筋间距的允许误差对桩基工程的质量和稳定性有很大影响。
如果箍筋间距过大,会导致桩身的抗弯和抗剪能力降低,容易发生弯曲或剪切破坏;如果箍筋间距过小,会增加施工难度,影响工程进度。
四、施工过程中如何保证箍筋间距的精度为了保证箍筋间距的精度,施工过程中应注意以下几点:1.合理安排箍筋的布局,确保箍筋的分布均匀,避免出现过大的间距;2.在焊接箍筋时,采用合适的焊接方法和参数,保证焊缝的质量,防止焊缝变形;3.在安装箍筋时,采用合适的安装工具和方法,保证箍筋的位置准确,避免出现偏差;4.加强施工过程中的质量检查,及时发现和纠正箍筋间距的偏差。
五、结论桩钢筋笼箍筋的间距允许误差对于桩基工程的质量和稳定性至关重要。
在施工过程中,应合理安排箍筋的布局,采用合适的焊接方法和参数,加强质量检查,确保箍筋间距的精度。
钢管规格厚度允许偏差多少摘要:一、钢管规格厚度允许偏差的概念二、我国钢管规格厚度允许偏差的标准三、钢管规格厚度允许偏差的影响因素四、如何正确选用钢管规格厚度允许偏差五、总结正文:一、钢管规格厚度允许偏差的概念钢管规格厚度允许偏差是指在生产过程中,钢管的实际厚度与规定厚度之间的允许误差范围。
这个范围是根据国家相关标准和客户需求来确定的。
允许偏差的存在,可以使钢管在满足使用性能的前提下,更加灵活地调整生产工艺和控制成本。
二、我国钢管规格厚度允许偏差的标准在我国,钢管规格厚度允许偏差的标准主要依据GB/T 1591-2018《低合金高强度结构钢》和GB/T 1499.2-2018《钢筋混凝土用钢第2部分:冷轧钢带》等国家标准制定。
根据这些标准,钢管的规格厚度允许偏差分为以下几个等级:1.高级(A):±0.10mm2.特级(B):±0.05mm3.一级(C):±0.02mm4.二级(D):±0.01mm三、钢管规格厚度允许偏差的影响因素1.钢坯质量:钢坯的质量直接影响到钢管的厚度偏差。
高质量的钢坯可以降低厚度偏差。
2.轧制工艺:轧制工艺对钢管厚度偏差有很大影响。
合理的轧制工艺和设备可以有效控制厚度偏差。
3.冷却速度:冷却速度对钢管的组织性能和厚度偏差有重要影响。
冷却速度过快或过慢,都可能导致钢管厚度偏差增大。
四、如何正确选用钢管规格厚度允许偏差1.根据工程需求选择合适的钢管规格和允许偏差等级。
例如,对于高层建筑、桥梁等重要工程,应选择高级或特级钢管。
2.了解所选用钢管的生产工艺和设备水平,以确保厚度偏差在可控范围内。
3.结合实际工程情况,合理预留钢管厚度偏差,以满足工程质量和使用性能要求。
五、总结钢管规格厚度允许偏差是钢管生产中的重要参数,掌握允许偏差的标准、影响因素和选用方法,对于保证工程质量和降低成本具有重要意义。
桩钢筋笼箍筋10公分间距允许误差
【实用版】
目录
1.桩钢筋笼箍筋的概念和作用
2.10 公分间距允许误差的规定
3.符合误差规定的优点和意义
4.结论
正文
一、桩钢筋笼箍筋的概念和作用
桩钢筋笼箍筋是指在桩基工程中,用于固定钢筋笼的钢筋。
箍筋的主要作用是固定钢筋笼的内部空间,保证钢筋笼在施工和受力过程中不发生变形,从而确保桩基工程的质量和稳定性。
二、10 公分间距允许误差的规定
根据我国相关规范《建筑桩基技术规范》(JGJ 94-2008) 的要求,桩钢筋笼箍筋的间距允许误差为±10 公分。
这意味着在实际施工中,箍筋的间距可以在设计间距的基础上有一定的浮动范围。
三、符合误差规定的优点和意义
1.提高施工效率:允许一定程度的误差,可以为现场施工提供更大的灵活性,降低施工难度,提高施工效率。
2.节省材料和成本:在保证工程质量的前提下,合理控制箍筋间距的误差,可以有效利用材料,降低工程成本。
3.保证工程质量:适当的误差允许范围,能够在满足规范要求的前提下,保证桩基工程的质量和稳定性。
四、结论
桩钢筋笼箍筋 10 公分间距允许误差的规定,既满足了工程质量的要求,又考虑了施工的实际情况,为桩基工程的顺利进行提供了有力保障。
房建钢筋保护层允许偏差房建钢筋保护层允许偏差,是指在房屋建筑过程中,钢筋与混凝土之间的保护层厚度存在一定的容许误差。
而这个误差的大小直接关系到房屋的安全性以及使用寿命。
因此,在进行房建钢筋保护层施工时,我们必须严格控制保护层的厚度,确保其达到规范要求,以提高房屋建筑的质量和安全性。
首先,钢筋保护层是指将钢筋完全包覆在混凝土中的一层,其作用是保护钢筋不被外界环境侵蚀、减缓火灾对结构的破坏以及提高混凝土构件的耐久性。
根据国家相关标准,房建钢筋保护层允许偏差包括保护层的最小厚度和最大厚度。
保护层的最小厚度要求是为了保证钢筋的耐久性,而最大厚度的允许误差是为了控制成本和材料使用。
其次,保护层的最小厚度是根据钢筋的直径来确定的。
不同直径的钢筋对应的最小厚度也不同。
例如,钢筋直径小于等于25mm时,保护层的最小厚度应不小于20mm;直径大于25mm时,最小厚度应不小于25mm。
这是因为较小直径的钢筋容易受到外界腐蚀和损坏,因此需要更大的保护层来保护钢筋的完整性和长久耐用。
另外,保护层的最大厚度允许有一定的误差,但也不能超过规范的要求。
一般来说,最大厚度误差为保护层设计厚度的±10%。
保护层过厚不仅浪费材料和增加成本,还可能导致混凝土易开裂和脱落,从而降低房屋结构的强度和稳定性。
因此,在施工过程中,我们需要进行严格的控制,确保保护层的厚度在允许范围内。
为了准确控制保护层的厚度,我们可以采取以下几个措施:首先,做好施工前的准备工作。
在进行钢筋绑扎和固定之前,先清理和检查施工区域,确保混凝土施工时没有杂物、灰尘等影响保护层厚度的因素。
其次,使用专业的施工工具。
在操作成型施工时,应使用规范的参照物和模板,确保保护层不会超厚或不足。
钢筋与模板之间的间隙应均匀分布,保证施工过程中保护层的一致性和稳定性。
最后,加强施工过程的质量控制。
严格按照设计方案和相关规范进行施工,保证保护层厚度的准确性和一致性。
在施工过程中,及时进行测量和调整,发现问题及时解决,确保保护层的质量符合规范要求。
钢筋绑扎误差范围钢筋绑扎是建筑施工过程中非常重要的环节,它直接关系到建筑物的结构安全和稳定性。
然而,在钢筋绑扎的过程中,误差是难以避免的。
本文将探讨钢筋绑扎误差的范围,并提出一些减少误差的方法。
钢筋绑扎误差主要包括长度误差、位置误差和间距误差。
首先,长度误差是指钢筋的实际长度与设计长度之间的差异。
这种误差可能由于材料的伸缩性、温度的变化或操作人员的不精确而产生。
其次,位置误差是指钢筋的实际位置与设计位置之间的偏差。
这种误差可能由于基础施工不规范、模板安装不准确等原因导致。
最后,间距误差是指钢筋之间的实际间距与设计间距之间的差异。
这种误差可能由于绑扎工人的操作不准确或工具的磨损等原因引起。
钢筋绑扎误差的范围是有一定限制的。
根据相关标准规定,钢筋绑扎误差的允许范围一般为钢筋直径的±2%,长度误差不得大于10mm,位置误差不得大于25mm,间距误差不得大于50mm。
超出这些范围的误差将会对建筑物的结构安全和稳定性产生重大影响。
为了减少钢筋绑扎误差,施工方应采取以下措施。
首先,加强施工人员的培训,提高他们的技术水平和操作能力。
只有经过专业培训的工人才能够准确地进行钢筋绑扎。
其次,严格遵守相关标准和规范,确保每一道工序都符合要求。
施工方应建立健全的质量管理体系,对钢筋绑扎进行全程监控和检测。
此外,使用高质量的工具和设备也是减少误差的关键。
施工方应定期检查和维护工具,确保其正常运转。
最后,建立有效的沟通机制,加强施工人员之间的协作与配合。
及时发现和解决问题,避免误差的进一步扩大。
在实际施工中,钢筋绑扎误差的控制是一项复杂而繁琐的任务。
然而,只有保证钢筋绑扎的准确性和质量,才能够确保建筑物的结构安全和稳定性。
因此,施工方应高度重视钢筋绑扎的质量控制工作,采取一切必要措施确保误差范围的控制在合理的范围内。
钢筋绑扎误差范围是建筑施工中不可避免的问题。
正确理解和掌握钢筋绑扎误差的范围,采取有效措施减少误差,是确保建筑物结构安全的关键。
国家规定钢筋允许误差
I级钢的标准为GB13013-91《钢筋混凝土用热轧光圆钢筋》:II级和III级钢的标准为GB1499-1998《钢筋混凝土用热轧带肋钢筋》。
1.热轧带肋钢筋尺寸、外形、重量和允许偏差,
1)公称直径围及推荐直径
钢筋的公称直径围为6~25mm,标准推荐的钢筋公称直径为6、8、10、12、14、16、18、20、22、25、32、40、50mm;径为5.8、7.7、9.6、11.5、13.4、15.4、17.3、19.3、21.3、24.2、31.0、38.7、
48.5
2)带肋钢盘的表面形状(见附图)及尺寸允许偏差、
带肋钢筋横肋应符合下列基本规定:
横肋与钢盘轴线的夹角β不应小于45度,当该夹角不大于70度时,钢筋相对两面上横肋的方向应相反;
横肋与间距l不得大于钢筋公称直径的0.7倍;
横肋侧面与钢筋表面的夹角α不得小于45度;
钢筋相对两面上横肋末端之间的间隙(包括纵肋宽度)总和不应大于钢筋公称周长的20%;当钢筋公称直径不大于12mm时,相对肋面积不应小于0.055;•公称直径为14mm和16mm,相对肋面积不应小于0.060;公称直径大于16mm时,相对肋面积不应小于0.065。
3)长度及允许偏差
a、长度:钢筋通常按定尺长度交货,具体交货长度应在合同中注明;•钢筋以盘卷交货时,每盘应是一条钢筋,允许每批有5%•的盘数(不足两盘时可有两盘)由两条钢筋组成。
其盘重及盘径由供需双方协商规定。
b、长度允许偏差:钢筋按定尺交货时的长度允许偏差不得大于+50mm。
c、弯曲度和端部:直条钢筋的弯曲变应不影响正常使用,总弯曲度不大于钢筋总长度的40%;钢筋端部应剪切正直,局部变形应不影响使用。
4)重量允许偏差:直径6~12mm为±7%,14~20mm为±5%,22~50mm为±4%。
续;图中:
d-钢筋径;α-横肋斜角;h-横肋高度;β-横肋与轴线夹角;
h1-纵肋高度;θ-纵肋斜角;a-纵肋顶宽;l-横肋间距;b-横肋顶宽
2.热轧光圆钢筋尺寸、外形:
1). 钢筋的公称直径围为8mm~20mm,推荐的钢筋公称直径为8、10、12、14、16、18、2 0mm.
2). 钢筋的公称直径、横截面积列于下表:
公称直径公称截面面积公称质量
(mm)(mm2 kg/m)
8 50.27 0.395
10 78.54 0.617
12 113.1 0.888
14 153.9 1.21
16 201.1 1.58
18 254.5 2.00
20 314.2 2.47
3). 钢筋的直径允许偏差:A级精度+0.40mm B级精度+0.30mm C级精度+0.15mm 4). 通常长度:钢筋按直条交货时,其通常长度为3.5m~12mm,其中长度为3.5m至小于6 m 之间的钢筋不得超过每批质量的3%。
5). 定尺、倍尺长度:钢筋按定尺或倍尺长度交货时,应在合同中注明。
其长度允许偏差不得大于+50mm.
6). 不圆度:A级精度:≤0.50mmB级精度:≤0.40mmC级精度:≤0.24mm
7). 弯曲度:钢筋每米弯曲度应不大于4mm,总弯曲度不大于钢筋总长度的0.4%。
8)表面质量:钢筋表面不得有裂纹、结疤和折叠。
钢筋表面凸块和其他缺陷的深度和高度不得大于所在部位尺寸的允许偏差。
3.冷轧带肋钢筋
1)公称直径围及推荐直径
钢筋的公称直径围为4~12mm,标准推荐的钢筋公称直径为4、5、6、7、8、9、10、12;不允许有负偏差
2)带肋钢盘的表面形状(见附图)及尺寸允许偏差、
a 肋呈月牙型,三面肋沿钢筋横截面周围上均匀分布,其中有一面必须与另两面反向。
肋中心线和钢筋轴线夹角β为40°~60°。
肋两侧面和钢筋表面斜角α不得小于45°。
肋间隙的总和应不大于公称周长的20%当钢筋公称直径不大于12mm时,相对肋面积不应小于0.05
5;•公称直径为14mm和16mm,相对肋面积不应小于0.060;公称直径大于16mm时,相对肋面积不应小于0.065。
b重量允许偏差:±4%。
4.螺纹钢、冷轧带肋钢筋现场用游标卡尺实测的是钢筋径,不包括“肋”的厚度
3). 钢筋的直径允许偏差:A级精度+0.40mm B级精度+0.30mm C级精度+0.15mm A级、B级、C级分别是什么概念,对钢筋规格的大小有区别吗?
4.螺纹钢、冷轧带肋钢筋现场用游标卡尺实测的是钢筋径,不包括“肋”的厚度
这个量出来的数据,是不是作为钢筋实际规格的数据,如8圆的三级钢,量出来仅为7m m,是不是这个钢筋不合格。
1以上列出的是在《建筑施工手册》,《五金手册》及楼上所提及的规和海鑫钢厂产品技术标准中的相关容A级、B级、C级划分暂时还没有查到相关解释,待我查到后再行补充,
2.螺纹钢、冷轧带肋钢筋现场用游标卡尺实测的是钢筋径,不包括“肋”的厚度,你从附图中
的表示就可以看出来但检测时要单独检测“肋”的,注意三级钢同样是螺纹钢其代号为二级钢符号多加一竖,而不是冷轧带肋钢筋,径低于7.7mm应该是不合格;
3.冷轧带肋钢筋是指的表示为LL550、LL650、LL800等的钢筋,它使用圆钢二次加工而成,标称规格主要有5.5 、7、9、10、12等,不允许有负偏差是指此而言(分别是用6.5、8、1 0、12、14mm的圆钢冷轧制成)-----其适用的设计规是冷轧带肋钢筋专用的规,而不是混凝土设计规。