水利工程 引水管线单元工程施工质量验收评定表
- 格式:pdf
- 大小:314.54 KB
- 文档页数:5
水利工程施工质量验收评定表一、工程概述本水利工程位于XXX地区,主要用于农田灌溉和防洪减灾。
工程规模为中型,主要包括水库大坝、溢洪道、灌溉渠道等部分。
施工内容包括土石方开挖、混凝土浇筑、金属结构安装、机电设备调试等。
工程设计合理,施工符合规范,预期能够发挥长期效益。
二、施工质量验收评定范围本次施工质量验收评定的范围包括:水库大坝、溢洪道、灌溉渠道及其附属设施、机电设备安装工程等。
其中,大坝主体结构、溢洪道控制段和消能段、灌溉渠道衬砌段为重点验收对象。
三、施工质量验收评定依据1. 国家有关水利工程的法律法规和技术规范;2. 水利工程质量检验评定标准及相关规范;3. 施工合同、设计文件及技术要求;4. 施工过程中的质量检验记录及监理签证。
四、施工质量验收评定方法本次施工质量验收评定采用以下方法:1. 按照施工顺序和施工内容,划分若干个单位工程,确定相应的分部工程;2. 对每个分部工程按照施工质量验收评定标准,划分若干个单元工程;3. 对每个单元工程进行质量检验和评定,填写《水利工程质量检验评定表》;4. 对分部工程进行质量检验和评定,填写《水利工程质量检验评定表》;5. 对单位工程进行质量检验和评定,填写《水利工程质量检验评定表》;6. 对重点验收对象进行深入的质量检测和评定,形成《水利工程质量检测报告》和《水利工程质量评定报告》。
五、施工质量验收评定程序1. 施工单位自检:施工完成后,施工单位应对所完成的工程进行全面的质量自检,形成自检报告;2. 监理单位抽检:监理单位根据施工单位自检报告,对重点验收对象进行抽检,形成抽检报告;3. 业主单位复检:业主单位根据监理单位抽检报告,对所验收的工程进行复检,形成复检报告;4. 质量监督机构认可:提交质量监督机构进行认可备案。
六、施工质量验收评定结果经过对各分部工程和单元工程的质量检验和评定,以及重点验收对象的深入检测和评定,最终得出的施工质量验收评定结果是:本水利工程的施工质量符合设计要求和相关规范,工程质量达到合格标准。
6.3冲击式水轮机安装工程表6.3.1引水管路单元工程安装质量验收评定表填表说明填表时必须遵守“填表基本规定”,并符合本部分说明及以下要求。
1.单元工程划分:每台水轮机的引水管路安装宜划分为一个单元工程。
2.单元工程量:填写本单元引水管路安装量(t)。
3.各项目检验方法及数量如下。
4.单元工程施工质量验收评定应包括下列资料。
(1)施工单位应提供的资料包括:清扫检验记录表,焊缝质量检验记录,安装、调整实测记录,并由责任人签认。
(2)监理单位对单元工程安装质量的平行检验资料;监理工程师签署质量复核意见的单元工程安装质量验收评定表及质量检查表。
5.—般项目项次3设计值按设计图填写,并将设计值用括号“()”标出。
检测值填写实际测量值。
6.单元工程安装质量检验项目质量标准。
(1)合格等级标准。
1)主控项目检测点应100%符合合格标准。
2)一般项目检测点应90%及以上符合合格标准,其余虽有微小偏差,但不影响使用。
(2)优良等级标准。
在合格标准基础上,主控项目和一般项目的所有检测点应90%及以上符合优良标准。
7.单元工程安装质量评定分为合格和优良两个等级,其标准如下。
(1)合格等级标准。
1)检验项目应符合SL636—2012第3.2.5条1款的要求。
2)主要部件的调试及操作试验应符合SL636—2012和相关专业标准的规定。
3)各项报验资料应符合SL636—2012的要求。
(2)优良等级标准。
在合格等级标准基础上,有70%及以上的检验项目应达到优良标准,其中主控项目应全部达到优良标准。
水利水电工程表6.3.1 引水管路单元工程安装质量验收评定表水利水电工程表6.3.1.1 引水管路单元工程安装质量检查表编号:日期:水利水电工程表6.3.1.2 引水管路单元工程主要部件调试及操作试验质量检查表编号:日期:。
第六部分
引水管道
单元工程质量评定表(共有10个表)
表5.1 平基、垫层、管座单元工程质量评定表
表5.2 混凝土承插口管安装单元工程质量评定表
表5.3 混凝土企口管安装单元工程质量评定表
水利水电工程
表5.4 管道检查井单元工程质量评定表
表5.5 铸铁管(承插口)安装单元工程质量评定表
表5.6 玻璃钢承插口管安装单元工程质量评定表
表5.7 UPVC管安装单元工程质量评定表
表5.8 顶管单元工程质量评定表
表5.9 管井单元工程质量评定表
注超深为“+”,欠深为“-”,h为井深
水利水电工程
表5.10 钢筒混凝土管安装单元工程质量评定表
注:本评定表只适用于直径小于2米的PCCP管。
填表时必须遵守“填表基本规定”,并符合以下要求。
1、单元工程划分按设计或者施工检查验收的区、段划分。
每一区、段为一个单元工程。
2、检测数量:总监测点数量采用横断面控制,断面间距不大于 10m,各横断面沿坡面斜长方向测点间距不大于 5,且点数不少于6 个;局部突出或者凹陷部位(面积在 0.5m2 以上者)应增设监测点。
3、质量等级评定合格:保证项目符合质量标准,基本项目全部合格;普通项目不少于70%的检查点符合质量标准。
优良:保证项目符合质量标准:基本项目至少有一项达到优良;普通项目不少于 90%的检查点符合质量标准。
单位工程名称分部工程名称单元工程名称、部位项 目1、1M 以内保护层开挖必须采用浅密孔少药量火炮爆破 (能撬动的必须采用撬挖方法),使建基面岩石不被破坏。
2、裸露基底必须符合设计要求,如发现各类不利地质条 件,必须严格按设计要求进行认真处理。
1、对开挖岩石表面的要求:基 合格:建基面基本清洗洁净,无积水积碴等杂物,坡面基本光洁平整,无松动岩块,要本 求稳定。
优良:基建面清洗洁净,无积水积碴等杂物,项 坡面光洁平整,无松动岩块,要求稳定。
2、石方开挖边坡坡度规定:一 般 项目合格:边坡坡度系数偏差△m ≤0.02 优良:边坡坡度等于或者缓于设计坡度。
项 目标高长宽(以设计中 心线两边测量)允许偏差(mm) 建造物 明渠 管槽+0 有结构-200无结构+200 有结构-0无结构检查 检查+0 -200 +0 -200 +200 -0 +200 -0+30 -200 +50 -200 +200 -30 +200 -50保证项目 基本项目普通项目 项,其中符合要求项,其中优良项,其中合格检查工程负责人:施工员: 定 质检员:级 年 月 日单元工程量施工单位检验日期质 量 情 况实 测 量 (mm) 合格数(点) 合格率(%)项。
项,优良率 项,合格率监理:年 月 日年 月 日等 核 目保 证项目%。
水利水电工程单元工程施工质量验收评定标准--水轮发电机组安装工程(SL636-2012)----------------------------------------------------------------单元工程质量评定表格(6)清远市水利水电工程监理有限公司2013年6月目录表6.1 立式反击式水轮机尾水管里衬安装单元工程施工质量验收评定表 (1)表6.1-1 立式反击式水轮机尾水管里衬安装质量检查表 (2)表6.2 立式反击式水轮机转轮室、基础环、座环安装单元工程施工质量验收评定表 (3)表6.2-1 立式反击式水轮机转轮室、基础环、座环安装质量检查表 (4)表6.3 立式反击式水轮机蜗壳安装单元工程施工质量验收评定表 (5)表6.3-1 立式反击式水轮机蜗壳安装质量检查表 (6)表6.4 立式反击式水轮机机坑里衬及接力器基础安装单元工程施工质量验收评定表 (7)表6.4-1 立式反击式水轮机机坑里衬及接力器基础安装质量检查表 (8)表6.5 立式反击式水轮机转轮装配安装单元工程施工质量验收评定表 (9)表6.5-1 立式反击式水轮机转轮装配质量检查表 (10)表6.5-2 立式反击式水轮机转轮单位质量允许不平衡量值检查表 (11)表6.5-3 立式反击式水轮机转浆式转轮允许每小时漏油量质量检查表 (12)表6.6 立式反击式水轮机导水机构安装单元工程施工质量验收评定表 (13)表6.6-1 立式反击式水轮机导水机构安装质量检查表 (14)表6.6-2 立式反击式水轮机导叶局部立面间隙质量检查表 (15)表6.7 立式反击式水轮机接力器安装单元工程施工质量验收评定表 (16)表6.7-1 立式反击式水轮机接力器安装质量检查表 (17)表6.8 立式反击式水轮机转动部件安装单元工程施工质量验收评定表 (18)表6.8-1 立式反击式水轮机转动部件安装质量检查表 (19)表6.9 立式反击式水轮机水导轴承及主轴密封安装单元工程施工质量验收评定表 (20)表6.9-1 立式反击式水轮机水导轴承及主轴密封安装质量检查表 (21)表6.10 立式反击式水轮机附件安装单元工程施工质量验收评定表 (22)表6.10-1 立式反击式水轮机附件安装质量检查表 (23)表6.11 贯流式水轮机尾水管安装单元工程施工质量验收评定表 (24)表6.11-1 贯流式水轮机尾水管安装质量检查表 (25)表6.12 贯流式水轮机管形座安装单元工程施工质量验收评定表 (26)表6.12-1 贯流式水轮机管形座安装质量检查表 (27)表6.13 贯流式水轮机导水机构安装单元工程施工质量验收评定表 (28)表6.13-1 贯流式水轮机导水机构安装质量检查表 (29)表6.14 贯流式水轮机轴承安装单元工程施工质量验收评定表 (30)表6.14-1 贯流式水轮机轴承安装质量检查表 (31)表6.15 贯流式水轮机转动部件安装单元工程施工质量验收评定表 (32)表6.15-1 贯流式水轮机转动部件安装质量检查表 (33)表6.16 冲击式水轮机引水管路安装单元工程施工质量验收评定表 (34)表6.16-1 冲击式水轮机引水管路安装质量检查表 (35)表6.17 冲击式水轮机机壳安装单元工程施工质量验收评定表 (36)表6.17-1 冲击式水轮机机壳安装质量检查表 (37)表6.18 冲击式水轮机喷嘴与接力器安装单元工程施工质量验收评定表 (38)表6.18-1 冲击式水轮机喷嘴与接力器安装质量检查表 (39)表6.19 冲击式水轮机转动部件安装单元工程施工质量验收评定表 (40)表6.19-1 冲击式水轮机转动部件安装质量检查表 (41)表6.20 冲击式水轮机控制机构安装单元工程施工质量验收评定表 (42)表6.20-1 冲击式水轮机控制机构安装质量检查表 (43)表6.21 油压装置安装单元工程施工质量验收评定表 (44)表6.21-1 油压装置安装质量检查表 (45)表6.22 调速器(机械柜和电气柜)安装单元工程施工质量验收评定表 (46)表6.22-1 调速器(机械柜和电气柜)安装质量检查表 (47)表6.23 调速系统静态调整试验单元工程施工质量验收评定表 (48)表6.23-1 调速系统静态调整试验质量检查表 (49)表6.24 立式水轮发电机上、下机架安装单元工程施工质量验收评定表 (50)表6.24-1 立式水轮发电机上、下机架安装质量检查表 (51)表6.25 立式水轮发电机定子安装单元工程施工质量验收评定表 (52)表6.25-1 立式水轮发电机定子安装质量检查表 (53)表6.26 立式水轮发电机转子安装单元工程施工质量验收评定表 (54)表6.26-1 立式水轮发电机转子安装质量检查表 (55)表6.26-2 立式水轮发电机转动部件安装质量检查表 (56)表6.27 立式水轮发电机制动器安装单元工程施工质量验收评定表 (57)表6.27-1 立式水轮发电机制动器安装质量检查表 (58)表6.28 立式水轮发电机推力轴承和导轴承安装单元工程施工质量验收评定表 (59)表6.28-1 立式水轮发电机推力轴承和导轴承安装质量检查表 (60)表6.29 立式水轮发电机机组轴线调整单元工程施工质量验收评定表 (61)表6.29-1 立式水轮发电机机组轴线调整质量检查表 (62)表6.30 卧式水轮发电机定子和转子安装单元工程施工质量验收评定表 (63)表6.30-1 卧式水轮发电机定子和转子安装质量检查表 (64)表6.31 卧式水轮发电机轴承安装单元工程施工质量验收评定表 (65)表6.31-1 卧式水轮发电机轴承安装质量检查表 (66)表6.32 灯泡式水轮发电机主要部件安装单元工程施工质量验收评定表 (67)表6.32-1 灯泡式水轮发电机主要部件安装质量检查表 (68)表6.33 灯泡式水轮发电机总体安装单元工程施工质量验收评定表 (69)表6.33-1 灯泡式水轮发电机总体安装质量检查表 (70)表6.34 励磁装置及系统安装单元工程施工质量验收评定表 (71)表6.34-1 励磁装置及系统安装质量检查表 (72)表6.34-2 励磁系统试验质量检查表 (73)表6.35 主阀及附属设备蝴蝶阀安装单元工程施工质量验收评定表 (75)表6.35-1 蝴蝶阀安装质量检查表 (76)表6.36 主阀及附属设备球阀安装单元工程施工质量验收评定表 (77)表6.36-1 球阀安装质量检查表 (78)表6.37 主阀及附属设备筒形阀安装单元工程施工质量验收评定表 (79)表6.37-1 筒形阀安装质量检查表 (80)表6.38 主阀及附属设备伸缩节安装单元工程施工质量验收评定表 (81)表6.38-1 伸缩节安装质量检查表 (82)表6.39 主阀及附属设备附件和操作机构安装单元工程施工质量验收评定表 (83)表6.39-1 附件和操作机构安装质量检查表 (84)表6.40 主阀及附属设备机组管路安装单元工程施工质量验收评定表 (85)表6.40-1 机组管路安装质量检查表 (86)水利水电工程表6.1 立式反击式水轮机尾水管里衬安装单元工程施工质量验收评定表水利水电工程水利水电工程表6.2 立式反击式水轮机转轮室、基础环、座环安装单元工程施工质量验收评定表水利水电工程表6.2-1 立式反击式水轮机转轮室、基础环、座环安装质量检查表水利水电工程表6.3 立式反击式水轮机蜗壳安装单元工程施工质量验收评定表水利水电工程表6.3-1 立式反击式水轮机蜗壳安装质量检查表水利水电工程表6.4 立式反击式水轮机机坑里衬及接力器基础安装单元工程施工质量验收评定表水利水电工程水利水电工程表6.5 立式反击式水轮机转轮装配安装单元工程施工质量验收评定表水利水电工程水利水电工程表6.5-2 立式反击式水轮机转轮单位质量允许不平衡量值检查表水利水电工程表6.5-3 立式反击式水轮机转浆式转轮允许每小时漏油量质量检查表水利水电工程表6.6 立式反击式水轮机导水机构安装单元工程施工质量验收评定表表6.6-1 立式反击式水轮机导水机构安装质量检查表表6.6-2 立式反击式水轮机导叶局部立面间隙质量检查表水利水电工程表6.7 立式反击式水轮机接力器安装单元工程施工质量验收评定表水利水电工程表6.7-1 立式反击式水轮机接力器安装质量检查表表6.8 立式反击式水轮机转动部件安装单元工程施工质量验收评定表表6.8-1 立式反击式水轮机转动部件安装质量检查表表6.9 立式反击式水轮机水导轴承及主轴密封安装单元工程施工质量验收评定表表6.9-1 立式反击式水轮机水导轴承及主轴密封安装质量检查表表6.10 立式反击式水轮机附件安装单元工程施工质量验收评定表表6.10-1 立式反击式水轮机附件安装质量检查表表6.11 贯流式水轮机尾水管安装单元工程施工质量验收评定表表6.11-1 贯流式水轮机尾水管安装质量检查表表6.12 贯流式水轮机管形座安装单元工程施工质量验收评定表表6.12-1 贯流式水轮机管形座安装质量检查表表6.13 贯流式水轮机导水机构安装单元工程施工质量验收评定表表6.13-1 贯流式水轮机导水机构安装质量检查表表6.14 贯流式水轮机轴承安装单元工程施工质量验收评定表表6.14-1 贯流式水轮机轴承安装质量检查表表6.15 贯流式水轮机转动部件安装单元工程施工质量验收评定表表6.15-1 贯流式水轮机转动部件安装质量检查表表6.16 冲击式水轮机引水管路安装单元工程施工质量验收评定表表6.16-1 冲击式水轮机引水管路安装质量检查表表6.17 冲击式水轮机机壳安装单元工程施工质量验收评定表表6.17-1 冲击式水轮机机壳安装质量检查表表6.18 冲击式水轮机喷嘴与接力器安装单元工程施工质量验收评定表表6.18-1 冲击式水轮机喷嘴与接力器安装质量检查表表6.19 冲击式水轮机转动部件安装单元工程施工质量验收评定表表6.19-1 冲击式水轮机转动部件安装质量检查表表6.20 冲击式水轮机控制机构安装单元工程施工质量验收评定表表6.20-1 冲击式水轮机控制机构安装质量检查表表6.21 油压装置安装单元工程施工质量验收评定表表6.21-1 油压装置安装质量检查表表6.22 调速器(机械柜和电气柜)安装单元工程施工质量验收评定表表6.22-1 调速器(机械柜和电气柜)安装质量检查表。
水利工程施工质量评定第三部分引水管线工程单元工程质量评定表(共有39个表)本部分表格,系根据北京市地方标准—水利工程施工质量评定第三部分《引水管线》(DB11/T387.3)及水利水电行业现行施工规范编制。
用于北京市辖区内的引水管线工程施工质量评定,农业低压灌溉管道可参照执行。
评定表中加“△”的项目为主要检查(检测)项目。
第三部分:引水管线工程单元工程质量评定表表01引水管线工程外观质量评定表填表说明填表时必须遵守“填表基本规定”,并符合以下要求。
1. 本表用于引水管线单位工程外观质量评定。
2. 外观质量等级评定工作是在单位工程完工后,由项目法人(建设单位)组织项目法人(建设单位)、监理、设计、施工及工程运行管理单位组成工程外观质量评定组,现场进行外观质量检验评定,并将评定结论报工程质量监督机构核定。
3. 检测数量。
经工程外观质量评定组全面检查后,抽测25%,且各项不得少于10点。
4. 评定等级标准。
测点中符合质量标准的点数占总测点数的百分率为100%时,评为一级。
合格率为90%~99.9%时,评为二级。
合格率为70%~89.9%时,评为三级。
合格率小于70%时,评为四级。
5. 一级评定得分为标准得分的100%,二级评定得分为标准得分的90%,三级评定得分为标准得分的70%,四级评定得分为标准得分的0%。
6. 合计应得分是实际评定各项标准分之和,实得分是各项实际得分之和。
得分率=实得分/应得分×100%,小数点后保留一位。
外观质量检查项目和标准水利水电工程表01 引水管线工程外观质量评定表水利水电工程表02 引水管线工程外观质量检测表表1.4沟槽开挖单元工程质量评定表填表说明填表时必须遵守“填表基本规定”,并符合以下要求。
1. 单元工程划分:按每50~100米为一单元工程。
2. 单元工程量:填写开挖方量(m3)及开挖面积(m2)。
3. 检查项目项次应附设计要求说明。
填写不下时可另附页。
附录A(资料性)单元工程施工质量验收评定表单元工程施工质量验收评定表见表A.1。
表A.1单元工程施工质量验收评定表附录B(规范性)水压试验B.1 水压试验前,施工单位应编制水压试验方案,其内容主要包括:后背及堵板的设计;进水管路、排气孔及排水孔的设计;加压设备、压力计的选择及安装的设计;排水疏导措施;升压分级的划分及观测制度的规定;试验管段的稳定措施和安全措施。
B.2 水压试验管道内径大于或等于600mm时,试验管段端部的第一个接口应采用柔性接口,或采用特制的柔性接口堵板。
B.3 水压试验采用的压力计精度不低于1.6级,最大量程宜为试验压力的1.3~1.5倍,使用前经校正并具有符合规定的检定证书;水泵、压力计应安装在试验段的两端部与管道轴线相垂直的支管上。
B.4 水压试验前的排查准备工作:a)非隐蔽管道的固定设施已按设计要求安装合格;b)管道附属设备已按要求紧固、锚固合格;c)管件的支墩、锚固设施混凝土强度已达到设计强度,未设置支墩、锚固设施的管件,应采取加固措施并检查合格;d)管道安装检查合格后,清除管道内的杂物,并按5.6.2.2的规定回填土;e)试验管段所有敞口已封闭,无渗漏水现象;f)试验管段不得含有消防栓、水锤消除器、安全阀等附件。
B.5 水压试验时注意事项:a)管道升压时,管道的气体应排除;升压过程中,发现弹簧压力计表针摆动、不稳,且升压较慢时,应重新排气后再升压;b)升压时应分级升压,每升一级应检查后背、支墩、管身及接口,无异常现象时再继续升压;c)水压试验过程中,后背顶撑、管道两端严禁站人;d)水压试验时,严禁带压修补缺陷;遇有缺陷时,应做出标记,卸压后修补。
B.6 试验管段注满水后,宜在不大于工作压力条件下充分浸泡后再进行水压试验,浸泡时间应符合表B.1的规定。
表B.1压力管道水压试验前浸泡时间B.7 水压试验应符合下列规定:a)试验压力应按表B.2选择确定;b)预试验阶段:将管道内水压缓缓地升至试验压力并稳压30min,期间如有压力下降可注水补压,但不得高于试验压力;检查管道接口、阀门配件等处有无漏水、损坏现象;有漏水、损坏现象时应及时停止试压,查明原因并采取相应措施后重新试压;c)主试验阶段:停止注水补压,稳定15min;当15min后压力下降不超过表B.2中所列允许压力降数值时,将试验压力降至工作压力并保持恒压30min,进行外观检查,若无漏水现象,则水压试验合格。
水利施工单元工程质量评定表
1. 背景
水利施工是一个关键的工程领域,在确保水资源的合理利用和
安全的基础设施建设方面起着重要作用。
为了保证水利施工的质量,评定施工过程中的工程质量是必不可少的。
2. 目的
本文档旨在提供一个水利施工单元工程质量评定表,用于对施
工过程中的工程质量进行评估和记录。
3. 评定指标
以下是水利施工单元工程质量评定表中的主要评定指标:
1. 施工过程:评估施工过程中的操作流程、安全措施和工作计
划的执行情况。
2. 施工质量:评估施工过程中使用的材料、工艺和设备的质量。
3. 工程完成情况:评估工程是否按照设计要求和规定的工期完成。
4. 安全监控:评估施工过程中的安全管理措施和安全监控系统的实施情况。
4. 使用说明
评定表按照单元工程分为不同的部分,每个部分包含相应的评定指标。
在施工过程中,负责质量监督的人员应根据实际情况,在评定表中填写相应的分数或备注。
最后,对每个部分的分数进行汇总,得出整个单元工程的质量评定结果。
5. 总结
水利施工的质量评定对于工程的成功实施至关重要。
通过使用本文档中提供的评定表,可以对施工过程中的工程质量进行全面的评估和监控,从而确保施工工程的顺利进行。
在评定过程中,务必始终遵循相关法律法规和指导方针,并确保评定结果准确、公正。
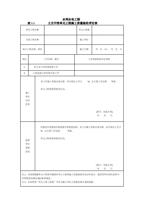
水利水电工程水利水电工程表 1.1.1 表土及土质岸坡清理工序施工质量验收评定表表1.1.2 软基或土质岸坡开挖工序施工质量验收评定表表1.2 岩石岸坡开挖单元工程施工质量验收评定表表1.2.1 岩石岸坡开挖工序施工质量验收评定表岩石岸坡开挖地质缺陷处理工序施工质量验收评定表表 1.2.2水利水电工程表1.3 岩石地基开挖单元工程施工质量验收评定表表1.3.1 岩石地基开挖工序施工质量验收评定表表 1.3.2 岩石地基开挖地质缺陷处理工序施工质量验收评定表表1.4 岩石洞室开挖单元工程施工质量验收评定表表1.5 土质洞室开挖单元工程施工质量验收评定表水利水电工程表1.6 土料填筑单元工程施工质量验收评定表表1.6.1 土料填筑结合面处理工序施工质量验收评定表表1.6.2 土料填筑卸料及铺填工序施工质量验收评定表表1.6.3 土料填筑土料压实工序施工质量验收评定表水利水电工程表1.6.4 土料填筑接缝处理工序施工质量验收评定表表1.7 砂砾料填筑单元工程施工质量验收评定表表1.7.1 砂砾料铺填工序施工质量验收评定表表1.7.2 砂砾料压实工序施工质量验收评定表表1.8 堆石料填筑单元工程施工质量验收评定表水利水电工程表1.8.1 堆石料铺填工序施工质量验收评定表表1.8.2 堆石料压实工序施工质量验收评定表水利水电工程表1.9 反滤(过渡)料填筑单元工程施工质量验收评定表表1.9.1 反滤(过渡)料铺填工序施工质量验收评定表表1.9.2 反滤(过渡)料压实工序施工质量验收评定表表1.10 垫层工程单元工程施工质量验收评定表表1.10.1 垫层料铺填工序施工质量验收评定表表1.10.2 垫层料压实工序施工质量验收评定表表1.11 排水工程单元工程施工质量验收评定表表1.12 干砌石单元工程施工质量验收评定表表1.13 水泥砂浆砌石体单元工程施工质量验收评定表表1.13.1 水泥砂浆石体层面处理工序施工质量验收评定表水利水电工程表1.13.2 水泥砂浆石体砌筑工序施工质量验收评定表水泥砂浆石体砌筑工序施工质量验收评定表续表 1.13.2表 1.13.3 水泥砂浆砌石体伸缩缝(填充材料)工序施工质量验收评定表水利水电工程表1.14 混凝土砌石体单元工程施工质量验收评定表表1.14.1 混凝土砌石体层面处理工序施工质量验收评定表水利水电工程表1.14.2 混凝土浆石体砌筑工序施工质量验收评定表表 1.14.3 混凝土砌石体伸缩缝工序施工质量验收评定表水利水电工程表1.15 水泥砂浆勾缝单元工程施工质量验收评定表表 1.16 土工织物滤层与排水单元工程施工质量验收评定表表 1.16.1 场地清理与垫层料铺设工序施工质量验收评定表表1.16.2 织物备料工序施工质量验收评定表表1.16.3 土工织物铺设工序施工质量验收评定表表1.16.4 回填和表面防护工序施工质量验收评定表水利水电工程表1.17 土工膜防渗单元工程施工质量验收评定表表1.17.1 下垫层和支持层工序施工质量验收评定表表1.17.2 土工膜备料工序施工质量验收评定表。
填表基本规定水利水电工程单元工程施工质量验收评定表(以下简称“验评表”)是检验与评定施工质量及工程验收的基础资料,是施工质量控制过程的真实反映,也是进行工程维修和事故处理的重要凭证。
工程竣工验收后,验评表作为档案资料长期保存。
1.单元工程(工序)施工质量验收评定应在熟练掌握《水利水电工程单元工程施工质量验收评定标准》(本书涉及SL631~SL634—2012)和有关工程施工规程规范及相关规定的基础上进行。
2.单元工程(工序)完工后,在规定时间内按现场检验结果及时、客观、真实地填写验评表。
3.现场检验应遵循随机布点与监理工程师现场指定区位相结合的原则,检验方法及数量应符合SL631~SL634标准和相关规定。
在布点检验之前应全面查看是否有明显不合格部位。
4.验评表与备查资料的制备规格采用国标标准A4(210mm×297mm)。
验评表一式四份,签字、复印后盖章;备查资料一式二份。
手签一份(原件)单独装订。
验评表应加盖单位公章或加盖该单位以文件形式授权报项目法人认可的现场派出机构的公章。
5.验评表中的检查(检测)记录可以使用黑色水笔手写,字迹应清晰工整;也可以使用激光打印机打印,输入内容的字体应与表格固有字体不同,以示区别,字号相同或相近,匀称为宜,表尾施工单位的自评意见、监理单位复核意见,包括签名、日期等,必须手写。
本书例表以斜体字表示必须手写的内容。
施工单位的三检资料和监理单位的现场检测资料应使用黑色水笔手写,字迹清晰工整。
6.应使用国家正式公布的简化汉字,不要使用繁体字。
应横排填写具体内容,可以根据版面的实际需要进行适当处理。
7.计算数值应符合《数值修约规则与极限数值的表示和判定》(GB/T8170)要求,数据使用阿拉伯数字,使用国家法定计量单位,并以规定的符号表示(如:MPa、m、m3、t…)。
数据与数据之间用逗号“,”隔开,小数点要用圆点“.”。
经计算得出的合格率用百分数表达,小数点后保留一位数,如为整数,则小数点后面加“0”,例如90.0%。
第六部分引水管线工程单元工程质量评定表(共有10个表)本部分表格,系根据原水利电力部颁发的SDJ249.1—88《水利水电基本建设工程单元工程质量等级评定标准(一)》(试行)、京水基[2000]001号《北京市水利工程质量评定标准》(试行)及水利水电行业现行施工规范编制。
适用于大中型水利水电工程,小型工程可参照使用。
评定表中加“△”的项目为主要检查(检测)项目。
第六部分:引水管线工程单元工程质量评定表目录表5.1 平基、垫层、管座单元工程质量评定表 ........................................................................- 0 - 表5.2 混凝土承插口管安装单元工程质量评定表 ....................................................................- 2 - 表5.3 混凝土企口管安装单元工程质量评定表 ........................................................................- 4 - 表5.4 管道检查井单元工程质量评定表 ....................................................................................- 6 - 表5.5 铸铁管(承插口)安装单元工程质量评定表 ................................................................- 8 - 表5.6 玻璃钢承插口管安装单元工程质量评定表 ..................................................................- 10 - 表5.7 PVC管安装单元工程质量评定表 .................................................................................- 12 - 表5.8 顶管单元工程质量评定表 ..............................................................................................- 14 - 表5.9 钢筒混凝土管安装单元工程质量评定表 ......................................................................- 16 - 表5.10 管井单元工程质量评定表............................................................................................- 18 -表5.1 平基、垫层、管座单元工程质量评定表填表说明填表时必须遵守“填表基本规定”,并符合以下要求:1. 单元工程划分:每50~100延米为一单元工程。
第六部分引水管线工程单元工程质量评定表(共有10 个表)本部分表格,系根据原水利电力部颁发的—88《水利水电基本建设工程单元工程质量等级评定标准(一)》(试行)、京水基[ 2000]001号《北京市水利工程质量评定标准》(试行)及水利水电行业现行施工规范编制。
适用于大中型水利水电工程,小型工程可参照使用。
评定表中加“△”的项目为主要检查(检测)项目。
填表时必须遵守“填表基本规定” ,并符合以下要求:1.单元工程划分:每50〜100延米为一单元工程。
2.单元工程量:填写本单元浇筑工程量(m) 。
3.检测数量:垫层的中线每侧宽度、高程;平基的中线每侧宽度、高程、厚度;管座的肩宽、肩高每10 米或每个部位检测 1 点。
4.单元工程质量标准。
合格:主要检查项目符合质量标准,一般检查项目基本符合质量标准, 检测项目合格率大于等于70%。
优良:主要检查项目符合质量标准,一般检查项目符合质量标准, 检测项目合格率大于等于90%。
填表时必须遵守“填表基本规定” ,并符合以下要求:1.单元工程划分: 每50 延米为一单元工程。
2.单元工程量: 按实际安装长度(m)。
3.检测数量: 环形间隙差、插入就位准确度、相邻管内底错口每个管口各 1 点, 中线位移、管内底高程两井之间检测 2 点,相邻管内底错口每个管口检测1点。
4.单元工程质量标准。
合格:主要检查项目符合质量标准,一般检查项目基本符合质量标准, 检测项目合格率大于等于70%。
优良: 主要检查项目符合质量标准,一般检查项目符合质量标准, 检测项目合格率大于等于90%。
填表时必须遵守“填表基本规定” ,并符合以下要求:1.单元工程划分: 每50 延米为一单元工程。
2.单元工程量: 按实际安装长度(m)。
3.检测数量: 中线位移、管内底高程两井之间检测 2 点,相邻管内底错口、抹带每个管口检测 1 点。
4.单元工程质量标准。
合格:主要检查项目符合质量标准,一般检查项目基本符合质量标准, 检测项目合格率大于等于70%。
?第六部分引水管线工程单元工程质量评定表(共有10个表)本部分表格,系根据原水利电力部颁发的—88《水利水电基本建设工程单元工程质量等级评定标准(一)》(试行)、京水基[2000]001号《北京市水利工程质量评定标准》(试行)及水利水电行业现行施工规范编制。
适用于大中型水利水电工程,小型工程可参照使用。
评定表中加“△”的项目为主要检查(检测)项目。
)!{|第六部分:引水管线工程单元工程质量评定表·表平基、垫层、管座单元工程质量评定表填表说明填表时必须遵守“填表基本规定”,并符合以下要求:1. 单元工程划分:每50~100延米为一单元工程。
2. 单元工程量:填写本单元浇筑工程量(m3)。
3. 检测数量:垫层的中线每侧宽度、高程;平基的中线每侧宽度、高程、厚度;管座的肩宽、肩高每10米或每个部位检测1点。
4. 单元工程质量标准。
<合格:主要检查项目符合质量标准,一般检查项目基本符合质量标准,检测项目合格率大于等于70%。
优良:主要检查项目符合质量标准,一般检查项目符合质量标准,检测项目合格率大于等于90%。
$水利水电工程表平基、垫层、管座单元工程质量评定表/表混凝土承插口管安装单元工程质量评定表填表说明填表时必须遵守“填表基本规定”,并符合以下要求:1. 单元工程划分:每50延米为一单元工程。
2. 单元工程量: 按实际安装长度(m)。
3. 检测数量:环形间隙差、插入就位准确度、相邻管内底错口每个管口各1点,中线位移、管内底高程两井之间检测2点,相邻管内底错口每个管口检测1点。
4. 单元工程质量标准。
—合格:主要检查项目符合质量标准,一般检查项目基本符合质量标准,检测项目合格率大于等于70%。
优良: 主要检查项目符合质量标准,一般检查项目符合质量标准,检测项目合格率大于等于90%。
@水利水电工程表混凝土承插口管安装单元工程质量评定表表混凝土企口管安装单元工程质量评定表、填表说明填表时必须遵守“填表基本规定”,并符合以下要求:1. 单元工程划分:每50延米为一单元工程。
水利工程施工质量评定第三部分引水管线工程单元工程质量评定表(共有39个表)本部分表格,系根据北京市地方标准—水利工程施工质量评定第三部分《引水管线》(DB11/T387.3)及水利水电行业现行施工规范编制。
用于北京市辖区内的引水管线工程施工质量评定,农业低压灌溉管道可参照执行。
评定表中加“△”的项目为主要检查(检测)项目。
第三部分:引水管线工程单元工程质量评定表表01引水管线工程外观质量评定表填表说明填表时必须遵守“填表基本规定”,并符合以下要求。
1. 本表用于引水管线单位工程外观质量评定。
2. 外观质量等级评定工作是在单位工程完工后,由项目法人(建设单位)组织项目法人(建设单位)、监理、设计、施工及工程运行管理单位组成工程外观质量评定组,现场进行外观质量检验评定,并将评定结论报工程质量监督机构核定。
3. 检测数量。
经工程外观质量评定组全面检查后,抽测25%,且各项不得少于10点。
4. 评定等级标准。
测点中符合质量标准的点数占总测点数的百分率为100%时,评为一级。
合格率为90%~99.9%时,评为二级。
合格率为70%~89.9%时,评为三级。
合格率小于70%时,评为四级。
5. 一级评定得分为标准得分的100%,二级评定得分为标准得分的90%,三级评定得分为标准得分的70%,四级评定得分为标准得分的0%。
6. 合计应得分是实际评定各项标准分之和,实得分是各项实际得分之和。
得分率=实得分/应得分×100%,小数点后保留一位。
外观质量检查项目和标准水利水电工程表01 引水管线工程外观质量评定表水利水电工程表02 引水管线工程外观质量检测表表1.4沟槽开挖单元工程质量评定表填表说明填表时必须遵守“填表基本规定”,并符合以下要求。
1. 单元工程划分:按每50~100米为一单元工程。
2. 单元工程量:填写开挖方量(m3)及开挖面积(m2)。
3. 检查项目项次应附设计要求说明。
填写不下时可另附页。