抗滑桩报验单及检查表格
- 格式:docx
- 大小:348.73 KB
- 文档页数:8
甘肃舟曲灾后重建地质灾害治理工程工序完工、工序开工报验表编号:BY01工程名称:舟曲县龙江新村滑坡灾害综合治理工程承包单位:甘肃省地质灾害防治勘查院甘肃舟曲灾后重建地质灾害治理工程混凝土施工及试块制作记录表编号SY22承包单位甘肃省地质灾害防治勘查院工程名称舟曲县龙江新村滑坡害综合治灾理工程说明:一式二份,监理单位一份,自存一份试块制作人甘肃舟曲灾后重建地质灾害治理工程抗滑桩(孔)开挖施工记录表完美.格式.编辑专业.资料.整理甘肃舟曲灾后重建地质灾害治理工程桩孔护壁工程质量检验报告表(工序)甘肃舟曲灾后重建地质灾害治理工程抗滑桩挖孔及护壁工程报验表(工序)编号:BY15 工程名称:舟曲县龙江新村滑坡灾害综合治理工程甘肃舟曲灾后重建地质灾害治理工程抗滑桩成孔质量检验表(验槽工序)甘肃舟曲灾后重建地质灾害治理工程各类钢筋制安报验申请表编号:BY26 工程名称:舟曲县龙江新村滑坡灾害综合治理工程钢筋加工与安装施工记录表钢筋加工与安装现场质量检验记录表说明:一式三份,监理单位签认后,返回承包单位一份,送建设单位一份。
甘肃舟曲灾后重建地质灾害治理工程抗滑桩钢筋笼制安工程质量检验记录表说明:一式三份,监理单位审核后,送建设单位一份,返回承包单位一份。
甘肃舟曲灾后重建地质灾害治理工程各类模板安装报验申请表编号:BY27 工程名称:舟曲县龙江新村滑坡灾害综合治理工程本表由施工单位填写,一式三份,送监理机构审核后,建设、监理及承包单位各一份。
甘肃舟曲灾后重建地质灾害治理工程模板安装施工记录表甘肃舟曲灾后重建地质灾害治理工程模板工程质量检验记录表说明:一式三份,监理单位签认后,返回承包单位一份,送建设单位一份。
甘肃舟曲灾后重建地质灾害治理工程各类基础坑(槽)隐蔽工程质量检验记录表(工序)甘肃舟曲灾后重建地质灾害治理工程混凝土浇筑开仓报验申请表编号:BY28 工程名称:舟曲县龙江新村滑坡灾害综合治理工程本表由施工单位填写,一式三份,送监理机构审核后,建设单位一份,监理、施工单位各一份。
单位工程名称D2K783+400~D2K787+000区间路基工程施工单位中铁二十五局集团南宁铁路枢纽Ⅲ标工程指挥部第一项目部项目负责人黄寒冰项目技术负责人武睿项目质量负责人谢世强序号分项工程名称检验批数施工单位检查评定结果监理单位验收结论1桩孔2钢筋骨架3桩身混凝土4地面排水及桩顶封闭567质量控制资料共12份,符合要求。
实体质量和主要功能检验(检测)报告(按“单位工程安全和功能检验资料核查及主要功能抽查记录表”列出的项目检测汇总)施工单位项目负责人年月日勘察设计单位项目负责人年 月日验收单位监理单位监理工程师年 月日单位工程名称D2K783+400~D2K787+000区间路基工程分部工程名称抗滑桩检验批数施工单位中铁二十五局集团南宁铁路枢纽Ⅲ标工程指挥部第一项目部项目负责人黄寒冰序号检验批部位施工单位检查评定结果监理单位验收结论1D2K783+400~D2K787+000:8个检验批2D2K783+400~D2K787+000:8个检验批3D2K783+400~D2K787+000:8个检验批4D2K783+400~D2K787+000:8个检验批5D2K783+400~D2K787+000:8个检验批6………………789施工单位检查评定结果分项工程技术负责人年月日监理单位验收结论监理工程师年月日钢筋骨架分项工程质量验收记录表单位工程名称D2K783+400~D2K787+000区间路基工程分部工程名称抗滑桩检验批数施工单位中铁二十五局集团南宁铁路枢纽Ⅲ标工程指挥部第一项目部项目负责人黄寒冰序号检验批部位施工单位检查评定结果监理单位验收结论1D2K783+400~D2K787+000:8个检验批2D2K783+400~D2K787+000:8个检验批3D2K783+400~D2K787+000:8个检验批4D2K783+400~D2K787+000:8个检验批5D2K783+400~D2K787+000:8个检验批6………………789施工单位检查评定结果分项工程技术负责人年月日监理单位验收结论监理工程师年月日桩身混凝土分项工程质量验收记录表单位工程名称D2K783+400~D2K787+000区间路基工程分部工程名称抗滑桩检验批数施工单位中铁二十五局集团南宁铁路枢纽Ⅲ标工程指挥部第一项目部项目负责人黄寒冰序号检验批部位施工单位检查评定结果监理单位验收结论1D2K783+400~D2K787+000:8个检验批2D2K783+400~D2K787+000:8个检验批3D2K783+400~D2K787+000:8个检验批4D2K783+400~D2K787+000:8个检验批5D2K783+400~D2K787+000:8个检验批6………………789施工单位检查评定结果分项工程技术负责人年月日监理单位验收结论监理工程师年月日地面排水及桩顶封闭分项工程质量验收记录表单位工程名称D2K783+400~D2K787+000区间路基工程分部工程名称抗滑桩检验批数施工单位中铁二十五局集团南宁铁路枢纽Ⅲ标工程指挥部第一项目部项目负责人黄寒冰序号检验批部位施工单位检查评定结果监理单位验收结论1D2K783+400~D2K787+000:8个检验批2D2K783+400~D2K787+000:8个检验批3D2K783+400~D2K787+000:8个检验批4D2K783+400~D2K787+000:8个检验批5D2K783+400~D2K787+000:8个检验批6………………789施工单位检查评定结果分项工程技术负责人年月日监理单位验收结论监理工程师年月日。
抗滑桩的表格(样本) -标准化文件发布号:(9456-EUATWK-MWUB-WUNN-INNUL-DDQTY-KII工序完工、工序开工报验表编号:BY-01抗滑桩(孔)开挖施工记录表甘肃舟曲灾后重建地质灾害治理工程桩孔护壁工程质量检验报告表(工序)编号: JL1412甘肃舟曲灾后重建地质灾害治理工程抗滑桩挖孔及护壁工程报验表(工序)编号:BY15 工程名称:舟曲县龙江新村滑坡灾害综合治理工程本表由施工单位填写,一式三份,送监理机构审核后,建设单位一份,监理、施工单位各一份。
甘肃舟曲灾后重建地质灾害治理工程抗滑桩成孔质量检验表(验槽工序)各类钢筋制安报验申请表编号:BY26 工程名称:舟曲县龙江新村滑坡灾害综合治理工程甘肃舟曲灾后重建地质灾害治理工程钢筋加工与安装施工记录表甘肃舟曲灾后重建地质灾害治理工程钢筋加工与安装现场质量检验记录表甘肃舟曲灾后重建地质灾害治理工程抗滑桩钢筋笼制安工程质量检验记录表说明:一式三份,监理单位审核后,送建设单位一份,返回承包单位一份。
甘肃舟曲灾后重建地质灾害治理工程各类模板安装报验申请表编号:BY27 工程名称:舟曲县龙江新村滑坡灾害综合治理工程甘肃舟曲灾后重建地质灾害治理工程模板安装施工记录表甘肃舟曲灾后重建地质灾害治理工程模板工程质量检验记录表说明:一式三份,监理单位签认后,返回承包单位一份,送建设单位一份。
甘肃舟曲灾后重建地质灾害治理工程各类基础坑(槽)隐蔽工程质量检验记录表(工序)甘肃舟曲灾后重建地质灾害治理工程混凝土浇筑开仓报验申请表编号:BY28 工程名称:舟曲县龙江新村滑坡灾害综合治理工程承包单位:甘肃省地质灾害防治勘查院一份。
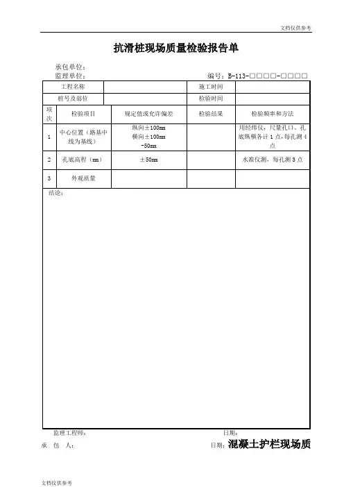
抗滑桩混凝土浇筑现场质量检验报告单工程名称:舟曲县龙江新村滑坡灾害综合治理工程合同编号:H1-01甘肃舟曲灾后重建地质灾害治理工程混凝土搅拌及浇注施工记录甘肃舟曲灾后重建地质灾害治理工程抗滑桩工程质量检验记录表(单元)编号:。
华润电力贵州煤电一体化大方电厂(2×660MW)新建工程
____________________________________________________________________________________________________ 定位放线工程检验批质量验收记录
工程编号: 020101 电土验表5.2.1 单位(子单位)
工程名称
厂区挡墙及护坡分部(子分部)工程抗滑桩
分项工程名称定位及高程控制验收部位190号桩基槽开挖
施工单位中建五局第三建设
有限公司
项目经理谢佑华项目技术负责人易权坤
施工执行标准名称及编号1、企业标准:
2、施工技术规范:电力建设施工质量验收及评价规程第1部分:土建工程(DL/T 5210.1-2012)
分包单位贵州众隆集团有限公司分包项目经理邹林施工班组长张雄
类别序
号
检查项目质量标准
单
位
施工单位检查评定记录
监理单位
验收记录
主控项目
1 控制桩布设 1 个 1
2 平面控制桩精度±100 mm -12
3 高程控制桩精度-50~+30 mm 11
控
制
桩
测
设
图
示
施工单位
检查评定
结果
主控项目合格,一般项目符合设计及规范要求。
项目专业质量检查员:日期:年月日
监理单位
验收结论
专业监理工程师:日期:年月日本表一式四份,由施工单位填报,建设单位、监理单位各存一份,施工单位存二份。