电梯保养记录表
- 格式:xls
- 大小:22.00 KB
- 文档页数:1
电梯维护保养记录表电梯维护保养记录表注册代码:使用单位:使用编号:维保单位:年度:注意事项:本记录为规范电梯日常维护保养而制定。
维修保养单位专业持证人员用钢笔填写,字迹应工整,不允许涂改,用双划线划改且应签划改人员姓名及日期。
本记录一式两份。
一份由使用单位管理保存,保存期不少于二年。
一份由维护保养单位保存,保存期不少于四年。
本记录无维修保养单位专业持证人员及使用单位管理持证人员签章无效。
定量结果应填写实测数据;定性结果应填写文字说明。
凡齐全、有效、正常和合格的用标记“√”表示,凡缺项、无效、异常和不合格的用标记“×”表示,凡无此项的用标记“/”表示。
本记录填写必需属实。
填写人员须对所填写的数据真实性负相关法律责任。
电梯基本情况和技术参数:使用单位:使用地点:使用管理部门:注册代码:制造单位:额定载重量:层站数:安装单位:用户编号:电梯型号:出厂编号:Kg/人额定速度:层站控制方式:投用日期:改造日期:年月日年月日m/s改造(大修)单位:维护保养单位:以上信息变更记录电梯半月维护保养记录表本次维保起止时间:下次维保日期:年月日时分——年月日时分维保现场条件:1、机房温度应保持在5~40℃之间,湿度应保持在电梯及检验所允许的范围内:符合/不符合。
2、电网输入电压应正常,其波动应在额定电压值±7%的范围内:符合/不符合。
3、空气中不应含有腐蚀性和易燃性气体及导电尘埃,特种电梯工作环境中腐蚀性和可燃气体及导电尘埃不应该超过该电梯额定指标:符合/不符合。
4、作业现场(主要指机房、轿顶、底坑)应清洁,不应有与电梯工作无关的物品和设备,相关现场应放置表明正在进行检验的警示牌:符合/不符合。
本次维保发现的事故隐患及处理方式:要求增加保养项目以及故障描述、配件更换记录:更改下次维护保养时间的原因:电梯半月维护保养记录表序号维保项目基本要求1 机房、滑轮间干净、整洁,门窗完好,照明正常。
2 手动紧急操作装置齐全,放置在指定的位置。
贵州通和电梯有限公司日常维护保养记录(客梯、货梯日常维护和保养)使用单位安装地点设备编号维保单位(章)维保期限年月日至年月日注意事项1、本记录为规范电梯日常维护保养而制定。
2、本记录由维修保养单位专业持证人员用钢笔填写,字迹应工整,不允许涂改,用双划线划改且应签划改人员姓名及日期。
3、本记录一式两份。
一份由使用单位管理保存,保存期不少于二年。
一份由维护保养单位保存,保存期不少于四年。
4、本记录无维修保养单位专业持证人员及使用单位管理持证人员签章无效。
5、本记录中定量结果应填写实测数据;定性结果应填写文字说明。
凡齐全、有效、正常和合格的用标记“√”表示,凡缺项、无效、异常和不合格的用标记“×”表示,凡无此项的用标记“/”表示。
6、本记录填写必需属实。
7、本记录填写人员须对所填写的数据真实性负相关法律责任。
电梯基本情况和技术参数电梯半月维护保养记录表维保单位(维保人员):日期:年月日使用单位(安全管理人员):日期:年月日维保单位(维保人员):日期:年月日使用单位(安全管理人员):日期:年月日维保单位(维保人员):日期:年月日使用单位(安全管理人员):日期:年月日维保单位(维保人员):日期:年月日使用单位(安全管理人员):日期:年月日维保单位(维保人员):日期:年月日使用单位(安全管理人员):日期:年月日电梯季度维护保养记录表(第1次)维保单位:日期:使用单位:日期:维保单位(维保人员):日期:年月日使用单位(安全管理人员):日期:年月日维保单位(维保人员):日期:年月日使用单位(安全管理人员):日期:年月日维保单位(维保人员):日期:年月日使用单位(安全管理人员):日期:年月日维保单位(维保人员):日期:年月日使用单位(安全管理人员):日期:年月日维保单位(维保人员):日期:年月日使用单位(安全管理人员):日期:年月日电梯半年维护保养记录表维保单位:日期:使用单位:日期:维保单位(维保人员):日期:年月日使用单位(安全管理人员):日期:年月日维保单位(维保人员):日期:年月日使用单位(安全管理人员):日期:年月日电梯半月维护保养记录表(第15次)维保单位(维保人员):日期:年月日使用单位(安全管理人员):日期:年月日电梯半月维护保养记录表(第16次)维保单位(维保人员):日期:年月日使用单位(安全管理人员):日期:年月日电梯半月维护保养记录表(第17次)维保单位(维保人员):日期:年月日使用单位(安全管理人员):日期:年月日电梯季度维护保养记录表(第3次)维保单位:日期:使用单位:日期:维保单位(维保人员):日期:年月日使用单位(安全管理人员):日期:年月日维保单位(维保人员):日期:年月日使用单位(安全管理人员):日期:年月日维保单位(维保人员):日期:年月日使用单位(安全管理人员):日期:年月日维保单位(维保人员):日期:年月日使用单位(安全管理人员):日期:年月日维保单位(维保人员):日期:年月日使用单位(安全管理人员):日期:年月日电梯年度维护保养记录增加项目表电梯年度维护保养记录表维保单位:日期:使用单位:日期:续表。
电梯每年维护和保养记录表
为了确保电梯的正常运行和乘客的安全,电梯需要进行定期的维护和保养。
本记录表用于记录电梯每年维护和保养的相关信息。
电梯维护和保养记录表
填写说明
1. 电梯编号:填写电梯的唯一编号。
2. 维护和保养日期:填写电梯进行维护和保养的日期。
3. 维护和保养人员姓名:填写负责电梯维护和保养的人员姓名。
4. 维护和保养内容:填写本次维护和保养的主要内容,包括检
查的项目和更换的部件等。
5. 问题描述及处理措施:填写在维护和保养过程中发现的问题
以及采取的处理措施。
6. 负责人签字:填写负责本次维护和保养的负责人签字。
请根据实际情况填写以上内容,并定期汇总和归档,以便进行
电梯的故障排查和预防性维护。
电梯维护保养记录表
注册代码:
使用单位:
使用编号:
维保单位:
年度
注意事项
1、本记录为规范电梯日常维护保养而制定。
2、本记录由维修保养单位专业持证人员用钢笔填写,字迹应工整,不允许涂改,用双划线划
改且应签划改人员姓名及日期。
3、本记录一式两份。
一份由使用单位管理保存,保存期不少于二年。
一份由维护保养单位保
存,保存期不少于四年。
4、本记录无维修保养单位专业持证人员及使用单位管理持证人员签章无效。
5、本记录中定量结果应填写实测数据;定性结果应填写文字说明。
凡齐全、有效、正常和合
格的用标记“√”表示,凡缺项、无效、异常和不合格的用标记“×”表示,凡无此项的用标记“/”表示。
6、本记录填写必需属实。
7、本记录填写人员须对所填写的数据真实性负相关法律责任。
云南楚雄家和房屋设备有限公司电梯基本情况和技术参数。
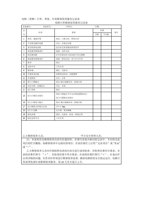
半月维保项目(内容)序号维保项目(内容)维保基本要求1 机房、滑轮间环境清洁,门窗完好、照明正常2 手动紧急操作装置齐全,在指定位置3 曳引机运行时无异常振动和异常声响、异常温升4 制动器各销轴部位润滑,动作灵活5 制动器间隙打开时制动衬与制动轮不应发生摩擦6 编码器清洁,安装牢固7 限速器各销轴部位润滑,转动灵活;电气开关正常8 轿顶清洁,防护栏安全可靠9 轿顶检修开关、急停开关工作正常10 导靴上油杯吸油毛毡齐全,油量适宜,油杯无泄漏11 对重块及其压板对重块无松动,压板紧固12 井道照明齐全、正常13 轿厢照明、风扇、应急照明工作正常14 轿厢检修开关、急停开关工作正常15 轿内报警装置、对讲系统工作正常16 轿内显示、指令按钮齐全、有效17 轿门安全装置(安全触板,光幕、光电等)功能有效18 轿门门锁电气触点清洁、触点接触良好,接线可靠19 轿门运行开启和关闭工作正常、平稳无振动20 轿厢平层精度符合标准21 层站召唤、层楼显示齐全、有效22 层门地坎清洁23 层门自动关门装置正常24 层门门锁自动复位用层门钥匙打开手动开锁装置释放后,层门门锁能自动复位25 层门门层电气触点清洁,触点接触良好,接线可靠26 层门锁紧元件啮合长度不小于7mm27 底坑环境清洁,无渗水、积水、照明正常28 底坑急停开关工作正常齐全有效29 合格标志、安全注意事项、锁孔警示标签,规章制度30 向使用单位管理人员了解使用情况季度维保项目(内容)序号维保项目(内容)维保基本要求1 机房、滑轮间环境清洁,门窗完好、照明正常2 手动紧急操作装置齐全,在指定位置3 曳引机运行时无异常振动和异常声响4 制动器各销轴部位润滑,动作灵活5 制动器间隙打开时制动衬与制动轮不应发生摩擦6 编码器清洁,安装牢固7 限速器各销轴部位润滑,转动灵活;电气开关正常8 减速机润滑油油量适宜,除蜗杆伸出端外均无渗漏9 制动衬清洁、磨损量不超过制造单位要求10 位置脉冲发生器工作正常11 选层器动静触点清洁,无烧蚀12 曳引轮槽、曳引钢丝绳清洁,无严重油腻,张力均匀13 限速器轮槽、限速器钢丝绳清洁,无严重油腻14 轿顶清洁,防护栏安全可靠15 轿顶检修开关、急停开关工作正常16 导靴上油杯吸油毛毡齐全,油量适宜,油杯无泄漏17 靴衬、滚轮清洁,磨损量不超过制造单位要求18 对重块及其压板对重块无松动,压板紧固19 井道照明齐全、正常20 轿厢照明、风扇、应急照明工作正常21 轿厢检修开关、急停开关工作正常22 轿内报警装置、对讲系统工作正常23 轿内显示、指令按钮齐全、有效24 轿门安全装置(安全触板,光幕、光电等)功能有效25 轿门门锁电气触点清洁、触点接触良好,接线可靠26 轿门运行开启和关闭工作正常27 轿厢平层精度符合标准28 层站召唤、层楼显示齐全、有效29 层门地坎清洁30 层门自动关门装置正常31 验证轿门关闭的电气安全装置工作正常32 层门、轿门系统中传动钢丝绳、链条、胶带按照制造单位要求进行清洁、调整33 层门门导靴磨损量不超过制造单位要求34 层门门锁自动复位用层门钥匙打开手动开锁装置释放后,层门门锁能自动复位35 层门门锁电气触点清洁、触点接触良好,接线可靠36 层门锁紧元件啮合长度不小于7mm37 消防开关工作正常,功能有效38 底坑环境清洁,无渗水、积水,照明正常39 底坑急停开关工作正常40 耗能缓冲器电气安全装置功能有效,油量适宜,柱塞无锈蚀41 限速器张紧轮装置和电气安全装置工作正常42 合格标志、安全注意事项、锁孔警示齐全有效幕式43 向使用单位管理人员了解使用情况半年维保项目(内容)序号维保项目(内容)维保基本要求1 机房、滑轮间环境清洁,门窗完好、照明正常2 手动紧急操作装置齐全,在指定位置3 曳引机运行时无异常振动和异常声响4 制动器各销轴部位润滑,动作灵活5 制动器间隙打开时制动衬与制动轮不应发生摩擦6 编码器清洁,安装牢固7 限速器各销轴部位润滑,转动灵活;电气开关正常8 减速机润滑油油量适宜,除蜗杆伸出端外均无渗漏9 制动衬清洁、磨损量不超过制造单位要求10 位置脉冲发生器工作正常11 选层器动静触点清洁,无烧蚀12 曳引轮槽、曳引钢丝绳清洁,无严重油腻,张力均匀13 限速器轮槽、限速器钢丝绳清洁,无严重油腻14 电动机与减速机联轴器螺栓无松动15 曳引轮、导向轮轴承部无异常声,无振动,润滑良好16 曳引轮槽磨损量不超过制造单位要求17 制动器上检测开关工作正常,制动器动作可靠18 控制柜内各接线端子各接线紧固、整齐,线号齐全清晰19 控制柜各仪表显示正确无异常声,无振动,润滑良好20 井道、对重、轿顶各反绳轮轴承部21 曳引绳、补偿绳磨损量、断丝数不超过要求22 曳引绳绳头组合螺母无松动23 限速器钢丝绳磨损量、断丝数不超过制造单位要求24 轿顶清洁,防护栏安全可靠25 轿顶检修开关、急停开关工作正常26 导靴上油杯吸油毛毡齐全,油量适宜,油杯无泄漏27 靴衬、滚轮清洁,磨损量不超过制造单位要求28 对重块及其压板对重块无松动,压板紧固29 井道照明齐全、正常30 轿厢照明、风扇、应急照明工作正常31 轿厢检修开关、急停开关工作正常32 轿内报警装置、对讲系统工作正常半年维保项目(内容续表)序号维保项目(内容)维保基本要求33 轿内显示、指令按钮齐全有效34 轿门安全装置(安全触板,光幕、光电等)功能有效35 轿门门锁电气触点清洁,触点接触良好,接线可靠36 轿门运行开启和关闭工作正常37 轿厢平层精度符合标准38 层站召唤、层楼显示齐全、有效39 层门地坎清洁40 层门自动关门装置正常41 验证轿门关闭的电气安全装置工作正常42 层门、轿门系统中传动钢丝绳、链条、胶带按照制造单位要求进行清洁、调整43 层门门导靴磨损量不超过制造单位要求44 层门门锁自动复位用层门钥匙打开手动开锁装置释放后,层门门锁能自动复位45 层门门锁电气触点清洁,触点接触良好,接线可靠46 层门锁紧元件啮合长度不小于7mm47 消防开关工作正常、功能有效48 层门、轿门门扇门扇各相关间隙符合标准49 对重缓冲距符合标准50 补偿链(绳)与轿厢、对重接合处固定、无松动51 上下极限开关工作正常52 底坑环境清洁,无渗水、积水,照明正常53 底坑急停开关工作正常54 耗能缓冲器电气安全装置功能有效,油量适宜,柱塞无锈蚀55 限速器张紧轮装置和电气安全装置工作正常56 合格标志、安全注意事项、锁孔警示标签齐全有效57 向使用单位管理人员了解使用情况全年维保项目(内容)序号维保项目(内容)维保基本要求1 机房、滑轮间环境清洁,门窗完好、照明正常2 手动紧急操作装置齐全,在指定位置3 曳引机运行时无异常振动和异常声响4 制动器各销轴部位润滑,动作灵活5 制动器间隙打开时制动衬与制动轮不应发生摩擦6 编码器清洁,安装牢固7 限速器各销轴部位润滑,转动灵活;电气开关正常8 减速机润滑油油量适宜,除蜗杆伸出端外均无渗漏9 制动衬清洁、磨损量不超过制造单位要求10 位置脉冲发生器工作正常11 选层器动静触点清洁,无烧蚀12 曳引轮槽、曳引钢丝绳清洁,无严重油腻,张力均匀13 限速器轮槽、限速器钢丝绳清洁,无严重油腻14 电动机与减速机联轴器螺栓无松动15 曳引轮、导向轮轴承部无异常声,无振动,润滑良好16 曳引轮槽磨损量不超过制造单位要求17 制动器上检测开关工作正常,制动器动作可靠18 控制柜内各接线端子各接线紧固、整齐,线号齐全清晰19 控制柜各仪表显示正确无异常声,无振动,润滑良好20 井道、对重、轿顶各反绳轮轴承部21 曳引绳、补偿绳磨损量、断丝数不超过要求22 曳引绳绳头组合螺母无松动23 限速器钢丝绳磨损量、断丝数不超过制造单位要求24 减速机润滑油按照制造单位要求适时更换,保证油质符合要求25 控制柜接触器,继电器触点接触良好26 制动器铁芯(柱塞)进行清洁、润滑、检查,磨损量不超过制造单位要求27 制动器制动弹簧压缩量符合制造单位要求,保持有足够的制动力28 导电回路绝缘性能测试符合标准29 限速器安全钳联动试验(每2工作正常年进行一次限速器动作速度检验)30 上行超速保护装置动作试验工作正常31 轿顶清洁,防护栏安全可靠32 轿顶检修开关、急停开关工作正常33 导靴上油杯吸油毛毡齐全,油量适宜,油杯无泄漏34 靴衬、滚轮清洁,磨损量不超过制造单位要求35 对重块及其压板对重块无松动,压板紧固序号维保项目(内容)维保基本要求36 井道照明齐全、正常37 轿顶、轿厢架、轿门及其附件安装螺栓紧固38 轿厢和对重的导轨支架固定,无松动39 轿厢和对重的导轨清洁,压板牢固40 随行电缆无损伤41 层门装置和地坎无影响正常使用的变形,各安装螺栓紧固42 轿厢照明、风扇、应急照明工作正常43 轿厢检修开关、急停开关工作正常44 轿内报警装置、对讲系统工作正常45 轿内显示、指令按钮齐全、有效46 轿门安全装置(安全触板,光幕、光电)功能有效47 轿门门锁电所触点清洁、触点接触良好,接线可靠48 轿门运行开启和关闭工作正常49 轿厢平层精度符合标准50 层站召唤、层楼显示齐全、有效51 层门地坎清洁52 层门自动关门装置正常53 验证轿门关闭的电气安全装置工作正常54 层门、轿门系统中传动钢丝绳、链条、胶带按照制造单位要求进行清洁、调整55 层门门导靴磨损量不超过制造单位要求56 层门门锁自动复位用层门钥匙打开手动开锁装置释放后,层门门锁能自动复位57 层门门锁电气触点清洁,触点接触良好,接线可靠58 层门锁昆电气触点不小于7mm59 消防开关工作正常,功能有效60 层门、轿门门扇门扇各相关间隙符合标准61 对重缓冲距符合标准62 补偿链(绳)与轿厢、对重接合处固定、无松动63 上下极限天关工作正常64 轿厢秒钟重装置准确有效65 安全钳钳座固定,无松动66 轿底各安装螺栓紧固67 缓冲器固定,无松动68 底坑环境清洁,无渗水、积水,照明正常69 底坑急停开关工作正常70 耗能缓冲器电气安全装置功能有效,油量适宜,柱塞无锈蚀71 限速器张紧轮装置和电气安全装置工作正常72 合格标志、安全注意事项、锁孔警示标签齐全有效73 向使用单位管理人员了解使用情况维保确认表甲方名称设备使用地点甲方设备编号序号日期乙方维保人员甲方人员确认签字备注123456789101112131415161718192021222324备注备注:根据特种设备安全监察条例的有关规定,半个月为一个周期对电梯进行维护保养。
电梯维护保养记录表注册代码:使用单位:使用编号:维保单位:年度注意事项1、本记录为规范电梯日常维护保养而制定。
2、本记录由维修保养单位专业持证人员用钢笔填写,字迹应工整,不允许涂改,用双划线划改且应签划改人员姓名及日期。
3、本记录一式两份。
一份由使用单位管理保存,保存期不少于二年。
一份由维护保养单位保存,保存期不少于四年。
4、本记录无维修保养单位专业持证人员及使用单位管理持证人员签章无效。
5、本记录中定量结果应填写实测数据;定性结果应填写文字说明。
凡齐全、有效、正常和合格的用标记“√”表示,凡缺项、无效、异常和不合格的用标记“×”表示,凡无此项的用标记“/”表示。
6、本记录填写必需属实。
7、本记录填写人员须对所填写的数据真实性负相关法律责任。
电梯基本情况和技术参数使用单位使用地点用户编号使用管理部门电话注册代码电梯型号制造单位出厂编号额定载重量Kg/ 人额定速度m/s 层站数层站控制方式安装单位投用日期年月日改造(大修)单位改造日期年月日维护保养单位电话以上信息变更记录电梯半月维护保养记录表本次维保起止时间年月日时分——年月日时分下次维保日期年月日维保现场条件1、机房温度应保持在5~40℃之间,湿度应保持在电梯及检验所允许的范围内:符合不符合2、电网输入电压应正常,其波动应在额定电压值±7%的范围内:符合不符合3、空气中不应含有腐蚀性和易燃性气体及导电尘埃,特种电梯工作环境中腐蚀性和可燃气体及导电尘埃不应该超过该电梯额定指标:符合不符合4、作业现场(主要指机房、轿顶、底坑)应清洁,不应有与电梯工作无关的物品和设备,相关现场应放置表明正在进行检验的警示牌:符合不符合本次维保发现的的事故隐患及处理方式:要求增加保养项目以及故障描述、配件更换记录:更改下次维护保养时间的原因:电梯半月维护保养记录表序号维保项目基本要求维保情况1 机房、滑轮间干净、整洁,门窗完好,照明正常。
2 手动紧急操作装置齐全,放置在指定的位置3 曳引机运行时无异常振动和异常声响4 制动器各销轴部位进行润滑,保证其动作灵活5 制动器在打开时制动衬与制动轮无摩擦6 编码器安装牢固,干净。
辽宁正德电梯安装有限公司电梯维护保养记录表注册代码:使用单位:使用编号:维保单位:辽宁正德电梯安装有限公司年度注意事项1、本记录为规范电梯日常维护保养而制定。
2、本记录由维修保养单位专业持证人员用钢笔填写,字迹应工整,不允许涂改,用双划线划改且应签划改人员姓名及日期。
3、本记录一式两份。
一份由使用单位管理保存,保存期不少于二年。
一份由维护保养单位保存,保存期不少于四年。
4、本记录无维修保养单位专业持证人员及使用单位管理持证人员签章无效。
5、本记录中定量结果应填写实测数据;定性结果应填写文字说明。
凡齐全、有效、正常和合格的用标记“√”表示,凡缺项、无效、异常和不合格的用标记“×”表示,凡无此项的用标记“/”表示。
6、本记录填写必需属实。
7、本记录填写人员须对所填写的数据真实性负相关法律责任。
电梯基本情况和技术参数使用单位使用地点用户编号使用管理部门电话注册代码电梯型号制造单位出厂编号额定载重量Kg/ 人额定速度m/s 层站数层站控制方式安装单位投用日期年月日改造(大修)单改造日期年月日位维护保养单位电话以上信息变更记录电梯半月维护保养记录表本次维保起止时间年月日时分—— 年月日时分下次维保日期年月日维保现场条件1、机房温度应保持在5~40℃之间,湿度应保持在电梯及检验所允许的范围内:符合不符合2、电网输入电压应正常,其波动应在额定电压值±7%的范围内:符合不符合3、空气中不应含有腐蚀性和易燃性气体及导电尘埃,特种电梯工作环境中腐蚀性和可燃气体及导电尘埃不应该超过该电梯额定指标:符合不符合4、作业现场(主要指机房、轿顶、底坑)应清洁,不应有与电梯工作无关的物品和设备,相关现场应放置表明正在进行检验的警示牌:符合不符合本次维保发现的的事故隐患及处理方式:辽宁正德电梯安装有限公司要求增加保养项目以及故障描述、配件更换记录:更改下次维护保养时间的原因:电梯半月维护保养记录表序号维保项目基本要求维保情况1机房、滑轮间干净、整洁,门窗完好,照明正常。
电梯维护保养记录表
注册代码:
使用单位:
使用编号:
维保单位:
年度
注意事项
1、本记录为规范电梯日常维护保养而制定。
2、本记录由维修保养单位专业持证人员用钢笔填写,字迹应工整,
不允许涂改,用双划线划改且应签划改人员姓名及日期。
3、本记录一式两份。
一份由使用单位管理保存,保存期不少于二年。
一份由维护保养单位保存,保存期不少于四年。
4、本记录无维修保养单位专业持证人员及使用单位管理持证人员签
章无效。
5、本记录中定量结果应填写实测数据;定性结果应填写文字说明。
凡齐全、有效、正常和合格的用标记“√”表示,凡缺项、无效、异常和不合格的用标记“×”表示,凡无此项的用标记“/”表示。
6、本记录填写必需属实。
7、本记录填写人员须对所填写的数据真实性负相关法律责任。
电梯基本情况和技术参数
电梯半月维护保养记录表
电梯半月维护保养记录表
维保单位(维保人员):日期:年月日使用单位(安全管理人员):日期:年月日
电梯季度维护保养记录增加项目表
电梯季度维护保养记录表
维保单位:日期:
使用单位:日期:
电梯半年维护保养记录增加项目表
电梯半年维护保养记录表
维保单位:日期:
使用单位:日期:
电梯年度维护保养记录增加项目表
电梯年度维护保养记录表
维保单位:日期:
使用单位:日期:
辽宁正德电梯安装有限公司。
电梯维修保养记录表(范本)
说明
本文档为电梯维修保养记录表的范本,用于记录每次维修保养的相关信息。
在维修保养过程中,及时记录和归档信息对于电梯的安全运行至关重要。
使用本文档可提高工作效率,记录准确、明确的信息。
以下是电梯维修保养记录表的范本内容。
电梯基本信息
维修保养记录
总结
在维修保养记录表中,每次维修保养都需要按照日期、维修人员、维修内容、是否完成、备注的顺序进行记录。
维修内容应尽量
具体明确,以便后续的查询和跟踪工作。
记录人员应认真填写每次
维修保养情况,确保信息的完整和准确。
此外,在日常维修保养过
程中发现的问题和改进措施也可以在备注中记录,以便后续分析和
改进电梯维修工作。
注意事项
- 每次维修保养都要及时记录,不得漏填或错填信息。
- 维修内容要具体明确,不得含糊不清,以便后续的查询和跟
踪工作。
- 维修人员要仔细填写每次维修保养的情况,确保信息的完整
和准确。
- 如有需要,可以在备注中记录并分析问题,并提出改进建议。
以上是电梯维修保养记录表的范本内容,如有需要,请按照实际情况进行填写和修改。
维修保养记录的准确记录和归档对于电梯的安全运行至关重要,希望本文档能对您的工作有所帮助。
电梯维护保养记录表
24小时服务:
使 用 单 位: 电 梯 品 牌: 电 梯 信 息: 设 备 编 号: 维 保 单 位:
年 检 日 期:
kg
m/s
注意事项
1、本记录为规电梯日常维护保养而制定。
2、本记录由维修保养单位专业持证人员用水笔填写,字迹应工整,不允许涂改,用双
划线划改且应签划改人员及日期。
3、本记录分正副两本。
副本由使用单位管理保存,保存期不少于四年。
正本由维护保
养单位保存,保存期不少于四年。
4、本记录无维修保养单位专业持证人员及使用单位管理持证人员签字或签章无效。
5、本记录中定量结果应填写实测数据;定性结果应填写文字说明。
凡齐全、有效、正
常和合格的用标记“"”表示,凡缺项、无效、异常和不合格的用标记“X”表示,凡无此项的用标记“ /”表示,“O”表示有故障已修复(在要求增加保养项目以及故障描述、配件更换记录)栏中说明情况,“• 表示需要更换部件(在本次维保发现的隐患及处理方式)栏中说明情况。
6、本记录填写必需属实。
7、在维保方实施维保后,使用方应及时确认并签字或签章,如因未及时确认所出现的任何后果与维保方无关
保养人员签字:客户签字确认:
保养人员签字:客户签字确认:
保养人员签字:客户签字确认:
保养人员签字:客户签字确认:
保养人员签字:客户签字确认:。
通和电梯日常维护保养记录(客梯、货梯日常维护和保养)使用单位安装地点设备编号维保单位(章)维保期限年月日至年月日注意事项1、本记录为规电梯日常维护保养而制定。
2、本记录由维修保养单位专业持证人员用钢笔填写,字迹应工整,不允许涂改,用双划线划改且应签划改人员及日期。
3、本记录一式两份。
一份由使用单位管理保存,保存期不少于二年。
一份由维护保养单位保存,保存期不少于四年。
4、本记录无维修保养单位专业持证人员及使用单位管理持证人员签章无效。
5、本记录中定量结果应填写实测数据;定性结果应填写文字说明。
凡齐全、有效、正常和合格的用标记“√”表示,凡缺项、无效、异常和不合格的用标记“×”表示,凡无此项的用标记“/”表示。
6、本记录填写必需属实。
7、本记录填写人员须对所填写的数据真实性负相关法律责任。
电梯基本情况和技术参数电梯半月维护保养记录表维保单位(维保人员):日期:年月日使用单位(安全管理人员):日期:年月日维保单位(维保人员):日期:年月日使用单位(安全管理人员):日期:年月日维保单位(维保人员):日期:年月日使用单位(安全管理人员):日期:年月日维保单位(维保人员):日期:年月日使用单位(安全管理人员):日期:年月日维保单位(维保人员):日期:年月日使用单位(安全管理人员):日期:年月日电梯季度维护保养记录表(第1次)维保单位:日期:使用单位:日期:维保单位(维保人员):日期:年月日使用单位(安全管理人员):日期:年月日维保单位(维保人员):日期:年月日使用单位(安全管理人员):日期:年月日维保单位(维保人员):日期:年月日使用单位(安全管理人员):日期:年月日维保单位(维保人员):日期:年月日使用单位(安全管理人员):日期:年月日维保单位(维保人员):日期:年月日使用单位(安全管理人员):日期:年月日电梯半年维护保养记录表维保单位:日期:使用单位:日期:维保单位(维保人员):日期:年月日使用单位(安全管理人员):日期:年月日维保单位(维保人员):日期:年月日使用单位(安全管理人员):日期:年月日电梯半月维护保养记录表(第15次)维保单位(维保人员):日期:年月日使用单位(安全管理人员):日期:年月日电梯半月维护保养记录表(第16次)维保单位(维保人员):日期:年月日使用单位(安全管理人员):日期:年月日电梯半月维护保养记录表(第17次)维保单位(维保人员):日期:年月日使用单位(安全管理人员):日期:年月日电梯季度维护保养记录表(第3次)维保单位:日期:使用单位:日期:维保单位(维保人员):日期:年月日使用单位(安全管理人员):日期:年月日维保单位(维保人员):日期:年月日使用单位(安全管理人员):日期:年月日维保单位(维保人员):日期:年月日使用单位(安全管理人员):日期:年月日维保单位(维保人员):日期:年月日使用单位(安全管理人员):日期:年月日维保单位(维保人员):日期:年月日使用单位(安全管理人员):日期:年月日电梯年度维护保养记录增加项目表电梯年度维护保养记录表维保单位:日期:使用单位:日期:续表。
半月维保项目(内容)季度维保项目(内容)半年维保项目(内容)半年维保项目(内容续表)全年维保项目(内容)全年维保项目(内容续表)维保确认表备注:根据特种设备安全监察条例的有关规定,半个月为一个周期对电梯进行维护保养。
轲,一个四处为家的刺客,他的心犹如浮云,心如飘蓬,是没有根的,然而高渐离的筑声,却成了他愿意停留在燕国这片土地上的原由。
虽是初见,却如故人。
也许所有的遇见,早已经是前世的注定,没有早晚,刚好在合适的时间遇见你,就是最美的相识。
他曾经游历过多少地方,自己已经数不清,但是没有一处可以挽留他行走的脚步,唯有今日高渐离的筑声,让他怎么也舍不得离开。
从此二人心性相投,在燕国集市上,载歌击筑,把盏言欢,欢喜处。
嬉笑开颜,忧伤处,潸然泪下,即便这些神经质的状态,被集市上的人哗然,可是对知己而言,又如何呢?人生难得一知己,悲欢喜悦与何人相干呢?我们各自欢喜就好。
生为乱世,能够遇到如此懂得自己的人,是一件多么难得的幸福事情啊!然而,这快意的知己日子,总归逃不过那个时代的残酷,千不该,万不该,荆轲不该是一位刺客,若不如此,又如何会被愚蠢的太子丹派去刺杀秦王,一去不复返。
倘若荆轲不是刺客,也就更不可能身如飘蓬,居无定所,也许不可能遇见高渐离,所有一切都是冥冥之中的注定吧!“风萧萧兮,易水寒,壮士一去兮,不复还。
”知己的离去,让高渐离心如刀割,整日独自击筑高歌,在痛苦中浑噩度日,这样疏懒的生活,无人懂他,对他来说已经倦怠了,他厌倦了他本可以大隐于野,疏远于喧嚣处,可是他同样选择了一条不归路。
去咸阳宫为上宾演奏,最终被人认出,他并不害怕,倒是坦然自若。
因为他心里清楚这里就是染过他知己一一荆轲的鲜血的宫殿,若能在这里死去,也算是一种缘分。
这种孤独和苟且的日子。
然而事与愿违,秦王并没杀了他,给他一个痛快,而是熏瞎了他的双目,让他生不如死。
在一次次的心伤中,他在筑中灌满了铅,仿效荆轲,想与秦王同归于尽,只是他心里非常清楚,他根本伤及不了秦王毫发。