NS143镍基耐蚀合金耐蚀性
- 格式:pdf
- 大小:106.84 KB
- 文档页数:1
inconel材料标准-回复中括号内的内容为主题,写一篇1500-2000字文章,一步一步回答。
Inconel材料标准Inconel是一种高温合金,由镍、铬和铁等金属元素组成。
它具有出色的耐高温、抗氧化和耐腐蚀性能,因此广泛应用于航空航天、石油化工、核工程和医疗设备等领域。
为了确保Inconel材料的质量和可靠性,制定了一系列的标准和规范。
本文将从材料组成、机械性能、化学性质等方面详细介绍Inconel材料的标准。
1. ASTM标准:首要的Inconel材料标准是由美国材料和试验协会(ASTM International)制定的。
ASTM标准涵盖了Inconel合金的组成、加工、性能测试和应用要求。
ASTM标准以数字和字母的组合来表示不同的材料规范,比如Inconel 600使用的规范为ASTM B166,Inconel 718使用的规范为ASTM B637。
这些规范包括了Inconel材料的化学成分、机械性能、硬度、拉伸强度、抗蠕变性能、热膨胀系数等方面的要求。
2. 国际标准:除了ASTM标准,Inconel材料的标准还包括了一系列的国际标准。
欧洲标准(EN)、国际电工委员会标准(IEC)和国际标准化组织标准(ISO)等都制定了Inconel材料的标准。
这些国际标准主要关注材料的化学成分、物理性能和机械性能等方面的要求。
3. 化学成分要求:Inconel合金的化学成分是保证其高温性能和抗腐蚀性能的关键。
一般来说,Inconel合金的镍含量在70-80之间,铬含量在15-21之间,其余的元素包括铁、钼、钛、铝等。
这些元素的含量和配比对Inconel材料的强度和耐腐蚀性能有着重要的影响。
标准规定了各个元素的允许范围,以保证Inconel材料的一致性和稳定性。
4. 机械性能要求:Inconel材料在高温环境下经受严重的力学和热应力,因此机械性能是其关键指标之一。
标准对Inconel材料的机械性能进行了详细的规定。
耐高温镍基合金型号大全耐高温镍基合金是一种特种耐热材料,被广泛应用于高温工作环境中,如石油化工、航空航天等领域。
本文将为您介绍一些主要的耐高温镍基合金型号。
1. Inconel 600(UNS N06600)Inconel 600具有优异的耐腐蚀性和高温性能,常用于高温环境下的极端应用。
其使用温度范围为-200℃至+1093℃。
常见应用领域:石油化工、航空航天、核工业、医疗器械等。
2. Inconel 601(UNS N06601)Inconel 601是一种含铝、铬和镍的合金,具有良好的耐腐蚀性和高温性能。
其使用温度范围为-200℃至+1150℃。
常见应用领域:化工、电力、高温炉、炼钢等。
3. Inconel 625(UNS N06625)Inconel 625具有极好的耐腐蚀性和高温性能,尤其是对海水中的腐蚀具有良好的抵抗能力。
其使用温度范围为-196℃至+1093℃。
常见应用领域:船舶建造、石油化工、核电站等。
4. Incoloy 800(UNS N08800)Incoloy 800是一种镍铁铬合金,具有优异的高温强度和耐腐蚀性。
其使用温度范围为-20℃至+1100℃。
常见应用领域:加热炉、化工设备、石油加工等。
5. Incoloy 825(UNS N08825)Incoloy 825是一种含铬、镍和钼的合金,具有良好的耐腐蚀性和高温性能,尤其是对硫酸、磷酸和盐水的腐蚀具有优异的抵抗能力。
其使用温度范围为-20℃至+540℃。
常见应用领域:石油化工、海洋工程、化工设备等。
6. Hastelloy C-276(UNS N10276)Hastelloy C-276是一种镍钼铬铁合金,具有极好的耐腐蚀性和高温强度。
其使用温度范围为-196℃至+870℃。
常见应用领域:化工、石油天然气、食品加工等。
7. Monel 400(UNS N04400)Monel 400是一种铜镍合金,具有良好的耐腐蚀性和高温性能,尤其是对盐水和氯化物的腐蚀具有优异的抵抗能力。
NS143镍基合金材料使用(对应牌号NS1403)【供应品种】NS143圆棒、NS143无缝管、NS143板材、NS143带材、NS143管材【冶韩实业(上海)有限公司周先生、郭女士、康女士、郑先生】技术顾问:周工/TEL:①③⑧①⑥①⑥⑥③④③NS143(NS1403)耐蚀合金NS1403是具有很多优异性能的耐蚀合金,对氧化性和中等还原性腐蚀有很好的抵抗能力,具有优异的抗应力腐蚀开裂能力和好的耐局部腐蚀能力在很多化工工艺介质中有满意的耐蚀特性。
NS1403的化学成分NS1403的化学成分NS1403可以用来湿法冶金及硫酸工业装置等等。
在材料领域中,可以用来制作钢材、锻件、带材、丝材、螺栓、螺母等等。
NS143国内代替材料,NS143镍基耐蚀合金NS1403对应牌号stjpk21499.专用工装专用工装是以工件的针对性为主,结合炉型进行设计与制作,以满足工件的特殊装载要求的工装夹具。
其作用主要有以下几个方面。
对于化学热处理工件,要求保证工件在炉内与炉气充分而均匀地接触,同时放置要稳妥,不致引起变形。
本章简单的阐述了NS143合金的耐蚀性、NS143标准成分、NS143尺寸规格,这些特性或多或少的影响着NS143价格,当然影响NS143合金价格还包括NS143硬度、NS143密度及NS143热处理状态等。
若含有第三元素如Zn、Mn、Al等,则相应地被称为锌白铜、锰白铜、铝白铜等。
铜绿与铜基体结合牢固,本身致密,能防止铜继续腐蚀。
白铜是以镍为主要合金元素的铜合金。
工业中采用的黄铜含锌量不超过45,含锌量再高将会产生脆性,使合金性能变坏。
铝合金衬塑管与钢衬塑管的区别钢衬塑管是一种传统的复合管管材,它的内管同样采用食品安全级塑料,能起到延长管道寿命提高卫生级别的作用。
但是钢衬塑管道的重量相比铝合金衬塑管依然大很多,所以不得不采用传统的卡口式刚性连接,因此在一定情况下与不锈钢管具有同样的安全隐患。
|锯床切割NS143卷板--主要用于规格形状的切割加工| 线切割1NS143平板--效率底。
镍基耐蚀合金的碱性介质中的耐腐蚀性能研究镍基耐蚀合金在碱性介质中具有出色的耐腐蚀性能,这使得它们在广泛应用的工业领域中应用广泛。
本文将对镍基耐蚀合金在碱性介质中的耐腐蚀性能进行研究和分析。
首先,我们需要了解镍基耐蚀合金的基本特性。
镍基耐蚀合金是一种以镍为基础,添加了一定量的铬、钼、钛等元素的合金。
这些合金元素能够提供良好的耐腐蚀性能,并在碱性介质中表现出色。
镍基耐蚀合金具有高温强度、良好的耐氧化性、耐腐蚀性和抗应力腐蚀开裂性能,适用于各种恶劣工作环境。
对于镍基耐蚀合金在碱性介质中的耐腐蚀性能研究,可以从以下几个方面进行分析。
首先,我们可以从材料的化学成分入手。
合金元素的含量和比例对镍基耐蚀合金在碱性介质中的抗腐蚀性能有重要影响。
以镍铬合金为例,当合金中的铬含量达到一定比例时,能够形成致密的氧化铬层,起到抗腐蚀的作用。
此外,添加其他合金元素如钼、钛等也能显著提高耐腐蚀性能,例如在高碱度溶液中的耐蚀性能。
其次,我们可以研究材料的微观结构和晶体缺陷对其耐腐蚀性能的影响。
镍基耐蚀合金通常具有复杂的多元相结构,包含不同晶相、晶粒尺寸和晶胞缺陷等。
这些微观结构的不同组合与分布对合金的腐蚀行为起到关键作用。
通过电子显微镜、X射线衍射等技术手段,可以研究材料的晶体结构和晶体缺陷对耐腐蚀性能的影响,进一步优化合金的耐腐蚀性能。
此外,我们还可以考虑材料的表面处理和涂层技术对耐腐蚀性能的影响。
镍基耐蚀合金的表面处理可以通过酸洗、抛光、喷丸等方式来去除表面氧化层、颗粒杂质等,增强其表面光洁度并减少缺陷。
同时,在合金表面涂覆一层保护性涂层也能有效提高其耐腐蚀性能。
这些表面处理和涂层技术可以进一步提高镍基耐蚀合金在碱性介质中的耐腐蚀性能。
最后,我们需要考虑实际工作条件下的耐腐蚀性能测试和评估。
通过模拟真实工作环境的实验装置,对镍基耐蚀合金在碱性介质中的耐腐蚀性能进行测试,并根据实验结果进行评估,确定合金的使用寿命和适用范围。
耐蚀合金是一种能够在恶劣环境下保持耐蚀性能的特殊材料。
它被广泛应用于化工、石油、航空航天等领域,在保证设备安全运行的同时,减少了设备维修和更换的频率,降低了成本。
为了确保耐蚀合金材料的质量和性能,有一些相关的标准可以作为参考。
1.ASTM G48 - 这个标准给出了评估耐蚀合金之间的耐蚀性能的测试方法。
它涵盖了各种环境条件下的实验,包括浸泡、旋转试样和自由腐蚀试验。
这些测试方法可以用来衡量耐蚀合金材料的耐蚀性能,并对其进行比较和分类。
2.ASTM A262 - 这个标准是用于评估耐蚀合金的晶间腐蚀倾向性的试验方法。
它包括了五种试验方法,用于检测材料是否具有晶间腐蚀破坏的倾向,这是一种常见的耐蚀合金材料的问题。
3.ASTM B117 - 这个标准是用于评估耐蚀合金在盐雾环境下的耐蚀性能的试验方法。
盐雾环境是一种常见的腐蚀环境,对于耐蚀合金材料的评估非常重要。
这个标准提供了一种可重复的试验方法,用于比较不同合金材料在盐雾环境下的性能。
4.NACE MR0175 - 这个标准是由国际腐蚀与保护协会(NACE)制定的,适用于耐蚀合金在油气工业中的应用。
它规定了耐蚀合金材料的化学成分、硬度、热处理和耐蚀性能要求,以及监测、检查和验证的方法。
5.ISO 15156 - 这个标准是使用NACE MR0175作为基础,在国际范围内遵循腐蚀和材料性能规范的指南。
它适用于涉及油气开采和相关产业的设备和材料,规定了材料的选用、测试和处理要求。
6.ASME B16.34 - 这个标准规定了阀门材料的要求,包括耐蚀合金。
它涵盖了各种不同类型(例如钢、不锈钢、镍合金等)的阀门材料,以及与耐蚀性有关的其他要求,如抗硫化物应力开裂和高温环境下的耐蚀性能。
这些标准提供了评估和比较耐蚀合金材料性能的指导,可以帮助制造商、设计师和使用者选择合适的材料,并确保其耐蚀性能满足特定环境下的要求。
这些标准还可用于监督和控制耐蚀合金材料的生产和使用,确保产品质量和安全性。
A1a3a1a6a6a3a6a8a1a9a9a针对炼油厂烷基化装置工艺管线用材所使用的20 无缝钢管,因其设备在运行过程中,钢管焊缝处产生裂纹,险些酿成严重后果。
有关部门决定对其进行更换,更换材质为Alloy20无缝钢管。
Alloy20(NS1403/N08020),又称20 合金,是一种进口奥氏体铁镍基耐蚀合金,对氧化性和中等还原性腐蚀有很好的抵抗能力,具有优异的抗应力腐蚀开裂能力和好的耐局部腐蚀能力。
在很多化工工艺介质中有令人满意的耐蚀特性,包括侵蚀性很强的无机酸溶液、氯气和含氯化物的各种介质、干燥氯气、甲酸和醋酸、¨Alloy20Cb-3合金具有以下特性:具有很多优异性能的耐蚀合金,对氧化性和中等还原性腐蚀有很好的抵抗能力,具有优异的抗应力腐蚀开裂能力和好的耐局部腐蚀能力在很多化工工艺介质中有满意的耐蚀特性。
Alloy20Cb-3应用范围应用领域有:湿法冶金及硫酸工业装置焊接性分析Alloy20(NS143/N08020)的焊接具有与奥氏体不锈钢相类似的问题,即具有较高的热敏感性,气孔生成率较高,容易产生未融合、未焊透等缺陷。
此外,铁镍基合金钢还具有较高的焊接热裂纹倾向、焊接区域产生晶问腐蚀倾向。
由于铁镍合金具有较高的镍含量,液态镍流动性差,焊接时易产生未熔合。
母材化学成分及力学性能见表1及表2。
珠光体钢合金元素含量远不及奥氏体钢,熔池中的氧化还原反应会引起合金元素的烧损;焊接熔池边缘,液态金属温度低、流动性差,熔化母材金属在熔池边缘上与填充金属不能实现很好地熔合,使得在靠近珠光体母材的狭窄区域内形成和焊缝金属内成分不同、宽度为 0.2~0.6 mm的过渡层,离熔合线越近,珠光体钢的稀释作用越强,特别是 Cr,Ni,Mo等合金元素的稀释。
焊接时考虑采用铬镍含量较高的焊条,改善异种钢熔合区质量,将不存在相变过程,接头各区组织应力小。
熔合区中碳扩散层的形成是由于珠光体钢含碳量较高,合金元素少,而奥氏体钢却相反。
耐蚀合金钢在海洋环境中的耐蚀性能研究主要内容:一、介绍海洋环境对金属材料的腐蚀作用二、耐蚀合金钢的特性及其在海洋环境中的应用三、耐蚀性能评价方法四、耐蚀合金钢在海洋环境中的耐蚀性能研究进展五、研究结果及对现有问题的讨论六、提高耐蚀合金钢耐蚀性能的方法探讨七、结论一、介绍海洋环境对金属材料的腐蚀作用海洋环境中,金属材料长期受到海水中的激进化学环境和海洋生物的腐蚀作用。
海水中的氯离子、氧、二氧化碳、硫化物等物质会导致金属材料的腐蚀速率加快。
此外,生物污垢和微生物的附着也会促使金属材料的腐蚀,对海洋结构和设备的安全性和可靠性造成潜在威胁。
二、耐蚀合金钢的特性及其在海洋环境中的应用耐蚀合金钢是一种特殊的钢材,其特点是具有很高的抗蚀性能,同时具备了普通钢的强度和可焊接性。
这种特性使得耐蚀合金钢在海洋环境中得到广泛应用,如海上石油钻井平台、海洋工程结构、海上船舶等。
耐蚀合金钢的应用可以有效减缓金属材料在海洋环境下的腐蚀速度,延长使用寿命。
三、耐蚀性能评价方法在研究耐蚀合金钢在海洋环境中的耐蚀性能时,需要采用科学的方法进行评价。
常见的评价方法包括失重法、电化学方法、表面分析方法等。
失重法通过计算金属材料的质量变化来评估其腐蚀程度。
电化学方法可以通过测量电流及其他电化学参数来研究材料的耐蚀性能。
表面分析方法常用的有扫描电子显微镜、能谱分析仪等,可以观察材料的表面腐蚀情况。
四、耐蚀合金钢在海洋环境中的耐蚀性能研究进展针对耐蚀合金钢在海洋环境中的耐蚀性能研究,近年来有许多重要的进展。
一方面,研究者通过改变合金的化学成分和微观结构,提高了耐蚀合金钢的耐蚀性能。
另一方面,一些新型涂层和涂覆技术的引入,进一步增强了耐蚀合金钢的耐蚀性能。
此外,研究者还通过实验研究和数值模拟等方法,深入了解了海洋环境中耐蚀合金钢的腐蚀行为,并提供了重要的理论基础。
五、研究结果及对现有问题的讨论从目前的研究结果来看,耐蚀合金钢在海洋环境中的耐蚀性能得到了显著提高。
主要合金元素是铜、、。
具有良好的综合性能,可耐各种酸腐蚀和应力腐蚀。
最早应用(1905年美国生产)的是镍铜(Ni-Cu)合金,又称蒙乃尔合金(Monel合金Ni 70 Cu30);此外还有镍铬(Ni-Cr)合金(就是镍基耐热合金,耐蚀合金中的耐热腐蚀合金)、镍钼(Ni-Mo)合金(主要是指B系列)、镍铬钼(Ni-Cr-Mo)合金(主要是指哈氏合金C系列)等。
与此同时,纯镍也是镍基耐蚀合金中的典型代表。
这些镍基耐蚀合金主要用于制造石油,化工,电力等各种耐腐蚀环境用零部件。
镍基耐蚀合金多具有奥氏体组织。
在固溶和时效处理状态下,合金的奥氏体基体和晶界上还有金属间相和金属的碳氮化物存在,各种耐蚀合金按成分分类及其特性如下:Ni-Cu合金在还原性介质中耐蚀性优于镍而在氧化性介质中耐蚀性又优于铜,它在无氧和氧化剂的条件下,是耐高温氟气、氟化氢和氢氟酸的最好的材料(见金属腐蚀)。
Ni-Cr合金也就是镍基耐热合金;主要在氧化性介质条件下使用。
抗高温氧化和含硫、钒等气体的腐蚀,其耐蚀性随铬含量的增加而增强。
这类合金也具有较好的耐氢氧化物(如NaOH、KOH)腐蚀和耐应力腐蚀的能力。
Ni-Mo合金主要在还原性介质腐蚀的条件下使用。
它是耐盐酸腐蚀的最好的一种合金,但在有氧和氧化剂存在时,耐蚀性会显著下降。
Ni-Cr-Mo(W)合金兼有上述Ni-Cr合金、Ni-Mo合金的性能。
主要在氧化-还原混合介质条件下使用。
这类合金在高温氟化氢气中、在含氧和氧化剂的盐酸、氢氟酸溶液中以及在室温下的湿氯气中耐蚀性良好。
Ni-Cr-Mo-Cu合金具有既耐硝酸又耐硫酸腐蚀的能力,在一些氧化-还原性混合酸中也有很好的耐蚀性。
[1]。
NS334(NS3304)镍基耐腐蚀合金【供应品种】NS334圆棒、NS334无缝管、NS334板材、NS334管材、NS334带材、NS334丝材【冶韩实业(上海)有限公司周先生、郭女士、康女士、郑先生】技术顾问:周工/TEL:①③⑧①⑥①⑥⑥③④③NS334(NS3304)耐蚀合金NS3304合金在化工和石化领域得到了广泛的应用,如应用在接触含氯化物有机物的元件和催化系统中。
这种材料尤其适合在高温、混有杂质的无机酸和有机酸(如甲酸和乙酸)、海水腐蚀环境中使用。
NS334应用领域:纸浆和造纸工业,如煮解和漂白容器、FGD系统中的洗涤塔、再加热器、湿汽风扇、在酸性气体环境中作业的设备和元件、乙酸和酸性产品的反应器、硫酸冷凝器、亚甲二苯异氰酸盐(MDI)、不纯磷酸的生产和加工。
公司长期与宝钢、太钢、东北特钢、国冶联ATI、德国蒂森克虏伯VDM、日本冶金,新日铁、大同特殊钢、哈氏合金等世界知名品牌达成合作关系,为客户提供现货及价格查询。
长期大量供应含以下化学成分的牌号不锈钢材:NS334对应国内什么材料、NS334对应牌号、NS334对应哪个牌号、NS334对应什么材质、NS334对应型号、NS334对照牌号、NS334多少钱公斤、NS334多少钱一根、NS334多少钱一公斤、NS334多少钱一千克、NS334钢号对照表、NS334钢可以做什么、NS334钢原装进口报价、NS334功能详解、NS334功效及作用、NS334供应商报价、NS334供应原装正品、NS334固溶光棒、NS334规格形状、NS334国标是什么材质、NS334国标用什么材料、NS334国标有没有对应牌号、NS334国产对照型号、NS334国内牌号是什么、NS334国内什么材质相符、NS334国内是什么材料、。
上海商虎/张工:158 –0185 -9914NS311(H03110)耐蚀合金NS311化学成分NS311产品 NS311标准 NS311功能NS311首要特性 NS311用途举例抗氧化性介质及含氟离子高温硝酸腐蚀,无磁性。
用于高温硝酸环境及强腐蚀条件下作业的无磁构件。
产品:哈氏合金、高温合金、铜镍合金、英科耐尔、蒙乃尔、钛合金、沉淀硬化钢等各种中高端不锈钢,镍基合金等。
高温合金:GH3030、GH4169、GH3128、GH145、GH3039、GH3044、GH4099、GH605、GH5188等软磁合金:1J06、1J12、1J22、1J27、1J30、1J36、1J50、1J79、1J85等弹性合金:3J01、3J09、3J21、3J35等。
蒙乃尔合金:Monel 400(N04400)、Monel K500(N05500)等膨胀合金:4J28、4J29(与玻璃烧结)、4J32、4J33、4J34、4J36、(与陶瓷烧结)4J38、4J42、4J50等耐蚀合金:Inconel 600、601、617、625、686、690、713C、718、Inconel X-750等因科洛伊合金:Incoloy 20、330、718、800、800H、800HT、825、925、Inconel 926【N08926/1.4529】等哈氏合金:Hastelloy C、C-4、C-22(N06022)、C-276、C-2000、Hastelloy B、B-2、B-3等纯镍 / 钛合金:N4、N5(N02201)N6、N7(N02200)TA1、TA2、TA9、TA10、TC4等沉淀硬化钢/双相不锈钢17-4PH(sus630)、17-7PH(sus631)、15-5PH/ 2205、2507、904L、254SMO、20#(N08020)生产工艺:热轧、锻轧、精扎、机轧、挤压、连铸、冷拔、浇铸、冷拉等供应规格:棒材、板材、管材、带材、毛细管、丝材及块料。
特殊工业环境用耐蚀合金针对恶劣的工业腐蚀环境,如1200℃以上超高温氧化环境、垃圾焚烧富氯和融盐腐蚀的工业环境、多相腐蚀相互作用的工业环境,传统的耐蚀合金和高温合金,如GH600,GH800H,GH625,HP-Nb, HK40等无法再满足构件的高温耐腐蚀要求。
针对不同的恶劣工业环境,考虑成本因素,所提供的特殊环境用变形与铸造高温耐蚀合金可同时满足不同恶劣环境中服役构件的力学性能要求和耐腐蚀性能要求。
高温合金、耐蚀合金、耐热合金在航空发动机、火箭发动机、石油化工、冶金、能源、环保与玻璃建材生产等工业领域,服役的金属构件因与环境介质接触,在载荷应力、不同腐蚀介质和(或)高温环境的共同作用下,构件除会发生高温持久断裂、蠕变、高温疲劳等失效外,其表面还会发生均匀腐蚀、应力腐蚀、腐蚀疲劳、点蚀和缝隙腐蚀等,以及高温氧化、高温炭化、高温硫化与卤化、高温融盐沉积腐蚀等高温腐蚀。
针对不同的服役环境,结合构件的力学性能要求,并考虑成本因素,可为用户推荐并提供各类传统高温合金、耐热与耐蚀合金的锻件、棒材、板材、带材、丝材、低膨胀合金、定膨胀合金电子仪器仪表、微波与光电子、光学与激光设备、玻璃与陶瓷封接等需要在一定温度范围内具有低的热膨胀系数或恒定热膨胀系数的合金。
根据用户需求,除可生产提供传统的因瓦合金(4J36)、超因瓦合金(4J32)、可伐合金(4J29)和定膨胀合金(4J33、4J34、4J42)的管、棒、丝、带和锻件外,还可生产提供低膨胀高温合金(GH907、GH909、GH783)、热膨胀系数更低的高温超低膨胀合金DP1和4J40合金的管、棒、丝、带材和锻件等。
恒弹性合金、高弹性合金航空与汽车传感器、高温弹簧、膜盒等需要高弹性、恒弹性和高温高弹性合金。
根据用户需求可生产提供3J1、3J3高弹性合金,3J53、3J58、3J60、耐磨合金对高温冲刷磨损、粘着磨损与腐蚀同时存在的工业环境,可提供不同级别的Co基、Ni基和Fe基硬表面耐磨合金精密铸件。
镍基合金管Corrosion Resistant Alloy Pipe:主要钢级/钢号Designation:Monel 400 (UNS N04400) ,UNS N02201,Incoloy600(UNS N06600), N6 (UNS N02200),UNS N08800 , UNS N08810, UNSN06025,UNS N08825 ,UNS N10276, UNS N06022,UNS N08811, UNS N06059,UNS N10001,UNS N10665, UNS N06625, UNS N08028,UNSN06690, UNS N06601, UNS N06455等。
执行标准Standards: GB15011 ,JB4742,ASME SB-161 ASME SB-163,ASME SB-165 ,ASME SB-167,ASME SB - 622规格范围:外径(OD):3.18~114.3mm , 壁厚(WT):0.5~7.11mm, 长度(L):≤18000mm各标准材质对应表Material designation:材料化学成分、密度、用途等。
GH4145 ( Inconel X-750 / UNS N07750 / W.Nr. 2.4669 / NiCr15Fe7TiAl / AFNOR NC15TNbA )化学成分:Cr:14.0~17.0Ni+Co:≥70.0Al:0.4~1.00Ti:2.25~2.75C≤0.08Mn≤1.00P≤0.015S≤0.01Fe:5.0~9.0密度:8.3 g/cm3性能通途:在980℃以下有足够强度及抗腐蚀氧化性,是高强度弹簧优先选择材料,适于制作弹性膜片和弹性密封件。
GH4169 ( Inconel 718 / UNS N07718 / W.Nr. 2.4668 / NiCr19Fe19Nb5Mo3 / NA51 / AFNOR NC19FeNb )化学成分:C:≤0.08,Cr:17.0~21.0,Ni:50~55,Co:≤1.00,Mo:≤2.8~3.30,Al:0.20~0.8,Ti:0.65~1.15,Fe:余,Nb:4.75~5.50,B:≤0.006,Mn:≤0.35,Si:≤0.35,S:≤0.015,Cu:≤0.30,P:≤0.015,Mg:≤0.01密度:8.2 g/cm3性能通途:为奥氏体结构,沉淀硬化后产生的“γ”相使之具有优秀的机械性能,由于在700℃时具有高温强度和优秀的耐腐蚀性和易加工性,广泛应用于各种耐高温要求的场合。
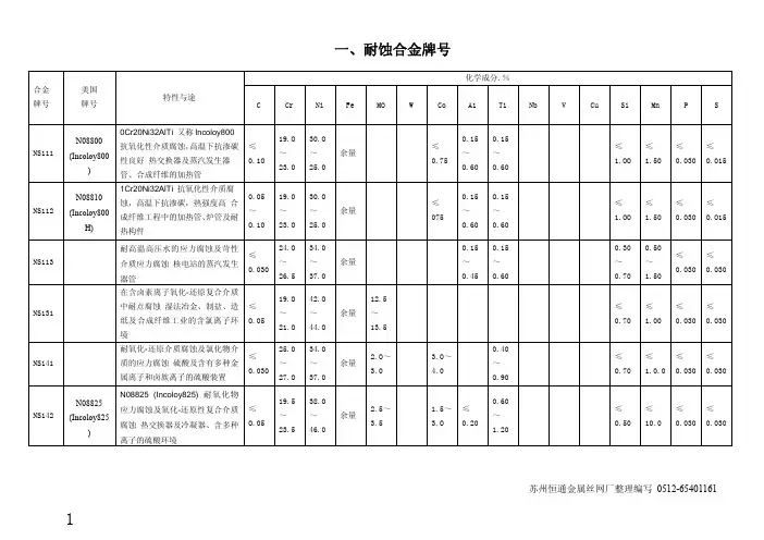
NS143镍基耐蚀合金耐蚀性
NS143(Alloy20/0Cr20Ni35Mo3Cu3Nb)是1963年在高镍奥氏体不锈钢-0Cr20Ni28Mo3Cu3Nb(Carpenter20Cb)基础上发展的一种铁—镍基耐蚀合金。
国际上称作Carpenter20Cb-3或简称20Cb-3合金。
NS143是1948年开发的耐H2SO4和HNO3及其混酸腐蚀性能较好的高镍可变形的奥氏体不锈钢。
但在溶解核燃料不锈钢包壳时,发现此钢在3mol/L H2SO4中产生应力腐蚀断裂。
为了解决这一问题,通过研究发现,在其他合金成分基本相同于Carpenter20Cb的条件下,只将钢中的镍量从27%-29%提高到33%-38%,既提高了钢的耐应力腐蚀断裂性能,又极大地改善了钢在还原性酸中的耐蚀性和可加工性能,从而导致了20Cb-3合金的诞生。
由于此合金良好的耐蚀性,在化学加工等工业中得到较广泛的应用。
此合金适宜的最终热处理是940℃稳定化处理。
中间退火温度以高于1050℃固溶软化退火温度为宜。