一次性使用 医用口罩检验操作规程
- 格式:docx
- 大小:35.99 KB
- 文档页数:4
一次性使用医用口罩进货、过程、成品检验规程进货检验1.目的和围1.1目的规一次性使用医用口罩的原材料进货检验操作,确保原材料符合规定要求,保证产品质量。
1.2围适用于本公司一次性使用医用口罩产品的原材料进货检验。
2.工作程序2.1原材料进厂后应放原材料仓库待检区,由仓库填写请检单,送交质量部,质量部收到请检单后派员到现场进行检验或取样。
2.2质量部收集产品质量证明书。
3检验项目、要求、方法及抽样方案3.1非织造布1.目的规一次性使用医用口罩产品生产过程中的检验项目、检验方法与检具、抽样方案及判定准则的要求,确保产品在生产过程中的质量要求。
2.围适用于本公司一次性使用医用口罩生产过程检验。
1.目的规一次性使用医用口罩产品岀厂前检验项目、检验容与要求、检验方法、抽样方案判定准则及检验记录的要求,桷保出厂成品符合注册标准要求。
2.围适用于本公司一次性使用医用口罩成品出厂前检验。
3.检验依据3.1一次性使用医用口罩技术要求4.检测项目、质量要求、检验方法检测包括出厂检验和型式检验。
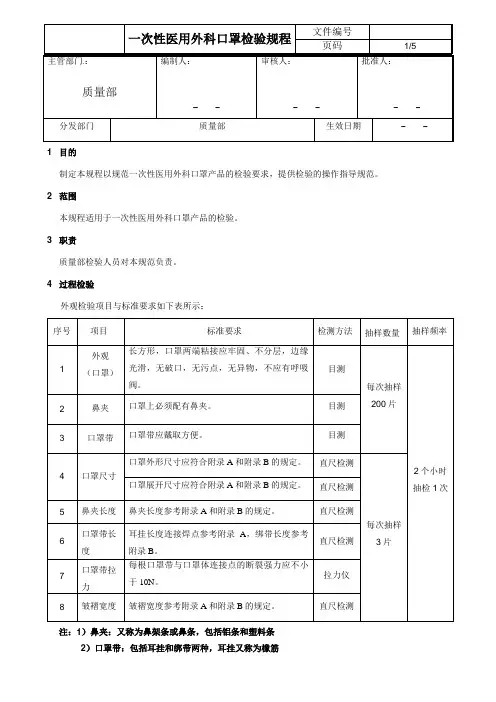
出厂检验项目项目:4.1外观、4.2结构与尺寸、4.3鼻夹、4.4口罩带、4.7微生物指标。
其中4.7为委托第三方检测项目,每批原材料送检一次。
型式检验应为产品标准的全性能检验。
4.1外观4.1.1口罩外观应整洁、形状完好,表面不得有破损、污渍。
4.1.2口罩的超声波复合应均匀、平直、牢固、无明显皱折。
4.1.3口罩超声波复合处粘合应牢固。
检验方法:随机抽取3个样品进行试验。
目视检查,结果应符合要求。
4.2结构与尺寸口罩佩戴好后,应能罩住佩戴者的口、鼻至下颌。
应符合表1的规定尺寸,最大偏差应不超过士5%果应符合要求4.3鼻夹4.3.1口罩上应配有鼻夹,鼻夹由可塑性材料制成。
检验方法:随机抽取3个样品进行试验。
检査鼻兴材质并手试弯折,结果应符合要求。
4.3.2鼻夹长度应不小于8.0cm。
检验方法:随机抽取3个样品进行试验。
取出鼻夹,以通用或专用量具测量,结果应符合要求。
1.目的规定非无菌一次性使用医用口罩成品检验方法,确保产品符合规定要求。
2.范围适用于非无菌一次性使用医用口罩成品的检验。
3.定义3.1 产品质量检验:指检验人员借助于某种手段或方法,测定产品的质量特性,然后把测定的结果同规定的质量标准比较,从而判断该产品合格或不合格的过程活动。
3.2 产品质量检验工作包括明确的质量要求(图纸、标准等),适当的检测方法和手段(检验规范等及必备的检验工具、检测设备),合格与不合格的判定,不合格品的标记、隔离及处置,检验记录及反馈等。
3.3成品检验即出厂检验,检验规则项目即企业技术要求中规定的检查项目。
4.职责4.1检验员按产品技术要求进行产品的检验,并记录归档。
4.2 质量部负责工序的巡检和成品的检验,相关部门配合。
4.3生产部负责生产过程的自检。
5.程序5.1操作前准备5.1.1检验开始前,应先清理桌面,防止不同类型的产品或废品混入待检产品中。
5.1.2检查生产任务单和工艺流程卡,了解产品工序质量信息。
5.2 质量标准及检验方法5.2.1外观随机抽取3个样品进行试验。
目视检查,应符合YY/T 0969-2013 4.1的要求:口罩外观应整洁、形状完好,表面不得有破损、污渍。
5.2.2结构与尺寸随机抽取3个样品进行试验。
实际佩戴,并以通用或专用量具测量,应符合YY/T 0969-2013 4.2的要求:口罩佩戴好后,能罩住佩戴者的口、鼻至下颌。
符合设计的尺寸,最大偏差不超过5%。
5.2.3鼻夹5.2.3.1随机抽取: 3个样品进行试验。
检查鼻夹材质并手试弯折,均应符合YY/T 0969-2013 4.3.1的要求:口罩上配有鼻夹,鼻夹由可塑性材料制成。
5.2.3.1随机抽取:3个样品进行试验。
取出鼻夹,以通用或专用量具测量,均应符合YY/T 0969 4.3.2的要求:鼻夹长度不小于8.0 cm。
5.2.4口罩带5.2.4.1随机抽取: 3个样品进行试验。
通过佩戴检査其调节情况,均应符合YY/T 0969-2013 4.4.1的要求:口罩带应戴取方便。
医用口罩检验规程1目的建立口罩检验规程,明确口罩产品的检验依据和检验方法,以确保检验员能正确理解口罩的检验标准及有效的执行检验、测试工作。
2范围适用于公司所有医用口罩的生产检验、测试。
3参考资料GB2626-2019 呼吸防护用品自吸过滤式防颗粒物呼吸器GB/T 32610-2016 日常防护型口罩技术规范GB19083-2010 医用防护口罩技术要求YY0469-2011 医用外科口罩YY/T0969-2013 一次性使用医用口罩4职责品质部:负责制订/修订/执行本文件。
5检验规程5.1外观检查5.1.1 外观缺陷等级判定标准5.1.1.1致命缺陷(CRI)口罩所使用的材料中不得有非设计要求的金属物质镶入、锐利凸起或对使用者构成危险的其它情况。
5.1.1.2主要缺陷(Maj)a)口罩的形状结构应完整并符合设计要求不得有缺少部件现象,不得有破洞(穿孔)、拉裂、滑脱现象,不得有非材质气味,整个口罩主体不允许有昆虫躯体和毛发。
b)口罩超声线均匀整齐,纹路应符合图纸要求,不允许出现穿孔。
c)口罩带(耳带)不允许有缺口、断带、纱线滑脱现象。
口罩带正反面使用正确,焊接位置准确,与口罩连接的端点应在超声压痕范围内。
d)鼻夹规格应符合图面要求,植入的硬材质鼻夹位置应正确,无锐利凸起。
软材质鼻夹粘贴位置应在规定的范围,用手翻动应不出现脱落现象。
e)呼气阀超声位置符合图面要求,超声牢固,偏位应控制在5mm以内。
带印刷LOGO的呼气阀超声后LOGO的方向应符合图面要求,倾斜的角度应在15度以内。
f)调节扣(耳扣)应规格正确、结构完整并按照图纸要求安装于口罩带上,不得漏装.g)移印、丝印不得有漏印、模糊不清/断线、错位现象;印刷位置、颜色与样板一致。
5.1.1.3次要缺陷(Min)a)口罩主体表面应整洁。
尘点(含异色点)面积应在0.3mm2以内,同一个口罩上允许有3处缺陷,但距离需大于50mm。
b)口罩裁切边缘应整齐,左右对称,超声线与边缘的距离应控制在2.5mm~3.5mm之间,中缝熔合线与边缘的距离应控制在0.5mm~2 mm之间(或按照客户要求)。
W I-Q C-02口罩过程检验规程(总4页)--本页仅作为文档封面,使用时请直接删除即可----内页可以根据需求调整合适字体及大小--1.目的明确口罩生产过程的质量要求,为口罩的成品检验与判定提供依据。
2.范围适用于口罩的过程检验。
3.职责质量部检验员按照规定检验标准和抽样方法对口罩进行过程检验及判定。
4.内容外观检查应整洁、形状完好,表面不得有破洞、污渍。
结构与尺寸口罩佩戴好后,应能罩住佩戴者的口、鼻至下颌。
规格尺寸应符合表1要求。
表1:一次使用医用口罩型号规格单位为mm鼻夹鼻夹长度应不小于8cm。
口罩带a)口罩带应取戴方便。
b)每根口罩带与口罩体连接点的断裂强力应不小于10N。
包装热封包装应严密,热封接头应平滑无皱褶,不得有穿孔泄露5.检验方法外观随机抽取1个样品进行试验,目视检查,应符合要求。
若不符合要求重新抽检2个样品复检确认,若复检2次结果均达标则判定符合要求,若其中有任何一次结果不达标则退回返工。
结构与尺寸随机抽取1个样品进行试验,实际佩戴,并以通用量具检测,应符合的要求。
若不符合要求重新抽检2个样品复检确认,若复检2次结果均达标则判定符合要求,若其中有任何一次结果不达标则退回返工。
鼻夹随机抽取1个样品进行试验,以通用或专用量具测量,应符合的要求。
若不符合要求重新抽检2个样品复检确认,若复检2次结果均达标则判定符合要求,若其中有任何一次结果不达标则退回返工。
口罩带a)随机抽取1个样品进行试验,通过佩戴检查其调节情况,应符合中a)的要求。
b)随机抽取1个样品进行试验,以单个连接点10N的静拉力(若有多个连接点,则按比例增加)进行测量,持续5s,结果应符合中b)的要求。
c)随机抽取5个样品作为1组进行试验,以单个连接点10N的静拉力(若有多个连接点,则按比例增加)进行测量,持续5s,结果应符合中b)的要求。
若不符合要求重新抽检2个样品复检确认,若复检2次结果均达标则判定符合要求,若其中有任何一次结果不达标则退回返工。
一次性使用医用口罩进货、过程、成品检验规程进货检验1.目的和围1.1 目的规一次性使用医用口罩的原材料进货检验操作 , 确保原材料符合规定要求 , 保证产品质量。
1.2 围适用于本公司一次性使用医用口罩产品的原材料进货检验。
2.工作程序2.1 原材料进厂后应放原材料仓库待检区 , 由仓库填写请检单 , 送交质量部 , 质量部收到请检单后派员到现场进行检验或取样。
2.2 质量部收集产品质量证明书。
3检验项目、要求、方法及抽样方案3.1 非织造布3.1.1 外观质量项目单位标准检验方法破洞个 /100m2不允许2不允许疵>100mm处/(100m ×2≤20外点1mm~100mm0.18m)22≤400.5mm观~1mm卷边不齐m/100m≤10目测疵边不良cm/100m≤30点明显折痕cm/100m≤100油渍、污渍、浆斑、虫迹/不允许异色纤维/不允许幅宽偏差率%-2.5 ~+1.5卷尺 , 游标卡尺拼接次数次 /1000m2目测克重注 1: 异色纤维指与主体原料颜色有差异的纤维。
注 2: 拼接最短长度不小于 200m。
抽样数量 : 每二十卷抽检一卷3.1.2 理化性能项目标准检验方法单位面积质量偏差率 /%7.0~+7.0验证质量报告纵向≥17.0验证质量报告断裂强力 /N≥3.0横向荧光无标准光源对色灯箱抽样数量 : 荧光 : 每二十卷抽检一卷 , 每卷抽取 5 块。
3.1.3 徼生物细菌菌落总数 大肠菌群致病性化脓菌真菌菌落总数 CFU/g 或 CFU/mLCFU/g 或 CFU/mL≤200不得检出不得检出不得检出注 : 致病性化脓菌指绿脓杄菌、金黄色葡萄球菌与溶血性链球菌。
每批委外送检一次。
3.2 鼻夹项目 标准 检验方法 外观 白色、无味、无裂缝 目测强度 反复折叠 10 次不断裂 仿使用动作抽样数量 : 每十卷抽检一卷 , 每卷抽取 3 根做强度测试。
3.3 口罩带项目 标准 检验方法 外观 白色无味、周边无毛边 目测断裂强度 断裂强力应不小于 10N 砝码抽样数量 : 每十卷抽检一卷 , 每卷抽取 3 根做断裂强度测试。
一次性使用医用口罩成品检验规范
1.目的
规范一次性使用医用口罩产品岀厂前检验项目、检验内容与要求、检验方法、抽样方案判定准则及检验记录的要求,桷保出厂成品符合注册标准要求。
2.范围
适用于本公司一次性使用医用口罩成品出厂前检验。
3.检验依据
3.1一次性使用医用口罩技术要求
4.检测项目、质量要求、检验方法
检测包括出厂检验和型式检验。
出厂检验项目项目:
4.1外观、
4.2结构与尺寸、
4.3鼻夹、
4.4口罩带、
4.5细菌过滤效率(BFE)
4.6 通气阻力
4.7微生物指标。
其中4.7为委托第三方检测项目,每批原材料送检一次。
型式检验应为产品标准的全性能检验。
4.1外观
4.1.1口罩外观应整洁、形状完好,表面不得有破损、污渍。
4.1.2口罩的超声波复合应均匀、平直、牢固、无明显皱折。
4.1.3口罩超声波复合处粘合应牢固。
检验方法:随机抽取3个样品进行试验。
目视检查,结果应符合要求。
4.2结构与尺寸
口罩佩戴好后,应能罩住佩戴者的口、鼻至下颌。
应符合表1的规定尺寸,最大偏差应不超过士5%
表1口罩规格型号和基本尺寸单位:mm。
医用口罩检验规程1目的建立口罩检验规程,明确口罩产品的检验依据和检验方法,以确保检验员能正确理解口罩的检验标准及有效的执行检验、测试工作。
2范围适用于公司所有医用口罩的生产检验、测试。
3参考资料GB2626-2019 呼吸防护用品自吸过滤式防颗粒物呼吸器GB/T 32610-2016 日常防护型口罩技术规范GB19083-2010 医用防护口罩技术要求YY0469-2011 医用外科口罩YY/T0969-2013 一次性使用医用口罩4职责品质部:负责制订/修订/执行本文件。
5检验规程5.1外观检查5.1.1 外观缺陷等级判定标准5.1.1.1致命缺陷(CRI)口罩所使用的材料中不得有非设计要求的金属物质镶入、锐利凸起或对使用者构成危险的其它情况。
5.1.1.2主要缺陷(Maj)a)口罩的形状结构应完整并符合设计要求不得有缺少部件现象,不得有破洞(穿孔)、拉裂、滑脱现象,不得有非材质气味,整个口罩主体不允许有昆虫躯体和毛发。
b)口罩超声线均匀整齐,纹路应符合图纸要求,不允许出现穿孔。
c)口罩带(耳带)不允许有缺口、断带、纱线滑脱现象。
口罩带正反面使用正确,焊接位置准确,与口罩连接的端点应在超声压痕范围内。
d)鼻夹规格应符合图面要求,植入的硬材质鼻夹位置应正确,无锐利凸起。
软材质鼻夹粘贴位置应在规定的范围,用手翻动应不出现脱落现象。
e)呼气阀超声位置符合图面要求,超声牢固,偏位应控制在5mm以内。
带印刷LOGO的呼气阀超声后LOGO的方向应符合图面要求,倾斜的角度应在15度以内。
f)调节扣(耳扣)应规格正确、结构完整并按照图纸要求安装于口罩带上,不得漏装.g)移印、丝印不得有漏印、模糊不清/断线、错位现象;印刷位置、颜色与样板一致。
5.1.1.3次要缺陷(Min)a)口罩主体表面应整洁。
尘点(含异色点)面积应在0.3mm2以内,同一个口罩上允许有3处缺陷,但距离需大于50mm。
b)口罩裁切边缘应整齐,左右对称,超声线与边缘的距离应控制在2.5mm~3.5mm之间,中缝熔合线与边缘的距离应控制在0.5mm~2 mm之间(或按照客户要求)。
1.目的:建立一次性使用医用口罩成品检测操作规程,规范操作。
2.范围:适用于质量部、化验室对一次性使用医用口罩成品的质量检测。
3.责任人:QC人员。
4.规程:4.1 外观:随机抽取样品3个,在自然光线明亮处,正视目测:口罩应整洁、形状完好,表面无污迹、无破损。
4.2 结构与尺寸:4.2.1随机抽取样品3个,实际佩戴,口罩佩戴好后,应能罩住佩戴者的口、鼻至下颌。
4.2.2取下口罩,用不锈钢直尺或游标卡尺测量口罩长度和宽度,应符合设计的尺寸:长度及允差17.5cm±0.8cm,宽度及允差9.5cm±0.4cm;4.3 鼻夹:4.3.1随机抽取样品3个,在自然光线明亮处,正视目测,对所取样品逐一检查,确认口罩上是否配有鼻夹,并用手试弯折鼻夹确认是否由可弯折的可塑性材料制造。
4.3.2随机抽取样品3个,用不锈钢直尺或游标卡尺测量鼻夹长度应不小于8cm。
4.4 口罩带:4.4.1随机抽取样品3个进行试验,实际佩戴检查其调节情况,口罩带应戴取方便。
4.4.2随机抽取样品3个进行,用拉力测试仪以10N以上静拉力持续5秒检测,每根口罩带与口罩体连接点处的断裂强力应不小于10N。
4.5 微生物指标:4.5.1.产品采集与样品处理于同一批号的三个运输包装中至少抽取12个最小销售包装样品,1/4样品用于检测,1/4样品用于留样,另1/2样品(可就地封存)必要时用于复检。
抽样的最小销售包装不应有破裂,检验前不得启开。
在100级净化条件下用无菌方法打开用于检测的至少3个包装,从每个包装中取样,准确称取10 g±1g样品,剪碎后加入到200 mL灭菌生理盐水中,充分混匀,得到一个生理盐水样液。
液体产品用原液直接做样液。
如被检样品含有大量吸水树脂材料而导致不能吸出足够样液时,稀释液量可按每次50mL递增,直到能吸出足够测试用样液。
在计算细菌菌落总数与真菌菌落总数时应调整稀释度。
4.5.2 细菌菌落总数与初始污染菌检测方法本方法适用于产品初始污染菌与细菌菌落总数(以下统称为细菌菌落总数)检测。
文件制修订记录
1.0目的
为加强质量控制,规范指导检验过程,制定本规程。
2.0适用范围
适用于一次性医用口罩产品初包装纸盒的质量检验,评价其质量水平。
3.0职责
质量部
4.0要求
4.1外观
无肉眼可见污渍,破损。
粘结位置牢固无松动,标识文字和图示清晰。
4.2尺寸
长为(XX-XX)cm,宽为(XX-XX)cm,高为(XX-XX)cm。
5.0检验方法
5.1外观
目视观察,应符合要求。
5.2尺寸
取通用量具测量,应符合要求。
6.0检验类型和抽样水平
6.1检验分为型式检验和入厂检验。
6.2型式检验所有项目为4.1和4.2。
6.3入厂检验项目为4.1、4.2。
6.4抽样水平
6.4.1型式检验选择一次性抽样,判别水平为I,4.1/4.2RQL为20。
6.4.2入厂检验选择一次性抽样,抽样水平为I, 4.1、4.2AQL为6.5。
7.0包装、储存要求
7.1XX个/包,包装为双层包装。
7.2储存在阴凉位置。
8.0有效期
有效期为2年。
1.目的规范口罩检验过程,确保一次性使用医用口罩的成品符合产品标准要求。
2.范围适用于一次性使用医用口罩成品的检验。
3.责任3.1.检验员负责一次性使用医用口罩成品检验,并作好检验记录。
3.2.QA负责检验全过程的监督。
4.内容4.1.要求:医用口罩系列需经质保部进行检验,合格后方可出厂,并附出厂检验报告。
4.2.检验方式:医用口罩系列检验分逐批检验和型式检验。
4.2.1.逐批检验:凡提出交货的医用口罩均应进行逐批检验。
4.2.2.转移规则:对初次检验不合格的再提交检验批,一般只检验导致拒收的试验项,并采用加严检查。
在修正缺陷时,若影响到其他试验项目,再检查哪些项目,由质保部和技术部共同商定。
4.2.3.型式检验:在下列情况之一时,应进行型式检验a)新产品投产前(包括老产品转厂生产);b)间隔一年在生产时;c)在设计、设备、工艺、材料有重大改动时;d)正常生产时,定期或积累到一定产量后;e)出厂检验结果与上次型式检验有较大的差异时;f)质量监督部门对产品质量进行监督抽查时。
4.3.医用口罩在下列情况之一下应进行生物学评价(委托第三方检测)。
评价要求:医用口罩细胞内毒性应不大于I级,应无致敏、皮肤刺激。
A.制造产品所用材料或技术改变时;B.产品配方、工艺重大改变时;C.贮存期间最终产品发生变化时;D.产品用途改变时;E.有迹象表明产品用于人体会产生不良作用时。
4.4.检验项目:4.5.检测方法4.5.1.根据GB/T2828.1标准中检验水平S-3进行抽样,用于以下检测项目的检查:A.包装:目视检查,应4.4符序号1的要求。
B.标签:目视检查,应符合4.4序号2的要求。
C.外观:目视检查,应符合4.4序号3的要求。
4.5.2.结构与尺寸:取3个样品,实际佩戴,用直尺进行测量,应符合4.4序号4的要求。
4.5.3.鼻夹:取6个样品检查鼻夹材质并手试弯折,取出鼻夹用直尺进出测量,应符合4.4序号5的要求。
一次性使用医用口罩成品检验规程1.目的规范一次性使用医用口罩的检验操作,确保检验结果正确、可靠。
2.范围适用于本公司一次性使用医用口罩的成品检验。
3.引用标准GB/T14233.1—1998 医用输液、输血、注射器具检验方法第1部分:化学分析方法GB/T14233.2—2005 医用输液、输血、注射器具检验方法第2部分:生物学试验方法GB/T16886.10—2005 医疗器械生物学评价第10部分:刺激与迟发型超敏反应试验GB18279 医疗器械环氧乙烷灭菌确认和常规控制GB 15979-2002 一次性使用卫生用品卫生标准YY0469—2011 医用外科口罩YY/T 0969-2013 一次性使用医用口4.定义和抽样4.1定义4.1.1生产批:同一工艺条件下,一段时间内连续生产的具有同一性质和质量的产品。
4.1.2检验批:按生产批检验。
4.2抽样方法按YY 0469-2011中规定进行抽样检验。
5.技术要求:5.1 外观口罩外观应整洁、形状完好,表面不得有破损、污渍。
5.2 结构与尺寸口罩佩戴好后,应能罩住佩戴者的口、鼻至下颌。
成品口罩的长度为175mm,宽度为95mm,最大偏差应不超过5%。
5.3鼻夹5.3.1 口罩上应配有鼻夹,鼻夹由可塑性材料制成。
5.3.2 鼻夹长度应不小于8.0cm5.4 口罩带5.4.1 口罩带应戴取方便。
5.4.2 每根口罩带与口罩体连接点处的断裂强力应不小于10N。
5.5 细菌过滤效率(BFE)口罩的细菌过滤效率应不小于95%。
5.6 通气阻力口罩两侧面进行气体交换的通气阻力应不大于49Pa/cm²。
5.7 微生物指标非灭菌口罩应符合表 1 的要求。
表 1 口罩微生物指标5.7 包装性能5.7.1 包装应完好,应无外来物质;无开封或密封不完整;无湿气、水分或水印。
6成品检验规则6.1出厂检验一次性使用医用口罩产品应经生产厂品管部门逐批检验合格并经管代批准,方可出厂。
一次性使用医用口罩IQC、IPQC、FQC及OQC
检验规范
IQC进料检验规范
1.目的和范围
1.1目的
规范一次性使用医用口罩的原材料进货检验操作,确保原材料符合规定要求,保证产品质量。
1.2范围
适用于本公司一次性使用医用口罩产品的原材料进货检验。
2.工作程序
2.1原材料进厂后应放原材料仓库待检区,由仓库填写请检单,送交质量部,质量部收到请检单后派员到现场进行检验或取样。
2.2质量部收集产品质量证明书。
3检验项目、要求、方法及抽样方案
3.1熔喷布
3.1.1外观质量
3.1.2理化性能。
一次性使用医用口罩检验操作规程-CAL-FENGHAI-(2020YEAR-YICAI)_JINGBIAN一次性使用医用口罩成品检验操作规程1.目的建立一次性使用医用口罩成品检验操作规程,以适应我公司生产要求。
2.职责质量部负责制定、修改;质量部、生产技术部负责执行。
3.范围适用于我公司一次性使用医用口罩的检验、判定和使用。
4.程序一次性使用医用口罩规格型号外观操作方法:随机抽取3个样品进行试验,目视检查,产品外观应符合标准规定。
标准规定:见指标。
结构与尺寸检验器具钢直尺操作方法:随机抽取3个样品进行试验,实际佩戴,并以钢直尺进行测量,结果应符合标准规定。
标准规定:见指标鼻夹检验器具钢直尺操作方法:随机抽取3个样品进行试验,检查鼻夹材质并手试弯折,应符合标准规定。
随机抽取3个样品进行试验,取出鼻夹,以钢直尺进行测量,测量结果应符合标准规定。
标准规定:见指标口罩带检验设备拉力计操作方法:随机抽取3个样品进行试验,通过佩戴检查其调节情况,应符合标准规定。
随机抽取3个样品进行试验,以10N的静拉力进行测量,持续5s,结果应符合标准规定。
标准规定:见指标微生物指标产品采集与样品处理于同一批号的二个运输包装中至少抽取 3个最小销售包装样品,抽样的最小销售包装不应有破裂,检验前不得启开。
在100级净化条件下用无菌方法打开用于检测的至少3 个包装,从每个包装中取样,准确称取l0 g土1g 样品。
剪碎后加人到200 m l 灭菌生理盐水中,充分混匀,得到一个生理盐水样液。
在计算细菌菌落总数时相应调整稀释度。
细菌菌落总数操作步骤待上述生理盐水样液自然沉降后取上清液作菌落计数。
共接种5个平皿,每个平皿中加入1 ml样液,然后用冷却至45 ℃左右的熔化的营养琼脂培养基15 ~20 ml 倒入每个平皿内混合均匀,待琼脂凝固后翻转平皿置35 ℃士2℃培养48 h 后,计算平板上的菌落数。
结果报告菌落呈片状生长的平板不宜采用;计数符合要求的平板上的菌落,按式(Bl)计算结果:X=A╳式中:X:细菌菌落总数 cfu /gA: 5 块营养琼脂培养基平板上的细菌菌落总数K: 稀释度当菌落数在100 以内,按实有数报告,如果样品菌落总数超过本标准的规定,则判定被检样品不合格。
一次性使用医用口罩成品检验操作规程
1.目的
建立一次性使用医用口罩成品检验操作规程,以适应我公司生产要求。
2.职责
质量部负责制定、修改;质量部、生产技术部负责执行。
3.范围
适用于我公司一次性使用医用口罩的检验、判定和使用。
4.程序
4.2一次性使用医用口罩规格型号
4.3外观
4.3.1操作方法:随机抽取3个样品进行试验,目视检查,产品外观应符合标准规定。
4.3.2标准规定:见4.1指标。
4.4结构与尺寸
4.4.1检验器具钢直尺
4.4.2操作方法:随机抽取3个样品进行试验,实际佩戴,并以钢直尺进行测量,结果应符合标准规定。
4.4.3标准规定:见4.1指标
4.5鼻夹
4.5.1检验器具钢直尺
4.5.2操作方法:
4.5.2.1随机抽取3个样品进行试验,检查鼻夹材质并手试弯折,应符合标准规定。
4.5.2.2随机抽取3个样品进行试验,取出鼻夹,以钢直尺进行测量,测量结果应符合标准规定。
4.5.3标准规定:见4.1指标
4.6口罩带
4.6.1检验设备拉力计
4.6.2操作方法:
4.6.2.1随机抽取3个样品进行试验,通过佩戴检查其调节情况,应符合标准规定。
4.6.2.2随机抽取3个样品进行试验,以10N的静拉力进行测量,持续5s,结果应符合标准规定。
4.6.3标准规定:见4.1指标
4.7微生物指标
4.7.1 产品采集与样品处理
于同一批号的二个运输包装中至少抽取 3个最小销售包装样品,抽样的最小销售包装不应有破裂,检验前不得启开。
在100级净化条件下用无菌方法打开用于检测的至少 3 个包装,从每个包装中取样,准确称取l0 g土1g 样品。
剪碎后加人到200 m l 灭菌生理盐水中,充分混匀,得到一个生理盐水样液。
在计算细菌菌落总数时相应调整稀释度。
4.7.2 细菌菌落总数
4.7.2.1操作步骤
待上述生理盐水样液自然沉降后取上清液作菌落计数。
共接种5个平皿,每个平皿中加入1 ml样液,然后用冷却至45 ℃左右的熔化的营养琼脂培养基15 ~20 ml 倒入每个平皿内混合均匀,待琼脂凝固后翻转平皿置35 ℃士2℃培养48 h 后,计算平板上的菌落数。
4.4.2.2结果报告
菌落呈片状生长的平板不宜采用;计数符合要求的平板上的菌落,按式(Bl)计算结果:
X=A╳K
5
式中:X:细菌菌落总数 cfu /g
A: 5 块营养琼脂培养基平板上的细菌菌落总数
K: 稀释度
当菌落数在100 以内,按实有数报告,如果样品菌落总数超过本标准的规定,则判定被检样品不合格。
4.7.3大肠菌群检测方法
4.7.3.1 操作步骤
取样液 5 ml 接种 50 ml乳糖胆盐发酵管,置35℃士2 ℃培养 24 h,如不产酸也不产气,则报告为大肠菌群阴性。
如产酸产气,则划线接种伊红美蓝琼脂平板,置35℃士2℃培养18~24h,观察平板上菌落形态。
典型大肠菌落为黑紫色或红紫色,圆形,边缘整齐,表面光滑湿润,常具有金属光泽,也有的呈紫黑色,不带或略带金属光泽,或粉红色,中心较深的菌落。
取疑似菌落1-2个作革兰氏染色镜检,同时接种乳糖发醉管,置35℃士2℃培养24 h,观察产气情况。
4.7.3.2 结果报告
凡乳糖胆盐发酵管产酸产气,乳糖发酵管产酸产气,在伊红美蓝平板上有典型大肠菌落,革兰氏染色为阴性无芽胞杆菌,可报告被检样品检出大肠杆菌。
4.7.4 绿脓杆菌检测方法
4.7.4.1 操作步骤
取样液 5 ml ,加入到50 ml SCDLP培养液中,充分混匀,置35℃士2℃培养18 ~ 24 h。
如培养液表面呈现一层薄菌膜且培养液呈黄绿色或蓝绿色,则报告为有绿脓杆菌生长,反之则报告为无绿脓杆菌生长。
从培养液的薄菌膜处挑取培养物,划线接种十六烷三甲基漠化按琼脂平板,置 35℃士2℃培养18 ~24 h ,观察菌落特征。
绿脓杆菌在此培养基上生长良好,菌落扁平,边缘不整,菌落周围培养基略带粉红色,其他菌不长。
取可疑菌落涂片作革兰氏染色,镜检为革兰氏阴性菌者应进行下列试验:
氧化酶试验取一小块洁净的白色滤纸片放在灭菌平皿内,用无菌玻棒挑取可疑菌落涂在滤纸片上,然后在其上滴加一滴新配制的 1% 二甲基对苯二胺试液,30s 内出现粉红色或紫红色,为氧化酶试验阳性.不变色者为阴性。
4.7.4.2 结果报告
被检样品经增菌分离培养后,证实为革兰氏阴性杆菌,氧化酶试验为阳性者,即可报告被检样品中检出绿
脓杆菌。
4.7.5金黄色葡萄球菌检测方法
4.7.
5.1 操作步骤
取样液5 ml ,加入到50 ml SCDLP 培养液中,充分混匀,置 35士2℃培养 24 h,
自上述增菌液中取1~2接种环,划线接种在血琼脂培养基上,置35 士2 ℃培养24~48 h。
在血琼脂平板上该菌菌落呈金黄色,大而突起,圆形,不透明,表面光滑,周围有溶血圈。
挑取典型菌落,涂片作革兰氏染色镜检,金黄色葡萄球菌为革兰氏阳性球菌,排列成葡萄状,无芽胞与荚膜。
镜检符合上述情况,应进行下列试验:
甘露醇发酵试验:取上述菌落接种甘露醇培养液,置 35士2℃培养 24 h ,发酵甘露醇产酸,培养液由蓝色变成了黄色,产酸者为阳性。
4.7.
5.2 结果报告
凡在琼脂平板上有可疑菌落生长,镜检为革兰氏阳性葡萄球菌,并能发酵甘露醇产酸可报告被检样品检出金黄色葡萄球菌。
4.7.6溶血性链球菌检测方法
4.7.6.1 操作步骤
取样液5 ml 加入到50 ml 葡萄糖肉汤,35℃士2℃培养24 h,
将培养物划线接种血琼脂平板,35℃士2℃培养24 h 观察菌落特征。
溶血性链球菌在血平板上为灰白色,半透明或不透明,针尖状突起,表面光滑,边缘整齐,周围有无色透明溶血圈。
挑取典型菌落作涂片革兰氏染色镜检,应为革兰氏阳性,呈链状排列的球菌。
4.7.6.2 结果报告
镜检革兰氏阳性链状排列球菌,血平板上呈现溶血圈,可报告被检样品检出溶血性链球菌。
4.7.7真菌定性检测方法
4.7.7.1操作步骤
取样液5 ml加入到50ml沙氏液体培养基中,25℃士2℃培养 7 天,逐日观察有无真菌生长。
4.7.7.2 结果报告
培养管混浊应转种沙氏琼脂培养基,若有菌生长,则可报告被检样品检出真菌;反之可报告未检出真菌。
5.引用文件
YY/T 0969-2013 《一次性使用医用口罩》。