初级制冷考试试题
- 格式:doc
- 大小:19.00 KB
- 文档页数:3
技能认证制冷工初级考试(习题卷9)第1部分:单项选择题,共74题,每题只有一个正确答案,多选或少选均不得分。
1.[单选题]无霜冰箱的化霜加热器的功率一般为( )W。
A)1.2B)12C)120D)1200答案:C解析:2.[单选题]不属于造成蒸发温度过低的原因是( )。
A)制冷剂不足B)制冷剂过多C)蒸发器结霜太厚D)干燥过滤器堵塞答案:B解析:3.[单选题]停机过程中要注意主电机有无( )现象,以免造成事故。
A)反转B)过热C)减速D)加速答案:A解析:4.[单选题]离心式制冷压缩机润滑油油温应保持在( )℃。
A)50-60B)20-40C)30-70D)35-65答案:A解析:5.[单选题]职业道德与社会( )紧密联系,各行各业都有适合自身行业特点的职业道德规范A)职业分工B)分配功效C)秩序好坏D)意识形态答案:A解析:6.[单选题]手动工具钳用于连接直径( )mm以下的管路,不需要机械动力就能完成装配,钳口易于更换D)13答案:D解析:7.[单选题]设备完好率,企业在实际使用中,可以只计算比较重要的设备,一般多以复杂系数不小于( )为界限。
A)1B)2C)5D)10答案:C解析:8.[单选题]由于爆破片泄放面积可以根据工艺要求事先确定,故能达到( )的情况。
A)泄压速度快,泄放量小B)泄压速度快,泄放量大C)泄压速度慢,泄放量小D)泄放速度慢,泄放量大答案:B解析:9.[单选题]滴油润滑是利用油的自重一滴一滴地向摩擦部位滴油进行润滑,这种润滑方法对摩擦表面供油量是( )。
A)有限制B)可调节C)有限制不可调节D)有限制并可调节答案:D解析:10.[单选题]氨制冷压缩机收氨时高压罐收氨不得超过容积的( )。
A)80%B)70%C)60%D)50%答案:A解析:11.[单选题]电熔熔接是通过对预埋于电熔管件内表面的( )的通电而使其加热,从而达到熔接目的A)继电器B)电热丝C)电阻器D)保险丝答案:B解析:12.[单选题]离心式机组停机时,润滑油泵和密封油泵必须维持运转,直到压缩机机壳出口端温度降到( )℃以下。
技能认证制冷工初级考试(习题卷3)第1部分:单项选择题,共74题,每题只有一个正确答案,多选或少选均不得分。
1.[单选题]紧急泄氨器的作用是,当发生火警或其它意外事故时,自贮氨器和( )将整个制冷系统中的氨液经本器排出。
A)冷凝器B)油分离器C)油冷却器D)蒸发器答案:D解析:2.[单选题]职业道德行为与( )活动紧密相连,与内心世界息息相关,对他人和社会影响重大。
A)经营B)体育C)职业D)思想答案:C解析:3.[单选题]用( )切削工件外螺纹的方法叫套螺纹A)丝锥B)板牙C)锉刀D)锯条答案:B解析:4.[单选题]洛克环连接钳口适用于复合环装配,钳口适合用于( )的手动工具钳口A)铝管B)铜管C)所有D)部分答案:C解析:5.[单选题]造成螺杆式制冷压缩机的制冷能力不足的原因是( )。
A)滑阀不在正确位置B)油压不高C)吸入过热气体D)内部泄漏答案:A解析:C)出液阀D)油压调节阀答案:D解析:7.[单选题]化霜定时器A、C线端可以通过( )来进行检测判断。
A)电压表B)万用表C)电流表D)功率表答案:B解析:8.[单选题]制冷辅助设备按使用情况可分为( )。
A)高压、低压B)高压、中压C)中压、低压D)高压、中压、低压答案:D解析:9.[单选题]中间冷却器的气管直插入器内的中央,延伸至液面以下,液面高度通过自动控制器和( )控制。
A)截止阀B)止回阀C)浮球阀D)节流阀答案:C解析:10.[单选题]职业道德的核心思想是所有的( )要以为人民服务为核心A)私立活动B)外交活动C)娱乐活动D)职业活动答案:D解析:11.[单选题]用指针式万用表测一冰箱启动电容,发现正反测量指针都指零,则该电容( )。
A)正常B)开路C)击穿D)漏电答案:C解析:12.[单选题]华氏温标与摄氏温标的转换公式为°F = ( )。
A)℃ × 1.6 + 32B)℃ × 1.6 - 32解析:13.[单选题]制冷剂贮罐的存放温度不应超过( )℃。
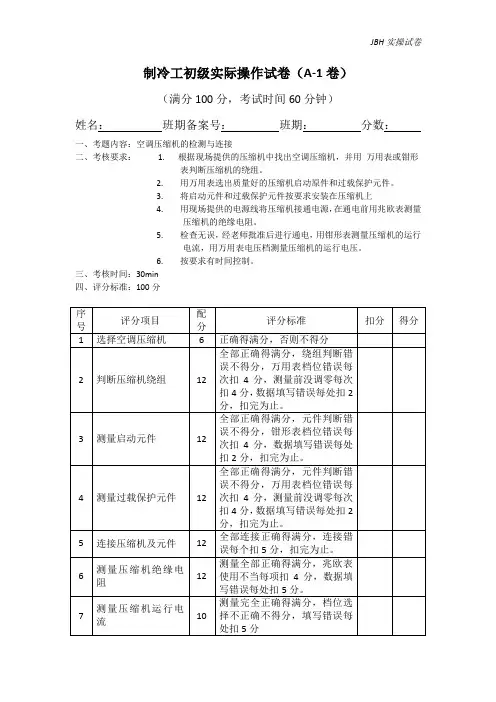
制冷工初级实际操作试卷(A-1卷)
(满分100分,考试时间60分钟)
姓名:班期备案号:班期:分数:
一、考题内容:空调压缩机的检测与连接
二、考核要求: 1. 根据现场提供的压缩机中找出空调压缩机,并用万用表或钳形
表判断压缩机的绕组。
2.用万用表选出质量好的压缩机启动原件和过载保护元件。
3.将启动元件和过载保护元件按要求安装在压缩机上
4.用现场提供的电源线将压缩机接通电源,在通电前用兆欧表测量
压缩机的绝缘电阻。
5.检查无误,经老师批准后进行通电,用钳形表测量压缩机的运行
电流,用万用表电压档测量压缩机的运行电压。
6.按要求有时间控制。
三、考核时间:30min
四、评分标准:100分
1、启动元件测量数据:(用钳形表测量压缩机启动电容)钳形表档位读数测量结果
2、过载保护元件测量数据:
钳形表档位读数测量结果
3、压缩机绕组判断测量数据:
R1-R2= R1-R3=
R2-R3=
结论:1为端;2为端;3为端4、绝缘电阻阻值测量:(三端绝缘)
1端;2端;3端
5、压缩机运行电流:
钳形表量程,运行电流
6、压缩机运行电压:
万用表量程;运行电压。
制冷试题及答案一、选择题(每题2分,共20分)1. 制冷循环中,制冷剂在压缩机中的状态变化是:A. 从液态变为气态B. 从气态变为液态C. 从气态压缩至高压气态D. 从液态压缩至高压液态2. 在制冷系统中,冷凝器的主要作用是:A. 将制冷剂从气态变为液态B. 将制冷剂从液态变为气态C. 将制冷剂从高压气态变为低压气态D. 将制冷剂从低压液态变为高压液态3. 下列哪种物质不属于常用的制冷剂?A. 氨B. 氟利昂C. 二氧化碳D. 水4. 制冷系统中的膨胀阀主要作用是:A. 降低制冷剂温度B. 降低制冷剂压力C. 增加制冷剂流量D. 减少制冷剂流量5. 制冷量是指:A. 制冷系统每小时消耗的电能B. 制冷系统每小时移走的热量C. 制冷系统每小时产生的冷量D. 制冷系统每小时输出的功率二、填空题(每空2分,共20分)6. 制冷剂在蒸发器中吸收热量,实现________。
7. 制冷循环的四个基本过程包括压缩、冷凝、________和膨胀。
8. 制冷系统中的________是将制冷剂从低压气态变为高压气态的设备。
9. 制冷剂的热力性质中,________是制冷剂在蒸发器中吸收热量的能力。
10. 制冷系统中的________是将制冷剂从高压液态变为低压液态的设备。
三、简答题(每题15分,共30分)11. 简述制冷循环的工作原理,并说明各部件的作用。
12. 描述制冷系统中蒸发器和冷凝器的工作原理及其重要性。
四、计算题(每题15分,共30分)13. 假设一个制冷系统,其压缩机的功率为10kW,制冷剂在蒸发器中吸收的热量为60kJ/kg。
如果制冷剂的流量为2kg/s,计算该制冷系统的制冷量。
14. 给定一个制冷系统,其冷凝器的出口温度为40℃,蒸发器的进口温度为-10℃,制冷剂为R134a。
如果系统的制冷量为100kW,计算该系统的COP(制冷系数)。
答案一、选择题1. C2. A3. D4. B5. B二、填空题6. 制冷剂在蒸发器中吸收热量,实现制冷效果。
技能认证制冷工初级考试(习题卷11)说明:答案和解析在试卷最后第1部分:单项选择题,共74题,每题只有一个正确答案,多选或少选均不得分。
1.[单选题]电冰箱压缩电机主绕组阻值( )副绕组阻值。
A)大于B)小于C)无法确定D)等于2.[单选题]无霜间冷冰箱的冷藏室门开关与( )串联。
A)照明灯B)压缩电机C)化霜加热器D)温控开关3.[单选题]制冷剂R7**,其中**表示( )。
A)分子式B)制冷剂种类C)组分数量D)相对分子质量的整数部分4.[单选题]电气工作人员在电压等级小于等于10KV的设备上进行工作时,正常活动范围的距离小于( )m安全距离时必须停电。
A)0.35B)0.7C)1.5D)2.55.[单选题]制冷系统中单向阀的作用是阻止( )逆向流动。
A)润滑油B)制冷工质C)氯化钠D)氯化钙6.[单选题]电子式温控器的感温元件为负温度系数的( )A)热敏电阻B)湿敏电阻C)压敏电阻D)光敏电阻B)功率传感器C)霍尔传感器D)超声波传感器8.[单选题]兆欧表的额定转速为( )r/min。
A)50B)80C)120D)1509.[单选题]气体测爆仪测定的是可燃气体的( )A)爆炸下限B)爆炸上限C)爆炸极限范围D)浓度10.[单选题]JC-3.5型压差保护继电器的延时时间是( )秒A)10B)20C)40D)6011.[单选题]( )是设备与设备、元件与元件、导线与导线间的连接标记。
A)接线方式B)图形符号C)回路线号D)编码代号12.[单选题]制冷系统内存在一些气体,在制冷剂冷凝温度和压力下不会凝结,被称为( )。
A)不凝性气体B)蒸发机构C)冷凝机构D)节流机构13.[单选题]用指针式万用表测一冰箱启动电容,发现指针先向右摆动,然后再向左缓慢返回至某一标度值,则该电容( )。
A)正常B)开路C)击穿D)漏电14.[单选题]理想状况下进入蒸发器的制冷剂为( )。
A)液态B)气态C)气液混合D)固态15.[单选题]湿空气的等焓减湿过程中,利用( )吸湿剂干燥空气,空气中的水气被吸附,含湿量降低16.[单选题]制冷剂蒸气的热量通过( )的传热表面传给周围介质,制冷剂被冷凝成液体。
空调初级制冷操作证理论考试试题及答案试题1一、单项选择题(50题,每题1分,共50分)1.窗式空调安装离地面高度须大于(A)oA、0.75mB、0.55mC、0.35mD、0.15m2.交流接触器有(C)保护。
A、过载B、过压C、失压D、短路3.当需要对全封闭式制冷压缩机作剖壳修理时,首先应锯(D)。
A、高压管B、低压管C、充氟管D、压缩机上盖4.(B)属于保护电路类A、组合开关B、热继电器C、中间维电器D、时间继电器5.利用水的蒸发来吸收热量使制冷剂蒸发冷凝的冷凝器称为(C)。
A、水冷式B、空冷式C、蒸发式D、淋浴式I6.水和盐都可以作(B),但是一个只能用0P以上,一个通常用于0P以下。
A、制冷剂B、载冷剂C、吸收剂D、冷却剂7.房间空调器和家用电冰箱一般停机后(D)oA、可以马上B、要八分钟C、要十分钟D、要三分钟8.空气的去湿量要用(C)差来计算。
A、相对湿度B、含湿量C、干湿球温度D、绝对湿度9.在估算空调房间所需冷量时,除考虑面积大小和用途外,还要着重考虑房间的(C)。
A、通风情况B、层高C、照明情况D、朝向10.每一台窗式空调器除有制冷系统和电控系统外,还有(A)系统,这是其基本配置。
A、通风B、加热c、加湿D、去湿11.制冷剂在单级压缩循环过程中,在(B)中沸腾。
A、冷凝器B、蒸发器C、干燥过滤器D、毛细管12.如图所示该线路为(B )式。
A、阳抗分相B、电容启动C、电容运转D、电容启动运转13.物体不断吸收热量,而物体温度不发生变化,仅使物质的集态发生变化(B)oA、吸热B、潜热C、放热D、显热14.家用冰箱压缩机a、b、c三个接线桩,测得ab间电阻50、be间80、ca间30,则(D)。
A、c为公共端、b为启动端B、b为公共端、c为启动端C、c为公共端、a为启动端D、b为启动端,a为公共端15.如图所示,该管处于(D)状态A、放大B、截止C、死区D、饱和16.当保持制冷循环中冷凝温度不变,提高蒸发温度可以(B )oA、减少制冷量B、提高制冷量C、制冷量不变D、情况难以确定17.为了防止液击事故发生,要使进入压缩机的制冷蒸气(B)。
制冷操作证考试题库单选题100道及答案解析1. 制冷系统中的节流机构的作用是()A. 降压B. 控制流量C. 降压和调节流量D. 升压答案:C解析:节流机构的主要作用是对制冷剂进行降压,并调节进入蒸发器的制冷剂流量。
2. 氟利昂制冷剂中,对大气层中的臭氧层起破坏作用的是()A. R12B. R22C. R134aD. R11答案:D解析:R11 等氟利昂制冷剂会破坏臭氧层。
3. 下列制冷剂中,()属于非共沸混合物。
A. R134aB. R22C. R407cD. R502答案:C解析:R407c 是非共沸混合物制冷剂。
4. 制冷压缩机的主要作用是()A. 压缩气体B. 输送气体C. 提升压力D. 提高温度答案:C解析:制冷压缩机的主要作用是提升制冷剂的压力。
5. 制冷系统中,油分离器安装在()之间。
A. 蒸发器和压缩机B. 压缩机和冷凝器C. 冷凝器和膨胀阀D. 膨胀阀和蒸发器答案:B解析:油分离器通常安装在压缩机和冷凝器之间,以分离压缩机排出气体中的润滑油。
6. 热力膨胀阀的感温包应安装在()A. 蒸发器出口B. 蒸发器进口C. 冷凝器出口D. 冷凝器进口答案:A解析:感温包通常安装在蒸发器出口,以便准确感知蒸发器出口的过热度。
7. 氨制冷系统中,不能使用()材料的阀门。
A. 铜B. 钢C. 铸铁D. 铝答案:A解析:氨会与铜发生化学反应,所以氨制冷系统不能使用铜材料的阀门。
8. 制冷系统中,干燥过滤器的主要作用是()A. 过滤杂质B. 吸收水分C. 过滤杂质和吸收水分D. 除油答案:C解析:干燥过滤器能过滤制冷剂中的杂质,并吸收其中的水分。
9. 水冷式冷凝器中的水是()A. 制冷剂B. 冷却剂C. 载冷剂D. 吸收剂答案:B解析:水冷式冷凝器中的水是用来冷却制冷剂的,属于冷却剂。
10. 蒸发器中的制冷剂是()状态。
A. 饱和液体B. 饱和蒸汽C. 过热蒸汽D. 过冷液体答案:B解析:蒸发器中制冷剂吸热蒸发,通常为饱和蒸汽状态。
初级制冷考试试题(总2页)--本页仅作为文档封面,使用时请直接删除即可----内页可以根据需求调整合适字体及大小--初级制冷考试试题一填空题30分(每空一分)1、压缩机的排气温度不应超过150℃,做出这样的规定是基于油的闪点。
2对于风冷热泵机组水流量保护装置应安装在蒸发器出水管上.3绝对零度等于-℃4热泵空调采暖运行时,室内机盘管温度要达到38℃风扇才运转5使用气焊工具焊接操作时,氧气瓶应距明火10M以上,远离高温区域6使用气焊工具焊接操作时, 乙炔低压表示数不超过0。
05MPa7制冷系统的四大部件压缩机,冷凝器,节流器,蒸发器8对固态、液态或气态的物质加热,只要它的形态不变,则热量加进去后,物质的温度就升高,加进热量的多少在温度上能显示出来,即不改变物质的形态而引起其温度变化的热量称为显热。
9为相互比较,把l kg水温度升高1 ℃所需的热量定为。
以此作为标准,其它物质所需的热量与它的比值,称为比热。
10中央空调冷却水系统通常采用循环水系统,冷却水经冷凝器时将热量带走通过冷却塔再释放到大气中.11、热量和传递的三种方式是传导、对流换热和辐射换热。
12活塞式压缩机的三大主要运动部件是曲轴、连杆和活塞13螺杆式制冷系统停机时,应将能量调节装置调至最小负荷。
14露点温度就是湿空气达到饱和时的温度,也就是空气开始结露时的温度。
15空调的冷冻水管包保温棉,其作用是防止凝露(滴水),及防止能量流失.16水处理工作中经常投加缓蚀阻垢剂防止空调水系统结垢,投加杀菌灭藻剂防止长青苔17分体空调电脑板中CPU使用的是+5V电源,另一种供继电使用的是+12V电源18中央空调一般在压缩机排气口设过热保护开关防止压缩机排气过热,在压缩机吸气管设底压保护开关防止压缩机无冷媒运行19、风冷式冷凝器风机不转,使冷凝温度升高,压力升高20在中央空调水系统中,水过滤器安装在水泵及其他设备入口,系统运行过程中的杂质会聚集在过滤器中,需要经常拆出过滤网清洗二、判断题15分1、最简单的电路由电源、负载、开关和连接导线组成。
制冷操作证考试题库尊敬的考生:欢迎参加制冷操作证考试。
以下是制冷操作证考试题库,希望能帮助您顺利通过考试。
一、选择题1. 制冷循环中,冷凝器的作用是:A. 放热B. 蒸发C. 压缩D. 膨胀2. 制冷剂流程中,蒸发器的作用是:A. 放热B. 蒸发C. 压缩D. 膨胀3. 制冷系统中的膨胀阀的作用是:A. 调节制冷剂的流量B. 压缩制冷剂的温度C. 分离制冷剂中的杂质D. 调节制冷剂的压力4. 制冷剂循环中,制冷剂在冷凝器中的状态是:A. 液体态B. 蒸汽态C. 固体态D. 非相态5. 制冷系统中添加的制冷剂应符合以下要求:A. 无毒、无害B. 高单位制冷效果C. 容易获取D. 易于储存与运输二、判断题1. 制冷压缩机的排气温度越低,制冷效果越好。
是 / 否2. 制冷系统添加制冷剂时,必须严格控制添加量,以免过量或不足。
是 / 否3. 制冷蒸发器内的制冷剂从液体态转变为蒸气态时会吸热。
是 / 否4. 制冷系统的冷凝器经过放热过程后,制冷剂的温度会降低。
是 / 否5. 电子膨胀阀是制冷系统中常见的控制装置。
是 / 否三、问答题1. 请简要说明制冷系统中蒸发器的作用。
2. 请解释制冷循环中,制冷剂在蒸发器中从液体态转变为蒸气态的过程。
3. 请列举几种常见的制冷剂,并简要说明其特点。
4. 请描述制冷压缩机的工作原理。
5. 为什么制冷系统在添加制冷剂时,需要严格控制添加量?四、实操题1. 请简要介绍制冷系统的启动步骤及注意事项。
2. 设计一个制冷系统,要求包括以下组件:制冷压缩机、蒸发器、冷凝器、膨胀阀。
请列出它们的连接方式。
3. 假设冷凝器的放热面积为100平方米,热传导系数为2W/(m²K),冷却水流速为0.5立方米/小时,冷却水的进口温度为25℃,出口温度为35℃,请计算冷凝器的放热量。
4. 制冷系统故障诊断中最常见的问题是什么?请列出三种可能的原因,并提供相应的解决方案。
5. 请自行选择一个具体的制冷系统案例,描述其中发生的问题、解决的方法和效果。
制冷上岗证考试题库及答案pdf一、单选题1. 制冷系统正常工作时,压缩机的吸气温度应比蒸发温度()。
A. 高B. 低C. 相等D. 不确定答案:B2. 制冷系统中,冷凝器的主要作用是()。
A. 降低制冷剂的温度B. 降低制冷剂的压力C. 提高制冷剂的温度D. 提高制冷剂的压力答案:D3. 在制冷系统中,节流阀的主要作用是()。
A. 控制制冷剂流量B. 提高制冷剂压力C. 降低制冷剂温度D. 提高制冷剂温度答案:A4. 制冷系统中,蒸发器的主要作用是()。
A. 降低制冷剂的压力B. 提高制冷剂的温度C. 降低制冷剂的温度D. 提高制冷剂的压力答案:C5. 制冷系统中,压缩机的主要作用是()。
A. 降低制冷剂的压力B. 提高制冷剂的温度C. 降低制冷剂的温度D. 提高制冷剂的压力答案:D二、多选题1. 制冷系统中,可能引起压缩机过载的原因包括()。
A. 系统堵塞B. 制冷剂充注不足C. 制冷剂充注过量D. 电源电压过高答案:ABCD2. 制冷系统中,可能引起压缩机无法启动的原因包括()。
A. 电源故障B. 启动器故障C. 过载保护器故障D. 压缩机内部损坏答案:ABCD3. 制冷系统中,可能引起制冷效果不佳的原因包括()。
A. 制冷剂泄漏B. 系统堵塞C. 压缩机效率降低D. 蒸发器表面结霜答案:ABCD三、判断题1. 制冷系统中,制冷剂的充注量越多,制冷效果越好。
()答案:错误2. 制冷系统中,冷凝器的温度越高,制冷效果越好。
()答案:错误3. 制冷系统中,蒸发器的温度越低,制冷效果越好。
()答案:正确4. 制冷系统中,节流阀的开度越大,制冷效果越好。
()答案:错误5. 制冷系统中,压缩机的压缩比越大,制冷效果越好。
()答案:正确四、简答题1. 简述制冷系统的工作原理。
答案:制冷系统的工作原理是通过压缩机将低压低温的制冷剂蒸汽压缩成高压热蒸汽,然后输送到冷凝器中,通过冷凝器将高压热蒸汽冷凝成高压液态制冷剂,再经过节流阀节流降压后,变成低压低温的液态制冷剂进入蒸发器,液态制冷剂在蒸发器中吸热蒸发,吸收被冷却介质的热量,从而达到制冷的目的。
制冷工考试:初级制冷工考试资料1单选(江南博哥)不是常用的润滑脂的是()。
A.锂基润滑脂B.纳基润滑脂C.钙基润滑脂D.铁基润滑脂答案:D2、填空题对具有手动卸载能量调节的活塞式压缩机在启动前,应将能量调节阀的控制手柄放在()能量位置。
答案:最小3、填空题氨制冷系统中氨含水不得超过()%o答案:0.0024、单选油分离器用于分离压缩后制冷剂中所夹带的润滑油,以防止其进入()中,使传热条件恶化。
A.蒸发器B.过滤器C.冷却器D.冷凝器答案:D5、单选冷凝器将()中吸收的热量,连同压缩机功所转化的热量一起传递给冷却介质带走。
A.蒸发器B.分离器C.冷却器D.经济器答案:A6、单选水冷式冷凝器按其结构可分为()类。
A-B二C=D.四答案:A7、单选活塞压缩机正常运转时()与活塞、活塞栓、连杆轴承以及安全盖灯部件都不应有敲击声。
A.吸气阀片B.曲轴C.排气阀片D汽缸答案:D8、单选离心式制冷压缩机启动后应根据冷媒水的温度,及时调节(),使制冷量与负荷相适应。
A.节流阀B.水泵压力C.导叶开度D补氨阀答案:C9、单选系统停机后应关闭()及氨压机出、入口阀。
A.补氨阀B.节流阀C.油泵出口阀D.油泵入口阀答案:A10、单选制冷压缩机的滑阀加减载是通过()来实现的。
A.风压B.出口压力C.系统压力D油压答案:DI1单选截止阀在化工生产的()压管路中应用广泛。
A中低B.中C.中高D.高答案:A12、单选氟利昂系列制冷剂一般均无毒,对人类的直接危害小,但是对()破坏很大。
A.土壤B.污水C.臭氧层D.设备答案:C13、填空题为提高泼冷机热交换设备的热交换效果,常在浸化锂溶液中加入的表面活性剂是()。
答案:辛醇14、单选机组的(),会造成吸气压力与蒸发压力相差较大。
A.吸气过滤器B.节流阀C.排气阀D.干燥过滤器答案:A15、单选从压缩机的排出口至节流元件的入口端为高压区,该区称为()。
A.蒸发压力B.冷凝压力C.加热炉D.分储塔答案:B16、单选高压氨储罐上应设置()、压力表和液面指示器。
职业技能鉴定国家题库统一试卷初级制冷设备维修工知识试卷0304811-004注意事项1. 请首先按要求在试卷的标封处填写您的姓名、考号和所在单位的名称。
2. 请仔细阅读各种题目的回答要求,在规定的位置填写您的答案。
3. 不要在试卷上乱写乱画,不要在标封区填写无关内容。
60 题。
选择正确的答案,将相应的字母填入题内的括号中。
每题1.0分。
满分60分):1. 全封闭制冷压缩机组的基本组成部分是()。
(A)活塞与曲轴箱(B)配气阀与机体(C)压缩机与电动机(D)曲轴箱与配气装置2. 满足欧姆定律的电阻器是()。
(A)非线性电阻(B)线性电阻(C)电源内阻(D)负载电阻3. 在接有理想电容的直流电路中,闭合的瞬时()。
(A)不存在电阻(B)存在电阻(C)不存在电流(D)存在电流4. 三相交流电的相位差是()。
(A)90°(B)120°(C)180°(D)240°5. 三极管电流放大倍数β,通常指()。
(A)共发射极动态电流放大系数(B)共发射极静态电流放大系数(C)共集电极动态电流放大系数(D)共集电极静态电流放大系数6. 全波整流实际是()半波整流电路的组合。
(A)一组(B)两个(C)三个(D)四个7. 空气调节技术研究的主要对象是()。
(A)人类(B)设备(C)空气(D)温度8. 空气中的()增高,就会导致空调的潜热负荷加大。
(A)温度增高(B)湿度增大(C)压力上升(D)比容减少9. 气象台预报的温度是()。
(A)干球温度(B)湿球温度(C)水蒸气温度(D)饱和温度10. 确定空调工况的温度有:蒸发温度、冷凝温度、()。
(A)吸气过热温度和过冷温度(B)吸气过热度和过冷度(C)排气过热温度和过冷温度(D)排气过热温度和过冷度11. 在一个标准大气压下,纯水的冰点是()。
(A)73K (B)173K (C)273K (D)373K12. 物质由固态直接变为气态叫()。
制冷工考试:初级制冷工考试题真题三91、单选(江南博哥)一般制冷系统要求每()小时巡检一次。
A.2B.3C.4D.6答案:A92、单选设备润滑的目的是在相对运动的两个接触面之间加入润滑剂从而使两摩擦为润滑剂()间的内摩擦,达成减少摩擦的目的。
A.原子B.分子C离子D用子答案:B93、单选离心'机组的运行线()实际扬程线,机组就会发生喘振。
A.小于B.大于C等于D.小于等于答案:B94、多选制冷系统制冷量的大小与()有关。
A.蒸发器的面积大小B.蒸发器内液态制冷剂的多少G制冷剂蒸发温度D.周围介质的温差E.铜导管壁厚和管径答案:A z B,C z D95、单选摆动式止回阀只能()安装。
A.垂直B倾斜D.倒立D.反向答案:A96、单选螺杆式制冷压缩机机组启动后短时间内振动然后稳定,主要原因是()。
A.机组与管道共振B.吸气阻力过大C.吸入过量的润滑油或液体D.油压不高答案:C97、单选活塞式氟制冷压缩机停车后()分钟后,停止向冷凝器供水。
A.0-5B.5-10C.10-15D.15-20答案:C98、填空题()是离心式制冷压缩机固有的一种气动现象。
答案:喘振99、单选薪IJ昂系列制冷剂一般均无毒,对人类的直接危害小,但是对()破坏很大。
A.土壤B.污水C.臭氧层D.设备答案:C100、多选润滑油在制冷系统中有()作用。
A.润滑B.冷却C.绝缘D.密封E动力答案:A,B,D,E101.单选操作人员启闭钢瓶阀门时,应站在阀的()缓慢开启。
A.侧面B.上面C.刖面D后面答案:A102、填空题氨系统的油分离器应()放油一次。
答案:每周103.单选螺杆式制冷压缩机停机时,关闭供液阀后将能量调节滑阀调节至()。
A.50%B.30%C.25%D.零位答案:D104、单选关于冷凝压力过高的原因,下列错误的的说法是()。
A.冷凝器冷却水量不足B.冷凝器出液阀开启过大C.冷凝器冷却水量过高D.系统中空气含量过多答案:B105、单选立式氨液分离器是一种常用的形式,一般为()壳体。
制冷工初级考试(试卷编号261)1.[单选题]截止阀在化工生产的( )压管路中应用广泛。
A)中低B)中C)中高D)高答案:A解析:2.[单选题]溶解是溶质与( )混合成溶液的过程A)溶体B)溶剂C)固体D)流体答案:B解析:3.[单选题]螺杆式压缩机没有吸、排气阀,螺杆转子强度大,适于( )。
A)高压缩比B)低压缩比C)压缩比不大于4D)压缩比不大于8答案:A解析:4.[单选题]切割薄壁铜管时,要控制进刀深度,防止进刀过深而( )铜管A)扭曲B)弯曲C)压瘪D)割断答案:C解析:5.[单选题]无霜间冷电冰箱的照明灯与风扇电机控制电路采用( )。
A)并联连接B)串联连接C)没有连接D)只与门开关连接6.[单选题]所谓职业责任,就是指从事某种职业的个人、对他人、集体和社会所应( )的责任A)忠于B)承担C)探索D)研究答案:B解析:7.[单选题]热力学温标的0K代表的是( )。
A)绝对零度B)标准大气压下水的冰点C)标准大气压下水的沸点D)人体正常体温答案:A解析:8.[单选题]离心式压缩机漏气应该进行的操作是( )。
A)检查轴承B)修理瓦片C)更换变质或不良的“O”形密封环D)清洗油冷却器答案:C解析:9.[单选题]家用电冰箱储藏温度三星级冷冻室温度不高于( )℃,冷冻食品保存时间约为2个月。
A)-20B)-18C)-16D)-25答案:B解析:10.[单选题]分立元件的电子式温控器是采用( )直接控制压缩电机的通电与断电的。
A)二极管B)电容C)电感D)晶闸管答案:D解析:A)清洁的原材料B)清洁的资源C)清洁的工艺D)清洁的生产过程答案:D解析:12.[单选题]洛克环彻底解决了其他任何( )都无法解决的不同材质之间的电化腐蚀难题A)铆接B)铰拉C)螺栓D)焊接答案:D解析:13.[单选题]依据《劳动法》的规定,用人单位与劳动者发生劳动争议,当事人可以依法( ),也可以协商解决。
A)提起诉讼B)申请调解、仲裁、提起诉讼C)申请仲裁D)申请调解答案:B解析:14.[单选题]排液桶的容积,应能容纳需要冲霜的各库房中( )房间的液氨量。
职业技能鉴定国家题库 制冷设备维修工(初级工)理论知识试卷(C) 注意事项 1.考试时间:120分钟。
2.请首先按要求在试卷的标封处填写姓名、准考证号和所在单位的名称。
3.请仔细阅读各种题目的回答要求,在规定的位置填写答案。
4.不要在试卷上乱写乱画,不要在标封区填写无关的内容。
一、单项选择题(第1题~第70题。
选择一个正确的答案,将相应的字母填入题内的括号中。
每题1分,满分70分) 1. 在现代化生产过程中,工序之间、车间之间的生产关系是( a )。
A. 相互配合的整体 B. 不同的利益主体 C. 不同的工作岗位 D. 相互竞争的对手 2. 技术人员职业道德特点是( a )。
A. 质量第一,精益求精 B. 爱岗敬业 C. 奉献社会 D. 诚实守信、办事公道 3. 单质A 和单质B 化合成AB(其中A 显正价),下列说法正确的是( )。
A. B 被氧化 B. A 是氧化剂 C. A 发生氧化反应 D. B 具有还原性4. pH 玻璃电极在使用前应( )。
A. 在水中浸泡24小时以上 B. 在酒精中浸泡24小时以上 C. 在氢氧化钠溶液中浸泡24小时以上 D. 不必浸泡5. 按酸碱质子理论,磷酸氢二钠是( )。
A. 中性物质 B. 酸性物质 C. 碱性物质 D. 两性物质6. 干燥H2S 气体,通常选用的干燥剂是( )。
A. 浓H2SO4 B. NaOH C. P2O5 D. NaNO37. 对于H2O2性质的描述正确的是( )。
A. 只有强氧化性 B. 既有氧化性,又有还原性 C. 只有还原性 D. 很稳定,不易发生分解8. 在工艺流程图中,共用工程埋地管线由( )表示。
A. 粗实线 B. 粗虚线 C. 中虚线 D. 细虚线9. 层流内层的厚度随雷诺数的增加而( )。
A. 减小 B. 不变 C. 增加 D. 不能确定 10. 流体运动时,能量损失的根本原因是由于流体存在着( )。
技能认证制冷工初级考试(习题卷5)说明:答案和解析在试卷最后第1部分:单项选择题,共209题,每题只有一个正确答案,多选或少选均不得分。
1.[单选题]制冷量通过( )的循环流动传递给被冷却对象。
A)氨B)制冷剂C)冷冻机油D)载冷剂2.[单选题]人们对未来职业和所要取得何种成就,对社会做出哪些( )的向往和追求称为职业理想A)地位B)成果C)金钱D)贡献3.[单选题]R11制冷剂钢瓶的色标为( )色。
A)黄B)白C)橙D)紫4.[单选题]表明压缩机没有正常运转的是( )。
A)排气压力在1.08-1.47MPaB)精滤油压差不高于0.1MPaC)吸气压力低于0.05MPaD)冷凝温度在40℃左右5.[单选题]涡旋压缩机是20世纪( )年代以后研制开发的一种新型压缩机。
A)50B)60C)70D)806.[单选题]自动放空气器的控制形式有温度控制和( )控制。
A)体积B)压力C)流量D)液位7.[单选题]R32制冷剂的自燃温度为( )℃。
D)8368.[单选题]阀头形状为圆锥形或流线形,可以较好地控制调节流体流量或进行节流调压等的阀门是( )阀。
A)闸B)疏水C)止回D)节流9.[单选题]我国家用电冰箱照明白炽灯额定电压是( )。
A)36VB)110VC)220VD)380V10.[单选题]活塞式压缩机缺油是主要故障之一,是指( )中油量很少,甚至没有润滑油。
A)活塞B)连杆C)轴承箱D)气缸11.[单选题]密封液会填充管路表面纵向沟槽或凹坑带来的瑕疵,保证每个洛克环的连接( )可靠A)密封B)焊缝C)尺寸D)重量12.[单选题]一般制冷剂的充注量根据( )来充注。
A)铭牌标识充注量B)运行压力C)热力性质表D)冰箱容积13.[单选题]耳的防护即( )的保护。
A)听力B)耳廓C)头部D)面部14.[单选题]我国《劳动法》规定,安排劳动者延长劳动时间,用人单位应支付不低于劳动者正常工作时间工资的()的工资报酬。
制冷工考试:初级制冷工考试题真题一1、单选(江南博哥)活塞式制冷循环分()个过程。
A.5B.3C.6D.4答案:D2、单选根据热负荷和制冷工艺温度要求对螺杆压缩机的()装置进行调节。
A.温度调节B.能量调节C.冷量调节D.转速答案:B3、单选降低制冷剂的压力是通过()过程来实现的。
A.压缩B.排气C.膨胀D.吸气答案:C4、填空题配制盐水溶液作载冷剂,应使盐水的凝固点温度低于制冷剂蒸发温度()℃。
答案:6~85、单选离心泵的扬程的大小,取决于泵的()。
A.功率B.结构C.性能D.汽蚀余量答案:B6、单选氨制冷压缩机收氨时高压罐收氨不得超过容积的()。
A.80%B.70%C.60%D.50%答案:A7、填空题蒸发器换热温差越大,制冷系统制冷量()。
答案:相应增加8、单选离心泵正常运行时,叶轮中心附近的液体受到离心力的作用被甩向叶轮周围,这样在叶轮中心附近形成了()压区。
A.低B.中C.高D.超高答案:A9、单选一般制冷系统要求每()小时巡检一次。
A.2B.3C.4D.6答案:A10、填空题为了保护臭氧层和地球温度环境,()类物质将在2010年完全停止生产和使用。
答案:CPC11、单选压差流量计指示为零或移动很小,下列错误的处理方法是()。
A.关闭平衡阀或修理、更换B.打开节流装置根部高低压阀C.冲洗节流装置至压差计间的阀门、管路D.蒸汽导管温度升高后开表答案:D12、填空题对铜和铜合金有腐蚀作用的制冷是()。
答案:R71713、多选盛装制冷剂的钢瓶表面应标明制冷剂的()。
不得任意涂改制冷剂钢瓶本身的颜色和代号标识。
A.种类B.容积C.盛装重量D.有效期E.使用要求答案:A, B, C14、填空题离心式压缩机排气温度过低的主要原因是()。
答案:蒸发器液面太高吸入了液态制冷剂15、单选水冷式冷凝器可分为壳管和套管两种,其中()机组常用套管式。
A.小型氨空调B.小型氟利昂空调C.大型氨空调D.大型氟利昂空调答案:B16、单选氟利昂离心式制冷机收制冷剂前应()。
初级制冷考试试题
一填空题30分(每空一分)
1、压缩机的排气温度不应超过150℃,做出这样的规定是基于油的闪点。
2对于风冷热泵机组水流量保护装置应安装在蒸发器出水管上.
3绝对零度等于-℃
4热泵空调采暖运行时,室内机盘管温度要达到38℃风扇才运转
5使用气焊工具焊接操作时,氧气瓶应距明火10M以上,远离高温区域
6使用气焊工具焊接操作时, 乙炔低压表示数不超过0。
05MPa
7制冷系统的四大部件压缩机,冷凝器,节流器,蒸发器
8对固态、液态或气态的物质加热,只要它的形态不变,则热量加进去后,物质的温度就升高,加进热量的多少在温度上能显示出来,即不改变物质的形态而引起其温度变化的热量称为显热。
9为相互比较,把l kg水温度升高1 ℃所需的热量定为。
以此作为标准,其它物质所需的热量与它的比值,称为比热。
10中央空调冷却水系统通常采用循环水系统,冷却水经冷凝器时将热量带走通过冷却塔再释放到大气中.
11、热量和传递的三种方式是传导、对流换热和辐射换热。
12活塞式压缩机的三大主要运动部件是曲轴、连杆和活塞
13螺杆式制冷系统停机时,应将能量调节装置调至最小负荷。
14露点温度就是湿空气达到饱和时的温度,也就是空气开始结露时的温度。
15空调的冷冻水管包保温棉,其作用是防止凝露(滴水),及防止能量流失.
16水处理工作中经常投加缓蚀阻垢剂防止空调水系统结垢,投加杀菌灭藻剂防止长青苔
17分体空调电脑板中CPU使用的是+5V电源,另一种供继电使用的是+12V电源
18中央空调一般在压缩机排气口设过热保护开关防止压缩机排气过热,在压缩机吸气管设底压保护开关防止压缩机无冷媒运行
19、风冷式冷凝器风机不转,使冷凝温度升高,压力升高
20在中央空调水系统中,水过滤器安装在水泵及其他设备入口,系统运行过程中的杂质会聚集在过滤器中,需要经常拆出过滤网清洗
二、判断题15分
1、最简单的电路由电源、负载、开关和连接导线组成。
(√)
2、电路通常有三种状态:通路、开路和断路。
(×)
3、热力学第一定律的实质就是能量守恒。
(√)
4、空气含湿量就是空气中水的含量。
(×)
5、在一定温度下,空气中容纳水蒸气量只有一个最大值(√)
6、相对湿度反映空气偏离饱和状态的程度和吸湿能力的大小。
(√)
7、与风机盘管连接的管路有供水管、回水管、凝水管。
(√)
8、R22工质,其编号22指相对分子质量。
(×)
9、水在任何压力下,其冰点为0℃,沸点为100℃。
(×)
10、冷却水的温度等于冷凝温度。
(×)
11、含湿量与水蒸气分压力是两个相互独立的湿空气热力状态参数。
(√)
12、湿空气中的水蒸气分压力与饱和湿空气中的水蒸气分压力之比称为相对湿度。
(√)
13、制冷机使用的润滑油,其黏度越低越好。
(×)
14、风机盘管机组的局部调节方法有水量调节和风量调节两种基本方法。
(√)
15、压力表测量到的压力就是绝对压力。
(×)
三.选择题
1、一定能够提高制冷循环制冷系数的是(B )。
A、蒸气有害过热
B、液体过冷
C、回热循环
D、蒸气有效过热
2、活塞式冷水机组,设计的最低出水温度为( C )。
A、3℃
B、5℃
C、7℃
D、9℃
3、离心式冷水机组一般以R11为制冷剂,其原因是R11的( B )。
A、分子量小
B、分子量大
C、原子量小
D、原子量大
4、活塞式和螺杆式压缩机属于( B )。
A、速度型
B、容积型
C、喷射型
D、热电型
5、制冷机的制冷能力如果用美国冷吨表示,则每美国冷吨应等于( A )。
A、3517W
B、3928W
C、3913W
D、4060W
6、离心式压缩机的能量调节机构是( C )。
A、卸载装置
B、滑阀
C、进口导叶
D、高压回气管
7、为防止喘振现象的发生,离心式压缩机合理的运行条件是( D )。
A、小负荷运行
B、高排气压力运行
C、间歇运行
D、远离喘振区运行
8、热泵型空调器(电热辅助热泵型)在冬季使用时,注意室外环境不应低于( D )。
A、-15℃
B、-10℃
C、-5℃
D、+5℃
9、对于水冷式冷凝器冷却水流量保护装置要采用( B )。
A、压力控制器
B、靶式流量开关
C、电接点压力表
D、涡轮流量计
10、制冷压缩机电动机热继电器发生保护的原因是( A )。
A、过载和断相
B、失电压和断相
C、低电压和反向
D、过载和短路
11、交流异步电动机控制系统中,热电器的保护特性是(C )。
A、等于整定两倍时,长期不动作
B、等于整定六倍时,动作时间小于5s
C、等于整定六倍时,动作时间小于10s
D、等于整定六倍时,动作时间小于6s
12、R22压力继电器的高压压力值调整数值是( D )。
A、 B、 C、 D、
13、风冷式冷凝器风机不转,使( A )。
A、冷凝温度升高,压力升高
B、冷凝温度降低,压力升高
C、冷凝温度不变,压力升高
D、冷凝温度,压力都降低
14、在大型中央空调系统中都采用间接冷却,由于要求的蒸发温度高于0℃,故一般都用( B)作为载冷剂。
A、空气
B、水
C、盐水
D、氨水
15、变风量系统是当房间( D )低于设计值时,保持风送参数不变,而通过减少送风量的办法来保持室内温度不变。
A、温度
B、湿负荷
C、热负荷
D、热湿负荷。