数据线出货检验作业指导书
- 格式:doc
- 大小:629.21 KB
- 文档页数:5
出货检验作业指导书光下进行。
5.3.2检验项目:5.3.2.1 镀前划痕、浅划痕、深划痕、凹坑、水印、露白、雾状、挂具印等外观缺陷。
5.3.2.2 外观缺陷的判定标准:按照相关标准进行判定,如有疑问可向品质主管咨询。
5.3.3检验方法:5.3.3.1 用卡尺、卷尺等工具测量尺寸,检查是否符合图纸要求。
5.3.3.2 用手套轻触表面,检查是否有凹凸感,是否有划痕。
5.3.3.3 用人工照明或间接光下检查表面,检查是否有外观缺陷。
5.3.4检验记录:5.3.4.1 外观检验记录应包括产品名称、规格、数量、检验员、检验日期、检验结果等内容。
5.3.4.2 外观缺陷应在检验记录中详细描述,并标注判定结果。
6.0附录:6.1MIL-STD-105E标准:为美国军方制定的检验标准,适用于所有军事供应品的检验。
其中规定了抽样计划、检验水平、接收质量限等内容。
在进行目视检验时,观测距离应为600毫米,观测时间为10秒。
检查者应位于被检查表面的正面,并以45-90度的角度进行检验。
电镀件不允许出现镀层粗糙、麻点、黑点、起泡、水印、露白、剥落和严重条纹等表面缺陷。
钝化膜疏松、起粉、以及严重的钝化液痕迹也是不允许的。
局部无镀层和划碰伤等表面缺陷也应被剔除。
在进行镀前划痕和浅划痕的检验时,应按照《产品表面外观缺陷限定标准》进行。
喷涂件表面不允许出现杂质、颗粒、露底、桔皮、划碰伤等表面缺陷。
丝印外表面不允许出现异物、凹痕、划痕、线细、欠缺、油墨飞溅等表面缺陷。
机架不允许出现偏移、变形、扭曲等现象。
前后门也不允许出现变形、翘曲现象。
在尺寸检验中,对于零部件应按照图示要求的尺寸和公差要求进行检验。
如果图纸未注明公差要求,则应按照GB-1804-M级线性尺寸公差进行检验。
对于机柜类的整机产品,应重点检验机柜的外形尺寸、滑道间距尺寸、以及前方孔条的间距尺寸,并使用相应的检具进行控制。
在性能检验中,应对电镀、喷涂、丝印、压铆推扭力等性能进行验证。
附件:可靠性实验标准5.环境可靠性要求及试验方法5.1高温试验:5.1.1试验条件:在温度65±2℃的环境下保持24小时。
5.1.2试验方法:试验箱达到实验条件后,将产品裸露放入试验箱的内架上,试验完成,在常温下恢复2小时。
5.1.3试验后要求:金属部件无锈蚀、变形等可见损伤,注塑部件及线体无变形、发白、脱油,内芯线无外露和断线等情况发生;不干胶标贴不可翘起;使用线材测试仪测试电性能正常;5.2 低温测试:5.2.1试验条件:在温度-20±2℃的环境下保持24小时。
5.2.2试验方法:试验箱达到实验条件后,将产品裸露放入试验箱的内架上,试验完成,在常温下恢复2小时。
5.2.3试验后要求:金属部件无锈蚀、变形等可见损伤,注塑部件及线体无变形、发白、脱油,内芯线无外露和断线等情况发生;不干胶标贴不可翘起;使用线材测试仪测试电性能正常;5.3 恒定湿热测试:5.3.1试验条件:在温度40±2℃,湿度93+2-3%的环境下持续48小时5.3.2试验方法:试验箱达到实验条件后,将产品裸露放入试验箱的内架上,试验完成,在常温下恢复2小时。
5.3.3试验后要求:金属部件无锈蚀、变形等可见损伤,注塑部件及线体无变形、发白、脱油,内芯线无外露和断线等情况发生;不干胶标贴不可翘起;使用线材测试仪测试电性能正常5.4温度冲击:5.4.1试验条件:高温点为+60℃,低温点为-20℃,每个温度点保持60min,循环次数为12次。
中间转换时间≤5min。
5.4.2试验方法:试验箱达到实验条件后,将产品裸露放入试验箱的内架上,试验完成,在常温下恢复2小时。
5.4.3试验后要求:金属部件无锈蚀、变形等可见损伤,注塑部件及线体无变形、发白、脱油,内芯线无外露和断线等情况发生;不干胶标贴不可翘起;使用线材测试仪测试电性能正常5.5 盐雾测试:5.5.1试验条件:在温度93+2-3%,PH=6.5—7.5,环境温度为35℃±2℃,浓度为5%的盐雾中持续24H,5.5.2试验方法:a、表面预处理:用清水将样品表面清洗干净,使其表面无手汗、油污、无临时性的保护层等;b、将产品裸露按正常使用状态放入试验箱的内架上(样品摆放不可相互接触,一个样品的盐溶液不可滴落到另外的样品上),试验完成后,用流动水轻轻洗去样品表面的盐沉积物,然后在常温下恢复2小时。
荣耀数据线检验通用操作指导书摘要:1.荣耀数据线的概述2.荣耀数据线的通用操作流程3.荣耀数据线的检验方法4.荣耀数据线的使用注意事项5.荣耀数据线的维护和保养正文:一、荣耀数据线的概述荣耀数据线,作为荣耀品牌的一款重要配件,主要用于智能手机、平板电脑等设备的数据传输和充电。
它具有传输速度快、充电效率高、兼容性强等特点,为广大用户提供了便捷的连接体验。
二、荣耀数据线的通用操作流程1.将荣耀数据线的一端插入设备的充电接口。
2.将另一端插入电源适配器或USB 接口。
3.确保连接稳固后,开始进行数据传输或充电操作。
4.在操作完成后,先拔掉电源适配器或USB 接口,再拔掉设备端的数据线。
三、荣耀数据线的检验方法1.外观检查:检查数据线外观是否完好,线材是否有破损、裂纹等现象。
2.接口检查:检查数据线两端的接口是否插入顺畅,接口内是否有异物。
3.传输速度测试:通过传输大文件或运行相关测试软件,测试数据线的传输速度。
4.充电效率测试:使用原装充电器进行充电测试,观察充电时间是否在正常范围内。
四、荣耀数据线的使用注意事项1.请勿使用非原装或质量不过关的充电器和数据线,以免损坏设备。
2.请勿在潮湿、高温或灰尘环境中使用数据线,以免影响使用寿命。
3.请勿将数据线过度弯曲或捆扎,以免损伤线材。
4.请勿在数据线正在传输数据或充电时强行拔插,以免损坏设备或数据线。
五、荣耀数据线的维护和保养1.定期检查数据线外观和接口,如有破损、裂纹等情况,请及时更换。
2.使用后,请将数据线整理整齐,避免过度弯曲或捆扎。
本文部分内容来自网络整理,本司不为其真实性负责,如有异议或侵权请及时联系,本司将立即删除!== 本文为word格式,下载后可方便编辑和修改! ==数据线作业指导书篇一:生产作业指导书NR无框架脑立体定位系统作业指导书篇二:通信系统作业指导书通信设备安装施工作业指导书通信系统装臵试验作业指导书1.范围本指导书用于500kV及以下变电站通信设备安装调试;其他变电站同类型通信安装调试工作可参照本指导书执行。
2.引用文件下列标准及技术资料所包含的条文,通过在本作业指导书中的引用,而构成为本作业指导书的条文。
所有标准及技术资料都会被修订,使用本作业指导书的各方应探讨使用下列标准及技术资料最新版本的可能性。
1、国家电网公司《电力安全工作规程》(变电站和发电厂电气部分)。
2、国家电网公司《安全生产规程规定》。
3、国家电力公司《防止电力生产重大事故的二十五项重点要求》。
4、中华人民共和国通信行业标准YDJ26-1989《通信局(站)接地设计暂行技术规定(综合楼部分)》。
5、YD/T1051-201X《电源系统总技术要求》。
6、DL/T547-1994《电力系统光纤通信运行管理规程》。
7、《国家电网公司十八项电网重大反事故措施》8、DL/T547-1994《电力系统光纤通信运行管理规程》。
9、DL/T544-1994《电力系统通信管理规程》。
10、DL/T598-1996《电力系统通信自动交换网技术规范》。
11、DL/T534-1993《电力调度通信总机技术要求》。
1电气装置调试作业指导书12、中华人民共和国通信行业标准YD201X-1992《通信设备安装抗震设计暂行规定》 13、中华人民共和国电力行业标准YD201X-1992《电力通信网监测系统技术规范》。
14、中华人民共和国通信行业标准YD5021-1996《同步数字系列(SDH)光缆传输工程设计暂行规定》23 调试前工作3.1 准备工作安排3.2 人员要求3.3 工器具及相关资料33.4 危险点分析及预控措施43.5 人员分工4 试验程序及标准4.1 开工5篇三:维修作业指导书一、工具/设备/辅料1、恒温烙铁(270度-350度) 4、电批、镊子等维修治具7、助焊剂2、无水酒精5、万用表 8、直流电源器3、锡线(φ0.6-0.8mm) 6、静电坏 9、无尘布等二、作业内容。
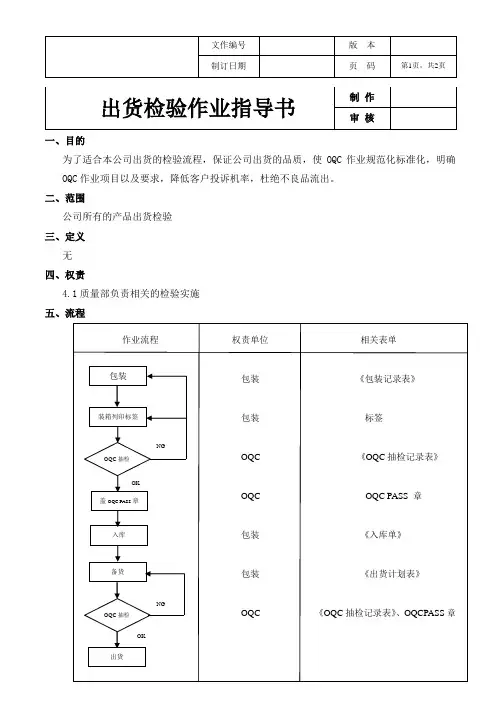
一、目的为了适合本公司出货的检验流程,保证公司出货的品质,使OQC作业规范化标准化,明确OQC作业项目以及要求,降低客户投诉机率,杜绝不良品流出。
二、范围公司所有的产品出货检验三、定义无四、权责4.1质量部负责相关的检验实施五、流程包装《出货单》六、作业方法6.1 入库前抽检6.1.1 OQC依据包装SOP随线确认每种产品的包装方式、包装数量等是否符合要求,当发现包装未按包装规范要求进行包装的,需及时提出纠正,必要时,OQC需开出《纠正/预防措施处理单》,要求包装提出原因分析及改善对策。
6.1.2 OQC对包装入库的产品,抽取整箱10%及零数箱进行开箱确认,核对产品是否与标签一致、流动单号是否填写准确、包装数量、内外标签等相关信息,是否贴有相关ROHS的标签(如客户有固定格式,按客户格式)核对无误后,盖OQC PASS章,包装入库。
相关抽检记录填写在《OQC抽检记录表》中。
6.2出货前抽检6.2.1 OQC每日按计划下发的《出货通知单》,对出货品进行确认,根据客户要求提前准备好出货报告;并抽取整箱10%及零数箱进行开箱确认,核对数量,规格,品名,料号、包装要求、内外箱标签等,核对无误后,盖OQC PASS章,准备出货。
6.3当出货检验发现重大异常时,OQC开出《纠正/预防措施处理单》由权责单位提出原因分析及改善对策。
6.4 超过1年以上的库存品,包装需及时通知OQC再确认,确认OK的,重新盖OQCPASS章,发现有品质异常的,OQC及时通知PQE确认处理。
相关确认记录填写在《OQC检验记录》中。
七、使用表单7.1《OQC检验记录》7.2《出货报告》7.3《出货通知单》7.4《纠正/预防措施处理单》八.修改履历。
出货检验作业指导书一、引言出货检验是生产制造企业在产品出货前对产品进行质量检验的一个重要环节。
通过出货检验,可以确保产品的质量符合规定的标准和客户的需求,有效避免产品质量问题导致的投诉和退货,维护企业的声誉和客户的满意度。
二、检验目的出货检验的主要目的是确保产品的质量符合要求,以保证产品能够正常使用、运输和销售。
具体包括以下几个方面的内容:1. 检查产品外观是否符合规定的要求,包括颜色、形状、光洁度等;2. 检查产品的尺寸和重量是否在规定的允许范围内;3. 检查产品的功能是否正常,是否达到规定的性能要求;4. 检查产品的包装是否完好,是否符合运输和保护要求;5. 检查产品的标签和说明书是否清晰、完整。
三、检验方法出货检验可以采用抽样检验和全检两种方式进行,具体选择哪种方式,需要根据产品的特点、批量和质量要求来决定。
一般来说,抽样检验更加常用,可以通过抽取一部分样本代表整个批次进行检验。
1. 抽样检验抽样检验是通过从整个批次中抽取一定数量的样本进行检验。
抽样方式可以根据质量管理的要求和相关标准进行选择,可以使用随机抽样、系统抽样等方法来保证样本的代表性。
2. 全检全检是对整个批次的产品进行逐一检查。
虽然全检的工作量比较大,但是可以保证每一个产品都经过了检验,能够更加有效地发现和解决质量问题。
四、检验标准在进行出货检验时,需要制定相应的检验标准。
检验标准应该明确产品的质量要求,并且要与客户的要求和相关的标准相一致。
可以参考以下几个方面来确定检验标准:1. 国家和行业标准:根据产品所属的行业和相关的国家标准制定相应的检验标准;2. 客户要求:考虑到客户的特殊要求,例如一些特定行业对产品的要求更为严格;3. 内部要求:根据企业自身的质量管理体系和产品的特点,制定适合的检验标准。
五、检验记录与报告在进行出货检验时,需要及时记录检验的结果和相关信息,并形成检验报告。
检验记录和报告应该包括以下内容:1. 检验时间和地点;2. 检验员的姓名和工号;3. 产品名称、批号和数量;4. 检验标准和方法;5. 样本的抽样方式和数量;6. 检验结果和不合格品的处理;7. 检验结论和建议。
SHENZHEN NA TURAL ******ELECTRONICS CO., LTD.生产作业指导书机型工序01 工序名称裁线、脱外皮标准工时编制审核批准方案编号版本01 制表日期一、使用工具六、图示工冶具(耗材)名称规格/型号用量自动剥线机 1二、使用物料名称规格/型号用量线材专用 2三、作业过程1.将机器打开调到线材加工所需参数2.检查线材有无刮伤等外观不良现象3.剪开保护膜将线材装入机器指定位置按“运行”键开始作业(图示)要停止时按“停止”键4.将OK品50PCS/扎用PE膜扎好整齐摆放在线架上5.将不良品标示清楚并隔离四、工艺要求1.作业前检查物料、工具是否符合要求2.整卷线剪开保护膜时不可刮伤、剪断3.裁剪下来的线材需检验人员确定后方可批量生产4.线材摆放时避免弯折,以免尺寸不符五、注意事项1.工作台面干净,整洁2.机器周边环境保持清洁3.摆放整齐、严禁乱摆乱放4.备注:1.如遇紧急事件按“急停”2.机器需调试时及时通知技术人员不得私自调试机器3.机器工作时应远离机械动作部分,以确保人身安全装线位置运行键位置停止键位置急停键位置SHENZHEN NA TURAL ******ELECTRONICS CO., LTD.生产作业指导书机型工序02 工序名称脱芯线、焊接标准工时编制审核批准方案编号版本01 制表日期一、使用工具六、图示工冶具(耗材)名称规格/型号用量自动脱线焊接机 1二、使用物料名称规格/型号用量USB座线材三、作业过程1.检查上一道工序2.将剥好皮的线材从线架上取下按红、白、绿、黑的顺序依次摆放在模具卡槽内(如图)按下开关取下一线材重复操作(自动模式可不需按开关)3.将OK品50PCS/扎扎好整齐摆放在线架上4.将不良品标示清楚并隔离四、工艺要求1.作业前检查物料、工具是否符合要求2.焊点需光滑饱满,不可虚焊、假焊、连锡、锡点高、冒尖、错位、铜丝开叉等不良现象3.线材摆放顺序严格按右图来摆放五、注意事项1.工作台面干净,整洁2.机器周边环境保持清洁3.摆放整齐、严禁乱摆乱放备注:1.如遇紧急事件按“急停”2.机器需调试时及时通知技术人员不得私自调试机器3.机器工作时应远离机械动作部分,以确保人身安全红线位置SHENZHEN NA TURAL ******ELECTRONICS CO., LTD.生产作业指导书机型工序03 工序名称成型外模标准工时编制审核批准方案编号版本01 制表日期一、使用工具六、图示工冶具(耗材)名称规格/型号用量二、使用物料名称规格/型号用量半成品三、作业过程1.将加工好的线材半成品插入模具中(图1)后将模具放入机台对应位置并将线材摆好卡在模具凹槽内(图2)2.同时按下左右两边的“自动开始”按钮让机台上的模具开始合模(在合模的空隙可将另一模具插好待注塑线材)3.注塑完成后模具会自动分离,待模具分离完成后将注塑完成的线材取出并将水口料与线材分开4.将OK品50PCS/扎扎好整齐摆放在线架上5.将不良品标示清楚并隔离四、工艺要求1.作业前检查物料、工具是否符合要求2.检查成型的外观有物毛边、异色、缩水、气泡、变形、流纹、充胶等不良现象3.线材需摆放好不得偏位弯曲五、注意事项1.工作台面干净,整洁2.机器周边环境保持清洁3.摆放整齐、严禁乱摆乱放4.备注:1.如遇紧急事件按“急停”2.机器需调试时及时通知技术人员不得私自调试机器3.机器工作时应远离机械动作部分,以确保人身安全1 23 4红线位置同时按下自动开始急停按钮SHENZHEN NA TURAL ******ELECTRONICS CO., LTD.生产作业指导书机型工序04 工序名称外观检查标准工时编制审核批准方案编号版本01 制表日期一、使用工具六、图示工冶具(耗材)名称规格/型号用量卷尺 1二、使用物料名称规格/型号用量USB线三、作业过程1.检查成型有无歪头、缩水、气泡、变形、异色、充胶、合模处毛边过大等不良现象2.检查PLUG有无变形、生锈等不良现象3.检测线材有无异色、印字不良4.将OK品50PCS/扎扎好整齐摆放在线架上5.将不良品标示清楚并隔离四、工艺要求1.作业前检查物料、工具是否符合要求2.用卷尺测量尺寸是否在客户要求范围内3.各将不良品用红色盒子盛放,避免混淆。
1目的为加强产品之品质管理,确保出货品质稳定,特制定本规定.2范围凡本公司制造完成之产品,在出货前之品质管制,悉依本规定执行.3作业内容3。
1产品出货检验:3.1。
1仓管部依《出货通知单》数据,执行备料、包装之动作并以《出货单》通知品保部门.3.1。
2检验出库产品质量及监督装卸操作.3.1。
3监督仓库按先进先出原则出货。
3.1.4成品出货批次抽检率100%,并做检验记录.3.1.5对抽检不合格的成品做隔离和标识,并跟踪处理。
3。
1.6对抽检不合格的成品做出返工处理。
3.1。
7及时上交质量记录报表及反馈产品质量信息.3。
2检验项目:3.2.1所备材料是否与《出货通知单》一致,型号、数量。
3。
2。
2外箱之唛头或标示等须与实际规定确认符合.3。
3判定及处置:3。
3。
1若检验结果合格时,放置合格区.制造部门始准将该产品进行下一包装作业。
3。
3。
2若检验结果不合格时,并开立《异常处置与矫正措施单》给责任单位作原因分析及对策处理,整批产品必须退回制造部门做重检。
3。
4作业员素质要求a)熟悉内部文件及其它相关的各种技术文件。
b)熟练掌握《出货检验规范》及其它相关文件。
c)掌握各种检测仪器的使用,如:卡尺、仪器仪表、电子秤等.d)较好的语言书写表达能力和英文读写能力。
e)有高度的责任心和对异常的警觉性。
4相关文件4.1二级文件:无4.2三级文件:4.2.1《出货检验规范》4。
2.2《抽样方法作业指导书》4.3四级文件:4。
3。
1《出货检验报告》编制:审核: 批准:。
数据线出货检验作业指导书-CAL-FENGHAI.-(YICAI)-Company One1五金头(TPC)尺寸符合图纸要求,电镀层光亮,不得有氧化、花斑、伤痕、锈蚀五金头(USB)尺寸符合图纸要求,表面应无划伤、流痕、毛刺、裂痕、无明显缩痕、拖花等成型缺陷及其它机械损伤。
线身印字清晰、无印字残缺(印字按客户要求),外观注塑完好,无批峰、无擦伤、线身无破皮、铜屑、裂纹、污点、条纹等。
注塑外形及尺寸符合图纸要求扎线扎线颜色及扎线方式符合图纸规格要求包装包装规格及数量依图纸要求检查图示电气性能导通1、按图纸线序摆位要求进行调试参数,依电性测试作业指导书进行抽检测试,并作好测试记录表。
2、用万用表进行线位点测确保线位准确性。
耐压测试将样品放置在温度为40±2℃,湿度为90-95%环境箱内48 小时后取出,在芯线与芯线之间、芯线与外被绝缘层之间,施加DC300V 的直流电压,漏电流设为0.5mA,测试时间为1 秒,导体电阻参照相应图纸。
判定标准:在规定时间内DC 输出线材应能经受高压测试而无飞弧或击穿等不良。
绝缘阻抗测试将样品放置在温度为40±2℃,湿度为90-95%环境箱内48 小时后取出,在芯线与芯线之间、芯线与外被绝缘层之间施加DC300V 的直流电压,时间保持1 分钟。
判定标准:其绝缘电阻应≥30 MΩ检验方法及判定标准机械性能摇摆试验线规测试部位及项目测试条件及判定标准1185SR 及DC/迈克线号24AWG22AWG20AWG18AWG16AWG 吊重200g 200g 250g 300g 400g/其它五金头摇摆试验摇摆角度±90°摇摆频率35 次来回/分钟判定标准摇摆3000 次后, 导通性良好,断线率≤30%2468SR 及DC/迈克/其它五金头摇摆试验线号24AWG22AWG20AWG18AWG16AWG吊重200g 200g 200g 300g 400g摇摆角度±60°摇摆频率30 次来回/分钟摇摆数次1000 1500 2000 2000 2000判定标准摇摆相应次数后, 导通性良好,断线率≤30%2464SR 及DC/迈克/其它五金头摇摆试验线号24AWG22AWG20AWG18AWG16AWG吊重200g250g300g400g500g摇摆角度±90°摇摆频率30 次来回/分钟判定标准摇摆2000 次后, 导通性良好,断线率≤30%非标线按图纸要求检验方法及判定标准机械性能摇摆试验插拔试验插头规格迈克头(安卓)迈克头(迷你)TPC(华为)DC头USB(A公)插拔次数5000 8000 10000 5000 1500插拔速度25次/分钟25次/分钟25次/分钟25次/分钟25次/分钟判定标准测试完后插拔力不少于初始插拔力的30%测试完后插拔力不少于初始插拔力的30%测试完后插拔力不少于初始插拔力的20%测试完后插拔力不少于初始插拔力的20%测试完后插拔力不少于初始插拔力的20% 试验设备插拢试验机检验方法及判定标准机械性能盐雾试验试验设备:盐雾试验机单条成型好的线材在无包装、非操作状态下,置于温度为 35-40℃盐雾试验箱内,持续喷雾规定时间,试验后取出样品,用清水冲洗、擦干,在室温下放置4 小时后,进行外观检查。
数据线出货检验作业指导书数据线出货检验作业指导书一、引言本作业指导书旨在指导相关人员在数据线出货过程中进行检验,确保出货产品的质量符合标准,达到客户要求。
二、检验规范与标准1\检验规范:a) 严格遵循相关国家和地区的法律法规要求。
b) 遵循客户提供的技术要求和规范。
c) 遵循公司制定的内部检验规定。
2\检验标准:a) 外观:检查外观是否完好无损,无明显划痕、变形或其他瑕疵。
b) 尺寸:测量数据线长度、宽度、厚度等尺寸,确保符合标准要求。
c) 电性能:检测数据线的电阻、电压、电流等电性能指标是否符合要求。
d) 功能性能:通过连接测试设备检测数据线的传输性能、插拔性能等是否正常。
e) 包装:检查数据线的包装是否完好、标识是否清晰、配件是否齐全。
三、检验流程1\接收货物:a) 检查货物是否与发货单一致。
b) 检查货物外包装是否完好,有无明显损伤。
c) 检查包装上的标签是否清晰、准确。
2\检查外观和尺寸:a) 依次检查每个数据线的外观,确保无明显瑕疵。
b) 使用测量工具测量数据线的尺寸,并与标准要求进行比对。
3\进行电性能检测:a) 连接数据线到测试设备,并按照设备说明操作,检测电阻、电压、电流等指标。
b) 记录检测结果并与标准要求进行比对,判断是否合格。
4\进行功能性能检测:a) 将数据线分别连接到设备,测试传输性能和插拔性能。
b) 观察并记录测试结果,判断是否合格。
5\包装检查:a) 检查数据线的包装是否完好无损。
b) 检查包装上的标签是否清晰可读。
c) 检查包装中的配件是否齐全。
四、记录与报告1\检验记录:a) 在检验过程中,记录每个数据线的检验结果。
b) 记录箱体、批次等信息。
2\不合格品处理:a) 对于不合格的数据线,进行详细记录,并将其区分开来。
b) 按照公司规定的流程进行不合格品的处理,如返修、报废等。
3\检验报告:a) 汇总检验结果,检验报告。
b) 在检验报告中详细说明检验的结果及不合格品数量,并提出相应的改进措施。
数据线出货检验作业指导书一、目的和范围本作业指导书旨在规范数据线出货检验工作,确保产品质量符合要求。
本指导书适用于公司的数据线生产部门。
二、检验前准备1. 确保检验仪器设备正常工作,并进行校准。
2. 准备充足的样品数据线以供检验使用,并标识清晰。
三、检验项目1. 外观检查:检查数据线外观是否完整,是否有刮擦、变形等缺陷。
2. 尺寸检查:使用合适的测量工具,测量数据线长度、直径等尺寸指标,确保符合产品要求。
3. 强度检查:采用相应的强度试验方法,测试数据线的抗拉强度、插拔性能等,确保产品耐用性。
4. 电性能检查:使用专业的测试设备,对数据线的电阻、传输速率等关键电性能参数进行检测,确保产品符合标准要求。
四、检验流程1. 根据样品数量和检验要求,合理安排检验顺序和时间。
2. 将待检数据线清单与实际样品进行核对,确保一致性。
3. 依次进行外观检查、尺寸检查、强度检查和电性能检查。
4. 检测时,进行记录和标记,确保数据的准确性和可追溯性。
5. 对于不合格的数据线,进行封存和标识,同时记录不合格原因和数量。
五、不合格品处理1. 对于不合格的数据线,需要封存和标识,以防止误用。
2. 对于重要的不合格原因和数量,需要及时向生产部门和质量部门汇报,以便进行问题分析和改进措施。
3. 对于持续出现的不合格问题,需要及时和供应商进行沟通,找出根本原因并采取相应的改进措施。
六、记录和报告1. 在检验过程中,需要进行记录,包括检验日期、样品编号、检验结果等。
2. 检验结果需要及时统计,并编制出检验报告,详细说明合格品和不合格品的数量和原因。
七、注意事项1. 在进行检验时,要严格按照标准要求和操作规程进行操作,确保结果准确可靠。
2. 检验过程中,要注意操作安全,避免人身伤害和设备损坏。
3. 在检验过程中发现异常情况或问题,要及时上报,以便采取相应的纠正措施。
八、返工和改进1. 对于不合格品,需要进行返工和改进,确保产品符合要求。
出厂检验作业指导书引言概述:出厂检验作业指导书是一份重要的文件,它对于产品的质量控制和出厂标准的确保起到了关键作用。
本文将详细介绍出厂检验作业指导书的内容和结构,以及其中的五个主要部分。
一、产品信息1.1 产品描述:详细描述产品的型号、规格、用途和特点,确保检验人员对产品有全面的了解。
1.2 生产工艺:介绍产品的生产工艺流程,包括原材料采购、加工制造、装配等环节,以便检验人员了解产品的制造过程。
1.3 样品要求:明确产品的样品要求,包括尺寸、颜色、材质等,以便检验人员能够准确判断产品是否符合要求。
二、检验标准2.1 国家标准:列出产品所属的国家标准,包括质量标准、安全标准等,确保产品符合国家相关法规。
2.2 行业标准:介绍产品所属行业的标准要求,包括性能指标、技术要求等,以便检验人员能够按照行业标准进行检验。
2.3 公司标准:说明公司内部对产品质量的要求,包括外观要求、功能要求等,以便检验人员能够按照公司标准进行检验。
三、检验方法3.1 外观检验:详细介绍产品外观检验的方法和步骤,包括外观缺陷、颜色差异等方面的检验要求。
3.2 功能检验:说明产品功能检验的方法和步骤,包括性能指标、电气参数等方面的检验要求。
3.3 安全检验:介绍产品安全性检验的方法和步骤,包括电气安全、机械安全等方面的检验要求。
四、检验记录4.1 检验记录表:提供标准的检验记录表格,包括产品信息、检验项目、检验结果等,以便检验人员记录检验过程和结果。
4.2 异常处理:说明如何处理检验中出现的异常情况,包括不合格品的处理、异常情况的记录和报告等。
4.3 检验报告:介绍如何编写检验报告,包括报告的格式、内容要求等,以便将检验结果及时准确地反馈给相关部门。
五、质量控制5.1 过程控制:说明如何对生产过程进行控制,包括原材料的选择、生产工艺的控制等,以确保产品的质量稳定可靠。
5.2 抽样检验:介绍抽样检验的方法和步骤,包括抽样方案的确定、样品数量的计算等,以确保抽样结果的可靠性。
XX科技有限公司A-MAX TECHNOLOGY(CHINA)LTD 修订次:版次:A页次:2─────────────────────────────────────出货检验作业指导书1.目的本指导书旨在对出货产品进行软硬件兼容性等方面测试,确保出货产品满足客户需求。
2.范围本指导书适用于出货检验组之测试人员。
3.应用文件3.1 出货检验规范 (WD-08-001)3.2 IPQC检验规范 (WD-07-001)4.工作站之配置4.1硬件选择品保主管针对各机种测试难易程度,经济成本等因素决定出货检验各测试站的硬件配置,原则:适应市场流行硬件配置来配置,做到不同工作站配置不同主板,CPU硬盘等硬件设备。
(具体配置如附件一)4.2软件选择品保主管根据当前流行之软件(操作系统、应用软件等)来执行测试程序,可根据情况配置不同的操作系统及测试程序。
(具体配置如附件一)4.3测试流程各测试站根据以上所选定之软硬件配置及主管所选定之相应软件进行测试工作。
5.异常问题之处理5.1所有出货检验人员必须保持高度警觉性,具有良好的客户感觉,对于在产品测试过程中出现的任何异常均不可忽视,发现问题及时向主管反映。
5.2品保主管对出货检验人员所发现之异常问题进行确认,在必要时,将不良现象填写《品质异常状况表》反馈给技术单位。
5.3技术单位接到品保的《品质异常状况表》,应对不良现象进行研究解决,若品质出现较重大问题影响出货时,应报呈总经理室仲裁。
A-MAX TECHNOLOGY(CHINA)LTD 修订次:版次:A页次:3─────────────────────────────────────附件一OQC测试项目1.主板类(1)硬体配置CPU、RAM MODULE、FDD、HDD、电源、彩显、CD-ROM、显示卡(2)软体配置MS-DOS6.2、WINDOWS 95或以上版本、AUTOCAD2.显示卡类(1)硬体配置CPU、RAM、MODULE、FDD、HDD、电源、彩显、主机板、DRAM、CD-ROM(可选) 。
流程性文件
编制XX核准XX生效日期2016-12-12检验方法及判定标准
检验项目检验
部位
检验条件及判定标准
外观、尺寸
胶芯胶芯尺寸、颜色符合图纸规格要求
五金
头(T
PC)
尺寸符合图纸要求,电镀层光亮,不得有氧化、花斑、伤痕、锈蚀
五金
头(U
SB)
尺寸符合图纸要求,表面应无划伤、流痕、毛刺、裂痕、无明显缩痕、拖花
等成型缺陷及其它机械损伤。
线身
印字清晰、无印字残缺(印字按客户要求),外观注塑完好,无批峰、无擦伤、线身无破皮、铜屑、裂纹、污点、条纹等。
注塑外形及尺寸符合图纸要求
扎线扎线颜色及扎线方式符合图纸规格要求
包装包装规格及数量依图纸要求
检查
图示
电气性能导通
1、按图纸线序摆位要求进行调试参数,依电性测试作业指导书进行抽检测
试,并作好测试记录表。
2、用万用表进行线位点测确保线位准确性。
耐压
测试
将样品放置在温度为40±2℃,湿度为90-95%环境箱内48 小时后取出,在芯线与芯线之间、芯线与外被绝缘层之间,施加DC300V 的直流电压,漏电流设为0.5mA,测试时间为1 秒,导体电阻参照相应图纸。
判定标准:在规定时间内DC 输出线材应能经受高压测试而无飞弧或击穿等不良。
绝缘
阻抗
测试
将样品放置在温度为40±2℃,湿度为90-95%环境箱内48 小时后取出,在芯线与芯线之间、芯线与外被绝缘层之间施加DC300V 的直流电压,时间保持1 分钟。
判定标准:其绝缘电阻应≥30 MΩ
流程性文件
编制XX核准XX生效日期2016-12-12检验方法及判定标准
机械性能摇
摆
试
验
线规测试部位及项目测试条件及判定标准
1185
SR 及DC/
迈克/其
它五金
头摇摆
试验
线号24AWG22AWG20AWG18AWG16AWG
吊重200g 200g 250g 300g 400g
摇摆角度±90°
摇摆频率35 次来回/分钟
判定标准摇摆3000 次后, 导通性良好,断线率≤30% 2468
SR 及DC/
迈克/其
它五金
头摇摆
试验
线号24AWG22AWG20AWG18AWG16AWG
吊重200g 200g 200g 300g 400g
摇摆角度±60°
摇摆频率30 次来回/分钟
摇摆数次1000 1500 2000 2000 2000
判定标准摇摆相应次数后, 导通性良好,断线率≤30% 2464
SR 及DC/
迈克/其
它五金
头摇摆
试验
线号24AWG22AWG20AWG18AWG16AWG
吊重200g250g300g400g500g
摇摆角度±90°
摇摆频率30 次来回/分钟
判定标准摇摆2000 次后, 导通性良好,断线率≤30%非标
线
按图纸要求
流程性文件
编制XX核准XX生效日期2016-12-12检验方法及判定标准
机械性能摇
摆
试
验
插
拔
试
验
插头规格
迈克头(安
卓)
迈克头(迷
你)
TPC(华
为)
DC头
USB(A
公)插拔次数5000 8000 10000 5000 1500
插拔速度25次/分钟25次/分钟25次/分钟25次/分钟25次/分钟判定标准
测试完后插
拔力不少于
初始插拔力
的30%
测试完后插
拔力不少于
初始插拔力
的30%
测试完后插
拔力不少于
初始插拔力
的20%
测试完后插
拔力不少于
初始插拔力
的20%
测试完后插
拔力不少于
初始插拔力
的20% 试验设备插拢试验机
流程性文件
编制XX核准XX生效日期2016-12-12检验方法及判定标准
机
械性能盐
雾
试
验
试验设备:盐雾试验机
单条成型好的线材在无包装、非操作状态下,置于温度为 35-40℃盐雾试验箱内,持续喷雾规定时间,试验后取出样品,用清水冲洗、擦干,在室温下放置4 小时后,进行外观检查。
备注:
盐溶液是采用氯化钠和蒸馏水或去离子水配制,其浓度为(5±0.1)%;雾化前的盐溶液的pH值在6.5 –7.2(35±1℃)之间。
盐雾时间:24 小时,特殊要求时按照图纸要求。
判定标准:观察材料本体,本体不应出现5%以上面积明显的镀层脱落、起泡、本体锈蚀等现象。
镀层允许出现不超过10 个针点状氧化,且针点状氧化应分散分布在本体表面。
否则可判定为不良。
6.不良履历:
刮伤
划伤原材料不良,指纹印。