最新工程图面图号编制规则
- 格式:docx
- 大小:292.41 KB
- 文档页数:6
图纸图号编号规则引言图纸是工程设计中重要的工具之一,为了方便管理、索引和查找图纸,通常需要为每个图纸分配唯一的图号编号。
图纸图号编号规则可以确保图纸的唯一性,并提供了相关信息,方便人们快速定位图纸。
本文将介绍一种常见的图纸图号编号规则。
图纸图号编号规则概述图纸图号编号规则通常由一系列组成,每个组成部分表示不同的信息。
下面是一个常见的图纸图号编号规则的例子:A/B/C/D/E/F其中,A代表项目编号,B代表子系统或设备编号,C代表图纸类型,D代表图纸序号,E代表版本号,F代表修订号。
项目编号项目编号是用来标识不同项目的唯一序号。
它通常由几个数字组成,根据具体需求可以分配给不同项目。
项目编号可以根据公司的规定进行分配,也可以根据项目的先后顺序进行分配。
子系统或设备编号子系统或设备编号用于标识不同的子系统或设备。
它可以根据工程设计的需求进行分配,也可以根据具体项目的要求进行定义。
子系统或设备编号通常由字母和数字组成,也可以使用符号进行标识,比如使用斜杠(/)分隔不同的子系统或设备。
图纸类型图纸类型用于标识不同类型的图纸,比如平面图、剖面图、细部图等。
它可以使用字母或数字进行标识,也可以使用符号进行表示。
图纸类型通常是根据具体项目的要求和行业标准进行定义的。
图纸序号图纸序号是用于标识同一类型图纸中的不同图纸的序号,通常由数字组成。
图纸序号可以根据工程设计的需要进行分配,也可以根据图纸绘制的次序进行定义。
版本号和修订号版本号和修订号用于标识图纸的版本和修订情况。
版本号通常由数字组成,表示图纸的不同版本。
修订号通常由字母和数字组成,表示图纸在同一版本中的不同修订。
示例下面是一个示例图纸图号编号规则的完整示例:01/002/03/001/Rev.01该图纸图号编号的含义如下: - 项目编号为01 - 子系统或设备编号为002 - 图纸类型为03,表示为细部图 - 图纸序号为001 - 版本号为Rev.01,表示为第一版修订结论图纸图号编号规则是工程设计中的重要工具,它能够保证图纸的唯一性,并提供了相关的信息,方便人们对图纸进行管理和查找。
图纸编号管理制度一、总则为规范图纸编号的管理,提高图纸管理效率,保障项目建设质量,特制定本制度。
二、适用范围本制度适用于公司内所有项目的图纸编号管理工作。
三、图纸编号的原则1、唯一性原则:每份图纸应有唯一的编号,不得重复。
2、规范性原则:图纸编号应符合公司规定的格式和规范。
3、一致性原则:同一项目内的图纸编号应保持一致。
四、图纸编号管理责任1、工程部门负责图纸的编制、审批和管理工作。
2、项目经理负责对项目内图纸编号的监督和检查。
3、公司管理部门负责制定和修订相关的图纸编号管理制度。
五、图纸编号的编制规范1、图纸编号由字母和数字组成,例如:TD001、TD002等。
2、字母部分代表项目名称,如“TD”代表某个项目的图纸。
3、数字部分代表图纸的顺序,按照编制顺序递增。
4、图纸编号应在图纸上清晰标注,不得模糊不清。
5、新建项目的图纸编号应从001开始,后续顺序递增。
六、图纸编号管理流程1、图纸编制:工程部门根据项目需求编制图纸,并填写编号。
2、审批签发:项目经理审查图纸并签发,确认编号正确。
3、备案存档:公司管理部门将图纸编号记录并存档,备查。
4、使用管理:工程部门使用图纸时应核对编号是否正确。
5、变更管理:如有图纸变更,应及时调整图纸编号。
七、图纸编号管理制度的执行1、所有项目部门应遵守本制度,并严格执行图纸编号管理规定。
2、如有违反本制度的行为,将进行相应的处理,严肃负责。
3、在实际应用中如有需要修改的地方,应及时向管理部门提出,经批准后方可执行。
八、附则本制度经公司领导小组审定,并于XX年XX月XX日正式执行。
以上为图纸编号管理制度的详细内容,希望各部门遵守执行,确保项目的顺利进行和质量保障。
图号编码规则及项目存档管理
为便于图档管理及查询,特编制此规则。
一. 零件图编码:P 1 - 2 - 3 - 4
P:表是零件图(part缩写)
1:客户编号
按客户先后顺序建立档案并编号,从1,2...往后延续。
如:1-日立2-元盛3-AUO
2:项目+模组编号
项目按先后顺序编号,从1,2...往后延续。
如:1-清洗机2-贴片机
模组按A、B、C…等编号;若无模组划分,此处不填。
3:流水号
流水号用4位表示,前三位从001-999,最后一位0-9表示
版本号。
4:中文名称
此处填写零件图名称,与工程图名称一致。
二.组装图编号:A 1 - 2 - 3 - 4
A:表示组装图(Assemble的缩写)
编号同零件图一致
三. 标准件编码:STD- 1 - 2 - 3 - 4 - 5 - 6
1-4同零件图编号,5为标准件型号,6为标准件厂牌。
备注:工程图编号与零件图一致。
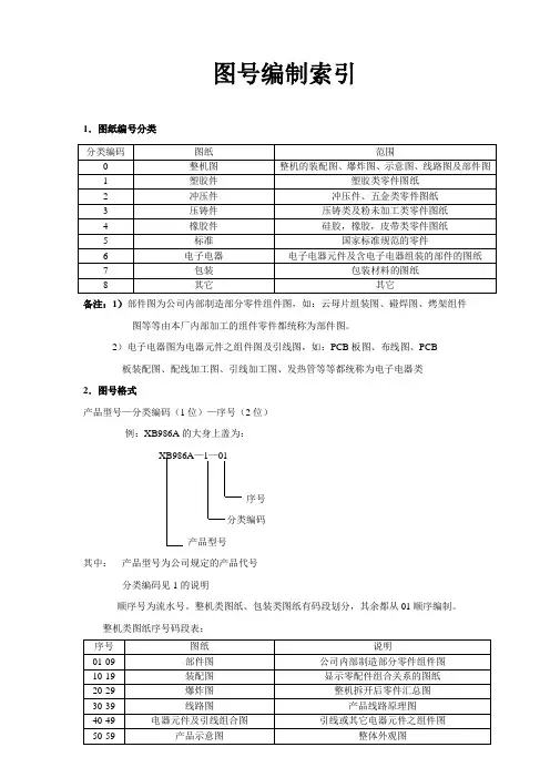
图号编制索引
1.图纸编号分类
备注:1)部件图为公司内部制造部分零件组件图,如:云母片组装图、碰焊图、烤架组件图等等由本厂内部加工的组件零件都统称为部件图。
2)电子电器图为电器元件之组件图及引线图,如:PCB板图、布线图、PCB
板装配图、配线加工图、引线加工图、发热管等等都统称为电子电器类
2.图号格式
产品型号—分类编码(1位)—序号(2位)
例:XB986A的大身上盖为:
XB986A—1—01
序号
分类编码
产品型号
其中:产品型号为公司规定的产品代号
分类编码见1的说明
顺序号为流水号。
整机类图纸、包装类图纸有码段划分,其余都从01顺序编制。
整机类图纸序号码段表:
包装类图纸序号码段表:
3.规则说明
1)同一零件在借用时,只能用一个图号,尽量借用同一个产品。
2)同一零件改模时,图号不变,只变版本号。
用ECN通知IT部、PMC、采购、生产、品检等相关部门注意相关事项。
3)序号编制顺序,在符合上述码段规则的情况下,先从最上层编起,按上述类别类别顺序编制,同一类别中原则上按由大到小,重要到次要的顺序编制。
编完后,再编下一层,以此类推。
4)组件的类别划分,含电子电器的归于电子电器类,不含电子电器的原则上按组件中最大的,分不出大小按最重要的零件划分类别。
5)采购的标准件不需图纸,BOM及相关技术文件将规格、型号描述清楚。
关于编制工程图号的管理办法为了使档案室对工程图纸及资料进行更高效快捷的归档管理与提取,针对现在图号混乱的现象,制定以下管理办法。
一、各设计类型工程图纸图号编制办法:1、合同类型为建筑类·工程编号:与合同编号一致(04设GJ01-001)·设计阶段(五个): ①方案②方案报建③初步设计④施工报建⑤施工图·图号:建筑专业J-01结构专业G-01给排水专业S-01电气专业D-01空调、通风专业F-012、合同类型为人防类·工程编号:与合同编号一致(04设RF01-001)·设计阶段(五个): ①方案②方案报建③初步设计④施工报建⑤施工图·图号:建筑专业RF-J-01结构专业RF-G-01给排水专业RF-S-01电气专业RF-D-01空调、通风专业RF-F-013、合同类型为装修类·工程编号:与合同编号一致(04设ZX01-001)·设计阶段(三个): ①方案②消防报建③施工图·图号:建筑专业ZX-J-01给排水专业ZX-S-01电气专业ZX-D-01空调、通风专业ZX-F-014、合同类型为景观类·工程编号:与合同编号一致(04设JG01-001)·设计阶段(五个): ①方案②方案报建③初步设计④施工报建⑤施工图·图号:景观专业JG-J-01结构专业JG-G-01电气专业JG-D-01给排水专业JG-S-01另:图纸目录不需编图号二、图纸修改后的图号编制方法·图纸经过修改重新出图,原图纸作废。
在各图号后冠以小写字母,第一次修改为a,第二次修改为b如此类推。
如建筑专业第一次修改图纸图号为:J-01a,第二次为:J-01b。
·图纸经过修改出补充图纸的,原图纸保留。
在各图号后加一杆后再冠以数字,第一份补充图纸为-1,第二份补充图纸为-2。
如建筑专业第一份补充图纸图号J-01-1,第一份修改图的补充图的图号J-01a-1。
图纸图号编号规则引言在工程设计和制造领域,图纸是沟通设计意图、传递工作信息的重要工具。
为了保证图纸的管理和使用的高效性,通常会采用图纸图号编号规则来给每个图纸进行唯一标识和分类。
本文将介绍图纸图号编号规则的基本概念和常见的编制方法。
图纸图号编号规则的目的图纸图号编号规则的主要目的是管理图纸并保证其易于查找和使用。
通过统一的图号编号规则,可以实现以下几个方面的管理目标: - 确保每个图纸有唯一的标识,避免图纸混淆或丢失; - 方便查找和检索图纸; - 实现对图纸的分类和归档。
图纸图号编号规则的基本要素图纸图号编号规则由以下几个基本要素组成:1. 项目代码:项目代码是用于区分不同项目的标识,通常由项目名称的首字母组合而成。
例如,一个名为“ABC工程”的项目可以用“ABC”作为项目代码。
2. 子系统代码:子系统代码是用于区分不同子系统的标识,通常由子系统名称的首字母组合而成。
例如,一个包括机械、电气和控制三个子系统的项目,可以分别使用“M”、“E”和“C”作为子系统代码。
3. 图纸类型代码:图纸类型代码是用于区分不同图纸类型的标识,通常由图纸类型名称的首字母组合而成。
例如,机械图纸可以用“M”表示,电气图纸可以用“E”表示。
4. 序号:序号是用于标识同一类型图纸中的不同版本或不同分部的标识,是图纸图号的最后一部分。
通常使用数字进行标识,例如“001”、“002”等。
图纸图号编号规则的示例以一个名为“ABC工程”的项目为例,假设其中包含机械、电气和控制三个子系统,并且每个子系统都有不同类型的图纸,可以采用如下图纸图号编号规则: - 项目代码:ABC - 机械子系统:M - 电气子系统:E - 控制子系统:C - 机械图纸:M - 电气图纸:E - 控制图纸:C - 序号:001、002、003…根据上述规则,不同类型的图纸图号可以表示如下: - 机械图纸:ABC-M-M-001、ABC-M-M-002… - 电气图纸:ABC-E-E-001、ABC-E-E-002… - 控制图纸:ABC-C-C-001、ABC-C-C-002…图纸图号编号规则的管理实践在实际的项目管理中,为了更好地管理和使用图纸,可以采用以下的管理实践: 1. 使用项目管理软件或文档管理系统进行图纸的分类、归档和查找; 2. 设立专门负责图纸管理的岗位或团队,并规定图纸的审批和发布流程; 3. 进行定期的图纸检查和校对,确保图纸的有效性和正确性; 4. 定期更新和优化图纸图号编号规则,使其适应项目的发展和变化。
工程设计图纸编制规定在工程建设领域,设计图纸是项目实施的重要依据,其质量和准确性直接影响着工程的质量、进度和成本。
为了确保工程设计图纸的规范性、完整性和准确性,提高设计效率和质量,特制定本工程设计图纸编制规定。
一、图纸幅面及格式1、图纸幅面应根据工程规模、复杂程度和使用需要,选用国家标准规定的幅面尺寸,如 A0、A1、A2、A3、A4 等。
2、图纸格式应包括图框、标题栏、会签栏等内容。
图框应采用粗实线绘制,其尺寸应符合国家标准。
标题栏应位于图纸右下角,包括设计单位名称、项目名称、图纸名称、图号、比例、日期、设计人员签名等信息。
会签栏应位于图纸左侧上方,用于相关专业人员签字。
二、图线1、图线的宽度应根据图纸的类别、比例和复杂程度选用,一般分为粗、中、细三种线宽,其比例宜为 4:2:1。
2、常用的图线类型包括实线、虚线、点划线、双点划线等,应根据不同的用途正确选用。
例如,实线用于表示可见轮廓线,虚线用于表示不可见轮廓线,点划线用于表示中心线、对称线等。
三、字体1、图纸中的汉字应采用长仿宋体,字高不应小于 35mm。
数字和字母一般采用斜体,字高应与汉字协调。
2、字体的大小应根据图纸的比例和图面的复杂程度选用,以保证清晰可读。
四、比例1、应根据工程的实际尺寸和图纸幅面选择合适的比例,常用的比例有 1:100、1:200、1:500 等。
2、同一套图纸中,各图的比例应尽量统一,特殊情况下可采用不同比例,但应在图名中注明。
五、图例1、对于图纸中使用的各种符号、图形和标识,应制定统一的图例,并在图纸中注明图例的名称和含义。
2、图例应简单明了,易于理解,且符合相关标准和规范。
六、图纸内容1、总平面图应包括用地范围、建筑物、构筑物、道路、绿化、管线等的布置,以及地形、地貌等信息。
应标注建筑物的坐标、标高、间距、层数等主要尺寸和指标。
2、建筑平面图应表示建筑物各层的平面布局,包括房间的名称、尺寸、门窗位置、墙体厚度等。
工程设计图纸编号规定1 目的为统一设计各阶段、各专业设计输出文件标识,防止设计、施工、安装过程中混淆和误用设计文件。
2 适用范围适用于工程项目的各设计阶段,包括:a) 工程设计,包括可行性研究报告、初步设计、施工图设计;b) 通用设计;c) 非标设备设计。
3 相关文件MDS-03-2010《工程设计设备编号规定》MDS-04-2010《设备设计图纸编号规定》MDS-05-2010《设计图标使用规定》4 职责设计部负责工程设计图纸编号的确定和修改(需要时)。
具体工作为:a) 工程名称、工程代号的确定;b) 子项名称、子项代号的确定和修改(需要时);c) 图纸编号的确定和修改(需要时)。
各设计所负责对工程计图纸编号的正确使用。
5 程序5.1 设计文件标识管理5.2 工程项目设计图纸编号5.2.1 可行性研究图纸编号K×××—××—××工程代号—专业代号设计阶段代号—图纸序号图纸序号由工程总设计师按可行性研究报告各专业的先后顺序排列。
5.2.2 初步设计图纸编号a) 当某些专业图纸分子项时,其图纸编号为:K×××—×××—××—××工程代号—子项代号—专业代号设计阶段代号—图纸序号b) 当某些专业图纸不分子项时,其图纸编号为:K×××—××—××工程代号—专业代号设计阶段代号—图纸序号c) 图纸序号由各专业负责人按子项、按顺序排列。
5.2.3 施工图设计图纸编号(非标准件图纸编号见5.6.2)K×××—×××—××—××工程代号—子项代号—专业代号设计阶段代号—图纸序号5.2.4 图纸序号图纸序号由各设计人按图纸顺序排列(服从国家规定的常规顺序或施工顺序),取二位数,从01开始。
工程图图号编制方法
(供参考)
工程图图号由一组或多组符号、数字或符号和数字共同混合组成。
第一组为机床型号,第二组为部件代号,第三组为零件代号。
组与组之间用“—”隔开。
图号示意: XXXXXX—X—X
如:CK6136 表示CK6136数控车床
CK6136—4 尾座表示CK6136数控车床的部件—尾座
CK6136—4—7 手轮表示CK6136数控车床尾座的零件—手轮
更小零件的图号:
当某零件由两个以上更小的零件组成(或焊接、铆接成)一体独立使用时,其中的更小零件需加工,也必须出工程图,这时可在该零件代号后加更小零件的代号来表示,他们之间用小数点隔开。
如:CK6136—4—7.2 把手表示CK6136数控车床尾座手轮的组成零件—把手
车床编号:
机床型号编制:
符号原则按国家标准,如“C”表示车床,其它部分可以自主编号或参考其它厂家型号,以便通用。
部件代号统一如下:
1床身部分(包括底座)
2主轴箱部分
3马鞍(大、中、小拖板)部分
4尾座部分
5传动系统部分
6润滑部分
7冷却部分
8防护罩部分
D 电器部分(包括照明等)
K 控制部分
如果某项部件空缺则该项代号空缺,如有的车床没有尾座,则尾座代号“4”空缺不用。
2013-9-27。
图纸图号编制要求
1.总则:
本公司图纸及有关技术文件的图号需按照规定的要求编制,图号共由:
三部分组成。
每部分的详情分别按下列要求执行。
2.编制部门:
该部分由编制图纸或技术文件的部分代号组成,本公司的主要部门代号分别为:
技术科———HJS 船体车间———HCT
质检科———HZJ 机电车间———HJD
船坞车间———HCW 涂装车间———HTZ
动力设备科———HDS 规划建设科HGJ 注:其余需出图部门相应编号在技质部备案。
3.产品工程编号:
该部分由公司工程的工程编号组成,如威航之星船修理的工程编号为VR0672A,则该工程图纸第二部分由VR0672A 组成。
4.类别、序列号:
类别分为总体、船体、机械、电器、涂装等部分,代号分别为Z、C、J、D、T等。
序列号由所编制图纸或技术文件的序列号组成,序列号由
00~99两位数组成。
5.示例:
由技术科编制的威航之星船修理工程轮机部分图纸,图号为第8份,则该图图号为:
HJS—VR0672A—J08。
图纸(图号)编码规则1、目的为公司各种设计图纸文件的管理、发放、使用的有序和控制。
2、适用范围适用公司的所有设计图纸文件。
3、职责和权限责任人负责编制、修改,项目负责人负责审核,经理室负责批准。
4、编码规则和结构:4.1 PCB、电路图图纸:4.1.1 类别ZP——主板DY——电源板AJ——按键板QD——驱动板GYT——高压条 JS——接收板SN——声纳板ZJ——转接板LED——LED灯条SD——SD卡线路板FK——原理方框图FA——安装方案图4.1.2 序列号按画图的顺序编号4.1.3 版本号根据图纸的更改变动依次用数字升版。
例:第一版01,第二版02。
4.2 CAD图纸4.2.1 类别WK——外壳图(外观)QK——前壳HK——后壳CB——侧面壳或侧面安装板BK——边框BB——后壳背包XJ——小角AZ——安装板、隔离板、尾板、挡板DZ——底座、支架AJP——按键皮 BL——玻璃PM——泡沫ZX——纸箱XL——纸箱丝印NH——内盒、内垫、隔板MJ——模具、治具、夹具BQ——标签、标贴、铭牌、保修卡、合格证DX——导线FS——防水圈YP——压片SR——耳朵螺母OT——其它(除以上列的以外的)4.2.2 序列号按画图的顺序编号。
4.2.3 版本号根据图纸的更改变动依次用数字升版。
例:第一版01,第二版02。
5、相关文件《技术文件管理规定》6、质量记录《文件管理单》《文件发放/回收记录》。
工程图最新标准规范工程图最新标准规范是确保工程设计准确性和一致性的关键,它涵盖了从图纸的制作到审查的各个环节。
以下是一些关键点,用于指导工程师和设计师在遵循最新标准规范时应注意的事项:1. 图纸格式:所有工程图纸应遵循国际标准(如ISO或ANSI)规定的图纸尺寸和比例。
图纸应清晰地标识出标题栏,包括项目名称、图纸编号、日期、比例、设计师签名等信息。
2. 图层管理:使用图层管理以确保图纸的可读性和修改的便捷性。
每个图层应有明确的命名规则,以区分不同的设计元素,如结构、电气、管道等。
3. 线型和线宽:根据ISO或ANSI标准,使用不同的线型和线宽来表示不同的设计元素,如中心线、轮廓线、隐藏线等。
4. 尺寸标注:尺寸应清晰、准确,并遵循标准标注规则。
尺寸线应与所标注的元素平行或垂直,尺寸数字应放置在尺寸线的中点。
5. 公差标注:所有尺寸都应标注公差,以保证制造过程中的精度要求。
公差应根据ISO或ANSI标准进行标注。
6. 材料标注:图纸上应明确标注所需材料的类型、等级和规格,以确保材料的正确使用。
7. 焊接和连接符号:焊接和连接的符号应遵循焊接标准,清晰地表示焊接类型、尺寸和方向。
8. 注释和说明:所有特殊要求和说明应以注释的形式出现在图纸上,确保施工人员能够理解设计意图。
9. 图纸审查:在图纸发布前,应进行严格的内部审查,确保所有设计元素符合规范要求,没有遗漏或错误。
10. 电子图纸:随着技术的发展,电子图纸的使用越来越普遍。
确保电子图纸格式兼容,且能够在不同的设备和软件中打开和编辑。
11. 更新和修订:工程图应定期更新,以反映设计变更和修订。
所有修订都应清晰地标注在图纸上,并记录修订日期和修订人。
12. 可持续性:在设计过程中考虑环境影响,使用可持续材料和设计方法,以减少对环境的负面影响。
13. 安全标准:确保所有设计符合当地的安全法规和标准,包括但不限于建筑安全、电气安全和机械安全。
14. 国际合作:在跨国项目中,应考虑不同国家的工程标准和规范,确保设计在全球范围内的适用性。
图纸怎么编号管理制度第一章总则第一条为规范图纸编号管理工作,提高图纸管理效率,保证图纸管理工作的准确性和可靠性,根据相关法律法规,制定本制度。
第二条本制度适用于全公司所有部门的图纸编号管理工作。
第三条公司内部图纸编号管理的具体任务由设立图纸管理工作小组负责,个部门要加强与图纸管理工作小组的协作。
第二章图纸编号的原则第四条图纸编号应具有唯一性和顺序性,且易于管理和查找。
第五条图纸编号采用数字和字母的组合方式进行编制,以便于记录和查询。
第六条图纸编号的编制应符合公司内部相关规范,并由图纸管理工作小组统一制定。
第三章图纸编号的编制和管理第七条新建图纸的编号应在图纸完成前确定,并按照规定的格式进行编制和登记。
第八条图纸编号的编制原则上应遵循“大系统-子系统-分系统-图幅-版本号”的结构。
第九条图纸编号的管理应建立图纸档案,确保图纸的完整性和正确性。
第十条图纸编号一旦确定,不得擅自更改,如有特殊情况需更改,应报告图纸管理工作小组,经批准后方可更改。
第四章图纸编号的使用第十一条所有参与图纸管理的人员都应遵守图纸编号管理制度,严禁私自更改图纸编号。
第十二条在图纸变更或更新时,应及时调整图纸编号,确保图纸的连贯性和统一性。
第十三条图纸编号应在图纸上清晰可见,并在相关档案中备查。
第五章图纸编号的监督和检查第十四条每月图纸管理工作小组应对图纸编号管理情况进行检查和评估,及时发现问题并加以解决。
第十五条定期对图纸档案进行检查,确保图纸的存储和管理符合规范要求。
第十六条如发现图纸编号管理不当的情况,应及时整改,并对责任人进行追究。
第六章附则第十七条本制度自颁布之日起生效,如有进一步修改,应经公司领导同意后方可生效。
第十八条违反本制度规定的,将依据公司相关规章制度进行处理。
第十九条本制度解释权归公司图纸管理工作小组所有。
以上就是图纸编号管理制度的内容,希望公司全体员工能够认真遵守,确保图纸管理工作的顺利进行。
关于工程设计图标编写的规定一、图纸的工程号编写采用两段法。
即“年度号、设计项目序号――子目工程号”如“9001-1” 。
二、年度号、设计项目序号由生产技术统一下达。
子项工程号及项目名称由项目负责人负责确定,并在各专业人员中统一。
关于工程设计图标编写的规定一、图纸的工程号编写采用两段法。
即“年度号、设计项目序号――子目工程号”如“9001-1” 。
二、年度号、设计项目序号由生产技术统一下达。
子项工程号及项目名称由项目负责人负责确定,并在各专业人员中统一。
三、子项工程号按每一个单项工程编一个子项号总图号用“0”代表,如“9001-0” 代表总图。
每一个单项工程依次编为1、2、3······ 。
四、“图别”栏内按不同阶段填写。
方案设计阶段,填“建方” 、“水方”、“电方”。
初步设计阶段填“建初”、“水初”;“电初”。
施工图填“建施”、“结施”、“水施”、“电施”;总图则填写“总建施”、“总水施”、“总电施”;若为通用图则填写“建施通”、“结水通”、“水施通”;“电施通”若为修改图则填写“建施修”、“结施修”、“水施修”、“电施修”。
五、“图号”栏内一般只填写纸顺序号,用1、2、3······自然表示。
六、图签上的“校对”、“审核”、“审定”三项必须有二人以上签字。
“审核”须由中级以上专业技术人员签字,“审定”由总师签字。
七、图纸目录的填写:按子项工程建施、结施、水施、电施的顺序填写。
其顺序号需与图标中图号栏内顺序号一致,目录中除顺序编写本次所画图纸外,还需详细填写复用图纸的目录以及通用图纸的目录,同时写明每张图纸的大小型号。
八、如发现图纸未按定编写,则必须修改后才能晒图。
图纸编号规范随着建筑行业的发展,图纸作为建筑项目的重要文件,扮演着至关重要的角色。
图纸编号则是图纸管理的重要环节,它为图纸的查找、归档、更新等管理工作提供了基础。
但是,在实际工作中,图纸编号往往存在着规范不统一、编号混乱等问题。
因此,制定一套图纸编号规范显得十分必要。
一、编号规范的制定为了解决现有的编号管理问题,我们需要总结以往的管理经验,借鉴国内外成功案例,编制出一套符合行业标准的编号规范。
规范应包含以下内容:1. 编码说明:详细解释编码中每个字符的含义,例如项目代号、专业代号、构件代号等。
2. 编号分类:根据建筑项目的不同阶段进行分类,如施工图阶段、设计图阶段等。
3. 编号命名方法:采用类似“项目代号——设备编号”的命名方式,其中,“项目代号”为项目的唯一标识;“设备编号”由设备的种类和地点进行组合,例如“AHU-2F-01”表示空气处理机组,位于二楼,序号为01。
4. 编号长度及编号限制:编号应设置长度限制,防止出现过长的编号。
同时,在编号中应规定不能使用一些特殊字符,如空格、符号等。
二、编号规范的实施制定完编号规范之后,还需要对其进行实施。
首先,需要对所有的图纸重新进行编号,并在编号之后标注出各个构件的位置。
其次,在制定编号时,应加强各专业之间的沟通,避免出现编号冲突的情况。
最后,需要在所有的图纸上标注编号规范,以便后续工作的管理和查阅。
三、编号规范的好处制定编号规范的好处是显而易见的。
一方面,规范的编号可以大大提高图纸管理的效率,减少图纸的丢失和遗漏。
另一方面,它可以有效地提高施工图的准确性和质量,避免出现误差和重复设计的情况。
同时,编号规范也可以使各专业之间的合作更加协调,避免出现因编号分歧而引起的沟通困难。
四、结语因此,规范的图纸编号管理不仅是建筑项目管理中的一项基础工作,而且也是提升工作效率、促进各专业协作的重要一环。
通过对编号规范制定和实施的完善,可以有效地提高施工图编制工作的效率和质量,为项目的顺利完成提供坚实的保障。
图层有区别于模具图纸,规定同一组图纸内,各层分别对应相应的内容。
标注模式尺寸标准有两种模式:一般标示和坐标标示。
标注事例:孔位较多且零件尺寸复杂的,建议采用坐标标示 简单或大型零件采用一般标示。
AutoCAD 中文字样式设定标准为:技术说明部分:字体为:宋体 高度为:材料: SKD61数量: 1件硬度: H RC52°±1°未注倒角: C1未注拔模斜度: 1°型腔尺寸参照3D常用快速表达相同用途且大小规格相同的孔位,建议使用字母标识,并另做说明.例:A :2-M8X12 粗牙/通牙 B :2-Φ 慢走丝线割孔/通孔 C: 2-Φ10 钻孔/通孔 公差及粗糙度公差表达分小数点位表达和偏差表达。
在一般图面设计中直接采用小数点位表达,依据标题栏中范围进行公差控制。
涉及到孔轴配合和间隙配合使用小数点位表达不能保证配合精度的前提下,可采用偏差表达一般外形尺寸及非配合尺寸采取一位小数,涉及到配合尺寸采取2位小数()或3位小数()表面粗糙度统一标示为,组立面及重要外形面标示为,配合面标示为.模具编号标准产品编号:如:AA01-001锻造胚图:A-01成品检验胚图: B-01电极:E101检具:Z101工站类别:下料:L101冲孔:C101成型一:F101成型二:F201成型三:F301成型四:F401切边:Q101精孔:J101工装(夹具)图:W1-01装配图:F100工站类别注解:L代表下料,C代表冲中孔,F代表成型,Q代表切边,J代表精孔,W代表工装,00代表装配图.模治具编号(图号): 001A0L101 模具装配图图号: 001A0L100工装图号:500TA1W01 工装装配图图号: 500TA1W00注解:001:本厂流水号,A0:设变版本号,L1:工站类别,01流水序号.500T:机台吨位,冲压产品编码标准产品编码(1)编码:**-*****-***注释:**:前面一码为设变流水码 0:无设变 1:设变1次 2:设变2次…以此类推;后一码为单件及组件识别码: A:单件 B:组件;(2) *****:为模具编号及产品材质识别码注释:*****:前四码为模具流水号,如0038表示模具编号是0038;后一码是产品材料识别码:见下表(3)***:前面两码为工序流水号码, 00:原材料 01:第一工序 02:第二工序,以此类推;后一码为工序类别码,见下表标题栏填写内容说明标题栏内包含图档的客户代码、客户料号、客户名称、厂内料号、模具编号、视图方式、材质、表面处理、等内容。
图样代号编制规则1、图号编制可采用下列字符0~9阿拉伯数字A-Z拉丁字母(O、I除外)-短横线2、一般要求每个产品、部件、零件的图样和文件均应有独立的代号。
(1)采用表格图时,表中每种规格的产品、部件、零件都应标出独立的代号。
(2)同一产品、部件、零件的图样用数张图纸绘制时,各张图样标注同一代号。
(3)同一CAD文件作用两种以上的存储介质时,每种存储介质中的CAD文件都应标注同一代号。
(4)通用件的编号应参照JB/T5054.8或按企业标准规定。
(5)借用件的编号应采用被借用件的代号。
3、机械零件图样代号编制规则零件图样代号规则:“机器代号-机器系列区分代号-零件编号-附加编号-改进号”以自动磨机为例:ZDMJ —20T —1010 —01 — A自动磨机—20头—编号1010 —附加号01 —第一次重大改进3.1机器代号机器名称代号机器名称代号全自动花岗岩条板抛光机ZDMJ 双锁紧桥式切石机HSGJ-1600线外线桥式切石机DNWQ 液压锁紧柱式切石机DZQ-1600桥式中切机HSQ-1200 龙门切石机HSQ-3500单刀横切机DDHQ 手摇切边机HSQB烧花机SHJ 矿山荒料双刀切石机HSKS仿型柱座柱帽切机HSZM-2500 电脑仿型线条机DNFX异形磨边机HSMB-3800 手扶磨光机HSM-260A磨台HSM-260B 工地轻便切机HSQC-IO(暂留)(暂留)(暂留)(暂留)(暂留)(暂留)注:1、以上代号为已使用的代号,继续沿用,不再进行修改。
2、本规则正式实施后,机器的代号均由4位拉丁字母组成,并且不能以上述代号重复。
3、每种新机器研发成功后,都应该将代号补充到上表内。
4、暂留空不够时,可附表。
附表文件编号:5.1.2.2顺序号(1)顺序号由1位阿拉伯数字组成。
(2)以自然数1、2、3……递增。
5.1.3零件号(1)零件号由2位阿拉伯数字组成。
(2)以01、02、03……递增。
图层有区别于模具图纸,规定同一组图纸内,各层分别对应相应的内容。
标注模式
尺寸标准有两种模式:一般标示和坐标标示。
标注事例:
孔位较多且零件尺寸复杂的,建议采用坐标标示 简单或大型零件采用一般标示。
AutoCAD 中文字样式设定标准为:
技术说明部分:字体为:宋体 高度为:
材料: SKD61数量: 1件
硬度: H RC52°±1°未注倒角: C1未注拔模斜度: 1°
型腔尺寸参照3D
常用快速表达
相同用途且大小规格相同的孔位,建议使用字母标识,并另做说明.
例:A :2-M8X12 粗牙/通牙 B :2-Φ 慢走丝线割孔/通孔 C: 2-Φ10 钻孔/通孔 公差及粗糙度
公差表达分小数点位表达和偏差表达。
在一般图面设计中直接采用小数点位表达,依据标题栏中范
围进行公差控制。
涉及到孔轴配合和间隙配合使用小数点位表达不能保证配合精度的前提下,可采用偏差表达
一般外形尺寸及非配合尺寸采取一位小数,涉及到配合尺寸采取2位小数()或3位小数()
表面粗糙度统一标示为,组立面及重要外形面标示为,配合面标示为.
模具编号标准
产品编号:如:AA01-001
锻造胚图:A-01
成品检验胚图: B-01
电极:E101
检具:Z101
工站类别:
下料:L101
冲孔:C101
成型一:F101
成型二:F201
成型三:F301
成型四:F401
切边:Q101
精孔:J101
工装(夹具)图:W1-01
装配图:F100
工站类别注解:L代表下料,C代表冲中孔,F代表成型,Q代表切边,J代表精孔,W代表工装,00代表装配图.
模治具编号(图号): 001A0L101 模具装配图图号: 001A0L100
工装图号:500TA1W01 工装装配图图号: 500TA1W00
注解:001:本厂流水号,A0:设变版本号,L1:工站类别,01流水序号.
500T:机台吨位,
冲压产品编码标准
产品编码
(1)编码:**-*****-***
注释:**:前面一码为设变流水码 0:无设变 1:设变1次 2:设变2次…以此类推;
后一码为单件及组件识别码: A:单件 B:组件;
(2) *****:为模具编号及产品材质识别码
注释:*****:前四码为模具流水号,如0038表示模具编号是0038;
后一码是产品材料识别码:见下表
(3)***:前面两码为工序流水号码, 00:原材料 01:第一工序 02:第二工序,以此
类推;
后一码为工序类别码,见下表
标题栏填写
内容说明
标题栏内包含图档的客户代码、客户料号、客户名称、厂内料号、模具编号、视图方式、材质、表面处理、等内容。
每一个图档对应的标题栏内容唯一确认,不允许不同图档
存在相同标题栏。
标题栏字体均为:宋体
图示
工程图框
设计图框。