同步碎石封层及微表处试验段总结
- 格式:doc
- 大小:93.50 KB
- 文档页数:10
石屑封层试验段总结石屑封层试验段总结一、试验目的本合同段部份路面基层已施工完成,相应具备路面封层的开工条件。
为保证封层的顺利实施和施工质量,拟先进行试验路施工。
通过试验路施工,以确定改性乳化沥青中沥青的含量及其所适合的施工工序、工艺、碾压遍数及碾压速度等,取得各项数据,用以指导施工。
二、试验路段桩号:K105+100~K105+400左幅三、施工时间:2011.8.5~2011.8.7四、人员安排1、总负责:112、现场负责:223、技术:334、施工:445、试验:55五、施工工艺(一)原材料1、乳化沥青:拟采用改性乳化沥青,技术指标如下表:项目技术要求恩格拉粘度(25)℃ 1-10贮存稳定性(ld)% ≤1贮存稳定性(5d)% ≤5筛上剩余量(1.18mm筛)% ≤0.1电荷阳离子带正电荷破乳速度慢裂蒸发残留物含量% ≥68蒸发残留物性质针入度(25℃,100g、5s)mm 40-120延度(5℃,5cm/min)cm ≥20软化点℃ ≥55溶解度% ≥97.5动力粘度(60℃)Pa.s ≥5002、集料:采用3-5mm石屑,指标如下表:规格名称公称粒径(mm)通过下列筛孔(mm)的通过率(%)9.5 4.75 2.36 1.18S14 3-5 100 90-100 0-15 0-3(二)机械设备沥青洒布设备方面采用先进的智能沥青洒布车和强力清扫车以及集料撒布车。
吹风采用空压机,清净程度较好。
具体设备如下表:设备名称规格数量状态智能沥青洒布车西安达刚SX5160GLQ 1台良好强力清扫车 ZH1125 1台良好集料撒布车西安达刚XS3000B 1台良好胶轮压路机徐工XP301 1台良好洒水车 15T 1台良好空压机 HWH-9 1台良好(三)准备情况1、施工前对参加施工人员进行技术交底,特别对机械操作人员进行施工方案交底,对沥青洒布机和集料撒布机进行必要的调试和检验,确保完好。
2、彻底清除基层表面浮浆和灰尘,确保下封层与基层粘结牢固。
碎石土试验段总结报告目录碎石土路堤施工总结报告1一、铺筑试验段的目的11、确定标准施工方法12、确定填料的松铺厚度;13、填料含水量与压实度之间的关系;14、确定每天作业段的合理长度1二、人员、机械配置21、人员及劳动力部署22、机械配置3三、施工准备31、试验段料源的选择42、测量放样4四、路基施工41、碎石土填筑52、施工过程中注意事项73、检验7五、试验结果分析71、碎石土路基碾压遍数与压实度72、碎石土路基沉降差73、碎石土路基松铺系数8- .总结资六、试验段成果总结81、碎石土土石比例92、填料的松铺系数93、确定的标准施工方法94、施工机械组合95、最适宜的碾压方式96、填料含水量与压实度之间的关系107、沉降差10- .总结资碎石土路基试验段施工总结报告建抚高速A1标段三工区2012年10月19日通过对K65+000-K65+300路基碎石土现场试验,已取得相关试验数据,经过整理、分析,总结得出以下方案。
一、铺筑试验段的目的1、确定标准施工方法施工机械合理配置,压实机具的选择,确定最佳的组合、碾压顺序、速度;2、确定填料的松铺厚度;3、填料含水量与压实度之间的关系;4、确定每天作业段的合理长度试验过程中,严格按照拟定方案施工,做好试验工作,根据试验结果,随时调整,以测定最佳机械组合、压实遍数等,并做好记录工作。
- .总结资二、人员、机械配置1、人员及劳动力部署为优质高效地完成试验段的施工任务,在本次试验段我工区配置了一支具有丰富施工经验的路基作业队,选派一批理论和实践经验丰富、业务素质高、综合能力强并且具有良好敬业精神的施工队伍,工区经理玉春负责本次路基试验段总体施工协调部署,路基工程师祖显威、国栋负责试验段施工过程控制,试验工程师吕明福和测量工程师负责路基施工中的原始数据的采集和测量,协同路基工程师总结试验段的成果、施工工艺及方法;主要施工人员见下表。
主要施工人员明细表- .总结资2、机械配置机械配置原则:优选精良设备,并合理匹配,形成综合生产能力;设备能力大于进度指标要求的能力;同类设备尽可能采用同厂家设备,以方便配件供应和维修;遵循业主对投入本标段主要设备的强制性标准。
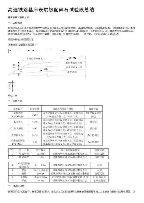
⾼速铁路基床表层级配碎⽯试验段总结基床表层试验段总结⼀、⼯程概况由我单位施⼯的京沪⾼速铁路*****站场及区间路基⼯程起讫⾥程为:DK326+192.25--DK330+090.46,全长3898.21⽶。
本段基床表层设计为级配碎⽯,现试验段设于路基DK329+110~DK329+410⾥程段,长度为300m。
设计基床表层中⼼厚度0.4m,路肩位置厚度为0.57m,分两层进⾏填筑,该段设有⼀处横向贯通地线,⼀处过轨。
设计级配碎⽯共1800m3。
级配碎⽯设计断⾯图如下:基床表层1/2断⾯⽰意图图1.1单位:m⼆、质量要求三、试验段⽬的按照京沪指“试验先⾏、样板引路”的要求,结合我⼯区实际情况确定基床表层级配碎⽯施⼯⼯艺参数和机械的合理化配置,以规范和指导基床表层级配碎⽯⼤⾯积施⼯。
计划确定的⼯艺、资源配置及主要参数:1.基床表层施⼯⼯艺及⼈员机械配备配套;2.拌合料⽔分损失系数,确定在运输和摊铺过程中⽔分蒸发与温度的关系;3.级配碎⽯的虚铺系数,压实含⽔量控制指标;4.级配碎⽯的最佳碾压⽅式及碾压遍数;5.拌合料的级配;四、试验段准备1、主要机械设备主要机械设备表表4.12、组织机构及⼈员分⼯3、检测仪器设备4、试验段材料准备按照实验室初步提供配合⽐:0-5mm⽯屑:5-16mm碎⽯:16-31.5mm 碎⽯=4:4:2的⽐例进⾏材料储备。
本试验段设计⽤量为1800m3,拌合料最⼤⼲密度为2.35g/cm3,合计拌合料共4230t。
材料按照⽤量的120%储备。
各种集料进场过程中,进⾏颗粒级配检验,并进⾏试配混合料的颗粒级配、颗粒密度、重型击实的最⼤⼲密度、最佳含⽔率试验,并检查针状和⽚状颗粒含量、质软易碎颗粒含量、黏⼟团及其他杂质含量,其检测指标符合设计要求。
五、施⼯⼯艺流程: 1、第⼀层施⼯⼯艺流程图图5.12、第⼆层施⼯⼯艺流程图图5.2六、施⼯⼯艺1.现场施⼯准备⑴.核实施⼯图纸,复核路基尺⼨和⾼程。
基层试验段成果总结一、施工简况本段起点桩号为K29+003终点桩号为K52+445.32,路线全长23.442Km。
根据施工设计图的要求路面基层采用水泥稳定碎石基层,厚度38cm,分两层摊铺,半幅宽度上基层18.45m,下基层18.75m。
为了尽早开展路面基层施工,提供大规模作业相关技术数据,我分部在2017年3月6日进行了水泥稳定碎石试验段的施工,具体桩号为K38+700〜K39+000左幅,试验段为第一层,铺筑厚度为19cm。
其中K38+700-K38+850段采用4%水泥量水稳碎石进行摊铺,设计最大干密度为2.472g/cm3,最佳含水量4.4%,;K38+850-K39+000采用3.8%水泥量水稳碎石进行摊铺,设计最大干密度2.456g/cm3,最佳含水量4.4%。
混合料采用一台WB600拌和楼进行拌和。
施工时,混合料的摊铺采用三台摊铺机进行,松铺系数暂取1.30,压路机采用英格索兰100—台、三一重工220四台、徐工XP261胶轮一台。
为确保施工质量,为今后大面积的施工提供依据,特将本段试验段总结如下:二、试验段目的1、验证施工的集料配合比:2、确定材料的松铺系数;3、确定标准施工方法;摊铺方法和适用机具;水泥剂量、含水量的合理控制;压实机械的选择和组合,压实的顺序、速度和遍数;4、验证混合料的质量和稳定性。
总工:魏义娟 实验室主任:冯春试验室试验员:高保生 施工员:谢和林5、检验施工组织和施工工艺的合理性和适应性。
三、施工前准备工作1、技术准备(1)在试验段开工前已对技术、质量、试验、测量、资料、安全、设备等施工人员进行了技术交底。
(2)水泥稳定碎石配合比试验检测报告,已由监理工程师审核批复。
(3)所施工段落的底基层经三阶段验收合格。
(4)对沿线水准点和导线点进行复测,进行现场放样后,上报监理工程师审核。
2、机械设备配置(1)拌合设备:水泥稳定碎石拌合机1座。
(2)摊铺设备:摊铺机三台。
级配碎石试验段施工总结报告根据我们的实际施工经验,对级配碎石试验段施工进行了总结报告,以下是我们的总结:一、施工目的二、试验段设计试验段设计采用了不同粒径组成的碎石进行层层铺设,根据不同粒径的碎石的分部曲线和工程要求,确定了每一层的厚度和粒径比例。
试验段的总厚度为80cm,分为4层,每层的厚度为20cm。
三、施工过程1.碎石选用:根据试验段设计要求,我们选用了不同粒径的碎石,并在现场进行了筛分和分析,确保每层的粒径符合设计要求。
2.地表准备:在施工前,我们先进行了地表的清理和平整,确保基底平整牢固。
3.第一层碎石铺设:先将最大粒径的碎石铺设在地表上,并通过压路机进行压实,以提供一个坚实的基础。
4.后续层碎石铺设:分别将剩下的碎石按照粒径从大到小的顺序进行铺设,并进行适当的压实,确保每一层的碎石能够互相嵌固。
5.路面养护:施工完成后,我们对试验段进行了定期的保养和检查,以确保路面的平整和稳定。
四、施工问题与对策1.碎石质量:在试验段施工过程中,我们发现有部分碎石存在破碎度和均匀性等问题,为了保证试验段的准确性,我们及时更换了碎石,并重新铺设和压实。
2.施工设备:在施工中,我们发现压路机的振动频率对碎石的压实效果有很大的影响,为了提升碎石的密实度,我们调整了振动频率和速度。
3.施工环境:由于施工地点的位置较为偏远,交通条件较差,给我们的物资供应和人员调动带来了一定的困难,为此,我们提前做好了物资准备和人员安排,确保施工进度和质量。
五、施工总结通过对级配碎石试验段施工的实际操作和观察,我们发现碎石的级配粒径对路面性能有着显著的影响。
较大粒径的碎石可增加路面的稳定性和承载能力,较小粒径的碎石可提高路面的光滑度和舒适性。
同时,我们也发现碎石的质量和施工设备的运用技巧对施工效果有着重要的影响。
因此,在实际的道路工程中,需要根据工程要求和环境条件选择合适的级配碎石,并合理运用施工设备,以实现最佳的工程效果。
同步碎石封层工程施工项目背景同步碎石封层是一种常见的路面修建技术,能够有效地增强路面的强度和耐久性。
本文旨在对同步碎石封层工程进行,分析其施工过程中的问题和经验教训,以期为后续的工程提供借鉴和参考。
工程概述本次工程总面积为5000平方米,采用同步碎石封层技术进行修建。
具体工作流程如下:1.路面清理:施工前需对道路进行清理,包括清理路面杂物、泥土等,确保路面平整干净。
2.制备石料:按照配比要求,将石料进行破碎、筛分等处理,保证石料质量符合要求。
3.封层施工:将石料铺在路面上,利用专业的机械设备将石料压实,形成坚固的路面。
4.压实处理:使用振动压路机对路面进行压实,保证路面坚实。
问题分析与解决方案在本次施工过程中,我们遇到了一些问题,主要包括:1.石料紧缺:由于供应链出现问题,我们的石料到货量不足,导致施工进度受到影响。
为解决该问题,我们通过调整工期,加快施工进度,以期在最短的时间内完成工程。
2.施工周期过长:受天气等自然因素的影响,施工周期延长,导致项目延期,造成了一定的经济损失。
为避免类似情况再次出现,我们加强了项目管理,通过提前做好物料准备、优化施工布局等方式,缩短了施工周期。
3.压实不充分:在施工过程中,由于设备操作不当等因素,导致了部分区域的压实不充分,影响了路面的质量。
为解决该问题,我们加强了设备的使用培训,并针对性地调整了操作方式,最终达到了预期的压实效果。
工程经验通过本次工程的实践经验,我们出以下经验:1.做好前期准备工作:在施工前,必须进行细致的准备工作,包括对施工区域的清理、物料的准备、设备的检查等,以避免出现后期问题。
2.加强工程管理:必须加强工程管理,强化项目进度和进度控制,提高项目进度控制的效率。
3.做好安全管理:在施工过程中,需要严格遵守安全规定,保证作业人员的安全。
4.提高施工技能:需要不断提高施工人员的技能水平,加强对操作方法的培训,从而提高施工质量和效率。
同步碎石封层工程施工是一个综合性上较高的工程,需要充分做好前期准备和管理工作,加强施工技能培训,注重安全管理,才能保证工程质量和进度,实现项目的整体效益。
碎石垫层试验段总结报告一、引言碎石垫层是道路工程中常用的一种基层材料,它能够提高路面的承载能力和荷载分散能力,同时还具有良好的排水性能。
为了更加全面了解碎石垫层的特性和适用范围,本试验段开展了一系列的实验研究。
二、试验目的本试验段的目的是通过对碎石垫层在不同外界环境条件下的性能进行测试,评估其适用范围和优势,并为道路工程中的选择和设计提供科学依据。
三、试验方案1. 试验材料:采用直径10-20mm的碎石作为试验材料。
2.试验设备:试验设备包括压实试验机、排水性能测试仪器等。
3.试验方法:对碎石垫层进行承载能力测试、荷载分散能力测试和排水性能测试等。
四、试验结果与分析1.承载能力测试结果表明,碎石垫层具有较好的承载能力,能够适应不同荷载下的应力分散,但在超过设计荷载情况下容易出现变形和沉降。
2.荷载分散能力测试结果显示,碎石垫层能够有效分散荷载,在一定程度上减轻上部结构的压力,提高路面的使用寿命。
3.排水性能测试结果表明,碎石垫层具有较好的排水性能,能够快速排除降雨引起的积水,减少路面潮湿对路面稳定性的影响。
五、结论1.碎石垫层在道路工程中具有较好的适用性,能够提高路面的承载能力和荷载分散能力,并且具有良好的排水性能。
2.在使用碎石垫层时需要根据实际荷载情况进行设计,避免超过其承载能力范围,以免出现变形和沉降等问题。
3.碎石垫层的选择和设计应综合考虑外界环境条件,特别是降雨情况,以保证其排水性能的发挥。
六、建议1.进一步研究碎石垫层在不同外界环境条件下的性能特点,以提高其适用范围和优化设计方案。
2.加强对碎石垫层施工工艺的研究,提高施工质量和效率。
七、总结本试验段对碎石垫层进行了全面的性能测试,结果表明其具有较好的承载能力、荷载分散能力和排水性能。
然而,在使用过程中仍需注意合理设计和施工,特别是在超过设计荷载和降雨情况下,以确保其性能的发挥和路面的稳定性。
希望本试验报告对于碎石垫层的使用和改进有所帮助。
商洛公路管理局预防性养护工程(同步碎石封层)技术总结陕西省商洛公路管理局二〇一〇年十一月七日同步碎石封层技术总结同步碎石封层具有良好的防水性、防滑耐磨性,能增加路面抗裂性能、治愈路面龟网裂、减少路面反射裂缝。
同时也是一种低能耗、工序简单、施工速度快,可以短时间内开放交通。
加之同步碎石封层的性价比明显优于其他道路表面处治方法,从而大大降低道路维修养护成本,逐渐被广泛应用于日常公路养护中。
一、工程概况“十一五”期间,商洛公路管理局累计实施同步碎石封层69.49公里,累计496379平方米,具体项目如下:2007年,商洛公路管理局在省道307线K86+100-K90+100段实施4公里,K159+000-K238+470段实施32.29公里同步碎石封层,共计251702平方米。
2008年,商洛公路管理局在省道307线K33+300-K44+000、K63+600-K86+100段实施33.2公里同步碎石封层,共计244677平方米。
二、材料和设备的选用为了保证同步碎石封层施工的高性能,需要进行相关试验来确定骨料和沥青之间的物理化学相容性。
与此同时,以既定的同步碎石封层车为基础,选用相应的机具与其配套、联合作业,以获得高质量、高效率的封层效果。
1、沥青采用中海36-1 90#A级沥青,测定的技术指标见表一:沥青指标检验结果表一沥青在加工厂加热后,用可加温的储藏罐车运到施工现场。
途中应保持沥青温度在150℃左右。
沥青的温度也是同步碎石施工的关键之一,温度过低,沥青喷洒不出来,容易造成堵管,沥青喷洒不均匀;温度过高,容易导致沥青老化。
温度应控制在150-160℃左右。
2、碎石同步碎石所用碎石要求经过反击破碎(或锤式破碎)得到的碎石,碎石选用物理性质为碱性的8-10mm单粒径碎石,压碎值符合规范要求,具有良好的粘附性。
碎石质地应干净无杂质,几何尺寸要好,特别要控制石屑等细颗粒的含量,应控制在2%以下,必要时可用水洗碎石或通过拌合楼抽尘处理,同一施工路段尽量采用同一种颜色碎石。
S213线同步碎石封层施工总结一、工程概况及特点S213线是连接张掖至肃南的一条重要线路,于2002年进行了通县油路工程建设,由于近年交通量不断增长,大吨位车辆过往频繁,致使部分路段病害增加,路况质量下降,影响行车安全。
我段对K19+000—K30+000共计11KM进行同步碎石封层。
二、总体施工计划及质量等级1、施工计划:根据上级的总体要求和我段实际,计划施工工期为:计划开工日期:2010 年6月5日计划竣工日期:2010年7 月5 日总工期:30 天2、质量等级:工程竣工后力争达到合格工程。
三、施工组织机构及人员、设备1、组织机构设置为确保本工程的顺利进行,我段成立了工程项目经理部,成立以段长王立国同志为项目负责人、刘建明同志为工程技术负责人、武大平同志为质检负责人的施工领导小组.2、职能分配项目负责人全面负责工程施工中的各项工作。
技术负责人(技术组)协助项目经理合理组织生产,确保各项生产任务的按时完成,负责施工技术管理、工程调度、测量控制等工作并对工程技术组工作进行管理;组织收集整理整个施工过程中的技术资料,完成本段工程的竣工资料编制工作,编制本路线的质量计划并组织实施,对本路段内的技术负全面责任。
执行有关的技术规范、质量标准和工艺操作规程,制订本段施工生产计划,下达施工任务作业计划,负责对施工生产中存在的问题进行调查分析,编制纠正和预防措施方案,汇总上报计量支付月报表等。
质检负责人(质检试验组)协助项目经理对工程质量进行控制、管理和监督,参与工程质量的定期检查、评定、整改和验证,指导和监督各施工队伍做好质量记录;对用于施工生产的各类质检规范、制度等承担指导和领导责任。
负责工地的试验、质量自检工作以及检测设备的管理,负责各作业项目、各工序质量验收并填写质量检查评定记录,负责工程原材料、半成品和成品检验状态标识工作.后勤保障组主要组织、协调车辆机械、材料物资的管理以及工程所需材料采购、贮存和保管,对于工程施工车辆、机械设备完好情况及调配负全面责任。
试验段技术总结报告
纤维碎石封层试验段施工技术总结
一、工程概况
辽宁沿海经济带规划感王—辽宁船舶工业园公路(北沟沿—凤凰甸)改造工程,路面等级为一级公路,起点位于北沟沿,起点桩号为K152+723,终点位于凤凰店,终点桩号为K178+800,路线长26.077km;路面净宽18m,路基全宽21m;路面采用双向2%横坡。
同步碎石封层数量:468066m2。
二、试验路段介绍
纤维碎石封层试验段选取152+723-K152+923(左侧)段进行,长度为200m。
于2015年6月20日进行,并于当日完成。
试验室已完成原材料检验、均符合设计及规范要求。
三、试验段目的
1、验证改性乳化沥青喷洒沥青用量。
2、确定碎石用量、集料规格等。
3、确定玻璃纤维用量。
4、确定合理的施工机械配备、组合方式以及沥青洒布车、加纤碎石封层车摊铺能力的协调性。
5、通过压实试验,碾压速度、碾压遍数及压实工艺。
四、主要试验结果如下:
1、改性乳化沥青用量:1.9kg/㎡
2、玻璃纤维用量:110g/㎡,纤维长度一般为60-90㎜
3、碎石用量:7.2m3/1000㎡。
五、机械设备的到场情况:
机械设备一览表
进场施工人员一览表。
S213线同步碎石封层施工总结一、工程概况及特点S213线是连接张掖至肃南的一条重要线路,于2002年进行了通县油路工程建设,由于近年交通量不断增长,大吨位车辆过往频繁,致使部分路段病害增加,路况质量下降,影响行车安全。
我段对K19+000-K30+000共计11KM进行同步碎石封层。
二、总体施工计划及质量等级1、施工计划:根据上级的总体要求和我段实际,计划施工工期为:计划开工日期:2010 年6月5日计划竣工日期:2010年7 月5 日总工期:30 天2、质量等级:工程竣工后力争达到合格工程。
三、施工组织机构及人员、设备1、组织机构设置为确保本工程的顺利进行,我段成立了工程项目经理部,成立以段长王立国同志为项目负责人、刘建明同志为工程技术负责人、武大平同志为质检负责人的施工领导小组。
2、职能分配项目负责人全面负责工程施工中的各项工作。
技术负责人(技术组)协助项目经理合理组织生产,确保各项生产任务的按时完成,负责施工技术管理、工程调度、测量控制等工作并对工程技术组工作进行管理;组织收集整理整个施工过程中的技术资料,完成本段工程的竣工资料编制工作,编制本路线的质量计划并组织实施,对本路段内的技术负全面责任。
执行有关的技术规范、质量标准和工艺操作规程,制订本段施工生产计划,下达施工任务作业计划,负责对施工生产中存在的问题进行调查分析,编制纠正和预防措施方案,汇总上报计量支付月报表等。
质检负责人(质检试验组)协助项目经理对工程质量进行控制、管理和监督,参与工程质量的定期检查、评定、整改和验证,指导和监督各施工队伍做好质量记录;对用于施工生产的各类质检规范、制度等承担指导和领导责任。
负责工地的试验、质量自检工作以及检测设备的管理,负责各作业项目、各工序质量验收并填写质量检查评定记录,负责工程原材料、半成品和成品检验状态标识工作。
后勤保障组主要组织、协调车辆机械、材料物资的管理以及工程所需材料采购、贮存和保管,对于工程施工车辆、机械设备完好情况及调配负全面责任。
级配碎石垫层试验段施工总结报告级配碎石垫层是道路施工中的一项重要工序,其作用是提供一个坚实平稳的基础,以支撑道路的上部结构。
为了评估级配碎石垫层的施工质量和效果,我们进行了一次试验段施工,并在施工完成后进行了全面的总结和分析。
本报告将对试验段施工过程、施工质量、施工效果以及改进措施进行详细展示。
一、试验段施工过程1.施工准备在施工前,我们进行了充分的准备工作,包括确定施工区域、原土地整平、配备施工所需的设备和人力资源等。
同时,我们也对碎石进行了筛选、清理,并按照规定的级配比进行了搅拌和混合。
2.垫层铺设在施工过程中,我们按照设计要求,先在路面基层上铺设了一层碎石作为垫层。
在铺设过程中,我们采用了机械压实的方式,确保碎石能够充分密实,并保持平整。
3.板车碾压垫层铺设完成后,我们使用了板车碾压机对碎石垫层进行了碾压处理。
通过反复碾压,能够提高垫层的密实度,并使其能够更好地和基层结合在一起。
碾压完成后,我们进行了密实度测试,确保垫层达到了设计要求。
二、施工质量评估1.碎石质量在施工过程中,我们严把碎石质量关。
通过对碎石的筛选和清理,我们确保了碎石的质量达到了要求的级配比。
同时,我们还对每批碎石进行了取样测试,以确保其均匀性和质量稳定性。
2.垫层平整度通过使用机械压实和板车碾压,我们保证了垫层的平整度。
在施工过程中,我们使用了专业的平整度仪器进行测量,并及时调整和修正,以保持垫层的平整度在规定范围内。
3.密实度测试密实度是评估碎石垫层质量的重要指标之一、我们采用了核密度计进行了密实度测试,通过测定垫层的干密度和最大干密度,我们能够评估垫层的密实程度,并确定是否满足设计要求。
测试结果显示,试验段的垫层密实度符合要求。
三、施工效果评估1.防水排水性能碎石垫层在道路施工中具有良好的防水排水性能。
通过对试验段的排水性能进行观察和评估,我们发现垫层能够有效排除道路表面的积水,并保证道路的通行顺畅。
2.承载能力四、改进措施针对试验段施工过程中的一些问题和不足,我们提出了以下改进措施:1.提高碎石质量管理水平,加强对碎石的质量控制和检测,避免因碎石质量不合格导致垫层质量问题。
同步碎石封层试验段总结-标准化文件发布号:(9556-EUATWK-MWUB-WUNN-INNUL-DDQTY-KII大兴区黄马路预防性养护工程改性乳化沥青同步碎石封层试验段监理总结报告(K4+500~K4+800)北京市七环工程技术咨询有限公司2013年9月13日为了优质、高效的建设黄马路预防性养护工程,验证高粘改性乳化沥青同步碎石封层的喷洒方法及用量的控制,以及碾压的工艺控制。
我监理办于2013年9月12日对K4+500-K4+800段右半幅同步碎石封层试验段进行旁站监理,施工长度300m,宽度3.5m,高粘改性乳化沥青洒布量1.2~1.6Kg/㎡,碎石洒布量95±10%。
根据施工过程中对洒布工艺、质量的控制及各项监理抽检成果,现将同步碎石封层试验路段作如下总结:改性乳化沥青同步碎石封层采用同步碎石封层车洒布,洒布温度控制在50~60℃之间,改性乳化沥青洒布量: 1.39Kg/㎡,碎石覆盖率95%以上,碎石洒布量9.9 Kg/㎡,洒布速度控制在8-10Km/h,洒布完成,待乳化沥青破乳(约4h)后,用16T胶轮压路机进行碾压,碾压速度2-4Km/h, 静压5遍以上。
由于现场交通量大,在24小时内不得开发交通。
一、封层试验段概况我监理办于9月12日对K4+500-K4+800段右侧高粘改性乳化沥青同步碎石封层试验段进行旁站监理,施工当天天气阴,微风,最高气温27℃,根据洒布情况,及时督促施工单位对洒布过程和施工安排进行调整,从试验段现场检测来看,试验段沥青洒布量、碎石洒布量控制合理,温度控制较好。
施工单位投入的施工设备:见表1。
表1 施工设备投入的施工人员:表2 主要管理、技术人员表3 管理、技术人员及普工序号人数岗位1 5 管理及技术2 6 技工3 12 普工封层施工人员配备表原材料:投入施工的主要材料为玄武岩和高粘改性乳化沥青,具体见表4,主要技术要求见表4、表5、表6表4 主要材料用量表5 高粘改性乳化沥青技术要求表6 碎石封层所用石料技术要求二、同步碎石封层车标定进行同步碎石封层施工前,对同步碎石封层车进行标定,通过标定曲线,得出施工指导数据。
碎石路面试验段总结报告1. 引言本文档旨在总结碎石路面试验段的情况和结果。
本试验段共经历了XX个月的运营,旨在评估碎石路面在不同负荷和环境条件下的性能和耐久性。
以下是试验段的总结报告。
2. 试验段概述- 试验段长度:XX公里- 路面结构:碎石路面- 路面设计参数:XXX3. 试验段运营情况3.1 交通负荷试验段经过的车辆类型和负荷情况如下:- 小型客车:XXX辆/日- 中型货车:XXX辆/日- 重型货车:XXX辆/日3.2 环境条件试验段经历了以下环境条件的变化:- 温度变化范围:XX℃-XX℃- 降雨情况:XX月降雨量为XX毫米4. 路面性能测试结果4.1 平整度测试车辆在试验段行驶时,采集了路面平整度数据。
测试结果显示,在试验段的大部分区域,路面平整度符合设计要求。
4.2 抗滑性测试采用标准化的抗滑测试方法,测试结果表明碎石路面在湿滑条件下具有良好的抗滑性能。
4.3 承载力测试通过静载试验和动载试验,评估了碎石路面的承载能力。
结果显示,在试验段的大部分区域,路面的承载能力符合设计要求。
5. 路面维护与保养情况根据试验段的情况,进行了定期的路面维护与保养工作,包括补充碎石、清理排水系统等。
这些维护措施有助于保持路面的性能和寿命。
6. 结论综上所述,碎石路面试验段在经历一定时间的运营后,路面性能和耐久性仍然符合设计要求。
对于类似条件下的道路建设和维护,碎石路面是一种可行的选择。
7. 建议在今后的路面设计和施工中,可以考虑根据试验段的经验,对碎石路面的设计参数进行优化,以进一步提高路面的性能和耐久性。
8. 参考文献- [参考文献1]- [参考文献2]- [参考文献3]。
水泥稳定碎石上基层试验段总结一、试验段总体情况目前,我项目部路面水泥稳定碎石基层人员、机械、材料等均已进场,拌和设备经计量部门标定合格并经过监理调试验收,摊铺、碾压等设备已检修完好,级配碎石底基层各项技术指标符合设计要求。
为了优化施工工艺,确定最佳的机械组合、摊铺速度、合理碾压区段长度、碾压方式、碾压遍数以及水泥稳定碎石施工终了的时间极限,在保证质量的前提下,更加充分合理的安排人员、机械,确保整体施工高效快速。
我合同段于2007年7月13日在K22+700—K23+000段完成了水泥稳定碎石基层试验段的施工,通过现场控制并采集数据,获得了水泥稳定碎石基层施工的最佳机械配合、松铺系数、摊铺速度、碾压遍数、实测项目、人员管理等方面的数据,证明试验段是成功的,使用的施工工艺能够指导以后的流水式生产、全日连续施工。
二、试验段位置及自检数据试验段位置为K22+700—K23+000全幅。
1、压实度:检查6处,合格6处,合格率100%2、平整度:检查3处*30尺,合格30尺,合格率100%3、纵段高程:检查6断面6处,合格6处,合格率100%4、宽度:检查6处,合格6处,合格率100%5、厚度:检查8处,合格8处,合格率100%6、横坡度:检查6个断面,合格6个断面,合格率100%7、强度:检查2组,合格2组,合格率100%8、松铺系数确定为1.259、外观平整密实、无坑洼、无明显离析,施工接茬平顺稳定后附自检资料三、水泥稳定碎石上基层施工组织1、人员组织试验段的施工是关系后续施工能否保证质量的关键,试验段施工成立质量管理小组,由项目经理总体负责,项目总工负责现场总体,拌和、运输、摊铺、碾压、养生分别设专人盯岗,且现场配备主要技术管理人员施工员3名、测量员4名、试验员3名、质检员2名全过程对各项技术参数进行控制和检测,另外现场配备民工20名,负责配合机械施工。
主要施工管理和技术人员一览表见附表1。
2、机械组织遵照合同要求,结合水泥稳定碎石试验段的施工特点,为后续工程配备了拌和站1台、装载机2台、自卸汽车15辆、平地机1台、推土机1台、压路机2台、洒水车2辆等足够数量和性能符合要求的机械设备。
碎石填筑试验段总结汇报碎石填筑试验段总结汇报一、试验目的:本次试验的主要目的是通过对碎石填筑试验段的建设和观测,研究碎石填筑的工程性能和对地质环境的影响,为碎石填筑工程设计和施工提供现场实测数据和经验总结。
二、试验方法:1. 建设试验段:选择一段已有路基的区域,根据工程设计要求,在原路基上进行碎石填筑,并定期进行巡视和观测。
2. 观测数据采集:定期对填筑土体进行密实度、水分含量、抗剪强度等特性参数的测量,并记录观测结果。
3. 监测变形:设置边坡位移监测仪器,定期测量填筑段的变形情况,记录并分析监测数据。
三、试验结果:1. 碎石填筑的工程性能:通过对填筑土体的密实度、水分含量和抗剪强度的测量,发现碎石填筑土体具有良好的密实性和较高的抗剪强度,具备较好的工程性能,适合用于路基加固和填筑工程。
2. 土体变形观测结果:通过边坡位移监测仪器的定期测量,发现填筑段的变形情况较小,且变形稳定。
说明碎石填筑对边坡的稳定性具有一定的改善作用。
四、预期效益:通过本次填筑试验段和观测工作,我们可以得出以下预期效益:1. 为碎石填筑工程提供实测数据和经验总结,为设计和施工提供参考依据。
2. 加深对碎石填筑土体工程性能的了解,提高填筑工程的质量和效益。
3. 通过对边坡位移监测数据的分析,总结碎石填筑对边坡稳定性的改善效果,并为相似工程提供参考。
五、存在问题及改进建议:在本次试验过程中,我们也发现了一些问题,并提出了改进建议:1. 测量设备精度不高:在测量过程中,有部分设备精度不够,导致测量结果的准确性受到一些影响。
建议在后续工作中选用更精准的设备进行测量。
2. 观测周期过长:由于各种原因,本次试验的观测周期较长,无法对填筑土体的短期变化进行及时观测和总结。
建议在后续的试验中缩短观测周期,以便及时了解填筑土体的变化情况。
3. 深入研究异地填筑效果:本次试验选择的填筑段与设计路基位置相同,未能进行异地填筑的研究。
建议在后续的试验中选择异地填筑,并对填筑效果进行深入研究和分析。
目录一、工程概况二、试验段铺筑段的时间和段落三、编制依据四、施工试验段的目的五、施工准备情况六、施工方案七、试验段施工工艺八、安全与文明施工管理九、施工质量管理沥青同步碎石封层施工总结我项目经理部承建。
公路改建工程。
段同步碎石封层施工。
借鉴我公司多年的施工经验,路面面层的早期破坏与透层、封层、粘层施工有关,因此建设单位、监理单位对下封层施工非常重视。
我项目经理部为搞好下封层试验段施工质量,查阅了大量的相关施工资料以及沙漠地区施工的相关资料,请教了许多专家,使我项目经理部下封层试验段的施工质量得到了监理单位及业主公司的一致好评。
我项目经理部也从中获益匪浅,现将初步总结如下:通过试验段的顺利完成,我部确定了封层施工的主要技术参数,可用于今后的封层施工。
1、沥青1.6 kg/m2,碎石洒布量为5m3/1000m2。
2、洒布车的行驶速度:6.6km/h;3、沥青泵速:260转/min;4、乳化沥青的洒布温度:160~170℃5、30t的压路机碾压:2-3遍。
一、沥青同步碎石封层施工的作用1、层间的联结施工下封层能使面层与基层有效连成一体。
2、传递荷载沥青面层与半刚性、刚性基层在路面体系结构中起着不同的作用。
沥青面层主要起着抗滑、防水、防噪声、抗剪切滑移与裂缝和向基层传递荷载的作用,而要达到传递荷载的目的,就必须使面层和基层之间有着较强的连续性,这种较强的连续性可通过下封层、粘层、透层的作用来实现。
3、提高强度沥青面层与半刚性、刚性基层的回弹模量不同,其组合在一起受荷载作用时各层应力扩散方式、形变均不同,在车辆的竖向荷载和横向冲击力的作用下,面层将产生相对于基层的位移。
如果面层本身的内摩擦阻力和粘结力抵抗不了这种车辆位移产生的应力时,面层将出现推拥、车辙甚至松散、剥落等病害,必须有一个力来阻止这种层间的位移。
增加了下封层后,层间就产生了阻止移动的摩阻力和粘结力,起着刚柔之间的过度,使面层与基层、垫层和土基一起抵抗荷载作用,从而达到提高路面整体强度的作用。
工程名称同步碎石封层及微表处试验段施工总结工程名称、施工单位项目经理部年月日一、工程概况:二、养护工程目标:满足公路的使用功能,提高道路耐久性;预防道路早期病害,延长道路使用寿命;三、本次主要施工内容:同步碎石封层及纤维微表处。
四、参建单位:建设单位:设计单位:监理单位:施工单位:五、同步碎石封层及纤维微表处试验段施工情况1、人员:姓名及联系电话施工技术员:4人;壮工:25人;质检员1人;专职安全员1人。
2、本工程病害处理后,采用0.5cm同步碎石封层+0.6cm+0.6cmMS-2型纤维微表处。
本次试验段在时间及地点3、施工时间:同步碎石封层:时间开始摊铺纤维微表处:时间开始摊铺4、施工位置:5、交通导行(同步碎石封层及纤维微表处)本次试验段导行措施为开放交通施工,根据路面宽度6m确定,采用单侧1条车道施工,1条车道车道行车。
具体导行措施:项目经理部成立“交通导流小组”,由主管项目经理直接领导,配备专职交通协管员2名、专职安全员1名、文明施工员3名,负责交通导行期间的安全保障工作。
导行设施到位后,设置专人对现场进行管理以确保导改工作万无一失。
1)距离施工处50米设置警示牌(前方施工),采用30米渐变斜向码放锥桶,逐渐增加至施工宽度,后续10米直线码放,包围施工地点。
并设置道路车道减少提示标志;施工地点两端指挥人员各1名,手持对讲机,指挥过往车辆,并设置安全导改标志。
2)组织措施及安全、文明施工①设立专职交通员统一配备反光背心施工期间在导改点处指挥交通,保证车辆及行人沿导改路线正常通行,对违规通行及时纠正。
②交通设施摆放后,要有专人负责看护,发现被车辆撞坏或其它自然因素损坏要及时更换或维修,保证其使用功能。
③交通协管员、安全员及文明施工员统一着装,穿戴统一的反光背心上岗指挥、疏导交通。
④安全员对整个施工现场进行巡视检查,发现隐患,及时处理。
⑤对全体职工进行交通法规,维护道路交通秩序的教育工作,组织职工进行交通安全知识教育和考核。
⑥在道路上施工,要求全体干部、职工和机动车驾驶人员,严格执行交通法规,自觉遵守《机动车交通行为规范》,服从交警指挥。
⑦施工期间,保证公路设施的安全及施工路段的环境卫生,安排专人对驶出施工围挡区域的车辆进行认真清理。
⑧施工车辆在行驶过程中进行苫盖,防止出现遗洒现象。
⑨施工区域内路口设置警示牌。
安全保障措施:1)设立专职人员统一配备反光背心在导改现场进行维护、指挥、疏导交通,保证车辆沿导改路线正常通行。
2)交通导改设施摆放后,要有专人负责看护,发现被车辆撞坏或其它因素损坏的要及时更换或维修,保证其使用功能。
3)交通协管员、安全员及文明施工人员统一着装,穿戴统一的反光背心上岗。
4)对全体参施人员进行交通法规、维护道路交通秩序的教育工作,组织职工进行交通安全知识教育和考核,人员的培训率和持证上岗率达到100%。
5、机具:同步碎石封层及微表处施工设备表6、材料:1)同步碎石封层采用的高粘改性乳化沥青及玄武岩采购于公司名称2)纤维微表处用玄武岩石料及改性乳化沥青采购于公司名称,纤维微表处用纤维采购于公司名称:7、同步碎石封层及微表处施工:1)、试验路段概述本次同步碎石封层及纤维微表处试验段施工方案是根据工程施工图纸、规范及交通部的有关施工规范、规程、标准等技术参数,使试验路段达到各项施工技术指标均合格,确定试验路段的施工技术控制参数达到业主、设计、监理等有关管理部门的要求,作为进行大面积施工的标准。
2)、施工工艺其工序间的先后顺序依次为:清扫路面→同步碎石封层→人工补缺→碾压保养→清扫路面浮石→纤维微表处施工→养护→交通放行一切准备就绪后,经业主、设计、监理等有关管理部门的批准,我单位开始同步碎石封层及微表处试验段的施工。
六、质量控制我公司对工程质量的自我要求是高标准,严要求。
我们在施工中将本着质量第一的原则,做好各项质量工作。
本工程的质量目标为全部分项工程质量达到交通部《公路工程质量检验评定标准》(JTG F80/1-2004)的合格等级,验收的质量评定:建设项目竣工综合评分达到交通部《公路工程(交)工验收办法》(交通部2004年第3号令)规定的合格等级。
1、碎石封层质量控制①同步碎石封层达到表面平整,乳化沥青无明显囤积、流淌或漏洒,碎石散步均匀无漏洒、囤积现象。
②纵缝、横缝衔接平顺;③与路缘石及构造物衔接平顺,无污染;1、微表处质量控制①纤维微表处表面平整、密实,均匀,无松散,无花白料,无轮迹,无划痕②微表处铺筑后的表面不得有超粒径料拖拉的严重划痕,横向接缝和纵向接缝处不得出现余料堆积或缺料现象。
③微表处摊铺完成后,当混合料由褐色转变成黑色,固化成型后方可开放交通。
七、建立质量自检体系专业施工队配备专职质检员,各作业组配备兼职质检员,每一级质管人员与被检部门不发生直接关系,以提高质管工作的相对独立性。
八、质量工作为了保证工程质量能达到合格工程的目的,我们质量工作的重点是以预防控制为主,做到施工中的一切质量活动都处在受控状态,以消除对工程质量造成隐患或明显的不合格因素。
1、执行岗前培训和持证上岗制:对参加本工程施工的工人和技术人员均须进行岗前培训,未经培训的人员不得上岗,人员的培训率和持证上岗率达到100%。
九、施工过程控制1、关键部位及季节施工的施工技术方案,重点部位和特殊工序的作业指导书,由技术负责人编写,报监理工程师,监理工程师批准后实施。
2、认真执行工程建设监理规程中的工程质量控制基本程序:(1)工程材料、设备、构件质量控制程序(2)分项工程验收基本程序。
(3)单位工程验收基本程序。
(二)建立健全质量自检制度建立健全的质量管理制度,做到工程质量管理从管理体系上、管理制度上做好质量自检保证。
(三)加强质检、试验人员的投入配备一名既有理论知识又有实践经验的试验检测人员。
并配备先进的检测仪器设备,提高自检检测手段和水平,一切用数据说话,不达到标准不能放过的。
十、试验段施工时须注意的问题1、同步碎石封层及微表处摊铺时,如无正确引导定向控制前进的基准标记时,应提前放样画线,画线要求顺直、准确。
2、装入机内各容器中的材料必须经过质量验证。
3、摊铺前检查各种施工机械是否运转正常。
4、同步碎石封层及微表处的现场的摊铺厚度,按标定的测定程序是:在摊铺开始时按确定的摊铺机摊铺宽度,并同时测定标定厚度。
5、纤维微表处在摊铺的过程中,发现有沟迹、散松时,应立刻修补或挖除重修。
6、纤维微表处混合料摊铺后,对摊铺不到的两侧或局部需要由人工修整找平;过厚和不平处,使用橡胶耙子找平,漏铺和不足之处,及时使用混合料进行修补,纵向和横向搭接处应进行修整,保持搭接平顺,少量超大粒料必须清除出场外。
7、摊铺机上的各种材料,如有一种用完时,立刻停止送料,停止前进,将摊铺机移到路外,立刻补充所缺的材料。
8、同步碎石封层摊铺后,要封闭交通,设专人看管,进行交通控制,禁止一切车辆和人员进入保护区。
当同步碎石封层碾压完成后,固化成型后方可开放交通。
9、纤维微表处摊铺后,禁止一切车辆进入封闭区,待纤维微表处完全破乳后方可开放交通十一、文明施工1、文明施工环保体系设专人负责文明施宣传及管理工作,并同沿线单位和居民搞好协作,既要方便沿线居民出行,又要保证为顺利施工创造良好环境条件。
明确项目部各职能部门、各工种、各单位文明施工的责任区域,以防尘、防噪音、防遗洒、保护环境。
做到组织落实,人员落实,责任落实。
认真贯彻、执行北京建设施工现场环境保护工作基本标准和北京市建设工程施工现场管理基本标准,加强现场文明施工管理。
2、文明施工工地标准化管理措施我公司将最大限度的减少由于施工给外界造成的各种干扰和不利影响。
将以“基本消除扬尘、彻底防治遗撒、强化文明施工”为主要任务完成。
(一)必须严格按施工组织设计里面的施工部署,并经常检查现场,施组与实际施工矛盾时,及时调整方案,报原部门审批后实施。
(二)施工区域及职责严格划分,设立责任区,设立标志牌分片包干到个人。
(三),现场内零散碎料、垃圾及时清理,所有物料及设备摆放整齐。
(四)施工现场随施工进度,记录施工日志和施工管理各方面专业资料。
十二、试验段施工自检及结论(一)同步碎石封层及微表处试验段分别铺筑完成后,我方进行现场自检。
同步碎石摊铺路段为桩号,长度300米,摊铺时间为:AM10:20开始摊铺,用时4分钟摊铺完成(我公司使用车辆为新型智能车辆,石料与改性沥青洒布量能与车速自动调整,保证撒布数量与车速成正比,与设计有出入),摊铺宽度3米,摊铺撒布温度164℃,同步碎石摊铺完成后厚度为0.5cm。
同步碎石封层车摊铺完成后待乳化沥青完全破乳后进行碾压。
同步碎石封层自检结果:碎石封层用高粘度改性乳化沥青技术要求及自检结果(三)微表处:纤维微表处摊铺时间为时间铺筑长度为300米,用时5分钟,摊铺过程中进行了插尺检验法,检验纤维微表处单层虚铺厚度,厚度为7mm。
微表处自检结果:纤维微表处用改性乳化沥青技术要求及自检结果经过上述数据,本次试验段各项指标符合设计要求可以大面积施工。
十三、试验段铺筑过程中的不足与整改措施1.同步碎石封层不足与整改不足:我方在进行同步碎石封层过程中,有个别地点污染了路缘石。
整改:我方进行机械改装对同步碎石封层车加装乳化沥青挡板。
2.纤维微表处不足与整改不足:纤维微表处摊铺过程中有个别地方出现同步碎石封层浮石刮出。
整改:在纤维微表处摊铺前对同步碎石封层加大清扫力度。
日期。