车台阶孔《车工工艺与技能训练》教案
- 格式:doc
- 大小:136.50 KB
- 文档页数:4
车⼯⼯艺与技能训练教案车⼯⼯艺与技能训练实训教案实训过程⼀、组织教学1、思想动员2、器材准备⼆、⼊门指导1、车⼯实习课的任务2、车⼯实习课的要求和教学特点(5S)3、安全⽂明⽣产4、现场执⾏的5S管理策略三、操作⽰范指导教师根据相关⼊门知识(实习要求、安全操作规程、⽂明⽣产知识、5S管理等)进⾏机床讲解操作⽰范。
四、操作训练1、按照“整理→整顿→清扫→清洁→修养”的5S管理策略进⾏。
2、指导学⽣在断电状态进⾏相关知识巩固。
3、巡回指导。
4、注意事项:(1)⽂明规范操作。
(2)注意安全防护。
五、讲评总结总结本次实习中所出现的问题和解决办法,要求学⽣牢记车⼯⽂明⽣产和安全操作技术要求,正确理解5S管理策略。
六、课后作业1、进⾏车⼯实习有哪些具体要求?2、车⼯⽂明⽣产和安全操作技术的具体内容有哪些?3、你对5S管理策略如何理解?车⼯⼯艺与技能训练实训教案实训过程⼀、组织教学1、思想动员:进⾏实习纪律、安全操作、⽂明⽣产、5S管理教育,以饱满的精神状态准备今天的实习。
2、器材准备:现场进⾏5S管理,准备好需要的实习⼯具。
⼆、⼊门指导1、车削加⼯基本内容2、车床的主要结构及传动系统3、车床操纵4、卡盘装卸练习5、⼯件装夹找正6、车床的润滑与维护保养三、操作⽰范指导教师根据相关⼊门知识(实习要求、安全操作规程、⽂明⽣产知识、5S管理等)进⾏机床讲解操作⽰范。
1、床鞍、中滑板和⼩滑板摇动练习2、车床的启动和停⽌3、卡盘装卸练习4、⼯件装夹找正5、车床的润滑与维护保养车床的清洁维护保养要求:(1)每班⼯作后应擦净车床导轨⾯(包括中滑板和⼩滑板),要求⽆油污、⽆铁屑,并浇油润滑,使车床外表清洁和场地整齐。
(2)每周要求车床三个导轨⾯及转动部位清洁、润滑,油眼畅通,油标油窗清晰,清洗护床油⽑毡,并保持车床外表清洁和场地整齐等。
四、操作训练1、按照“整理→整顿→清扫→清洁→修养”的5S管理策略指导学⽣进⾏车床的⼿动操纵和⾃动操纵、卡盘装卸练习、⼯件装夹找正、车床的润滑与维护保养等练习3、巡回指导。
《车工工艺与技能训练》教案一、教学目标:1. 知识与技能:(1)了解车工的基本概念、特点和应用领域;(2)掌握车工的基本工艺方法和操作技巧;(3)学会使用车工工具和设备,并能进行简单的车工操作。
2. 过程与方法:(1)通过观察、实践和讨论,培养学生的动手能力和团队协作能力;(2)学会分析车工问题,并能运用所学的知识解决实际问题。
3. 情感态度与价值观:(1)培养学生对车工技术的兴趣和热情;(2)培养学生遵守纪律、安全意识、责任心和精益求精的态度。
二、教学内容:1. 车工基本概念:车工的定义、特点和应用领域;2. 车工工艺方法:平端面、外圆、内孔、螺纹等基本加工方法;3. 车工设备与工具:车床、刀具、量具等的选择和使用;4. 车工操作技巧:安全操作、正确装夹工件、调整刀具等;5. 车工实际操作:进行简单的车工操作,如加工轴类零件、螺纹等。
三、教学重点与难点:1. 教学重点:车工的基本工艺方法和操作技巧,车工工具和设备的选择与使用。
2. 教学难点:车工实际操作中的装夹、调整刀具、加工精度等。
四、教学方法与手段:1. 教学方法:采用讲解、演示、实践、讨论相结合的方法;2. 教学手段:多媒体教学、实物演示、实践操作等。
五、教学课时与安排:1. 教学课时:本课程共计32课时;2. 教学安排:每课时45分钟,包括理论讲解和实践操作两部分。
六、教学过程:1. 课前准备:检查学生预习情况,准备教学设备和材料;2. 课堂讲解:讲解车工基本概念、工艺方法和操作技巧;3. 实物演示:演示车工设备的使用和实际操作过程;4. 实践操作:学生分组进行车工实际操作,教师巡回指导;七、教学评价:1. 平时成绩:观察学生在课堂上的参与程度、操作技巧和团队协作能力;2. 实践成果:评估学生在实践操作中的加工质量、精度等;3. 课后作业:布置相关车工工艺与技能的练习题,检查学生掌握程度。
八、教学拓展:1. 组织学生参观车工企业,了解车工行业的发展和应用;2. 邀请车工专家进行讲座,分享车工技术的最新动态和发展趋势;3. 开展车工技能竞赛,激发学生的学习兴趣和竞争意识。
《车工工艺与技能训练》说课稿下面将从教学内容、教学目标、学情分析、教法学法、教学过程和知识拓展六个方面对本课程进行说明。
一、教学内容分析1、本课程的地位与作用《车工工艺与技能训练》是一门专门工艺课,是职业院校机械类专业的基本课程之一,它是学会其它机械加工的入门基础。
车削加工的范围很广,就其基本内容来说,有车外圆、车端面、车孔、切断和切槽、钻中心孔、铰孔、车螺纹、车锥度面、车成形面、滚花和盘绕弹簧等。
因此,车削加工在机器制造工业中应用得非常普遍,它的地位也显的十分重要。
所以,对于学习机械加工类专业的学生来说这是一门重要的、必须掌握的专门工艺课。
2、本次课在课程中的地位和作用尺寸检验是判断零件是否合格的一个重要手段。
游标卡尺能够测量内、外径尺寸、孔距、壁厚、沟槽及深度,而且他的结构简单,使用方便,是机械加工中应用最广泛的测量方法之一。
因此本节内容它直接关系到今后生产实践中的加工质量、生产率、经济效益和生产成本,是重要的关键知识点和技能点。
3、教学内容主要讲解:①游标卡尺的刻数原理;②游标卡尺的读数方法;③游标卡尺的使用方法;④游标卡尺的维护保养。
教学重点:游标卡尺的读数方法和使用方法。
教学难点:游标卡尺的刻数原理。
4、教材与参考资料①本课程采用:21世纪高职高专规划教材《车工工艺与技能训练》,国防科技大学出版社,浦艳敏主编;②参考用书:湖南省高等职业院校学生专业技能抽查标准与题库丛书《机电一体化技术》,湖南大学出版社。
二、教学目标①知识目标:掌握游标卡尺的结构、刻数原理、读数方法、使用游标卡尺的注意事项、游标卡尺的维护保养。
②技能目标:培养学生正确的测量方法,能准确、快速地测量尺寸,减少测量误差,提高测量的准确性。
③态度目标:培养学生手、脑并用的学习习惯,鼓励学生在学习活动中互相探讨、积极创新,养成爱护和保养工具的良好习惯。
三、学情分析学生已学过《机械制图》、《公差配合》等课程,了解尺寸的概念,这为本堂课的学习奠定了基础。
a )b )a )粗内孔车刀b )精内孔车刀练习内容 材料 下料尺寸件数 工时(min )刃磨内孔车刀高速钢、硬质合金各 1件90图8-2 内孔车刀7.车通孔技能训练(图8-3)。
次数 D/mm 1 φ20052.00+ 2 φ22052.00+ 3φ24033.00+ 4φ26033.00+a )b )c )a )套一 c )套二b )套三练习内容 材料 下料尺寸件数 工时(min ) 车通孔HT150各1件30/120 图8-3 车通孔8.车台阶孔技能训练(图8-4)。
a )台阶套一b )台阶套二c )台阶套三次数 D /mmd /mml /mm 1 φ36039.00+ φ28033.00+ 6 2φ38039.00+ φ30033.00+ 7 3 φ40039.00+ φ32039.00+ 8 练习内容 材料下料尺寸件数 工时(min ) 车台阶孔 HT150各5件45/675图8-4 车台阶孔9. 车盲孔(平底孔)技能训练(图8-5)。
次数D /mml /mm1 Φ34 24 2Φ36 26 3 Φ38 28 4Φ4030练习内容材料下料尺寸 件数 工时(min )车平底孔HT150各 1件 60/240图8-5 车平底孔一、车内孔用车削方法扩大工件的孔或加工空心工件的内表面称为车孔。
车孔是车削加工的主要内容之一,可用作孔的半精加工。
车孔的加工精度一般可达IT8~IT7,表面粗糙度Ra 值为 3.2~Ra1.6μm ,精细车削时Ra 值可达0.8μm 。
1.内孔车刀 内孔车刀的种类及几何角度(表8-6)。
表8-6 内孔车刀的种类及几何角度内容图例说明补充材料通孔车刀通孔车刀切削部分的几何形状基本上与外圆车刀相似(图)为减小径向切削抗力,防止车孔时振动,主偏角应取得大些,一般κr=60°~75°;副偏角κr′=15°~30°。
为防止内孔车刀后面和孔壁的摩擦又不使后角磨得太大,一般磨成两个后角,如图中的旋转剖视,其中αo1取6°~12°,αo2取30°左右盲孔车刀盲孔车刀用于车削盲孔或台阶孔,其切削部分的几何形状基本上与偏刀相似(图)盲孔车刀的主偏角大于90°,一般κr=92°~95°。
一、教案基本信息教案名称:《车工工艺与技能训练》教案学科领域:机械制造与自动化课时安排:本教案共5课时教学目标:1. 让学生了解车工的基本工艺和操作技能;2. 使学生掌握车工设备的使用方法和操作规范;3. 培养学生具备安全意识和团队协作能力。
教学内容:1. 车工基本工艺;2. 车工设备及工具的使用;3. 车工操作规范及安全注意事项;4. 典型车工加工案例分析;5. 团队协作与沟通技巧。
教学方法:1. 讲授法:讲解车工基本工艺、设备使用方法和操作规范;2. 演示法:展示车工操作过程,让学生直观了解操作要领;3. 实践法:学生动手进行车工操作,提高实际操作能力;4. 案例分析法:分析典型车工加工案例,培养学生解决问题的能力;5. 小组讨论法:讨论团队协作与沟通技巧,提高学生协作能力。
教学准备:1. 车工设备及工具;2. 车工操作手册及教材;3. 安全防护用品;4. 典型车工加工案例资料;5. 小组讨论题目及评分标准。
二、教学过程课时安排:每课时1小时第一课时:车工基本工艺1. 导入:介绍车工工艺及本节课的教学目标;2. 讲解:讲解车工的基本工艺,如切削、磨削、钻孔等;3. 演示:展示车工操作过程,让学生直观了解操作要领;4. 实践:学生动手进行简单车工操作,熟悉设备及工具使用;5. 总结:强调车工工艺的重要性及操作规范。
第二课时:车工设备及工具的使用1. 导入:介绍车工设备及工具的种类和功能;2. 讲解:讲解车床、刀具、量具等设备及工具的使用方法;3. 演示:展示车工设备及工具的使用过程,让学生直观了解;4. 实践:学生动手操作,掌握设备及工具的使用技巧;5. 总结:强调操作规范及安全注意事项。
第三课时:车工操作规范及安全注意事项1. 导入:介绍车工操作规范及安全重要性;2. 讲解:讲解车工操作规范,如穿戴防护用品、遵守操作流程等;3. 演示:展示安全操作示例,让学生直观了解安全要领;4. 实践:学生在教师指导下进行操作,培养安全意识;5. 总结:强调操作规范及安全注意事项。
车工工艺与技能训练教案教师:部门:时间:单位:厦门市同安职业技术学校教案纸厦门市同安职业技术学校教案纸第页绪论一简介1.该课程的理论知识厦门市同安职业技术学校教案纸第页工件装夹、刀具选择、车削方法、精度检验2.特点知识性、科学性、实践性3.车工的职业定义操纵车床,进行工件的旋转运动和车刀的直线运动(或曲线运动)来改变毛坯的尺寸,形状,使之成为合格工件的一种金属切削方法。
图0-1 车床二车削加工的范围车外圆、车端面、切断、车外沟槽、钻中心孔、钻孔、扩孔、铰孔、镗孔、车圆锥面、车成形面、滚花、车螺纹等(见图0-2) 三车床加工的发展史四学完本课程应达到的要求1.掌握车床工作的一般知识厦门市同安职业技术学校教案纸第页图0-2 车削加工的基本内容2.能合理地选用刀具、切削用量和切削液3.理解金属切削过程中的物理现象及对其车削加工的影响4.掌握常用工具、夹具、量具、量仪的用途、使用和保养方法5.掌握中级工应会的切削的方法,并能对工件进行质量分析6.能熟练掌握实际生产中的计算问题和查阅有关车工技术方面的手册和资料7.理解基准的意义,并掌握工件的定位、夹紧的基本原理和方法**厦门市同安职业技术学校教案纸(续页)第页**厦门市同安职业技术学校教案纸(首页)**厦门市同安职业技术学校教案纸(续页)第页1.车削运动工件的旋转运动(主运动)车刀的直线运动(进给运动)纵向进给——车外圆横向进给——车端面(1)主运动车削时形成切削速度的主运动(2)进给运动使工件多余材料不断被车去的运动2.车削时工件上形成的表面(1)已加工表面已经车去金属层而形成的新表面(2)过渡表面刀具切削刃在工件上形成的部分表面,连接待加工表面和已加工表面之间的表面(3)待加工表面工件上将要被车去多余金属的表面**厦门市同安职业技术学校教案纸(续页)第页图1-1 车削运动和工件上的表面3.切削用量**厦门市同安职业技术学校教案纸(续页)第页**厦门市同安职业技术学校教案纸(续页)第页**厦门市同安职业技术学校教案纸(续页)第页**厦门市同安职业技术学校教案纸(续页)第页**厦门市同安职业技术学校教案纸(续页)第页**厦门市同安职业技术学校教案纸(首页)**厦门市同安职业技术学校教案纸(续页)第页**厦门市同安职业技术学校教案纸(续页)第页二常用车刀种类和用途1.车刀的种类(见图1-2)外圆车刀、端面车刀、切断刀、内孔车刀、成形车刀、螺纹车刀图1-2 车刀的种类2.用途(1)90˚车刀(偏刀)车外圆、阶台和端面(2)45˚车刀(弯头车刀)车外圆、端面和倒角(3)切断刀用来切断工件或在工件上切槽(4)内孔车刀用来车削工件的内孔(5)成形刀用来车削成形面(6)螺纹车刀用来车削螺纹(7)75˚车刀粗车外圆3.硬质合金可转位(不重磨车刀)**厦门市同安职业技术学校教案纸(续页)第页近年来在国内外大力发展和广泛应用的先进刀具之一。
xxx中等职业技术学校2017-2018学年度第二学期教案教学目标:1、知识与能力目标1)了解台阶孔的作用和要求。
2)车削台阶孔的方法。
3)合理选择车削时的切削用量。
4)正确使用量具检查内孔的方法。
5)理解内孔综合件的工艺流程。
2、过程与方法目标1)尝试在学习过程中发现问题并形成分析、解决问题的能力;2)学会观察教师示范操作,并通过思考、训练转换为自己的操作技能;3、情感态度与价值观目标1)体会按图加工的严谨性、专业俗语表达及现场管理要求培养职业素养,追求零件质量意识。
2)积极参与同组(同台机床)合作学习,学会交流、合作、相互探讨等有效沟通切磋。
教学重点:1、能正确选用车台阶孔的刀具及内孔车刀的正确安装。
2、能正确制定内孔综合件的加工工艺,掌握台阶孔车削及测量技术。
教学难点:台阶孔尺寸的控制。
教学方法:演示法、理论实践一体化教学法、巡回指导等教学方法和练习法等。
学法:1.理实一体引导学生在观察、巡回指导过程中更好加工好轴套,让学生学有所用。
2.学做合一做中学,学中做,让学生在实践中学习知识,习得技能,获得能力。
3.合作互动应用合作学习方式,为学生营造一个生生互动、师生互动的合作情境,引导学生积极主动学习,从实践中感受学习的乐趣。
教学组织过程:学生集中点名:(约2分钟)检查学生防护用品的穿戴,工作衣穿戴是否整齐,文明安全操作教育。
一、课前复习:通孔车削方法:(约5分钟)(1)基本上跟车外圆一样,只是进刀和退刀的方向相反。
(2)车孔时的切削用量要比车外圆时适当小些,特别是车小孔或深孔时,其切削用量应更小二、导入:任务导入法,用实物和图纸提出任务,如下图所示。
(约3分钟)1、内孔综合件的工工艺流程是怎样制定的?2、内孔综合件的背吃刀量是怎么样选择? 三、讲授新课: 讲解:(约10分钟) 加工路线及工艺分析:1、检查毛坯,装夹工件约伸出35mm 长,粗、精车端面。
2、粗车外圆至Ф41×30mm 。
模块二车削初级工技能训练本项目参考节数:10节检查学生出勤,作好学生考勤记录。
强调课堂纪律,活跃课堂气氛。
强调实习纪律,做好安全文明生产。
【复习巩固】1.复习上次课主要学习了麻花钻的组成及主要角度;麻花钻的刃磨;麻花钻的装卸;钻孔时切削用量的选择和钻孔的方法。
播放了钻孔、锪孔、车孔和铰孔的视频。
同学们也进行了相应的练习。
通过讲解和演示及练习,使学生进一步增强对重点内容的认识和理解。
更加深了对刃磨麻花钻和钻孔的感性认识。
2.提问1)标准麻花钻由哪几部分组成?2)钻孔时的背吃刀量是什么?3)直径越小的钻头,主轴转速应如何选择?3.作业讲评作业完成情况统计表【课题导入】多媒体演示齿轮、轴承套、衬套、带轮等机器零件,使学生认识这几种机器零件。
观察它们的结构特点,并提出问题:这几种零件与我们前面学过的轴类工件有何不同之处?得到答案——它们共同的特点是比轴类工件多了内孔结构,自然引出套类工件的概念。
设置问题:同学们学习了外圆的车削,那么内孔是怎样加工出来的呢?(1)引发学生的好奇心,并给出几分种的时间让他们发挥想象,进行自由讨论。
(2)播放锪孔、车孔和铰孔的视频,通过观看,明确告诉学生内孔表面在车床上就是用这几种方法加工的,自然比较出内孔加工的4个特点(3)在分析各种加工孔的方法时指出:其中最常用的方法是——车孔,而车孔用的刃具是——内孔车刀,引入内孔车刀和车孔。
【讲授新课】(2课时)项目8 车内孔任务二车通孔、台阶孔一、内孔车刀的种类二、内孔车刀刃磨步骤1.根据刀片固定的形式分类2.根据不同的加工情况分类三、内孔车刀的装夹四、内孔的车削步骤1.通孔的车削步骤2.台阶孔的车削步骤五、测量孔径的方法【技能训练】(6小时)一、目标任务1.了解内孔车刀的种类,学会装夹内孔车刀。
2.掌握内孔车刀刃磨的角度,学会其刃磨方法。
3.学会车内孔。
4.学会用塞规测量孔径。
二、示范操作刃磨内孔车刀、装夹内孔车刀及车削和测量内孔。
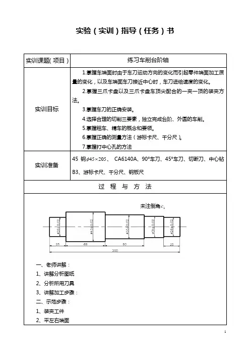
实验(实训)指导(任务)书实训课题(项目)练习车削台阶轴
实训目标
1.掌握车端面时由于车刀运动方向的变化而引起零件端面加工质量的变化,以及车端面车刀接近中心时,车刀进给速度的变化。
2.掌握三爪卡盘以及三爪卡盘车顶尖配合的一夹一顶的装夹方法。
3.掌握车刀的正确安装。
4.选择合理的切削三要素,独立完成台阶、外圆的车削。
5.掌握粗车、精车的概念和要领。
6.掌握正确的测量方法(游标卡尺、千分尺)。
7.掌握打中心孔的方法
实训准备45钢205
45⨯
φ、CA6140A、90°车刀、45°车刀、切断刀、中心钻B3、游标卡尺、千分尺、钢板尺
过程与方法
一、老师讲解:
1、讲解分析图纸
2、分析所用刀具
3、讲解加工步骤:
二、示范步骤:
1、装夹工件
2、平左右端面未注倒角
1
c。
第5章车内圆柱面教学要求熟练掌握钻孔、镗孔和铰孔的操作方法;能够根据加工工件的相应结构正确选择内孔车刀、内槽车刀、端面槽车刀,能够独立进行相应的车刀安装及校准方法。
掌握每种内沟槽的车削方法、端面的车削方法、端面沟槽的车削方法,包括详细了解每种加工方法的适用范围及相应的优点和缺点。
掌握车削零件的测量及注意事项。
了解套筒类工件的加工特点,能够根据工件结构分析套筒类工零件的加工工艺,掌握套筒类工零件装夹及加工操作。
教学重点内圆柱面的加工过程及方法,不同类别刀具选择及应用,套类零件的装夹及加工。
教学难点内沟槽的车削方法,内沟槽的尺寸测量方法及注意事项。
课时安排本章安排8课时。
其中,理论讲授6课时,上机实验2课时教学大纲一、钻孔、镗孔和铰孔1. 钻孔和扩孔的刀具及方法2.镗孔的刀具及操作3.铰孔的刀具及操作二、车孔1. 内孔车刀的类型及选择2 .车孔关键技术3 .车削内孔的方法4 .车孔注意事项三、车内沟槽1 .内沟槽车刀的种类2 .内沟槽的车削方法3 .内沟槽的测量及注意事项四、车端面和端面沟槽1 .端面车刀的选择与装夹2 .端面的车削方法3 .端面沟槽的车削方法五、套筒类工件车削1. 套筒类工件的加工特点2. 套筒类工件的装夹与测量六、技能训练车削内沟槽的方法主要概念1.直柄麻花钻2.莫氏锥柄麻花钻3.镗孔4.通孔镗刀5.盲孔镗刀6.整体式镗刀7.刀排式镗刀8.铰孔9.手用铰刀10.机用铰刀11.45º车刀车端面12.90º偏刀车端面13.套类零件。
车工技能训练课程教案课程性质:实训授课对象:机制专业工种等级:高级参考资料:车工工艺与技能训练(机械工业出版社)天津职业技术师范大学工程实训中心《车工技能训练》课程教案执教者车阶台轴时,长度方向尺寸精度影响套件的装配尺寸。
粗车时,用大拖板控制,留mm 4.0~2.0的精车余量;精车时,用深度尺测量,借助小拖板刻度分两刀车至尺寸。
注:用大拖板控制长度的关键是长度对“零”方法如下:外圆粗车刀靠近工件端面,大拖板近似对零,返回并把大滑板摇至零位,进小滑板刻度,使车刀刀尖接触工件端面。
中拖板控制尺寸的关键是中拖板不退刀,在原来的基础上控制最后的剩余量。
5.车削台阶轴工艺顺序(板书)工艺安排注重强调粗精车分开,以及受加工热量的影响,先粗车那个台阶就先精车那个,另外长度和外径尺寸精车的顺序如何选择要讲明白。
可以采用提问的方式提出问题要学生考虑,再对学生的答案作进一步的分析指出优缺点让学生做选择。
三、总结 以上讲授的内容贯穿于车削台阶轴的整个过程之中,每个问题就是在加个中遇到的惑是说需要考虑的。
通过以上的讲解以及操作演示要在实际应用中多体会,找出适合自己的方法。
10作业布置自学与 讨论 加工细长轴的方法与技巧 教学后记《车工技能训练》课程教案执教者注:讲授以上内容时可一方面让学生回想车台阶轴的过程,一方面步步引入车台阶孔,进行比较。
4.孔径测量方法(板书)1)用游标卡尺→精度不高2)用内径千分尺3)用内径百分表→常用4)用塞规注:讲授以上几种方法的优缺点及应用场合,注重讲授内径百分表的使用方法,在让学生明白原理的基础上,可一边讲一边为学生演示。
三、总结车削内孔是学生较难掌握的课题,尤其是学生在以前的学习中大多数没有接触过,有畏惧心理。
实际关键就在车削内孔的刀具上,刀具解决好了,可真正的达到和车外圆一样容易。
本课题可让学生练习较长的时间,一方面理解车削台阶轴,一方面把孔车好。
把基础打扎实。
20 5作业布置自学与讨论车削薄壁套的方法与技巧教学后记《车工技能训练》课程教案执教者二、教学内容1.圆锥各部分名称及计算(板书)内容公式见教材P206注:讲授圆锥各部分名称及计算是要让学生掌握圆锥直径、圆锥角、圆锥长度、圆锥锥度之间的关系,并能做简单的计算,尤其是锥度的含义必须明确。
xxx中等职业技术学校
2017-2018学年度第二学期教案
教学目标:
1、知识与能力目标
1)了解台阶孔的作用和要求。
2)车削台阶孔的方法。
3)合理选择车削时的切削用量。
4)正确使用量具检查内孔的方法。
2、过程与方法目标
1)尝试在学习过程中发现问题并形成分析、解决问题的能力;
2)学会观察教师示范操作,并通过思考、训练转换为自己的操作技能;
3、情感态度与价值观目标
1)体会按图加工的严谨性、专业俗语表达及现场管理要求培养职业素养,追求零件质量意识。
2)积极参与同组(同台机床)合作学习,学会交流、合作、相互探讨等有效沟通切磋。
教学重点:
1、能正确选用车台阶孔的刀具及内孔车刀的正确安装。
2、能正确制定台阶孔加工工艺,掌握台阶孔车削及测量技术。
教学难点:
台阶孔尺寸的控制。
教学方法:
演示法、理论实践一体化教学法、巡回指导等教学方法和练习法等。
学法:
1.理实一体
引导学生在观察、巡回指导过程中更好加工好轴套,让学生学有所用。
2.学做合一
做中学,学中做,让学生在实践中学习知识,习得技能,获得能力。
3.合作互动
应用合作学习方式,为学生营造一个生生互动、师生互动的合作情境,引导学生积极主动学习,从实践中感受学习的乐趣。
教学组织过程:
学生集中点名:(约2分钟)
检查学生防护用品的穿戴,工作衣穿戴是否整齐,文明安全操作教育。
一、课前复习:通孔车削方法:(约5分钟)
(1)基本上跟车外圆一样,只是进刀和退刀的方向相反。
(2)车孔时的切削用量要比车外圆时适当小些,特别是车小孔或深孔时,其切削用量应更小
二、导入:任务导入法,用实物和图纸提出任务,如下图所示。
(约3分钟)
1、台阶孔是怎样加工呢?
2、台阶孔车削背吃刀量怎么样选择?
三、讲授新课:
讲解:(约10分钟)
1、内孔车刀的安装
(1)车台阶孔时,内孔车刀的刀尖应对准工件中心。
(2)内孔车刀刀杆在满足加工要求的同时尽可能伸出
短些。
(3)内偏刀的主刀刃应和平面成3°~5°的夹角。
(4)在车削内平面是,要求横向有足够的退刀余地。
2、车削台阶孔的方法
(1)车直径较小的台阶孔时,由于直接观察困难,尺寸精度不易掌握,所以通常采用先粗、精车小孔,再粗、精车大孔的方法进行。
(2)车大的台阶孔时,在视线不受影响的情况下,通常采用先粗车大孔和小孔,再精车大孔和小孔的方法进行。
(3)车孔径大、小相差悬殊的台阶孔时,最好采用主偏角小于90°(85°~88°)的车刀先进行粗车,然后用内偏刀精车至尺寸(见图a)。
(4)控制车削孔长度的方法,粗车时通常采用刀杆上刻线痕作记号(见图b上 ),或安放限位铜片(见图b),以及用床鞍刻度盘的刻线来控制等。
精度时还需用钢直尺、游标深度尺等量具复量车准。
3、台阶孔测量方法:用游标卡尺测量。
4、加工路线及工艺分析:
1、检查毛坯,按要求装夹工件和车刀。
2、粗、精车端面(车平即可)。
3、两孔粗车成型(孔径留0.5mm左右的余量,孔深留余量0)。
4、精车小孔和大孔以及空长度至尺寸要求,并倒角c1。
5、调头倒角c1。
6、检查工件。
四、老师示范演示:(约15分钟)
老师按图纸要求动作规范演示讲解。
五、学生按图纸要求分组练习操作。
六、老师巡回指导。
1、逐台辅导、检查学生大拖板的对零技术。
2、逐台辅导、检查学生粗车孔径的正确性。
3、辅导、检查学生精车孔径时运用试切试测技术和孔塞规测量技术的正确性,检查切削用量选择情况。
4、辅导学生正确使用切削液。
七、作业布置:课内作业:
学生按下图要求分组训练。
八、板书设计:
1、内孔车刀的安装
(1)车台阶孔时,内孔车刀的刀尖应对准工件中心。
(2)内孔车刀刀杆在满足加工要求的同时尽可能伸出
短些。
(3)内偏刀的主刀刃应和平面成3°~5°的夹角。
(4)在车削内平面是,要求横向有足够的退刀余地。
2、车内孔的方法
(1)基本上跟车外圆一样,只是进刀和退刀的方向相反。
(2)车孔时的切削用量要比车外圆时适当小些,特别是车小孔或深孔时,其切削用量应
更小。
九、课堂小结:
1、总结本次实习课的完成情况,对完成好的同学进行表扬。
指出普遍存在的问题,并针对提出问题提出解决的措施。
2、组织学生整理整顿工具、量具、刀具。
打扫实习场地清洁。
十、设计意图:
在动手操作过程中来感知、领悟加工操作,让学生逐步掌握加工轴套技术。
组内互评、竞争,充分调动学生参与的积极性,同时培养团队意识、效率意识。
十一、课后反思:
1、内孔车刀装夹还有个别学生操作不规范,比如刀柄伸出长度过长等。
2、有个别学生粗、精车内孔切削用量选择不当。
3、改进措施,针对个别较差学生采用个别指导的方式,加以指导,对这些学生应耐心仔
细多给予鼓励,使他们有足够的信心。