电动工具台账
- 格式:xls
- 大小:46.00 KB
- 文档页数:10
2112 年7 月 1 日十类﹙设备﹚编号:DHSY/QD-6.3-0.3- 1 -生产设备明细台账抽油泵厂大庆大华宏业石油工程技术有限公司二零一二年七月一日- 2 -- 3 -抽油泵名称规格型号生产编号执行标准冲程范围间隙代号泵筒材料化学镀□ 碳氮共渗□ 合金□ 陶瓷□ 电镀 □泵筒内径57.18泵筒长柱塞材料柱塞外径87.09柱塞长加长短节项目12345612¢31.830¢38.128¢44.523¢57.218¢69.916¢82.612¢95.310柱塞的灵活性螺纹保护外观包装检验结果检验员检验日期大庆大华宏业石油工程技术有限公司大庆大华宏业石油工程技术有限公司质检部0.150.18说明合格 □ 不合格 □ 合格 □ 不合格 □2012.09.14冲程合适阀座灵活柱塞放入泵筒,反复推动和转动应灵活,无阻滞是否涂抹丝扣油成品泵无外露加工面和非加工面有无磕伤合格 □ 不合格 □合格 □ 不合格 □ 合格 □ 不合格 □合格 □ 不合格 □合格 □ 不合格 □225TH0.56DHSY57-2012-07-0021.8m□ 3.0m□ 4.5m□ 5.1m□ 6.0m□ 7.7m□(0.100-0.163)生产日期:GB/T18607-2008 Q/DHSY 001 -2011标准值0.050-0.113(0.025-0.088)0.100-0.163(0.050-0.113)泵的灵活性Ⅰ □ Ⅱ □标称直径mm 试验压力Mpa 合格 □ 不合格 □ 合格 □ 不合格 □ 合格 □ 不合格 □合格 □ 不合格 □ 配合间隙(mm)漏失量(ml/min)密封性实验合格 □ 不合格 □(0.125-0.188) 编号:DHSY/QD-8.2.3/4-15抽油泵出厂检验报告合格 □ 不合格 □合格 □ 不合格 □ 1□ 2□ 3□ 4□ 5□0.150-0.300(0.075-0.138)(0.150-0.213)检验值0.050.060.080.12喷焊□ 合金□ 陶瓷□ 0.56柱塞。
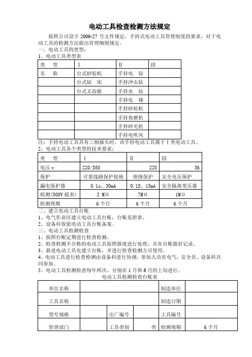
电动工具检查检测方法规定
按照公司设字2009-27号文件规定,手持式电动工具管理制度的要求,对于电动工具的检测方法做出管理细则规定。
一、电动工具的类型:
1、电气作业区建立电动工具台账,台账见附表。
2、设备科保留电动工具台账备案。
三、电动工具检测检查
1、按照台账定期进行检查检测。
2、检查检测不合格的电动工具按照报废进行处理,并在台账做好记录。
3、新进电动工具先建立台账,并进行检查检测方可使用。
4、电动工具进行检查检测由设备科进行协调,参加人员有电气,安全员、设备科共同参加。
5、电动工具检测检查每年两次,分别在1月和6月的上旬进行。
建立电器、燃气具、电动摩托车配件台账简报摘要:一、背景及意义二、台账建立流程1.确定台账内容2.收集相关信息3.整理归类4.建立电子台账5.定期更新与维护三、台账应用与效益1.提高管理效率2.便于数据分析3.促进资源优化配置四、注意事项1.信息准确性与完整性2.数据安全与保密3.合规性与合规标准五、总结与展望正文:一、背景及意义随着现代科技的飞速发展,电器、燃气具、电动摩托车等产品在我国已广泛应用于日常生活、工业生产等多个领域。
为了更好地管理这些产品的配件,保证配件的供应与需求,建立一套完善的电器、燃气具、电动摩托车配件台账显得尤为重要。
本文将详细介绍如何建立此类台账,以提高企业管理效率,促进资源优化配置。
二、台账建立流程1.确定台账内容在建立台账前,首先要明确台账的内容。
主要包括以下几个方面:产品名称、型号、规格、生产厂家、采购日期、供应商、库存数量、销售数量、使用情况等。
2.收集相关信息根据台账内容,对企业内部及外部相关人员进行访谈,收集电器、燃气具、电动摩托车配件的相关信息。
同时,可通过网络、市场调查等渠道获取更多详细数据。
3.整理归类将收集到的信息进行整理、归类,确保数据准确、完整。
对于重复、矛盾或不清晰的数据,要及时与相关人员沟通,核实无误后纳入台账。
4.建立电子台账利用电子表格软件(如Excel、Access等),将整理好的数据录入,设置相应的表格格式、公式和权限。
电子台账便于修改、查询和分析,有利于提高管理效率。
5.定期更新与维护建立电子台账后,要定期对数据进行更新与维护。
企业可设立专门的台账管理员,负责监督、协调、更新台账数据。
同时,要求各相关部门及时上报相关数据,确保数据的准确性和完整性。
三、台账应用与效益1.提高管理效率通过建立完善的配件台账,企业可实时掌握各类配件的库存、销售和使用情况,为决策提供数据支持。
这有助于提高企业的管理效率,降低库存成本,缩短采购周期。
2.便于数据分析台账数据可用于统计、分析企业的配件采购、销售及使用情况,为企业提供丰富的决策依据。
电动工具检查检测方法规定
按照公司设字2009-27号文件规定,手持式电动工具管理制度的要求,对于电动工具的检测方法做出管理细则规定。
一、电动工具的类型:
1、电气作业区建立电动工具台账,台账见附表。
2、设备科保留电动工具台账备案。
三、电动工具检测检查
1、按照台账定期进行检查检测。
2、检查检测不合格的电动工具按照报废进行处理,并在台账做好记录。
3、新进电动工具先建立台账,并进行检查检测方可使用。
4、电动工具进行检查检测由设备科进行协调,参加人员有电气,安全员、设备科共同参加。
5、电动工具检测检查每年两次,分别在1月和6月的上旬进行。
填写说明
1.安全工器具目录应包括本场站全部安全工器具。
2.应建立台账的设备包括验电器、绝缘手套、绝缘靴、绝缘垫、绝缘凳(梯)等。
3.每项工器具都应建立其终身各项记录信息,包括工器具异常、维修、周期测试等,同型号的电气设备可统一建立一个台账,但具体编号、各台记录都应分别填写。
4.基本信息按照模板项目填写。
5.各安全工器具记录部分依据实际情况填写,台账应及时更新,须随时保持台账的完整度和准确性。
6.各安全工器具台账电子版按照每台电气设备分节,并分别标记本台账“第几页,共几页”。
7.纸质版按照实际存档需要打印存档。
8.表格中项目如本设备无内容,应填写“无”。
目录
1.验电器
2.绝缘手套
3....
-------------------------------------------顺页记录
验电器
-------------------------------------------顺页记录
绝缘手套
-------------------------------------------顺页记录。
建立电器、燃气具、电动摩托车配件台账简报摘要:一、背景及意义二、电器、燃气具、电动摩托车配件台账建立步骤1.确定目录分类2.搜集相关信息3.整理数据和资料4.制定报告模板5.编写简报三、台账管理的注意事项1.信息准确性和实时性2.资料归档与保管3.定期更新与维护四、总结与展望正文:一、背景及意义随着现代科技的飞速发展,电器、燃气具、电动摩托车等产品在日常生活中的应用越来越广泛。
为了更好地管理这些产品的配件,保证产品的正常运行和使用寿命,建立一套完整的电器、燃气具、电动摩托车配件台账显得至关重要。
本文旨在介绍如何建立此类台账,以提高企业或个人在维修、保养过程中的效率。
二、电器、燃气具、电动摩托车配件台账建立步骤1.确定目录分类根据电器、燃气具、电动摩托车的种类和配件特点,首先确定台账的目录分类。
例如,可以分为家电类、燃气类、电动摩托车类,再细分至各个部件,如机身、电源、控制器、电池等。
2.搜集相关信息在建立台账的过程中,需要搜集各类产品的技术参数、规格型号、生产厂家等信息。
这些信息可以通过产品说明书、网络查询、厂家提供的资料等渠道获取。
3.整理数据和资料将搜集到的信息进行整理,填写到台账表格中。
表格可以分为以下几个部分:- 配件名称- 配件型号- 生产厂家- 生产日期- 配件编号- 价格- 库存数量- 采购日期- 保质期4.制定报告模板根据台账表格的内容,制定报告模板。
报告模板应包括封面、目录、正文、附录等部分,以便于统一管理和展示。
5.编写简报定期根据台账数据,编写简报。
简报可以包括近期销量分析、库存预警、采购计划、新品推荐等内容,以供企业或个人参考。
三、台账管理的注意事项1.信息准确性和实时性台账信息应保持准确、真实、及时更新。
在整理数据和资料时,要注意核实信息的准确性,避免因错误信息导致的故障或损失。
2.资料归档与保管建立完台账后,要将相关资料进行归档和保管。
可以采用电子文档和纸质文档两种形式,以便于查找和备份。
填写说明
1.安全工器具目录应包括本场站全部安全工器具。
2.应建立台账的设备包括验电器、绝缘手套、绝缘靴、绝缘垫、绝缘凳(梯)等。
3.每项工器具都应建立其终身各项记录信息,包括工器具异常、维修、周期测试等,同型号的电气设备可统一建立一个台账,但具体编号、各台记录都应分别填写。
4.基本信息按照模板项目填写。
5.各安全工器具记录部分依据实际情况填写,台账应及时更新,须随时保持台账的完整度和准确性。
6.各安全工器具台账电子版按照每台电气设备分节,并分别标记本台账“第几页,共几页”。
7.纸质版按照实际存档需要打印存档。
8.表格中项目如本设备无内容,应填写“无”。
目录
1.验电器
2.绝缘手套
3....
-------------------------------------------顺页记录
验电器
-------------------------------------------顺页记录
绝缘手套
-------------------------------------------顺页记录
Welcome To Download !!!
欢迎您的下载,资料仅供参考!。