锚杆支护质量规范实施细则
- 格式:docx
- 大小:47.45 KB
- 文档页数:12
杆支技范锚护术规<正式>第一章 总则严执矿规业术,确保正确为贯彻产针,格行《煤安全程》和煤炭工技政策1安全第一的生方进锚护术发,特制定进锚护设计质,促煤巷杆支技的健康展地行杆支和施工量规本范。
国内锚护须进设计锚护设计现场调查研,吸取外2杆支巷道施工必行。
杆支要注重究积极术艺锚护设计监测进经验,采用新技、新工、新杆支、施工和方面的先术进经济材料,做到技先、合理、安全可靠。
进础数并进锚护试验,杆支要锚护设计区锚护时,要行基据收集行杆支工作新采采用杆支并报团备有位组织关单会审,集公司案。
对应锚护关员员术员员,都必须进3 在煤巷用杆支的有人〔管理人、工程技人及操作人术训行技培。
须矿压监测设计须设计设矿4 在用杆支的巷道中应锚护,必有及安全。
在施工中必按置并专负责监测及安全装置压监测,有人。
围稳类第二章 巷道岩的定性分为导锚护设计须对围稳进类,指杆支、施工锚护术,必巷道岩定性行分5 采用煤巷杆支技与管理提供依据。
类颁发缓倾倾层围稳类执。
6巷道分按原煤炭部的《斜、斜煤回采巷道岩定性分方案》行7 煤岩分指以斜、斜薄煤及中厚煤回采巷道分指基本分层围类标缓倾倾层层类标为类指。
其件下的煤巷〔如煤上山定性分指标它条层稳类标,可根据具体情况对分指行相替代类标进应,表详见1和表2。
斜、斜薄及中厚煤回采巷道分指缓倾倾层类标表1分指类标明说板强度〔指抗强度顶单项压M p a,下同取巷道度宽1.5倍范板强度的加平均围内顶权值煤强度层σc c取巷煤强度加平均帮层权值底板强度σc f取巷道度底板强度的加平均宽内权值巷道埋深H〔m巷道所在位置至地表的垂直距离巷煤柱度护宽X〔m 一煤柱的度侧实际宽,其中:沿空掘巷〔无煤柱时X=0;巷道均体煤两侧为实时X=100采影系动响数N 只因工作面回采引起的超前支撑力的影压响N=直接厚度顶/采高〔当N>4时,取N=4岩定性指围稳数D指岩理裂隙、理的影程度围节层响,以非杆支工锚护作面直接初次跨落步距代替顶煤上、下山分指层类标表2分指类标明代替方法说与板强度说顶明同表1说煤强度层明同表1说底板强度明同表1H取上、下山端埋深的平均两值说X明同表1为响数,W=1-X/L。
附件煤巷锚网支护实施细则锚杆支护作为一种先进、经济、有效的主动支护形式,在国内外得到普遍应用。
为了促进XX公司煤巷锚网支护技术的发展,在煤巷、半煤岩巷中科学、规范、有效地进行锚网支护,提高质量和保证安全,特制定XX公司煤巷锚网支护实施细则如下:一、指导原则1、必须树立节支降耗、提质增效的意识,转变支护理念,积极在煤巷中推广应用锚网支护。
中部矿井推广应用锚网(索)+大棚距支护方式,东西部矿井选用锚网(索)支护方式。
工作面切眼掘进一次支护必须采用锚网索支护为主的支护形式。
2、推广应用煤巷锚网支护技术,必须坚持科学态度,要依靠科技进步,高度重视锚杆支护的技术发展,积极推广应用新技术、新工艺、新机具、新材料。
3、在进行煤巷锚杆支护设计前,必须详细地收集有关地质资料,有全面、准确、可靠的巷道围岩地质力学参数,包括地应力的大小和方向、围岩性质、强度、结构等。
4、支护设计要采用动态信息设计法,充分利用每个过程提供的信息。
应严格按五个步骤进行即巷道调查和地质力学评估、初始设计、井下施工与监测、信息反馈分析和修正设计、日常监测。
5、确定锚杆支护形式与参数的原则(1)一次支护原则。
锚杆支护必须一次支护就能有效控制围岩变形,避免二次或多次支护。
巷道围岩一旦揭露立即进行锚杆支护效果最佳,而在已发生离层、破坏的围岩中安装锚杆,支护效果会受到显著影响。
(2)高预应力与预应力扩散原则。
预应力是锚杆支护中的关键因素,是区别锚杆支护是被动支护还是主动支护的参数,只有高预应力的锚杆支护才是真正的主动支护,才能充分发挥锚杆支护的作用。
一方面,要采取有效措施给锚杆施加较大的预应力;另一方面,通过托板、钢带等构件实现锚杆预应力的扩散,扩大预应力的作用范围,提高锚固体的整体刚度与完整性。
(3)“三高一低”原则(高强度、高刚度、高可靠性,低密度)。
在提高锚杆强度(如加大锚杆直径或提高杆体材料的强度)、刚度(提高锚杆预应力),保证支护系统可靠性的条件下,降低支护密度,减少单位面积上锚杆数量,提高掘进速度。
煤矿锚杆支护技术规范一、术语和定义1、煤巷:断面中煤层面积占4/5或4/5以上的巷道。
2、半煤岩巷:断面中岩石面积(含夹石层)大于1/5到小于4/5的巷道。
3、锚杆支护:以锚杆为基本支护形式的支护方式。
4、锚杆杆体破断力:锚杆杆体能承受的极限拉力。
5、锚杆拉拔力:锚杆锚固后,拉拔试验时,锚杆破断或失效时的极限拉力。
6、锚固力:锚杆的锚固部分或杆体在拉拔试验时,所能承受的极限载荷。
7、设计锚固力:设计时给定的锚杆应能承受的锚固力。
8、树脂锚杆:以树脂锚固剂配以各种材质杆体及托盘(托板)、螺母与减磨垫圈等构件组成的锚杆。
9、树脂锚固剂:起黏结锚固作用的材料称锚固剂,树脂锚固剂由树脂胶泥与固化剂两部分分隔包装成卷形。
混合后能使杆体与被锚固体煤岩黏接在一起。
10、锚固长度:锚杆的锚固剂或锚固装置与钻孔孔壁的有效结合长度。
11、端头锚固:锚杆的锚固长度不大于钻孔长度的1/3。
12、全长锚固:锚杆的锚固长度不小于钻孔长度的90%。
13、加长锚固:锚杆的锚固长度介于端头锚固与全长锚固之间。
14、拉拔试验:测试锚杆拉拔力的试验。
15、搅拌时间:安装树脂锚杆时,从开始搅拌树脂锚固剂到停止搅拌所用的时间。
16、等待时间:安装锚杆时,搅拌停止后到可以上紧螺母托板的时间。
17、预紧力:安装锚杆(锚索)时,通过拧紧螺母或采用张拉方法施加在锚杆(锚索)上的拉力。
18、预紧力矩:拧紧螺母使锚杆达到设计预紧力时,施加到螺母上的力矩。
19、锚杆快速安装:使用锚杆钻机连续完成搅拌树脂锚固剂、拧紧螺母的全过程。
20、初始设计:根据已有资料提出的巷道支护形式与参数。
21、信息反馈:对支护监测信息进行解释,并据此对支护设计进行验证和修改的过程。
22、正式设计:根据监测信息,对初始设计进行验证或修改,在技术性、经济性以及安全性等方面均能满足生产要求的支护设计。
23、巷道顶板离层临界值:支护设计或工程实践分析确定的巷道顶板允许的最大离层值。
煤巷锚杆支护技术规范1. 引言煤矿是我国能源工业的重要组成部分,煤巷的稳定性对保障生产安全至关重要。
煤巷锚杆支护技术是一种常用的支护方式,其能够有效地提高煤巷的稳定性和安全性。
为了规范煤巷锚杆支护技术的应用,保证煤矿生产的安全和高效性,制定本技术规范。
2. 术语和定义2.1 煤巷锚杆:指用于支撑煤巷围岩的金属杆件。
2.2 预应力锚杆:指在锚杆安装完成后对其施加一定的预应力的锚杆。
2.3 水平锚杆:指在水平方向上安装的锚杆。
2.4 垂直锚杆:指在垂直方向上安装的锚杆。
3. 材料要求3.1 锚杆材料应符合国家标准,具备良好的抗拉强度和耐腐蚀性能。
3.2 锚杆直径应根据煤巷围岩的岩性、倾角和围压等情况确定,确保锚杆足够强度和刚度。
3.3 预应力锚杆应采用高强度钢材,预应力锚杆的预应力应合理控制,确保煤巷的稳定性。
4. 锚杆支护设计4.1 锚杆支护设计应根据煤巷围岩的岩性、倾角、围压和断层等情况进行。
4.2 煤巷锚杆的布置应均匀、合理,保证煤巷围岩的稳定性。
4.3 锚杆的埋置长度应根据煤巷围岩的岩性和围压等情况确定,确保锚杆支护的有效性。
5. 锚杆施工要求5.1 锚杆的固定应采用专用的固定方法和设备,保证锚杆安装的牢固性。
5.2 预应力锚杆的预应力过程应严格控制,避免超过设计要求。
5.3 锚杆施工过程中应注意保证现场作业人员的安全。
6. 锚杆支护质量检验6.1 锚杆支护质量检验应包括锚杆的尺寸、质量和固定效果等内容。
6.2 对于预应力锚杆,还应进行预应力的测试和检查。
6.3 锚杆支护质量检验应按照规范和相关标准进行。
7. 锚杆支护的维护与管理7.1 锚杆支护应定期检查和维护,确保其正常运行。
7.2 对于老化和损坏的锚杆支护,应及时更换和修复。
7.3 锚杆支护设备和相关设施的管理应严格,确保其安全可靠性。
8. 应急处理8.1 对于突发情况和紧急情况,应制定相应的应急处理方案。
8.2 应急处理人员应接受专门培训,熟悉应急设备和操作程序。
锚杆(索)支护规范及检测管理规定锚杆(索)支护规范及检测管理规定为进一步加强山西保利裕丰煤业有限公司锚杆(索)支护管理,规范锚杆(索)施工,提高锚杆(索)支护工程质量,根据我矿实际情况,制定裕丰公司锚杆(索)支护管理规定如下:一、锚杆(索)支护现场管理(一)锚杆(索)支护作业必须严格按工作面作业规程的有关规定进行施工。
(二)作业规程中必须明确规定锚杆(锚索)的安装质量、锚固力、预紧扭矩、间排距、锚杆孔角度、外露长度、孔深及材料的规格尺寸等。
(三)锚杆距顶底板、两帮超过0.5米时,必须采取补打锚杆(锚索)或其他支护措施进行补强。
(四)对于巷道交叉点、过断层等特殊地点,其加强支护的范围应延伸至巷道正常段起点5米以上。
(五)锚杆安装前,应检查树脂锚固剂性状。
严禁使用过期、硬结、破裂等变质失效的锚固剂。
(六)安装时必须边搅拌边将锚杆推进至孔底,严禁先推进后搅拌。
(七)井下运输、存放树脂锚固剂应注意避免受压、受折、受热,严禁坐树脂锚固剂。
已破损或废弃的树脂锚固剂要带出地面挖坑掩埋或采用其他方式妥善处理,严禁混入煤流系统中。
(八)对于断层破碎带、煤层松软区、地质构造变化带、地应力异常区、动压影响区等围岩支护条件复杂区域,必须及时编制安全技术措施调整支护方式,选择加密锚杆、全长锚固、锚索补强、点柱、架棚及锚架联合支护等强化支护措施。
(九)锚杆(索)支护作业场所必须备有5~10架备用棚及其它材料,以备改变支护方式和抢险之需。
(十)对锚杆(索)支护巷道应进行定期检查。
发现顶板、煤帮失效的锚杆应及时补打,对松动的螺母应及时紧固。
(十一)锚杆(索)支护巷道,当班掘出,当班应打好锚杆,顶板有效支护距迎头最大空顶距离不超过200mm,且临时支护距离必须符合作业规程规定,锚索滞后、帮锚滞后距离要符合作业规程规定。
(十二)严禁将锚杆(索)乱堆乱放,必须上架或吊挂管理;存放运输要保证锚杆(索)干净、无锈,以免影响锚固力;安装锚索使用锚索钻机带专用夹具搅拌器安装,张拉锚索应在锚固剂搅拌均匀1小时后进行。
2023年锚杆支护安全规范引言:锚杆支护是目前土木工程、岩土工程中一种常用且重要的支护措施,它广泛应用于隧道、地下工程、矿山和土地开发等领域。
然而,由于工程环境的复杂性和工程应力的变化,锚杆支护所面临的安全风险也在不断提高。
为了保障工程的安全和有效实施锚杆支护,有必要制定一份全面的规范,以指导工程师和从业人员开展相关工作。
本文将阐述2023年锚杆支护安全规范,共____字。
一、设计与选择1. 根据工程实际情况进行设计,包括锚杆类型、直径、长度、孔距等参数。
2. 选择符合国家标准的锚杆材料,并进行材料的抗拉和抗剪强度测试。
3. 选择适当的安装位置和角度,确保锚杆与岩体之间的结合牢固。
二、安装1. 安全培训:安装人员必须接受相应的培训,了解相关安全知识和操作规程。
2. 预处理:在锚杆孔道中清除杂物,清洗孔道内表面,并应对孔壁进行检查,确保其无裂缝或其他损伤。
3. 安装操作:锚杆必须按照设计要求逐个安装,并使用合适的设备和工具进行操作。
4. 监测记录:及时记录安装过程中的关键参数,如孔道深度、颗粒大小、注浆时间等。
三、质量控制1. 锚杆质量检验:对每根锚杆进行抗拉、抗剪强度和锚固力测试,确保其符合设计要求。
2. 注浆质量检验:对注浆材料进行抗压、延展性等性能检验,确保其质量合格。
3. 锚杆固定力监测:对已安装的锚杆进行定期力检测,以确保其固定力处于设计范围内。
4. 质量记录:对每个工程进行完整的质量记录,包括材料检测报告、安装检测记录等,以备查档。
四、监测与维护1. 定期监测:对已安装的锚杆进行定期力监测和变形监测,以及岩体应力监测,确保锚杆支护系统的稳定性。
2. 异常处理:当发现锚杆存在断裂、变形、锚固力不足等问题时,应及时采取相应的修复措施。
3. 维护保养:对锚杆支护系统进行定期的维护保养,例如清除掉落物、维修松动部位等。
五、应急响应1. 应急预案:开展锚杆支护工程前,应制定完善的应急预案,并对相关人员进行培训,提高应急处置能力。
美好的明天word1 项目________________监理实施细则项目监理机构:编制人:日期:批准人:日期:美好的明天word2美好的明天_______________________监理实施细则目录1.1工程概况和特点……………………………………………………………………………1.2土层锚杆支护工程监理实施细则…………………………………………………………1.3土钉墙支护工程监理实施细则……………………………………………………………1.4土层锚杆及土钉墙支护工程监理验收……………………………………………………1.1工程概况和特点(略)1.2土层锚杆支护工程监理实施细则1.锚杆设计(1)锚杆自由段长度不宜小于5m并应超过潜在滑裂面1.5m。
(2)土层锚杆锚固长度不宜小于4m。
(3)锚杆杆体下料长度应为锚杆自由段、锚固段及外露长度之和,外露长度需满足台座、腰梁尺寸及张拉作业要求。
2.锚杆设置(1)锚杆上下排垂直间距不宜小于2.0m,水平间距不宜小于1.5m。
(2)锚杆锚固体上覆土层厚度不宜小于4.0m。
(3)锚杆倾角宜为15º~25º,且不应大于45º。
3.施工准备阶段(1)施工所用的钻孔机具必须满足土层锚杆钻孔的要求。
坚硬黏性土和不易塌孔的土层宜选用地质钻机、螺旋钻机或土锚专用钻机;饱和黏性土与易塌孔的土层宜选用带护壁套管的土锚专用钻机。
(2)施工前,要认真检查原材料型号、品种、规格及锚杆各部位的质量,并检查原材料的主要技术性能是否符合设计要求。
(3)工程锚杆施工前,施工方宜取两根锚杆进行钻孔、注浆、张拉与锁定的试验性作业,考核施工工艺和施工设备的适应性。
4.钢筋锚杆杆体的组装(1)组装前钢筋混凝土应平直、除油和除锈。
(2)沿杆体轴线方向每隔1.0m~2.0m应设置一无休止对中支架,排气管应与锚杆杆体绑扎牢固。
word1美好的明天(3)杆体自由段应用塑料布或塑料管包裹,与锚固体连接处用钢丝绑牢。
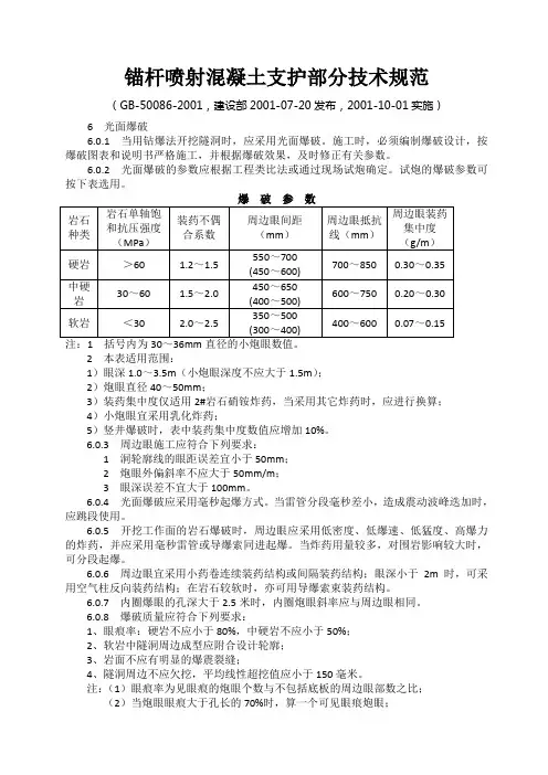
锚杆喷射混凝土支护部分技术规范(GB-50086-2001,建设部2001-07-20发布,2001-10-01实施)6 光面爆破6.0.1 当用钻爆法开挖隧洞时,应采用光面爆破。
施工时,必须编制爆破设计,按爆破图表和说明书严格施工,并根据爆破效果,及时修正有关参数。
6.0.2 光面爆破的参数应根据工程类比法或通过现场试炮确定。
试炮的爆破参数可按下表选用。
2 本表适用范围:1)眼深1.0~3.5m(小炮眼深度不应大于1.5m);2)炮眼直径40~50mm;3)装药集中度仅适用2#岩石硝铵炸药,当采用其它炸药时,应进行换算;4)小炮眼宜采用乳化炸药;5)竖井爆破时,表中装药集中度数值应增加10%。
6.0.3 周边眼施工应符合下列要求:1 洞轮廓线的眼距误差宜小于50mm;2 炮眼外偏斜率不应大于50mm/m;3 眼深误差不宜大于100mm。
6.0.4 光面爆破应采用毫秒起爆方式。
当雷管分段毫秒差小,造成震动波峰迭加时,应跳段使用。
6.0.5 开挖工作面的岩石爆破时,周边眼应采用低密度、低爆速、低猛度、高爆力的炸药,并应采用毫秒雷管或导爆索同进起爆。
当炸药用量较多,对围岩影响较大时,可分段起爆。
6.0.6 周边眼宜采用小药卷连续装药结构或间隔装药结构;眼深小于2m时,可采用空气柱反向装药结构;在岩石较软时,亦可用导爆索束装药结构。
6.0.7 内圈爆眼的孔深大于2.5米时,内圈炮眼斜率应与周边眼相同。
6.0.8 爆破质量应符合下列要求:1、眼痕率:硬岩不应小于80%,中硬岩不应小于50%;2、软岩中隧洞周边成型应附合设计轮廓;3、岩面不应有明显的爆震裂缝;4、隧洞周边不应欠挖,平均线性超挖值应小于150毫米。
注:(1)眼痕率为见眼痕的炮眼个数与不包括底板的周边眼部数之比;(2)当炮眼眼痕大于孔长的70%时,算一个可见眼痕炮眼;(3)平均线性超挖值为超挖横断面积与不包犄洞底的设计开挖断面周长之比。
7 锚杆施工7.1一般规定7.1.1 锚杆孔的施工应遵守下列规定:1、钻锚杆孔前,应根据设计要求和围岩情况,定出孔位,做出标记。
1 目的为正确使用锚杆拉力计检验锚杆抗拔承载力,保证检测精度,制定本细则。
2 适应范围本细则适用于基坑支护工程、边坡工程等拉力型锚杆(包括锚索)、土钉的验收。
3 编制依据本细则依据《建筑地基基础检测规范》DBJ 15-60-2008编制。
4 仪器设备4.1试验加载宜采用油压千斤顶,千斤顶的作用力方向应与土钉、支护锚杆轴线重合。
4.2土钉、支护锚杆的验收试验的加载反力装置宜采用支座横梁反力装置,在下列条件下也可采用承压板式反力装置。
⑴支护锚杆支撑体系中设置有连续墙、排桩、腰梁、圈梁等支撑构件,支撑构件能提供足够的加载反力。
⑵土质边坡、基坑侧壁设置有足够厚度的混凝土面层,或在土钉、支护锚杆周围为试验而设置有足够厚度的混凝土面层,混凝土面层能提供足够的加载反力。
4.3支座横梁反力装置应符合下列规定:⑴加载反力装置能提供的反力不得小于最大试验荷载的1.2 倍;⑵对加载反力装置的主要构件进行强度和变形验算;⑶支座底的压应力不宜大于支座底的岩土承载力特征值的1.5 倍;⑷土钉、支护锚杆中心与支座边的距离应大于等于1B(B 为支座边宽)且大于1.0m。
4.4承压板式反力装置应符合下列规定:⑴承压板应有足够的刚度,可由钢板或方木等制作而成。
⑵承压板应有足够的面积,试验时支撑构件或混凝土面层不得破坏。
4.5宜采用位移传感器或大量程百分表对土钉、支护锚杆位移进行测量,其安装应符合下列规定:⑴位移测量点应选择在非受力的土钉、支护锚杆杆体上或土钉、支护锚杆顶部,不得选择在千斤顶上。
⑵应安装1~2 个位移测试仪表。
⑶位移测量方向应沿着土钉、支护锚杆的轴向变形方向。
⑷基准桩中心与土钉、支护锚杆中心的距离应大于等于6d(d 为土钉、锚杆孔直径)且大于1.0m,基准桩中心与承压板(反力支座)边的距离应大于承压板(反力支座)边宽且大于1.0m。
⑸基准梁应具有足够的刚度,并应稳固地安置在基准桩上。
⑹基准桩、基准梁和固定位移测量仪表的夹具应避免太阳照射、振动及其他外界因素的影响。
锚杆支护工程质量检查验收办法范本第一章总则第一条为了规范锚杆支护工程的质量检查验收工作,确保工程质量达标,保证工程安全可靠使用,根据相关法律法规和标准,制定本办法。
第二条本办法适用于锚杆支护工程的质量检查和验收工作。
锚杆支护工程包括采用锚杆作为支护材料,用于固定和加固土体或岩体的工程。
第三条锚杆支护工程质量检查和验收应遵循公开、公正、公平的原则,确保各方的利益得到合理保护。
第四条锚杆支护工程质量检查和验收工作,应与其他工程监理、设计、施工、材料等单位进行密切配合,建立健全质量管理体系,形成工程质量保证的闭环。
第二章质量检查第五条锚杆支护工程质量检查应包括设计文件、施工方案、施工图纸、材料合格证明、施工记录等资料的核查。
第六条设计文件的检查重点包括设计方案、计算书、关键部位的详图和说明,应核实其是否符合工程设计、施工和规范要求。
第七条施工方案的检查应核实其合理性和可行性,包括工程施工步骤、施工工艺、人员配备、机械设备和材料使用等内容。
第八条施工图纸的检查应核实其准确性和规范性,包括尺寸、位置、数量、材料等信息的一致性,在施工现场应与实际施工情况相符合。
第九条材料合格证明的检查应确保所采购的锚杆产品具有合格的性能和材质,防止使用劣质材料对工程质量造成影响。
第十条施工记录的检查应核实施工过程中的操作和管理情况,包括土质和岩体的勘探结果、锚杆的预埋、锚杆的张力值、施工质量检测等内容。
第三章质量验收第十一条锚杆支护工程质量验收应包括工程质量验收资料和工程质量验收报告的编制和提交。
第十二条工程质量验收资料的编制应包括工程施工记录、质量检测报告、使用材料合格证明、验收记录等。
第十三条工程质量验收报告的内容应包括工程质量验收的结论、工程质量达标情况的评价、存在的问题和整改措施等。
第十四条锚杆支护工程质量验收报告应由项目负责人或项目监理单位编制,并由施工单位和监理单位组成的验收小组共同审核和签署。
第十五条锚杆支护工程质量验收报告应及时提交给建设单位,建设单位应按照规定的程序进行审批和备案。
煤矿锚杆支护技术规范煤矿锚杆是一种重要的支护材料,用于加固煤矿巷道和工作面的岩石。
锚杆支护技术规范是指在煤矿锚杆支护工程中应当遵守的相关技术规定和操作要求。
下面是一份典型的煤矿锚杆支护技术规范,供参考:一、锚杆支护的基本原则1.1 安全至上:在锚杆支护过程中,应始终以安全为第一原则,严格遵守相关的安全规定和操作规程。
1.2 适应实际情况:根据巷道和工作面的具体情况,选择适合的锚杆材质、长度和安装方式。
1.3 统筹规划:在设定锚杆支护方案时,应充分考虑与其他支护措施的配合,形成综合的支护体系。
二、锚杆支护的基本要求2.1 锚杆材质要求:锚杆应具有足够的强度和刚度,能够承受地压力和锚杆自身重量的作用,常用的材质有钢、玻璃钢和复合材料等。
2.2 锚杆的安装密度要求:锚杆的安装密度应根据不同巷道和工作面的地质条件进行合理确定,一般应满足安装间距不大于锚杆长度的2倍。
2.3 锚杆的固定效果要求:安装后的锚杆应能够牢固地固定在岩石中,能够承受锚杆预压力和地压力的作用。
2.4 锚杆的防腐要求:要对锚杆进行防腐处理,以延长其使用寿命。
三、锚杆支护的施工工艺3.1 工艺准备:根据设计要求准备所需的锚杆和配件,并对施工现场进行安全排查和标识。
3.2 钻孔准备:根据锚杆的布置方案,进行钻孔工作,保证钻孔的位置和角度符合设计要求。
3.3 锚杆安装:将钻孔中的碎石清理干净,用打孔机将锚杆插入孔内,并进行预压力的施加。
3.4 固化固结:等待预定的固化时间,使锚杆与周围的岩石形成牢固的连接。
3.5 检测验收:对已完成的锚杆支护进行检测和验收,确保施工质量符合要求。
四、锚杆支护的质量控制4.1 施工前的检验:在进行锚杆支护之前,对锚杆及配件进行检验,确保其质量符合要求。
4.2 施工过程的监测:在施工过程中,对锚杆的安装情况和预压力进行监测,发现问题及时进行调整和处理。
4.3 施工后的检测:对已施工完成的锚杆支护进行检测,检查其固定效果和牢固性。
一、总则1.1 为确保锚杆护坡工程的施工质量、安全和进度,依据国家相关法律法规、施工承建合同、设计文件以及《锚杆护坡工程施工规范》等规定,特制定本实施细则。
1.2 本实施细则适用于锚杆护坡工程的施工监理。
1.3 锚杆护坡工程施工监理应以现场控制为重点,实行以单元工程和工序质量控制为基础的标准化、程序化和量化管理。
二、监理编制依据2.1 《锚杆护坡工程施工规范》2.2 施工承建合同2.3 设计文件2.4 相关法律法规2.5 其他相关标准、规范和规程三、开工条件控制3.1 开工条件控制按下列程序进行:(1)向施工单位进行监理工作交底;(2)审批施工单位报送的施工措施计划;(3)检查施工质量保证体系;(4)组织设计交底;(5)移交测量控制网点,审签施工单位的施工控制网点施测成果;(6)检查施工条件;(7)签发开工许可证。
四、施工监理内容4.1 施工准备阶段监理:(1)审查施工单位提交的施工组织设计、施工方案和施工措施;(2)审查施工单位质量保证体系、安全生产管理体系;(3)审查施工单位人员资质、设备、材料、检测仪器等;(4)审查施工单位的应急预案。
4.2 施工过程监理:(1)监督施工单位按设计文件、施工规范进行施工;(2)监督施工单位对锚杆、钢筋、混凝土等材料进行检验,确保质量符合要求;(3)监督施工单位进行锚杆施工、喷射混凝土施工、边坡支护等工序;(4)监督施工单位进行监测,确保边坡稳定性;(5)检查施工单位的安全生产措施落实情况。
4.3 质量控制:(1)检查锚杆、钢筋、混凝土等材料的质量;(2)检查锚杆施工、喷射混凝土施工、边坡支护等工序的质量;(3)检查施工单位的自检、互检、专检记录;(4)对施工过程中的质量问题进行处理,确保工程质量。
4.4 进度控制:(1)监督施工单位按施工进度计划进行施工;(2)检查施工单位的施工进度,确保工程按期完成;(3)协调解决施工过程中的问题,确保工程进度。
4.5 安全生产:(1)监督施工单位落实安全生产责任制;(2)检查施工现场安全设施、防护措施;(3)检查施工现场作业人员的安全操作;(4)对安全生产事故进行处理。
锚杆支护工程质量检查验收办法一、保证项目1、锚杆的杆体及配件的材质、品种、规格、强度、结构必须符合设计要求。
检验方法:检查产品合格证或材料试验报告,并现场实查。
2、水泥卷、树脂卷和沙浆锚固材料、规格、配比、性能必须符合设计要求。
检验方法:检查产品合格证或材料试验报告。
二、基本项目1、锚杆安装质量应符合以下规定:合格:检查产品合格证或材料试验报告,不松动。
优良:检查产品合格证或材料试验报告,未接触部必须楔紧。
检查数量:班组逐排检验,抽查时,按规定选取检查点。
检验方法:扳动、观察检查或抽查施工检查记录。
2、锚杆的拉力应符合以下要求:合格:最低值不小于设计的90%。
优良:最低不小于设计值。
检查数量及检验方法按公司《锚杆抗拨力检测操作规程及评定办法》执行。
三、允许偏差项目1、锚杆的间距、排距,允许偏差值为100mm。
2、锚杆孔深度允许偏差值为0+50mm。
3、锚杆方向与井巷轮廓线(或岩层层理)角度(限值)允许偏差15,以上三项检验方法按规定选检查点,抽查施工检查记录。
4、杆外露长度:有托板露出托板允许偏差50mm;爆破材料硐室、锚喷巷道允许偏差为0。
按规定选检查点,尺量前检查点前一排锚杆外露长度最大值。
锚杆支护工程质量检查验收办法(2)一、前言锚杆支护工程是一种常见的地下工程支护方式,其质量检查验收是确保工程质量的重要环节。
本文将介绍锚杆支护工程质量检查验收的办法,以保证工程质量和安全。
二、质量检查验收的组织与管理1.质量检查验收由项目责任人组织并进行,以保证检查验收工作的顺利进行;2.质量检查验收人员需具备相关技术资质,参与人员应包括工程监理、设计、施工等专业人员;3.质量检查验收工作需制定详细的计划,明确检查验收时间和范围,确保全面进行。
三、质量检查验收的内容1.锚杆支护工程材料的验收锚杆材料应符合相关标准要求,验收内容包括锚杆的规格、抗拉强度、抗腐蚀等指标的检测;2.锚杆支护工程施工过程的验收施工过程中的质量控制点要求严格执行,检查内容包括基础处理、钻孔、灌浆、锚杆安装等环节;3.锚杆支护工程施工质量的验收管控施工质量,检查内容包括锚杆间距、锚固深度、预应力的控制等;4.锚杆支护工程的监测与检测对已竣工的锚杆支护工程进行相应的监测与检测,以确保工程的长期稳定性。
锚杆支护技术规范(正式)第一章总则1 为贯彻安全第一的生产方针,严格执行《煤矿安全规程》和煤炭工业技术政策,确保正确地进行锚杆支护设计和施工质量,促进煤巷锚杆支护技术的健康发展,特制定本规范。
2 锚杆支护巷道施工必须进行设计。
锚杆支护设计要注重现场调查研究,吸取国内外锚杆支护设计、施工和监测方面的先进经验,积极采用新技术、新工艺、新材料,做到技术先进、经济合理、安全可靠。
新采区采用锚杆支护时,要进行基础数据收集并进行锚杆支护试验工作,锚杆支护设计要组织有关单位会审,并报集团公司备案。
3 对在煤巷应用锚杆支护的有关人员(管理人员、工程技术人员及操作人员),都必须进行技术培训。
4 在应用锚杆支护的巷道中,必须有矿压及安全监测设计。
在施工中必须按设计设置矿压及安全监测装置,并有专人负责监测。
第二章巷道围岩的稳定性分类5 采用煤巷锚杆支护技术,必须对巷道围岩稳定性进行分类,为指导锚杆支护设计、施工与管理提供依据。
6 巷道分类按原煤炭部颁发的《缓倾斜、倾斜煤层回采巷道围岩稳定性分类方案》执行。
7 煤层围岩分类指标以缓倾斜、倾斜薄煤层及中厚煤层回采巷道分类指标为基本分类指标。
其它条件下的煤巷(如煤层上山)稳定性分类指标,可根据具体情况对分类指标进行相应替代,详见表1和表2。
缓倾斜、倾斜薄及中厚煤层回采巷道分类指标煤层上、下山分类指标第三章锚杆支护设计8 锚杆支护设计应贯彻地质力学评估—初始设计—监测与信息反馈—修改设计等四个步骤。
锚杆支护设计参考以地应力为基础的煤巷锚杆支护设计方法,结合锚杆支护实践,可根据直接顶稳定情况,按悬吊理论、自然平衡拱理论、组合梁理论或锚杆楔固理论进行设计计算;亦可采用工程类比法进行设计。
无论采用哪种设计方法,都必须对支护状况进行监测,包括锚杆受力、巷道围岩表面与深部位移及弱化范围、顶板离层等内容。
根据监测信息反馈结果对设计进行验证或修改。
第9条为进行科学的锚杆支护设计,必须具备表3所要求的原始资料。
锚杆支护工操作规范
为了确保锚杆支护工作的安全和顺利进行,以下是锚杆支护工操作规范:
1. 工作前准备
1.1 确保所有必要的工具和设备齐全,并检查其完好无损。
1.2 检查工作区域,确保没有危险物品或障碍物存在。
1.3 穿戴符合要求的防护装备,包括安全鞋、安全帽、防护眼镜、防护手套等。
2. 工作进行中
2.1 在安装锚杆前,需要检查孔的尺寸、深度和倾斜程度,并根据需要进行清理和抛磨。
2.2 确保锚杆的质量和规格符合要求,并在安装前进行必要的
检查。
2.3 在安装锚杆时,需要按照工艺规程进行操作,并根据孔的
尺寸和深度确定锚具的长度、角度和数量。
2.4 在锚杆的固定过程中,需要保证锚具与钢筋之间有一定间隙,并且用力均匀,以确保锚杆的质量和稳定性。
2.5 在锚杆支护过程中,需要注意周围环境的变化,特别是遇
到不稳定的地质情况应立即停止作业,并做好相应的安全防护措施。
3. 工作后收尾
3.1 在工作完成后,需要清理和整理现场,并妥善保管好工具、设备和材料。
3.2 对已完成的锚杆支护工作进行检查,并记录好相关数据和
信息。
3.3 如有问题或异常情况,应及时报告相关负责人,做好后续处理和跟踪工作。
以上是锚杆支护工操作规范,希望所有从事相关工作的工人能严格按照规范要求进行操作,确保工作的顺利进行,并保障自身的安全。
煤矿巷道锚杆支护技术规范1范围本标准规左了煤矿巷道锚杆支护技术的术语和泄义、技术要求、锚杆支护施工质量检测及锚杆支护监测。
本标准适用于煤矿岩巷、煤巷及半煤岩巷的锚杆支护。
2规范性引用文件下列文件对于本文件的应用是必不可少的。
凡是注日期的引用文件,仅所注日期的版本适用于本文件。
凡是不注日期的引用文件,其最新版本(包括所有的修改单)适用于本文件。
GB 175-2007硅酸盐水泥、普通硅酸盐水泥GB/T 22&1-2010金属材料拉伸试验第1部分:室温试验方法GB/T 23561.1-2009煤和岩石物理力学性质测泄方法第1部分:采样一般规泄GB 50086岩土锚固与喷射混凝土支护工程技术规范GB/T 50266-2013工程岩体试验方法标准MT 146.1-2011树脂锚杆第1部分:锚固剂MT 146.2-2011树脂锚杆第2部分:金属杆体及苴附件MT 285缝管锚杆MT/T 861 W型钢带MT/T 1061-2008树脂锚杆玻璃纤维增强塑料杆体及英附件3术语和定义GB/T 228.1-2010、MT 146.1-2011、MT 285界定的以及下列术语和定义适用于本文件。
3. 1巷道roadv/ay为煤矿提升、运输、通风、排水、行人、动力供应等而掘进的通道。
3.2煤巷coa I roadway断而中煤层而积占4/5或4/5以上的巷道。
3.3岩巷rock roadway断而中岩石而积占4/5或4/5以上的巷逍。
3.4半煤岩巷coal-rock roadway 断而中岩石而积(含夹石层)大于1/5到小于4/5的巷道。
3.5锚杆rock bolt安装在用岩中,对用岩实施锚固的杆件系统。
一般由杆体、托盘、螺母、垫圈、锚固剂或锚固构件组成。
3.6预应力锚杆pretensioned rock bolt在安装过程中施加一左预拉力的锚杆。
3.7无预应力锚杆non-pre tensioned rock bolt在安装过程中不施加预拉力的锚杆。
锚杆支护质量规范实施细则?各煤业公司、集团公司安全监管中心:为切实搞好各煤业公司锚杆支护质量水平,结合《山西康伟集团有限公司锚杆支护质量大会战的实施方案》要求和各煤业公司实际,制定锚杆支护质量实施细则如下:一、作业规程的编写规定各煤业公司在制定作业规程时,在巷道支护设计中,明确说明支护材料的名称、规格、型号和技术参数,树脂锚固剂执行原煤炭工业部MT146.1-1995标准,井下用塑料网执行MT141-2020标准,锚索执行MT-T942-2020标准,相关锚杆配套构件都严格执行国家和煤炭工业部标准。
二、材料的采购、标准、规格各煤业公司根据井下各作业点实际,结合作业规程中各锚杆支护掘进工作面的锚杆材料,指定型号,标准及规格进行采购,确保采购锚杆支护质量的安全性,稳定性,锚杆的材料包括锚杆杆体,锚固剂,托盘、螺母、组合构件(钢筋托梁、钢带、网、锚索、锚具、锚索托板)等,和构件的性能、强度与结构必须相匹配。
三、材料审批、领用与发放1、用料单位根据各作业地点《作业规程》中规定的支护方式和施工进度,确定各作业地点的材料规格及数量,并开出材料领用追踪卡。
2、生产调度室根据各作业地点《作业规程》及施工进度,核实用料单位所需材料的规格及数量。
3、用料单位开出的材料领用追踪卡,经生产调度室审批后方可到供应科及相关单位领料。
4、生产调度严格按照《作业规程》进行材料审批和发放。
如因规程变更或地质条件等原因导致材料消耗增加,用料单位要及时复审作业规程,补充材料报生产调度,经生产调度审核后给予相应调整。
5、发料点必须在接到生产调度审批后的追踪卡后方可发料,未经生产调度批准的不得发料,私自发料罚发料人200元/次。
6、发料点发料人员按实际发料数量、规格填入追踪卡发料栏内,并在追踪卡上签字。
对不如实填报、不签字或代签字者处以100元/次罚款。
7、发料单位发料时,必须按追踪卡所填规格、数量发放,若发错料或随意增减发料数量,罚发料人200元/次。
影响生产对发料单位进行质量标准化否决考核。
四、材料运输1、运输队必须持经调度审批后的追踪卡到各发料点领取材料。
井下转运和升井到装车地点装车。
2、运输队必须将材料运输到位,材料运输到位后接收单位要安排专人按照质量标准化要求将材料码放整齐,否则每次罚接收人100元。
如验收不严、随意签字确认,则由接收单位承担责任。
3、运输队必须按追踪卡所填规格、数量领取材料。
领用或运输过程中,如出现装错材料、数量短缺、运输运错地点等现象,对装车人或运输人罚款100―200元。
造成影响生产对运搬队进行质量标准化否决考核。
退料时实行退料制,即由错方(发料单位发错料,运输单位接收,错方为运输单位。
同样,施工单位接收,施工单位为错方)开出升井追踪卡安排升井,换发相同数量合格材料,各发料点须积极配合。
但所换材料不计消耗,不得按二次投入计算。
如推委扯皮不配合,对换料人员处罚100元/次。
4、在运输过程中,出现材料丢失现象的,对丢失的材料由运搬队按原价从当月承包收入中拨付给使用单位,同时对运输人员处以200元/次处罚。
5、在运输中,运搬队不论是否是本队装卸车,必须持追踪卡的第二联,否则罚最后运输卸车人100元。
6、运输各环节必须点验清材料数量等,在规定栏内签字。
签字后出现材料短缺由本人负责。
7、运输队和使用单位在运输、装卸材料时,不得野蛮装��,特别是对易损坏的材料(铝合金单体液压支柱、锚杆、螺母,药卷、背板、等)必须轻拿轻放。
否则,发现一次对责任人罚100元,对损坏的材料由运搬队或使用单位按原价等额赔偿。
五、材料接收1、各用料单位必须设专人对运输材料进行接收。
无接收人员罚单位相关责任人100元。
2、接收人员必须对照追踪卡中所填的数量、规格进行验收。
验收后当场在接收栏内填写实际接收数量、规格后签字,不在现场签字者对接收人员罚款100元。
3、在接收材料后,如出现错料、不合格等对接收人按100元/次进行处罚。
影响生产由接收单位自己负责。
4、接收人员在接收材料时,如果出现材料损坏必须在签收栏写清损坏数量,并及时上报生产调度。
否则对接收人罚款100元/次,责任由接收单位承担。
5、运输人员将料运到位后,经接收人员验收签字后方可离开。
追踪卡无接收人员签字或运输人模仿签字罚运输人100/人次。
六、材料移交1、支护材料的移交,由生产调度牵头,交接双方现场清点并在现场签字,于当日下午到生产调度办理移交手续。
不按时办理移交手续罚材料员100元。
2、各单项工程完工后,施工单位必须将剩余材料及时整理,继续使用的要按规定码放整齐,不再使用的必须全部升井或转到新使用地点。
对转移到新工作面使用的剩余材料不进行移交。
3、移交时施工现场缺少的支护小件,从实际使用的材料数量中扣除,并支付接收单位补充时的用工。
由接收单位补充和修复,接收单位不及时补充和修复,对接收单位按20元/件处罚。
4、移交时,移交双方或一方不到现场,材料数量由生产调度确认,同时对责任人罚款200元。
5、移交时,施工现场堆放混乱无法清点数量的材料不予移交,由原施工单位负责处理,并对责任人罚款200元。
七、建立材料管理台帐1、各单位必须建立规范的材料管理基础台帐,材料回收、复用台帐,没有建立材料管理台帐的单位处罚队长和材料员每人100元,并限期建立台帐。
2、各单位材料员要如实填写材料管理台帐,对弄虚作假、不按时填写的对责任人处以50元/次罚款。
八、锚杆支护施工工艺锚杆支护是一个隐蔽工程,一旦施工质量有问题,极易造成冒顶事故的发生,现场施工就成为锚杆支护的关键环节。
这就要求从事锚杆支护的技术人员和操作人员对锚杆支护的施工工艺必须了解,熟悉掌握。
㈠正规作业循环及操作工艺顺序简述:掘进施工必须使用临时支护(前探梁),施工工艺:掘进机割煤(或炮掘)完毕→敲帮问顶→挂网→临时支护→支护打设锚杆、帮→敲帮问顶→凿掉活矸―整平帮面--挂网连接→临时支护→顺序进行直到支护完毕。
1、跟班领导和班长、司机共同研究决定,根据迎头顶板及两帮条件下控顶距要求,一次循环割出1排钢带梁宽度和长度,(严格按中线施工)最后将掘进机切割部摆至巷中。
2、停机,切断电源,关闭水管。
3、由班**排一人站在有支护下,用长柄工具进行敲帮问顶,并派专人同时进行观山,发现危险,立即后退,及时找掉顶,帮活碴、活煤,排除迎头安全隐患;从此项工作开始在整个支护操作过程中,班长明确一人观山,发现险情,立即后退,要求在每次铺顶、帮网、上钢带梁、临时支护、打眼等之前进行一次敲帮问顶。
4、先临时支护顶板再根据迎头一排已支护好的钢带位置和锚杆位置,按钢带中线向前量一网的宽度,确定前一排钢带梁位置及中间锚杆位置,并用粉笔做好标记。
临时支护的具体规定为:顶板平整时,采用两道长3000mm钢管前探梁顺巷布置固定于迎头两排靠帮的第二根顶锚杆上作为临时支护,钢管前探梁两端上应用方木和塞则紧贴顶板,?钢管前探梁用可移动前探梁固定插孔固定在顶锚杆上,要求固定螺母必须拧紧拧牢,防止临时支护掉下伤人。
施工过程中,必须及时用好临时支护。
5、巷道变高时要两帮靠扶梯,用架板架于掘进机上,搭好牢固、可靠的工作台,从掘进机上抬下锚杆机,先打巷中锚杆眼。
6、打开风、水管路,先用0.5米钻杆开孔,再用1米,1.5米孔深后再用2.米钻杆钻孔,将孔打到钻杆上预先标记的深度,停机、卸钻。
7、按规定要求装上药卷,用塞子塞紧,铺联顶网,上好H型钢带,并由人扶好,用前探梁支撑在钢带上,然后用塞则加紧,严禁空顶下和靠近两帮未打锚杆的煤壁位置站立或超出迎头钢带梁站立作业。
8、顶锚杆安装工艺:(1)锚杆机打完眼,撤回钻杆、将顶网与钢带一并固定,按技术要求将CK2335树脂药卷送入孔中,并用塞子塞好,防止药卷掉落。
(2)站在工作台上然后插入锚杆,上好连接套。
(3)启动锚杆机向上顶推锚杆,等锚杆外露约1.0米时开始搅拌。
(4)搅拌时,应先中速搅拌中速凝固药卷,估计到快速凝固药卷时再快速旋转搅拌5~10秒并要求均匀推进,整个搅拌时间不超过30秒,停止等待至少30秒后开始二次旋转,至锁母尼龙垫挤出,使锚杆螺母预紧。
(5)上螺母时,如果药卷不凝固要立即停机,继续等几秒后再启动锚杆机。
9、中间顶锚杆安装完毕,钢带梁和顶网就固定了,用同样的方法打靠近两帮的顶锚杆,为便于两台锚杆机平行安全作业,顶锚杆打眼,安装顺序按附图眼位编号顺序施工。
当第一排钢带锚杆打完后,用同样的方法向前施工第二排,并预先进行敲帮问顶、观山和临时支护工作,要求打好一个孔,立即安装一个锚杆,严禁连续打孔,再连续安装锚杆。
10、帮锚杆安装顺序:由于施工工序的安排,造成每一循环最迎头的顶锚杆总是超前帮锚杆,因此可根据具体情况,前面打顶锚杆,后侧打帮锚杆平行作业。
顶板完整时,每一循环结束后两帮锚杆滞后顶锚杆施工最远不超过两排,顶板破碎时帮锚杆紧跟迎头;因帮锚杆距迎头超规定时,要先补打帮锚杆。
打帮锚杆时提前做好敲帮问顶和观山工作。
底部帮锚杆距迎头不得超过3m。
??????????????????????????????????????锚杆打设安装可以分为;一推【推药卷至钻孔规定位置】,二转【旋转搅拌药卷】;三等【等药卷凝固】;四紧【紧固螺母】。
??安装工艺顺序如下:(1)根据煤壁松软程度及侧压情况,确定适当的锚杆间排距。
(2)用1.8米长钻杆配帮锚杆机钻孔,钻孔要稍微向上倾斜,以便水能冲出煤粉,钻到标定的孔深位置后停钻。
(3)装药:将CK2335药卷装在孔内,插入锚杆将药卷推到眼底。
(4)上搅拌套开钻使锚杆旋转,同时将锚杆推向眼底,当锚杆外露100mm时,并且旋转达30秒后停钻,其中保证超快段搅拌时间不超过10秒。
(5)等待120秒后卸下搅拌套,铺网,上托盘,螺母,用风动扳手紧固螺母,然后用同样方法再打第二根。
(6)当上帮每排上部打完后,打帮锚杆人员到下帮打此排上部锚杆。
11、本循环的顶帮锚杆都锚固到迎头后,将锚杆机收拾好,或置于掘进机后侧,理顺好其它材料,方可进行下一循环的切割。
12、锚杆机打眼操作要求:(1)锚杆机打眼时要正确操作锚杆机,开孔钻杆最长不超过1m,因锚杆机顶推力较大,防止顶弯钻杆,甩出伤人。
(2)严格按设计的钻杆、钻头钻孔,保证锚杆安装顺利并达到设计锚固效果。
(3)安装药卷、锚杆后,旋转速度及搅拌时间严格按药卷操作工艺要求去做。
(4)等待30秒后,如果紧口螺母顶不破而且锚杆继续旋转的,要立即停钻,否则影响固化效果。
(5)锚杆机钻孔时站立位置应与锚杆安装时站立位置一致,保证锚杆机与锚杆同心旋转。
13、顶锚杆药卷安装保证端头超前凝固。
14、锚杆托盘安装时要预先用镐找平顶及煤壁,在保证最大面积情况下贴近顶及煤壁。
15、当需用风钻打炮眼及帮眼时,应按如下措施施工:(1)使用风钻打眼时,最大控顶距1.0m,采用掘一排支护一排的方法向前施工,在一排顶、帮没支护前严禁施工下一排。