2.4.4吊车梁的截面验算
- 格式:ppt
- 大小:1.07 MB
- 文档页数:30
(一)修正后的地基承载力特征值计算一、工程名称: 吊车梁基础计算二、勘察报告: 《岩土工程勘察报告》南侧1m埋深部位平均fak = 218 kPa;北侧1m埋深部位平均fak = 159 kPa;计算取fak = 150 kPa三、计算参数fak = 150.000 kPa(根据钎探平均结果及经验)ηb = 0ηd = 1γ = 18.000 kN/m3γm = 18.000 kN/m3b = 3.000 md = 1.000 m四、计算修正后的地基承载力特征值【5.2.4】fa=fak+ηb*γ*(b-3)+ηd*γm*(d-0.5)=150.000+0*18.000*(3.000-3)+1*18.000*(1.000-0.5)=159.000 kpa(二)梁基底应力及基础内力计算一、基底宽度计算假设基础梁高1m,基底宽度按1.5m,上部吊车单个轮子荷载在纵向分布宽度2m,在两个1.8m间距部位两个两个计算:P=(360+20*1*2*1.5)/(1.5*2)=140 kPa< fa(159.000 kpa)K1=(360*2+20*1*3.8*1.5)/(1.5*3.8)=146 kPa< fa(159.000 kpa) PK2假设基础梁采用1.4m宽度;=(360*2+20*1*3.8*1.4)/(1.4*3.8)=155 kPa< fa(159.000 kpa) PK2通过计算采用1.4m宽基础较接近承载力极限,因此选用1.5m宽基础梁。
二、基础梁内力计算基础梁按弹性地基梁考虑,地基反力系数根据经验分别取10Mpa及20Mpa,按不利情况内力考虑,基础梁内力计算结果如下图所示:图1 最不利弯矩计算结果图2 最不利剪力计算结果三、基础梁配筋计算1 已知条件及计算要求:(1)已知条件:矩形梁b=500mm,h=1000mm。
砼强度等级 C30,fc=14.30N/mm2,纵筋级别 HRB335,fy=300N/mm2,箍筋级别 HPB235,fy=210N/mm2。
十四、吊车梁的设计与验算吊车梁跨度L=6m ,无制动结构,钢材采用Q235,焊条采用E43系列,吊车梁资料如下:吊车采用LH 型的15t 中级电动葫芦桥式吊车,查《实用建筑结构荷载手册》知:桥架宽度B=4.716m ,轨道中心至吊车外端距离b=165㎜,主梁底面至轨面距离为H 2=720㎜,轨道至起重机顶距离为H=1.43m ,大车轮距K=4.0m ,小车Q 1=3t ,大车Q=18.8t ,最大轮压P max =141KN 。
1、吊车荷载计算吊车竖向荷载动力系数05.1=α,可近似轮压乘荷载增大系数β=1.03吊车荷载分项系数4.1=Q γ,软钩吊车取10.0=η则:竖向计算轮压:KN P P mzx Q 49.2131414.103.105.1=⨯⨯⨯==αβγm KN L M ⋅===65.28462maxKN L a LP V c 33.1426)13(49.2132)2(2=-⨯⨯=-∑=(2) 吊车梁的最大剪力:KN L a L P P V c 65.2846)46(49.21349.213)(1max =-⨯+=-+= (3) 计算强度时吊车梁的最大水平弯矩:m KN M P T M c T ⋅=⨯==80.1665.28449.2136.12max(4) 吊车梁竖向荷载标准值作用于下最大弯矩(求竖向挠度用):m KN Y M M Q X ⋅=⨯=⋅=64.1934.105.165.284max α 3、截面选择(1)按经济要求确定梁高2/215mm N f = 36max 15802151065.2842.12.1cm f M W =⨯⨯==所需经济梁高度:cm W h 553015803.7303.733=-=-=(2)按刚度要求确定梁高:容许相对挠度取,故750=⎥⎦⎤⎢⎣⎡υl 。
[min6.0⨯=f h 采用h w 700=(3) h t w w 37=+=(4f h v t v w w 2.1max ==采用h 700=截面特征:14300A +⨯=mm y 6.30813028)514676(10300)142/676(86767143300=++⨯⨯++⨯⨯+⨯⨯=12103006.3011433012143304.43867612676832323⨯+⨯⨯+⨯+⨯⨯+⨯=x I4621039.10844.38610300mm ⨯=⨯⨯+366105139.36.308/1039.1084mm W a x ⨯=⨯= 366107705.24.391/1039.1084mm W b x ⨯=⨯=上翼缘对Y 轴惯性矩:463109265.411233014mm I y ⨯=⨯=366102541.0165/109265.41mm W c y ⨯=⨯= 4、强度验算 (1)、正应力: 上翼缘226666max ./215/1.147102541.01080.16105139.31065.284mm N mm N W M W M c y t a x c <=⨯⨯+⨯⨯=+=σ 可以。
工程名称:设计:校核:1. 输入吊车设计资料: 起重量 Q (KN )100最大轮压P MAX (KN )110吊车竖向荷载动力系数α 1.05小车重 g (KN )36吊梁及轨道增大系数βW 1.04轮距 a1(M ) 4.1 吊车梁跨度 L(M)8单侧轮数 N3吊车梁材质Q235 f =235f V =125a2(M )1.6竖向荷载设计值P=α×γQ × P MAX =161.7水平荷载设计值T=γQ x0.06(Q+g)/N = 5.712Βw× (N × P(L/2-(a1-a2/6))/L-P ×a2)=540.7βW × P MAX × (1+(L-a1)/L+(L-a1-a2)/L)=298.5T/P × M MAX =19.1 截面型式I 55×30×10×16 截面高度 (cm) H =55 净惯性矩 I nX =74770上翼缘宽度 (cm) D1 =30上翼缘净抗弯模量 W 上nx =2593下翼缘宽度 (cm) D2=30下翼缘净抗弯模量 W 下nx =2858腹板厚度 (cm) T w =1 净面积矩 S X =1519翼缘厚度 (cm) T F = 1.6 制动梁截面面积 A' =37.66面积 (cm 2) A =147.8吊车梁上翼缘面积 A 0' =48上翼缘开孔 (cm) D =2.2 x1=32.97开孔离X 轴距离 (cm) S =7.5 制动梁抗弯模量 Iy' =134净截面面积 (cm 2) An =140.8 制动截面 对Y1轴截面特性 I ny1 =1E+05形心离下翼缘距离 Y 0=26.16Wny1 =25525. 强度验算: a 216 < f OKb 189.2< f OKc t=60.65< f VOK最大水平弯矩 M T =上翼缘正应力 M max /W 上nx+M T / Wny1 = σ =下翼缘正应力 M max /W 下nx = σ =剪应力(平板支座)V max S x /I x T w =吊车梁计算程式(制动梁结构)2. 吊车荷载计算:3. 内力计算:4. 截面选择计算:最大竖向弯矩 M MAX =最大竖向剪力 V MAX =d局部压应力L Z=a+2hy=5+2(15+1.6) =38.2ψP/T W L Z = σc =42.33ψ=1< f OK 7. 挠度验算:M KX = M X /1.4α =367.8V/L = M KX L/10EI X = V =0.002<[V/L]=[1/500]=0.002OKKNKNKN-M KNKN-MCM4 CM3 CM3 CM3 CM2 CM2 CM CM4 CM4 CM3N/mm2N/mm2N/mm2N/mm2 N/mm2。
吊车梁计算吊车梁采用Q345-B 起重量10t 跨度22.5m 总重量8.8t 小车4t ,max k P =75kN ,min k P =19.2kNmax P =1.4⨯1.05⨯,max k P =110.25kN竖向轮压作用max M =82.68 ⨯2.25=186.04kN.mmax V =110.25⨯1.5=165.4kN横向水平力'1.4g (Q+Q )/n=1.4100.1210+4/4=5.88kN T ξ=⨯⨯⨯()5.88=186=9.92110.25y M kN ⨯ 水平反力 5.88165.48.82110.25H kN =⨯= 暂取吊车梁截面如图所示1) 毛截面特性2=281+500.8+201=88A cm ⨯⨯⨯0280+4025.5+2051==23288y mm ⨯⨯⨯ 毛截面惯性矩32224=1/120.850+12823.2+12027.8+50 2.3=39125x I cm ⨯⨯⨯⨯⨯⨯⨯334128120=+=24961212y I cm ⨯⨯5.3cm y i = 5.3cm y i =净截面特性2=(28-22)1+500.8+201=84n A cm ⨯⨯⨯⨯形心位置 1=y (40⨯25.5+20⨯51)/84=243mm净截面惯性矩32224=1/120.850+40 1.2+12424.3+2026.7=36820nx I cm ⨯⨯⨯⨯⨯⨯3==148524.8nx nx I W cm 上 3==135427.2nx nx I W cm 下 3x S =28124.3+23.80.823.8/2=907cm ⨯⨯⨯⨯对上翼缘 324128=-1272=163312ny I cm ⨯⨯⨯⨯ =ny W 3=116.7cm 14ny I 毛截面 33128/12==130.714y W cm ⨯ 2)强度验算①上翼缘最大正应力6622max 33ny n 186109.9210=+=+=210.26N/mm <310N/mm 148510116.710y x M M W W σ⨯⨯⨯⨯上 下翼缘正应力 max n =x M W σ下=6318610=137135410⨯⨯.422N/mm <310N/mm ②剪应力 33max 4165.41090710===50.936820810x w V S I t τ⨯⨯⨯⨯⨯22N/mm <180N/mm ③腹板局部压应力=+5+250+510+2130360mm z y R l a h h =⨯⨯=31.0110.2510=38.38360c w z P t l ψσ⨯⨯==⨯22N/mm <310N/mm3)整体稳定验算1116000100.412280520l t b h ξ⨯===<⨯ 取0.730.180.80b βξ=+= 6000113.253y mm λ== h=520mm1121633/24690.65b I I I α===+ 0.8(21)0.248b b ηα=-= 2345/y f N mm =222234320235=+]43208800520235 =0.8+0248]0.770.6113.2148510345b b b y X yAh y W f ϕβλ⨯⨯⨯=>⨯ ' 1.070.282/0.70b b ϕϕ=-=66'33186.0109.9210 5.6560.7165110130.7101000yXb y M M l mm W σϕ⨯⨯=+=+=<=⨯⨯⨯ 4)刚度验算 挠度 2622kx 54186.04 1.05 1.4106000=236.8310/mm 1010 2.06103912510X M l N EI υ÷÷⨯⨯==<⨯⨯⨯⨯ 满足要求 吊车为A1~A5 疲劳可不进行验算5)加劲肋0wh t 可按构造配量0.50h 02a h ≤≤ 求间距 a =1.20h =600mm界面尺寸外伸长度 0/30+40=57s b h mm ≥ 厚度s t ≥/15s b =3.8m 采用80⨯8mm支座反力 R=165.4KN计算截面面积A=18⨯1.2+15⨯0.8=33.62cm绕腹板中线的截面惯性矩 3341.218 1.50.8+583.81212I cm ⨯⨯==4.17cm i = 50=12.04.17λ= 查表ϕ=0.989 322165.41049.8310/0.9893360N N mm f N mm A ϕ⨯==<=⨯ 6) 焊缝计算上翼缘与腹板连接焊缝=1.8f h mm= 取f h =6mm下翼缘与腹板连接焊缝3max 1.2 1.2165.410 1.771.4 1.4500160f w w t R h mml f ⨯⨯===⨯⨯ 同样取f h =6mm 吊车梁计算结束。
摘要国家建筑标准图集《钢吊车梁系统设计图平面表示方法和构造详图》是迄今为止国内第一本关于钢结构施工图方面的平面表示法的图集,其技术关键及创新点是形成了简单、通俗、易懂的平面表示方法制图规则,同时构造详图具备通用性、可操作性、安全性,满足国家相关规程、规范的要求,且二者相辅相成有机结合。
平面表示方法,是把吊车梁系统构件的截面及平面定位等,按照平面表示方法制图规则,整体直接表达在吊车梁系统构件平面布置图上,再与标准构造详图相配合,构成一套新型完整的设计图。
钢吊车梁系统构件包括吊车梁、辅助桁架、水平支撑、垂直支撑、制动板及辅助构件,辅助构件包括连接板、支座板、垂直隔板、轨道联结、伸缩缝接头及车挡。
本人是该图集主编人,结合图集,针对吊车梁系统各构件制图规则中所涉及相关参数、构造详图中相关构造要求进行详细论述,提供相关构件及节点的荷载选取、计算参数和选用表格,同时详细描述了各构件的钢材材质选用及设计施工中注意事项,为设计、施工及监理人员正确理解和使用该图集提供帮助。
关键词:吊车梁平法制图规则参数目录摘要 (I)目录............................................................. I I 绪论.. (1)一、吊车梁平法制图规则及参数 (2)1、吊车梁编号 (2)2、吊车梁截面 (2)3、吊车梁横向及纵向加劲肋 (5)4、吊车梁支座加劲肋截面及端部连接螺栓 (6)5、吊车梁的焊缝 (7)二、辅助桁架平法制图规则及参数 (10)1、辅助桁架的统一规定 (10)2、辅助桁架编号 (11)3、辅助桁架杆件截面 (11)4、辅助桁架杆件内力 (12)5、辅助桁架节间长度 (14)三、水平支撑平法制图规则及参数 (15)1、水平支撑的统一规定 (15)2、水平支撑编号 (16)3、水平支撑杆件截面 (16)四、垂直支撑平法制图规则及参数 (16)1、垂直支撑的统一规定 (16)2、垂直支撑编号 (17)3、垂直支撑截面 (18)五、制动板平法制图规则及参数 (18)1、制动板的统一规定 (18)2、制动板编号 (19)3、制动板截面及加劲肋 (19)4、制动板连接 (20)六、辅助构件平法制图规则及参数 (21)1、连接板 (21)2、支座板 (22)3、垂直隔板 (25)4、轨道联结及轨道伸缩缝处接头 (25)5、车挡 (26)七、其它 (27)1、钢材材料的选用 (27)结论 (28)参考文献 (29)绪论在冶金工业厂房中,特别在热轧、冷轧、高线、炼钢厂房中,钢吊车梁系统是钢结构厂房结构中重要系统之一,传统的钢吊车梁系统施工图复杂、繁锁、重复性工作量大,造成较大的人力、物力、财力的浪费。
简支吊车梁验算计算书==================================================================== 计算软件:TSZ结构设计系列软件 TS_MTSTool v4.6.0.0计算时间:2016年04月10日 07:07:07====================================================================一. 设计资料1 基本信息:验算依据:钢结构设计规范(GB 50017-2003)建筑结构荷载规范(GB 50009-2012)吊车梁跨度:l=6000 mm吊车梁平面外计算长度:l0=6000 mm吊车梁所在柱列:边列柱吊车梁所在位置类型:中间跨2 吊车信息:吊车梁上有两台不同吊车同时运行第一台吊车基本信息(参图Ⅰ)吊车类型:T5t105_中级软钩吊车吊车跨度:10500 mm吊车自重:12.715 t小车重量:2.126 t吊车起重量:5 t工作级别:A4~A5(中级)吊钩形式:软钩吊车单侧轮子数:2个最大轮压:74 kN最小轮压:26.3 kN制动轮子数:1个轨道类型:43Kg/m吊车宽度:5050 mm吊车额定速度:90 m/min小车额定速度:40.1 m/min吊车轮距C1:3400 mm第二台吊车基本信息(参图Ⅱ)吊车类型:T5t105_重级软钩吊车吊车跨度:10500 mm吊车自重:13.9 t小车重量:2.762 t吊车起重量:5 t工作级别:A6(重级)吊钩形式:软钩吊车单侧轮子数:2个最大轮压:63.7 kN最小轮压:29 kN制动轮子数:1个轨道类型:38Kg/m吊车宽度:5622 mm吊车额定速度:90 m/min小车额定速度:40.1 m/min吊车轮距C1:3850 mm3 荷载信息:吊车竖向荷载增大系数:ηv=1.03吊车荷载分项系数:γc=1.4当地重力加速度值:g=9.8附加竖向均布活载标准值:0 kN/m附加水平均布活载标准值:0 kN/m吊车一动力系数:μ1=1.05吊车一横向水平刹车力系数:β1=0.12吊车一摆动力系数:α1=0吊车二动力系数:μ2=1.1吊车二横向水平刹车力系数:β2=0.12吊车二摆动力系数:α2=0.14 验算控制信息:吊车梁竖向挠度允许值:l/1000吊车梁水平挠度允许值:l/22005 吊车梁截面信息:截面型号:H-750*300*10*12用户自定义截面截面材料类型:Q235截面每米质量:113.51 kg/m截面几何参数如下:截面高度 H=750 mm上翼缘宽度 B1 =300 mm下翼缘宽度 B2 =300 mm腹板厚度 T w =10 mm上翼缘厚度 T f1=12 mm下翼缘厚度 T f2=12 mm截面力学参数如下:x轴毛截面惯性矩 I x =129932.658 cm^4 x轴净截面惯性矩 I nx =122646.136 cm^4 x轴上翼毛截面抵抗矩 W x =3464.871 cm^3 x轴上翼净截面抵抗矩 W nx =3155.656 cm^3 x轴下翼净截面抵抗矩 W nx1 =3394.155 cm^3 y轴上翼毛截面抵抗矩 W y =360.403 cm^3y轴上翼净截面抵抗矩 W ny =152.003 cm^3上翼缘有效净面积 A ne =30.84 cm^2净截面中和轴高度 C ny =361.345 mm吊车梁截面为梯形渐变式变腹板高度截面:截面端部高度 h d =400mm端部x轴毛截面惯性矩 I d =31536.341 cm^4端部x轴毛截面静矩 S d =875.12 cm^3端部x轴上翼缘静矩 S du =698.4 cm^3端部x轴下翼缘静矩 S dd =698.4 cm^36 吊车梁制动结构信息:吊车梁采用制动板结构制动结构宽度:B=1000 mm制动板搭在吊车梁上间距:70 mm制动板厚度:T=6 mm制动板宽度:B b=924.9 mm边梁截面选用:C-160*63*6.5*10制动板搭在边梁上间距:=50mm边梁面积:A e=21.95 cm^2边梁Y向惯性矩:I ye=73.4 cm^4边梁X向惯性矩:I xe=866.2 cm^4边梁形心到右下点X向距离:C xe=1.79 cm边梁形心到右下点Y向距离:C ye=8 cm制动结构绕y轴净截面惯性矩:I ny=174485 cm^4制动结构对梁上翼缘边净抵抗矩:W ny1=2769.05 cm^3制动结构对边梁翼缘边净抵抗矩:W ny2=3242.49 cm^3制动结构绕y轴毛截面惯性矩:I y=186286 cm^4吊车梁上翼缘对y轴的毛截面静矩:S y=1651.83 cm^37 吊车梁截面焊缝信息:吊车梁腹板与上翼缘采用焊透的T形组合焊缝吊车梁腹板与下翼缘采用部分焊透的T形组合焊缝下翼缘坡口深度:s d=5 mm吊车梁腹板与翼缘焊缝采用:自动焊8 腹板加劲肋信息:横向加劲肋布置方式:两侧成对布置横向加劲肋端部焊接方式:连续回焊,不断弧横向加劲肋选用:SB6_Q235横向加劲肋间距:a=1200 mm变截面区段横向加劲肋间距:a'=1200 mm横向加劲肋宽度:65 mm横向加劲肋端部到下翼缘距离:50 mm吊车梁不配纵向加劲肋和横向短加劲肋9 支座信息:吊车梁采用的支座类型:全部平板式支座,吊车梁下翼缘直接与牛腿栓接平板支座加劲肋选用:SB6_Q235平板支座加劲肋宽度:65 mm加劲肋焊缝焊脚高度:7 mm平板支座选用:SB20_Q235平板支座宽度:90 mm平板支座长度:540 mm10 计算参数:梁截面材料屈服强度:f y=235 N/mm^2梁截面材料转换系数:C F=(235/235)^0.5=1上翼缘截面抗拉强度:f t=215 N/mm^2下翼缘截面抗拉强度:f b=215 N/mm^2梁腹板截面抗剪强度:f v=125 N/mm^2梁腹板端面承压强度:f ce=325 N/mm^2吊车梁焊缝抗剪强度:f w=160 N/mm^2二. 验算结果一览受压(上)翼缘宽厚比 12.08 最大15.0 满足腹板高厚比 72.60 最大250.0 满足上翼缘受压强度比 0.37 最大1.0 满足下翼缘受拉强度比 0.33 最大1.0 满足端部腹板剪应力强度比 0.53 最大1.0 满足腹板局部承压强度比 0.16 最大1.0 满足腹板折算应力强度比 0.28 最大1.0 满足整体稳定强度比设制动结构不需验算满足竖向挠度计算值(mm) 1.72 最大6.0 满足水平挠度计算值(mm) 0 不需验算满足上翼缘焊缝强度比 T形组合焊缝不验算满足下翼缘焊缝强度比 0.76 最大1.0 满足下翼处金属应力幅(N/mm2) 19.53 最大118.0 满足下翼角焊缝剪应力幅(N/mm2) 6.51 最大59.0 满足肋端金属应力幅(N/mm2) 16.84 最大103.0 满足区格Ⅰ局稳强度比 0.27 最大1.0 满足区格Ⅱ局稳强度比 0.25 最大1.0 满足区格Ⅲ局稳强度比 0.22 最大1.0 满足区格Ⅳ局稳强度比 0.20 最大1.0 满足加劲肋布置方式双侧成对重级满足横向加劲肋间距(mm) 1200.00 最大1452.0 满足横向加劲肋间距(mm) 1200.00 最小363.0 满足横向加劲肋间距1(mm) 1200.00 最大1452.0 满足横向加劲肋间距1(mm) 1200.00 最小363.0 满足横向加劲肋外伸宽度(mm) 65.00 最小64.2 满足横向加劲肋厚度(mm) 6.00 最小4.3 满足无纵向加劲肋时ho/Tw 72.60 最大170.0 满足平板加劲肋稳定强度比 0.34 最大1.0 满足平板加劲肋焊缝强度比 0.22 最大1.0 满足平板加劲肋外伸宽度(mm) 65.00 最小64.2 满足横向加劲肋厚度(mm) 6.00 最小4.3 满足平板加劲肋焊脚高度(mm) 7.00 最小6.0 满足平板加劲肋焊脚高度(mm) 7.00 最大7.0 满足上翼柱侧板件正应力(MPa) 25.6 最大215 满足上翼柱侧角焊缝应力(MPa) 21.0 最大160 满足上翼柱侧角焊缝焊脚高度(mm) 4.00 最小4.00 满足上翼柱侧角焊缝焊脚高度(mm) 4.00 最大6.00 满足上翼梁柱连接板正应力(MPa) 31.0 最大215 满足上翼梁柱螺栓承担剪力(kN) 8.92 最大62.8 满足上翼梁柱螺栓轴向边距(mm) 35.0 最小33.0 满足上翼梁柱螺栓轴向边距(mm) 35.0 最大88.0 满足上翼梁柱螺栓垂向边距(mm) 45.0 最小44.0 满足上翼梁柱螺栓垂向边距(mm) 45.0 最大88.0 满足牛腿最大正应力(Mpa) 74.3 最大215 满足牛腿最大剪应力(Mpa) 110 最大125 满足牛腿最大折算应力(Mpa) 176 最大237 满足牛腿翼缘宽厚比 10.1 最大15.0 满足牛腿集中力截面剪应力(Mpa) 124 最大125 满足牛腿局部承压应力(Mpa) 83.4 最大325 满足牛腿综合应力(MPa) 149 最大160 满足牛腿焊脚高度(mm) 8.00 最大9.60 满足牛腿焊脚高度(mm) 8.00 最小4.74 满足支座螺栓承担剪力(kN) 49.5 最大62.8 满足支座螺栓轴向边距(mm) 55.0 最小44.0 满足支座螺栓轴向边距(mm) 55.0 最大96.0 满足支座螺栓垂向边距(mm) 55.0 最小33.0 满足支座螺栓垂向边距(mm) 55.0 最大96.0 满足支座螺栓垫板正应力(MPa) 206 最大215 满足支座螺栓垫板角焊缝应力(MPa) 58.7 最大160 满足支座螺栓垫板焊脚高度(mm) 8.00 最小7.00 满足支座螺栓垫板焊脚高度(mm) 8.00 最大9.00 满足上翼柱加劲肋板件宽厚比 14.0 最大14.9 满足上翼柱加劲肋板件剪应力(MPa) 1.69 最大180 满足上翼柱加劲肋焊缝剪应力(MPa) 2.95 最大200 满足牛腿处柱加劲肋板件宽厚比 14.5 最大14.9 满足牛腿处柱加劲肋板件剪应力(MPa) 23.2 最大180 满足牛腿处柱加劲肋焊缝剪应力(MPa) 40.5 最大200 满足纵向连接螺栓承担剪力(kN) 9.64 最大126 满足纵向连接螺栓轴向边距(mm) 45.0 最小44.0 满足纵向连接螺栓轴向边距(mm) 45.0 最大88.0 满足纵向连接螺栓竖向边距(mm) 35.0 最小33.0 满足纵向连接螺栓竖向边距(mm) 35.0 最大88.0 满足纵向连接螺栓间距(mm) 70.0 最小66.0 满足纵向连接螺栓间距(mm) 70.0 最大96.0 满足车挡截面自由外伸宽厚比 8.00 最大15.0 满足车挡截面腹板宽厚比 53.3 最大80.0 满足车挡截面最大剪应力(MPa) 40.9 最大125 满足车挡截面最大正应力(MPa) 131 最大215 满足车挡截面折算应力(MPa) 140 最大237 满足车挡集中力处板件宽厚比 10.0 最大14.9 满足车挡集中力处板件剪应力(MPa) 21.2 最大180 满足车挡集中力处焊缝剪应力(MPa) 15.8 最大200 满足车挡截面最大拉应力(MPa) 141 最大215 满足车挡截面最大压应力(MPa) -141 最小-215 满足车挡截面综合应力(MPa) 141 最大160 满足车挡截面腹板焊脚高(mm) 6.00 最大7.20 满足车挡截面腹板焊脚高(mm) 6.00 最小3.67 满足三. 吊车梁截面内力计算:1 吊车梁支座处最大剪力Vd计算(参图Ⅲ):竖向附加活载作用下端部剪力V da=0 kN吊车考虑动力系数后最大轮压标准值:P=1.05×74=77.7 kN吊车竖向荷载作用下端部剪力:V dc=1.4×1.03×77.7×(2×6000-1711)/6000=197.7 kN端部最大剪力计算值:V d=197.7 kN2 跨中最大竖向弯矩Mvm计算(参图Ⅳ):竖向附加活载作用下跨中弯矩M va=0 kN·m吊车考虑动力系数后单轮竖向作用力标准值:P=1.05×74=77.7 kN吊车荷载合力:F=77.7×2=147.8 kN左支座反力:R=147.8×2594/6000=63.89 kN吊车梁跨中弯矩M vc计算:M vc=1.4×1.03×63.89×2594×10^-3=239 kN·m跨中最大弯矩计算值:M vm=239 kN·m3 跨中最大竖向弯矩对应剪力Vm计算(参图Ⅳ):自重和竖向附加活载作用下端部剪力:V ma=(1.4*g v+1.2*q s)*S/l0=(1.4×0+1.2×1.135)×2594/6000×10^-3=0 kN 吊车考虑动力系数后单轮竖向作用力标准值:P=1.05×74=77.7 kN吊车荷载合力:F=77.7×2=147.8 kN左支座反力:R=147.8×2594/6000=63.89 kN最大弯矩点左侧剪力计算:V ml=1.4×1.03×63.89=92.14 kN最大弯矩点右侧剪力计算:V mr=V ml-1.4×1.03×77.7=(-19.91) kN跨中最大弯矩对应的剪力计算值:V m=92.14 kN4 吊车梁跨中最大水平弯矩Mhm计算(参图Ⅴ):水平附加活载作用下跨中弯矩M ha=0 kN·m吊车考虑卡轨力系数后单轮横向作用力标准值:Q=0.1×63.7=6.37 kN吊车荷载合力:F=6.37×1=6.37 kN左支座反力:R=6.37×3000/6000=3.185 kN吊车梁跨中弯矩M hc计算:M hc=1.4×3.185×3000×10^-3=13.38 kN·m跨中最大水平弯矩计算值:M hm=13.38 kN·m5 跨中最大竖向弯矩标准值Mvk计算(参图Ⅵ):竖向附加活载作用下跨中弯矩M vka=0 kN·m吊车单轮最大轮压标准值:P=1.0×74=74 kN吊车荷载合力:F=74×2=148 kN左支座反力:R=148×3850/6000=94.97 kN吊车梁跨中弯矩M vkc计算:M vkc=1×1.03×(94.97×3850-74×3400)×10^-3=117.4 kN·m 跨中最大弯矩计算值:M vk=117.4 kN·m6 跨中最大水平弯矩标准值Mhk计算(参图Ⅵ):水平附加活载作用下跨中弯矩M hka=0 kN·m吊车考虑刹车力系数及其放大后单轮横向作用力标准值:P=0.12×(5+2.126)/2×g/2=2.095 kN吊车荷载合力:F=2.095×2=4.19 kN左支座反力:R=4.19×3850/6000=2.689 kN吊车梁跨中弯矩M hkc计算:M hkc=1×(2.689×3850-2.095×3400)×10^-3=3.228 kN·m 跨中最大水平弯矩计算值:M hk=3.228 kN·m7 跨中最大竖向弯矩标准值Mvp计算(参图Ⅶ):竖向附加活载作用下跨中弯矩M vpa=0 kN·m吊车单轮最大轮压标准值:Q=1.0×63.7=101.9 kN吊车荷载合力:F=63.7×1=63.7 kN左支座反力:R=63.7×3000/6000=31.85 kN吊车梁跨中弯矩M vpc计算:M vpc=1×31.85×3000×10^-3=95.55 kN·m跨中最大弯矩计算值:M vp=95.55 kN·m8 支座最大竖向剪力标准值Vp计算(参图Ⅷ):竖向附加活载作用下端部剪力V pa=0 kN吊车最大轮压标准值:Q=1.0×63.7=101.9 kN吊车竖向荷载作用下端部剪力:V pc=1×1.03×101.9×(2×6000-3850)/6000=55.7 kN 端部最大剪力计算值:V p=55.7 kN四. 吊车梁板件宽厚比验算:1 受压(上)翼缘宽厚比验算:受压翼缘宽厚比限值:[b0/t]=15*(235/f y)^0.5=15翼缘自由外伸宽度:b0=145 mm翼缘宽厚比:b0/T f1=145/12=12.082 腹板高厚比验算:腹板高厚比限值:[h0/t]=250腹板计算高度:h0=726 mm腹板高厚比:h0/T w=726/10=72.6五. 吊车梁截面强度验算:1 上翼缘受压强度验算:吊车梁采用制动板吊车梁须验算疲劳强度或b0/T f1=12.08>13,取γx=1.0吊车梁须验算疲劳强度,取γy=1.0ξ=(M vm/W nx/γx+M hm/W ny1/γy)/f t=(239/3156/1+13.38/2769/1)×10^3/215=0.37482 下翼缘受拉强度验算:ξ=M vm/W nx1/f b=239×10^3/3394/215=0.32763 端部腹板剪应力强度验算:考虑截面削弱系数1.2τ=V d*S dx/(I dx*T w/1.2)/f v=197.7×875.1/(3.154e+004×10/1.2)/125×10^2=0.52684 最大轮压下腹板局部承压强度验算:考虑集中荷载增大系数后的最大轮压设计值按第二台吊车计算:吊车最大轮压:P max=63.7 kN轻、中级工作制吊车梁,依《钢规》4.1.3取增大系数:ψ=1.0 F=γc*ψ*μ*P max=1.4×1.35×1.1×63.7=132.4 kN 梁顶到腹板计算高度上边缘距离:h y=T f1=12 mm轨道高度:h R=140 mm集中荷载沿跨度方向支承长度取为:50 mm集中荷载在腹板计算高度上边缘的假定分布长度:l z=50+5*h y+2*h R=50+5×12+2×140=390 mmσc=F/T w l z=132.4×10^3/10/390=33.96 N/mm^2腹板抗压强度设计值:f=215 N/mm^2局部承压强度比ξ=σc/f=33.96/215=0.15795 腹板与上翼缘交接处折算应力强度验算:按跨中最大弯矩及其对应的剪力和最大轮压计算计算点局部压应力:σc=33.96 N/mm^2(参见腹板局部承压验算) 计算点正应力计算计算点到中和轴的距离:y1=H-C ny-T f1=376.7 mmσ=M vm/I n*y1=239/1.226e+005×376.7×10^2=73.41 N/mm^2计算点剪应力计算上翼缘对中和轴静矩:S1=(y1+0.5*T f1)*B1*T f1×10^-3=1378 cm^3τ=V m*S1/I x/T w=92.14×1378/1.299e+005/10×10^2=9.768 N/mm^2σ与σc同号,强度设计值增大系数:β1=1.1折算应力强度比ξ=(σ^2+σc^2-σ*σc+3*τ^2)^0.5/(β1*f)=(73.41^2+33.96^2-73.41×33.96+3×9.768^2)^0.5/(1.1×215) =0.27846 吊车梁整体稳定性验算吊车梁设置了制动结构,整体稳定不需验算。
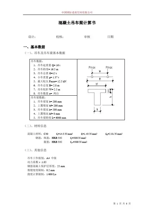
混凝土吊车梁计算书设计:____________校核:____________审核___________日期________一、基本数据(一)、吊车及吊车梁基本数据吊车数据:1、吊车起重量Q= 16 t2、吊车跨度= 16.5 m3、吊车总重G=15 t4、小车重量g= 1.37 t5、最大轮压Pmax= 12.5 kN6、吊车总宽B= 2.8 m7、吊车轮距W= 2.5 m8、吊车数量n= 两台吊车梁数据:1、吊车梁宽b= 200 mm2、上翼缘宽bf= 200 mm3、吊车梁高h= 500 mm4、上翼缘高hf= 0 mm5、吊车梁跨度L= 6000 mm(二)、材料信息混凝土材料:C30 f c=14.3 N/mm2f t=1.43 N/mm2f tk=2.01 N/mm2钢筋:纵筋:HRB 335 f y=300 N/mm2箍筋:HRB 335 f yv=300 N/mm2(三)、其他信息吊车工作级别:A4 中级动力系数μ:1.05钢筋混凝土保护层厚度:25 mm裂缝宽度限制:0.2 mm挠度计算限制:1/600 Lo二、正截面设计(一)计算吊车梁的绝对最大弯矩位置计算长度取为:L0= 5.8 m由结构力学可判断,吊车轮按上述作用时才能产生绝对最大弯矩计算可得:合力R = 3×μ×Pmax = 52.5 kNa0 = B-W2= 0.15 m(二)正截面配筋计算1、内力计算吊车梁自重:q1 = 25×[b×h+(b f-b)×h f] = 2.5 kN/m轨道联结重:q2 = 1.5 kN/m自重总和:q = q1 + q2 = 4 kN/m由自重在k点产生的弯矩:Mqk = qx2(Lo-x) = 16.81 kN・m由吊车荷载在k点产生的弯矩:Mpk = R(L0-a0)24L0= 39.43 kN・m总弯矩:M maxk = M qk + M pk= 56.24 kN・m2、按T型梁计算配筋按照混凝土规范7.2.2条a s = 35 mmh0 = h-2a s = 430 mmM = f c b f h f(h0-h f/2) = 0 < M maxk = 56.24 属于II类T型截面3验算垂直截面的双向受弯强度每个轮子产生的刹车力:T = 0.25×α(Q+g)×9.8 = 4.26 kN为简化计算,假设每个轮子都作用在吊车梁跨中,由水平力产生的弯矩为:M H =nT4Lo = 24.708 kN ・m 可见,水平方向产生的弯矩很小,双向受弯强度验算可以忽略 三、斜截面设计(一)复核截面条件吊车梁自重荷载作用下产生的剪力: V 1 = 0.5×q×Lo = 11.6 kN 吊车荷载按下图作用时产生最大剪力:由结构力学可知:V 2 = μP max (4-2B+WLo ) = 28.51 kN 最大总剪力:V = V 1 + V 2 = 40.11 kN 由混凝土规范7.5.1条:0.25βc f c bh 0 = 307.45 kN > V 截面满足要求 (二)计算所需箍筋1、确定计算方法y a = ΣI y y iΣI y = 112 h f b f 3×12 h f +112 (h-h f )b 3×(h/2+h f /2)112 h f b f 3+112 (h-h f )b 3= 250 mm 每个吊车轮产生的扭矩: m t = 0.7[μP max ×0.02+T(y a +0.2)] = 1.53 kN ・m则支座截面产生的最大扭矩为:T = 1.4×m t ×(4-2B+2WLo ) = 4.65 kN ・m 构件截面信息腹板: W tw = b 2(3h-b)/6 = 8666666.66666667mm 3 翼缘: W tf = h f 2(b f '-b)/2 = 0mm 3W t = W tw + W tf = 8666666.66666667 mm 3 由混凝土规范7.6.1V bh 0 + T0.8W t= 1.1371 < 0.25βc f c = 3.575截面尺寸满足按弯剪扭共同作用的构件计算腹板受扭矩: T w = W twW t ×T = 4.650 kN ・m翼缘受扭矩: T f ' = W tfW t×T = 0.000 kN ・m2、腹板配筋计算A cor = b cor h cor = 67500 mm 2 u cor = 2×(b cor + h cor ) = 1200 mma.腹板受扭箍筋计算,按混凝土规范7.6.8:T = 0.35f t βt W t + 1.2ζ f yv A st1A cor sβt =1.51+0.5 VW tTbh 0= 0.93 A st1s = T w -0.35βt f t W tw1.2ζ f yv A cor= 0.032136 mm 2/mm b.腹板受剪箍筋计算,按混凝土规范7.6.8:A sv1s = V -0.7(1.5-βt )f t bh 01.25f yv h 0= 0.045301 mm 2/mm腹板所需单肢箍筋总面积为:A st1s + A sv1s= 0.0547865 mm 2/mm实际配置:8@100 满足c.腹板抗扭纵筋计算,按混凝土规范7.6.4-2:A stl = ζf yv A st1u corf y s= 23.14 mm 2 构造配置钢筋3、翼缘配筋计算b 'cor = b f - b - 50 = -50 mm h 'cor = h f - 50 = -50 mmA 'cor = b 'cor ×h 'cor = 2500 mm 2 U 'cor = 2(b 'cor + h 'cor ) = -200 mm a.翼缘抗扭箍筋计算,按混凝土规范7.6.8:A st1s = T f -0.35βt f t W tf1.2ζ f yv A cor= 0.000 mm 2/mm 实际配置:8@100 满足b.翼缘抗扭纵筋计算,按混凝土规范7.6.4-2:A stl = ζf yv A st1u corf y s= 0.00 mm 2 构造配置钢筋四、验算吊车梁疲劳强度(一)验算正截面疲劳强度1、验算受压区混凝土边缘纤维的应力 一台吊车产生的最大弯矩:由结构力学可判断,吊车轮按上述作用时才能产生绝对最大弯矩计算可得:合力R = 2×μ×Pmax = 26.25 kNa0 = B-W2= 0.15 m由自重在k点产生的弯矩:Mqk = qx2(Lo-x) = 16.82 kN・m由吊车荷载在k点产生的弯矩:Mpk = μP max(L0-a0)22L0= 38.06 kN・m总弯矩:M maxk = M qk + M pk= 54.88 kN・mαf E= E sE f c= 13.33先假定中和轴通过翼缘,换算截面的受压区高度:b2x02 - αfE A s(h0 - x0) = 0 公式见《钢筋混凝土结构计算手册》P624简化:Ax02 + Bx0 + C = 0 其中:A = 100B = 20593.2504C = -9266962.68解方程得:x0 = 218.39mm >h f = 0 mm 所以须按下列公式重新计算:b f2x02 - αfE A s(h0 - x0)-(b f - b)(x0 - h f)22= 0简化:Ax02 + Bx0 + C = 0 其中:A = 100B = 20593.2504C = -9266962.68 解方程得:x0 = 218.39mmI fo=h f x033-(b f - b)(x0 - h f)33+αfE A s(h0 - x0)2 = 1799083328.02ρfc=ρfcminρfcmax=MqkMqk+Mpk= 0.317589268845645查混凝土规范表4.1.6得: γρ = 0.86σf cmax = M f max x 0I fo = 6.662 < f fc = γρf c = 12.298满足要求 2、验算受拉钢筋的应力σf simin = αf E M f min (h 0-x 0)I f o = 30.342 N/mm 2σf simax = αf E M fmax (h 0-x 0)I f o = 65.196 N/mm 2Δσf si = σf simax - σfsimin = 34.854 N/mm 2 ρf s= σfsiminσfsimax = 0.465根据混凝土规范表4.2.5-1,可查得:Δf f y = 135 > Δσfsi = 34.854 满足要求(二)验算斜截面疲劳强度 1、验算中和轴处的主应力 计算从略2、验算弯起钢筋所需面积 计算从略五、验算吊车梁裂缝宽度σρsk = M maxk0.87h 0A s= 92.9862630983486 N/mm 2A te = 0.5bh = 50000 mm 2 ρte = A s /A te = 0.0308976d eq = Σn i d i 2Σn i νd i= 18.2222222222222 mmψ=1.1-0.65f tkρte σρsk= 0.645257156827881由混凝土规范8.1.2得: αcr = 2.1 c=20 ψ=1.0ωmax = αcr ψσρsk E s 1.9c+0.08d eqρte= 0.0536640377934194 < 0.2 满足规范要求六、验算吊车梁挠度由混凝土规范8.2.3:B s = E s A s h 021.15ψ+0.2+6αE ρ1+3.5γf'其中: ψ=1.0 αE = 13.33 E s = 200000 A s = 1544.88 h 0 = 430 γf ' = 0ρ= A sbh 0= 0.0171653333333333代入公式可得:B s = 27027886193474.9 由混凝土规范8.2.2:B = M kM q (θ-1)+M k B s其中: θ=1.6 M k = 38.06 M q = 16.82 代入公式可得:B = 21128148926726.3f=5qlo 4384B= 2.78964728702648f/Lo=1/1981 < 1/600 满足要求七、验算吊车梁配筋率计算从略。
生产车间吊车梁及牛腿计算书目录一、概述 (1)1) 工程概况 (1)2) 计算目的 (1)3) 成果汇总 (1)二、设计依据的规范及有关文件 (1)三、基本资料 (2)1) 吊车资料 (2)2) 结构设计参数 (2)四、吊车梁设 (2)1) 基本假定 (2)2) 复核计算 (2)3) 计算结果 (4)五、牛腿设计 (4)1) 初拟断面 (4)2) 荷载计算 (5)3) 最不利点应力复核 (6)4) 焊缝计算 (7)5) 计算结果 (8)六、计算结果与汇总 (8)七、附件 (9)一、概述1)工程概况本工程为北京合纵科技股份有限公司生产办公楼,位于北京市密云县工业开发区三期开发区内西环岛北侧,北京合纵科技股份有限公司院内。
拟建建筑物为一栋大车间、生产办公楼。
主体为钢结构,牛腿高程为 5.18m,吊车梁高程为5.59m。
2)计算目的本计算主要是选择吊车梁的形式与尺寸,假定牛腿的基本形式和尺寸,然后验算其受力情况,并对其焊缝应力进行复核。
3)成果汇总通过复核验算,本工程吊车梁形式选用电动单梁吊车跨度为S=7.5~22.5m,吊车梁跨度为6m,起吊重量3t,截面规格为HT390198,牛腿的基本形式与尺寸详见图一,牛腿的最不利点应力值及其焊缝应力值都小于规范设计值,符合要求。
二、设计依据的规范及有关文件1)《钢结构设计规范》(GB50017-2003)2)《钢结构设计与计算》(机械工业出版社)3)《国家建筑标注设计图集钢吊车梁》(08SG520-3)4)桥机资料《华锦-厂家桥机资料》三、基本资料1)吊车资料吊车跨度为17.5m,吊车梁跨度为6.2m,起重量为3t根据桥机资料《华锦-厂家桥机资料》,选择地面操纵,可得最大轮压为22.6-25.2KN,计算中取最不利的情况25.2KNP k-吊车最大轮压标准值25.2KN2)结构设计参数μ- 动力系数取1.05r g- 可变荷载分项系数取1.4r q - 永久分项系数取1.2四、吊车梁设计1)基本假定吊车跨度为17.5m,吊车梁跨度为6.2m,起重量为3t,参考《国家建筑标准设计图集08SG520-3》第9页吊车梁选用表,选用电动单梁吊车跨度为6m,钢材型号为Q235,截面规格为HT390198,重量为306kg,钢轨型号24kg/m2)复核计算1)均布荷载:(24+306/6) 1.29.8=882N/m最大M值=882 6.22/8=4.2Kn.m2)轮压荷载:单个轮压P=25.2 1.4 1.05=37KN,两个轮子间距为2.5m,计算见图一,图一:图一:计算简图与弯矩包络图(kn.m)先求出梁上的合力R,R=P1+P2=37+37=74KN以P2作用点为力矩中心,求得R与P2之间的距离,a=(37 2.5)/74=1.25m把P2和R对称的放在梁跨中点C的两边,此时因为P2在R的右边所以a=-1.25m由结构力学公式可得:M max=(R(L-a)2/4L)-M K=(74(6.2+1.25)2/(4 6.2))-37 2.5=73.1 kn.m根据结构力学影响线最大弯矩应该是在小车中点与吊车梁中点间距为0.625m,通过计算此时的轮压荷载作用下的最大弯矩为73.1 kn.m故最大弯矩值为73.1+ 4.1=77.2kn.m82.6kn.m(选用吊车梁允许最大值)通过以上论证选用吊车梁可以适用本工程。
某重级工作制吊车梁设计与计算【摘要】本文通过某重级工作制硬钩吊车吊车梁设计实例,介绍钢吊车梁设计与计算的一般方法和内容,就如何通过影响线确定吊车梁最大弯矩进行了探讨和分析,并总结了重级工作制吊车梁设计的注意事项。
【关键词】重级工作制;吊车梁;硬钩;强度;疲劳一、概况某钢铁冶金厂房为多跨单层排架结构,柱距24m,由于工艺需要布置多台大吨位重级工作制硬钩桥式吊车。
下面就以其中一跨为例,介绍该跨吊车梁的一般设计方法,吊车资料如下表:二、吊车梁形式钢结构吊车梁系统通常由吊车(支承)梁、制动结构、辅助桁架以及支撑等构件组成。
吊车(支承)梁一般以吊车桁架、焊接工字型吊车梁或箱型吊车梁形式为多见,又以焊接工字型吊车梁最为常见。
由于其制作简单,结构受力性好,因此本工程采用焊接工字型吊车梁形式。
三、吊车梁设计与计算1、吊车荷载计算吊车竖向荷载: Pk=480kN; P=μrQPk=1.1*1.4*480=739.2kN吊车横向水平荷载:按荷载规范计算荷载:Hk=(94+120)*9.85*0.2/12=35.1kN; H=rQHk=1.4*35.1=49.2kN按卡轨力计算荷载:Hk=αPk=0.2*480=96kN; H=rQHk=1.4*96=134.4kN其中μ为动力系数;rQ 为荷载分项系数;α为卡轨力系数。
2、跨中最大竖向弯矩点的确定和最大竖向弯矩计算根据经验知道,简支型吊车梁在吊车轮压作用下,跨中最大弯矩位置(C点)位于吊车车轮荷载作用点,同时该位置左右侧剪力变号。
如下图所示,RA=∑P(L-X-a)/L, 跨中最大弯矩位置Mc= RAX-Mkc=∑P(L-X-a)X/L- Mkc;Mkc 为C点左侧梁上荷载P相对与C点的力矩和,为一与X无关常数。
当Mc为极大值时,根据极值条件=∑P(L-X-a)/L=0,解得X= (L-a)/2。
这表明,跨中最大弯矩位置C点与合力∑P对称于梁中心线。
根据以上结论,可以按以下方式找到一组集中荷载作用下的跨中最大弯矩C点位置:先求得该组集中荷载合力点位置,并将合力点和其紧邻的集中荷载对称布置在梁中心线两侧(如图1.1),求出支座反力;复核紧邻的集中荷载位置左右侧剪力是否变号,若变号,即可确认该集中荷载位置为跨中最大弯矩C点位置;否则需要将合力中心和下一个邻近的集中荷载对称布置在梁中心线两侧(如图1.2),继续复核直至找到最终找出符合条件的集中荷载位置,最后根据弯矩影响线求出最大弯矩。
第一单元●轻型门式刚架多跨结构应尽量选择 2 屋面。
1.双脊双坡2.单脊单坡3.单脊双坡4.都可以●轻型门式刚架楔形柱的放置应该是 2 。
1.大头在下2. 大头在上3.大头在中间4.都可以●门式刚架梁柱节点的端板之间一般采用 2 连接。
1.普通螺栓2.高强螺栓3.焊接4.铆钉●门式刚架中,支撑与相邻梁柱夹角应当控制在 4 范围内。
1.大于70度2. 大于60度3. 小于30度4. 30到60度之间●当檩条跨度的大于6米时,宜在檩条间2拉条。
1.跨中设置一道2.3分点处各设置一道3.无需设置4.4分点处各设置一道●轻型门式刚架结构的主要组成部件有 123 。
1.钢柱2.钢梁3.檩条4.消防管道●与其他结构相比,轻型门式刚架结构的优点是 124 。
1.地震反应小2.构件质量轻3.风荷载影响小4.柱网布置灵活●无桥式吊车,而且刚架柱不是特别高时,单脊双坡多跨门式刚架的中间柱宜设置为131.摇摆柱2.柱脚刚接3.柱两端铰接4.柱两端刚接●当门式刚架柱的平面外稳定计算不能满足时,有效措施是341.设置腹板加劲肋2.加厚腹板3.加宽翼缘4.设置侧向支撑●压型钢板YX35-125-750,表示压型钢板的234 。
1.波距为35mm2.波高为35mm3.有效覆盖宽度是750mm4.波距为125mm●卷边C型檩条的放置须开口向下。
21.对2.错●门式刚架结构中的摇摆柱是按受弯构件设计的。
21.对2.错●支撑体系中刚性系杆是既能承受拉力,也能够承受压力的杆件11.对2.错●门式刚架梁柱强度计算中,要先判断有效截面。
11.对2.错●门式刚架中,隅撑构件一般按轴心受力构件设计的。
11.对2.错中、重型厂房结构设计单元测试●请判断下列构件中,哪一种通常为轴心受力构件 c 。
a) 多层框架柱b) 单层框架柱c) 桁架中的杆件d) 施工用起吊臂杆●杆件的长细比是指 B 。
a) 几何长度与截面宽度之比b) 计算长度与截面回转半径之比c) 计算长度与截面宽度之比d) 计算长度与截面惯性矩之比●单层厂房阶形柱在框架平面外的计算长度通常取为 D 。
2.1吊车梁系统的组成2.2吊车梁上的荷载2.3吊车梁内力计算2.4吊车梁截面验算(4)其他荷载(2)吊车横向水平荷载(1)吊车竖向荷载(3)吊车纵向水平荷载(1)简支吊车梁(2)连续吊车梁2.4.2强度计算2.4.1一般规定2.4.3腹板及横向加劲肋强度补充计算2.4.4整体稳定计算2.4.5刚度计算2.4.6疲劳计算122.5吊车梁连接计算及构造要求2.5.4其它构造要求2.5.1梁腹板与翼缘板连接2.5.2支座加劲肋与腹板、翼缘板连接2.5.3吊车梁与柱的连接2.7 车挡2.6吊车轨道3横行小车吊车梁柱吊车桥架4吊车是厂房中常见的起重设备,按照吊车的利用次数和荷载大小,国家标准《起重机设计规范》(GB3811)将其分为八个工作级别,称为A1~A8。
工作制等级轻级中级重级特重级工作级别A1~A3A4、A5A6、A7A8工作制等级和工作级别的对应关系许多文献习惯将吊车以轻、中、重和特重四个工作制等级来划分,它们之间的对应关系如下:5《起重机设计规范》GB3811-1983附录A6●吊车梁(或吊车桁架)●制动结构●辅助桁架●支撑1-吊车梁;2-制动梁;3-制动桁架;4-辅助桁架;5-水平支撑;6-垂直支撑吊车梁及制动结构的组成组成:7吊车梁类型:按计算简图:●简支梁●连续梁按构造:●焊接梁●高强度螺栓桁架梁●栓-焊梁按构件类型:●实腹梁●型钢截面●焊接工字形截面●箱形截面●上行式直接支承吊车桁架:●上行式间接支承吊车桁架:吊车轨道直接铺设在桁架上弦上桁架梁上弦放置节点间短梁,以承受吊车荷载●吊车桁架8制动结构:●制动梁●制动桁架●承受横向水平荷载,保证吊车梁的整体稳定●可作为人行走道和检修平台作用:宽度:●应依吊车起重量﹑柱宽以及刚度要求确定。
●一般不小于0.75m 。
●宽度≤1.2m 时,常用制动梁●宽度>1.2m 时,宜采用制动桁架制动结构选用:对于硬钩吊车的吊车梁,其动力作用较大,均宜采用制动梁。
第二部分 钢混吊车梁设计部分一、吊车梁截面型式此电站单机容量为3.5万KW ,电站的吊车梁为两跨连续梁,跨长为7米,梁的截面形式为T 型,其截面尺寸如图所示。
吊车跨度m L K 14=,根据最大起重重量3G =23t ,选用30t 单小车桥式起重机。
吊车其他数据为:吊车轮距K=0m ,吊车主钩极限位置m l 1.11=,吊车重1G =26.1t ,单个小车重t G 5.92=,吊车两边轮数m=1,吊车轨道及埋件600N/m 。
1、高度:根据T 型梁截面混凝土梁的截面一般为跨度的1/5~1/8,即为7000/5~7000/8,即1400~875,取h=900mm 。
2、梁肋宽:梁肋宽为梁高的1/2~1/3,即450~300,取b=400mm 。
3、翼板厚度:翼板厚度常为梁的1/7~1/10,但不小于100mm ,故取为150mm 。
4、翼板宽度除考虑受力要求外,还应有足够尺寸以布置钢轨及埋件钢轨附件,一般不小于350mm ,在梁端部,肋宽宜适当加大,以利于主筋的锚固。
5、设计原则及混凝土标号、钢筋型号按《混凝土结构设计规范(GBJ-8为9)》。
吊车梁混凝土标号为C40,纵筋Ⅱ级,箍筋为Ⅰ级。
二、吊车梁荷载计算2.1、均布恒荷载q (取单位长度为1m 计算) (1)、吊车梁自重:N/m 109360.1024)6.015.04.075.0(q 431⨯=⨯⨯⨯+⨯=(2)、砂浆抹平层(3cm 容量为34/102m N ⨯)及埋件重(m N /600) N /m 10960.010)06.06.003.02(q 442⨯=⨯+⨯⨯= (3)、均布荷载: N /m 1003.110)096.0936.0(q 44⨯=⨯+= 2、垂直最大轮压:N t p 4104.224.22⨯== 3、横向水平制动力:T 0=1.633N 410⨯三、吊车梁内力计算3.1、在垂直作用下(1)、弯矩计算:从《水工钢筋混凝土结构学》附录表中应得n a 和n k 值。