完整版机械工程师基础知识500点
- 格式:docx
- 大小:40.08 KB
- 文档页数:30
机械工程师职称知识点机械工程师是一个广泛应用于各种行业的职业,他们主要负责设计、制造、维修和改进机械设备和系统。
机械工程师在不同阶段的职业发展中会涉及到不同的技术和知识点。
本文将介绍机械工程师职称知识点的几个重要方面。
一、机械设计机械设计是机械工程师最基础的技能之一,包括设计原理、机械元件和装配、结构和材料选择等。
机械设计师需要熟悉CAD软件和其他设计工具,能够根据客户需求和技术要求设计出安全可靠的机械设备。
他们还需要了解各种机械元件的工作原理和使用方法,以及机械系统的工作流程和优化方法。
二、工程力学工程力学是机械工程师必备的核心知识之一,它包括静力学、动力学和材料力学等。
“静力学”研究物体在平衡状态下的力学性质和力学平衡条件。
“动力学”研究物体在受到外力作用下的运动和受力情况。
“材料力学”研究物质的内部结构与性能及其在力学环境下的表现。
三、热力学热力学是机械工程师在设计和选择热能系统时必需的知识点。
热力学研究能量与物质的转换过程,包括热力学第一定律和第二定律、物质的热力学性质、热力学循环等。
机械工程师需要了解热力学的基本原理和计算方法,以确保机械设备在工作过程中能够高效地转换热能。
四、流体力学流体力学是研究流体运动和作用力的学科,包括静态流体力学和动态流体力学。
机械工程师需要掌握流体力学的基本原理和应用,以设计和分析涉及到流体的机械设备,如液压系统、气动系统等。
流体力学的应用范围非常广泛,几乎涉及到所有的机械设备和工艺过程。
五、控制工程控制工程是指通过对系统参数和输入信号的控制以达到特定目标的工程技术。
机械工程师在自动化设备和系统的设计和开发中需要应用控制工程的原理和方法。
他们需要了解传感器和执行器的原理、信号处理和采集技术,以及各种控制策略和算法。
六、工程材料工程材料是机械工程师必需的基础知识之一,包括金属材料、非金属材料和复合材料等。
机械工程师需要了解材料的特性、性能和加工工艺,以选择和设计适合的材料。
机械工程师基础知识点1.机械工程基础知识2.机械设计机械工程师需要掌握机械设计的基本原理和方法。
他们需要了解材料的性质和工艺,以及如何根据产品的使用需求设计合适的部件。
机械工程师还需要了解各种机械元件的结构和工作原理,包括齿轮、轴承、传动装置和液压装置等。
在设计过程中,机械工程师需要应用CAD和CAM等计算机辅助设计和制造软件。
3.流体力学机械工程师需要了解流体力学的基本原理和应用。
他们需要掌握液体和气体的流动特性,包括流速、压力、粘度和阻力等。
机械工程师还需要了解各种流体力学装置的原理和设计方法,以便设计和制造能够满足流体传输需求的设备和系统。
4.热力学和热传导机械工程师需要了解热力学和热传导的基本原理和应用。
热力学是研究热能转换和热平衡的学科,而热传导是研究热量在物体中传递的学科。
机械工程师需要了解如何计算和预测热力系统的性能,并设计和选择合适的散热设备和材料。
5.自动控制和机器人技术机械工程师需要了解自动控制和机器人技术的基本原理和应用。
自动控制是研究如何实现系统自动化和控制的学科,而机器人技术是研究如何设计和制造能够代替人类执行工作的机器人的学科。
机械工程师需要了解这些技术的基本原理,并能够应用于机械设备和流程的自动化控制和优化。
6.制造工艺和工程经济学机械工程师需要了解制造工艺和工程经济学的基本原理和应用。
制造工艺是研究如何通过加工和成型将原材料转化为最终产品的学科,而工程经济学是研究如何在设计和制造过程中进行成本分析和效益评估的学科。
机械工程师需要了解不同的制造工艺和材料选择,以及如何进行成本和效益的分析和评估。
以上是机械工程师基础知识点的简要介绍。
机械工程师需要掌握这些基础知识,以便在工作中能够独立进行设计、制造、安装和维护等工作。
此外,机械工程师还需要具备一定的沟通和团队合作能力,以便与其他工程师和技术人员进行交流和协作。
机械工程的知识点总结一、机械原理机械原理是机械工程的基础学科,主要研究机械结构、运动和机械能的转换关系。
机械原理包括静力学、动力学、动力学等内容。
1.静力学静力学是研究物体在静止状态下的平衡条件和受力分析的学科。
静力学主要包括受力分析、平衡条件、等效受力等内容。
2.动力学动力学是研究物体在运动状态下的受力分析和动力学关系的学科。
动力学主要包括牛顿运动定律、动量定理、动能定理等内容。
3.动力学动力学是研究物体在转动状态下的转动条件和受力分析的学科。
动力学主要包括扭矩、角动量、转动惯量等内容。
二、机械设计机械设计是研究机械产品结构、功能和制造工艺的专门学科。
机械设计包括机械构造、机械设计原理、机械传动、机械制造等内容。
1.机械构造机械构造是指机械产品的结构形式和工作原理。
机械构造包括机械零部件的结构、功能、配合与运动关系等内容。
2.机械设计原理机械设计原理是研究机械产品设计方法和设计原理的学科。
机械设计原理包括设计计算、设计分析、设计优化等内容。
3.机械传动机械传动是研究机械产品传动方式和传动原理的学科。
机械传动包括齿轮传动、带传动、链传动等内容。
4.机械制造机械制造是研究机械产品制造工艺和制造方法的学科。
机械制造包括加工工艺、组装工艺、检验技术等内容。
三、机械运动机械运动是研究机械产品运动学原理和运动规律的学科。
机械运动包括运动连续性、运动平稳性、运动精度等内容。
1.运动学运动学是研究机械产品运动形式和运动规律的学科。
运动学主要包括平面运动和空间运动的规律、速度和加速度的关系等内容。
2.运动平稳性运动平稳性是研究机械产品运动状态的平稳性和稳定性的学科。
运动平稳性主要包括运动平稳条件、运动平稳性分析等内容。
3.运动精度运动精度是研究机械产品运动状态的精度和精密度的学科。
运动精度主要包括运动精度分析、运动精密度分析等内容。
四、机械制造机械制造是机械工程的重要学科,它涉及到机械产品的加工工艺、工件表面处理、机床和刀具等内容。
机械专业岗位知识点总结一、机械工程基础知识1. 机械工程概论机械工程是一门研究物体运动规律及其与能量转换、材料变形以及结构形态变化等联系的学科,其研究对象主要包括机械设计、机械制造、机械运动和机械传动四个方面。
2. 机械原理机械原理是机械工程的基础理论,包括静力学、运动学、动力学和力学等方面的基本原理和定律。
3. 机械材料机械材料是机械工程中的基本工程材料,包括金属材料、非金属材料、高分子材料等,了解材料的性能、结构、应用范围等。
4. 机械设计基础机械设计基础包括机械设计原理、设计方法、设计标准、设计流程等,以及机械零部件设计、机械结构设计等相关知识。
5. 机械制造基础机械制造基础包括机械加工工艺、数控加工技术、装配工艺、焊接工艺、热处理工艺等各种机械制造相关知识。
二、机械传动与控制1. 机械传动机械传动是指通过机械装置将能量传递和变换的过程,包括齿轮传动、皮带传动、链条传动、液压传动、气动传动等。
2. 机械控制机械控制是指通过机械装置实现力、速度、位置等参数的控制,在机械工程中的应用包括闭环控制、开环控制、PID控制等。
3. 机械振动与噪声控制机械振动是指机械系统在运行过程中所表现出的周期性变化,机械噪声是指机械系统在运行过程中所产生的声音,了解机械振动与噪声的控制方法及相关知识。
4. 机械减振与动力学设计机械减振是指通过设计、改进机械结构或增加减振装置来减小机械振动,动力学设计是指通过计算和分析机械系统的运动状态、受力分析等方法,来实现机械工程设计的优化。
三、机械CAD与制造1. 机械CAD机械CAD是利用计算机辅助设计软件进行机械制图、零部件建模、装配、绘图等工作的过程,熟练掌握CAD软件操作及机械CAD设计规范。
2. 机械CAM机械CAM是计算机辅助制造软件,通过对CAD模型进行加工路径的规划和刀具参数的设定,实现数控机床加工零件的过程。
3. 机械制造工艺机械制造工艺包括机械加工、车削、铣削、钻削、磨削、装配、焊接、热处理等工艺过程,了解各种机械制造工艺的特点及操作技能。
机械常识500问1:金属结构的主要形式有哪些?答:有框架结构、容器结构、箱体结构、一般构件结构。
2:铆工操作按工序性质可分为几部分?答:分为备料、放样、加工成型、装配连接。
3:金属结构的连接方法有哪几种?答:有铆接、焊接、铆焊混合联接、螺栓联接。
4:在机械制造业中铆工属于(热加工类)。
5:什么叫热加工?答:金属材料全部或局部加热加工成型。
6:珩架结构是以什么为主体制造的结构?答:是以型材为主体。
7:容器结构是以什么为主体制造的结构?答:是以板材为主体。
8:箱体结构和一般结构是以(板材)和(型材)混合制造的结构。
9:备料是指(原材料)和(零件坯料)的准备。
10:钢板和型材在(运输、吊放、储存)的过程中可造成变形。
11:钢材的变形会影响零件的(吊运、下料、气割)等工序的正常进行。
12:零件在加工过程中产生的变形如不进行矫正,则会影响结构的(正确装配)崐113:焊接产生的变形会降低装配的(精度),使钢结构内部产生附加应力,影响(构件的强度)。
14:扁钢的变形有(弯曲、扭曲、弯扭复合变形)。
15:多辊矫正机根据轴辊的排列形式和调节辊的位置可分为哪几种?答:可分为上下辊列平行矫正机、上下辊倾斜矫正机。
16:火焰校正的加热方式有哪些?答:有点状、线状、三角形加热。
17:火焰矫正的效果由什么因素决定?答:由加热的位置和加热温度决定。
18:矫正的方法有哪些?答:机械校正、手工矫正、火焰矫正、高频热度铰正。
19:什么是制作金属结构的第一道工序?答:放样和号料是制作金属结构的第一道工序。
20:放样与号料对产品的影响有哪些?答:它将直接影响产品质量对生产周期及成本都有直接影响。
21:放样常用的量具有什么?答:有木折尺、直尺、钢卷尺、钢板尺等。
22:放样常用的工具有什么?答:有划规、地规、样冲、划针、小手锤。
23:实尺放样的程序是什么?答:程序是线型放样、结构放样、展开放样。
24:展开放样的内容有什么?答:有板厚处理、展开作图、制作号料样板。
机械工程师知识点大全第一章:机械工程基础知识机械工程是一门研究机械结构、运动原理和能量转换的学科。
作为一名机械工程师,你需要掌握以下基础知识:1.机械结构:了解机械部件的种类和功能,包括齿轮、皮带传动、链传动等。
2.运动原理:掌握刚体运动学与动力学,理解速度、加速度、力和力矩等概念。
3.动力学:了解牛顿定律、动量守恒定律和能量守恒定律,应用于机械系统的分析与设计。
4.热力学:了解热力学基本概念,如热力学定律、热量传递和功的计算等。
5.控制理论:掌握控制系统的基本原理,如反馈控制、PID控制等。
第二章:机械设计与制造机械工程师在设计和制造机械产品时需要具备以下知识点:1.CAD软件:掌握计算机辅助设计软件,如AutoCAD、SolidWorks等,用于进行机械产品的三维建模和装配。
2.制造工艺:了解机械加工的基本工艺,包括铣削、车削、钻孔等,以及焊接、铸造等常见的制造方法。
3.物料力学:了解材料的性能与力学行为,包括弹性力学、塑性力学等,用于材料的选择和设计。
4.结构强度:掌握结构强度与刚度的计算方法,保证机械产品在使用过程中的稳定性和安全性。
5.机械传动:了解各种机械传动装置的原理和设计方法,如齿轮传动、皮带传动等。
第三章:工程图学与工程材料工程图学和工程材料是机械工程师需要熟悉的重要学科:1.工程制图:掌握各种工程图的绘制方法和标准,如平面图、剖视图、装配图等,用于机械产品的设计和制造。
2.工程材料:了解不同材料的性能和特点,如金属材料、塑料材料、复合材料等,用于材料的选择和设计。
第四章:机械工程的应用领域机械工程师的工作涵盖了多个领域,包括但不限于以下几个方面:1.汽车工程:了解汽车结构和动力系统,参与汽车的设计和制造。
2.能源工程:参与能源设备的设计和制造,如燃气轮机、蒸汽发生器等。
3.制造工程:参与制造设备的设计和制造,如机床、数控系统等。
4.机器人技术:了解机器人的原理和应用,参与机器人系统的设计和控制。
机械基础必学知识点1.力学:力学是研究物体的运动和受力的学科。
机械工程师需要了解力的概念、受力状态、力的平衡以及力的作用效果等基本概念。
2.静力学和动力学:静力学研究力的平衡问题,动力学研究物体运动的原因和规律。
机械工程师需要了解力的平衡条件以及静力学和动力学之间的关系。
3.静力学中的力矩和力矩平衡:力矩是力对物体产生转动效果的能力。
机械工程师需要了解力矩的概念、计算方法以及力矩平衡的条件。
4.工程材料力学性质:机械工程师需要了解各种材料的力学性质,如弹性模量、抗拉强度、屈服强度等,以便在设计中选择合适的材料。
5.刚体力学:刚体力学研究刚体的运动和受力问题。
机械工程师需要了解刚体的概念,刚体的平衡条件以及与刚体相关的运动学和动力学。
6.液体静力学和动力学:机械工程师需要了解液体在静态和动态条件下的受力和运动规律,以便设计和分析液压系统、液压机械等。
7.热力学基础:热力学研究物质的能量转化和传递规律。
机械工程师需要了解热力学基本概念,如热力学系统、热平衡、热力学过程等。
8.工程流体力学:工程流体力学研究流体在管道、泵站、水轮机等工程设备中的运动和力学性质。
机械工程师需要了解流体的性质、流体运动的方程和常用流体力学实验方法。
9.振动学:振动学研究物体在周期性力的作用下的振动规律。
机械工程师需要了解振动的基本概念、振动的分类、振动的表征参数以及振动的控制方法。
10.控制工程基础:控制工程研究如何使系统按照既定要求运行。
机械工程师需要了解控制工程的基本概念、控制系统的组成和功能以及常用的控制方法。
机械工程师基础知识1 机械常识一:什么称其为该投影面的平行线?该直线的投影具有什么性?答:当直线平行于投影面时,称其为该投影面的平行线。
该直线的投影具有真实性。
2:任何金属板料都有厚度,而板厚对作什么图的形状和大小是有影响的?答:对作展开图的形状和大小是有影响的。
3:圆球,圆环和螺旋面的构件,其表面均是怎样展曲面?答:其表面均是不可展曲面。
4:对于棱柱体和圆柱体的展开,一般应用什么展开法?答:一般应用平行线展开法。
5:圆锥管与圆柱管正交相贯,其相贯线常采用什么法求得?答:常采用辅助平面法求得。
6:求曲线的实长多用哪种法?答:多用展开法。
7:摩擦压力机超负荷时,只会引起什么与什么之间的滑动,而不会损坏机件?答:只会引起飞轮,摩擦盘之间的滑动,而不会损坏机件。
8:开式曲柄压力机滑块的行程,可通过改变什么与什么来调节?答:可通过改变连杆上部的偏心套;主轴的中心距来调节。
9:在拉深,挤压工序中,由于模具间隙的原因,所以对材料的什么要求较严?答:对材料的厚度公差要求较严。
10:冲裁时板料的分离过程大致可分为哪三个阶段?答:1:弹性变形,2:塑性变形,3:开裂分离。
11:拉深系数越怎样,材料拉深变形程度越大?答:拉深系数越小,材料拉深变形程度越大。
12:什么叫冷冲压?答:在常温下进行的冲压加工称为冷冲压。
13:什么是复合工序?答:将两个或两个以上的基本工序合并在一起,在压力机的一次行程中完成,称为复合工序。
14:什么叫简单冲裁模?答:在压力机的一次行程中,只能完成一个冲裁工序的冲模。
15:什么叫复合冲裁模?答:在压力机的一次行程下,可以同时完成多道工序的冲裁模16:怎样解释冲裁力修正系数Kp?答:在计算冲裁力时,考虑模具刃口的磨损,模具间隙,材料的机械性能等因素,而选取的安全系数,一般情况下,取Kp等于13. 17:什么是斜刃口冲裁?答:斜刃口冲裁是降低冲裁力的一种方法。
就是将模刃口制成相对坯料成一定角度的倾斜,这样冲裁时模具刃口与坯料的接触是渐进的,使得载荷均匀且平稳。
机械工程师基础知识340点
摘要:
1.机械工程师的基础知识概述
2.机械工程领域的重要概念
3.设计和制图的基本原则
4.常用机械工程材料及其性质
5.机械制造过程与工艺
6.机械传动和控制系统
7.机械工程师的职业技能和素养
正文:
【提纲】
1.机械工程师的基础知识概述
- 机械工程师的定义与职责
- 机械工程师所需的基本知识领域
2.机械工程领域的重要概念
- 机械运动学与动力学
- 机械结构与力学
- 机械热力学与热传导
3.设计和制图的基本原则
- 设计的基本原则和方法
- 制图的基本规范和标准
- 计算机辅助设计(CAD)的应用
4.常用机械工程材料及其性质
- 金属材料
- 非金属材料
- 复合材料
- 材料的性能和选择
5.机械制造过程与工艺
- 机械加工方法与设备
- 机械装配与调试
- 机械制造过程的管理与优化
6.机械传动和控制系统
- 机械传动的基本原理和类型
- 机械控制系统的设计与实现
- 工业机器人与自动化
7.机械工程师的职业技能和素养
- 机械工程师的沟通与协作能力
- 机械工程师的创新与问题解决能力
- 机械工程师的职业道德与责任
作为一名机械工程师,掌握以上340 点基础知识是必不可少的。
这些知识将为机械工程师在设计、制造、传动和控制等方面的工作提供坚实的理论基础。
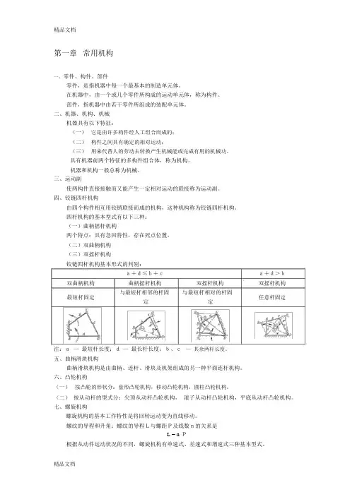
第一章常用机构一、零件、构件、部件零件,是指机器中每一个最基本的制造单元体。
在机器中,由一个或几个零件所构成的运动单元体,称为构件。
部件,指机器中由若干零件所组成的装配单元体。
二、机器、机构、机械机器具有以下特征:(一)它是由许多构件经人工组合而成的;(二)构件之间具有确定的相对运动;(三)用来代替人的劳动去转换产生机械能或完成有用的机械功。
具有机器前两个特征的多构件组合体,称为机构。
机器和机构一般总称为机械。
三、运动副使两构件直接接触而又能产生一定相对运动的联接称为运动副。
四、铰链四杆机构由四个构件相互用铰销联接而成的机构,这种机构称为铰链四杆机构。
四杆机构的基本型式有以下三种:(一)曲柄摇杆机构两个特点:具有急回特性,存在死点位置。
(二)双曲柄机构(三)双摇杆机构铰链四杆机构基本形式的判别:a+d≤b+ca+d>b双曲柄机构曲柄摇杆机构双摇杆机构双摇杆机构最短杆固定与最短杆相邻的杆固与最短杆相对的杆固任意杆固定定定注:a—最短杆长度;d—最长杆长度;b、c—其余两杆长度。
五、曲柄滑块机构曲柄滑块机构是由曲柄、连杆、滑块及机架组成的另一种平面连杆机构。
六、凸轮机构(一)按凸轮的形状分:盘形凸轮机构,移动凸轮机构,圆柱凸轮机构。
(二)按从动杆的型式分:尖顶从动杆凸轮机构,滚子从动杆凸轮机构,平底从动杆凸轮机构。
七、螺旋机构螺旋机构的基本工作特性是将回转运动变为直线移动。
螺纹的导程和升角:螺纹的导程L与螺距P及线数n的关系是L = n P根据从动件运动状况的不同,螺旋机构有单速式、差速式和增速式三种基本型式。
第二章常用机械传动装置机械传动装置的主要功用是将一根轴的旋转运动和动力传给另一根轴,并且可以改变转速的大小和转动的方向。
常用的机械传动装置有带传动、链传动、齿轮传动和蜗杆传动等。
一、带传动带传动的工作原理:带传动是用挠性传动带做中间体而靠摩擦力工作的一种传动。
带传动的速比计算公式为:i=n1/n2=D2/D1主要失效形式为打滑和疲劳断裂。
机械工程师知识点大全总结机械工程师是一种工程师,他们专注于设计、开发、测试和维护机械系统。
机械工程师的工作范围非常广泛,他们可以在航空航天、汽车、船舶、医疗设备、制造业和能源行业等各种领域工作。
在这篇文章中,我们将总结机械工程师需要掌握的知识点,希望对学习机械工程的读者有所帮助。
1. 工程数学工程数学是机械工程师非常重要的一门学科,它涉及到微积分、线性代数、概率论和统计学等内容。
机械工程师需要熟练掌握这些数学知识,以便在机械设计和分析中进行正确的计算和推导。
2. 材料力学材料力学是机械工程师必须学习的一门课程,它包括了材料的力学性能和力学行为,例如:拉伸、压缩和弯曲等。
机械工程师需要了解不同材料的特性,以便在设计机械系统时选择合适的材料。
3. 机械设计机械设计是机械工程师的核心知识点,它包括了机械元件的设计原理和方法、机械结构的设计及分析、机械传动系统的设计等内容。
机械工程师需要掌握各种机械设计工具和软件,以便进行设计工作。
4. 热力学热力学是物理学和工程学的交叉学科,它研究能量、热量和功的转化和传递。
机械工程师需要了解热力学的基本原理和概念,以便在设计和分析热力系统时进行合适的计算。
5. 流体力学流体力学是研究流体运动和力学行为的学科,它在机械工程中有着广泛的应用,涉及到空气、水和油等流体的力学性质和流动规律。
机械工程师需要了解流体力学的基本理论和应用,以便在设计和分析流体系统时进行合适的计算。
6. 控制工程控制工程是机械工程师需要掌握的另一门重要学科,它涉及到系统的控制和调节,包括反馈控制、PID控制、模糊控制和神经网络控制等内容。
机械工程师需要了解各种控制方法和技术,以便设计和分析控制系统。
7. CAD/CAM技术CAD (计算机辅助设计) 和CAM (计算机辅助制造) 技术是机械工程师需要掌握的重要工具,它们能够帮助工程师进行精确的设计和制造。
机械工程师需要熟练掌握各种CAD软件和CAM工具,以便进行产品设计和制造过程。
机械工程师基础知识机械工程师基础知识点机械工程师基础知识是每位机械工程师必须掌握的一系列技能和知识,这些知识点包括了数学、物理、材料力学、工程制图、机械设计、机电一体化、自动控制等方面,是机械工程师从事机械设计、制造、维护和管理等方面工作的基础。
首先,机械工程师需要掌握的基础知识是数学。
机械工程师所从事的工作需要运用一系列数学计算方法,比如计算物体的重量、强度、刚度、速度、加速度等等。
机械工程师需要掌握初等数学、微积分、线性代数、概率论等数学理论以及计算方法,还需要熟练应用数学软件如Matlab、Mathematica等工具进行运算和计算。
熟练掌握数学知识是机械工程师必不可少的技能之一。
其次,机械工程师需要了解和掌握的是物理学基础知识。
机械工程师的设计工作离不开为力学、热学、电学、光学等基础物理学理论的支撑。
了解物理学的知识可以使机械工程师更加精准的计算出机械结构的强度、热变形、传热、运动、光学等物理参数,以确保无优质的设备和方案被制造和应用。
同时,机械工程师还需要使用一些物理软件,如ANSYS、COMSOL等工具进行分析和验证。
另外,材料力学也是机械工程师不可或缺的基础知识之一。
机械结构的材料对其力学性能和可靠性有着至关重要的影响。
因此,机械工程师需要掌握材料科学的基础知识,如材料的力学特性、纹理、强度、刚度、伸缩性,应用范围、适用条件等等。
了解材料力学,还需要理解材料断裂机制和磨损,以便在机械设计过程中选择最适合的材料并进行材料刻画、处理和完成。
此外,机械工程师还需要在制图方面熟练掌握工程制图。
工程制图是将设计意图以图形的形式表现出来的重要技术手段,是机械工程师必须掌握的技能之一。
机械工程师需要熟练掌握制图的基本知识,如尺寸标注、符号标注、底视图、投影视图等,以方便与客户交流。
同时,在制图过程中,机械工程师还需要熟悉一些流行的计算机辅助设计工具如AutoCAD、UG等,确保设计图纸准确无误。
机械工程师必背知识点总结1. 材料力学1.1 应力在材料力学中,应力是指单位面积受到的力的大小。
常见的应力有拉应力、压应力、剪应力等。
材料在受到外力作用时,会产生应力,了解材料在不同应力下的性能是机械工程师必备的知识。
1.2 应变应变是材料在受到应力作用时产生的变形程度。
不同的应力会导致材料产生不同的应变,这对于设计和选择合适的材料至关重要。
1.3 杨氏模量杨氏模量是材料的一项重要参数,它描述了材料在受到拉伸或压缩时的弹性性能。
不同的材料具有不同的杨氏模量,工程师需要了解各种材料的杨氏模量,以确保设计的合理性。
1.4 弹性极限材料在受到应力作用时会发生弹性变形,当达到一定应力时,材料会产生塑性变形,这个应力值被称为弹性极限。
了解材料的弹性极限可以帮助工程师评估材料的使用范围和安全系数。
1.5 疲劳在实际工程中,材料会受到交变应力的作用,这会导致疲劳破坏。
了解材料的疲劳性能可以帮助工程师设计出更加耐用的机械结构。
2. 制图基础2.1 线条符号机械工程师需要掌握各种线条符号的含义,例如实线、虚线、粗实线、细实线等,这些线条符号在图纸上代表不同的物体和结构,工程师应当清楚其含义。
2.2 尺寸标注图纸上的尺寸标注是非常重要的,它决定了设计的准确性和可行性。
工程师需要灵活运用各种尺寸标注方法,结合实际情况进行合理标注。
2.3 图纸投影机械工程师需要掌握正投影和等轴投影的简单原理和应用,以确保绘制出的图纸符合实际的尺寸和形状。
2.4 公差在机械制图中,尺寸的精度和公差是非常重要的。
工程师需要了解各种公差的表示和计算方法,保证制图的准确性。
3. 机械设计原理3.1 受力分析在机械设计中,受力分析是至关重要的一环。
工程师需要了解不同零件在受到外力作用时的受力情况,以确保设计的可靠性和稳定性。
3.2 传动原理机械传动是指利用各种传动装置将动力从一个部件传递到另一个部件的过程。
工程师需要了解各种传动装置的原理和工作方式,以确定最合适的传动方式。
机械工程师基础知识1000点1. 介绍机械工程师是一种设计、开发和制造机械系统和设备的专业。
他们需要掌握广泛的基础知识,包括机械原理、材料科学、力学和控制系统等。
本文档将介绍机械工程师常见的基础知识,并提供详细的解释和示例。
2. 机械原理2.1 机械运动机械运动是机械系统中物体相对于其他物体的相对运动。
常见的机械运动包括直线运动、旋转运动和往复运动。
2.1.1 直线运动直线运动是物体沿直线路径移动的运动。
它可以通过使用电机、推力器或液压缸等能源装置来产生。
2.1.2 旋转运动旋转运动是物体绕某一中心轴线旋转的运动。
例如,一个发动机的曲轴通过活塞连接杆和活塞产生旋转运动。
2.1.3 往复运动往复运动是物体沿着一条直线来回运动的运动。
例如,一个活塞在汽缸内来回运动。
2.2 力学力学是研究物体运动和固体力学的分支学科。
它包括静力学和动力学两个方面。
2.2.1 静力学静力学是研究物体在静止状态下的力学行为的学科。
它包括力的平衡、力的分析和结构的设计等内容。
2.2.2 动力学动力学是研究物体在运动状态下的力学行为的学科。
它包括质点的运动学、力的作用和机械系统的运动学分析等内容。
2.3 控制系统控制系统是用于控制机械系统运动和行为的系统。
它包括传感器、执行器和控制器等组件。
3. 材料科学材料科学是研究材料的性质和应用的学科。
对于机械工程师来说,了解材料的特性和选择适当的材料非常重要。
3.1 材料分类材料可以根据组成和结构的不同进行分类。
常见的材料分类包括金属材料、聚合物材料和复合材料。
金属材料包括铁、铝、钢等。
它们通常具有一定的强度和导热性能,非常适合用于机械部件和结构。
3.1.2 聚合物材料聚合物材料包括塑料和橡胶等。
它们具有较低的密度和良好的耐腐蚀性能,常用于制造密封件、隔离件和绝缘件等。
复合材料由两种或更多种材料组成,具有更好的性能和特性。
常见的复合材料包括纤维增强复合材料和层状复合材料。
3.2 材料性能材料的性能包括物理性能、力学性能和热性能等。
机械工程师基础知识340点作为一名机械工程师,必须掌握340个基础知识。
在这篇文章中,我将讨论这些基础知识,以便您更好地了解机械工程师的职责和技能。
1.材料力学材料力学是机械工程师必须熟悉的基本原理之一。
它涉及材料的性质、应力、应变以及破坏机制。
了解材料的力学性能对于机械工程师来说非常重要,因为他们需要确保所设计的机械系统能够承受实际应用中的应力和压力。
2.机械元件机械元件是机械工程师设计机械系统时必须考虑的基本元素。
这些元件包括轴、齿轮、轴套、联轴器、减速器等。
了解这些元件的性能和特点,以及它们如何影响系统的性能,是机械工程师必须掌握的知识。
3.热力学热力学是另一个与机械工程师的工作密切相关的原理。
它涉及热传递、热量转化和系统热平衡等基本概念。
机械工程师需要了解材料的热膨胀系数、热导率以及热膨胀系数对机械系统的影响,以确保系统在高温环境下也能正常运行。
4.电磁学电磁学也是机械工程师必须掌握的基本原理之一。
它涉及电流、电压、磁通和电磁感应等基本概念。
机械工程师需要了解电磁感应对系统的影响,以及电磁场如何相互作用。
5.控制系统控制系统是机械工程师设计自动化系统时必须考虑的基本元素。
他们需要了解控制系统的原理和设计,以及如何选择和安装传感器、控制器和其他自动化元件。
6.传感器传感器是机械工程师必须了解的基本元件之一。
它们用于检测系统的各种物理量,例如温度、压力、流量和位置等。
机械工程师需要了解传感器的类型、原理和应用,以及如何选择和安装传感器,以实现正确的系统性能。
7.工业自动化工业自动化也是机械工程师设计自动化系统时必须考虑的基本原理。
他们需要了解工业自动化的目的、原理和应用,以及如何选择和安装传感器、控制器和其他自动化元件,以实现正确的系统性能。
8.机械传动种机械传动的原理、特点和应用,以确保所设计的机械系统能够以最佳方式运行。
9.机器人技术机器人技术也是机械工程师必须了解的基本原理之一。
他们需要了解机器人的结构、控制、传感器和执行器等基本元素,以确保机器人系统能够实现正确的操作任务。
机械工程师基础知识340 点一1:铆工常用的锤有哪几类答:有手锤,大锤,型锤;2:铆工常用的凿子有哪几类答:有扁凿和狭凿两大类;3:什么叫钢答:含碳量低于%的铁碳合金叫钢;4:什么叫高碳钢答:含碳量大于%的钢叫高碳钢;5:钢根据用途可分几类答:可分为结构钢,工具钢和特殊用途刚;6:钢按其端面形状可分几类答:可分为板材,管材,型材,线材;7:钢材变形矫正的基本方法有哪两种答:有冷作矫正和加热矫正;8:什麽叫装配夹具答:指在装配过程中用来对零件施加外力,使其获得可靠定位的工艺装备;9:冷作矫正的基本方法有几类答:有手工矫正和机械矫正;10:加热矫正分哪几类答:分全加热矫正和局部加热矫正;11:局部加热矫正加热区的形状有几种答:有点状,线状,三角形三种;12:角钢变形有哪几种答:有扭曲,弯曲,角变形三种;13:槽钢的变形有哪几种答:有扭曲,弯曲,翼板局部变形;14:什么叫冷作矫正答:再常温下进行的矫正叫冷作矫正;15:分离包括哪几道工序答:包括落料,冲孔,切口三个工序;16:什么叫冲压答:使板料经分离或成形得到制件的过程;17:冲压有哪些优点答:产品质量好,生产率高,节约材料,降低成本,易实现自动化; 18:什么叫弯曲成型答:将坯料弯成所需形状的加工方法;19:铆接的基本形式有那三种答:对接,搭接,角接;20:什么叫铆接答:利用铆钉将两个或两个以上构件连接为一个整体;21:常用的铆钉有几种答:有半圆头,沉头,半沉头,平头,平锥头,扁圆,扁平;22:铆接的种类有哪几种答:有强固铆接密固铆接紧密铆接;23:什麽叫装配答:将各个零件按照一定技术条件联合成构件的过称; 24:装配的三要素是什么答:定位,支撑,夹紧;25:金属结构的连接方法有哪几种答:有焊接,铆接,螺栓连接,铆焊混合连接;26:防样常用的工具有哪些答:粉线,石笔,画针,尺子,样冲,手锤;27:求相贯线的主要方法有哪些答:有素线法,辅助平面法,球面法;28:求直线段实长的方法有哪些答:旋转法,直角三角形法,换面法,支线法;29:作展开图的方法有哪些答:有作图法,计算法;30:常用的展开方法有哪些答:有平行线法,放射线法,三角形法;31:材料剪切断面可分为哪几部分答:塌角,光亮带,剪裂带,毛刺;32:矫正分哪几种答:分手工矫正,机械矫正,火焰矫正;33:什麽叫基准答:零件图上用来确定其他点,线,棉位置的点线面; 34:什么叫塑性答:金属材料在外力作用下,永久变形而不破坏的能力; 35;什麽叫韧性答:金属材料在冲击载荷作用下不被破坏的能力;36:防止焊接变形有哪些措施答:反变形法,刚性固定法,合理的焊接顺序;37:空间直线投影有哪些特性答:真实性,积聚性,收缩性;38:什麽叫截交线答:由平面截割形体而产生的交线;39:什麽叫相贯线答:由两个平面相交二产生的表面交线;40:视图分几种答:分基本视图,局部视图,斜视图,旋转视图;41:什麽叫基本视图答:机件向基本投影面投影所得的视图;42:基本视图有哪些答:主视,俯视,左视,右视,仰视,后视;43:剖视图分哪几种答:分全剖,半剖,局部剖;44:切削用量对钻削有何影响答:合理的选择切削用量,可防止钻头过早磨损,或损坏;防止机床过载,提高工件的切削精度和表面粗糙度;45:什么叫攻丝答:用丝锥在孔壁上切削出内螺纹;46:底孔直径的大小对功丝有何影响答:若底孔直径与内螺纹直径一致材料扩张时就会卡住丝锥,这时丝锥容易折断;若过大,就会使攻出的螺纹牙型高度不够而形成废品; 47:什么叫套丝答:用板牙在圆杆管子外径切削出螺纹;48:选择坡口应注意哪些原则答:1尽量减少焊缝金属填充量,2保证焊透和避免产生裂纹,3考虑最小焊接变形,4便于加工;49:开坡口时留钝边有何作用答:防止接头烧穿;50:开坡口的方法有哪些答:用风铲加工,机械加工,气割坡口,碳弧气刨坡口;51:什么叫碳弧气刨答:利用碳极电弧的高温把金属的局部熔化,同时再用压缩空气的气流把这些熔化金属吹掉,达到刨削或切削金属的目的,52:磨削有何用途答:可消除板面焊疤边缘的毛刺,修磨焊缝以及对受压容器的焊缝再探伤检查前进行打磨处理;53:什么叫弯曲成型答:把平板毛坯,型材或管材,弯成一定角度,曲率,从而形成一定形状的零件;54:答:什么叫弹复现象答:弯曲时材料发生弹性变形,当外力去除后,部分弹性变形恢复原态,使弯曲件的形状和角度发生变化;55:铆工常用的弯曲成型的方法有哪些答:有压弯,滚弯,压延及水火弯板;56;影响弯曲成型的因素有哪些答:弯曲力,弹复现象,最小弯曲半径,断面形状;57:如何确定弯曲力的大小答:根据被弯材料的机械性能,弯曲方式和性质,弯曲件的形状;58:影响弯曲弹复的因素有哪些答:被弯材料的机械性能,材料的相对弯曲半径,弯曲角和一些其他因素;59:影响最小弯曲半径的因素有哪些答:被弯材料的机械性能,弯曲角,材料的弯曲方向,材料的表面质量和剪断面质量,其他因素;60:影响弯曲过程中截面形状变化的因素有哪些答:主要有相对弯曲半径,截面几何特点及弯曲方式;61钢材加热对钢材弯曲加工的影响如何答:钢材加热后所需弯曲力减少,弹复现象消失,最小弯曲半径减小,有利于按加工要求控制变形;62:通常在何种情况下采用加热弯曲答:再常温下采用;63:钢材加热温度为何要限制在一定温度答:温度过高易造成钢材过烧,温度过低会使成型困难,并引起冷作硬化;64:采用接触弯曲时,常采用哪些措施解决弹复问题答:修正模具形状,采用加压校正法,增加压边装置,减小模具间隙; 65:什么叫压弯答:在压力机上使用弯曲模进行弯曲成型的加工法;66:材料的弯曲变形有几种形式答:有自由弯曲,接触弯曲,矫正弯曲;67:为什么铆工使用的压模通常采用焊接结构答:因为这样不仅制造方便,可缩短制模周期,还可提高材料利用率,降低成本;68:什么叫滚弯答:在滚床上进行弯曲成型的加工方法;69:用对称式三辊卷板机时常采用哪些措施消除工件直边答:两头予弯和留加工余量;70:压延可分为哪两种铆工常用那种答:分不变薄压延和变薄压延;铆工常用不变薄压延;71:滚制锥面时应采用哪些措施答:调节上辊位置,使其与下辊成一定角度倾斜;使小口的进给速度大于大口;72:较大工件如何滚制答:为避免其自重引起附加变形,应将板料分为三个区域,先滚压两侧,再滚压中间,必要时由车配合;73:非圆柱面工件任何滚制答:应依其不同的曲率半径在板料上划分区域,调节轴辊间距进行滚压;74:工件滚压前有哪些准备工作答:应将轴辊和板料平面清理干净,清除毛刺以免碰伤工件及轴辊; 75:什么叫压延答:将一定形状的平板毛坯在凸模的压力作用下,通过凹模形成一个开口空心零件的压制过程;76:什么叫水火弯板答:通过氧乙炔焰将钢板局部加热收缩而成型;77:水火弯板有哪些用途答:水火弯板只适用于曲率较小的零件成型,更多的是与滚压相结合用来加工具有双重弯曲的复杂形状的零件;78:水火弯板的方法有哪些答:有带形加热和点状加热;79:水火弯板的工艺有哪些答:有烤嘴的选择,加热温度和加热速度,冷却方式;80:水火弯板的冷却方式有几种答:有空冷和水冷两种,水冷又有正背面水冷之分;82:什么叫空冷答:火焰局部加热后,工件在空气中自然冷却;83:什么叫水冷答:用水强迫冷却已加热部分的金属,使其迅速冷却,减少热量向背面传递,扩大了正反面的温度差,而提高成型效果;84:爆炸成型有哪些特点答:可使模具结构简化;可加工形状复杂,刚性模难以加工的空心零件;回弹小,精度高,质量好;加工成型速度快;不需要冲压设备; 85:什么叫角接答:两板件相互垂直成一点角度连接时,在连接处用角钢作为连接件,把工件铆接在一起;86:铆钉排列的主要参数有哪些答:有铆钉距,排距,边距;87:什么叫铆钉距答:一排铆钉中相邻两铆钉,中心间的距离;88:什么叫排距答:指相邻两排铆钉孔中心的距离;89:什么叫边距答:指外排铆钉中心至工件板边的距离;90:构件板厚与铆钉直径有哪些关系答:单排与双排搭接连接时,铆钉直径取两倍与厚度;单排与双排双盖板连接时,铆钉直径取~的板厚;91:确定板厚的原则有哪些答:搭接时,按较厚板料厚度确定;厚度相差较大的材料铆接时,以较薄的板料确定;钢板与型材铆接时,取两者的平均厚度;被连接总厚度不应超过铆钉直径的5倍;92:铆钉长度与铆接质量有何关系答:铆钉过长,铆钉墩头就过大,钉杆易弯曲;铆钉过短,则墩粗量不足,钉头成型不完整,影响铆接强度和紧密性;93:铆钉孔径在冷铆时如何确定答:冷铆时,钉杆不易墩粗,为保证连接强度,钉孔直径应与钉杆直径接近;94:热铆时,铆钉孔径任何确定答:热铆时,由于受热膨胀变粗,为便于穿孔,钉孔直径应比钉杆直径略大;95:铆钉由哪几部分组成答:由手把,枪体,开关及管接头;96:铆钉枪有什么特点答:具体积小,操作方便,可以进行各种位置的铆接;97:铆接可分为哪两种方式答:可分为冷铆和热铆;98:什么叫冷铆答:就是在常温下的铆接;99:铆接的终铆温度是多少答:在450~600摄氏度之间;100:终铆温度对铆接有何影响答:过高,会降低钉杆的初应力;过低,铆钉会发生蓝脆现象二1 机械常识500问一:什么称其为该投影面的平行线该直线的投影具有什么性答:当直线平行于投影面时,称其为该投影面的平行线;该直线的投影具有真实性;2:任何金属板料都有厚度,而板厚对作什么图的形状和大小是有影响的答:对作展开图的形状和大小是有影响的;3:圆球,圆环和螺旋面的构件,其表面均是怎样展曲面答:其表面均是不可展曲面;4:对于棱柱体和圆柱体的展开,一般应用什么展开法答:一般应用平行线展开法;5:圆锥管与圆柱管正交相贯,其相贯线常采用什么法求得答:常采用辅助平面法求得;6:求曲线的实长多用哪种法答:多用展开法;7:摩擦压力机超负荷时,只会引起什么与什么之间的滑动,而不会损坏机件答:只会引起飞轮,摩擦盘之间的滑动,而不会损坏机件;8:开式曲柄压力机滑块的行程,可通过改变什么与什么来调节答:可通过改变连杆上部的偏心套;主轴的中心距来调节;9:在拉深,挤压工序中,由于模具间隙的原因,所以对材料的什么要求较严答:对材料的厚度公差要求较严;10:冲裁时板料的分离过程大致可分为哪三个阶段答:1:弹性变形,2:塑性变形,3:开裂分离;11:拉深系数越怎样,材料拉深变形程度越大答:拉深系数越小,材料拉深变形程度越大;12:什么叫冷冲压答:在常温下进行的冲压加工称为冷冲压;13:什么是复合工序答:将两个或两个以上的基本工序合并在一起,在压力机的一次行程中完成,称为复合工序;14:什么叫简单冲裁模答:在压力机的一次行程中,只能完成一个冲裁工序的冲模;15:什么叫复合冲裁模答:在压力机的一次行程下,可以同时完成多道工序的冲裁模;16:怎样解释冲裁力修正系数Kp答:在计算冲裁力时,考虑模具刃口的磨损,模具间隙,材料的机械性能等因素,而选取的安全系数,一般情况下,取Kp等于13.17:什么是斜刃口冲裁答:斜刃口冲裁是降低冲裁力的一种方法;就是将模刃口制成相对坯料成一定角度的倾斜,这样冲裁时模具刃口与坯料的接触是渐进的,使得载荷均匀且平稳;18:什么是阶梯式凸模冲裁答:阶梯式凸模冲裁是降低冲裁力的一种方法;在多孔同时冲裁时,将冲头制成相对坯料高低不一的阶梯形式,冲裁时可有效的分散冲裁力;19:开式曲柄压力机和闭式曲轴压力机有何不同答:在结构上,开式曲柄压力机的床身呈C形结构,由连杆将偏片心轴的回转运动转变为滑块的上下往复运动;闭式压力机的床身成框架形结构,由曲柄代替了偏心轴;2:开式曲柄压力机和闭式曲轴压力机各有什么特点答:开式曲柄压力机的C形床身三面敞开,特别适用于大张板料边缘的冲压加工;但这种形式的床身结构本身刚性较差,因而所能承受的载荷较小;闭式曲轴压力机的框架结构受立柱的限制,工作台面积有限,操做空间小,因而对冲压件的周边尺寸有一定的限制;框架形结构床身刚性好,所承受的载荷大而均匀;21:影响材料冲压的因素有哪些答:有 1 弹性 2 塑性 3 硬度 4 材料的表面状态质量 5材料的厚度公差;22:模具间隙对冲裁质量有何影响答:凸,凹模之间的间隙过小时,凸模刃口附近材料的裂纹向外错开一段距离,这样,上,下两纹中间的部分材料随着冲裁的进行被第二次剪切影响了断面质量;间隙过大时,凸模刃口附近材料的裂纹向里错开一段距离,材料受到很大拉伸,材料边缘的毛刺,塌角及斜度较大,也会影响冲裁件的断面质量;另外,间隙过小或过大,都对冲裁件的尺寸偏差有一定的影响;23:影响材料最小弯曲半径的因素有哪些答:1:材料的机械性能和热处理状态,2:工件的弯曲角,3:材料的几何形状和尺寸,4:弯曲方向,5:其它方面,如材料的厚度,表面与侧面的质量等;24:弯曲时材料的中性层是怎样定义的答:材料在弯曲过程中,外层受拉伸,内层受挤压,在其断面上必然会有一个既不受拉,又不受压的过渡层,应力几乎等于零,这个过渡层称为材料的中性层;25:多根梁柱组成的构件矫正时,要充分考虑什么之间的连带关系答:要充分考虑梁柱之间的连带关系;26:在矫正钢结构中薄板的变形时,必须保证什么符合要求答:必须保证各类框架符合要求,然后才能考虑对薄板进行矫正; 27:点状加热的加热点与板材的什么有关加热点之间的距离要怎样答:点状加热的加热点与板材的厚度有关;加热点之间的距离要均匀一致;28:什么称为纵向收缩答:焊缝和焊缝附近金属收缩的一种形式,沿焊缝长度方向的收缩,称为纵向收缩;29:什么称为横向收缩答:焊缝和焊缝附近金属收缩的一种形式,指垂直于焊缝长度方向的收缩,称横向收缩;30:钢结构件中的内应力是如何产生的答:焊接过程对于铆焊结构来讲,是一种不均匀的加热和冷却过程,是使铆焊结构件中产生内应力的主要原因;另外,钢结构件中的各个零件,在其坯料状态或加工成零件后,都有可能存在着残余的应力,在装焊成整体后,这些残余应力有可能集合成构件新的内应力;31:为什么对一些钢结构件焊后要进行消应力处理答:有些钢结构件焊后,由于其钢性较好而无明显的焊接变形,但焊接应力是相当大的,在钢结构使用的一段时间后,可能由于某种原因释放出来而引起变形,以致于破坏;因此,对某些重要用途的钢结构,如高压容器,危险介质的容器,锅炉等,焊后采用各种方法进行消应力处理,目的就是防止钢结构件中的内应力对构件产生危害;32:影响钢结构件焊接变形的因素有哪些答:影响钢结构件焊接变形的因素有设计和工艺两个方面;设计方面指结构设计的合理性,焊缝的位置,焊接坡口的形式等;工艺方面指合理的焊接工艺规程,装焊顺序,各种防变形和反变形方法的采用,以及采取的消应力措施等;33:怎样理解钢结构件的内在联系答:所谓钢结构件,都是将多种零件通过焊接,铆接或和螺栓连接等多种方式连接成一体的,这些零件互相连系,又互相制约,形成一个有机的整体;34:对钢结构件变形进行矫正的要领是什么答:1:分析构件变形的原因,弄清变形是受外力引起的变形,还是由内应力引起的变形,2:分析构件的内在联系,搞清各个零部件相互间的制约关系,3:选择正确的矫正部位,先解决主要矛盾,再解决次要矛盾,4:要了解和掌握构件所用钢材的性质,以便防矫正时造成工件折断,产生裂纹或回弹等;5:按照实际情况来确定矫正的方法,及多种方法并用时的先后顺序;35:对钢结构件中薄板变形的矫正方法只能用哪种答:针对钢结构中薄板变形,只能采用局部加热且是点状加热的方法进行矫正;36:点状加热矫正薄板变形时,应注意哪些方面答:应注意:1:加热的温度要适当,既要能够足以引起钢材的塑性变形,温度又不能太高,一般为650-800 ;2:加热点的大小和点与点间的距离要合适;一般情况下,视板材的厚度而定,排列要均匀,多呈梅花状布局;3:浇水急冷和木锤锤击的目的是为了钢板的纤维组收缩加快;4:加热时气焊炬不要来回晃动,束状小焰要垂直钢板,加热点不要过多,以免增加不应有的内应力;37:框架类构件的变形有何特点答:框架类构件的零件较多,在结构里互相制约关系较强,变形的互相影响很大;38:煨圆机滚弯坯料时,一般是加热后进行的,对不对答:不对;39:加热弯曲时,应该将材料加热到多少度同时加热要怎样操作要怎样终了温度不低于多少度答:应将材料加热到950-1100 ;同时加热要均匀,终了温度不低于700 ;40:滚弯圆筒时可能出现的缺陷有哪几种答:滚弯圆筒时可能出现的缺陷有歪扭,曲率不等,曲率过大,中间鼓形等;三1:钻头的柄部有何作用答:夹持和传递钻孔时所需的扭矩和轴向力;2:锥柄钻头中的扁尾有何作用答:用来增加传递的扭矩,避免钻头在主轴孔或钻套中打出;3:钻头中的导向部分起何作用答:它在切削过程中能保持钻头正直的钻削方向;同时具有修光孔壁的作用并且还是切削部分的后备部分;4:在孔即将钻穿时会出现哪些不良现象答:当钻头刚钻穿工件时轴向阻力突然减小,由于钻床进给机械的间隙和弹性变形的突然恢复,将使钻头以很大进给量自动切入,以致造成钻头折断或钻孔质量降低;5:钻孔时切削液有何作用答:减少摩擦、降低钻头阻力和切削温度,提高钻头的切削能力和孔壁的表面质量;6:什么叫切削用量答:就是切削速度进给量和切削深度的总称;7:什么叫磨削答:就是用砂轮对工件表面进行加工的方法;8:什么叫展开答:将金属结构的表面或局部按它的实际形状大小依次摊开在一个平面上的过程叫展开;9:划展开图的方法有几种答:有平行线法、三角形法、放射线法;10:平行线法的展开条件是什么答:是构件表面的素线相互平行,且在投影面上反映实长.11:板厚处理包括哪些内容答:确定弯曲件的中性层和消除板厚干涉;2:板厚中性层位置的改变与哪些因素有关答:与板材弯曲半径和板料厚度有关;3:相贯件板厚处理的一般原则是什么答:展开长度以构件中性层尺寸为准,展开图中曲线高度以构件接触处的高度为准;14:放样的主要内容是什么答:板厚处理、展开作图和根据已做出的构件展开图制作号料样板; 15铆工常用的剪切设备有哪些答:有龙门剪板机、斜口剪板机、圆盘剪板机、冲型剪板机联合冲剪机;16:卷板机按轴辊数目及布置形式可分为哪几种答:分为对称式三辊、不对称式三辊、四辊三种;17:冲裁模按结构可分为哪些答:分为简单模、带导柱模、复合模;18:复合冲裁模的结构特点是什么具有一个既起落料凸模作用,又起冲孔凹模作用的凸凹模;19:什么叫冲裁力答:指在冲裁时材料对模具的最大抵抗力;20:冲裁时板料分离的变形过程可分为哪些阶段答:分为弹性变形阶段、塑性变形阶段和剪裂阶段;21:什么叫最小弯曲半径答:在材料不发生破坏的情况下所能弯曲半径的最小值;22:减少压弯件回弹的常用方法有哪些答:有修正模具法和加压矫正法;23:拉伸时采用压边圈的目的是什么答:主要是为了防止拉伸件的边缘起皱;24:曲柄压力机的曲柄连杆机构有何作用答:它不但能使旋转运动变成往复直线运动,同时还能起力的放大作用;25:板金工手工成型包括哪些内容答:包括弯曲、拱曲、拔缘、卷边、咬缝和矫正;26:展形样板有哪些作用答:可用于号料,制造分离模具和制造铣切样板;27:什么叫放边形成方法有哪些答:在成型过程中使变形部位的边缘材料伸展变薄的操作叫放边;形成方法有打薄和拉薄;28:什么叫拔缘答:利用扳边和收边的方法,将板料的边缘加工成曲线弯曲工件; 29:什么叫卷边答:为增加工件边缘的刚性和强度将工件的边缘卷曲叫卷边;30:什么叫咬缝答:两块板料的边缘或一块板料的两边折转咬合并彼此压紧,称为咬缝;31:什么叫板厚处理答:为消除板厚对展开图的形状和大小的影响,而采取的方法;32:计算弯曲件展开长度的一般步骤有哪些答:将弯曲件分成直段和圆弧段;分别计算各段的长度;将计算的长度相加;33:在什么情况下应用型钢的切口下料答:角钢、槽钢、工字钢弯成折角;34:整个冲裁过程分哪几个阶段答:分三个阶段;弹性变形阶段;塑性变形阶段;剪裂阶段;35:什么是冲裁答:利用冲模板将板料的一部分与另一部分沿一定的封闭线条相互分离的冲压工序;36:螺栓联接有几种答:有两种:承受轴向拉伸栽荷作用的联接;承受横向作用的联接; 37:螺栓联接的防松措施有哪些答:增大摩擦力;机械防松;38:机械防松有哪些方法答:开口销;止退垫圈;止动垫圈;串联钢丝;39:什么叫焊接电弧答:在两电极间的气体介质中产生强烈而持久的放电现象;40:焊接电弧由哪几部分组成答:由阴极区;阳极区和弧柱组成;41:焊条有哪三个方向的运动答:向熔池方向移动;沿焊接方向移动;作横向摆动;42:焊缝按空间位置可分为几种答:分为平焊、立焊、横焊、仰焊;43:相贯线有何特性答:既是两形体表面的公有线也是分界线;在空间总是封闭的; 44:什么叫相贯线答:由两个或两个以上的几何体相交组成的构件;45:影响冲裁质量的因素是什么答:模具间隙;凸凹模中心线不重合;模具的工作刃口磨损变钝; 46:模具设计的一般原则是什么答:在保证冲压质量的前题下力争所设计的模具,易于制造、工艺简便成本低、使用方便;47:计算压延力的目的。
机械工程师基础知识点公司标准化编码 [QQX96QT-XQQB89Q8-NQQJ6Q8-MQM9N]机械工程师基础知识340 点(一)1:铆工常用的锤有哪几类答:有手锤,大锤,型锤。
2:铆工常用的凿子有哪几类答:有扁凿和狭凿两大类。
3:什么叫钢答:含碳量低于%的铁碳合金叫钢。
4:什么叫高碳钢答:含碳量大于%的钢叫高碳钢。
5:钢根据用途可分几类答:可分为结构钢,工具钢和特殊用途刚。
6:钢按其端面形状可分几类答:可分为板材,管材,型材,线材。
7:钢材变形矫正的基本方法有哪两种答:有冷作矫正和加热矫正。
8:什麽叫装配夹具答:指在装配过程中用来对零件施加外力,使其获得可靠定位的工艺装备。
9:冷作矫正的基本方法有几类答:有手工矫正和机械矫正。
10:加热矫正分哪几类答:分全加热矫正和局部加热矫正。
11:局部加热矫正加热区的形状有几种答:有点状,线状,三角形三种。
12:角钢变形有哪几种答:有扭曲,弯曲,角变形三种。
13:槽钢的变形有哪几种答:有扭曲,弯曲,翼板局部变形。
14:什么叫冷作矫正答:再常温下进行的矫正叫冷作矫正。
15:分离包括哪几道工序答:包括落料,冲孔,切口三个工序。
16:什么叫冲压答:使板料经分离或成形得到制件的过程。
17:冲压有哪些优点答:产品质量好,生产率高,节约材料,降低成本,易实现自动化。
18:什么叫弯曲成型答:将坯料弯成所需形状的加工方法。
19:铆接的基本形式有那三种答:对接,搭接,角接。
20:什么叫铆接答:利用铆钉将两个或两个以上构件连接为一个整体。
21:常用的铆钉有几种答:有半圆头,沉头,半沉头,平头,平锥头,扁圆,扁平。
22:铆接的种类有哪几种答:有强固铆接密固铆接紧密铆接。
23:什麽叫装配答:将各个零件按照一定技术条件联合成构件的过称。
24:装配的三要素是什么答:定位,支撑,夹紧。
25:金属结构的连接方法有哪几种答:有焊接,铆接,螺栓连接,铆焊混合连接。
26:防样常用的工具有哪些答:粉线,石笔,画针,尺子,样冲,手锤。
机械常识500 问1 :金属结构的主要形式有哪些?答:有框架结构、容器结构、箱体结构、一般构件结构。
2:铆工操作按工序性质可分为几部分?答:分为备料、放样、加工成型、装配连接。
3:金属结构的连接方法有哪几种?答:有铆接、焊接、铆焊混合联接、螺栓联接。
4:在机械制造业中铆工属于(热加工类)。
5:什么叫热加工?答:金属材料全部或局部加热加工成型。
6:珩架结构是以什么为主体制造的结构?答:是以型材为主体。
7:容器结构是以什么为主体制造的结构?答:是以板材为主体。
8:箱体结构和一般结构是以(板材)和(型材)混合制造的结构。
9:备料是指(原材料)和(零件坯料)的准备。
10:钢板和型材在(运输、吊放、储存)的过程中可造成变形。
11:钢材的变形会影响零件的(吊运、下料、气割)等工序的正常进行。
12:零件在加工过程中产生的变形如不进行矫正,则会影响结构的(正确装配)崐11 3:焊接产生的变形会降低装配的(精度),使钢结构内部产生附加应力,影响(构件的强度)。
14:扁钢的变形有(弯曲、扭曲、弯扭复合变形)。
15:多辊矫正机根据轴辊的排列形式和调节辊的位置可分为哪几种?答:可分为上下辊列平行矫正机、上下辊倾斜矫正机。
16:火焰校正的加热方式有哪些?答:有点状、线状、三角形加热。
17:火焰矫正的效果由什么因素决定?答:由加热的位置和加热温度决定。
18:矫正的方法有哪些?答:机械校正、手工矫正、火焰矫正、高频热度铰正。
19:什么是制作金属结构的第一道工序?答:放样和号料是制作金属结构的第一道工序。
2 0:放样与号料对产品的影响有哪些?答:它将直接影响产品质量对生产周期及成本都有直接影响。
21:放样常用的量具有什么?答:有木折尺、直尺、钢卷尺、钢板尺等。
22:放样常用的工具有什么?答:有划规、地规、样冲、划针、小手锤。
2 3:实尺放样的程序是什么?答:程序是线型放样、结构放样、展开放样。
2 4:展开放样的内容有什么?答:有板厚处理、展开作图、制作号料样板。
2 5:样板按其用途分类有哪几种?答:有号料样板、验型样板、定位样板。
26:制作样板一般采用什么材料?答:采用厚0.5--2 毫米的薄铁皮。
2 7:样板、样杆的画法主要有哪几种?答:有直线画样法、过渡画样法。
28:怎样做到合理用料?答:要集中套排、余料利用。
29:曲线分哪几种?答:分为平面曲线和空间曲线。
30:求直线段实长方法有哪些?答:有旋转法、直角三角形法、支线法、换面法。
31:展开放样的步骤是什么?答:是通过几何作图先画出相贯线、实长线、断面实形然后作出展开图。
32:求平面立体截交线的基本方法是什么?答:棱线法和棱面法33:求曲面立体截交线的基本方法是什么?答:是经线法和纬线法。
3 4:求相贯线的主要方法是什么?答:是辅助平面法、素线法、球面法。
3 5:相贯线有何特点?答: (1)相贯线是相交两形体的共有线和分界线(2)由于形体具有一定范围所以相贯线总是封闭的。
3 6:什么叫截交线?答:截平面与立体表面的交线。
3 7:什么叫素线?答:母线在构件表面上的任何一个位置叫素线。
3 8:常用的展开方法有什么?答:有平行线法、放射线法、三角形法。
3 9:球面的分割方式通常有什么?答:有分带法、分块法、分瓣法。
4 0:板厚处理的主要内容是什么?答:确定弯曲件的中性层和消除板厚干涉。
4 1:角钢弯曲件的料长按什么计算?答:按重心层计算。
4 2:剪切直线的剪床有哪几种?答:有龙门斜口剪床、横木斜口剪床、联合冲剪机床。
43:剪切曲线的机床有哪几种?答:有圆盘剪床、振动剪床。
44:振动剪床的特点是什么?答:振动剪床能剪切各种曲线和内孔。
46:联合剪冲机床由什么组成?答:由斜口剪、型钢剪、小冲头组成。
47:试分析剪切机的传动顺序。
答:其顺序为由原动件--传动件--工件4 8:龙门剪床的前后档板有何作用?答:主要起定位作用。
4 9:在龙门或斜口剪床上,定位剪切有哪几种形式?答:有剪板定位剪切、后挡板定位剪切、挡板定位剪切5 0:斜口剪作用于材料上的剪切力可分解为什么?答:可分为剪切力、水平拉力、离口力。
5 1:剪切机械不适于剪切什么材料?答:不适于剪合金材料和淬过火的材料。
5 2:切割氧气压力如何选择?答:要根据工件厚度、割炬嘴孔径、氧气纯度来选择。
5 3: —般碳钢在氧气中的燃点是多少?答:约为1100--1150 °c54:能满足气割条件的金属材料有哪些?答:有纯铁、低碳钢、中碳钢、普通低合金钢。
55:气割的过程是什么?答:是金属的预热、金属的燃烧、氧化物被吹走56:圆板牙的作用是什么?有什么组成?答:是用来加工外螺纹的刀具,由切削部分、定位部分、排屑孔5 7:开坡口的形式与什么有关?答:与材料的种类、厚度、焊接方法、产品的机械性能58:什么叫磨砂?答:用砂轮对工件表面进行加工称为磨砂5 9 :磨削工具主要有哪几种?答:有风动砂轮机和电动砂轮机60:弯曲加工成型过程中,钢材会发生什么变形?答:会发生弹性变形和塑性变形。
61:铆工常用的弯曲成形方法有哪些?答:有冷弯、热弯、手工弯曲、机械弯曲62:压弯成型时材料弯曲变形有哪几种形式?答;有自由弯曲、接触弯曲、校正弯曲6 3:在弯曲过程中材料横截面形状的变化与什么有关?答:与相对弯曲半径、横截面几何特点、弯曲方式有关6 4:防止弯曲过程中坯料偏移的方法是什么?答:有托料装置和定位孔。
6 5:滚弯机床包括哪几种?答:包括滚板机和型钢滚弯机。
6 6:手工弯管的主要工序有哪些?答:有划线、灌沙、加热弯曲。
6 7:金属结构的联接方法有哪些?答:有铆钉联接、螺纹联接焊接三种。
68:选择联接方法要考虑哪些?答:要考虑构件的强度、工作环境、材料、施工条件等因素。
6 9:铆接的接头形式有哪些?答:有对接、角接搭接。
7 0:实心铆钉头的形式有哪些? 答:有半圆头、沉头、半沉头。
71:交流弧焊机主要有哪几种?答:有BX1--330 型和BX--500 型72:热铆的基本操作过程是什么?答:被铆件紧固、修孔、铆钉加热、接钉与穿钉、顶钉、铆接。
73:铆接的种类有哪几种?答:有强固铆接、密固铆接、紧密铆接。
74:修孔用的工具有哪些?答:有铰刀。
7 5 :螺纹联接常用的防松措施有哪些?答:有增大摩擦力、机械防松。
76:焊接电弧由哪些组成?答:由阳极区、阴极区和弧柱组成7 7:电焊机主要有哪几种?答:有直流焊机和交流焊机。
7 8:什么叫局部变形?包括哪些?答:指构件的某一部分发生的变形,包括角变形、波浪变形、局部凸凹不平7 9:焊接按空间位置分哪几种?答:分平焊、立焊、横焊、仰焊。
9 0:焊接过程中,焊条有哪三个方向的运动?答:有向熔池方向运动、沿焊接方向移动、横向摆动。
9 1:装配的三个要素是什么?答:是定位、支撑和夹紧。
9 2:手动夹具有哪些?答:有螺旋夹具、楔条夹具、杠杆夹具、偏心夹具。
9 3:非手动夹具有哪些?答:有气动夹具、液压夹具、磁力夹具。
9 4:螺旋夹具有什么功能?答:具有夹、压、顶、撑等功能。
9 5:装配中常用的测量项目有哪些?答:有线性尺寸、平行度、垂直度、同轴度、角度。
9 6:工件在装配中的支承形式是什么?答:有装配平台支承、装配胎架支承。
97:装配胎架按其功能可分为哪几种?答:可分为通用胎架和专用胎架。
98:装配中常用的定位方法有哪些?答:有划线定位、样板定位、定位元件定位。
99:求平面截交线的基本方法有哪些?答:有棱面法和棱线法。
100:热铆一般由四个人组成他们的分工是什么?答:一个人加热、传递,一个人接钉穿钉,一个人顶钉,一个人铆接。
101:锥柄钻头中的扁尾有何作用?答:用来增加传递的扭矩,避免钻头在主轴孔或钻套中打出。
102 :钻头中的导向部分起何作用?答:它在切削过程中能保持钻头正直的钻削方向。
同时具有修光孔壁的作用并且还是切削部分的后备部分。
103:在孔即将钻穿时会出现哪些不良现象?答:当钻头刚钻穿工件时轴向阻力突然减小,由于钻床进给机械的间隙和弹性变形的突然恢复,将使钻头以很大进给量自动切入,以致造成钻头折断或钻孔质量降低。
104 :钻孔时切削液有何作用?答:减少摩擦、降低钻头阻力和切削温度,提高钻头的切削能力和孔壁的表面质量。
105 :什么叫切削用量?答:就是切削速度进给量和切削深度的总称。
106 :什么叫磨削?答:就是用砂轮对工件表面进行加工的方法。
107 :什么叫展开?答:将金属结构的表面或局部按它的实际形状大小依次摊开在一个平面上的过程叫展开。
108:划展开图的方法有几种?答:有平行线法、三角形法、放射线法。
109:平行线法的展开条件是什么?答:是构件表面的素线相互平行,且在投影面上反映实长.10 1:板厚处理包括哪些内容?答:确定弯曲件的中性层和消除板厚干涉。
10 2 :板厚中性层位置的改变与哪些因素有关?答:与板材弯曲半径和板料厚度有关。
10 3:相贯件板厚处理的一般原则是什么?答:展开长度以构件中性层尺寸为准,展开图中曲线高度以构件接触处的高度为准。
10 4:放样的主要内容是什么?答:板厚处理、展开作图和根据已做出的构件展开图制作号料样板。
105铆工常用的剪切设备有哪些?答:有龙门剪板机、斜口剪板机、圆盘剪板机、冲型剪板机联合冲剪机。
10 6 :卷板机按轴辊数目及布置形式可分为哪几种?答:分为对称式二辊、不对称式二辊、四辊二种10 7 :冲裁模按结构可分为哪些?答:分为简单模、带导柱模、复合模。
10 8:复合冲裁模的结构特点是什么?具有一个既起落料凸模作用,又起冲孔凹模作用的凸凹模。
10 9 :什么叫冲裁力?答:指在冲裁时材料对模具的最大抵抗力。
110:冲裁时板料分离的变形过程可分为哪些阶段?答:分为弹性变形阶段、塑性变形阶段和剪裂阶段。
111:什么叫最小弯曲半径?答:在材料不发生破坏的情况下所能弯曲半径的最小值。
112 :减少压弯件回弹的常用方法有哪些?答:有修正模具法和加压矫正法。
113:拉伸时采用压边圈的目的是什么?答:主要是为了防止拉伸件的边缘起皱。
114:曲柄压力机的曲柄连杆机构有何作用?答:它不但能使旋转运动变成往复直线运动,同时还能起力的放大作用。
115:板金工手工成型包括哪些内容?答:包括弯曲、拱曲、拔缘、卷边、咬缝和矫正。
116:展形样板有哪些作用?答:可用于号料,制造分离模具和制造铳切样板。
117:什么叫放边?形成方法有哪些?答:在成型过程中使变形部位的边缘材料伸展变薄的操作叫放边。
形成方法有打薄和拉薄。
118:什么叫拔缘?答:利用扳边和收边的方法,将板料的边缘加工成曲线弯曲工件。
119:什么叫卷边?答:为增加工件边缘的刚性和强度将工件的边缘卷曲叫卷边。
120 :什么叫咬缝?答:两块板料的边缘或一块板料的两边折转咬合并彼此压紧,称为咬缝。