BECKMAN贝克曼生化分析仪cx系列操作手册sop.doc
- 格式:doc
- 大小:826.00 KB
- 文档页数:36
贝克曼生化仪操作规程1、编工作表:主屏幕---Fisample Program---F1 Program Sector----输入架子号---回车---选择实验项目---F7NEXT CUP继续输入---输入完毕---按PRE Screen键返回2、样本类型的选择主屏幕---Fisample Program---F5sample Type---输入样本类型号---回车3、清除样本主屏幕---Fisample Program---间光标移到Cup(s)处,输入要清除的杯号(当前杯架)---按Clear键清除---输入“y”---间主屏幕4、批量输入主屏幕---Fisample Program---F2 Program Batch---输入杯架子号(连续的用“—”连接,不连续的用逗号隔开)---回车---输入总的样本数(小于10倍杯架数)---回车---选择实验项目---F7NEXT CUP---回主屏幕5、清除整个杯架主屏幕---Fisample Program---F5clear Sector---输入杯架号(连续的用“—”连接,不连续的用逗号隔开)---回车---输入“y”---回主屏幕6、查看各个杯架项目主屏幕---Fisample rogram---F3clear Sector---输入架号---回车Page Down/up翻看---回主屏幕7、打印设置主屏幕---F4special Functions---输入“4”---回车---输入“5”---回车---F3Print option---输入“1可打”或“2不可打”---回车---回主屏幕8、单位选择主屏幕---F4special Functions---输入“4”---回车---输入“7”---回车---将光标移到目标项目处用Select重复选择直到正确的单位---回主屏幕9、结果查看主屏幕---F4special Functions---输入“2”---回车---输入查询条件---回车---输入号码---回车---选择输出形式---回车10、参数设置A进入参数界面主屏幕--- F4special Functions---输入“5”---回车---Fidefine/Review---输入项目号---回车---输入具体参数(两页)---回主屏幕B 新项目的登陆主屏幕--- F4special Functions---输入“4”---回车---选择一个位置输入新项目名称C 具体参数Test Name:最多输入4位Reaction Type: Endpiont1、Rate1、Endpiont2、Rate2 (1代表没减试剂空白,2代表减掉了试剂空白)Units:单位(Select重复按选择)Decimal Precision:小数位(Select重复按选择)Reaction Direction:反应方向(Select重复按选择)Calculation Fator:计算因数Math Model:拟合方式(Linear 线性拟合,Math Model1 四参数Log-logit,Math Model2 五参数Logit, Math Model3五参数指数拟合)Numrer of calibrators:标准液个数(0—6,输0时必须输入因数,并输入相应的浓度)包括空白Calibrators Values:Calibration Time Limit:校准时限(0.0—336.0,一般输入336.0)Wavelength (primary and secondary):主副波长Primary Inject Reagent1:第一试剂(A或B)V olume:加入体积(125—327)Primary inject reagent2:第二试剂(None 、A、B、或C)Add Time:试剂二加入时间(自己设定)Sample V olume:样品加入体积(其固定加入时间为330秒时)Reagent Black:试剂空白读点时间(以R1为0时)Reaction:反应读点时间(以R2为起始点)Usable Range:线性范围Error detection limits:错误限制(一般都设为-1.500到1.500)Surstrate depletion:底物消耗Initial rate:一般正反应设为99.999负反应设为-99.999Delta ABS:一般设为1.500D清除参数主屏幕---F4special Functions---输入“5”---回车---F1define/review---F3clear chemistry---输入要清除的号码---回车---输入“Y”---回主屏幕11、试剂登陆1) 卸掉要调整参数的试剂主屏幕---F2reagent load---按选择键选择试剂名select键选择---F2manual load---输入“3”---回车---回到主屏幕2)装载上试剂主屏幕---F2reagent load---选择刚卸载的试剂位置select键选择---F2manual load---输入“2”---回车---输入项目名称---回车---打开试剂舱盖把试剂装入---关门舱盖---F1continue---等仪器检查完以后回到主屏幕12、定标设置主屏幕---F3cal---移动光标导要进行定标的项目用select键选择fical cup assfnmnt---输入可用的杯价号---回车---F2cal load list ---按照仪器的提示显示顺序装定标液---回到主屏幕---按“开始”开机13、检查试剂状况主屏幕---F2reagent load---F5reagent statua---page up/down---回主屏幕14 关机主屏幕---Idle---F4---等仪器左上角出现“Please wait…”消失后---关主电源15清洗灌注主屏幕---F1---1回车---选择须灌注项目---F1等仪器工作完后回到主屏幕16、查看仪器状态主屏幕---F8---F7---有红色的表示此处异常---回主屏幕17、查看比色情况主屏幕---F8---F6---按-Page up/down查看结果---回主屏幕18、急诊标本输入主屏幕---F1---F1---选择架子号---回车---选择项目---F7---回到主屏幕校准点的个数可以把水这一点不要,只做浓度点,另一点为坐标原点。
生物学实验教学中心仪器操作手册BECKMANJ2-MC离心机使用说明注意事项:1.本仪器极昂贵,请谨慎使用.2.使用前请登记,获得许可才可以使用.3.使用前请认真阅读使用说明书,如有疑问,务必弄清后再使用.4.用毕,请立即依次取出转头,清洁卫生,复位钥匙,关闭主机电源.5.如果采用冷冻离心,取出转头后,请倒立放置,排水;打开机盖,凉干离心室.6.实验过程必须严格按照操作要求进行,并做好实验记录.实验步骤:1.登记使用的时间,样品,以及离心所需的转速,时间,和温度.根据离心的要求选择离心管和转头.2.插上电源.开启主机电源(位于钥匙的右边).3.置钥匙于NORMAL挡.4.安装转头,旋紧转头盖.5.放置离心管(事先务必平衡好).6.设定转头规格:按ROTOR,输入型号值,按ENTER确认.7.设定离心速度:按SPEED,输入转速RPM,按ENTER确认.8.设定离心时间:按TIME,输入时间,按ENTER确认.9.设定离心温度:按TEMP,输入温度,按ENTER确认.10.开始离心:按STAR键.EppendorfCentrifuge5804(R)/5810(R)简要操作步骤1,连接电源,打开仪器旁边的开关.2,根据盛放样品的离心管的大小,安放转子,用六角扳手按顺时针方向上紧,将离心管平衡放入,盖上转头盖(大转头的盖子应该旋紧),正确关上离心机盖子,使"Open"键上的指示灯变亮.5,运行结束或按Stop键终止运行后,转子逐渐减速直至停止,当Open指示灯亮起时,可按Open键打开机盖.6,当使用冷冻离心操作时,运行完成后,必须擦干内腔中的冷凝水,并倒掉机下的盘子内的冷凝水.为避免冷凝水的形成,使用完后必须打开机盖放置.GL-20G-Ⅱ型高速冷冻离心机使用说明书1.插上电源,待机指示灯亮;打开电源开关,调速与定时系统的数码管显的闪烁数字为机器工作转速的出厂设定;温控系统的数码管显示此时离心腔的度.2.设定机器的工作参数,如工作温度,运转时间,工作转速等.3.按控制面板上的运转键,离心机开始运转.在预先设定的加速时间内,转速升至预先设定的值.4.在预先设定的运转时间内(不包括减速时间),离心机开始减速,其转速在预先设定的减速时间内降至零.5.按控制面板上的停止键,数码管显示dcdT,数秒钟后即显示闪烁的转速值,这时机器已准备好下一次工作.6.注意事项:(1)除工作温度,运转速度和运转时间外,请不要随意更改机器的工作参以免影响机器性能.(2)使用前应检查转子是否有伤痕,腐蚀等现象,同时应对离心杯做裂纹,老化等方面的检查,发现疑问立即停止使用,并与厂方联系;开机运转前请务拧紧转头的压紧螺帽,以免高速旋转的转头飞出造成事故.(3)转速设定不得超过最高转速,以确保机器安全运转.(4)使用中如出现0.00或其他数字,机器不运转,应关机断电,重新开机,待所设转速显示后,再按运转键,机器将照常运转.(5)如需分离样品的比重超过1.2克/立方厘米,最高转速N必须按下式修正:N=NMax*√1.2样品比重(NMax为转子极限转速)TGL-16G-A型高速冷冻离心机使用说明书1.插上电源,待机指示灯亮;打开电源开关,调速与定时系统的数码管显示的闪烁数字为机器工作转速的出厂设定;温控系统的数码管显示此时离心腔的温度.2.设定机器的工作参数,如工作温度,运转时间,工作转速等.3.按控制面板上的运转键,离心机开始运转.在预先设定的加速时间内,其转速升至预先设定的值.4.在预先设定的运转时间内(不包括减速时间),离心机开始减速,其转速在先设定的减速时间内降至零.5.按控制面板上的停止键,数码管显示dcdT,数秒钟后即显示闪烁的转速值,这时机器已准备好下一次工作.6.注意事项:(1)除工作温度,运转速度和运转时间外,请不要随意更改机器的工作数,以免影响机器性能.(2)使用前应检查转子是否有伤痕,腐蚀等现象,同时应对离心杯做裂老化等方面的检查,发现疑问立即停止使用,并与厂方联系;开机转前请务必拧紧转头的压紧螺帽,以免高速旋转的转头飞出造成事故.(3)转速设定不得超过最高转速,以确保机器安全运转.(4)使用中如出现0.00或其他数字,机器不运转,应关机断电,后重新开机,待所设转速显示后,再按运转键,机器将照常运转.(5)如需分离样品的比重超过1.2克/立方厘米,最高转速N必须按下式修正:N=NMax*√1.2样品比重(NMax为转子极限转速)(6)不得在机器运转过程中或转子未停稳的情况下打开盖门,以免发生故.(7)离心杯必须等量灌注样品,切不要使转头在不平衡状况下运行.(8)离心机一次运行最好不要超过60分钟.3.按控制面板上的运转键,离心机开始运转.在预先设定的加速时间内,其转速升至预先设定的值.4.在预先设定的运转时间内(不包括加速时间),离心机开始减速,其转速在先设定的减速时间内降至零.5.按控制面板上的停止键(STOP),数码管显示dcdT,数秒后即显示闪烁的速值,这时机器已准备好下一次工作.6.注意:a)除运转速度和运转时间外,不要随意更改机器的工作参数.b)开机运转前请务必拧紧转头的压紧螺帽,以免高速旋转的转头飞出造事故.c)转速设定不得超过最高转速.TGL-16G-A 型高速冷冻离心机使用说明操作程序:1.插上电源,待机指示灯亮;打开电源开关,调速与定时系统的数码显示的闪烁数字为机器工作转速的出厂设定;温控系统的数码管显示此时离心腔的度.2.设定机器的工作参数,如工作温度,运转时间,工作转速等.3.按控制面板上的运转键,离心机开始运转.在预先设定的加速时间内,其转速升至预先设定的值.4.在预先设定的运转时间内(不包括加速时间),离心机开始减速,其转在预先设定的减速时间内降至零.5.按控制面板上的停止键(STOP),数码管显示dcdT,数秒钟后即显示烁的转速值,这时机器已准备好下一次工作.6.注意事项:a)除工作温度,运转速度和运转时间外,不要随意更改机器的工作参数.b)开机运转前请务必拧紧转头的压紧螺帽,以免高速旋转的转头飞出造事故.1.使用前必须先检查面板上的各旋钮是否在规定的位置上(即电源在关的位置上,电位器及定时器在零的位置上)2.打开盖门,将灌好等量试液的离心管对称放入转头孔中,然后关上盖门.3.接通电源,指示灯亮.4.如需制冷,按下制冷开关,制冷指示灯亮,压缩机开始工作.5.旋转定时器至所需的时间刻度.6.旋转转速旋钮,转头开始运转,转速表指针将指出实际转速.7.转头运转到设定的时间后,转头自动降速直至完全停止,转速表指针复为零8.转头完全停止后,打开盖门取出离心管.9.切断电源,各开关,旋钮复位.TGL-16G型,TGL-16B型台式高速离心机使用说明(上海医用分析仪器厂)1.使用前轻压机箱,使机组底的橡胶吸盘吸住台面.若要移动位置,只要逐个轻拔起吸盘平移即可.2.插上电源后,打开电源开关,电源指示灯亮.将调速旋钮旋至某一位置预选转速,然后旋转定时器旋钮至所需选时位置,离心机即进行工作,同时工作指示灯亮.离心机工作时间满后,定时器自动切断电源,离心机停止工作.3.本机使用带盖式离心管(0.3ml,0.5ml,1.5ml,5ml),目测液面高度近似相同对称放入转头,因离心完毕静止时箱体内温度会升高,故每次离心完毕后须立即取出离心管.4.若需用0.5ml离心管,可将1.5ml离心管盖截去,将0.5ml离心管套入,对放入转头即可离心.5.若需用0.3ml离心管,则可将0.3ml离心管放入试管套(聚四氟乙稀塑料)后对称放入转头.6.若需过滤样品,可将离心管盖钻一小孔,放入园形过滤纸,将样品注于过滤纸上对称放入转头即可.7.每次离心时间以30分钟为宜.置位置不对称,而使机器在运转过程中产生震动.3.试管放入后拧紧螺帽,盖好有机玻璃盖,接通电源,打开电源开关,指示灯亮.4.用定时旋钮选择所需的时间,然后将调速旋钮调至所需的转速,仪器按选定的速度和时间运行.5.时间到后,必须将调速旋钮旋回零位,待停机后方可取出试管进行分析.6.仪器在高速旋转时切不可随意打开有机玻璃盖门.7.实验完毕后,将转头和仪器擦干净,以防试液沾污而产生腐蚀.TDL-5台式低速大容量离心机使用方法1.准备工作:1)将离心机放置在坚固的台面上,且距墙有10cm的距离.2)安装转头,并用螺丝刀穿过螺帽内的孔,将螺帽旋紧.3)将装有等量试液的离心管放入适配器内,然后将适配器放入吊篮,最将吊篮放入水平转头.4)关上盖门,接通电源.注意:为保证机器安全运转,在机器运转过程中不可打开机器盖门,除非器被切断电源.2.操作顺序:1)检查:转速表指示针应指向"0"的位置.2)打开电源开关,电源指示灯亮.3)向右旋转定时旋钮,可在0-30分钟内设定定时.向左旋转定时旋机器将连续运转.4)调节转速旋钮,使转速指示针指向所要求的值,机器开始运转.5)当设定时间到了以后,转头将自动停止运转.6)使用完毕后,应切断电源,并将仪器擦干净.注意:1.样品必须等量对称放置,以保证机器平衡运转.P---样品比重(g/cm3).TDL-5型台式低速大容量离心机使用说明书1.将装有等量试液的离心管放入适配器内,然后将适配器放入吊篮,最后将吊篮放入水平转内.2.关上盖门,接通机器电源.3.检查转速表指示针是否指向"0"的位置.4.打开电源开关,电源指示灯亮.5.向右旋转定时旋钮,可在0~30分钟内设定定时.向左旋转定时旋钮,机器连续运转.6.调节转速旋钮,使转速指示针指向所要求的值,机器开始运转.7.当设定时间到了以后,转头将自动停止运转.8.使用完毕后,应切断电源,并将仪器擦干净.9.注意:样品必须等量对称放置.在机器运转过程中不可打开机器盖门.TGL-16G台式高速离心机使用说明(上海医用分析仪器厂)1.使用前轻压机箱,使机组底的橡胶吸盘吸住台面.若要移动位置,只要逐个轻拔起吸盘平移即可.2.插上电源后,打开电源开关,电源指示灯亮.将调速旋钮旋至某一位置预选转速,然后旋转定时器旋钮至所需选时位置,离心机即进行工作,同时工作指示灯亮.离心机工作时间满后,定时器自动切断电源,离心机停止工作.3.本机使用带盖式离心管(0.3ml,0.5ml,1.5ml,5ml),目测液面高度近似相同对称放入转头,因离心完毕静止时箱体内温度会升高,故每次离心完毕后须立即取出离心管.4.若需用0.5ml离心管,可将1.5ml离心管盖截去,将0.5ml离心管套入,对放入转头即可离心.5.若需用0.3ml离心管,则可将0.3ml离心管放入试管套(聚四氟乙稀塑料)1.使用前,必须先检查面板上的各旋钮是否在规定的位置上(即电源在的位置上,电位器及定时器在零的位置上).2.在每支试管中放置等量的样品,然后对称放入转头内,以免由于重量均,放置不对称,而使整机在运转过程中产生震动.3.试管放入后,盖好有机玻璃盖,然后接通电源,指示灯亮.4.旋转定时器至所需的时间.5.旋转转速旋钮,转头开始运转,转速表指针将指出实际转速.6.转头运转到设定的时间后,转头自动降速直至完全停止,转速表指针为零.注意:1.使用前应检查离心管是否有裂纹,老化等现象,如有应更换.2.使用完毕后应擦干保存.3.保护好转头,以防止酸碱沾污而产生腐蚀.4.如要改变定时范围,必须在转头完全停止运转后进行调节.80-2型台式低速离心机使用说明1.使用前必须先检查面板上的各旋钮是否在规定的位置上(即电源在关的位置上,电位器及定时器在零的位置上).2.每支试管中放置等量的样品,然后对称放入转头内,以免由于重量不均,放置位置不对称,而使机器在运转过程中产生震动.3.试管放入后,拧紧螺帽,盖好有机玻璃盖,接通电源,打开电源开关,指示灯亮.4.用定时旋钮选择所需的时间,然后将调速旋钮调至所需的转速,仪器按选定的速度和时间运行.5.时间到后,必须将调速旋钮旋回零位,待停机后方可取出试管进行分析.6.仪器在旋转时切不可随意打开有机玻璃盖门.7.实验完毕后,将转头和仪器擦干净,以防试液沾污而产生腐蚀.4.用定时旋钮选择所需的时间,然后将调速旋钮调至所需的转速,仪器按选定的速度和时间运行.5.时间到后,必须将调速旋钮旋回零位,待停机后方可取出试管进行分析.6.不使用仪器时,必须切断机器电源.7.实验完毕后,将转头和仪器擦干净,以防试液沾污而产生腐蚀.37XB倒置显微镜1接通电源2在聚光镜上面放一张白纸,旋松等座固定螺钉,移动或旋转灯座,使灯丝成在纸上,旋紧固定螺钉,移动聚光镜手柄,使灯丝成像清晰,然后取出白纸.3聚光镜上的环形光栏滑板推到通孔处.4应使双目镜筒出镜距与人的两眼瞳距相一致.5把标本放在载物台上,10X物镜转入光路,用10X目镜观察,旋转粗,微手轮使标本成像;转动视场光栏手柄,使视场光栏关小,旋转聚光镜升降手轮,使在目镜视场内看清视场光栏象,然后用调校螺钉使视场光栏与光轴同心,动视场光栏手柄,使视场光栏比目镜光栏稍大即可.6观察时还要进行视度调节,将40X物镜转入光路先用右眼观察,旋转微动手轮,使标本成象,然后用左眼观察.7旋转孔径光栏转环,使孔径光栏大小与物镜数值孔径匹配,以获得较好的衬8同轴同导轨的粗微调焦机构中,调节松紧手轮为粗动手轮调校松紧使用,以产生载物台下滑,同时还带有限位装置,限位固紧手轮只要在已调整好的高上旋紧定位,便可防止物镜和标本相撞.9相衬观察时,把对应倍数的环形光栏滑板插入聚光镜,移动滑板螺钉定位处,此时环形光栏处在光路中,旋转径光栏转环,使孔径光栏开至最大,把相衬镜转入光路,即可进行相衬观察.10用超长工作距离聚光镜时,旋紧聚光镜固定螺钉,取出长工作距离聚光镜,再装入超长工作距离聚光镜,固紧聚光镜固定螺钉,重复步骤5即可.2,主菜单进入主菜单后,按数字键1,进入波长扫描菜单;按数字键2,进入光度量菜单;按数字键3,进入定量分析菜单;按数字键4,进入时间扫描菜单;按数字键5,进入系统设置菜单.3,波长扫描测量方式(1)进行测量时先查看参数设置是否合适.在波长扫描主操作界面上,F1键进入参数设置菜单.参数设置有三种类型:选择型,输入需确认型和输入不需确认型.选择型:用户通过上箭头或下箭头键将光标停在相应的选项,用键选择即可.如:测量方式,取样间隔,测量速度.输入需确认型:用户通过上箭头或下箭头键将光标停在相应的选项,先输入数据,要输入的数据显示在屏幕右侧,如果输入错误,按CE键取消输入;果确认无误,按ENTER键确认,则输入的数据取代原来的数据.如:波长范光度范围,换灯点.输入不需确认型:用户通过上箭头或下箭头键将光标停在相应的选项,输入数据即可.如:样品位置.(2)扫描测量在进行能量扫描时,样品不能放在8号样池,此时样品位置设置无效.确认参数设置无效后,按F2键,屏幕右上方出现"测量吗"提示,如果不想测量,按CE间即可;否则按ENTER键进入测量状态,此时屏幕右上方出现提示"测量中……".在参比基线测量时,屏幕右下方显示当前波长位置.当进行样测量时,屏幕右下方显示当前波长位置,在坐标中显示图谱.在测量中途,若户想停止测量,按CE即可.测量结束后,可进行以下操作:①峰谷测量:按F3(处理)进入峰谷检测菜单.按F4(打印键)可打印峰谷检测的结果.按RETURN键返回波长扫描主菜单操作界面.②图谱缩放:进入参数设置菜单,修改波长范围的上限(终止波长)和光度范围的上下限,然后返回波长扫描菜单,按GOTO键即可.注意:波长范围的下限(起始波长)不可修改. 透过率值等于-10.0,则表示测量过程中,对应波长点的能量为零.(5)打印:按F4(打印键)进入打印状态,屏幕右上方提示"打印中如果出现"ERR"提示,则表明打印机出错或者未接打印机.打印图谱的时间比较长,若打印过程中想取消打印,则按CE键即可.此时系统较忙,键盘响应比较迟钝.UV-9100型紫外可见分光光度计操作步骤(一)透射比测量1,透射比测量在样品池中,放置空白及样品①按需要调节波长旋钮,使显示窗显示所需波长值.②按(方式选择)键使透射比指示灯亮,并使空白溶液处在光路中.③按(100%T)键调100%,待显示器显示100.0时,即表示已调好④在样品池中放挡光块,拉入光路,关好样品室门,观察显示是否为零,如不为0.0则按(0%T)调零.⑤取出挡光块,拉入光路,关好样品室门,显示器应显示100.0100.0则应重调100%T(重复步骤3).⑥拉动样品拉手使被测样品依次进入光路,则显示器上依次显示样品的透射比值.(二)吸光度测量吸光度测量与透射比基本相同,只是有一点要注意:按方式选择键时,应使吸光度指示灯亮.(三)浓度直读1,建曲线建曲线有三种方法:1点法,2点法,3点法①先将配好的两个浓度标准液及空白业放入样品池架.②按需要调整波长.③按(方式选择)键至透射比挡,将空白液拉入光路,按(100%T标样浓度按(确认)键,确认此组数据.⑦将第二点标样拉入光路,按(置数加)或(置数减)键,使显示器显示第二点标样浓度值,按(确认)键,确认此组数据.2,浓度测量①将标准样品取出,将空白液及被测样品放入样品室内.②按(方式选择)键至透射比档.③在空白液时调100%T及0%T(方法同透射比测量).④按(方式选择)键至浓度档(按MODE键使其左侧的CONC灯被点亮)⑤拉样品至光路中,显示应为样品在二点曲线下的浓度值.7230G型分光光度计使用说明书1,开机,仪器显示"F7230".2,按"CLEAR"键,仪器显示"YEA".3,按"0% "键,仪器显示"00-00".4,调节波长旋钮使波长移到所需之处.5,四个比色皿,其中一个放入参比试样,其余三个放入待测试样.将比色皿放入样品池内的比色皿架中,夹子夹紧,盖上样品池盖.6,将参比试样推入光路,按"MODE"键,使显示(T)状态或7,按"100% "键,至显示"T100.0"或"A0.000".8,打开样品池盖,按"0% "键,显示"T0.0"或"AE1".9,然后将待测试样推入光路,显示试样的(T)值或A值.*如果要想将待测试样的数据记录下来,只要按"PRINT"键即可.VIS-7220型可见分光光度计操作步骤(一)透射比测量1,透射比测量在样品池中,放置空白及样品①按需要调节波长旋钮,使显示窗显示所需波长值.⑥拉动样品拉手使被测样品依次进入光路,则显示器上依次显示样品的透射比值.(二)吸光度测量吸光度测量与透射比基本相同,只是有两点要注意:①在选择方式2(即100%TABS0)时,应使吸光度指示灯亮.②在选择方式3(即0%T)调零应在透射比功能下(即方式选择指示灯放在透射比档,调零后在将方式选择指示放会吸光度挡).(三)浓度直读1,建曲线建曲线有三种方法:1点法,2点法,3点法①先将配好的两个浓度标准液及空白业放入样品池架.②按需要调整波长.③按(方式选择)键至透射比挡,将空白液拉入光路,按(100%T100.0.④在样品池中放挡光块,拉入光路,关好样品室门,调零按(调零后需检查100.0,若有变化应重调100%T.⑤按(方式选择)键至建曲线,按(选择标样点)键至第二点,显示器应显示500.⑥将第一点标样拉入光路,按(置数加)或(置数减)键,使显示器显示标样浓度按(确认)键,确认此组数据.⑦将第二点标样拉入光路,按(置数加)或(置数减)键,使显示器显示第二点标样浓度值,按(确认)键,确认此组数据.2,浓度测量①将标准样品取出,将空白液及被测样品放入样品室内.②按(方式选择)键至透射比档.③在空白液时调100%T及0%T(方法同透射比测量).④按(方式选择)键至浓度档.⑤拉样品至光路中,显示应为样品在二点曲线下的浓度值."100%"旋钮,使数字显示为"100.0".3,如果显示不到"100.0",则可适当增加微电流放大器的倍率档数,但尽可能倍率置低档使用,这样仪器将有更高的稳定性.但改变倍率后必须按步骤重新校正"00.0"和"100%".4,预热后,按步骤2连续几次调整"00.0"和"100%",仪器即可进行测工作.5,吸光度A的测量:按步骤2调整仪器的"00.0"和"100%",将选择开置于"A",调节吸光度调零旋钮,使得数字显示为".000",然后将被测样品移入光路,显示值即为被测样品的吸光度的值.6,浓度C的测量:选择开关由"A"旋置"C",将已标定浓度的样品放入光路,调节浓度旋钮,使得数字显示为标定值,将被测样品放入光路,即可读被测样品的浓度值.7,如果大幅度改变测试波长时,在调整"0.00"和"100%"后稍等片刻(光能量变化急剧,光电管受光后响应缓慢,需一段光响应平衡时间),当稳定后重新调整"00.0"和"100%"即可工作.8,每台仪器所配套的比色皿,不能与其它仪器上的比色皿单个调换.WFJ7200操作程序1,连接仪器电源线,确保仪器供电电源有良好的接地性能.2,接通电源,使仪器预热20分钟.(不包括仪器自检时间)3,用键设置测试方式:透射比(T),吸光度(A),已知标准样品浓值方式(C)和已知标准样品斜率(F)方式.4,用波长选择旋钮设置您所需的分析波长.5,将参比样品溶液和被测溶液分别倒入比色皿中,打开样品室盖,将盛有溶液的比色皿分别插入比色皿槽中,其透射比是经过配对测试的,未经配对处理比色皿将影响样品的测试精度.比色皿透光部分表面不能有指印,溶液痕迹,被测溶液中不能有气泡,悬浮物,否则也将影响样品测试的精度.ELX800酶标仪简要操作步骤1,打开电源开关,系统自动进行自检,然后出现主菜单,预热20min2,移动光标到DEFINE进入编程状态.3,选择编号(0 55),再由键盘输入程序名(由中英文及符号组成)4,选择METHOD,依次进行扫描波长(单/双)选择,滤光片选择,培养板类型选择.每次选择后都按回车键.5,选择MAP,依次进行自动/手动的选择,排列方向的选择,重复样方向的选择,填写扫描开始的位置,空白孔类型的选择,空白孔数目的填写,各个空白位置的填写,标准样数目的填写,质控数目的填写(一般在定性判定中使用),待测样数目的填写,样品重复数目的填写,重复样位置的填写.每次选择后都回车键.6,程序定义好后,返回主菜单,选择READ,输入程序号和样品数目,确定后再选择READ开始测量及计算.读板完成后,酶标板将退出.7,回到主菜单,选择REPORT中的ASSAY打印数据分析的结果.8,工作完成后,清洁仪器表面,关闭电源开关,将防尘罩盖好.SG6溶解氧测定测定仪1,检查电极膜是否破损或受污染,如果受到污染,请用湿软的布将电极膜擦拭干净.2,进行一点校准与两点校准.(一点校准时,溶氧电极必须从介质中取出,轻的擦拭干净,溶氧膜上的小水滴也必须除去,水珠可能影响正确的佼准3,将溶氧探头置于样品中,并按Read键开始测量.4,按Data键以调用数据菜单,将适配器连接到PC上并使仪表红外窗口对准接收装置,开始数据传输.5,关闭机器,同时按Read,Mode和右边软按键.6,注意:禁止将仪。
PROGRAM SECTOR----输入架子号---回车---选择实验项目 ---F7NEXT SECTOR 或F8 NEXT CUP 继续输入---输入完毕---按PRVSCREEN 键返回 2样本复查:SCREEN 键返回3查看样本盤盘状态主屏幕---F6 C AROUSE ST ATU S ---查看样品检测状态(以不同颜色表示完成、未完成、不能完成) 4批量输入 PROGRAM BATCH-—输入杯架号(连续的用,-?连接,不连续的用逗号隔开)---回车---输入总的样本数(小于 7倍杯架数)---回车---选择实验项目---F7 NEXT SECTOR 或 F8 NEXT CUP---回主屏幕 5清除整个杯架主屏幕---F1 S AMPLE PROGRAM ---F5 C L EAR SECTOR --- 逗号隔开)---回车---输入,y?---回主屏幕 6查看各个杯架项目主屏幕 7打印设置主屏幕---F4 S P ECIAL FUNCTIONS --- 输入,4?---回车---输入,5?---回车---F3 pRINT OPTlON^-输入,1 可 打?或 ,2不可打?■--回车---回主屏幕 8单位选择主屏幕---F4 S P ECIAL FUNCTIONS---输入,4?---回车---输入,7?---回车---将光标移到目标项目处用 SELECT 重复选择直到正确的单位---回主屏幕 9结果查看主屏幕---F4 SPECIAL FUNCTIONS ---输入,2?---回车---输入查询条件---回车---输入号码---回车---选择 输出形式---回车 10参数设置 ① 进入参数界面美国贝克曼生化分析仪简单操作规程(适合CX 系列):1编辑样本工作表: 主屏幕---F I S A MPLE PROGRAM---|F 1 主屏幕---F1 SAMPLE PROGRAM---F4 SA M PLE RERUN输入架号、杯号---选择复查项目---按PRV主屏幕---F1 S AMPLE P ROGRAM ---F 2输入杯架号(连续的用,-?连接,不连续的用主屏幕---F1 S AMPLE P ROGRAM ---F 3 L O AD LIST ---输入杯架号---回车---PAGE DOWN/UP 翻看---回主屏幕---F4 SPECIAL FUNCTIONS---输入,5?---回车---F1 |DEFINE/REVIEW---输入项目号---回车---输 入具体参数(两页)---回主屏幕② 新项目的登陆 主屏幕---F4 S PECIAL FUNCTIONS ---输入,4?---回车---选择一个位置输入新项目名称 ③ 具体参数TEST NAME :最多输入4位REACTION TYPE : ENDPOINT1、RATE1、ENDPOINT2、RATE2 (1 代表没减试齐U 空白, 2 代表减 掉了试剂空白)UNITS :单位(SELECT 重复按选择)MATH MODEL :拟合方式(LINEAR 线性拟合,MATH MODEL1 四参数 Log-logit ,MATH MODEL2 五参数Logit ,MATH MODEL3 五参数指数拟合)NUMBER OF CALIBRATORS :校准液个数(0-6,输0时必须输入因数,并输入相应浓度)包括空白 CALIBRTORS V ALUES : CALIBRATION TIME LIMIT:校准时限(0.0-336.0, —般输入 336.0)WAVELENGTH (PRIMARY AND SECONDARY ):主畐U 波长 PRIMARY INJECT REAGENT1 :第一试齐 A 或 B ) VOLUME :加入体积(125-327)PRIMARY INJECT REAGENT2 :第二试剂(NONE 、A 、B 或 C ) ADD TIME :试剂二加入时间(自己设定)SAMPLE VOLUME :样品加入体积(其固定加入时间为 330秒时) REAGENT BLANK :试剂空白读点时间(以 R1为零时)REACTION :反应读点时间(以 R2为起始点) USABLE RANGE :线性范围ERROR DETECTION LIMITS :错误限制(一般都设为 -1.500 到 1.500) SUBSTRATE DEP LETION :底物消耗 般正反应设为 99.999负反应设为-99.999DELTA ABS :一般设为 1.500DECIMAL P RECISION 小数位(SELECT 重复按选择) REACTION DIRECTION:反应方向(SELECT 重复按选择)CALCULATION FATOR :计算因数INITIAL RATE④ 清除参数C HEMISTRY ---1)卸掉要调整参数的试剂主屏幕---F2 R EAGENT LOAD --- 按选择键选定试剂名 select 键选择---F2 | MANUAL LOAD ---回车---回到主屏幕 2)装载上试剂主屏幕---F2 R EAGENT LOAD ---选择到刚卸载的试剂位置 select 键选择---F2 MANUAL LOAD --- 输入 ,2?---回车---输入项目名称---回车---打开试剂舱盖把试剂装入 ---关闭舱盖---F1CONTINUE---等仪器检查完以后回到主屏幕 12定标设置主屏幕---F3 CAL---移动光标导要进行定标的项目用SELECT 键选择F1 R A L CUP ASSFNMNT---输入可用的杯架号---回车---F2 C AL LOAD LIST ---按照仪器的提示显示顺序装定标液 开始”开机 12检查试剂状况主屏幕---F2 R EAGENT LOAD ---F 5 R E AGENT STATUS ---P AGE UP /DOWN --- 回主屏幕13关机14清洗灌注主屏幕---F4---1回车---选择所须灌注项目 15查看仪器状态主屏幕---F8---F7---有红色的表示此处异常 16查看比色情况主屏幕---F8---F6---按-PAGE UP/DOWN 查看结果---回主屏幕 17急诊标本输入主屏幕---F1---F1---选择架子号---回车---选择项目---F7---回到主屏幕 不同的型号、不同版本的软件操作可能有些微的差别,请注意区别,操作都大同小异。
美国贝克曼生化分析仪简单操作规程(适合CX系列):1编辑样本工作表:主屏幕---F1SAMPLE PROGRAM---F1 PROGRAM SECTOR----输入架子号---回车---选择实验项目---F7NEXT SECTOR或F8 NEXT CUP继续输入--- 输入完毕---按PRV SCREEN键返回2样本复查:主屏幕---F1 SAMPLE PROGRAM---F4 SAMPLE RERUN---输入架号、杯号---选择复查项目---按PRV SCREEN键返回3查看样本盤盘状态主屏幕---F6 CAROUSE STATUS---查看样品检测状态(以不同颜色表示完成、未完成、不能完成)4批量输入主屏幕---F1 SAMPLE PROGRAM---F2 PROGRAM BATCH---输入杯架号(连续的用…-‟连接,不连续的用逗号隔开)---回车---输入总的样本数(小于7倍杯架数)---回车---选择实验项目---F7 NEXT SECTOR或F8 NEXT CUP---回主屏幕5清除整个杯架主屏幕---F1 SAMPLE PROGRAM---F5 CLEAR SECTOR---输入杯架号(连续的用…-‟连接,不连续的用逗号隔开)---回车---输入…y‟---回主屏幕6查看各个杯架项目主屏幕---F1 SAMPLE PROGRAM---F3 LOAD LIST---输入杯架号---回车---PAGE DOWN/UP翻看---回主屏幕7打印设置主屏幕---F4 SPECIAL FUNCTIONS---输入…4‟---回车---输入…5‟---回车---F3 PRINT OPTION---输入…1可打‟或…2不可打‟---回车---回主屏幕8单位选择主屏幕---F4 SPECIAL FUNCTIONS---输入…4‟---回车---输入…7‟---回车---将光标移到目标项目处用SELECT重复选择直到正确的单位---回主屏幕9结果查看主屏幕---F4 SPECIAL FUNCTIONS---输入…2‟---回车---输入查询条件---回车---输入号码---回车---选择输出形式---回车10参数设置①进入参数界面主屏幕---F4 SPECIAL FUNCTIONS---输入…5‟---回车---F1 DEFINE/REVIEW---输入项目号---回车---输入具体参数(两页)---回主屏幕②新项目的登陆主屏幕---F4 SPECIAL FUNCTIONS---输入…4‟---回车---选择一个位置输入新项目名称③具体参数TEST NAME:最多输入4位REACTION TYPE:ENDPOINT1、RATE1、ENDPOINT2、RATE2(1代表没减试剂空白,2代表减掉了试剂空白)UNITS:单位(SELECT重复按选择)DECIMAL PRECISION:小数位(SELECT重复按选择)REACTION DIRECTION:反应方向(SELECT重复按选择)CALCULATION FATOR:计算因数MATH MODEL:拟合方式(LINEAR线性拟合,MA TH MODEL1四参数Log-logit,MATH MODEL2五参数Logit,MATH MODEL3五参数指数拟合)NUMBER OF CALIBRATORS:校准液个数(0-6,输0时必须输入因数,并输入相应浓度)包括空白CALIBRTORS V ALUES:CALIBRATION TIME LIMIT:校准时限(0.0-336.0,一般输入336.0)WA VELENGTH(PRIMARY AND SECONDARY):主副波长PRIMARY INJECT REAGENT1:第一试剂(A或B)VOLUME:加入体积(125-327)PRIMARY INJECT REAGENT2:第二试剂(NONE、A、B或C)ADD TIME:试剂二加入时间(自己设定)SAMPLE VOLUME:样品加入体积(其固定加入时间为330秒时)REAGENT BLANK:试剂空白读点时间(以R1为零时)REACTION:反应读点时间(以R2为起始点)USABLE RANGE:线性范围ERROR DETECTION LIMITS:错误限制(一般都设为-1.500到1.500)SUBSTRATE DEPLETION:底物消耗INITIAL RATE:一般正反应设为99.999负反应设为-99.999DELTA ABS:一般设为1.500④清除参数主屏幕---F4 SPECIAL FUNCTIONS---输入…5‟---回车---F1 DEFINE/REVIEW---F3 CLEAR CHEMISTRY---输入要清除的号码---回车---输入…y‟---回主屏幕11试剂登陆1) 卸掉要调整参数的试剂主屏幕---F2 REAGENT LOAD---按选择键选定试剂名select键选择---F2 MANUAL LOAD---输入…3‟---回车---回到主屏幕2) 装载上试剂主屏幕---F2 REAGENT LOAD---选择到刚卸载的试剂位置select键选择---F2 MANUAL LOAD---输入…2‟---回车---输入项目名称---回车---打开试剂舱盖把试剂装入---关闭舱盖---F1CONTINUE---等仪器检查完以后回到主屏幕12定标设置主屏幕---F3 CAL---移动光标导要进行定标的项目用SELECT键选择F1 CAL CUP ASSFNMNT---输入可用的杯架号---回车---F2 CAL LOAD LIST---按照仪器的提示显示顺序装定标液----回到主屏幕---按“开始”开机12检查试剂状况主屏幕---F2 REAGENT LOAD---F5 REAGENT STATUS---PAGE UP/DOWN---回主屏幕13关机主屏幕---IDLE---F4---等仪器左上角出现“Please Wait….”消失后---关主电源14清洗灌注主屏幕---F4---1回车---选择所须灌注项目---F1等仪器工作完后回到主屏幕15查看仪器状态主屏幕---F8---F7---有红色的表示此处异常---回主屏幕16查看比色情况主屏幕---F8---F6---按-PAGE UP/DOWN查看结果---回主屏幕17急诊标本输入主屏幕---F1---F1---选择架子号---回车---选择项目---F7---回到主屏幕不同的型号、不同版本的软件操作可能有些微的差别,请注意区别,操作都大同小异。
贝克曼Beckman coulter UniCel DxC 800 Synchron 全自动分析仪美国贝克曼库尔特Unicel Dxc 800 Synchron 全自动生化分析系统是第三代自动化系统的杰出代表,它将临床生化检验分析前、分析中和分析后的全过程实现自动化,并且融入“质量、效率和安全”理念。
一、安全一.贝克曼Beckman coulter UniCel DxC 800 Synchron 全自动生化分析仪技术规格使具有潜在生物危害的样本始终处于封闭的状态,从而保障了实验室工作人员的安全,充分体现了贝克曼库尔特“以人为尊”的思想。
采用“自动闭盖穿刺技术”,通过减少实验室工作人员接触来自病人样本的潜在生物污染以及反复的机械动作引起的损伤,从而显著地提高了安全性。
二、质量系统化、标准化、可溯源以及独特而先进的技术,保证了检验结果的准确,充分体现了贝克曼库尔特的“以准为本”的宗旨1、凝块检测及自动重检功能能检测到随样本吸入的微小凝块,并弃掉该样本,清洗样本针后重新吸样,避免因吸样量不准导致检验结果的偏差。
2、血清外观检测功能自动检测血清外观,并提示样本受溶血、脂血和黄疸影响的程度。
3、多波长检测对一个反应同时使用10 个波长检测,通过自动纠正及数据矩阵处理后,将来自样本和检测过程中的干扰减小到最低程度,使结果高度准确。
4、移动式清洗系统提高速度同时减少了交叉污染物粘附在采样针的时间,确保内外清洁,提高了检测结果的准确性。
三、效率系统分析平台的可扩展性;多项项目同时分析的多功能性;不同专业平台的可合并性;分析前,分析中和分析后过程的可整合性,保证了更短、更一致的出报告时间,单位测试结果更低的成本,充分体现了贝克曼库尔特“流程先锋”的理念。
1、条码管理:标配样本及试剂条码阅读器,减少劳力和差错2、可离心的样本架3、不停机装载试剂:可以在运行中装载试剂,减少流程的中断。
4、试剂位:行业首创的立本双层试剂仓,使用时可测项目多达70 项。
AU5800全自动生化分析仪作业指导书文件编号:LAB-BL-SOP-INSTR001文件名称:版本号: B 修订号:0编制人:罗光成审核人:蒋兴亮页码:起始第1页共83页批准人:颁布日期: 2014 年07月01日生效日期:2014年07月01日仪器信息仪器名称:BECKMANCOULTERChemistryAnalyzerAU5800仪器型号:AU5800(AU5821)生产商:贝克曼库尔特株式会社生产地:东京都江东区有明三丁目5番7号生产日期:2013年9月产品序号:许可证号:国食药监械(进)字2011第24003311号(更)资产权属:川北医学院附属医院参考资料:AU5800中文操作手册AU5800User’sGuide维修电话:400-667-1808(客户服务电话)相关记录:检验科生化室AU5800全自动生化分析仪使用记录检验科生化室AU5800全自动生化分析仪校准记录检验科生化室AU5800全自动生化分析仪试剂更换记录检验科生化室AU5800全自动生化分析仪维护保养与故障记录目录目录 ............................................................................................................................................ 错误!未指定书签。
BECKMANCOULTERAU5800全自动生化分析仪作业指导书.................................................... 错误!未指定书签。
1.应用范围及仪器简介............................................................................................................. 错误!未指定书签。
Beckman CX 简明操作手册(转载)操作程序一、开机、关机1.1.开机1.1.1打开辅助设备(水机、稳压电源)。
1.1.2打开CRT的开关。
1.1.3打开打印机开关。
1.1.4打开仪器下部右前方处的二个总开关1.2关机主屏幕下按IDLE键- Y- F4(RESUME)- Y- PREVSCREEN- <1>SHUTDOWN THE CX COUNSOLE。
关电脑、主机、CRT、打印机等。
附:*特殊键简介MASTER SCREEN:从本菜单返回至主菜单PREV SCREEN:从本菜单返回上一层菜单HOME:将机械装置恢复到原位IDLE:使仪器进入休眠状态STOP:紧急停机(立即停止一切测试)PAGE UP/DOWN:对多于一屏幕的内容进行上或下的翻页查阅PRINT SCREEN:打印目前的屏幕ALARM STATUS:仪器错误时所发警报声的消除START:开始化学分析CLEAR:清除当前所编辑内容SELECT:挑选所需选择,以大背景框表示确认,原位重复一则取消选择二、试剂准备2.1电解质部分装载(ISE LDAD):因电解质部分的试剂量较大,由2升或500ML的瓶进行贮存并且仪器会定时对电解质部分进行冲洗,故试剂无液面测试,因此仪器在对此部分的试剂采用自动计算消耗量,以(%)表示,其步骤如下:从主屏幕按<F2>REAGENT LDAD键按<F3>ISE LDAD将光标移至所欲选择的试剂处,按<SELECT>键加上背景框,再按F1<CONTINUDE>键继续,此时背景框会一直闪烁。
进行试剂更换,完毕后按F1<PRIME>键,此时新试剂将被抽吸,以排除更换时管道内的残留气体,在“PRIMING”时需稍等。
仪器将新装试剂以100%表示,不是满瓶的则需按<F1>ADJUST VOLUME键手动调节试剂量。
2.2试剂状态(REAGENT STATUS)在REAGENT LDAD菜单中,按<F5>REAGENT STATUS键。
Beckman CX 操作手册一、开机、关机二、试剂准备三、消耗品配制及装载四、校准五、室内质控样品检测六、样本检测七、特殊功能一、开机、关机1.1.开机1.1.1打开辅助设备(水机、稳压电源)。
1.1.2打开CRT的开关。
1.1.3打开打印机开关。
1.1.4打开仪器下部右前方处的二个总开关1.2关机主屏幕下按IDLE键- Y- F4(RESUME)- Y- PREVSCREEN- <1>SHUTDOWN THE CX COUNSOLE。
关电脑、主机、CRT、打印机等。
附:*特殊键简介MASTER SCREEN:从本菜单返回至主菜单PREV SCREEN:从本菜单返回上一层菜单HOME:将机械装置恢复到原位IDLE:使仪器进入休眠状态STOP:紧急停机(立即停止一切测试)PAGE UP/DOWN:对多于一屏幕的内容进行上或下的翻页查阅PRINT SCREEN:打印目前的屏幕ALARM STATUS:仪器错误时所发警报声的消除START:开始化学分析CLEAR:清除当前所编辑内容SELECT:挑选所需选择,以大背景框表示确认,原位重复一则取消选择<返回目录>二、试剂准备2.1电解质部分装载(ISE LDAD):因电解质部分的试剂量较大,由2升或500ML的瓶进行贮存并且仪器会定时对电解质部分进行冲洗,故试剂无液面测试,因此仪器在对此部分的试剂采用自动计算消耗量,以(%)表示,其步骤如下:从主屏幕按<F2>REAGENT LDAD键按<F3>ISE LDAD将光标移至所欲选择的试剂处,按<SELECT>键加上背景框,再按F1<CONTINUDE>键继续,此时背景框会一直闪烁。
进行试剂更换,完毕后按F1<PRIME>键,此时新试剂将被抽吸,以排除更换时管道内的残留气体,在“PRIMING”时需稍等。
仪器将新装试剂以100%表示,不是满瓶的则需按<F1>ADJUST VOLUME键手动调节试剂量。
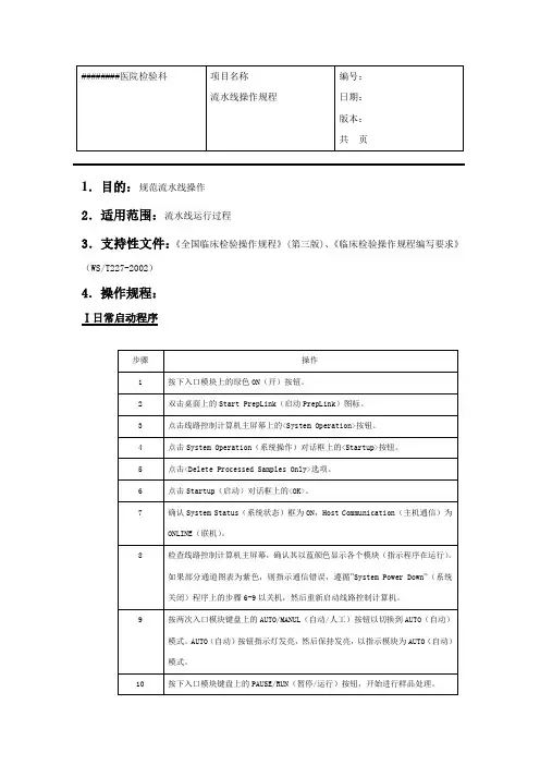
贝克曼DXC800全自动生化分析仪操作规程1.目的:规范DXC800操作2.适用范围:DXC800检测过程3.支持性文件:《全国临床检验操作规程》(第三版)、《临床检验操作规程编写要求》(WS/T227-2002)4.操作规程:Ⅰ仪器开机程序1.开机运行开机检查MC部分试剂量是否充足,真空压力,水压,空气压力是否处在正常范围。
注意事项:日程维护保养(详见贝克曼保养手册)例:每日保养工作:开机前用70%酒精擦洗试剂针和搅拌针。
2.安装试剂a.首先检查试剂状态。
在主菜单选定Rgts/Cal。
b.安装试剂从主菜单选择Rgts/Cal,显示试剂状态屏幕↓点击试剂名称旁的Pos(1,2,3……),选定试剂放置的位置↓按F1 Load键,打开试剂舱闸门↓放入试剂,扫描试剂条码,关闭试剂舱闸门↓仪器自动检测试剂液面、较准日期等,并显示相应信息。
注意事项:a.AST、ALT、CK试剂需预处理:步骤将C孔试剂全部加打入A孔然后充分混匀。
b.TBIL试剂需预处理:将C孔试剂吸取200微升到B孔然后充分混匀。
Ⅱ样品前运行程序1.清除昨天的测试结果:选Sample↓选Clear F7↓输入昨天的日/月/年↓确定,即清除样品结果2.冲洗仪器管道:选Utils↓选Prime F1↓Prime all,清洗5次Ⅲ仪器校准程序定标:选择Rgts/Cal,显示试剂状态屏幕↓点击试剂名称旁的Pos(1,2,3……),选择需要定标的项目↓按F7 Assign,选择定标液的类型,并输入试剂架号及位置↓Cancel退出保存,放入定标液架,RUN。
注意事项:a.注有“*”的试剂都需要定标b.K、Na、Cl、Ca离子项目每隔24小时需要定标一次。
C.贝克曼原装试剂校准周期严格参照贝克曼试剂说明书规定。
*如有项目校准失败必须查找分析原因并要快速解决问题*Ⅳ生化室内质控取贝克曼高低两个浓度水平质控品,室温放置10-20分钟,摇匀后进行测定,随后将质控值输入质控分析软件进行质控分析。
文件名称:AU5800全自动生化分析仪作业指导书文件编号:LAB-BL-SOP-INSTR 001 版本号: B 修订号: 0编制人:罗光成审核人:蒋兴亮页码:起始第1页共60页批准人:颁布日期:2014 年07月01日生效日期: 2014年07月01日仪器信息仪器名称:BECKMAN COULTER Chemistry Analyzer AU5800仪器型号:AU5800 (AU5821)生产商:贝克曼库尔特株式会社生产地:东京都江东区有明三丁目5 番7 号生产日期:2013年9月产品序号:2013020683许可证号:国食药监械(进)字2011第24003311号(更)资产权属:川北医学院附属医院参考资料:AU5800中文操作手册AU5800User’s Guide维修电话:400-667-1808(客户服务电话)相关记录:检验科生化室 AU5800全自动生化分析仪使用记录检验科生化室 AU5800全自动生化分析仪校准记录检验科生化室 AU5800全自动生化分析仪试剂更换记录检验科生化室 AU5800全自动生化分析仪维护保养与故障记录目录目录2BECKMAN COULTER AU5800全自动生化分析仪作业指导书31. 应用范围及仪器简介32. 测定范围及方法原理83. 开机前准备104. 开机115. 关机126. 参数设置127. 试剂装载程序148. 定标(校准)179. 室内质控1910. 标本测定程序2011. 维护保养程序2312. 错误标记(报警信息)2813. AU5800术语29BECKMAN COULTER AU5800全自动生化分析仪作业指导书1. 应用范围及仪器简介AU5800系列全自动生化分析仪是专为大型临床实验室和商业实验室设计的全自动生化分析系统,本实验所用的AU5821包括两个分析单元和带一个ISE单元,可进行比色分析、比浊分析、乳胶凝集分析、均项酶免疫分析和间接离子选择电极(ISE)分析,可同时测定111个项目,最高可达4900测试/小时(4000分光光度测试/小时+900离子选择电极测试/小时),可满足临床和科研检测的需要。
流式细胞仪操作规程目录
1:淋巴细胞亚群测定及绝对计数
2:活化淋巴细胞亚群、记忆T及纯真T的检测
3:HLA-B27测定
4:CD55/CD59测定
5:干细胞检测和绝对计数
6:白血病免疫分型测定
7:淋巴细胞T细胞亚群细胞内因子IFN-γ/IL-4测定8:细胞周期分析
9:活化血小板检测
10:血小板抗体测定
11:红细胞抗体测定
12:粒细胞抗体测定
淋巴细胞亚群测定
(流式细胞仪)
医院检验科
操作规程文件号:
200 年月日起实施
第1版
(共3页)
本规程每2年复审一次
复审日期:年月日
复审人:
规程编写者:
审批者:
批准日期:年月日
文件分发部门和/或个人
院档案室保管者:
检验科主任:
检验科实验室:
淋巴细胞亚群测定
点击
点击
3色
点击
(命名,点击save)画图
此图为CD45圈门
填写Flow-Count的浓度
活化淋巴细胞亚群、记忆T及纯真T的测定
HLA-B27测定
点击
点击
X-Mean=17.1 negative(-)
X-Mean=1.2 X-Mean=5.8
CD55/CD59测定
2.RBC: abnormal
干细胞检测和绝对计数
白血病免疫分型测定
T细胞亚群细胞内因子IFN-γ/IL-4检测
细胞周期分析
2.画图
血小板膜表面抗体测定
红细胞膜蛋白结构测定(红细胞抗体)
粒细胞抗体测定。
文件名称:AU5800全自动生化分析仪作业指导书文件编号:LAB-BL-SOP-INSTR 001版本号:B修订号:编制人:罗光成审核人:蒋兴亮页码:起始第1页共113页批准人:颁布日期:2014 年07月01日生效日期:2014年07月01日仪器信息仪器名称:BECKMAN COULTER Chemistry Analyzer AU5800仪器型号:AU5800 (AU5821)生产商:贝克曼库尔特株式会社生产地:东京都江东区有明三丁目5 番7 号生产日期:2013年9月产品序号:83许可证号:国食药监械(进)字2011第号(更)资产权属:川北医学院附属医院参考资料:AU5800中文操作手册AU5800 User’s Guide维修电话:400-667-1808(客户服务电话)相关记录:检验科生化室AU5800全自动生化分析仪使用记录检验科生化室AU5800全自动生化分析仪校准记录检验科生化室AU5800全自动生化分析仪试剂更换记录检验科生化室AU5800全自动生化分析仪维护保养与故障记录目录BECKMAN COULTER AU5800全自动生化分析仪作业指导书1. 应用范围及仪器简介AU5800系列全自动生化分析仪是专为大型临床实验室和商业实验室设计的全自动生化分析系统,本实验所用的AU5821包括两个分析单元和带一个ISE单元,可进行比色分析、比浊分析、乳胶凝集分析、均项酶免疫分析和间接离子选择电极(ISE)分析,可同时测定111个项目,最高可达4900测试/小时(4000分光光度测试/小时+900离子选择电极测试/小时),可满足临床和科研检测的需要。
名称:BECKMAN COULTER AU5800全自动生化分析仪生产商、型号、序列号1.2.1 生产商:贝克曼库尔特株式会社1.2.2 型号:AU5800 (AU5821)1.2.3 序列号:83仪器工作环境1.3.1 安装环境:要确保安装空间,距离墙壁至少需要500mm的距离;避免直接面对阳光;地板可以承受仪器重量(ISE单元300 kg,双分析单元1520 kg),倾斜度小于1/200;避免震动;适于2000米以下的地方使用;放置设备的房间温度应在18-32℃之间,温度波动不大于+2℃;相对湿度(RH)在40-80%之间,没有冷凝现象,无腐蚀性气体,根据具体情况选择是否安装空调;1.3.2 电气和噪音条件:与该设备10m内,要有一个电源连接器,AC220V(+10%),50/60Hz(+3%);该设备的电源开关板上得短路开关负荷为50A;强烈推荐UPS(≥6kVA),确保本设备已经接地;1.3.3给水:设备距离去离子水出水孔在10m以内;去离子水导电度应不大于2us/cm(电阻率≥Ω·cm),去离子水温在5-28℃之间;水压应在到之间;平均用水量62L/h,最大用水量2.5L/min。
医院检验中心BeckmanCX/CX9生化仪操作规程1、基本操作规程(1)开机准备1)检查蒸馏水是否充足,不够应重新加入.2)检查Wash Concentrater(浓缩冲洗液)和Probe Rinse Solution(探针冲洗液)的量,并及时补充.3)打开显示屏检查试剂存量,不够应及时加足。
4)检查液压系统的压力表指针,保持在绿色区内.5)检查CX3部分的红色(C02碱性缓冲液)和兰色(电机参比液)液体,应维持,MAX与MIN之间.6)冲洗电解质部分的管道4—5次,排去比例泵(Ratio Pump)及管道中的气泡.7)按[F8]→[F7],检查仪器工作状态,如有异常应没法排除,并向主管同志汇报和作书面记录.(2)定标1)在主菜单胺 [F3]进入定标菜单2)凡带有*提示及昨日更换的非原装试剂均需定标.3)用↑↓选择所需定标的试剂,按[ select]确定.4)各种项目的定标已经设置条码(CX4△设定的定标架子为58架,而CX7 △设的架子是59.60架).根据项目所需的定标液的不同装好定标液,放入仪器可5)定标完成后,打印机会自动打印定标报告,仪器室工作人员应判断该定标否正常.并对定标内客作书面记录.如果定标弄常,应及时向主管同志反映作书面记录.(3)质控1)定标顺利完成后,就可以开始进行室内质控.2)质控分析已作条码设置,在标有CX4 △,CX7△记号试管中加入质控品并放人任何一个样本架上,放人Auto Loader即可.3)如质控结果良好,就可以进入样本分析.如果出现失控的结果,应及时处理,并向主管同志汇报,直到找到原因并解决后方可进行该项目的样本测定.4)在样本分析过半时,应再插入一质控品,以监测分析过程中出现的问题.(4)样本分析l) 普通样本的检验:由于仪器采用了先进的 Barcode Mode,血样离心后可直接放入样品架上(条码须面对条码阅读器)放入Auto Loader,按[Load]键即可.2)急诊样本检验:需手工编制程序,操作方法如下:a) 在主菜单,按[F1]键.再按[F1]键进入编程,先输入Sample ID(样本号),然后输入Panel(组合号),也可不输Panel号而直接在项目表中选择所测项目.再选择Sampletype(样本类型),如样本经过稀释也可输入Dilutionfactor(稀释因子),最后按tF4]→ tF8].b) 按[prev Screen],进入样本编程菜单,按[F6],设定该样本所在的样本架号,再按杯子的位置重复输一次Sample ID,按[Enter]即可.(5)病人资料输入:在中文系统中输入病人资料.(6)数据传递按 [P4],接着选择[2],然后选择[1],打人需要传递的架子号,最后选择[3]将结果传到中文电脑,(7)报告打印样本分析完毕后,就可以发病人报告单.每张报告单必须由仪器室人员审核并签名后方可发出.对于出现特别异常的结果,应及时和主管同志及生化室主任反映,在和临床联系后,再发报告,并作书面记录,必要时向料主任汇报.(8)更换试剂一般情况下,样品分析完成后应进行试剂更换.(l)在主菜单,按[F2]键进入试剂菜单,按 [F5]键,检查试剂状况.(2)手工装载:用→←↑↓健将光标移到所需的试剂,按[ Select]再按[F2]键,选择安装试剂类型,自编程序试剂按[2],原装试剂按[l],打入所需试剂的名称等,然后打开冰箱盖,将试剂推入按[Fl]即可.(3)自动装载:先根据需要选择相应数目的空位置,然后按 [Fl]键,开冰箱,将试剂推入,听到鸣叫一声,关闭门即可.上述两种方式可以自由转换.(9)仪器的简单保养及关机.(l)擦洗仪器表面(2)用70%酒精清洁两组探针和搅棒,然后按[homs]键复位.(3)清除当天数据并关闭显示屏.(4)中文电脑必须先进行工作结束,才可关机.(10)注意事项(l)断电后,不能马上启动,必须等5分钟后方可启动.(2)装试剂前,必须先察看该试剂是否需要预处理,是否有气泡,装在哪个孔等,(3)平时运行时,应尽量连续运行,不要间断,不能随意按黄色紧急停机[Stop]健(4)中文电脑关机前,一定要进行工作结束,(5)运行中出现故障时,应及时向主管同志汇报,以便及时排除故障,并作如书面记录.(6)每天必须在机器运行记录本上书面记录机器运行状况.(7)对于溶血,脂血标本,发报告时应在备注处说明.2、保养程序(1) 每日保养1.检查 WaSh Concent rate和probe RinseSolution之存量.2.检查StatuS monitor3.检查Cuvette wipers4.检查水运及空气压力系统5.检查Syringe plunger tips6.清洁所有探针及搅拌棒之外部.7.检查试剂存量及效期8.检查Damper内之液面高度.9.清洁CX3检体探针10.将CX3设定自动冲洗,观察试剂管路,反应杯,搅伴于是否有问题,并排除Ratio pump内气泡(2)每周保养1.清洁仪器表面2.清洁CX4样本及试剂探针内部3.清洁所有的 In line filter4.移动,按摩电动阀内的管路(CX3部分)① E Cam pinch Value② C Cam pinch Valus③ Solenoid Valus(3)每两周保养1.更换试剂及样本注射器内的tip2.清洁BUN之电机头,反应杯及搅拌子,3.更换Glu电极膜4.清洁TP之反应杯及搅拌子5.清洁Cre之反应杯及搅伴子6.清洁CX4. CX7上所有的空气滤网.(4)每月保养1.检查冰箱风扇运转是否正常,是否有结冰现象.2.清洁试剂读码器.3.更换Probe Rinse Solution之In—linefilter.4.清洁样本条码阅读器5.清洁FlOw cell及Electrolyte ln—jection cup6.清洁CL电机7.更换Alkaline Buffer之peri—pump管路8.更换Alkaline Buffer9.清洁试剂置放处.(5) 每两个月保养1.检查所有的Diluted Wash Botlles, Probe Rinse Botlle及液面感应器是否受污染,2.更换Cuvette清洁之Wipes3.更换所有CX3上之Peri—pump管路4.更换Peri-pump上之In—line filter5.检查C Cam pinch Value Vent line#124(6) 每半年保养1.更换Wash Concent rate之过滤器2.清洗所有的Diluted Bottles. Probe Rinse Bottle及波面感应器3.更换K, Ca电机帽,4.清洁电解质排液系统5.更换五个RatiO—pump中之Quad—Ring (7) 视情况需要之保养1.清洁Cuvettes及反应槽2.清洁Sample sectors.3.清洁CX7, CX4仪器4.更换试剂及样本搅拌棒.5.更换C02电极膜6.更换Injection cup中之Quad—Ring7.更换样本和试剂探针8.清洁C Cam Vent Line详细操作方法请参阅保养手册根据样本的数量,对于某些保养可自行确定保养时间,保养后请作书面记录.。
情感语录
2.时间会把最正确的人带到你身边,在此之前,你要做的,是好好的照顾自己
3.女人的眼泪是最无用的液体,但你让女人流泪说明你很无用
4.总有一天,你会遇上那个人,陪你看日出,直到你的人生落幕
5.最美的感动是我以为人去楼空的时候你依然在
6.我莫名其妙的地笑了,原来只因为想到了你
7.会离开的都是废品,能抢走的都是垃圾
8.其实你不知道,如果可以,我愿意把整颗心都刻满你的名字
9.女人谁不愿意青春永驻,但我愿意用来换一个疼我的你
10.我们和好吧,我想和你拌嘴吵架,想闹小脾气,想为了你哭鼻子,我想你了
11.如此情深,却难以启齿。
其实你若真爱一个人,内心酸涩,反而会说不出话来
12.生命中有一些人与我们擦肩了,却来不及遇见;遇见了,却来不及相识;相识了,却来不及熟悉,却还要是再见
13.对自己好点,因为一辈子不长;对身边的人好点,因为下辈子不一定能遇见
14.世上总有一颗心在期待、呼唤着另一颗心
15.离开之后,我想你不要忘记一件事:不要忘记想念我。
想念我的时候,不要忘记我也在想念你
16.有一种缘分叫钟情,有一种感觉叫曾经拥有,有一种结局叫命中注定,有一种心痛叫绵绵无期
17.冷战也好,委屈也罢,不管什么时候,只要你一句软话,一个微笑或者一个拥抱,我都能笑着原谅
18.不要等到秋天,才说春风曾经吹过;不要等到分别,才说彼此曾经爱过
19.从没想过,自己可以爱的这么卑微,卑微的只因为你的一句话就欣喜不已
20.当我为你掉眼泪时,你有没有心疼过。