实验室安全风险评估表
- 格式:doc
- 大小:30.00 KB
- 文档页数:1
实验室风险评估报告(金坛区疾控中心)适用于处理第四类病原微生物或者不具有明显病原性的微生物,实验室内部没有特殊要求。
2)XXX:二级生物安全水平,适用于处理第二类和第三类病原微生物,实验室内部有一定的生物安全措施,如通风系统、生物安全柜等。
3)XXX:三级生物安全水平,适用于处理高致病性病原微生物,实验室内部有更加严格的生物安全措施,如空气压差控制、防护服等。
4)BSL-4最高级实验室:四级生物安全水平,适用于处理极具传染性和致死性的病原微生物,实验室内部采取最严格的生物安全措施,如全封闭、负压隔离等。
六、实验室风险评估本次实验室风险评估主要针对常州市金坛区疾病预防控制中心的二级生物安全实验室、艾滋病初筛实验室和PCR实验室进行评估。
评估内容包括实验室的生物危害等级、实验室的生物安全等级、实验室的生物安全管理制度、实验室人员的生物安全意识和技能等方面。
评估结果将为实验室改进生物安全管理提供参考和指导。
七、评估结果经过实地勘查和资料收集,本次评估得出以下结论:1)实验室的生物危害等级主要为第二类和第三类,不存在高致病性病原微生物。
2)实验室的生物安全等级为二级生物安全实验室。
3)实验室的生物安全管理制度较为完善,但存在一些不足之处,如实验室内部环境卫生管理、实验室安全设施的维护和更新等方面需要进一步加强。
4)实验室人员的生物安全意识和技能普遍较高,但仍需要定期进行培训和考核,提高生物安全意识和技能水平。
综上所述,常州市金坛区疾病预防控制中心的二级生物安全实验室、艾滋病初筛实验室和PCR实验室的生物安全管理总体较为合格,但仍需要进一步加强管理和完善制度,确保实验室的生物安全水平达到最高标准。
2.XXX是二级生物安全水平实验室,主要用于处理中等风险的微生物。
在这种实验室中,实验人员需要采取必要的措施来保护自己和周围的环境免受微生物的污染。
这些措施包括穿戴适当的防护服、手套和面罩,以及使用合适的工具和设备来处理微生物样本。
实验室安全风险评估报告1、实验常用药品相对安全品:氯化钠、无水硫酸钠、氯化钙、氯化锌、铬酸钡、树脂腐蚀品:氨水、盐酸、氢氧化钠、氧化剂:浓硫酸、乙酸易燃液体:无水乙醇、乙醇(95%)、石油毒害品:氯甲醚、四氯化碳2、常用实验仪器比色管、烧杯等玻璃器皿,分光光度计,水浴恒温振荡器,抽滤装置,鼓风干燥箱,分析天平,通风橱等。
3、实验方法3。
1硫酸盐浓度测定方法铬酸钡分光光度法具体步骤如下:a。
吸取10。
0mL水样于25mL比色管中。
另取25mL比色管7 支,分别加入0,0.10,0。
20,0.40,0.60,0。
80及1。
00mL硫酸盐标准使用液,加纯水至10mL。
b。
将铬酸钡悬浊液充分摇匀,迅速而准确地向水样及标准系列管中各加入5.0 mL,充分混合,静置3 min.c. 各加1.0mL钙-氨溶液,混匀。
各加10mL乙醇,盖塞,猛烈振摇1min。
d。
用慢速定量滤纸过滤,弃去最初的10 mL滤液,收集以后的滤液于10 mL 比色管中,于420nm波长,用3cm比色皿,用纯水为参比,测定吸光度.e. 绘制标准曲线,从曲线上查出水样中硫酸盐含量。
3.2树脂氯甲基化实验方法将静态实验筛选出来的预处理树脂精密称取10g,装入带有搅拌器、冷凝管的三口烧瓶中,加入38 mL CCl4于65℃下溶胀36 h 后,将反应装置移入超声波清洗器中。
分别将预处理后的ZnCl2 4。
08 g、NaCl 14。
00 g 和铁粉0.21 g 加入到该反应器中,加入氯甲醚15mL,于50℃温度下,在功率为75 W 超声环境中反应36 h,停止反应.将反应器中的树脂转入砂芯漏斗内,以甲醇和蒸馏水依次各冲洗 5 次为一个循环,反复检验和冲洗,直至在洗涤树脂的蒸馏水中加入AgNO3无明显的白色沉淀为止,即得到了氯甲基化后的树脂,取 1.0 g 样品于120℃烘干至恒重后备用。
3。
3氯甲基化树脂氯含量的测定精密称取0。
100 g 改性后的树脂,0.300 g KNO3和0。
二级生物安全实验室生物安全风险评估表一、概述二级生物安全实验室是进行病原微生物及其相关实验的重要场所,为了保障工作人员和环境的安全,对实验室中存在的生物安全风险进行科学评估和有效管理是非常必要的。
本文基于《二级生物安全实验室管理规范》以及相关标准和指南,对二级生物安全实验室可能存在的生物安全风险进行评估,并提出相应的管理措施。
二、生物安全风险评估表1. 实验室场所1.1 实验室所在地区的疫情情况1.2 实验室所在地区的生物安全管理规范2. 实验室设施设备2.1 实验室的通风系统、排水系统是否符合要求2.2 实验室的负压防护措施是否完善3. 工作人员3.1 工作人员的专业技术水平和培训情况3.2 工作人员的个人防护措施是否得当4. 实验材料4.1 实验材料的来源和采购渠道4.2 实验材料的保存、处理和废弃措施5. 实验操作流程5.1 实验操作流程的合理性和安全性5.2 实验操作流程的标准化和规范化情况6. 应急预案和应急演练6.1 应急预案的制定情况6.2 应急演练的频度和效果三、生物安全风险评估结果根据以上评估表对实验室的现状进行综合评估,发现如下生物安全风险:1. 实验室所在地区疫情流行,增加实验室感染风险。
2. 实验室通风系统不完善,可能导致实验室内空气污染。
3. 工作人员个人防护措施不够全面,存在感染风险。
4. 实验材料的废弃处理不规范,可能造成环境污染。
5. 应急预案和应急演练缺乏有效性和全面性。
四、生物安全风险管理措施在结合生物安全风险评估结果的基础上,提出以下针对性的管理措施:1. 提高实验室内部通风设施的完善性,确保实验室内空气质量符合安全标准。
2. 拓展工作人员的个人防护培训内容,加强对工作人员的生物安全意识培养。
3. 加强对实验材料的保存、处理和废弃的管控,确保实验室内外环境安全无污染。
4. 完善应急预案和频繁进行应急演练,提高实验室内人员的应急反应能力。
五、结论二级生物安全实验室生物安全风险评估表是对实验室内存在的生物安全风险进行科学评估,有助于制定对策和管理措施,保障实验室工作人员和环境的安全。
实验室风险评估与风险控制程序一、检验职业感染的现状经血、呼吸道、粘膜传播疾病直接危害着检验工作者身体健康。
我国是HBV感染的高发区,约有1.3亿人携带HBV,HBV表面抗原(HBsAg)的携带率为8%—20%;自90年代以来HCV感染也呈上升趋势,其感染率为3%.目前艾滋病感染在我国的流行已进入增长期。
在无偿献血人群中检出乙型肝炎、丙型肝炎、梅毒、艾滋病等病毒感染占有一定的比例。
经调查显示,针头和玻璃碎片是主要锐器致伤因子,经常接触针头者发生锐器伤的危险是不经常接触者的23倍。
多种传染病是通过血液传染的,而血液检验中的职业暴露大多数来自实验室工作人员在实验操作和标本采集过程中,意外被带病原体的血液污染破损的皮肤或被病原体感染的针头、血常规采血针、采血玻璃管、吸头等锐器刺破皮肤,呼吸道吸入气溶胶也是传播方式之一.因此,检验人员面临着严峻的职业暴露危险。
1.传播途径检验人员感染疾病的一般传染途径有:(1)皮肤破损:带有HIV、HBV、HCV、梅毒等病原体的血液,长时间接触小伤口、溃疡、擦伤等破损皮肤,将会造成机体的感染。
(2)穿刺:由于针头、刀片等对皮肤的意外损伤,使带有病毒的全血、血清或血浆进入皮下或循环系统,造成感染。
这种针头意外损伤是职业性HBV和HIV感染最重要的原因。
带有HIV的针头意外穿刺皮肤后,HIV感染的可能性在0—-0。
9%之间,平均为0.4%。
而对于HBV,这个可能性在6%—30%之间,平均为18%。
有学者进行了相应的统计推算,每1000个艾滋病病人,每年会产生1例由于针头意外造成的职业性HIV感染;而每1000个乙肝患者,每年会产生45例类似职业性HBV感染。
由于HBV在人群中的感染率比HIV高得多,在一定人群中,每年产生的因针头意外造成的职业性HBV感染比HIV多得多.(3)粘膜:由于试管未封闭、离心意外等造成的血液飞溅,带有病原体的血液与口腔、鼻腔黏膜或眼结膜等接触,可以造成感染。
一、二级实验室火灾安全风险评估表
一、实验室信息
实验室名称:
实验室所在地:
二、风险评估
1. 火源
- 实验室内是否存在易燃物品(是/否):
- 实验室内是否存在明火或明火使用设备(是/否):
- 实验室内是否存在电气设备或电线敷设不规范(是/否):
2. 防火设施
- 实验室内是否配备灭火器(是/否):
- 实验室内是否配备灭火器号码标示(是/否):
- 实验室内是否配备自动报警系统(是/否):
- 实验室内是否配备独立排烟装置(是/否):
3. 疏散通道
- 实验室内是否设置足够数量的疏散通道(是/否):
- 实验室内疏散通道是否畅通无阻(是/否):
- 实验室内疏散通道是否标示清晰(是/否):
4. 储存管理
- 实验室内易燃物品的储存是否符合规范(是/否):
- 实验室内化学品储存区域是否与易燃物品区域隔离(是/否):- 实验室内储存的化学品是否定期检查、更新(是/否):
三、风险等级评估
根据实验室火灾安全风险评估表中各项内容的结果,结合安全
评估标准,综合判断实验室的火灾安全风险等级。
风险等级评估结果:(请填写)
四、安全建议
根据实验室火灾安全风险评估结果,提出以下安全建议:
1. 针对存在的火源进行合理的管理与控制。
2. 完善实验室的防火设施,保证其正常运行。
3. 确保实验室的疏散通道畅通无阻,标示清晰。
4. 加强对易燃物品的储存管理,确保符合规范。
5. 定期检查、维护化学品储存区域,保证其安全。
五、责任人及日期
填表人:
填表日期:。
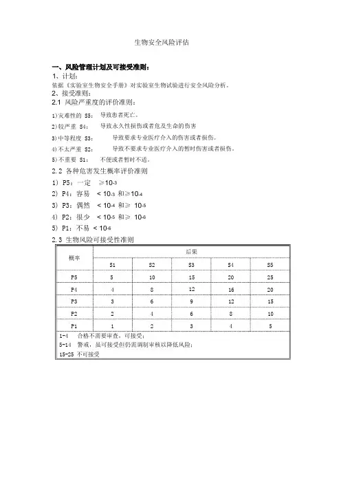
生物安全风险评估1、计划:依据《实验室生物安全手册》对实验室生物试验进行安全风险分析。
2、接受准则:2.1 风险严重度的评价准则:1)灾难性的 S5: 2)较严重 S4: 3)中等程度 S3: 4)不太严重 S2:5)不重要 S1: 导致患者死亡。
导致永久性损伤或者危及生命的伤害 导致要求专业医疗介入的伤害或者损伤。
导致不要求专业医疗介入的暂时伤害或者损伤。
不便或者暂时不适。
2.2 各种危害发生概率评价准则 1) P5:一定 ≥10-32) P4:容易 < 10-3 和≥10-4 3) P3:偶然 < 10-4 和≥ 10-5 4) P2:很少 < 10-5 和≥ 10-6 5) P1:不易 < 10-62.3 生物风险可接受性准则后果概率S3 15 12 9 6 31-4 合格不需要审查,可接受;5-14 警戒,虽可接受但仍需调制审核以降低风险; 15-25 不可接受S1 S2P5 5 10 P4 4 8 P3 3 6 P2 2 4 P1 1 2S4 20 16 12 8 4S5 25 20 15 10 51、实验室建造:2、储存设施1、是否安排了储存设施、储存架来确保储存物品不会滑是动、崩塌或者掉落?2、储存设施里是否堆积有易造成人员绊倒、火灾、爆炸无和昆虫藏匿的垃圾、闲杂材料和物品?3、冰柜和储存区域是否上锁3、环境卫生和工作人员设施1、建造物是否处于清洁、有序和卫生的状态?2、是否有饮用水?3、是否分别给男女工作人员准备了清洁、足够大的卫生间和洗澡设施?4、是否提供热水、肥皂和毛巾?5、是否分别给男女工作人员提供了更衣间?是(存放菌种的冰箱需加锁)是是无洗澡设施,生物试验不需要洗澡。
是是1、是否已经为设施的建设或者建成后的评估考虑了试运行和认证指南?2、实验室建造是否符合国家和地方的建造要求(包括与自然灾害预防有关的必须要求)?3、实验室建造总体是否整齐,并且周围没有障碍物?4 、实验室建造是否清洁?5 、地板是否有任何结构性缺陷?6 、地板和楼梯是否装修统一并能防滑?7 、工作空间能否满足安全操作的需要?8 、活动空间和走廊是否能满足人员通行和大型仪器设备的搬移?9 、试验台、家具和配件等能否正常使用?10、试验台表面能否耐溶剂和腐蚀性化学品的侵蚀?11、是否每一个实验室房间都有洗手池?12、实验室建造在构造和维护中能否避免啮齿动物和节肢动物进入及滞留?13、所有暴露在外的蒸汽管道和热水管道是否采取了隔热或者防护来保护人员安全?14、是否配备有断电时使用的独立供电系统?15、是否惟独授权人员方可进处出实验室?16、是否已经进行了危(wei)险度评估来确保配备了相应的仪器设备和设施来进行所考虑的工作洁净房间内的缓冲间有水池和洗眼器。
学院实验室安全风险评估学院实验室是教学科研的重要场所,但也存在一定的安全风险。
为了确保实验室的安全,需要对实验室进行风险评估。
首先,实验室中的化学品储存和使用存在安全风险。
实验室中常常储存有各种化学品,包括有毒、易燃、易爆等危险性较高的化学品。
这些化学品的储存和使用要求严格,一旦处理不当就可能会引发事故。
其次,实验室中的电器设备使用也存在一定的风险。
实验室中使用的设备如离心机、电磁炉等,如果没有定期检修和维护,存在着电器设备故障导致火灾、电击等安全风险。
另外,实验室中常常操作各种精密仪器,如显微镜、实验仪表等,操作不慎可能导致仪器损坏,甚至对操作人员造成伤害。
还有,实验室中常常进行高温、高压的实验,如常压下的反应釜。
这些实验操作存在着高温、高压的安全风险,一旦操作不当可能引发事故。
最后,实验室的通风条件和防护设施也是安全风险的关键。
实验室中的化学品挥发性较高,如果通风不良,有可能造成有毒气体的蓄积,对实验室人员的健康造成威胁。
同时,实验室中的防护设施如安全柜、防护服等如果没有按规范使用,也可能会给实验室人员带来危险。
针对上述风险,可以采取一系列措施进行风险控制。
首先,建立实验室安全管理制度,明确实验室责任人的权责和安全管理要求。
其次,加强化学品的储存和使用管理,确保符合相关法律法规要求,并采取必要的安全措施,如标注警示标识、分类存储等。
此外,定期维护和检修实验室中的电器设备,确保其正常使用。
同时,加强实验人员的安全教育培训,提高其安全意识和操作技能。
最后,定期检查和维护实验室的通风设备,确保其正常运行,保障实验室人员的身体健康。
总之,学院实验室存在一定的安全风险,但通过科学的风险评估和风险控制措施,可以有效保障实验室的安全,为实验教学和科学研究提供安全保障。
一、二级实验室设备安全风险评估表
背景介绍
本文档旨在评估一、二级实验室设备的安全风险,并提供相应的控制措施和建议,以确保实验室操作的安全性和可靠性。
设备安全风险评估
注意事项
1. 对于低风险设备,建议定期进行检查和维护,同时提供操作
指南和相关培训,以保证设备的正常运行和使用安全;
2. 对于中风险设备,应及时更换老化的部件,加强漏电保护措施,以减少潜在安全隐患;
3. 对于高风险设备,应禁止未经授权的人员进行操作和维护,
定期进行维护和检修,确保设备的安全性和可靠性。
请根据实际情况进行风险评估,并采取相应的控制措施和建议,确保实验室设备的安全性。
学院、学校实验室风险评估报告实验室安全管理是高校教学不科研工作的重要保证,而高校化学实验室所承载的探索性科研活动具有高危性和意外事故不可预见性,给实验室安全带来了隐患。
对化学实验室进行综合的安全风险评估是有效预防实验室事故,科学、合理地制定控制对策措施的基础。
一、风险情况分析本学院实验室主要为生物、化学及电子类实验室,实验人员不实验设备均是被保护的对象,实验室中存在的风险情况如下。
(1)自然灾害恶劣天气造成储存的危险品引起燃烧、爆炸,使有毒有害的化学物品外泄,造成突发性化学事故灾害,这类灾害是由不可抗拒的自然力引起的,发生的概率不大,但是具有高危性和不可预测性。
(2)实验室环境潜在威胁实验室条件简陋,用房紧张,通道狭窄,需分开存放的化学药品不能完全做到分开存放,设备的安全操作距离不够;存在乱设防护门窗、阻塞安全通道、妨碍应急逃生等问题。
(3)火灾事故供电线路戒电器具老化,导致发热、短路打火,引起火灾;擅自改装实验室电路戒使用大功率电器,过载引起短路着火;使用电炉、油浴加热锅等设备时实验人员脱岗,引起火灾;实验人员操作不慎戒使用不当,使火源接触易燃物质,引起着火;乱扔烟头,接触易燃物质,引起着火等。
这类事故的发生在化学实验室中具有普遍性。
(4)爆炸事故酿成这类事故的主要原因有:实验人员化学药品配制、使用不当,使得化学反应加剧造成爆炸;做加热、蒸馏实验时脱岗,无人值守造成实验器皿加热爆裂戒器皿中的化学试剂蒸干发生爆炸:压力气瓶遇高温戒强烈碰撞引起爆炸;易燃气体在空气中泄漏达到一定浓度时遇明火发生爆炸;易燃气体和助燃气体的气瓶放在一起,一旦泄漏气体混合发生爆炸。
这类事故多发生在有易燃易爆物品和压力容器的实验室。
由于燃爆本身及次生的灾害造成现场死伤人员多,有中毒伤员,也有烧伤、骨折、复合中毒伤员,伤情复杂。
(5)化学试剂腐蚀、灼伤事故多数化学合成实验是在高温下进行的,会产生液体沸腾溅出而灼烫人员。
此外,腐蚀性化学药品戒强酸、强碱试剂外溅造成眼睛戒皮肤被损伤、灼伤。
CNAS-CL01-2023风险评估记录表
1. 背景
此风险评估记录表是为了评估CNAS-CL01-2023项目的潜在风险而创建的。
通过对项目中可能出现的风险进行识别和评估,我们能够制定相应的应对措施,以最大程度地减少项目失败的风险。
2. 风险识别
在项目中,我们识别到以下潜在风险:
- 技术风险:可能出现技术实施问题,导致项目无法按计划完成。
- 资源风险:由于缺乏必要的资源(人力、物力、财力等),项目无法顺利进行。
- 时间风险:项目进度可能延迟,导致无法按时完成项目。
- 成本风险:项目预算可能超出控制范围,导致成本超支。
3. 风险评估
我们对识别到的风险进行了评估,将其分为以下几个等级:
- 高风险:可能对项目整体进展产生严重影响。
- 中风险:可能对项目进展产生一定影响,但不会导致项目严重受阻。
- 低风险:可能对项目进展产生轻微影响,但不会导致项目受阻。
4. 风险应对
在面对各项风险时,我们采取了以下措施进行应对:
- 技术风险:增加技术人员的培训和支持,保证项目的技术实施能力。
- 资源风险:优化资源分配,确保项目所需资源的充足性。
- 时间风险:制定详细的项目计划和进度控制机制,确保项目按时完成。
- 成本风险:制定严格的成本控制策略,避免出现不可控的成本超支情况。
5. 结论
通过对CNAS-CL01-2023项目的风险评估,我们认识到项目面临的潜在风险,并采取相应的应对措施进行管理和控制。
我们将持续关注项目中的风险情况,保证项目按计划进行,并取得成功。
病原微生物实验活动风险评估表(模版)病原微生物实验活动风险评估表单位名称:课题负责人:课题名称:实验活动简述:本评估表用于评估病原微生物实验活动的风险。
下面的内容将涉及实验级别、病原微生物特征、预防和治疗措施、实验室感染报道、设施设备因素等方面。
实验级别:请在相应的方框中打勾。
病原微生物特征:请填写病原微生物名称、危害程度分类、对人感染剂量、传播途径、环境中的稳定性、消毒、灭菌方法等信息。
预防和治疗措施:请填写是否为人畜共患病原体、治疗药物、呼吸道、消化道、血液传播、媒介、接触、母婴传播、性传播、稳定性等信息。
实验室感染报道:请填写是否有实验室感染报道。
实验活动的评估:请填写实验活动标准、操作程序、应急预案、样品类型、感染因子的浓度、一次操作最大样品量、感染性物质易产生气溶胶的操作、气溶胶防范措施、溢洒风险、锐器使用、涉及遗传修饰生物体、动物感染实验、废物处理程序等信息。
设施设备因素评估:请填写危险化学品、实验室生物安全柜、压力蒸汽灭菌器、离心机、实验室符合标准要求、年检周期、灭菌效果验证、手防护装备、躯体防护装备、乳胶手套、特殊手套等信息。
在医疗工作中,医护人员需要佩戴各种个体防护装备,以保护自己免受感染。
这些装备包括医用白大衣、手术服、连体服和隔离衣等。
同时,医用防护口罩、半脸式面罩和全脸式面罩也是必不可少的防护装备。
呼吸防护是个体防护装备中的重要一环。
自吸过滤式呼吸防护装备是一种常见的防护装备。
但是,在使用前需要进行适合性检验,以确保其能够有效防护。
眼面部防护装备也是必须的。
这些装备包括眼镜、护目镜和防护面罩等。
此外,足部防护装备也不能忽视。
对于一些特殊情况,如在使用压缩气体或液氮时,需要额外的正压防护装备。
在使用这些装备前,需要先进行合格性检验。
此外,在医疗工作中,一些设备的合格性也需要检验。
例如,摇床、培养箱等设备以及废物、废水处理设备都需要进行检验。
防护区的密闭性、压力、温度与气流控制也需要检验。
实验室风险评估报告一、引言实验室是进行科学研究和实验的重要场所,但同时也存在一定的风险。
为了确保实验室的安全运行,本报告对实验室的风险进行评估,并提出相应的控制措施。
二、实验室概况本实验室位于某大学化学楼,面积约200平方米,主要进行有机合成和分析实验。
实验室设备齐全,包括反应釜、离心机、气相色谱仪等。
三、风险评估1. 物理风险1.1 实验室设备:实验室设备齐全,但存在一定的物理风险,如设备损坏、漏电等。
建议定期检查设备的安全性,并进行维护和维修。
1.2 实验室布局:实验室布局合理,但需注意通道的畅通,避免杂物堆放,以防止人员行走时发生意外。
2. 化学风险2.1 危险化学品:实验室存放了一些危险化学品,如有机溶剂、酸碱等。
建议对危险化学品进行分类储存,并配备相应的防护设施,如化学品柜、防护眼镜等。
2.2 废弃物处理:实验室产生的废弃物需要正确处理,以避免对环境和人员健康造成危害。
建议建立废弃物分类处理制度,并配备相应的废弃物容器。
3. 生物风险3.1 微生物实验:实验室进行了一些微生物实验,如培养细菌等。
建议建立相应的生物安全操作规程,包括个人防护、实验室消毒等。
3.2 生物安全柜:实验室应配备生物安全柜,以防止微生物在实验过程中的扩散和污染。
4. 火灾风险4.1 火源:实验室存在一定的火源,如燃气灶、电炉等。
建议加强火源管理,确保设备的安全使用,并配备灭火器等消防设备。
4.2 灭火系统:实验室应配备灭火系统,以及明确消防通道和紧急疏散路线。
五、风险控制措施1. 设备维护:定期检查设备的安全性,并进行维护和维修。
2. 实验室布局:保持通道的畅通,避免杂物堆放。
3. 化学品储存:对危险化学品进行分类储存,并配备相应的防护设施。
4. 废弃物处理:建立废弃物分类处理制度,并配备相应的废弃物容器。
5. 生物安全操作:建立生物安全操作规程,包括个人防护和实验室消毒。
6. 火源管理:加强火源管理,确保设备的安全使用,并配备灭火器等消防设备。