脚手架验收表格
- 格式:docx
- 大小:66.65 KB
- 文档页数:7
太原建筑工程质量安全监督站监制并A-3-01 落地式外脚手架检查验收表(一)单位名称:凯翔集团有限公司工程名称:嘉怡国际丽都城7#楼验收部位:搭设高度M:架体材质:钢管序号检查项目内容标准检查结果一立杆基础1、必须平整夯实,不良土质已处理好。
合格2、立杆脚有底座或垫木,或符合施工组织设计要求。
合格3、用悬臂型钢及吊杆时,要符合施工组织设计要求。
合格4、设挡地杆,有排水措施。
合格二架筑物与拉建结1、使用刚性拉顶夹或使用8#镀锌丝、6#钢筋拉结坚固。
合格2、架子高度7米以上,每高4米,水平每隔7米应与建筑物的牢固拉结合格三防护栏及安全立网1、外侧、斜道、平台要绑1.2米高的防护栏杆。
合格2、外侧挂密目式安全立网严密防护。
合格四杆件间距1、竹架须搭设双排。
立杆间距不得大于1.3米;大横杆不得大于1.2米;小横杆不得大于0.75米.钢架立杆间距不得大于2米;大横杆不得大于1.2米;小横杆不得大于1.5米.合格2、架高超过50米,搭设方案必须有计算书,。
合格五剪刀撑1、两端转角处及每隔6-7根立杆设剪刀撑到顶或每15米设一度。
合格2、与地面夹角应在45-60度之间。
合格3、与立杆或大横杆每点有扣夹(绑扎)牢固。
合格太原建筑工程质量安全监督站监制并A-3-01 落地式外脚手架检查验收表(二)序号检查项目内容标准检查结果1、立杆、大横杆接驳口须错开,连接扣件应正确作用。
合格六杆件搭接2、钢管接驳要有驳芯和驳夹,木竹杆接驳长度应不小于1.5米。
合格七材质1、扣件有出厂合格证明,有脆裂、变形、滑丝的禁止使用。
合格2、钢管有严重锈蚀、弯曲、压扁或裂纹的不得使用。
合格3、竹杆青嫩或有枯脆、裂纹、白麻、虫蛀、腐朽等缺陷不得使用。
合格八架体内封闭1、施工层脚手架内立杆与建筑物之间用平网或其它措施封闭。
合格九通道1、架体内设供人员上下的斜道,坡度宜少于1:3。
合格十卸料平台1、卸料平台承重须经设计计算。
合格2、不得以脚手架作为平台的支撑系统。
满堂脚手架检查验收表概述为确保脚手架建设质量,避免安全事故的发生,特制定本检查验收表,供各位参考。
检查验收内容1.基本信息确认1.1 项目名称:____________1.2 脚手架编号:____________1.3 脚手架类型:____________1.4 搭建日期:____________1.5 拆除日期:____________2.安全措施检查2.1 安全网是否按要求设置,网孔是否符合标准要求,并是否封闭?2.2 站架周边是否设置安全提示标志牌,安全防护障碍等?2.3 所有脚手架是否设置扶手、靠板和踏板,并是否安装牢固?3.材料检查3.1 脚手架的搭建是否采用规定的材料(如:钢管、踏板等)?3.2 脚手架的材料是否符合国家标准?4.尺寸检查4.1 脚手架的高度是否符合规定,脚手架立杆卸荷是否在500KG以内?5.接头检查5.1 接头是否按要求设置?5.2 有无虚接、漏接、错接或者焊接不牢固的现象?6.使用检查6.1 验证施工过程中脚手架框架、立杆无裂纹、变形和变色、弯曲等现象?6.2 所有工作台板是否整齐排列,有无杂乱现象?验收标准1.安全标准1.1 安全网完好、有效、严密。
1.2 所有楼层配备足够的安全防护措施。
1.3 所有扶手、靠板和踏板的安装牢固可靠,且无锈蚀、破损等现象。
1.4 满足施工所需的所有安全标准。
2.材料标准2.1 使用国家标准材料,严格按照使用规范操作。
2.2 调查所有材料的质量证明文件和检验报告。
2.3 满足施工所需的所有材料标准。
3.使用标准3.1 所有工人均接受脚手架安全培训和操作规范的培训,并取得了相应的证件。
3.2 工人按照标准程序正确搭建和使用脚手架。
3.3 工人操作正确,没有违规现象。
结论本次验收经过全面细致的检查,脚手架使用符合规范,各项指标均符合要求,建议施工单位与施工队员严格按照验收标准进行操作,并加强对脚手架制造和搭建的监管,确保施工过程安全、规范、高效。
1、落地式脚手架搭设验收记录表
工程名称:单位名称:监理公司名称:
2.挂脚手架验收记录表
工程名称:单位名称:监理公司名称:
3.悬挑式脚手架验收记录表
工程名称:单位名称:监理公司名称:
1.吊篮脚手架验收记录表(手动与电动)
工程名称:单位名称:监理公司名称:
2.门型脚手架验收记录表
工程名称:单位名称:监理公司名称:
6.附着式脚手架(升、降)验收记录表
一、资料检查要求
二、被验收附着式升降脚手架的主要技术参数被检附着升降脚手架的主要技术参数
三、架子架体验收内容
(续表)
注:脚手架每次升降以后必须实施验收、合格后方能投入使用,验收项目中:18~35要做验收记录
7.安全防护措施搭设验收记录表
工程名称:单位名称:监理公司名称:
8.横板支撑系统验收记录表
模板工程名称:施工部位:
施工单位:支撑材料:监理公司名称:
9.井架与龙门架搭设验收记录表
单位名称:工程名称:搭设高度:监理公司名称:
一、资料验收
二、硬件验收
(续表)
10、上回转塔式起重机安装(加节)验收记录表
使用单位:设备所属单位:
工程名称:安装单位:监理公司名称:
.
.
.
(续表)
11.下回转塔式起重机安装验收纪录表
使用单位:设备所属单位:
工程名称:安装单位:
机械标号:规格型号:监理公司名称:
(续表)
12施工升降机安装(加节)验收纪录表
规格编号设备所属单位名称:
工程名称:使用单位名称:机械标号:监理公司名称:。
脚手架验收表(三方验收)
项目信息
- 项目名称:[项目名称]
- 施工单位:[施工单位]
- 监理单位:[监理单位]
- 验收日期:[验收日期]
脚手架信息
- 脚手架类型:[脚手架类型]
- 脚手架高度:[脚手架高度]
- 脚手架搭设起止日期:[脚手架搭设起止日期]
- 承重指标:[承重指标]
验收内容
1. 脚手架搭设是否符合设计要求?
- [ ] 是
- [ ] 否
2. 脚手架是否稳固可靠?未发现倾斜、晃动等异常情况。
- [ ] 是
- [ ] 否
3. 脚手架的支撑、连接件是否完整并安装正确?
- [ ] 是
- [ ] 否
4. 脚手架的承重材料是否符合要求,并与设计方案一致?- [ ] 是
- [ ] 否
5. 脚手架的防护措施是否到位,包括安全带、护栏等?- [ ] 是
- [ ] 否
6. 是否存在其他异常情况?
- [ ] 是(如有,请在下方备注说明)
- [ ] 否
验收意见
验收工作组评定脚手架是否通过验收:
- [ ] 是
- [ ] 否
如有未通过验收的情况,请说明具体原因,并提出整改要求:
备注:
验收人员
- 施工方代表签字:________________
- 监理方代表签字:________________
- 验收日期:________________
注意:本文档仅为示例,具体内容需要根据实际情况进行调整。
脚手架验收记录表在建筑施工中,脚手架是一项至关重要的临时结构,为工人提供了安全的作业平台和通道。
为了确保脚手架的安全性和可靠性,每次搭建完成后都需要进行严格的验收。
下面是一份详细的脚手架验收记录表,涵盖了各个关键方面的检查内容和要求。
一、工程信息工程名称:_____施工地点:_____施工单位:_____脚手架搭建负责人:_____二、验收日期_____年_____月_____日三、脚手架基本信息1、脚手架类型:例如:落地式、悬挑式、附着式等2、脚手架高度:_____米3、脚手架长度:_____米4、脚手架宽度:_____米四、基础与底座1、基础是否坚实平整,无积水、无下沉现象。
是否若否,具体问题描述:____________________2、底座是否稳固,有无松动。
是否若否,具体问题描述:____________________五、立杆1、立杆间距是否符合设计要求。
是否若否,具体间距及偏差:____________________2、立杆垂直度偏差是否在规定范围内(≤H/200,且≤100mm,H 为脚手架高度)。
是否若否,具体偏差值:____________________3、相邻立杆接头是否错开,且不在同一步距内。
是否若否,具体情况描述:____________________1、横杆步距是否符合设计要求。
是否若否,具体步距及偏差:____________________2、横杆水平度偏差是否在规定范围内(≤L/400,且≤50mm,L 为横杆长度)。
是否若否,具体偏差值:____________________七、剪刀撑1、剪刀撑设置是否符合规范要求(如:高度在 24m 以下的脚手架,在外侧两端、转角及中间间隔不超过15m 的立面上各设置一道剪刀撑;高度在 24m 及以上的脚手架,在外侧全立面连续设置剪刀撑)。
是否若否,具体问题描述:____________________2、剪刀撑斜杆的接长是否符合要求(搭接长度不应小于 1m,并应采用不少于 2 个旋转扣件固定)。
脚手架(木板)进场质量验收表项目信息
- 项目名称: [请填写项目名称]
- 施工单位: [请填写施工单位]
- 脚手架供应商: [请填写脚手架供应商]
- 验收日期: [请填写验收日期]
验收标准
1. 脚手架(木板)应符合国家标准《建筑脚手架木板》(GB/T -2013)的要求。
2. 脚手架(木板)的质量应达到以下要求:
- 木板表面应平整,无明显裂纹、翘曲等缺陷。
- 木板边缘应整齐,无毛刺、裂口等破损。
- 木板的厚度应符合设计要求。
- 木板的材质应符合国家标准的要求。
验收内容
1. 检查脚手架(木板)的外观是否完好,无明显损伤。
2. 验证脚手架(木板)的尺寸是否与设计要求相符。
3. 检查脚手架(木板)的表面是否平整,无明显裂纹、翘曲等缺陷。
4. 检查脚手架(木板)的边缘是否整齐,无毛刺、裂口等破损。
5. 核对脚手架(木板)的厚度是否符合设计要求。
6. 验证脚手架(木板)材质是否符合国家标准的要求。
验收结果
根据以上验收内容,对脚手架(木板)的进场质量进行评定:
- 通过验收: ✔️
- 不合格: ❌
验收人员
- 验收人员: [请填写验收人员姓名]
- 验收意见: [请填写验收人员意见]
备注
[可根据实际情况填写其他相关信息]。
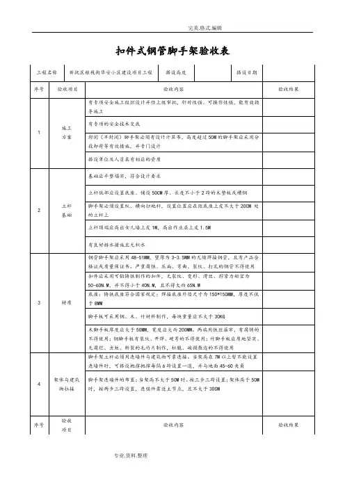
工程名称序号
序号
扣件式钢管脚手架验收表新抚区粮栈街华安小区建设项目工程
验收项目验收内容
施工
方案
立杆
基础
材质
架体与建筑
物拉接
验收
项目
搭设高度搭设日期
有专项安全施工组织设计并经上级审批,针对性强、可操作性强,能有效指
导施工
有专项的安全技术交底
封闭(半封闭)脚手架必须有设计计算书,高度超过50M的脚手架应采用分
段卸荷等有效措施,并专门设计
搭设单位及人员具有相应的资质
基础应平整塌实,符合设计要求
立杆低部应设置底座、铺设50CM厚、长度不小于2跨的木垫板或槽钢
脚手架必须设置纵、横向扫地杆,设置位置应在距底座上皮不大于的立
杆上
立杆顶端应高出女儿墙上皮1M高出作业层上皮1.5M
有良好排水措施且无积水
20CM 处
钢管脚手架应采用48-51MM壁厚为3-3.5MM的无缝焊接钢管,且有产品合格证或质
量保证书。
严重腐蚀、压扁、弯曲、裂纹、打孔的钢管不得使用
扣件应采用可锻铸铁制作的扣件,无裂纹、变形、滑丝、拧紧力矩宜为
50-60N.M,并不得小于40N.M,且不得大雨65N.M
底座:铸铁底座符合国家规定;焊接底座外径尺寸为
于8MM
脚手板可采用钢、木、竹材料制作,每块重量应不大于
150*150MM 厚度不低
30KG
木脚手板厚度应大于50MM宽度应大雨200MM两端用铁丝箍牢,有腐锈的不得使用;
钢脚手板有裂纹、开焊、硬弯的不得使用;竹脚手板应质地坚实、无腐烂、虫蛀、断裂
的毛竹片制作,松脆、破损散边的不得使用
脚手架立杆必须用连墙件与建筑物可靠连接。
当架高在7M以上暂不能设置
连墙件时,可搭设抛撑抛撑每隔6跨设置一道,并与地面45-60夹角
脚手架连墙件的布置:当架高不大于50M时。
按三步三跨设置;架体高于50M 时,按两步
三跨设置,连强件靠近主节点,且不大于30CM
验收内容
验收结果
验收结果
序号序号悬挑脚手架验收表格
工程名称搭设高度搭设日期
验收项目验收内容
有专项安全施工组织设计、设计计算书并经上级审批,针对性强、可操作性强,
能有效指导施工
施工
方案
悬挑梁与架
体稳定
材质
架体与建筑
物拉接
验收
项目验收结果
有专项的安全技术交底
搭设单位及人员具有相应的资质
悬挑梁或悬挑架应为型钢或定型桁架,安装时必须按设计要求进行。
悬挑架不得
采用扣件连接
多层悬挑可采用悬挑梁或悬挑架,每段搭设高度应不大于24
悬挑梁按立杆间距1.5布置。
间距大于1.5的,应在挑梁上加横梁,并符合设计要求
悬挑梁安装数量、位置、间距、方式应符合设计要求,与建筑物连接稳固可
立杆第一步应支托在悬挑梁上并有固定措施
架体连墙件的布置应按两步三跨设置,其位置应靠近主节点,与建筑结构刚性拉
接牢固
型钢应符合钢结构设计规范要求,有产品合格证或质量保证书
钢管脚手架应采用48-51MM壁厚为3-3.5MM的无缝焊接钢管,且有产品合格证或质
量保证书。
严重腐蚀、压扁、弯曲、裂纹、打孔的钢管不得使用
扣件应采用可锻铸铁制作的扣件,无裂纹、变形、滑丝、拧紧力矩宜为
50-60N.M,并不得小于40N.M,且不得大雨65N.M
底座:铸铁底座符合国家规定;焊接底座外径尺寸为150*150MM厚度不低
于8MM
脚手板可采用钢、木、竹材料制作,每块重量应不大于30KG
木脚手板厚度应大于50MM宽度应大雨200MM两端用铁丝箍牢,有腐锈的不得使用;
钢脚手板有裂纹、开焊、硬弯的不得使用;竹脚手板应质地坚实、无腐烂、虫蛀、断裂
的毛竹片制作,松脆、破损散边的不得使用脚手架立杆必须用连墙件与建筑物可靠连
接。
当架高在7M以上暂不能设置
连墙件时,可搭设抛撑抛撑每隔6跨设置一道,并与地面45-60夹角
脚手架连墙件的布置:当架高不大于50M时。
按三步三跨设置;架体高于50M 时,按两步
三跨设置,连强件靠近主节点,且不大于30CM
验收内容验收结果
吊篮脚手架验收表格
搭设高度搭设日期
序号验收项目验收内容验收结果
1
施工
方案
有专项安全施工组织设计、设计计算书并经上级审批,针对性强、可操作性强,能有效指导施工
有专项的安全技术交底
搭设单位及人员具有相应的资质
2
架体
组装
挑梁锚固或配重设置及挑梁间距、尺寸、材质应符合设计及说明书要求。
电动(手动)葫
芦具有产品合格证
吊篮组装符合设计要求。
定型产品应有产品合格证
3
安全
装置吊篮必须装有安全锁且灵敏可靠,并在吊篮悬挂处增设一根安全钢丝绳
两片吊篮同时升降时必须设置同步升降装置并灵敏可靠
吊篮上应设超载保护装置和防倾斜装置并灵敏可靠
吊篮应有保险装置并灵敏完好
吊篮钢丝绳规格应满足设计要求,保养良好,绳卡不少于3个。
钢丝绳不得接长使用
吊点间距、数量应符合要求
提升钢丝绳应与地面保持垂直,不得斜拉
4 脚手板脚手板采用钢、木材料制作,每块重量应不大于30KG
木脚手板厚度应大于50MM宽度应大雨200MM两端用铁丝箍牢,有腐锈的不得使用;钢脚手板有裂纹、开焊、硬弯的不得使用;竹脚手板应质地坚实、无腐烂、虫蛀、断裂的毛竹片制作,松脆、破损散边的不得使用
脚手板应铺满、铺稳,有固定措施,不得有探头板
5
吊篮
防护吊篮外侧应用密目式安全网封严
作业层外侧设置高1.2M和0.6M的双道防护栏杆及18CM高的挡脚板,靠建筑物的内侧设置0.8M高的防护栏杆
多层作业,顶部应设防护顶板,顶板与作业层脚手架距离应不小于2M
6 架体
稳定
吊篮在建筑物滑动时,应设导轮装置
吊篮距建筑物间隙应不大于200MM
工程名称。