见证取样记录
- 格式:xls
- 大小:29.00 KB
- 文档页数:1
工程试块试件见证取样记录工程名称:工程工程地点:省市区施工单位:建筑公司监理单位:监理公司见证单位:检测公司见证人:工程质量监督员检测人:检测员日期:20XX年X月X日一、背景介绍经与施工单位和监理单位沟通,决定对工程的XX试块、XX试件进行取样,并进行见证,以确保工程质量。
二、取样地点1.XX试块取样地点:部位(例如楼板、墙体等)2.XX试件取样地点:部位(例如柱子、梁等)三、取样仪器设备1.钢钎:规格为X毫米2.锤子:规格为X克3.测量工具:直尺、卷尺等四、取样过程1.XX试块取样过程:见证人到达取样地点,并与施工单位、监理单位的相关人员进行沟通,确认取样点;检测人使用钢钎在取样点进行取样,每个取样点进行3次取样,每次取样深度约为X毫米,取样过程中需保证取样点的保持稳定;检测人将取得的试块放置于试块箱中,并标注编号、取样点位号、取样日期等信息;见证人对取样过程进行实时记录,并与监理单位的相关人员进行核对。
2.XX试件取样过程:见证人到达取样地点,并与施工单位、监理单位的相关人员进行沟通,确认取样点;检测人使用钢钎和锤子在取样点进行取样,每个取样点进行3次取样,每次取样深度约为X毫米,取样过程中需保证取样点的保持稳定;检测人将取得的试件放置于试件袋中,并标注编号、取样点位号、取样日期等信息;见证人对取样过程进行实时记录,并与监理单位的相关人员进行核对。
五、取样结果经过取样并进行实验分析,得到的结果如下:1.XX试块取样结果:样品编号为X,强度为XMPa;2.XX试件取样结果:样品编号为X,强度为XMPa。
六、见证人意见见证人对取样过程进行了实时记录,并认为取样过程符合规范要求,结果准确可靠。
以上就是关于工程试块、试件见证取样的记录,希望能对您有所帮助。
工程材料构配件见证取样记录一、项目名称:XXX工程二、工程地点:XXX三、检测单位:四、被取样材料及构配件名称:(以下按照不同的材料及构配件逐一列出,例如钢筋、水泥、混凝土等)1.材料1:材料名称:材料规格:生产厂家:生产日期:取样位置:2.材料2:材料名称:材料规格:生产厂家:生产日期:取样位置:五、见证取样时间及地点:1.时间:(具体日期和时间)2.地点:(具体地点)六、见证人员及其身份:1.见证人员1:身份:(例如工程监理、材料检测人员等)姓名:2.见证人员2:身份:姓名:七、见证取样过程:1.决定取样位置:见证人员按照相关规定和要求,在现场对被取样材料及构配件的使用位置进行确认,并决定取样位置。
2.准备取样工具:见证人员准备好所需的取样工具,确保其符合检测要求和规定。
3.取样前处理:见证人员对被取样材料及构配件进行必要的处理,例如清洁、调整等步骤。
4.确认取样位置:见证人员再次确认取样位置,并确保取样位置准确无误。
5.取样过程:根据相关规定和要求,见证人员使用准备好的取样工具对被取样材料及构配件进行取样。
6.标识样品:见证人员在取样的样品上做好标识,包括材料名称、规格、生产日期等重要信息。
七、见证取样结果:1.样品编号:(对取样的每个样品进行编号,方便后续处理和使用)2.样品保存:见证人员将取样的样品进行妥善保存,确保其不受污染和损坏。
3.样品送检:见证人员将取样的样品送交给相关的检测单位进行检测和分析。
八、取样证明:1.本取样记录为见证人员在现场取样的真实记录,证明取样过程和结果。
2.取样过程中未发现任何异常情况。
九、备注:(对取样过程中的特殊情况、注意事项等进行备注)十、见证人员签名:1.见证人员1签名:2.见证人员2签名:以上为工程材料、构配件见证取样记录,共计1200字以上。
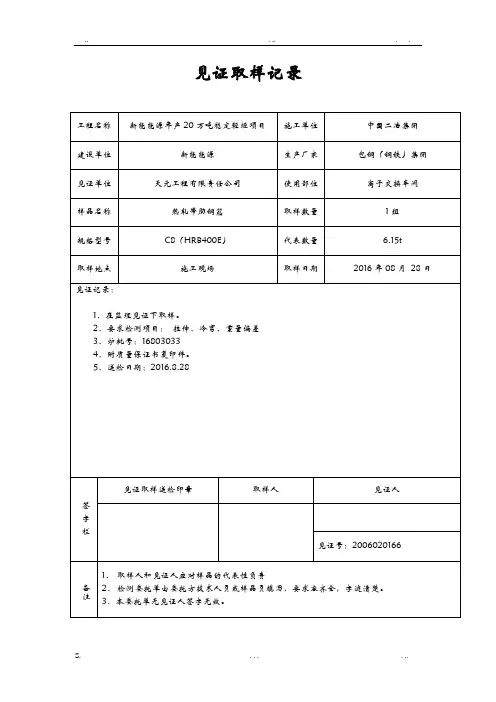
钢筋见证取样记录
钢筋见证取样记录
项目名称:XXX工程
项目地点:XXX市XXX区XXX路XXX号
取样日期:XXXX年XX月XX日
见证人:
姓名:XXX
单位:XXX公司
联系方式:XXX
取样人:
姓名:XXX
单位:XXX公司
联系方式:XXX
见证钢筋型号:HRB400E
取样数量:10 根
取样位置:地下室2层柱子(编号:C2-01~C2-10)
取样方式:手动取样
取样记录:
1. 先对每根钢筋表面进行外观检查,未发现明显腐蚀、龟裂等现象;
2. 用手动钢锤在每根钢筋两端各敲打10下,观察钢筋表面是否有断裂、裂纹等缺陷,未发现异常情况;
3. 在每根钢筋的中部位置割断,长约30cm,并在断面上涂上酸性溶液,观察断面处是否有钢筋锈蚀的痕迹,未发现腐蚀迹象;
4. 对每根钢筋进行编号,将取样的30cm长钢筋放入标识好的塑料袋内,在袋子上做上钢筋编号,以方便后续的实验研究。
备注:本次取样结果为合格,未发现任何异常情况。
见证人:取样人:
签名:______________________ 签名:_____________________。
建设工程质量见证取样见证记录1. 引言建设工程质量见证取样见证记录是记录建设工程质量见证取样见证过程的文档。
本文档旨在详细描述见证过程中的各个环节和操作,并将相关信息以Markdown文本格式输出。
2. 见证目的和范围见证目的是为了确保建设工程质量符合相关标准和规定,提供有效的质量监督和保障措施。
见证范围包括建设工程中的各个环节和质量关键点。
3. 见证人员和机构见证人员包括建设工程的业主代表、建设单位代表、监理代表、见证人员等。
见证机构可为第三方独立的质量检测机构。
4. 见证过程见证过程分为取样和见证两个环节。
4.1 取样取样是指从建设工程现场采集材料、构件或其他相关物品作为见证样品进行检测和分析。
取样过程如下:•制定取样计划:根据工程需要和检测要求,制定详细的取样计划,包括取样地点、数量和方法等。
•选择样品:根据取样计划,从现场选择符合要求的样品。
•样品标识:对每个样品进行标识,包括取样地点、日期、时间等信息。
•取样记录:记录每个样品的取样过程,包括取样人员、取样地点、数量等。
•样品包装:将每个样品包装好,并密封标记。
4.2 见证见证是指见证人员进行监督和记录,确保取样过程符合规定的程序和要求。
见证过程如下:•见证准备:见证人员按照规定的流程和要求准备好见证装备和文件。
•到达现场:见证人员到达取样现场,与其他相关人员进行沟通和确认。
•见证记录:见证人员记录见证过程的每一个环节,包括时间、人员和操作等信息。
•见证取样:见证人员对取样过程进行监督和记录,确保符合规定的程序和要求。
•见证样品封存:见证人员对取样的样品进行封存,保证取样的完整性和可追溯性。
•见证报告和证据保留:见证人员根据见证过程编制见证报告,并保留必要的证据材料。
5. 见证结果和控制措施见证结果是对见证过程的评价和记录。
根据见证结果,需要采取相应的控制措施来确保建设工程质量。
见证结果和控制措施如下:•合格:见证过程符合规定的程序和要求,建设工程质量得到有效控制。
见证取样记录及检测报告
一、样品信息
1.样品名称:
2.样品编号:
3.取样日期:
4.取样地点:
5.取样人员:
6.样品状态:
二、取样方法
1.取样依据:相关标准和规定。
2.取样数量:按照相关标准确定。
3.取样部位:按照相关标准确定。
4.取样过程描述:详细记录取样过程,包括取样前的准备、取样过程中的注
意事项等。
三、检测项目
1.检测项目一:
2.检测项目二:
3.检测项目三:
四、检测结果
1.检测项目一结果:列出检测数据及分析结果。
2.检测项目二结果:列出检测数据及分析结果。
3.检测项目三结果:列出检测数据及分析结果。
五、检测结论
根据上述检测结果,得出以下结论:
(在此填写检测结论)
六、检测报告签字盖章
1.检测人员签名:
2.见证取样人员签名:
3.送检单位代表签名:
4.报告日期:
5.盖章:
七、联系方式
1.检测机构名称:
2.联系电话:
3.联系邮箱:
4.联系地址:
八、备注
(在此填写其他补充说明)。
目录1、水泥取样2、砂取样3、碎石取样4、混凝土速凝剂取样5、混凝土用水取样6、喷射混凝土试块取样7、混凝土试块取样8、砂浆试块取样9、砖、砌块取样10、防水材料取样11、锚杆取样12、混凝土用钢筋取样13、锚索取样14、锚固剂取样见证取样记录表SMJZ/QA。
04、7。
1—26工程名称:编号:见证取样记录表SMJZ/QA。
04、7。
1—26工程名称:编号:见证取样记录表SMJZ/QA.04、7。
1—26工程名称: 编号:见证取样记录表SMJZ/QA.04、7。
1—26工程名称: 编号:见证取样记录表SMJZ/QA.04、7.1—26工程名称:编号:见证取样记录表SMJZ/QA.04、7.1—26工程名称:编号:见证取样记录表SMJZ/QA.04、7。
1-26工程名称:编号:见证取样记录表SMJZ/QA.04、7。
1—26工程名称:编号:见证取样记录表SMJZ/QA.04、7.1—26工程名称:编号:见证取样记录表SMJZ/QA.04、7.1-26工程名称:编号:见证取样记录表SMJZ/QA 。
04、7.1—26工程名称:编号:见证取样记录表SMJZ/QA.04、7.1—26工程名称:编号:见证取样记录表SMJZ/QA.04、7.1-26工程名称:编号:见证取样记录表SMJZ/QA。
04、7。
1—26工程名称:编号:见证取样记录表SMJZ/QA.04、7.1—26工程名称:编号:见证取样记录表SMJZ/QA.04、7。
1—26工程名称:编号:。
本文部分内容来自网络整理,本司不为其真实性负责,如有异议或侵权请及时联系,本司将立即删除!
== 本文为word格式,下载后可方便编辑和修改! ==
见证取样记录范例
篇一:见证取样记录表范例
表B3-5
见证取样记录表
工程名称:编号:
见证取样记录表
工程名称:
编号:
见证取样记录表
工程名称:编号:
表B3-5
见证取样记录表
工程名称:编号:
见证取样记录表
工程名称:编号:
篇二:见证取样记录表-示列
目录
1、水泥取样
2、砂取样
3、碎石取样
4、混凝土速凝剂取样
5、混凝土用水取样
6、喷射混凝土试块取样
7、混凝土试块取样
8、砂浆试块取样
9、砖、砌块取样
10、防水材料取样
11、锚杆取样
12、混凝土用钢筋取样
13、锚索取样
14、锚固剂取样
SMJZ/QA.04、7.1—26
工程名称:编号:
SMJZ/QA.04、7.1—26
工程名称:编号:
SMJZ/QA.04、7.1—26
工程名称:编号:
SMJZ/QA.04、7.1—26
工程名称:编号:
篇三:见证取样记录表
工程名称:南漳县宝达石
材有限责任公司 #住宅楼工程编号:
工程名称:南漳县宝达石材有限责任公司 #住宅楼工程编号:工程名称:南漳县宝达石材有限责任公司 #住宅楼工程编号:。
见证取样记录表工程名称:副斜井编号:见证取样记录表工程名称:副斜井编号:见证取样记录表工程名称:副斜井编号:见证取样记录表工程名称:主水平运输巷编号:见证取样记录表工程名称:主水平运输巷编号:见证取样记录表工程名称:主水平运输巷编号:见证取样记录表工程名称:回风斜井编号:见证取样记录表工程名称:回风斜井编号:见证取样记录表工程名称:回风斜井编号:表B3-5见证取样记录表工程名称:回风斜井编号:见证取样记录表工程名称:回风斜井编号:见证取样记录表工程名称:轨道上山编号:见证取样记录表工程名称:轨道上山编号:见证取样记录表工程名称:轨道上山编号:表B3-5见证取样记录表工程名称:轨道上山编号:表B3-5见证取样记录表工程名称:轨道上山编号:工程名称:轨道上山编号:工程名称:轨道上山编号:工程名称:轨道上山编号:工程材料/构配件/设备报审表工程名称:轨道上山编号:工程名称:回风斜井编号:工程名称:回风斜井编号:工程名称:回风斜井编号:工程名称:回风斜井编号:工程名称:回风斜井编号:工程名称:回风斜井编号:工程名称:主水平运输巷编号:工程名称:主水平运输巷编号:工程名称:主水平运输巷编号:工程材料/构配件/设备报审表工程名称:主水平运输巷编号:工程名称:副斜井编号:工程名称:副斜井编号:工程名称:副斜井编号:工程材料/构配件/设备报审表工程名称:副斜井编号:。
混凝土见证取样记录范文单.doc见证取样和见证送编号:砼— 01工程名称:关岭县污水处理工程—污水处理厂取样部位:一体化氧化沟基础超深部分样品名称:C15 混凝土取样数量:一组取样地点:施工现场见证取样记录:见证送检记录:施工现场混凝土浇筑地点随机见证取样取样人:送样人:取样见证人:送样见证人:取样日期:送样日期:2022 年7 月28 日年代日说明:1、此表由取样人及见证人分离在见证取样和送样后准时填写,并由取(送)样人、见证人签字,存入该工程建设(监理)管理档案。
2、本表主要记录确保该组(次)取样的代表性、真切性、已实行的措施和确保该组(次)送样真切性,已实行的措施。
见证取样和见证送编号:砼— 02工程名称:关岭县污水处理工程—污水处理厂取样部位:一体化氧化沟基础超深部分样品名称:C15 混凝土取样数量:一组取样地点:施工现场见证取样记录:见证送检记录:施工现场混凝土浇筑地点随机见证取样取样人:取样见证人:取样日期:送样人:送样见证人:送样日期:2022 年7 月30 日年代日说明:1、此表由取样人及见证人分离在见证取样和送样后准时填写,并由取(送)样人、见证人签字,存入该工程建设(监理)管理档案。
2、本表主要记录确保该组(次)取样的代表性、真切性、已实行的措施和确保该组(次)送样真切性,已实行的措施。
见证取样和见证送编号:砼— 03 工程名称:关岭县污水处理工程—污水处理厂取样部位:一体化氧化沟基础超深部分样品名称:C15 混凝土取样数量:一组取样地点:施工现场见证取样记录:见证送检记录:施工现场混凝土浇筑地点随机见证取样取样人:取样见证人:取样日期:送样人:送样见证人:送样日期:2022 年8 月6 日年代日说明:1、此表由取样人及见证人分离在见证取样和送样后准时填写,并由取(送)样人、见证人签字,存入该工程建设(监理)管理档案。
2、本表主要记录确保该组(次)取样的代表性、真切性、已实行的措施和确保该组(次)送样真切性,已实行的措施。
见证取样记录及检测报告一、背景介绍在很多行业中,取样和检测是非常重要的环节。
无论是在食品行业、环境监测还是医药领域,都需要对样品进行取样和检测,以确保产品质量和安全性。
见证取样记录及检测报告是对取样和检测过程进行记录和总结的文档,其编制需要严格依据相关规范和标准,以确保报告的准确性和可靠性。
本文将对见证取样记录及检测报告的编制过程进行详细介绍。
二、见证取样记录1. 取样计划在进行取样工作前,需要制定取样计划。
取样计划应包括取样点、取样数量、取样时间、取样方法、取样器具、取样人员等信息。
取样计划的编制需由专业人员负责,并经相关部门审核确认后方可执行。
2. 取样过程记录在实际取样过程中,取样人员需要记录取样的具体过程,包括取样地点、取样时间、取样方法、气候条件等情况。
取样人员还需记录必要的环境信息,如空气温度、湿度等。
3. 取样样品标识每个取样样品需要进行标识,标识内容应包括取样点编号、取样时间、取样人员等必要信息。
标识应明显、不易磨损。
取样人员需要在取样样品上签字确认。
4. 取样样品保存取样后的样品需要妥善保存,以确保样品的完整性和可追溯性。
可以根据标准的要求,将样品保存在相应的容器中,并按规定的条件进行保存。
5. 记录归档完成取样工作后,取样人员需要将取样记录整理归档,并提交给相关部门负责人审核。
取样记录归档后需妥善保存,以备将来查阅。
三、检测报告1. 检测前准备在进行样品检测前,需要对检测设备和仪器进行校准和验证,以确保检测结果的准确性和可靠性。
需要对样品进行必要的准备工作,如样品的预处理、提取等。
2. 检测过程记录检测人员需要记录检测的具体过程,包括检测时间、检测方法、使用的仪器和设备等信息。
需要对检测设备和仪器进行实时监测和记录,以确保检测过程的质量。
3. 检测结果分析得到检测结果后,检测人员需要对结果进行分析。
在检测报告中,应包括样品信息、检测结果、分析结论等内容。
检测结果的分析需要严格依据相关标准和要求。
混凝土见证取样记录见证日期:XXXX年XX月XX日见证人员:XXX(见证员)、XXX(检测员)工程名称:XXX工程施工单位:XXX公司见证地点:XXX施工现场一、见证目的:本次见证旨在对XXX工程中的混凝土进行取样并进行实验室测试,确保混凝土的质量符合相关标准和要求。
二、施工条件:1.混凝土浇筑温度:XX℃2.混凝土施工天气:晴3.施工班组:XXX班组三、混凝土配合比:混凝土的配合比按照设计要求进行配制,具体比例如下:水泥:石子:砂:水=X:X:X:X四、取样方法:1.取样位置:根据设计要求,在工程现场选取了X个代表性取样点。
2.取样方式:对于小断面构件,采用切割法进行取样;对于大断面构件,采用挖取法进行取样。
3.取样数量:根据工程规模和要求,每个取样点取得不少于3份样品。
五、实验室测试项目:1.拌合时间:检测混凝土从开始搅拌到停止搅拌的时间。
2.塑性度:根据设计要求,测试混凝土的坍落度或流动度。
3.抗压强度:测试混凝土的抗压性能。
4.三天、七天和二十八天抗压强度:测试混凝土分别在三天、七天和二十八天后的抗压强度。
5.试块标识:对取得的每个试块进行标识,确保后续测试的准确性。
六、取样过程:1.见证员与包装员一同前往现场,在每个取样点处布设木板,防止混凝土外溢。
2.见证员检查木板及取样工具,确保其干净无残留物。
3.见证员现场指导包装员进行混凝土取样工作,包装员严格按照取样方法进行取样。
4.见证员对每个取样点的取样过程进行记录,包括取样时间、取样位置、取样方式等。
七、取样记录:见证员按照取样顺序对每个取样点进行记录,并保留每个取样点的编号。
以下为部分取样记录:取样点1:取样时间:XXXX年XX月XX日XX时XX分取样位置:XXX取样方式:挖取法取样数量:4份取样点2:取样时间:XXXX年XX月XX日XX时XX分取样位置:XXX取样方式:切割法取样数量:3份取样点3:取样时间:XXXX年XX月XX日XX时XX分取样位置:XXX取样方式:切割法取样数量:5份...以上只为部分取样记录,详细的取样点记录将在实施过程中完成。
见证取样目录1、水泥 (8)1.1、(1)硅酸盐水泥(2)普通硅酸盐水泥(3)矿渣硅酸盐水泥(4)粉煤灰硅酸盐水泥(5)火山灰质硅酸盐水泥(6)复合硅酸盐水泥 (8)1.2、砌筑水泥 (8)1.3、高铝水泥 (8)1.4、快硬硅酸盐水泥 (9)2.掺合料 (9)2.1、粉煤灰 (9)2.2、天然沸石粉 (9)3、砂 (9)4、碎石或卵石 (10)5、混凝土拌合用水 (10)6.轻集料 (10)6.1、粗轻集料 (10)6.2、细轻集料 (11)7、石灰 (11)7.1、建筑生石灰 (11)7.2、建筑石灰粉 (11)7.3、建筑消石灰 (11)8、建筑石膏 (11)9、砌墙砖和砌块 (12)9.1、烧结普通砖: (12)9.2、烧结多孔砖 (12)9.3烧结空心砖空心砌块: (12)9.4、粉煤灰砖: (12)9.5、粉煤灰砌块: (12)9.6蒸压灰砂砖: (13)9.7蒸压灰砂空心砖: (13)9.8普通混凝土小型空心砌块: (13)9.9轻集料混凝土小型空心砌块: (13)9.10蒸压加气混凝土砌块: (13)9.11非烧结普通砖 (14)10、钢材 (14)10.1碳素结构钢 (14)10.2、钢筋混凝土用热轧带肋钢筋、钢筋混凝土用热轧光圆钢筋、钢筋混凝土用余热处理钢筋 (14)10.3、低碳钢热轧圆盘条 (14)10.4、冷轧带肋钢筋 (14)10.5冷轧扭钢筋 (15)10.6预应力混凝土用钢丝 (15)10.7中强度预应力混凝土用钢丝 (15)10.8预应力混凝土用钢绞线 (15)10.9预应力混凝土用低合金钢丝 (16)10.10一般用途低碳钢丝 (16)11、钢筋连接 (16)11.1钢筋电阻点焊 (16)11.2钢筋闪光对焊接头 (17)11.3钢筋电弧焊接头 (17)11.4钢筋电渣压力焊接头 (18)11.5钢筋气压焊接头 (18)11.6预埋件钢筋T形接头 (18)12、防水材料 (19)12.1(1)沥青防水卷材:①石油沥青纸胎油毡、油纸②石油沥青玻璃纤维胎油毡③石油沥青玻璃布胎油毡④铝箔面油毡 (19)12.2高聚物改性沥青防水卷材:①改性沥青聚乙烯胎防水卷材②沥青复合胎柔性防水卷材③自粘橡胶沥青防水卷材④弹性体改性沥青防水卷材⑤塑性体改性沥青防水卷材 (19)12.3合成高分子防水卷材(片材)①三元乙丙橡胶②聚氯乙烯防水卷材③氯化聚乙烯防水卷材④三元丁橡胶防水卷材 (19)12.3.⑤氯化聚乙烯-橡胶共混防水卷材 (20)12.4防水涂料 (20)①聚氨醋防水涂料 (20)②溶剂型橡胶沥青防水涂料 (20)③聚合物乳液建筑防水涂料 (20)④聚合物水泥防水涂料 (21)12.5密封材料 (21)①建筑石油沥青 (21)②聚氨酯建筑密封膏 (21)③聚硫建筑密封膏 (22)④丙烯酸酯建筑密封胶 (22)⑤聚氯乙烯建筑防水接缝材料 (22)⑥建筑防水沥青嵌缝油膏 (23)⑦建筑用硅酮结构密封胶 (23)⑧硅酮建筑密封胶 (23)12.6高分子防水卷材胶粘剂 (23)12.7高分子防水材料止水带 (24)12.8水泥基渗透结晶型防水材料 (24)13混凝土外加剂 (24)1)防水剂: (24)2)泵送剂 (24)3)防冻剂 (25)4)速凝剂: (25)5)膨胀剂 (25)6)每一个检验批取样数量 (25)14、普通混凝土 (25)15、抗渗混凝土 (25)16、高强混凝土 (26)17.轻骨料混凝土 (26)18、回弹法检测混凝土抗压强度 (27)19、砂浆 (27)20、砌体工程现场检测 (27)21.陶瓷砖 (28)21.1干压陶瓷砖(瓷质砖) (28)21.2干压陶瓷砖(炻瓷砖) (28)21.3干压陶瓷砖(细拓砖) (28)22.4彩色釉面陶瓷墙地砖 (29)21.5陶瓷锦砖 (29)22、玻璃马赛克 (29)23、陶瓷墙地砖胶粘剂 (29)24、外墙饰面粘结 (29)25、石材 (30)25.1天然花岗石建筑板材 (30)25.2天然大理石 (30)25.3天然花岗石荒料 (30)26、建筑水磨石 (31)27、铝塑复合板 (31)28、纸面石膏板 (31)29、矿棉装饰吸声板 (31)30、建筑用轻钢龙骨 (31)31、铝合金建筑型材 (32)32.建筑门窗 (32)32.1外门窗( (32)32.2建筑木门、窗(JG/T 122-2000) (32)32.3塑料门窗用密封条(GB 12002-89)(GB 50210-2001) (32)33、木材 (33)33.1装饰单面贴面人造板(GB/T 15104-94)(GB 50210-2001)(GB 50327-2001) (33)(GB 50325-2001) (33)33.2胶合板(GB 9846-88)(GB 50325-2001)(GB 50327-2001)(GB 50210-2001) (33)33.3细木工板(GB 5849-1999)(GB 50206-2001)(GB 50210-2001).. 33 33.4层板胶合木(GB 50210-2001)(GB 50206-2001)(GB/T 50-2001). 33 33.5实木地板(GB/T 15036.1.2-2001) (33)33.6竹地板(LY/T 1573-2000) (34)33.7中密度纤维板(GB/T 11718-1999)(GB/T 17657-1999) (35)34、建筑涂料 (35)34.1(1)合成树脂乳液内墙涂料( (35)34.2合成树脂乳液外墙涂料(GB/T 9755-2001)(GB 50210-2001)溶剂型外墙涂料(GB/T 9757-2001)—(GB 50210-2001) (35)34.3复层建筑涂料 (36)34.4饰面型防水涂料 (36)35.耐热材料 (37)35.1膨胀珍珠岩(JC 209-92) (37)35.2建筑物隔热用硬质聚氨酯泡沫塑料(QB/T 3806-99) (37)36耐酸砖(GB 8488-2001) (38)37耐火砖(标形)(GB 10325-2001)(GB/T 7321-87) (38)38、不发火集料及混凝土(GB 50209-2002) (38)39、聚氯乙烯卷材地板(GB 11982.1-89)(GB 50209-2002) (38)40、半硬质聚氯乙烯块状塑料地板(GB 4085--1983)(GB 50209-2002.. 3841、管材 (39)41.1建筑排水用硬聚氯乙烯管材(GB/T 5836.1-92)(GB 2828-87) (39)41.2建筑排水用硬聚氯乙烯管件(GB/T 5836.2-92) (39)41.3给水用硬聚氯乙烯(PVC-V)管材(GB/T 10002.1-1996) (39)41.4给水用聚乙烯(PE)管材(GB/T 13663-2000)(GB/T 17219) (40)42卫生陶瓷(GB/T 6952-1999) (40)43、幕墙(GB 50201-2001)(JGJ 133-2001)(JGJ/T 139-2001) (40)44、回填土(GB 50202-2002)(GB 50007-2002)(JGJ 79-91) (40)1、水泥1.1、(1)硅酸盐水泥(2)普通硅酸盐水泥(3)矿渣硅酸盐水泥(4)粉煤灰硅酸盐水泥(5)火山灰质硅酸盐水泥(6)复合硅酸盐水泥1)、水泥进场除全数检验合格证和出厂检验报告及外观检测。
建筑用水见证取样记录
好的,以下是为你提供的一份建筑用水见证取样记录的范例,你可以根据实际情况进行修改,希望对你有所帮助。
建筑用水见证取样记录
工程名称:__________________________
取样部位:__________________________
样品名称:________________________
取样数量:________________________
取样日期:________________________
见证取样记录:
1. 取样地点:在建筑工地的指定水源处进行取样。
2. 取样方法:使用清洁的塑料瓶或玻璃瓶,先用自来水冲洗三次,然后采集水样,密封瓶口。
3. 取样数量:根据建筑用水的检测要求,采集了足够数量的水样。
4. 见证人员:建设单位代表______、监理单位代表______、施工单位代表______。
5. 取样目的:对建筑用水进行检测,确保其符合国家相关标准和规范,保障建筑工程的质量和安全。
6. 样品处理:将采集的水样及时送往实验室进行检测分析。
见证单位(盖章):________________________
见证人员签字:________________________
日期:________________________。