CAD制图标准规范出图
- 格式:doc
- 大小:28.99 KB
- 文档页数:9
cad制图规范CAD制图规范是指在使用计算机辅助设计软件进行制图时应遵守的标准和要求。
遵守制图规范可以提高绘图效率、保证图纸质量、减少错误。
下面介绍一些常见的CAD制图规范和要求。
1. 图纸设置1.1 最常用的图纸尺寸是A4(210mm×297mm),在图纸边界留出2cm的空白区域。
1.2 图纸比例一般选择1:1,特殊情况下比例可以根据实际需要进行调整。
1.3 图纸应设置标准的标题栏,包括项目名称、图号、版本号、作者、日期等信息。
2. 绘图要求2.1 绘图界限应根据需要合理设置,不应过度拖长图纸。
2.2 绘图时应使用图层,根据不同元素的属性设置不同的图层,如实线、虚线、填充等。
2.3 绘图时应使用标准字体,如宋体、仿宋等,字体大小应根据需要合理调整。
2.4 绘图时要注意元素的对齐和对称,如线条、文字等要在合适位置对齐。
3. 绘图内容3.1 绘图内容应简洁明了,不要过度细节化,只保留必要的信息。
3.2 绘图应符合工程规范和标准,如符合国家标准、行业标准等。
3.3 绘图中的文字应能清晰辨认,字体大小应适中,且与图纸比例协调。
3.4 绘图中的图形应准确无误,要确保各线段和角度精确。
4. 图块和图例4.1 图块是一种可以重复使用的图形元素,可以提高绘图效率。
在制图时应尽量使用图块。
4.2 图例是一种用于解释图纸中符号或图形含义的说明,应清晰明了,符合工程规范要求。
5. 标注和尺寸5.1 绘图时应标注出关键尺寸,如长度、宽度、半径等,以确保图纸上的尺寸是准确可靠的。
5.2 尺寸标注应符合工程规范,标注线不应与几何图形重合,标注文字应清晰易读。
5.3 标注箭头应指向被标注要素,以便于理解图纸中各个元素之间的关系。
以上是关于CAD制图规范的一些基本要求,具体规范可以根据不同行业和工程要求进行调整和补充。
遵守这些规范可以提高CAD制图的质量和效率,减少错误和疏漏,保障设计的准确性和可靠性。
CAD制图要求严格执行制图标准。
1.图幅尺寸:基本图框尺寸采用2号及3号图纸,当图纸需要加长时,最长为1.7m,以便于折叠和装订。
2.图纸比例各专业根据自身实际情况设置图纸比例。
一般情况下,一个图样应选用一种比例。
比例一般应标注在标题栏中的比例栏内,必要时可在视图名称的下方标注比例。
文字要求:3.字体:数字形体文件fsdb_e.shx,汉字形体文件fsdbt.shx。
4.字高:图中数字、英文字母、汉字同时出现时字高均采用相同高度。
其中:①大标题用7.0mm;②分标题用6.0mm;③“附注”及线路起讫名用5.0mm;④附注内容用4.0mm;⑤图中注释用3.0mm;⑥截面名称字高6.0 mm,截面编号使用Ⅰ、Ⅱ、Ⅲ、Ⅳ…等。
高宽比均采用0.8。
5.线条宽度结构图中轮廓线宽0.35mm,虚线宽0.25 mm;钢筋图中轮廓线用细线表示,宽0.18mm,钢筋线条用有宽线表示,宽0.35mm,钢筋圆点直径0.8mm。
其他细实线、虚线、点划线宽0.18mm。
①标注引线起点至结构轮廓线的距离1mm。
②标注引线起点至第一条标注尺寸线的距离10mm。
③标注尺寸线至标注引线终点的距离2mm。
④以后每条标注尺寸线的平行距离7mm。
⑤标注的尺寸,里少外多,里小外大,形成金字塔形。
⑥尺寸线应与结构轮廓线粗细分明,尺寸线为0.18mm;尺寸线斜线应自左下向右上画与尺寸线成45交叉,斜线粗0.18mm,长度宜为2~3mm。
⑦标注的字高为2.5mm,标注的数字距尺寸线1mm。
⑧尺寸线一般应与被标注的图线相平行,其长度不超出尺寸界线。
互相平行的尺寸线,应从被标注的图样轮廓线由近向远整齐排列,分尺寸线离轮廓线近,总尺寸线离轮廓线较远。
⑨尺寸线宜标注在图样轮廓线以外,不与图线、文字及符号相交。
箭头使用1.5mm。
7.表格表格内数字、汉字采用3.0mm,外框有宽线宽0.3mm,表格竖向间距一般为6.0mm。
8.电子文档归档要求设计图应严格按制图标准办理,电子文档必须与最终的设计图修改一致,施工图出院前由设计者按照电子文档的归档要求,把相关图纸资料传给专线。
制图规范(一)、基本要求1.每张图纸须编制图名、图号、比例、时间。
2.打印图纸按比例出图。
3.图面布置应力求紧凑有序、清晰、整洁、美观。
4.图线不得与文字、数字或符号重叠、混淆,不可避免时,应首先保证文字等的清晰。
5. 图纸上所需书写的文字、数字或符号等,均应笔画清晰、字体端正、排列整齐;标点符号应清楚正确。
6. 施工图纸,应该按图纸内容的主次关系、逻辑关系,有序排列。
7.本标准为使太兴家具绘图方式统一化,不提倡个人绘图表达方式。
图纸的表达应规范、标准、统一,图面清晰,整洁、美观。
(二)、常用制图方式。
一、常用比例1:1 1:2 1:4 1:5 1:8 1:10 1:15二、图层管理.2.1 一般制图分层 A.粗实线B.细实线C.填充线D.虚线E.文字/标注线G.点划线H.图框线制图时分清各层便于调整图纸,节省时间。
2.2 线条分色制图时将外轮廓线、填充线、文字、点划线等线条颜色区分,便于在电脑显示时一目了然。
三、线型名称线型线宽一般用途粗实线0.3mm主要可见轮廓线细实线0.15mm可见轮廓线、图例线虚线0.09mm不可见轮廓线、图例线点划线0.2mm中心线、对称线等折断线0.2mm断开界线波浪线0.2mm断开界线四、尺寸标注样式4.1 尺寸标注 尺寸标注一般以、“mm”为单位,以箭头或斜线表示尺寸界线,箭头或斜线大小为2.5mm,标注的数字高度为3mm。
(比例为1:1)4.2 文字标注文字一般采用工程字“宋体”“楷体”“simplex8”等, 字高一般为5mm 。
(比例为1:1)4.3 基本准则1.部件的真实大小应以图样上所注的尺寸数值为依据,与图形的大小及绘图的准确度无关。
,以mm 为单位时,不需标注计量单位的代号或名称,如采用其他单位,侧必须注明相应的计量单位的代号或名称。
2.图样中所标注的尺寸为该图样所标部件的最后完工尺寸,否则应另加说明。
3. 部件的每一尺寸,一般只标注一次,并应标注在反映该结构最清晰的图形上。
本标准为形成设计绘图表达的风格的统一,不提倡个人绘图表达风格。
施工图制图的表达应清晰、完整、统一。
要求:绘制单位为毫米,不保留小数;要求所有图面的表达方式均保持一致。
图面多少可根据图面内容的丰富程度来确定,以 A3 打印出来层次分明又不稀疏为原则。
3.1 插入图中的图块不要炸开,如需调整,在调整完毕后,应重新定义为图块;填充禁止炸开。
3.2 注意剖视方向,索引符号指示方向应与剖视方向一致。
3.3 平面图中索引立面序号时,以图面上方为起始,用数字按顺时针方向排序,同层不同空间的立面序号以连续数字表示,如01 02 03 04 05 06……3.4 同一幅图中,索引序号不得重复。
第 1 页3.5 文件完成后,必须将多余图块及设置清除,确保文件空间为最小。
3.6 检查图纸应按以下步骤进行①画面内容②尺寸标注③文本标注④图标图名⑤整体排版3.7 图面与图框内框竖线之间应留一定的距离。
3.8 确保画面均衡、美观、各视图间应按照对应的原则排版。
4.1 最外总体尺寸;中间结构尺寸;最内功能尺寸。
4.2 等分尺寸与总体尺寸必须相等,必要时可用 EQ 表示。
4.3 所有标准应在图纸空间视口内以 1- 1 的标注样式标注,必要时可以在图纸空间内标注,不要重复标注。
4.4 门缝、抽屉缝、搁板厚度等细节不需要标注。
4.5 尺寸标注严禁炸开;严禁小数点。
详见《材料填充图例》6.1 图纸目录6.2 设计说明(天花平面图、墙体定位图、地材铺装图、立面索引图)(包含剖面图、大样图)以楼层从下至上为排序原则;每一个楼层图纸挨次为:平面布置图→立面索引图→墙体定位图→天花布置图→灯具定位图→地材铺装图→ 区域平面布置图→ 区域天花布置图→ (区域立面索引图)→立面图→详图。
[注:如有总平面的(立面索引图)时,无需(区域立面索引图) 重复索引。
]一层平面布置图1L-P-01一层立面索引图1L-P-02一层墙体定位图1L-P-03一层天花布置图1L-P-04一层灯具定位图灯具定位)1L-P-05 (如有区域平面部份时,无需总平面一层地材铺装图1L-P-06一层××平面及天花布置图 1L-PM01 1L-PM02第 3 页一层××立面图-01、-02 1L-E-01一层××立面图-03、-04 1L-E-02[注:详图部份根据图纸阶段而定]一层××剖面大样图 1L-D-01……二层平面布置图2L-P-01二层立面索引图2L-P-02二层墙体定位图2L-P-03二层天花布置图2L-P-04二层墙体定位图2L-P-05二层地材铺装图2L-P-06……装饰图纸(平面,立面,剖面,公共节点);打孔装订。
CAD施工图制图标准在建筑、室内设计、机械等众多领域中,CAD 施工图的绘制是至关重要的环节。
一份准确、清晰、规范的 CAD 施工图,不仅能够有效地传达设计意图,还能为施工过程提供可靠的指导,避免出现误解和错误。
因此,遵循一套严格的 CAD 施工图制图标准是必不可少的。
一、图纸设置1、图纸幅面应根据实际需要选择合适的图纸幅面,常见的有A0、A1、A2、A3、A4 等。
一般来说,大型项目或复杂的设计应选用较大的幅面,以确保能够清晰地展示所有细节;而小型项目或局部设计可以使用较小的幅面。
2、图框与标题栏图框应按照国家标准或企业内部规定进行绘制,包含必要的信息,如项目名称、图纸编号、比例、日期等。
标题栏应位于图纸的右下角,格式统一,填写内容准确无误。
3、比例根据实际情况选择合适的比例,如 1:50、1:100、1:200 等。
比例的选择应保证图纸上能够清晰地表达出物体的尺寸和形状,同时便于施工人员读取和测量。
二、图层管理1、图层设置根据不同的图形元素,如墙体、门窗、家具、标注等,设置相应的图层。
每个图层应有明确的名称和属性,如颜色、线型、线宽等。
2、图层顺序合理安排图层的显示顺序,以保证图纸的清晰和易读性。
通常,重要的图形元素应位于上层,如墙体、结构等;而辅助性的元素,如标注、填充等应位于下层。
3、图层锁定与冻结对于已经完成或不需要编辑的图层,可以进行锁定或冻结操作,以防止误操作。
三、图形绘制1、线条线条应清晰、连续,避免出现断线、重线等情况。
不同类型的线条,如实线、虚线、点划线等,应根据其用途正确使用。
2、字体标注和说明文字应使用统一的字体和字号,字体清晰易读,一般采用宋体或仿宋体。
3、尺寸标注尺寸标注应准确、完整,包括线性尺寸、半径尺寸、直径尺寸等。
标注的位置应合理,避免与图形元素重叠,同时标注的数字应清晰可读。
4、符号各种专业符号,如电气符号、给排水符号等,应按照标准规范绘制,确保其含义准确无误。
内容摘要:一、总则1、工作目标2、工作范围3、工作风格二、制图1、制图规范2、图纸目录3、图纸深度4、图纸字体5、图纸版本及修改标志6、图纸幅面7、图纸幅面8、图层及文件交换格式一、总则1、工作目标1.1规范化——有效提高建筑设计的工作质量;1.2标准化——提高建筑设计的工作效率;1.3网络化——便于网络上规范化管理和成果的共享..2、工作范围本标准是建筑CAD制图的统一规则;适用于我院房屋建筑工程和建筑工程相关领域中的CAD制图..3、工作风格本标准为形成设计院绘图表达的风格的统一;不提倡个人绘图表达风格..建筑制图的表达应清晰、完整、统一..二、制图1、制图规范工程制图严格遵照国家有关建筑制图规范制图;要求所有图面的表达方式均保持一致..2、图纸目录各个专业图纸目录参照下列顺序编制:建筑专业:建筑设计说明;建筑设计统一说明;建筑构造统一说明;建筑定位图;平面图;立面图;剖面图;楼梯详图;建筑详图;门窗详图..结构专业:结构设计总说明;基础布置图;剪力墙编号及剪力墙表;梁配筋图;板配筋图;楼梯图;大样图3、图纸深度工程图纸除应达到国家规范规定深度外;尚须满足业主提供例图深度及特殊要求..4、图纸字体建筑用途字型字高宽高比:图纸名称中文tbh.shx 10mm 0.8图纸名称比例中文tbh.shx 7mm 0.8说明文字标题中文hztxt.shx 4.0mm 0.8标注文字中文Hztxt.shx 3.5mm 0.8说明文字中文Hztxt.shx 3.5mm 0.8总说明中文St64f.shx 5.0mm 0.8标注尺寸西文Simpelx.shx 3.0mm 0.8结构用途字型字高宽高比:图纸名称中文tbh.shx 10mm 0.8图纸名称比例中文tbh.shx 7mm 0.8说明文字标题中文acci-fs.shx 4.0mm 0.8标注文字中文acci-fs.shx 3.5mm 0.8说明文字中文acci-fs.shx 3.5mm 0.8总说明中文St64f.shx 5.0mm 0.8标注尺寸西文Simpelx.shx 3.0mm 0.8注:中西文比例设置为1:0.7;说明文字一般应位于图面右侧..字高为打印出图后的高度..其他符号内文字宜采用天正自动生成的字型;高度统一设置为3.5..5、图纸版本及修改标记5.1.1施工图版本号第一次出图版本号为0第二次修改图版本号为1第三次修改图版本号为25.1.2方案图或报批图等非施工用图版本号第一次图版本号为A第二次图版本号为B第三次图版本号为C5.2图面修改标记图纸修改可以版本号区分;每次修改必须在修改处做出标记;并注明版本号;如下图..简单或单一修改仍使用变更通知单..6、图纸幅面6.1图纸图幅采用A0、A1、A2、A3四种标准;以A1图纸为主..图框文件放在单位的计算机网络服务器上具体位置S:\Dept.Share\09年海口滨江帝景项目施工图汇总专用\01建筑施工图\公用\图框20081.02.01_t3.dwg..图纸种类图纸宽度mm 图纸高度mm 备注A0 1189X841A1 841X594A2 594X420A3 420X297A4 297X210 主要用于目录、变更、修改等6.2特殊需要可采用按长边1/8模数加长尺寸按房屋建筑制图统一标准..6.3一个专业所用的图纸;不宜多于两种幅面目录及表格所用A4幅面除外..6.4图纸比例常用图纸如下;同一张图纸中;不宜出现三种以上的比例..常用比例表表3常用比例1:1;1:2;1:5;1:10;1:20;1:50;1:100;1:200;1:500;1:1000可用比例1:3;1:15;1:25;1:30;1:150;1:250;1:300;1:1500注:在一般情况下宜采用1:1的尺寸比例绘制图形;在布局时通过缩放图框大小调整出图的比例..7、图层及文件交换格式7.1采用图层的目的是用于组织、管理和交换CAD图形的实体数据以及控制实体的屏幕显示和打印输出..图层具有颜色、线形、状态等属性..7.2图层组织根据不同的用途、阶段、实体属性和使用对象可采取不同的方法;但应具有一定的逻辑性;便于操作..各类实体应放置在不同的图层上;如平面图中;轴线标注和第三道尺寸应分层标注;厨厕洁具、家具等单独设置图层表示;制图符号应按天正生成的图层设置;不宜自己绘制及变换图层..8、补充说明8.1常用图例遵照房屋建筑制图统一标准GBJ186;总图制图标准GBJ103-87;建筑制图标准GBJ104-87图例规定..8.2线条宽度单位:mm;所有施工图纸;均参照下表所列笔宽绘制..种类建筑图粗线0.40中粗线0.20细线0.10在采用CAD技术绘图时;尽量用色彩COLOR控制绘图笔的宽度;尽量少用多义线PLINE等有宽度的线;以加快图形的显示;缩小图形文件..在一般情况下粗线应采用2色即黄色;细线应采用1色和9色;如轴线采用1色即红色且为点划线;大样填充类颜色宜用8或9色即灰色等;中粗线不宜采用太多的样色;标注类应采用3色绿色;门窗应采用4色天蓝;楼梯、阳台等应采用6色紫色;文字类应采用7色白色..结构专业采用对象线宽;钢筋0.4mm;其他粗线0.3mm;中线0.2mm;轴线0.09mm..8.3符号各种制图符号应按天正生成的形式绘制..在1:100图形比例绘图时;两折断线之间的距离应为100mm;其他图形比例按照比例调整距离..8.5尺寸标注在1:100图形比例绘图时;第一道尺寸线与轴号之间的距离为750mm;尺寸线与尺寸线间的距离为800mm..在其他图形比例绘图时应按比例调整各尺寸线之间的距离;例如在1:50的图形比例绘图时两尺寸线之间的距离为400mm;1:20时为160mm..8.6标高8.7图名字高10mm8.8计算机绘图建筑图初始设置文字字形定义:文字高宽高比4.0 0.8备注:CAD制图中当多幅图共用同一个模板时;可使用图层管理器;以便当模板更改时减少工作量;提高工作效率..。
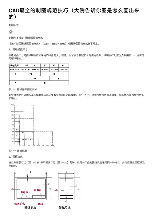
CAD最全的制图规范技巧(⼤院告诉你图是怎么画出来的)制图规范制图基本规定--图纸幅⾯和格式《技术制图图纸幅⾯和格式》(GB/T 14689-1993)对图纸幅⾯和格式作了规定。
1、图纸幅⾯尺⼨图纸幅⾯尺⼨是指绘制图样所采⽤的纸张的⼤⼩规格。
为了便于管理和合理使⽤纸张,绘制图样时应优先采⽤表1-1所规定的基本幅⾯。
表1-1 图纸基本图⾯尺⼨必要时也允许选⽤与基本幅⾯短边成正整数倍增加的加长幅⾯。
图1-1中,粗实线所⽰为基本幅⾯,细实线和虚线所⽰为加长幅⾯。
图1-1 图纸幅⾯2、图框格式格式分留装订边(图1-2a)和不留装订边(图1-2b)两种,但同⼀产品的图样只能采⽤同⼀种格式,并均应画出图框线及标题栏。
(a)留有装订边的图纸格式(b)不留装订边的图纸格式图1-2 图纸格式图框线⽤粗实线绘制,⼀般情况标题栏位于图纸右下⾓,也允许位于图纸右上⾓。
标题栏中⽂字书写⽅向即为看图⽅向。
标题栏的基本要求、内容、尺⼨和格式在国家标准GB/T 10609.1-1989《技术制图标题栏》中有详细规定,各设计单位根据各⾃需求格式亦有变化,这⾥不作介绍。
在学习本课程时可暂⽤图1-3所⽰格式。
(a)零件图⽤(b)装配图⽤图1-3 学习⽤标题栏格式制图基本规定--⽐例《技术制图⽐例》GB/T 14690-1993对⽐例的选⽤作了规定。
1、⽐例的概念⽐例为图样中机件要素的线性尺⼨与实际机件相应要素的线性尺⼨之⽐。
2、⽐例的选⽤绘制图样时应优先选取表1-2中所规定的⽐例。
表1-2 ⽐例系列表1-3 必要时允许采⽤的规定⽐例3、⽐例的标注绘制同⼀物体的各视图时,应采⽤相同⽐例,并将采⽤的⽐例统⼀填写在标题栏的"⽐例"项内。
当某视图须采⽤不同⽐例绘制时,可在视图名称的下⽅进⾏标注,如:。
制图基本规定--字体《技术制图字体》GB/T 14691-1993规定了图样中汉字、数字、字母的书写格式。
1、基本要求图样中书写字体必须做到:字体端正、笔划清楚、间隔均匀、排列整齐。
第一章总则1.为了保证图纸质量,提高制图效率,统一我公司制图规范,做到图纸系统、规范,图面清晰、简明、规范、美观,符合我公司设计、审算、存档的要求,制定本标准。
2.本标准以国家现行制图标准为依据,结合我公司的制图风格及经验编制而成。
3.本标准基于天正建筑7.5 for 2004绘图工具制定。
3.图纸必须以mm为单位按实际尺寸精确绘制第二章一般规定第一节图幅、比例一.图纸幅面:1.图框位置:T:\总裁办\工程设计质量管理\图框及常用表格项目管理负责填写图框内工程名称、业主、工程号、设计阶段、版次、成图期等内容,统一项目组内相关信息后,将图框分发给细化人员。
不得调整图框内字体及图栏位置。
2.图纸加长规定:图纸的短边不应加长,长边可加长;表1 图纸长边加长尺寸(mm)3.图纸以短边作为垂直边称为横版,以短边作为水平边称为竖版。
A0~A3图纸宜横版使用;必要时,也可竖版使用;单个工程设计中,使用的图纸不宜多于两种幅面,建议选择A2,A1图幅。
4.为方便出图,每张图纸出图应标明图幅、比例、特殊线宽二.比例:1.绘图所用的比例,应根据图样的用途与被绘对象的复杂程度,从表2中选用,并优先选用表中常用比例。
表2 绘图所用的比例2.一张图纸内,应以一种比例为主,且单张图纸内所用比例不宜超过3种。
第二节图层1.0层不做为绘图层。
2.图层名:平面设计内容全部以0-XXX,图层名使用汉字及英文缩写,名称应能明确表达图层特性和具体内容;XXX=铺装及园路、铺装划分、铺装填充、小品、绿地填充、等高线、轴线、设施等;小品详图中设计内容,图层名称为1-XXX;XXX=剖切线、看线、填充等;甲方提供条件内容,图层名称为2-XXX;XXX=如建筑首层平面、地下车库范围、道路、综合管线、竖向标高、建筑标注等。
3.图层颜色:255号颜色不作为绘图颜色;所有图内元素(施工放线方格网轴线及原点坐标标注除外)颜色均应随层,不得给某个图元指定颜色;出彩图时图层颜色不应用浅色线,如黄色。
一、总则室内设计专业制图规则,为了保证制图质量,提高制图效率,做到图面清晰、简明,符合设计、施工、存档的要求,适应工程建设的需要,制定本标准。
本标准为形成设计绘图表达的风格的统一,不提倡个人绘图表达风格。
施工图制图的表达应清晰、完整、统一。
二、制图1.文件内容说明:要求:绘制单位为毫米,不保留小数;要求所有图面的表达方式均保持一致。
2.图纸表现说明:图面多少可根据图面内容的丰富程度来确定,以A3打印出来层次分明又不稀疏为原则。
3.注意事项:3.1插入图中的图块不要炸开,如需调整,在调整完毕后,应重新定义为图块;填充禁止炸开。
3.2注意剖视方向,索引符号指示方向应与剖视方向一致。
3.3平面图中索引立面序号时,以图面上方为起始,用数字按顺时针方向排序,同层不同空间的立面序号以连续数字表示,如01 02 03 04 05 06……3.4同一幅图中,索引序号不得重复。
3.5文件完成后,必须将多余图块及设置清除,确保文件空间为最小。
3.6检查图纸应按以下步骤进行①画面内容②尺寸标注③文本标注④图标图名⑤整体排版3.7图面与图框内框竖线之间应留一定的距离。
3.8确保画面均衡、美观、各视图间应按照对应的原则排版。
4.尺寸标注说明:4.1最外总体尺寸;中间结构尺寸;最内功能尺寸。
4.2等分尺寸与总体尺寸必须相等,必要时可用EQ表示。
4.3所有标准应在图纸空间视口内以1-1的标注样式标注,必要时可以在图纸空间内标注,不要重复标注。
4.4门缝、抽屉缝、搁板厚度等细节不需要标注。
4.5尺寸标注严禁炸开;严禁小数点。
5.填充说明:详见《材料填充图例》6.图纸目录编排(图号编号)说明:6.1图纸目录6.2设计说明6.3装饰专业:6.3.1图纸命名:总平面图——————ZP区域空间平面图———P(天花平面图、墙体定位图、地材铺装图、立面索引图)立面图———————E详图————————D(包含剖面图、大样图)6.3.2图纸顺序:以楼层从下至上为排序原则;每个楼层图纸依次为:平面布置图→立面索引图→墙体定位图→天花布置图→灯具定位图→地材铺装图→ 区域平面布置图→区域天花布置图→(区域立面索引图)→立面图→详图。
CAD制图规范CAD制图规范大全CAD制图规范有哪些?为帮助工科同学们学习CAD软件制图,yjbys店铺为大家分享CAD软件制图规范标准如下:基本要求1. 所有设计室出的图纸都要配备图纸封皮、图纸说明、图纸目录。
A. 图纸封皮须注明工程名称、图纸类别(施工图、竣工图、方案图)、制图日期。
B. 图纸说明须对工程进一步说明工程概况、工程名称、建设单位、施工单位、设计单位或建筑设计单位等。
2. 每张图纸须编制图名、图号、比例、时间。
3. 打印图纸按需要,比例出图。
常用制图方式>>>>一、常用比例1:1,1:2,1:3,1:4,1:5,1:6 ,1:101:15,1:20,1:25,1:30,1:40,1:50,1:60,1:801:100,1:150,1:200,1:250,1:300,1:400,1:500二、线型1. 粗实线:0.3mm1)平、剖面图中被剖切的主要建筑构造的轮廓(建筑平面图)2)室内外立面图的轮廓。
3)建筑装饰构造详图的建筑物表面线。
2. 中实线:0.15-0.18mm1) 平、剖面图中被剖切的`次要建筑构造的轮廓线。
2) 室内外平顶、立、剖面图中建筑构配件的轮廓线。
3) 建筑装饰构造详图及构配件详图中一般轮廓线。
3. 细实线:0.1mm填充线、尺寸线、尺寸界限、索引符号、标高符号、分格线。
4. 细虚线:0.1-0.13mm1) 室内平面、顶面图中未剖切到的主要轮廓线。
2) 建筑构造及建筑装饰构配件不可见的轮廓线。
3) 拟扩建的建筑轮廓线。
4) 外开门立面图开门表示方式。
5. 细点划线:0.1-0.13mm中心线、对称线、定位轴线。
6. 细折断线:0.1-0.13mm不需画全的断开界线。
三、打印出图笔号1-10号线宽设置1号红 0.1mm6号紫 0.1-0.13mm2号黄 0.1-0.13mm7号白 0.1-0.13mm3号绿 0.1-0.13mm8号灰 0.05-0.1mm4号浅兰 0.15-0.18mm9号灰 0.05-0.1mm5号深兰 0.3-0.4mm10号红 0.6-1mm10号特粗线:1)立面地坪线2)索引剖切符号3)图标上线4)索引图标中表示索引图在本图的短线四、剖切索引符号1. m:ø12mm(在A0、A1、A2、图纸)2. m:ø10mm(在A3、A4图纸)3. 特粗线到索引线为剖视方向4. A:字高5mm(在A0、A1、A2、图纸) 字高4mm(在A3、A4图纸)5. B-01:字高3mm(在A0、A1、A2、图纸) 字高2.5mm(在A3、A4图纸)6. A为索引图号,B-01为索引图纸号,B-01为“ ”表示索引在本图五、平、立面索引符号1. m:ø12mm(在A0、A1、A2、图纸)2. m:ø10mm(在A3、A4图纸)3. A1-A4:字高4mm(在A0、A1、A2图纸) 字高3mm(在A3、A4图纸)4. B-01--B-04:字高2.5mm(在A0、A1、A2图纸) 字高2mm(在A3、A4图纸)5. 箭头为视图方向。
CAD施工图制图标准在建筑、室内设计、机械制造等众多领域,CAD 施工图的绘制是至关重要的环节。
一份准确、清晰、规范的 CAD 施工图不仅能够有效地传达设计意图,还能为施工过程提供准确的指导,确保项目的顺利进行。
因此,遵循一套严格的 CAD 施工图制图标准是必不可少的。
一、图纸设置1、图纸幅面根据项目的规模和复杂程度,选择合适的图纸幅面。
常见的幅面有A0、A1、A2、A3、A4 等。
一般来说,大型项目使用较大的幅面,如A0、A1;小型项目则可使用较小的幅面,如 A2、A3、A4。
2、比例根据实际情况选择合适的绘图比例,如 1:50、1:100、1:200 等。
比例的选择应确保图纸上能够清晰地表达出设计的细节,同时又不至于使图纸过于复杂。
3、单位统一采用公制单位,如毫米(mm)。
在标注尺寸时,应明确标注单位,避免产生误解。
二、图层管理将不同类型的图形元素分别放置在不同的图层中,如墙体层、门窗层、家具层、标注层等。
这样可以方便对图形进行管理和编辑,同时也便于控制图形的显示和打印。
2、图层属性为每个图层设置合适的颜色、线型、线宽等属性。
颜色的选择应具有明显的区分度,便于识别;线型和线宽应根据图形的重要性和表达需要进行设置。
三、字体与标注1、字体使用标准的字体,如宋体、黑体等。
字体的大小应根据图纸的比例和内容的重要性进行选择,一般标注文字的高度为 35mm 或 5mm。
2、标注样式标注样式应统一,包括尺寸标注、文字标注、符号标注等。
尺寸标注应清晰准确,标注线的起点和终点应明确,标注文字应位于标注线的上方或旁边,且与标注线对齐。
文字标注应简洁明了,表达清晰。
四、图形绘制1、线条线条应清晰、连续,避免出现断线、重复线等情况。
不同类型的线条应使用不同的线型和线宽进行区分,如实线、虚线、点划线等。
图形元素的绘制应准确无误,如墙体、门窗、柱子等的尺寸和位置应符合设计要求。
图形的表达应简洁明了,避免过多的冗余线条和图形。
CAD标准化为了提高工作效率、降低成本、保证我公司图面的统一性,特制定本标准。
本标准自签发之日起执行。
第一章:CAD绘图与出图一、绘图规定A、颜色及线宽的规定:1、粗线(线宽设定0.5):紫色(6号颜色);蓝色(5号颜色);240号;2、中粗线(线宽设定0.4):黄色(2号颜色);10号;120号;30号;3、细粗线(线宽设定0.3):11号; 71号;101号;122号;140号;160号;210号4、细线(线宽设定0.18):白色(7号颜色)以及其它未规定的所有颜色。
5、特细线(线宽设定0.1):浅灰色(9号颜色)、15号、31号;96号。
注:各专业在使用不同软件进行绘图时,应根据以上规定,将软件默认值更改过来,达到统一的标准。
B、线型:1、除实线以外的其它各种线型均有比例,所有线的比例同图纸的比例。
2、点划线:轴线、中心线:线型dote,颜色:red。
3、虚线:一般情况下用dash,颜色:180。
4、双点划线:divide,颜色172。
C、图层设定(详附件A)D、字体与字高1、所有字型文件均使用TSSDCHN.SHX字体,文字高宽比例统一为0.7。
2、字体颜色统一为:white。
3、文字式样:图纸文字及所使用的地方必须遵照以下规定式样1:字高2.5,字型:TSSD(图中部的详细尺寸标注、索引、说明、门窗编号、管线直径与型号、设备型号标注、钢筋标注等)式样2:字高3,字型:TSSD(一般性的文字说明及外部尺寸、图形名称傍的比例、建筑详图中的做法、标高坐标标注、)式样3:字高4,字型:TSSD(图中说明。
项目总说明及各专业设计总说明用标准图框中的标准格式)式样4:字高4,字型:romant(轴线编号、剖面标注)式样5:字高6,字型:宋体(图形名称)式样6:字高3,字型:黑体(图签栏文字,标准格式,个人不可变更)4、各类标格的行距为1.5 倍字高,例宽根据具体情况确定。
5、每一行文字的行距为1.5倍字高。
CAD制图规范与标准CAD(Computer-Aided Design,计算机辅助设计)是一种广泛应用于工程设计和制图的技术。
在进行CAD制图时,遵守一定的规范和标准非常重要,这有助于提高制图的质量、减少错误并提高工作效率。
本文将介绍一些常用的CAD制图规范和标准,帮助读者更好地使用CAD软件。
1. 图纸布局在进行CAD制图时,良好的图纸布局可以让信息更清晰,便于阅读和理解。
通常,图纸的标题位置应在图纸的右下角,包括图名、比例、绘图者姓名等信息。
此外,图纸中的主要视图(如平面图、正视图、剖视图等)应在图纸的中央位置,并按照一定的规则排列,便于查找和比较。
2. 图纸尺寸与比例图纸的尺寸和比例是CAD制图的重要方面。
通常,图纸的标准尺寸有A0、A1、A2、A3和A4等。
选取合适的图纸尺寸可以使信息布局更合理,并方便后续的制图工作。
同时,制图时需要选择适当的比例,如1:1、1:2、1:5等,以便绘制出相应大小的图纸。
3. 图层与线型图层和线型的设置是CAD制图中的关键。
通过合理设置图层,可以将不同类型的图元分层显示,方便后续的编辑和管理。
同时,使用合适的线型可以使图纸更具表现力和美观性。
常见的线型有实线、虚线、点线等,可以根据需要进行选择和调整。
4. 尺寸标注与注释尺寸标注和注释在CAD制图中起到重要的作用。
尺寸标注可以清晰地表示图形的大小和位置,帮助读者准确理解绘图意图。
在进行尺寸标注时,应选择合适的标注样式,并遵守一定的标注规则,如箭头方向、字体大小等。
另外,注释的添加可以进一步说明图纸中的特定信息,如材料、工序等,提高图纸的完整性和可读性。
5. 图形符号与图例在CAD制图中,图形符号和图例的正确使用非常重要。
图形符号可以代表特定的元素或功能,如电气符号、水暖符号等,方便读者理解图纸所表示的内容。
图例则是对图纸中使用的符号、颜色、线型等进行解释和说明,使读者能够更快地了解图纸的含义和用途。
6. 文件命名与存储良好的文件命名和存储习惯可以提高CAD制图的整体管理效率。
CAD正确制图规范CAD制图规范基本要求1. 所有设计室出的图纸都要配备图纸封皮、图纸说明、图纸目录。
A. 图纸封皮须注明工程名称、图纸类别(施工图、竣工图、方案图)、制图日期。
B. 图纸说明须对工程进一步说明工程概况、工程名称、建设单位、施工单位、设计单位或建筑设计单位等。
2. 每张图纸须编制图名、图号、比例、时间。
3. 打印图纸按需要、比例出图。
常用制图方式>>>>一、常用比例1:1,1:2,1:3,1:4,1:5,1:6 ,1:101:15,1:20,1:25,1:30,1:40,1:50,1:60,1:801:100,1:150,1:200,1:250,1:300,1:400,1:500>>>>二、线型1. 粗实线:0.3mm1)平、剖面图中被剖切的主要建筑构造的轮廓(建筑平面图)。
2)室内外立面图的轮廓。
3)建筑装饰构造详图的建筑物表面线。
2. 中实线:0.15-0.18mm1) 平、剖面图中被剖切的次要建筑构造的轮廓线。
2) 室内外平顶、立、剖面图中建筑构配件的轮廓线。
3) 建筑装饰构造详图及构配件详图中一般轮廓线。
3. 细实线:0.1mm填充线、尺寸线、尺寸界限、索引符号、标高符号、分格线。
4. 细虚线:0.1-0.13mm1) 室内平面、顶面图中未剖切到的主要轮廓线。
2) 建筑构造及建筑装饰构配件不可见的轮廓线。
3) 拟扩建的建筑轮廓线。
4) 外开门立面图开门表示方式。
5. 细点划线:0.1-0.13mm中心线、对称线、定位轴线。
6. 细折断线:0.1-0.13mm不需画全的断开界线。
>>>>三、打印出图笔号1-10号线宽设置10号特粗线:1)立面地坪线2)索引剖切符号3)图标上线4)索引图标中表示索引图在本图的短线>>>>四、剖切索引符号1. m:ø12mm(在A0、A1、A2、图纸)2. m:ø10mm(在A3、A4图纸)3. 特粗线到索引线为剖视方向4. A:字高5mm(在A0、A1、A2、图纸) 字高4mm(在A3、A4图纸)5. B-01:字高3mm(在A0、A1、A2、图纸) 字高2.5mm(在A3、A4图纸)6. A为索引图号,B-01为索引图纸号,B-01为“ ”表示索引在本图>>>>五、平、立面索引符号1. m:ø12mm(在A0、A1、A2、图纸)2. m:ø10mm(在A3、A4图纸)3. A1-A4:字高4mm(在A0、A1、A2图纸) 字高3mm(在A3、A4图纸)4. B-01--B-04:字高2.5mm(在A0、A1、A2图纸) 字高2mm(在A3、A4图纸)5. 箭头为视图方向>>>>六、大样图索引大样引出框1. m:ø12mm(在A0、A1、A2图纸)2. m:ø12mm(在A3、A4图纸)3. A:字高4mm(在A0、A1、A2图纸) 字高3mm(在A3、A4图纸)4. B-01:字高2.5mm(在A0、A1、A2图纸) 字高2mm(在A3、A4图纸) >>>>七、图标1. 图名:字高7mm(在A0、A1、A2图纸) 字高5mm(在A3、A4图纸)2. 比例及英文图名:字高4mm(在A0、A1、A2图纸) 字高3mm(在A3、A4图纸)>>>>八、文字注释1. 引出线为箭头或点,引出线为统一体,由标注命令引线制作。
CAD制图规范(一)、基本要求1.所有技术部出的图纸都要配备图纸封皮、图纸说明、图纸目录。
A.图纸封皮须注明工程名称、图纸类别(方案图、施工图、竣工图)。
B.图纸说明须对工程进一步说明工程概况、工程名称、建设单位、施工单位、设计单位或建筑设计单位等。
2.每张图纸须编制图名、图号、比例、时间。
3.打印图纸按需要,比例出图。
(二)、常用制图方式一、常用比例1:1 1:2 1:3 1:4 1:5 1:6 1:10 1:15 1:20 1:25 1:30 1:40 1:50 1:60 1:80 1:100 1:150 1:200 1:250 1:300 1:400 1:500 二、线型1.粗实线:0.3mm1.平、剖面图中被剖切的主要建筑构造的轮廓(建筑平面图)2.室内外立面图的轮廓3.建筑装饰构造详图的建筑物表面线。
2.中实线:0.15-0.18mm1.平、剖面图中被剖切的次要建筑构造的轮廓线。
2.室内外平顶、立、剖面图中建筑构配件的轮廓线。
3.建筑装饰构造详图及构配件详图中一般轮廓线。
3.细实线:0.1mm填充线、尺寸线、尺寸界限、索引符号、标高符号、分格线。
4.细虚线:0.1-0.13mm1.室内平面、顶面图中未剖切到的主要轮廓线。
2.建筑构造及建筑装饰构配件不可见的轮廓线。
3.拟扩建的建筑轮廓线。
4.外开门立面图开门表示方式。
5.细点划线:0.1-0.13mm中心线、对称线、定位轴线。
6.细折断线:0.1-0.13mm不需画全的断开界线。
三、打印出图笔号1-10号线宽设置1号红色0.1mm2号黄色0.1-0.13mm3号绿色0.1-0.13mm4号浅兰色0.15-0.18mm5号深兰色0.3-0.4mm6号紫色0.1-0.13mm7号白色0.1-0.13mm8.9号灰色0.05-0.1mm10号红色0.6-1mm10号特粗线:1.立面地坪线2.索引剖切符号3.图标上线4.索引图标中表示索引图在本图的短线剖切索引符号1. m: ø12mm(在A0、A1、A2、图纸)2. m: ø10mm(在A3、A4图纸)3. 特粗线到索引线为剖视方向4. A: 字高5mm(在A0、A1、A2、图纸)B: 字高4mm(在A3、A4图纸)5. B-01:字高3mm(在A0、A1、A2、图纸)字高2.5mm(在A3、A4图纸)6. A为索引图号,B-01为索引图纸号四、平、立面索引符号1.m: ø12mm(在A0、A1、A2图纸)2.m: ø10mm(在A3、A4图纸)3.A1-A4:字高4mm(在A0、A1、A2图纸)字高3mm(在A3、A4图纸)4.B-01--B-04:字高2.5mm(在A0、A1、A2图纸)字高2mm(在A3、A4图纸)5.箭头为视图方向。
五、大样图索引1.m: ø12mm(在A0、A1、A2图纸)2.m: ø12mm(在A3、A4图纸)3.A:字高4mm(在A0、A1、A2图纸)字高3mm(在A3、A4图纸)4.B-01:字高2.5mm(在A0、A1、A2图纸)字高2mm(在A3、A4图纸)六、图标1.图名:字高7mm(在A0、A1、A2图纸)字高5mm(在A3、A4图纸)2.比例及英文图名:字高4mm(在A0、A1、A2图纸)字高3mm(在A3、A4图纸)七、文字注释1.引出线为箭头或点,引出线为统一体,由标注命令引线制作。
2.文字说明:字高4mm(在A0、A1、A2图纸)字高3mm(在A3、A4图纸)八、标高符号1. 数字:字高2.5mm(在A0、A1、A2图纸)字高2mm(在A3、A4图纸)2.符号为等腰直角三角形。
3.数字以m计单位,小数点后留三位。
4.零点标高写成±0.000,正数标高不注“+”,负数标高应注“-”。
5.同样位置不同标高标注,如:九、轴线符号1.n: ø10mm,字高4mm (在A0、A1、A2图纸)2.n: ø8mm,字高3.5mm (在A3、A4图纸)十、尺寸符号1.尺寸标注是尺寸为统一体,如需调整尺寸数字,可采用edit(ed)命令。
2.尺寸界线距标注物体2-3mm,第一道尺寸线距标注物体10-12mm,相临的尺寸线间距7-10mm3.半径、直径标注时箭头样式为实心闭合箭头。
4.标注字高2.5mm(在A0、A1、A2图纸)字高2mm(在A3、A4图纸)5.标注文字距尺寸线1-1.5mmCAD要决画好图形没有巧,勤学苦练成正果;设置模板要认真,命令别名请记牢;左手键盘右鼠标,分工明确速度高;方向距离定直线,角度极轴极坐标;对象捕捉好工具,特征点要灵活用;夹点编辑快又捷,不用命令功能强;一条线别画两段,重叠线条切忌有;还有计算与图块,助你画图速度快。
(一)字母类1、对象特性ADC, *ADCENTER(设计中心“Ctrl+2”)CH, MO *PROPERTIES(修改特性“Ctrl+1”)MA, *MATCHPROP(属性匹配)ST, *STYLE(文字样式)COL, *COLOR(设置颜色)LA, *LAYER(图层操作)LT, *LINETYPE(线形)LTS, *LTSCALE(线形比例)LW, *LWEIGHT (线宽)UN, *UNITS(图形单位)ATT, *ATTDEF(属性定义)ATE, *ATTEDIT(编辑属性)BO, *BOUNDARY(边界创建,包括创建闭合多段线和面域)AL, *ALIGN(对齐)EXIT, *QUIT(退出)EXP, *EXPORT(输出其它格式文件)IMP, *IMPORT(输入文件)OP,PR *OPTIONS(自定义CAD设置)PRINT, *PLOT(打印)PU, *PURGE(清除垃圾)R, *REDRAW(重新生成)REN, *RENAME(重命名)SN, *SNAP(捕捉栅格)DS, *DSETTINGS(设置极轴追踪)OS, *OSNAP(设置捕捉模式)PRE, *PREVIEW(打印预览)TO, *TOOLBAR(工具栏)V, *VIEW(命名视图)AA, *AREA(面积)DI, *DIST(距离)LI, *LIST(显示图形数据信息)2、绘图命令:PO, *POINT(点)L, *LINE(直线)XL, *XLINE(射线)PL, *PLINE(多段线)ML, *MLINE(多线)SPL, *SPLINE(样条曲线)POL, *POLYGON(正多边形)REC, *RECTANGLE(矩形)C, *CIRCLE(圆)A, *ARC(圆弧)DO, *DONUT(圆环)EL, *ELLIPSE(椭圆)REG, *REGION(面域)MT, *MTEXT(多行文本)T, *MTEXT(多行文本)B, *BLOCK(块定义)I, *INSERT(插入块)W, *WBLOCK(定义块文件)DIV, *DIVIDE(等分)H, *BHATCH(填充)3、修改命令:CO, *COPY(复制)MI, *MIRROR(镜像)AR, *ARRAY(阵列)O, *OFFSET(偏移)RO, *ROTATE(旋转)M, *MOVE(移动)E, DEL键*ERASE(删除)X, *EXPLODE(分解)TR, *TRIM(修剪)EX, *EXTEND(延伸)S, *STRETCH(拉伸)LEN, *LENGTHEN(直线拉长)SC, *SCALE(比例缩放)BR, *BREAK(打断)CHA, *CHAMFER(倒角)F, *FILLET(倒圆角)PE, *PEDIT(多段线编辑)ED, *DDEDIT(修改文本)4、视窗缩放:P, *PAN(平移)Z+空格+空格, *实时缩放Z, *局部放大Z+P, *返回上一视图Z+E, *显示全图5、尺寸标注:DLI, *DIMLINEAR(直线标注)DAL, *DIMALIGNED(对齐标注)DRA, *DIMRADIUS(半径标注)DDI, *DIMDIAMETER(直径标注)DAN, *DIMANGULAR(角度标注)DCE, *DIMCENTER(中心标注)DOR, *DIMORDINATE(点标注)TOL, *TOLERANCE(标注形位公差)LE, *QLEADER(快速引出标注)DBA, *DIMBASELINE(基线标注)DCO, *DIMCONTINUE(连续标注)D, *DIMSTYLE(标注样式)DED, *DIMEDIT(编辑标注)DOV, *DIMOVERRIDE(替换标注系统变量)(二)常用CTRL快捷键【CTRL】+1 *PROPERTIES(修改特性)【CTRL】+2 *ADCENTER(设计中心)【CTRL】+O *OPEN(打开文件)【CTRL】+N、M *NEW(新建文件)【CTRL】+P *PRINT(打印文件)【CTRL】+S *SAVE(保存文件)【CTRL】+Z *UNDO(放弃)【CTRL】+X *CUTCLIP(剪切)【CTRL】+C *COPYCLIP(复制)【CTRL】+V *PASTECLIP(粘贴)【CTRL】+B *SNAP(栅格捕捉)【CTRL】+F *OSNAP(对象捕捉)【CTRL】+G *GRID(栅格)【CTRL】+L *ORTHO(正交)【CTRL】+W *(对象追踪)【CTRL】+U *(极轴)(三)常用功能键【F1】*HELP(帮助)【F2】*(文本窗口)【F3】*OSNAP(对象捕捉)【F7】*GRIP(栅格)【F8】*ORTHO(正交。