搭板及基础三级技术交底
- 格式:docx
- 大小:107.53 KB
- 文档页数:4
### 一、交底目的为确保施工现场架工作业的安全,预防安全事故的发生,提高施工人员的安全意识和操作技能,特进行本次三级安全技术交底。
### 二、交底对象本次交底对象为参与架工作业的所有施工人员。
### 三、交底内容#### 1. 作业环境及要求(1)作业现场应平整、坚实,必要时进行夯实处理。
(2)施工过程中,应确保作业面畅通,不得有障碍物。
(3)作业现场应设置安全警示标志,提醒施工人员注意安全。
#### 2. 作业前的准备工作(1)检查架体结构是否完整,连接件是否牢固。
(2)检查施工工具、材料是否齐全,性能是否良好。
(3)检查现场临时用电线路是否安全可靠。
(4)对施工人员进行安全教育和技术培训。
#### 3. 作业过程中的安全措施(1)搭设过程中,施工人员必须穿戴好安全帽、安全带等防护用品。
(2)搭设过程中,严禁酒后作业,不得疲劳作业。
(3)搭设过程中,严禁在架体上行走、奔跑、跳跃。
(4)施工过程中,不得擅自改变架体结构,如需改动,必须经专业人员同意。
(5)施工过程中,应随时检查架体结构,发现异常情况立即停止作业,报告负责人。
#### 4. 作业后的安全检查(1)作业结束后,对架体进行全面检查,确保结构完整、连接牢固。
(2)检查施工工具、材料是否完好,存放整齐。
(3)清理作业现场,确保无障碍物。
#### 5. 应急预案(1)遇突发情况,立即停止作业,迅速撤离现场。
(2)发生事故,立即启动应急预案,按照规定程序进行报告、处理。
### 四、交底要求1. 施工人员必须认真学习本次交底内容,掌握安全操作规程。
2. 施工人员应自觉遵守安全操作规程,确保自身和他人的安全。
3. 施工单位应定期对施工人员进行安全教育和培训,提高安全意识。
4. 施工现场应设置专职安全员,负责监督施工人员的安全操作。
### 五、签字确认施工负责人:________施工员:________班组长:________施工人员:________日期:____年__月__日。
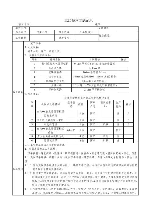
三级技术交底记录项目名称: 编号:单位工程交底时间施工部位施工内容板块面层铺设接受班组:工程数量进度要求施工准备一、材料、机械准备:⑴块料:地砖铺设应符合现行的国家标准的规定和设计要求。
有防腐蚀要求的砖面层,应按现行的国家规范《建筑防腐蚀工程施工及验收规范》的规定执行。
⑵水泥:采用强度级别不小于32.5级的硅酸盐水泥、普通硅酸盐水泥或矿渣硅酸盐水泥。
擦缝应采用白水泥,同颜色的面层应使用同一批水泥。
⑶砂:采用中砂,含泥量小于 3 %。
⑷胶粘剂:粘接力、相容性应符合设计要求,并符合《民用建筑工程室内环境污染控制规范》的规定。
(5)机具:蛙式打夯机、砂浆搅拌机、砂轮机、切砖机、磨砖机、手推车等。
(6)工具:平锹、铁抹子、木抹子、大杠尺、木拍板、木锤、橡皮锤、水平尺、直板尺、拨缝刀、尖錾子、扁錾子等。
二、作业条件:⑴基层已按设计要求施工完成,水泥类基层的抗压强度已大于 1.2MPa。
⑵门框、板上平面预埋件、各种管道及地漏等已安装完毕,立管和套管穿过面层孔洞已用细石混凝土灌注密实,并经检查合格。
⑶面层图案的样板已经和甲方确定。
对复杂图案的面层,应绘制大样图并做出样板间。
⑷块料及铺设辅料材料运进现场,经检查质量符合要求。
⑸块料的规格、品种、颜色已经设计和甲方选定。
⑹面层标高和排水坡度的基准点和水平基准控制线已设置或标志。
⑺施工机具已备齐,水、电已接通。
⑻气温不低于5℃。
施工方法三、工艺流程基层处理→选砖→铺底灰→弹线找方→铺砖→养护四、施工工艺⑴基层处理:⑵将基层表面的油污、杂物等清理干净。
前1天,将基层浇水湿润。
⑵选砖:块料按颜色和花纹分类堆放备用,有裂纹、掉角和表面上有缺陷的砖应予剔除。
⑶铺底灰:①按控制标高和坡度,先在基层上做灰饼(间距 1.5m左右)或冲筋,然后在基层面均匀洒水湿润,并刷一道水灰比为0.4-0.5素水泥浆,一次面积不宜过大,必须随刷随铺找平层。
②用1:3水泥砂浆做找平层,厚度为l5-20mm;铺灰时按冲筋的高度将砂浆摊平,用大杠尺刮平,木抹子拍实、搓平,并划毛。
一、前言为确保桥梁施工过程中的安全,根据国家有关安全生产法律法规和行业规范,特制定本桥梁安全三级交底技术标准模板。
本模板适用于桥梁施工全过程中的安全管理工作,旨在提高施工人员的安全意识和操作技能,预防安全事故的发生。
二、三级交底内容1. 初级交底(1)交底对象:所有进入施工现场的施工人员。
(2)交底内容:1)安全生产方针、政策和法律法规;2)施工现场安全管理制度;3)施工现场安全标识和警示标志;4)个人防护用品的使用方法和要求;5)施工现场消防、应急救援知识;6)施工现场环境保护要求。
(3)交底方式:通过安全培训、宣传栏、班前会等形式进行。
2. 中级交底(1)交底对象:各施工班组负责人、技术负责人。
(2)交底内容:1)施工方案、施工工艺及安全措施;2)施工过程中易发生事故的环节及预防措施;3)施工过程中可能出现的安全隐患及应对措施;4)施工现场临时用电、机械设备、高空作业等安全操作规程;5)施工现场安全检查、隐患排查及整改要求。
(3)交底方式:通过安全技术交底会、施工方案审查会等形式进行。
3. 高级交底(1)交底对象:项目经理、技术负责人、安全总监。
(2)交底内容:1)项目整体安全目标、安全责任及安全生产责任制;2)项目重大危险源、重大风险及应对措施;3)项目安全管理体系、安全生产标准化建设及验收要求;4)项目安全检查、隐患排查及整改工作;5)项目安全培训、宣传教育及考核评价。
(3)交底方式:通过项目安全会议、安全生产责任制签订会等形式进行。
三、交底要求1. 交底人员应具备相应的资质和经验,熟悉相关法律法规、技术规范和标准;2. 交底内容应全面、准确、具体,具有可操作性;3. 交底方式应多样化,确保交底效果;4. 交底记录应完整、规范,妥善保存;5. 交底对象应认真听取,做好笔记,确保理解掌握交底内容。
四、附则1. 本模板为桥梁安全三级交底技术标准模板,可根据实际情况进行修改和完善;2. 各单位应结合自身实际,制定具体的安全交底实施细则;3. 本模板自发布之日起施行。
一、交底目的为确保桥头搭板施工过程中的安全,预防安全事故的发生,特制定本安全技术交底。
二、交底对象所有参与桥头搭板施工的施工人员、监理人员及管理人员。
三、交底时间施工前及施工过程中。
四、交底内容1. 施工环境及要求- 施工现场应平整、坚实,符合施工要求。
- 施工区域应设置明显的安全警示标志。
- 施工现场应配备必要的安全防护设施,如安全网、安全带、防护栏杆等。
2. 施工材料及设备- 搭板材料应符合国家相关标准,不得使用不合格材料。
- 施工设备应定期检查、保养,确保其安全可靠。
3. 施工工艺及流程- 施工前应制定详细的施工方案,明确施工步骤、操作要点和安全注意事项。
- 施工过程中应严格按照施工方案进行操作,不得擅自更改施工工艺。
4. 安全操作要点- 施工人员必须穿戴符合国家标准的安全帽、安全带、防护眼镜等个人防护用品。
- 施工人员应熟悉施工设备的使用方法和操作规程,不得违规操作。
- 施工过程中应保持施工现场的整洁,不得堆放杂物,防止绊倒或滑倒。
- 施工过程中应保持良好的通风,防止有害气体积聚。
- 施工过程中应随时检查施工现场的安全状况,发现问题立即整改。
5. 安全防护措施- 施工现场应设置临时围栏,防止无关人员进入施工区域。
- 施工现场应设置警示标志,提醒施工人员注意安全。
- 施工过程中应定期进行安全巡查,及时发现和消除安全隐患。
- 施工完成后,应及时清理施工现场,确保安全。
6. 紧急预案- 施工过程中如发生安全事故,应立即启动应急预案,及时进行救援。
- 施工人员应熟悉应急预案的内容,掌握应急处理方法。
五、交底要求1. 施工人员应认真学习本安全技术交底,确保理解并掌握各项安全要求。
2. 施工人员应严格按照安全技术交底的要求进行施工,不得违反操作规程。
3. 施工过程中应加强安全意识,时刻注意自身和他人的安全。
六、附件1. 桥头搭板施工方案2. 施工现场安全防护设施清单3. 个人防护用品清单七、交底人签名(此处填写交底人姓名及职务)八、接受交底人签名(此处填写接受交底人姓名及职务)九、交底日期(此处填写交底日期)十、备注本安全技术交底范本仅供参考,具体施工过程中应根据实际情况进行调整。
三级技术交底工程名称:
三级技术交底工程名称:
三级技术交底工程名称:
三级技术交底工程名称:
三级技术交底工程名称:
三级技术交底
工程名称:
5.模板拆除
①侧模,在混凝土强度能保证其表面及棱角不因拆除模板而受损坏后,方可拆除。
②底模,在同一部位同条件养护的混凝土试块强度达到要求时方可拆除(见表1)。
③拆除高度在5m以上的模板时,应搭脚手架,并设防护栏杆,防止上下在同一垂直面操作。
④模板支撑拆除前,混凝土强度必须达到设计要求,并经申报批准后,才能进行。
拆除模板一般用长撬棒,人不许站在正在拆除的模板上。
在拆除楼板模板时,要注意
三级技术交底工程名称:
三级安全交底工程名称:
三级安全交底工程名称:。
各级交底内容一级技术交底由项目总工程师组织,在项目组建后、正式开工前对项目部技术人员及相关管理人员进行的技术交底。
按专业或者单位工程进行划分,主要内容有:1)工程概况和各项技术经济指标和要求。
2)主要施工方法,关键性的施工技术及实施中存在的问题。
3)特殊工程部位、关键工序的施工工艺、技术处理细节及其注意事项。
4)新技术、新工艺、新材料、新结构施工技术要求与实施方案及注意事项。
5)施工组织设计网络计划、进度及工期要求、施工部署、施工机械、施工器材、劳动力安排与组织。
6)与分包单位之间、接口工程之间互相协作配合关系及其有关问题的处理。
7)施工质量标准和安全技术。
8)采用本单位所推行的工艺、工法等标准化作业。
二级技术交底由项目工程部长或工区总工组织,依据一级交底的内容,结合具体施工方案,对相关技术人员进行的技术交底。
按分部工程进行划分,主要内容有:1)工程情况以及设计图纸的具体要求、做法及其施工难度。
2)施工组织设计或施工方案的具体要求及其实施步骤与方法。
3)施工中具体做法,明确采用什么工艺标准和本企业哪几项工法;关键部位及其实施过程中可能遇到问题与解决办法;安全质量点卡控要点。
4)施工进度要求、工序搭接、施工部署与施工班组任务确定。
5)施工中所采用主要施工机械型号、数量及其进场时间、作业程序安排等有关问题。
6)新工艺、新结构、新材料的有关操作规程、技术规定及其注意事项。
7)施工质量标准和安全技术具体措施及其注意事项。
三级技术交底由作业工点技术人员组织,依据二级交底、现场作业环境、施工图纸、相关规范等内容,对施工班组作业人员进行的技术交底。
按施工工序或者不同作业班组进行划分,主要内容有:1)交底作业范围及工作量。
2)测量放样定位资料,结构物主要轴线、尺寸和标高。
3)侧重交清每一个作业班组负责施工的工程具体技术要求和采用的施工工艺标准或企业内部工法。
4)工程施工质量及验收标准。
5)质量通病预防办法及其注意事项。
三级技术交底记录记录代号:QB/ZSWJ-B-19-04图4.4.1 混凝土桥面铺装施工工序框图图4.4.2 T型筋对钢筋网片的支垫示意图⑷钢筋网片的搭接成品钢筋网片运至桥面施工现场后,采用“平搭法”进行搭接施工,并采用铁丝绑扎牢固,搭接长度15cm。
图4.4.3 钢筋网片“平搭法”示意图3.桥面铺装采用C50混凝土桥面铺装层混凝土施工前再次将梁顶冲洗干净。
为了控制标高及便于施工,沿护栏内侧安装模板浇筑一道标准带作为振动梁轨道,标准带宽度不小于际需要适当调整。
待强度达到设计强度的75%以上,模板拆除后,方可进行大面积的桥面混凝土施工。
桥面铺装施工采用分段施工,以伸缩缝为界分成多个施工作业面。
图4.5.1 预留泄水管槽口模具5.护栏施工缝及伸缩缝⑴为防止混凝土干缩和主梁挠度变化而造成护栏开裂,浇筑护栏时在墩顶、跨中、跨径1/4处留施工缝。
护栏施工缝采用“抽拔钢板”,模板安装时在施工缝位置设置抽拔钢板以形成施工缝。
图4.9.2 平设排水管立面图施工前,必须将承口和插口上面的尘土及油污擦干净,不能有水,承口插入后要迅速调整好管件的角度,以免干了不能转动。
因此排水管道应自下向上安装,并符合规范要求,合格后方可进入下道工序施工。
各工序操作方法如下:1.安装准备熟悉图纸,按设计要求和图纸要求,结合实际情况,加工模板、模具及原材料。
2.预制加工按图纸设计量好尺寸,进行断管,断口要平齐。
施工前应对承插口进行插入试验,一般插入深度为承口的3/4。
管件要编号,甩口位置、方向要准确。
3.立管的安装:根据图纸要求的坐标、标高等预留孔洞或预埋套管。
采用托吊架的要按坐标、标高、坡度等要求,先安装好托吊架;然后将预制好的管件,按编号进行安装。
管道要平直,坡度要均匀。
安装完毕后,以充气橡胶堵封闭,做闭水试验,在规定时间内,达到不。
三级技术交底记录防止变形及碰坏涂层。
底板檩条焊接在钢结构上,焊接时电流要适当,焊缝成形后不能出现气孔和裂纹,也不能出现咬边和焊瘤,焊缝尺寸应达到设计要求,焊缝应均匀,焊缝成型应美观,焊接工作完程验收后,对焊缝进行防腐处理,焊缝要求满足三级焊缝要求,满焊。
1.2 底板安装底板铺装在底板檩条上,用自攻镙丝将钢底板固定,钢底板在铺装过程中应做好安全防护措施及成品保护措施。
底板安装时注意搭接,长度方向搭接不少于200mm。
1.3 屋面支撑层安装屋面T字形支撑安装于屋面底板两肋上方,屋面支托在底板安装的同时就进行弹线,再根据弹线位置安装,保证支撑间距。
支撑采用M5.5x25的自攻螺丝与底板檩条连接,所有螺丝固定均使用电动紧固工具,以保证紧固力矩,支撑安装时底部带有绝缘垫。
屋面板与T字形支撑连接,为保证屋面板安装成型后屋面平整度,支撑体系横向间距405mm,纵向间距1500mm,支架安装横向间距偏差≤5mm,支架纵向偏离中心偏差≤±6mm。
1.4 保温、吸音、防水层铺设:吸音棉(下衬无纺布)→钢丝网→保温棉→防水透气膜→自检、自查屋面底板完成一定工作面后进行屋面支撑层的安装,与此同时即可铺设保温、吸音、防水层,铺设前先检查清理已部分铺装完的彩色底板上是否有杂物,清理干净后,即可开始铺装。
铺装顺序从下往上依次是吸音棉、保温棉、防水透气膜。
保温棉和防水透气膜上、下层错缝铺设搭接长度≥100mm,缝隙间挤紧严密,边角部位填充饱满外形保持完好。
1.5 屋面板安装质量要求三、质量要求1.金属板材屋面与立面幕墙的擦伤机结构交接处,均应做泛水处理。
两板间应放置通长密封条;螺栓拧紧后,两板的搭接口处应用密封材料封严。
2.压型板应采用带防水垫圈的钢螺栓(螺钉)固定,固定点应设在波谷上。
3.压型面板(铝镁锰屋面板)的有关尺寸应符合下列要求:a)压型板的横向搭接不小于一个波,纵向搭接不小于200mm。
b)压型板伸入檐沟内的长度不小于150mm。
一、工程名称:二、施工单位:三、施工内容:四、交底内容:一、工程概况1. 工程地点:_______2. 工程规模:_______3. 工程性质:_______二、施工组织及人员1. 施工项目经理:_______2. 施工技术负责人:_______3. 施工班组长:_______4. 施工人员:_______三、安全技术交底1. 施工现场环境(1)施工现场周边环境:_______(2)施工现场内部环境:_______ 2. 施工过程中的危险源(1)高空作业:_______(2)机械伤害:_______(3)物体打击:_______(4)触电:_______(5)坍塌:_______(6)火灾:_______(7)中毒:_______3. 安全防护措施(1)高空作业:_______(2)机械伤害:_______(3)物体打击:_______(4)触电:_______(5)坍塌:_______(6)火灾:_______(7)中毒:_______4. 个人防护用品(1)高空作业:_______(2)机械伤害:_______(3)物体打击:_______(4)触电:_______(5)坍塌:_______(6)火灾:_______(7)中毒:_______5. 应急预案(1)事故报告:_______(2)现场急救:_______(3)人员疏散:_______(4)应急物资:_______四、施工注意事项1. 施工人员必须遵守施工现场的安全规章制度,严格执行安全技术交底。
2. 施工过程中,必须严格遵守操作规程,不得擅自更改施工工艺。
3. 施工现场应保持整洁,不得乱堆乱放,确保施工通道畅通。
4. 施工现场应设置明显的安全警示标志,提醒施工人员注意安全。
5. 施工过程中,必须加强施工现场的巡查,发现问题及时处理。
五、交底要求1. 施工单位应将安全技术交底内容向施工人员进行详细讲解,确保施工人员充分了解。
2. 施工人员应认真听取安全技术交底,并在交底记录上签字确认。
竭诚为您提供优质文档/双击可除三级技术交底模板篇一:模板技术交底三级xxxxxxxxxxxxxxxxxxxxxxxx三级模板施工技术交底编制:审核:审批:单位:中铁xxxxxxxxxx 一期土建第1合同段项目部时间:20xx 年 4 月 2日中铁xxxx局xxxxx速公路一期土建第1合同段项目三级模板施工技术交底编号:篇二:三级技术交底步骤16.1三级技术交底步骤16.1.1一级技术交底:项目施工技术总体交底工程开工前,由项目经理主持,交底人项目总工程师就工程总体以分项工程为单元进行总体技术交底,参加人员为本项目各部门负责人、分项工程负责人及全体技术人员。
16.1.2二级技术交底:交底人是项目工程部长或项目总工程师,就每分部工程以分项工程为单元向分项工程技术负责人和相关技术人员进行交底;重点工程、重要分项工程的技术交底应由项目总工程师亲自交底。
16.1.3三级技术交底:交底人为分项工程现场工程师、专业化分包队伍现场技术负责人。
应就每分项工程以工序为单元向工序技术员、工班长或工序负责人、主要操作人员进行技术交底。
对于包清工和零星工程等没有现场技术负责人的分包队伍的施工人员纳入分项工程现场工程师交底对象。
16.2三级施工技术交底的主要内容:施工技术交底由于交底的层次、对象不同,因而交底的内容、侧重点也各不相同。
16.2.1总体施工技术交底:在工程开工前,项目总工程师应依据项目实施性施工组织设计、施工图纸、合同文件和现场实地调查情况等拟定技术交底文件,对工程总体情况进行全面交底。
主要包括以下内容:(1)工程概况、主要工程量、施工总体部署及施工任务划分。
;(2)工程的特点、难点,设计意图、要求,执行的技术标准和规范;(3)技术质量管理流程(监理程序、质量控制、试验检测、设计变更等);(4)主要施工流程、关键工序、特殊工序施工方案,工序交叉配合要求及关键性施工技术要点;(5)施工进度要求,关键线路、控制点,阶段性控制目标;(6)项目质量计划,含质量方针、质量目标、创优目标和保证措施;(7)文明施工、职业健康安全和环境管理的主要目标和措施;(8)“四新”技术应用及注意事项;(9)其他施工注意事项。
施工技术交底书(三)级JD-04-表01- 单位工程名称:金庙双线大桥填写:2009年12月27日分部工程名称:墩台施工技术交底主要内容:墩身模板及支架一、适用范围金庙双线大桥墩身模板及支架。
二、一般规定1.模板安装前必须检查模板有无变形,尺寸、刚度、平整度是否符合要求,清除残留杂物,进行打磨除锈处理。
2.涂刷模板漆前,模板一定要擦干净,干燥,无锈无油。
模板漆涂刷均匀到位,保证脱模顺利,不沾模。
涂刷厚度适中,避免拆模后留下污渍。
3.检查结构物中心及模板就位线正确无误后开始支立模板,支立顺序先大后小。
4. 模板接缝处可贴双面泡沫胶,或进行嵌缝处理,保证接缝严密不漏浆。
模板底部用砂浆找平,既可使模板底部不漏浆也可使模板中心就位更准确,减少调整模板的难度和工作量。
三、施工工艺及方法金庙双线大桥墩台身工程数量统计表序号墩台身规格(cm)底宽×底长×墩高分布墩位数量(个) 备注(号墩)1 840×925×811 0 1 空心桥台2 810×220×1000 1 1 等截面实心墩3 810×220×1500 2、3 2 等截面实心墩4 810×220×1450 4 1 等截面实心墩5 810×220×1150 5 1 等截面实心墩6 810×220×850 6 1 等截面实心墩7 840×800×711 7 1 空心桥台合计81.测量放样测量人员按照墩台设计尺寸,计算出设计坐标和高程,准确放样处墩台纵横桥向的轴线及平面轮廓线,并用红油漆作出标记,为墩台身钢筋和模板安装提供依据。
测量放样成果,需及时同现场技术员和工班长进行交底,做好相应的辅助线,施工过程中应严加保护。
放样成果遭破坏或者不明时,应立即通知测量人员复核和重新放样。
2.凿毛凿毛前,先沿结构尺寸弹上墨线。
模板三级技术交底模板工程三级技术交底工程名称:亳州市宋汤河西岸刘庄安置还原小区Ⅱ区1#~3#、8#~12#楼、滨河公寓、商业楼及地下车库交底部位:模板工程接底人:1、施工准备1.1 材料交底人:接底日期:1.1.1 面板材料:多层木胶合板(12~18mm 厚)、竹胶合板( 12~18mm 厚)。
1.1.2 支撑材料:方木、方钢管(50mm×100mm)、专用型钢柱箍、可调上下顶托、¢48×3.5钢碗扣架、可调钢支柱、木工字梁、槽钢背楞等。
1.1.3连接材料:碟形扣件、3形扣件、对拉螺栓、钩头螺栓、紧固螺栓、花篮螺栓、连接爪等。
1.1.4辅助材料:脱模剂、铁钉、铁丝、海绵条、封口漆、垫木、塑料套管等。
1.2机具设备1.2.1机械:电锯、电刨、电钻、电压刨、气泵1.2.2工具:手锯、手刨、手锤、钳子、线坠、方尺、水平尺、钢尺、靠尺、小线、撬棍等。
1.3作业条件1.3.1模板加工制作场地应进行平整硬化,加工设备安装就位,并检验合格。
1.3.2轴线、模板边线、模板控制线及标高控制线已测设完毕,并办理预检手续。
1.3.3完成墙、柱钢筋绑扎、水电管线箱盒、预埋件埋设、预留洞安装,钢筋保护层垫块、定位钢筋固定完,并办理交接手续。
1.3.4施工缝处的混凝土软弱层剔凿,并清理干净,办理交接手续。
1.3.5模板施工操作脚手架搭设完,经检查符合安全要求。
1.3.6固定模板缆风绳用的预埋钢筋环已按要求埋设完。
1.4技术准备1.4.1模板设计:依据工程结构形式、特点及施工组织设计流水段的划分,结合施工方法进行模板设计。
模板应满足构造合理,拼缝严密,且便于组装和支拆。
强度、刚度及稳定性能验算符合要求,并绘制墙、柱配板图、连接件和支撑系统布置图、异型模板及特殊部位详图。
2操作工艺2.1柱模板安装2.1.1工艺流程模板制作 ---柱模板安装---柱模板校正加固---办理预检及验收2.1.2操作方法2.1.2.1柱模制作依据模板设计制作图进行模板制作,先将木背楞厚度方向上的上下两个面刨平、刨直,挑选厚度一致的背楞和胶合板依据单块模板制作大样图,将胶合板按制作尺寸要求裁板,并对裁边处的胶合板采用封口漆封边。