电熔直通承插深度及焊接工艺
- 格式:doc
- 大小:401.50 KB
- 文档页数:3
聚乙烯管道电熔连接技术是利用电熔连接机具将聚乙烯管道连接起来的一种方法。
在电熔连接过程中,需要将电熔管件与聚乙烯管材通过外部的电压和电流信号进行连接,实现聚乙烯管道的永久性连接。
电熔连接的原理是将电熔管件与聚乙烯管材的接触面通过热熔胶粘合在一起,然后通过电熔焊接机具施加一定的电压和电流信号,使接触面熔化并融合在一起,形成紧密的连接。
电熔深度是电熔连接技术中的一个重要参数,它指的是电熔管件与聚乙烯管材接触面熔化的深度。
在电熔连接过程中,需要控制电熔深度的值,以确保连接的质量和可靠性。
通常情况下,电熔深度的值需要根据聚乙烯管材的规格和厚度以及电熔管件的类型和规格进行选择。
在选择电熔深度时,需要考虑以下几个因素:
1.聚乙烯管材的规格和厚度:不同规格和厚度的聚乙烯管材需要不同的电熔深度值。
一般来说,较薄的管材需要较小的电熔深度值,较厚的管材需要较大的电熔深度值。
2.电熔管件的类型和规格:不同类型的电熔管件需要不同的电熔深度值。
一般来说,较小的电熔管件需要较小的电熔深度值,较大的电熔管件需要较大的电熔深度值。
3.电熔连接的质量要求:不同的质量要求需要不同的电熔深度值。
如果质量要求较高,需要选择较大的电熔深度值,以确保连接的可靠性和使用寿命。
总之,在选择电熔深度时,需要根据实际情况进行综合考虑,以选择合适的电熔深度值,确保聚乙烯管道的电熔连接质量和可靠性。
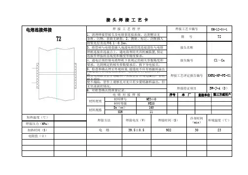
KM-12-04-1
3023 接 头 焊 接 工 艺 卡
材料材质材料牌号材料等级ME3440电 熔环境温度(℃)焊接压力(MPa)
加热时间(S)
电阻值(Ω)加热温度(℃)
焊接方法焊接电压(V)39.5±0.59825、检查和确认焊后外观质量,接缝处不应有熔融料溢出
焊接工艺卡编号冷却时间(min)1、清理焊接管接头及电熔套连接表面,达到整洁无杂质、污物,表面无缺陷;2、测量、标记、刮削插入
3、将管材与电熔套插入端或电熔管段连接部位与电熔
4、通电后须控制电熔焊机下表规定的相关参数精度和电 熔 对 接 焊 接
,溢边量符合规定范围要求;电熔管件内电阻丝不挤出;鞍型电熔鞍型管件熔融料不从鞍型管件周边溢出;管材壁不
无呈流淌状情况;焊 接 工 艺 程 序材料规格De(㎜)SDR 16011
PE80
6、对检查确认的质量记录。
焊接持证项目BW-J-d(D)段氧化层及皮厚0.1~0.2㎜;
要求;达到规定的相关参数要求后,拆下导电接点;
焊机连接在连接点上;通电前利用夹具机械装置,保证
连接件焊接的直线度和圆度等精度要求;
壁不塌陷;管件上观察孔可见只有少量熔融料溢出,但
焊接时间(S)图 号T2接头名称焊接工艺评定报告编号KMRQ-HP-PE-01接头编号C1~Cn。
热熔对接连接操作规程1、目的为规范热熔连接操作程序,提高PE管道连接的可靠性,保证焊接质量,特制定本规程。
2、焊接准备焊接准备是焊接前必须进行的步骤,操作人员必须予以充分的重视。
设备应置于平整、干燥、并有足够操作空间的场地,否则,应采取相应的措施。
检查整个机具各个部位的紧固件有无脱落或松动,并予以必要处理。
检查整机电器线路有无损坏,并予以必要处理。
检查液压箱内液压油是否充足。
确认电源与机具输入要求相匹配。
将与管材规格一致的卡瓦装入机架。
准备足够的支撑物,以保证待焊接管材可与机架中心线处于同一高度,并能方便移动。
将焊机各部件按照要求插装连接好并检查无误。
设定加热板温度至220±10℃。
接通焊机电源,打开加热板、铣刀和油泵开关并试运行,检查各自工作是否正常。
3、焊接过程在焊接过程中,操作人员应参照焊接工艺卡各项参数进行操作。
特殊情况下,应根据天气、环境温度等变化对其作适当调整。
核对欲焊接的管材规格、压力等级是否正确,检查其表面是否有磕、碰、划伤,如伤痕深度超过管材壁厚的10%,应予以局部切除后方可使用。
用干净的布清除两管端的油污或异物。
将欲焊接的管材置于机架卡瓦内,使两端伸出的长度相当(在不影响铣削和加热的情况下应尽可能短),管材机架以外的部分用支撑物托起,使管材轴线与机架中心线处于同一高度,然后用卡瓦紧固好。
置入铣刀,先打开铣刀电源开关,然后在合拢管材两端,并加以适当的压力,直到两端均有连续的切屑出现后,撤掉压力,略等片刻,再退开活动架,关掉铣刀电源。
切屑厚度应为左右,通过调节铣刀片的高度可调节切屑厚度。
取出铣刀,合拢两管端,检查两端对齐情况。
管材两端的错位量不应超过壁厚的10%,通过调整管材直线度和松紧卡瓦可予以改善;管材两端面间的间隙D﹤225㎜时为㎜,225≤D﹤400㎜时为㎜,D≥400㎜时为1㎜,否则应再次铣削,直到满足上述要求。
将加热板表面的灰尘和残留物清除干净(应特别注意不能划伤加热板表面的不粘层),检查加热板温度是否达到设定值。
电熔承插焊接工艺规程1 焊接准备1.1 设备应置于平整、干燥、并有足够操作空间的场地,否则应采取相应的措施。
1.2 电熔连接前必须判明欲熔接的管材和管件具备可焊性。
1.3 电熔连接必须选择可靠的、输出稳定的专用合格焊机。
1.4 检查电熔焊机输入输出导线是否完好,能否正常工作。
1.5 确认电源与电熔焊机输入要求相匹配。
1.6 准备相应的刮削工具、切断工具、记号笔、尺子等,并检验其功能是否正常。
1.7 检查电熔焊机的各个按键或旋纽是否工作正常。
2 焊接在操作过程中,操作人员必须严格按照电熔管件所规定的焊接参数进行焊接,确保焊接质量。
2.1 检查电熔管件(例裸露式管件)有无断丝、跳丝、绕丝不均等异常现象。
不合格的管件禁止使用。
2.2 核对欲焊接的管材规格、压力等级是否正确,检查其表面是否有磕、碰、划伤,如伤痕深度超过管材壁厚的10%,应予以局部切除后方可使用。
2.3 清除管材、管件焊接区域的灰尘或污物。
2.4 在管材端按照需插入管件长度用记号笔进行标注后(初次标注),必须完整刮除管材表皮(厚度约0.1-0.2mm)并修整光滑;刮削段长度应大于插入长度10mm。
刮削后的管材表面不应被再次污染。
2.5 再次按插入长度对管材进行标注(二次标注)。
2.6 将刮削后的管材插入清洁后的管件到标注尺寸,并保持管材与电熔管件同轴,必要时应予以夹持固定。
管材与管件之间一般以略微用劲即可插入为宜。
2.7 根据电熔管件的不同,选择合适的插头,进行正确的程序或参数设置。
2.8 将焊机输出插头插入管件插孔内并锁紧,确认设定程序或参数无误后,启动电熔焊机进行焊接。
2.9 在熔接过程中,操作者必须注意观察管件观察孔内熔体的溢出情况,及时中断异常熔接状态。
2.10 焊接完成,待接头自然冷却后,取下电极插头。
3、注意事项3.1操作人员必须经专业培训并取得上岗资格证书才可以进行焊接操作。
3.2 操作人员必须遵循该工艺规程和电熔管件所规定的焊接参数。
电熔管件焊接工艺要求
一.用刮刀将管材焊接面的氧化层刮削干净,一般刮削深度为0.2~
0.5mm,如管材管件配太紧不易承插装配时,可适当增加刮削量,
并用标志笔标识好承插深度。
二.在焊接前必须清除管件、管材焊接表面的有机污渍。
三.用万用表检测管件是否通路,如管件线圈正常则将电熔管件装入
管口适当深度,再用锤子均匀轻击电熔管件四周,直到管件边缘与标识线重合为止,禁止敲击电源接线柱处。
四.检查管材和管件的配合间隙是否均匀,配合间隙适度为宜。
五.在装配时必须将溅落在焊接区的污渍擦干净。
六.固定装配好的接头和两侧管线,应使两侧管线保持在同一轴线上,
并且保证接头处不受任何外力作用,以待焊接。
七.焊接完成后,应保证充分的冷却时间,冷却期间禁止挪动管线。
八.焊机正常工作的必要条件:220V或380V的稳定电源,6mm2以上的
电源线。
pe管电熔工艺流程下载提示:该文档是本店铺精心编制而成的,希望大家下载后,能够帮助大家解决实际问题。
文档下载后可定制修改,请根据实际需要进行调整和使用,谢谢!本店铺为大家提供各种类型的实用资料,如教育随笔、日记赏析、句子摘抄、古诗大全、经典美文、话题作文、工作总结、词语解析、文案摘录、其他资料等等,想了解不同资料格式和写法,敬请关注!Download tips: This document is carefully compiled by this editor. I hope that after you download it, it can help you solve practical problems. The document can be customized and modified after downloading, please adjust and use it according to actual needs, thank you! In addition, this shop provides you with various types of practical materials, such as educational essays, diary appreciation, sentence excerpts, ancient poems, classic articles, topic composition, work summary, word parsing, copy excerpts, other materials and so on, want to know different data formats and writing methods, please pay attention!PE(聚乙烯)管电熔工艺是一种常用的管道连接方式,其优点包括连接强度高、密封性好、防腐耐腐蚀、使用寿命长等。
钢丝网骨架塑料复合管道电熔焊接工艺1、试装对管材、管件进行选配。
将电熔接头用手推入管材端口试测间隙大小。
如太大和太小可放置一边暂不使用,另选电熔管件校合;如无选择余地,过紧时应用手动刮削机具对管材进行刮削,直至正常配合。
2、划标记用记号笔在被连接的两根管材上划记号。
记号位置的确定方法如下:(1)测量管件的承插深度尺寸;(2)从管材端口开始,向前量取承插深度尺寸+10mm的长度,在该处划上记号。
记号要清晰醒目。
3、安装扶正器(1)将扶正器夹在管材上;(2)扶正器的两个卡环必须位于记号之后,以免影响管材承插不到位;(3)将扶正器的螺孔方向对正,拧紧其卡环螺母。
4、去氧化层(1)刮前应用清洁毛巾或抹布将管材表面污物去掉;(2)用手刮刀或机械刮刀对记号内的焊接表面刮皮,以去除表面氧化层;DN110-DN200mm的管材宜采用手刮刀,DN225-DN630mm的管材由于表面积大,为提高效率,可采用机械刮刀;(3)刮皮时,应均匀刮整个周边,面面俱到,不允许漏刮。
(4)管件内壁由于布有钢丝,一般用手工刮削。
(5)埋地安装时,允许大口径管材先在地面去氧化皮,用塑料布包好后入沟,在装扶正器。
不过,应特别注意做好清洁工作。
5、清除残渣刮去氧化皮后,要用清洁抹布或棉纱做好管材、管件刮削区域的内外表面的清洁,不允许有泥、油、磨削残渣等赃物附在表面。
抹布在使用中弄脏时,要及时用清水洗干净才能使用。
6、酒精(或丙酮)擦洗为确保焊接区表面无油污、汗渍及其它有机物的污染,在用抹布进行清理后,再用酒精或丙酮进行擦洗,以确保焊接区域的表面是干燥、无尘、无油污的。
7、晾干承插连接前,应保证管材、管件连接面是干燥无水渍的。
如未晾干,焊接时易产生气泡,将严重影响熔接质量。
8、装配管件(1)看清待装管件走向,将其摆正,然后插入电熔接头;(2)可用木锤轻击电熔接头端部四周,将电熔接头打至标记处为止,装配时,严禁敲击电源接线柱;(3)管件(如直接件)一头装好后,将另一根已去氧化皮且做好了清洁的管材插入管件。
工艺标准图名称 塑料管电熔对接连接工艺标准 编号
工艺流程:上夹具—清洁—铣端口—调直—加压加热—加压对接—冷却定型
标准参考图
标准要求
①用熔焊机的夹具夹紧两管,并
清洁管端;
② 用铣刀切平端口,并调整两管中心轴线在一条直线上;
③将熔焊机的加热工具放在两端面之间,施热加压; 冷却 拿走加热工具,冷却一定时间,然后卸压。
①
②
③
④拿走加热工具,加压对接一段时间,待其冷却定型后泄压。
⑤冷却定型,焊口形成一圈均匀光滑的焊圈,熔接圈高度宜为1mm-4mm ,宽度宜为4mm-8mm 。
其它要求:
公称壁厚(mm )
对接工艺
第一步:预热
第二步:熔融 第三步:切换
第四步:对接 预热压力:0.15Mpa 预热温度210+10℃ 压力:0.01Mpa 预热温度210+10℃ 焊接压力:0.15Mpa
预热时卷边高度(mm )
加热时间(s )
允许最大切换时间(s )
冷却时间(min )
2~3.9 0.5 30~40 4 4~5 4.3~6.9 0.5 40~70 5 6~10 7~11.4 1.0 70~120 6 10~16 12.2~18.2 1.0 120~170 8 17~24 20.1~25.6
1.5
170~210
10
25~32
④
⑤。
钢丝网骨架塑料(聚乙烯)复合管道电熔焊接工艺规程1、试装对管材、管件进行选配。
将电熔接头用手推入管材端口试测间隙大小。
如太大和太小可放置一边暂不使用,另选电熔管件校合;如无选择余地,过紧时应用手动刮削机具对管材进行刮削,直至正常配合。
2、划标记用记号笔在被连接的两根管材上划记号。
记号位置的确定方法如下:(1)测量管件的承插深度尺寸;(2)从管材端口开始,向前量取承插深度尺寸+10mm的长度,在该处划上记号。
记号要清晰醒目。
3、安装扶正器(1)将扶正器夹在管材上;(2)扶正器的两个卡环必须位于记号之后,以免影响管材承插不到位;(3)将扶正器的螺孔方向对正,拧紧其卡环螺母。
4、去氧化层(1)刮前应用清洁毛巾或抹布将管材表面污物去掉;(2)用手刮刀或机械刮刀对记号内的焊接表面刮皮,以去除表面氧化层;DN110-DN200mm 的管材宜采用手刮刀,DN225-DN630mm的管材由于表面积大,为提高效率,可采用机械刮刀;(3)刮皮时,应均匀刮整个周边,面面俱到,不允许漏刮。
(4)管件内壁由于布有钢丝,一般用手工刮削。
(5)埋地安装时,允许大口径管材先在地面去氧化皮,用塑料布包好后入沟,在装扶正器。
不过,应特别注意做好清洁工作。
5、清除残渣刮去氧化皮后,要用清洁抹布或棉纱做好管材、管件刮削区域的内外表面的清洁,不允许有泥、油、磨削残渣等赃物附在表面。
抹布在使用中弄脏时,要及时用清水洗干净才能使用。
6、酒精(或丙酮)擦洗为确保焊接区表面无油污、汗渍及其它有机物的污染,在用抹布进行清理后,再用酒精或丙酮进行擦洗,以确保焊接区域的表面是干燥、无尘、无油污的。
7、晾干承插连接前,应保证管材、管件连接面是干燥无水渍的。
如未晾干,焊接时易产生气泡,将严重影响熔接质量。
8、装配管件(1)看清待装管件走向,将其摆正,然后插入电熔接头;(2)可用木锤轻击电熔接头端部四周,将电熔接头打至标记处为止,装配时,严禁敲击电源接线柱;(3)管件(如直接件)一头装好后,将另一根已去氧化皮且做好了清洁的管材插入管件。
电熔pe管的焊接方法电熔PE管是一种高密度聚乙烯管,被广泛应用于城市自来水、建筑排水、化工配管等领域。
电熔PE管的焊接技术是其应用的重要组成部分,对焊接质量的好坏直接影响到管道的使用寿命和安全性。
本文旨在介绍电熔PE管的焊接方法,包括基本原理、设备和工艺步骤等。
一、电熔PE管的基本原理电熔焊接(Electrofusion)是一种电阻加热焊接技术,利用高分子材料对电流的阻抗性质来加热焊接区域,使其达到熔化温度并融合成一个整体。
电熔PE管的焊接与电熔焊接基本原理相同,其差别在于焊接材料、设备和工艺参数等方面。
电熔PE管的焊接材料是高密度聚乙烯,其耐热性能决定了焊接温度的最高限度。
在焊接过程中,将电熔焊接管插入电熔头,通过电熔头内部的电极将电流通入管道壁,造成管道壁局部加热,同时由于电熔头的压力作用,使管道焊口压力均匀,待熔体凝固后, PE 管材在加热的情况下焊接成功。
1. 电熔头(Electrofusion Fitting):电熔头的内部含有两个电极,可通过电缆与电源连接,传导电流并加热管道,焊接管道时需要根据管道直径和焊接要求选择不同规格的电熔头。
2. 手持终端(Handheld Terminal):手持终端是程序控制器,可通过与电熔头连接控制焊接过程,进行参数设置,并监控管道及电熔头的温度变化情况。
3. 电缆(Cable):电缆主要用于传递电流,一端与电熔头相连,另一端连接手持终端设备。
4. 管切机(Pipe Cutter):管切机是电熔PE管焊接的前置设备,用于切割管道,确保管道的长度与圆度一致,达到焊接质量的要求。
三、电熔PE管的焊接步骤1. 切割管道在进行电熔PE管焊接前,需要将管道切割成合适的长度,要求切口面要光滑,不得进行加热或者助剂处理。
2. 加热电熔头在插入电熔头之前,需要对其进行加热,一般情况下将电熔头插入加热设备中,按照相应的规定时间或者温度加热,以达到焊接所需温度。
将已经加热的电熔头插入管道的焊接口中,对于较大的管径应使用专业的设备将电熔头快速准确地插入到管道的设定深度。
热熔连接、电熔连接操作规程(总4页)--本页仅作为文档封面,使用时请直接删除即可----内页可以根据需求调整合适字体及大小--热熔对接连接操作规程1、目的为规范热熔连接操作程序,提高PE管道连接的可靠性,保证焊接质量,特制定本规程。
2、焊接准备焊接准备是焊接前必须进行的步骤,操作人员必须予以充分的重视。
设备应置于平整、干燥、并有足够操作空间的场地,否则,应采取相应的措施。
检查整个机具各个部位的紧固件有无脱落或松动,并予以必要处理。
检查整机电器线路有无损坏,并予以必要处理。
检查液压箱内液压油是否充足。
确认电源与机具输入要求相匹配。
将与管材规格一致的卡瓦装入机架。
准备足够的支撑物,以保证待焊接管材可与机架中心线处于同一高度,并能方便移动。
将焊机各部件按照要求插装连接好并检查无误。
设定加热板温度至220±10℃。
接通焊机电源,打开加热板、铣刀和油泵开关并试运行,检查各自工作是否正常。
3、焊接过程在焊接过程中,操作人员应参照焊接工艺卡各项参数进行操作。
特殊情况下,应根据天气、环境温度等变化对其作适当调整。
核对欲焊接的管材规格、压力等级是否正确,检查其表面是否有磕、碰、划伤,如伤痕深度超过管材壁厚的10%,应予以局部切除后方可使用。
用干净的布清除两管端的油污或异物。
将欲焊接的管材置于机架卡瓦内,使两端伸出的长度相当(在不影响铣削和加热的情况下应尽可能短),管材机架以外的部分用支撑物托起,使管材轴线与机架中心线处于同一高度,然后用卡瓦紧固好。
置入铣刀,先打开铣刀电源开关,然后在合拢管材两端,并加以适当的压力,直到两端均有连续的切屑出现后,撤掉压力,略等片刻,再退开活动架,关掉铣刀电源。
切屑厚度应为左右,通过调节铣刀片的高度可调节切屑厚度。
取出铣刀,合拢两管端,检查两端对齐情况。
管材两端的错位量不应超过壁厚的10%,通过调整管材直线度和松紧卡瓦可予以改善;管材两端面间的间隙D ﹤225㎜时为㎜,225≤D﹤400㎜时为㎜,D≥400㎜时为1㎜,否则应再次铣削,直到满足上述要求。
行业资料:________ 电熔焊接操作规程单位:______________________部门:______________________日期:______年_____月_____日第1 页共5 页电熔焊接操作规程焊接工艺电熔焊接的焊接参数,已由管件生产厂对所有规格的电熔管件和电熔鞍形管件在设计生产时已逐一进行了焊接工艺工艺评定,其焊接参数按照管件说明书上的参数进行焊接。
2.2.2焊接操作步骤焊接前的准备检查电源电压在焊机要求的范围之内,特别是发电机电压。
导线容量达到焊机输出功率的要求。
地线接地。
自动模式焊接(1)开机。
(2)截取管材;管材端面应垂直轴线,截取误差<5mm。
(3)去氧化皮;需焊接的管材/管件表面必须刮去>0.1mm厚度。
(4)划线;量取电熔管件的焊接深度,标在需焊接的管材/管件上。
(5)承插电熔管件;将清洁的电熔管件套在需焊接的管材/管件上。
(6)安装电熔卡具;保证同轴度。
(7)插接输出电源接头;插牢焊机输出接头,防止虚接。
(8)调整程序;调整焊接模式到自动模式(9)读取数据;用扫描器读取条码,参数在显示屏上显示。
(10)起动焊接焊接,显示屏显示焊接参数及焊接情况。
,同时焊机自动计时储存。
(11)焊接完成;焊机提示,拔去焊机输出电源接头;复位后,进第 2 页共 5 页行下一循环。
手动模式焊接(1-7)步骤同自动模式(8)调整焊机到手动模式。
(9)按焊机说明和管件要求的参数正确输入焊焊机。
(10)起动焊接焊接,显示屏显示焊接参数及焊接情况。
,同时焊机自动计时储存。
(11)焊接完成;焊机提示,拔去焊机输出电源接头;复位后,进行下一焊接循环。
电瓶使用注意安全事项1、电解液面勿低于最低限,否则电瓶易热,容易烧掉。
2、在检查或保养电瓶时,请使用橡胶手套,避免遭受电击。
3、电瓶会产生氢气,有可能引起爆炸,严禁在电瓶附近抽烟,严禁任何火焰或火花产生。
电瓶在储存或充电时务必在通风良好处,但不要在抽风口处,避免酸雾造成腐蚀。
电熔管件的焊接操作过程(一)、电熔承插管件的焊接操作过程1、焊接前准备:1).测量电源电压,确认焊机工作时的电压符合要求。
2).清洁电源输出接头,保证良好的导电性。
2、管材截取:管材的端面应垂直轴线,其误差< 5mm。
3、焊接面清理:测量电熔管材的长度或者中心线,在焊接的管材表面上划线标识,将大于划线区域约5mm内的焊接面刮削约0.2mm厚,以去除氧化层。
4、管材与管件承插:在管材上重新划线,位置距端面为1/2管件长度。
拆开管件包装,将清洁的电熔管件与需要焊接的管材承插,保持管件外侧边缘与标记线平齐。
安装电熔夹具,不得使电熔管件承受外力,管材与管件的不同轴度应当小于管材外径尺寸的1.5%。
5、输出接头连接:焊机输出端与管件接线柱牢固连接,不得虚接。
6、焊接模式设定:按焊机说明书要求,将焊机调整到“自动”或“手动”模式。
6、焊接数据的输入:按自动或者手动方式输入焊接数据。
7、焊接:1).启动焊接开关,开始计时;2).手动模式下焊接参数应当按管件产品说明书确定。
8、自然冷却:冷却时间应当按管件产品说明书确定,冷却过程中不得向焊接件施加任何外力,必须在完成冷却后,才能拆卸夹具。
(二)、电熔鞍形管件的焊接操作过程1,焊接前准备:与电熔承插管件焊焊相同。
2、划线:在管材上划出焊接区域。
3、焊接面清理:将划线区域内的焊接面刮削约0.2mm厚,以去除氧化层,刮削区域应大于鞍体边缘。
4、管件安装:用管件制造单位提供的方法进行安装,确保管件与管材的两个焊接面无间隙。
5、焊接数据输入:与电熔承插管件焊焊相同。
6、焊接:与电熔承插管件焊焊相同。
7、自然冷却:接头在冷却过程中应当处于夹紧状态。
鞍形三通的冷却时间应当大于60分钟或者按产品说明书进行开孔操作。
8、封堵:按照管件产品说明书进行封堵。
六、电熔焊接的检验与试验电熔焊接的检验与试验可分为非破坏性检验和破坏性检验;非破坏性检验主要手段为目测和外观检查,用于施工现场的质量控制和操作人员的自检。
电熔焊接的工艺参数
电熔承插焊接及电熔鞍型焊接的关键工艺参数包括:焊接电压、加热时间、冷却时间、管件电阻值,焊接时产生能量值等,由管道元件制造单位提供。
一般管件制造单位在电熔管件出厂时都已在管件条码标注上注明了焊接参数。
管件上的标签:
管件上的条形码(24位条形码,焊接数据按照ISO TC 138 GT 9 N 153文件规定设置):
生产厂家 管件直径 焊接电压 管件电阻 焊接时间 监控
管件类型 设定
在条形码损坏无法扫描焊接参数或需手动输入焊接参数时,可根据条形码上的数字信息来查看参数。
条形码上的24位数字中,13、14位代表焊接电压;19—21位代表焊接时间。