六角头螺栓M5x30
- 格式:dwg
- 大小:37.14 KB
- 文档页数:1
m5六角螺母标准尺寸
M5六角螺母标准尺寸。
M5六角螺母是一种常见的紧固件,广泛应用于机械设备、汽车、航空航天等
领域。
它的标准尺寸对于工程设计和生产具有重要意义。
下面我们将详细介绍M5
六角螺母的标准尺寸。
首先,M5六角螺母的直径为5mm,螺纹间距为0.8mm。
这是M5螺母的基本
尺寸,也是最常见的规格。
其次,M5六角螺母的高度一般为4mm,这是其标准尺寸。
当然,在特殊情况下,也可以根据实际需要进行定制,但一般情况下都是按照标准尺寸生产。
另外,M5六角螺母的六角宽度为8mm,这是为了配合M5螺栓使用而设计的。
六角螺母的设计可以增加扭矩传递的面积,提高紧固的效果。
除此之外,M5六角螺母的材质一般为碳钢或不锈钢。
碳钢螺母适用于一般环
境下,而不锈钢螺母则适用于潮湿或腐蚀性环境,具有较好的防腐蚀性能。
在安装M5六角螺母时,需要使用相应的扳手或扳手套进行旋紧。
旋紧力度要
适中,不可过紧或过松,以免影响螺纹的使用寿命或紧固效果。
总的来说,M5六角螺母的标准尺寸为直径5mm,螺纹间距0.8mm,高度
4mm,六角宽度8mm。
材质一般为碳钢或不锈钢,适用于不同的环境和需求。
在
使用时,要注意选择合适的工具进行安装,并控制好旋紧力度。
希望以上内容能够帮助您更好地了解M5六角螺母的标准尺寸,为您的工程设
计和生产提供参考。
潍柴标准件标号对照表序号规格名称1M12X110GB/T8方头螺栓C级2M16X60GB/T27六角头铰制孔用3M16X70GB/T27六角头铰制孔用4M24X65GB/T27六角头铰制孔用5M24X70GB/T27六角头铰制孔用6M4X16GB/T29.1六角头头部带槽7M6X12GB/T29.1六角头头部带槽8M12X55GB/T29.1六角头头部带槽9M6X10GB/T29.2十字槽凹穴六角10M6X10GB/T29.2-Zn.D十字槽凹穴六角11M6X14GB/T29.2-Zn.D十字槽凹穴六角12M6X14GB/T32.1六角头头部带孔13M24X400GB/T799地脚螺栓14M24X600GB/T799地脚螺栓15M24X800GB/T799地脚螺栓16M24X800GB/T799-H.Y地脚螺栓17M6X25GB/T5781-4.8六角头螺栓18M6X25GB/T5781-4.8-Zn.D六角头螺栓19M8X25GB/T5781-4.8六角头螺栓20M6X12GB/T5781-4.8六角头螺栓21M6X16GB/T5781-4.8六角头螺栓22M10X20GB/T5781-4.8-H.Y六角头螺栓23M10X100GB/T5782-8.8-H.Y六角头螺栓24M10X45GB/T5782-8.8-H.Y六角头螺栓25M10X50GB/T5782-8.8-H.Y六角头螺栓26M10X55GB/T5782-8.8-H.Y六角头螺栓27M10X60GB/T5782-8.8-H.Y六角头螺栓28M10X65GB/T5782-8.8-H.Y六角头螺栓29M10X70GB/T5782-8.8-H.Y六角头螺栓30M10X70GB/T5782-10.9-H.Y六角头螺栓31M10X80GB/T5782-8.8-H.Y六角头螺栓32M10X80GB/T5782-10.9-H.Y六角头螺栓33M10X90GB/T5782-8.8-H.Y六角头螺栓34M10X90GB/T5782-10.9-H.Y六角头螺栓35M12X100GB/T5782-8.8-H.Y六角头螺栓36M12X140GB/T5782-8.8-H.Y六角头螺栓37M12X50GB/T5782-8.8-H.Y六角头螺栓38M12X55GB/T5782-8.8-H.Y六角头螺栓39M12X60GB/T5782-8.8-H.Y六角头螺栓40M12X60GB/T5782-10.9-H.Y六角头螺栓41M12X70GB/T5782-8.8-H.Y六角头螺栓42M14X100GB/T5782-8.8-H.Y六角头螺栓43M16X110GB/T5782-8.8-H.Y六角头螺栓44M16X55GB/T5782-8.8-H.Y六角头螺栓45M16X65GB/T5782-8.8-H.Y六角头螺栓46M16X70GB/T5782-8.8-H.Y六角头螺栓47M16X75GB/T5782-8.8-H.Y六角头螺栓48M16X90GB/T5782-8.8-H.Y六角头螺栓49M20X100GB/T5782-8.8-H.Y六角头螺栓50M20X110GB/T5782-8.8-H.Y六角头螺栓51M22X100GB/T5782-8.8-H.Y六角头螺栓52M22X110GB/T5782-8.8-H.Y六角头螺栓53M22X120GB/T5782-8.8-H.Y六角头螺栓54M22X90GB/T5782-8.8-H.Y六角头螺栓55M24X100GB/T5782-8.8-H.Y六角头螺栓56M24X110GB/T5782-8.8-H.Y六角头螺栓57M24X90GB/T5782-8.8-H.Y六角头螺栓58M30X110GB/T5782-8.8-H.Y六角头螺栓59M30X130GB/T5782-8.8-H.Y六角头螺栓60M5X30GB/T5782-8.8-H.Y六角头螺栓61M6X30GB/T5782-8.8-H.Y六角头螺栓62M6X40GB/T5782-8.8-H.Y六角头螺栓63M8X40GB/T5782-8.8-H.Y六角头螺栓64M8X40GB/T5782-10.9-H.Y六角头螺栓65M8X45GB/T5782-8.8-H.Y六角头螺栓66M8X55GB/T5782-8.8-H.Y六角头螺栓67M8X60GB/T5782-8.8-H.Y六角头螺栓68M8X70GB/T5782-8.8-H.Y六角头螺栓69M8X80GB/T5782-8.8-H.Y六角头螺栓70M10X60GB/T5782-10.9-H.Y六角头螺栓71M24X120GB/T5782-8.8-H.Y六角头螺栓72M14X70GB/T5782-8.8-H.Y六角头螺栓73M16X80GB/T5782-8.8-H.Y六角头螺栓74M16X240GB/T5782-8.8-H.Y六角头螺栓75M10X12GB/T5783-8.8-H.Y六角头螺栓 全螺纹76M10X16GB/T5783-8.8-H.Y六角头螺栓 全螺纹77M10X20GB/T5783-8.8-H.Y六角头螺栓 全螺纹78M10X25GB/T5783-8.8-H.Y六角头螺栓 全螺纹79M10X30GB/T5783-8.8-H.Y六角头螺栓 全螺纹80M10X30GB/T5783-10.9-Zn.D六角头螺栓 全螺纹81M10X35GB/T5783-8.8-H.Y六角头螺栓 全螺纹82M10X35GB/T5783-10.9-Zn.D六角头螺栓 全螺纹84M10X45GB/T5783-8.8-H.Y六角头螺栓 全螺纹85M10X45GB/T5783-10.9-Zn.D六角头螺栓 全螺纹86M10X50GB/T5783-8.8-H.Y六角头螺栓 全螺纹87M10X70GB/T5783-8.8-H.Y六角头螺栓 全螺纹88M10X80GB/T5783-8.8-H.Y六角头螺栓 全螺纹89M10X90GB/T5783-10.9-H.Y六角头螺栓 全螺纹90M12X20GB/T5783-8.8-H.Y六角头螺栓 全螺纹91M12X25GB/T5783-8.8-H.Y六角头螺栓 全螺纹92M12X25GB/T5783-10.9-H.Y六角头螺栓 全螺纹93M12X30GB/T5783-8.8-H.Y六角头螺栓 全螺纹94M12X30GB/T5783-10.9-H.Y六角头螺栓 全螺纹95M12X35GB/T5783-8.8-H.Y六角头螺栓 全螺纹96M12X35GB/T5783-10.9-H.Y六角头螺栓 全螺纹97M12X40GB/T5783-8.8-H.Y六角头螺栓 全螺纹98M12X40GB/T5783-10.9-H.Y六角头螺栓 全螺纹99M12X40GB/T5783-10.9-Zn.D六角头螺栓 全螺纹100M12X45GB/T5783-8.8-H.Y六角头螺栓 全螺纹101M12X50GB/T5783-8.8-H.Y六角头螺栓 全螺纹102M12X55GB/T5783-8.8-H.Y六角头螺栓 全螺纹103M12X55GB/T5783-10.9-Zn.D六角头螺栓 全螺纹104M12X65GB/T5783-10.9-Zn.D六角头螺栓 全螺纹105M14X25GB/T5783-8.8-H.Y六角头螺栓 全螺纹106M14X30GB/T5783-8.8-H.Y六角头螺栓 全螺纹107M14X35GB/T5783-8.8-H.Y六角头螺栓 全螺纹108M14X40GB/T5783-8.8-H.Y六角头螺栓 全螺纹109M14X45GB/T5783-8.8-H.Y六角头螺栓 全螺纹110M14X45GB/T5783-10.9-H.Y六角头螺栓 全螺纹111M14X50GB/T5783-8.8-H.Y六角头螺栓 全螺纹112M14X55GB/T5783-8.8-H.Y六角头螺栓 全螺纹113M14X65GB/T5783-8.8-H.Y六角头螺栓 全螺纹114M16X25GB/T5783-8.8-H.Y六角头螺栓 全螺纹115M16X30GB/T5783-8.8-H.Y六角头螺栓 全螺纹116M16X35GB/T5783-8.8-H.Y六角头螺栓 全螺纹117M16X40GB/T5783-8.8-H.Y六角头螺栓 全螺纹118M16X45GB/T5783-8.8-H.Y六角头螺栓 全螺纹119M16X50GB/T5783-8.8-H.Y六角头螺栓 全螺纹120M16X55GB/T5783-8.8-H.Y六角头螺栓 全螺纹121M16X65GB/T5783-8.8-H.Y六角头螺栓 全螺纹122M18X50GB/T5783-10.9-H.Y六角头螺栓 全螺纹123M20X25GB/T5783-8.8-H.Y六角头螺栓 全螺纹124M20X40GB/T5783-10.9-Zn.D六角头螺栓 全螺纹125M20X50GB/T5783-8.8-H.Y六角头螺栓 全螺纹126M20X55GB/T5783-8.8-H.Y六角头螺栓 全螺纹127M20X55GB/T5783-10.9-H.Y六角头螺栓 全螺纹128M20X65GB/T5783-8.8-H.Y六角头螺栓 全螺纹129M24X120GB/T5783-8.8-H.Y六角头螺栓 全螺纹131M30X110GB/T5783-8.8-H.Y六角头螺栓 全螺纹132M4X12GB/T5783-8.8-H.Y六角头螺栓 全螺纹133M5X12GB/T5783-8.8-H.Y六角头螺栓 全螺纹134M5X12GB/T5783-8.8-Zn.D六角头螺栓 全螺纹135M5X16GB/T5783-8.8-H.Y六角头螺栓 全螺纹136M5X16GB/T5783-8.8-Zn.D六角头螺栓 全螺纹137M5X25GB/T5783-8.8-H.Y六角头螺栓 全螺纹138M5X6GB/T5783-8.8-H.Y六角头螺栓 全螺纹139M6X10GB/T5783-8.8-Zn.D六角头螺栓 全螺纹140M6X12GB/T5783-8.8-H.Y六角头螺栓 全螺纹141M6X12GB/T5783-8.8-Zn.D六角头螺栓 全螺纹142M6X16GB/T5783-8.8-H.Y六角头螺栓 全螺纹143M6X20GB/T5783-8.8-H.Y六角头螺栓 全螺纹144M6X25GB/T5783-8.8-H.Y六角头螺栓 全螺纹145M6X30GB/T5783-8.8-H.Y六角头螺栓 全螺纹146M8X12GB/T5783-8.8-H.Y六角头螺栓 全螺纹147M8X16GB/T5783-8.8-H.Y六角头螺栓 全螺纹148M8X16GB/T5783-8.8-Zn.D六角头螺栓 全螺纹149M8X20GB/T5783-8.8-H.Y六角头螺栓 全螺纹150M8X25GB/T5783-8.8-H.Y六角头螺栓 全螺纹151M8X30GB/T5783-8.8-H.Y六角头螺栓 全螺纹152M8X35GB/T5783-8.8-H.Y六角头螺栓 全螺纹153M8X40GB/T5783-8.8-H.Y六角头螺栓 全螺纹154M8X45GB/T5783-8.8-Zn.D六角头螺栓 全螺纹155M8X25GB/T5783-8.8-Zn.D六角头螺栓 全螺纹156M10X90GB/T5783-8.8-H.Y六角头螺栓 全螺纹157M10X100GB/T5783-8.8-H.Y六角头螺栓 全螺纹158M22X80GB/T5783-8.8-H.Y六角头螺栓 全螺纹159M24X70GB/T5783-8.8-H.Y六角头螺栓 全螺纹160M12X45GB/T5783-10.9-Zn.D六角头螺栓 全螺纹161M14X80GB/T5783-8.8-H.Y六角头螺栓 全螺纹162M16X80GB/T5783-8.8-H.Y六角头螺栓 全螺纹163M12X50GB/T5783-10.9-Zn.D六角头螺栓 全螺纹164M12X1.5X35GB/T5785-8.8-H.Y六角头螺栓165M12X1.25X35GB/T5785-8.8-H.Y六角头螺栓166M16X1.5X65GB/T5785-10.9-H.Y六角头螺栓167M20X2X130GB/T5785-8.8-H.Y六角头螺栓168M20X2X150GB/T5785-8.8-H.Y六角头螺栓169M20X2X160GB/T5785-8.8-H.Y六角头螺栓170M14X1.5X30GB/T5786-8.8-H.Y六角头螺栓171Q150B0420六角头螺栓172Q150B0514六角头螺栓173Q150B0522六角头螺栓174Q150B0614六角头螺栓175Q150B0614TF2六角头螺栓176Q150B12150六角头螺栓177Q150B0620六角头螺栓178Q150B0622六角头螺栓179Q150B0675六角头螺栓180Q150B08105六角头螺栓181Q150B0850六角头螺栓182Q150B10130TF2六角头螺栓183Q150B1016六角头螺栓184Q150B1020六角头螺栓185Q150B1035TF2六角头螺栓186Q150B1060六角头螺栓187Q150B1095六角头螺栓188Q150B1218六角头螺栓189Q150B1230TF2六角头螺栓190Q150B1260六角头螺栓191Q150B1270六角头螺栓192Q150B1435六角头螺栓193Q150B1455六角头螺栓194Q150B1670六角头螺栓195Q150B2055六角头螺栓196Q150B2065六角头螺栓197Q150B2085六角头螺栓198Q150B2485六角头螺栓199Q150B1280六角头螺栓200Q150B14160六角头螺栓201Q150B14180六角头螺栓202Q150B1255六角头螺栓203Q150B0312六角头螺栓204Q150B0625六角头螺栓205Q150B12105TF2六角头螺栓206Q150B12120TF2六角头螺栓207Q150B12120六角头螺栓208Q150B0685六角头螺栓209Q150B0518六角头螺栓210Q150B1265TF2六角头螺栓211Q150B12100TF2六角头螺栓212Q151B1430六角头螺栓213Q151B1432六角头螺栓214Q151B1435六角头螺栓215Q151B1440六角头螺栓216Q170B1025六角头头部带孔217Q170B1030六角头头部带孔218Q170B1035六角头头部带孔219Q170B1090六角头头部带孔220Q170B1230六角头头部带孔221Q170B1435六角头头部带孔222Q1980616承面凸焊螺栓223Q151C1060TF2六角头螺栓224Q151C1225TF2六角头螺栓225Q151C1245六角头螺栓226Q151C1245TF2六角头螺栓227Q151C1250六角头螺栓228Q151C1250TF2六角头螺栓229Q151C1260TF2六角头螺栓230Q151C1295TF2六角头螺栓231Q1861290TF2六角法兰面螺栓--加大系列232M8X20GB/T898-8.8-H.Y双头螺柱233M10X20GB/T898-8.8-H.Y双头螺柱234M10X25GB/T898-8.8双头螺柱235M10X25GB/T898-8.8-H.Y双头螺柱236M10X30GB/T898双头螺柱237M10X30GB/T898-8.8-H.Y双头螺柱238M10X35GB/T898-8.8-H.Y双头螺柱239M10X40GB/T898-8.8-H.Y双头螺柱240M10X45GB/T898双头螺柱241M10X45GB/T898-8.8-H.Y双头螺柱242M10X50GB/T898-8.8-Zn.D双头螺柱243M10X65GB/T898-8.8-H.Y双头螺柱244M10X70GB/T898-8.8-H.Y双头螺柱245M10X75GB/T898-8.8-H.Y双头螺柱246M10X80GB/T898-8.8-H.Y双头螺柱247M10X85GB/T898-8.8-H.Y双头螺柱248M10X95GB/T898-8.8-H.Y双头螺柱249M12X120GB/T898-8.8-H.Y双头螺柱250M12X30GB/T898-8.8-H.Y双头螺柱251M12X35GB/T898-10.9双头螺柱252M12X35GB/T898-8.8-H.Y双头螺柱253M12X45GB/T898-10.9双头螺柱254M12X60GB/T898-10.9双头螺柱255M14X30GB/T898-8.8-H.Y双头螺柱256M14X35GB/T898-8.8-H.Y双头螺柱257M16X35GB/T898-8.8-H.Y双头螺柱258M16X55GB/T898双头螺柱259M16X60GB/T898双头螺柱260M8X25GB/T898-8.8-H.Y双头螺柱261M8X30GB/T898-8.8-H.Y双头螺柱262M8X35GB/T898-8.8-H.Y双头螺柱263M8X40GB/T898-8.8-H.Y双头螺柱264M10X25GB/T898双头螺柱265M18X90GB/T898-8.8-H.Y双头螺柱266AM18-M18X1.5X90GB/T898-8.8-H.Y双头螺柱267M18X1.5X90GB/T898-8.8-H.Y双头螺柱268M10X140GB/T899双头螺柱269M10X150GB/T899双头螺柱270M16X30GB/T899双头螺柱271M16X40GB/T899双头螺柱272M8X12GB/T899-Zn.D双头螺柱273M8X30GB/T899双头螺柱274M8X90GB/T899双头螺柱275M10X60GB/T900双头螺柱276M30X1.5GB/T812圆螺母277M33X1.5GB/T812圆螺母278M42X1.5GB/T812圆螺母279M45X1.5GB/T812圆螺母280M76X2GB/T812圆螺母281M8GB/T923盖形螺母282M10GB/T923盖形螺母283M10GB/T6170-H.Y I型六角螺母284M10GB/T6170I型六角螺母285M10GB/T6170-10-Zn.D I型六角螺母286M12GB/T6170I型六角螺母287M12GB/T6170-10-Zn.D I型六角螺母288M12GB/T6170-10-H.Y I型六角螺母289M12GB/T6170-H.Y I型六角螺母290M14GB/T6170-H.Y I型六角螺母291M16GB/T6170I型六角螺母292M16GB/T6170-H.Y I型六角螺母293M20GB/T6170-H.Y I型六角螺母294M22GB/T6170-H.Y I型六角螺母295M24GB/T6170-H.Y I型六角螺母296M3GB/T6170-H.Y I型六角螺母297M30GB/T6170-H.Y I型六角螺母298M4GB/T6170-H.Y I型六角螺母299M4GB/T6170I型六角螺母300M5GB/T6170-H.Y I型六角螺母301M6GB/T6170I型六角螺母302M6GB/T6170-H.Y I型六角螺母303M6GB/T6170-10-Zn.D I型六角螺母304M8GB/T6170I型六角螺母305M8GB/T6170-H.Y I型六角螺母306M12X1GB/T6171-H.Y I型六角螺母 细牙307M12X1.5GB/T6171-H.Y I型六角螺母 细牙308M14X1.5GB/T6171-H.Y I型六角螺母 细牙309M16X1.5GB/T6171I型六角螺母 细牙310M16X1.5GB/T6171-H.Y I型六角螺母 细牙311M16X1.5GB/T6171-10-H.Y I型六角螺母 细牙312M18X1.5GB/T6171I型六角螺母 细牙313M18X1.5GB/T6171-H.Y I型六角螺母 细牙314M20X1.5GB/T6171-H.Y I型六角螺母 细牙315M20X1.5GB/T6171I型六角螺母 细牙316M10GB/T6172.1-H.Y六角薄螺母317M12GB/T6172.1-H.Y六角薄螺母318M20GB/T6172.1-H.Y六角薄螺母319M6GB/T6172.1六角薄螺母320M6GB/T6172.1-H.Y六角薄螺母321M8GB/T6172.1-H.Y六角薄螺母322M10X1GB/T6173-H.Y六角薄螺母 细牙323M12X1.25GB/T6173-H.Y六角薄螺母 细牙324M14X1.5GB/T6173六角薄螺母 细牙325M14X1.5GB/T6173-H.Y六角薄螺母 细牙326M16X1.5GB/T6173六角薄螺母 细牙327M16X1.5GB/T6173-H.Y六角薄螺母 细牙328M18X1.5GB/T6173-H.Y六角薄螺母 细牙329M20X1.5GB/T6173-H.Y六角薄螺母 细牙330M22X1.5GB/T6173-H.Y六角薄螺母 细牙331M24X2GB/T6173六角薄螺母 细牙332M24X2GB/T6173-H.Y六角薄螺母 细牙333M8GB/T61752型六角螺母334M8GB/T6175-Zn.D2型六角螺母335M12X1.25GB/T61762型六角螺母336M10X1GB/T61762型六角螺母337M10GB/T6178-H.Y六角开槽螺母338M12GB/T6178-H.Y六角开槽螺母339M8GB/T6178-H.Y六角开槽螺母340M8GB/T6185.12型全金属六角锁紧螺母341M12GB/T6187.1全金属六角法兰342M16X1.5GB/T9457-H.Y I型六角开槽螺母343M16X1.5GB/T9457-Zn.D I型六角开槽螺母344M20X1.5GB/T9457I型六角开槽螺母345M20X1.5GB/T9457-H.Y I型六角开槽螺母346M20X1.5GB/T9457-Zn.D I型六角开槽螺母347M16X1.5GB/T9459-H.Y2型六角开槽薄螺母348Q33406I型全金属六角锁紧螺母349Q340B04I型六角螺母350Q340B03I型六角螺母351Q340B14I型六角螺母352Q340B16I型六角螺母353Q340B18I型六角螺母354Q340B20I型六角螺母355Q340B22I型六角螺母356Q340B0424I型六角螺母357Q353B14六角较薄螺母358Q351B08六角薄螺母359Q351B14六角薄螺母360M10X16GB/T65开槽圆柱头螺钉361M10X50GB/T65开槽圆柱头螺钉362M4X10GB/T65-Zn.D开槽圆柱头螺钉363M5X14GB/T65-Zn.D开槽圆柱头螺钉364M5X16GB/T65-Zn.D开槽圆柱头螺钉365M6X10GB/T65-Zn.D开槽圆柱头螺钉366M6X16GB/T65-Zn.D开槽圆柱头螺钉367M6X20GB/T65-Zn.D开槽圆柱头螺钉368M6X40GB/T65-Zn.D开槽圆柱头螺钉369M8X12GB/T65-Zn.D开槽圆柱头螺钉370M8X40GB/T65-Zn.D开槽圆柱头螺钉371M8X50GB/T65-Zn.D开槽圆柱头螺钉372M10X16GB/T65-Zn.D开槽圆柱头螺钉373M6X10GB/T67-Zn.D开槽盘头螺钉374M6X12GB/T67-Zn.D开槽盘头螺钉375M10X16GB/T67-Zn.D开槽盘头螺钉376M10X20GB/T67-Zn.D开槽盘头螺钉377M3X10GB/T67-Zn.D开槽盘头螺钉378M3X16GB/T67-Zn.D开槽盘头螺钉379M3X20GB/T67-Zn.D开槽盘头螺钉380M3X25GB/T67-Zn.D开槽盘头螺钉381M3X8GB/T67-Zn.D开槽盘头螺钉382M4X12GB/T67开槽盘头螺钉383M12X16GB/T77内六角平端紧定384M4X12GB/T818十字槽盘头螺钉385M4X12GB/T818-Zn.D十字槽盘头螺钉386M6X16GB/T818十字槽盘头螺钉387M4X12GB/T818-H.Y十字槽盘头螺钉388M5X10GB/T819.1十字槽沉头螺钉389M4X16GB/T819.1十字槽沉头螺钉390M24GB/T825吊环螺钉391M36GB/T825吊环螺钉392M6X10GB/T6190内六角花形圆柱393Q2140310十字盘头螺钉394Q2140406十字盘头螺钉395Q218B0835内六角圆柱头螺396Q218B0640内六角圆柱头螺3973X10GB/T109平头铆钉3983X6GB/T109平头铆钉3994X8GB/T109平头铆钉4005X13GB/T109平头铆钉4011.6X4GB/T827标牌铆钉4021.6X6GB/T827标牌铆钉4032X8GB/T827标牌铆钉4042X4GB/T827标牌铆钉4053X20GB/T867半圆头铆钉4063X5GB/T867半圆头铆钉4074X9GB/T867半圆头铆钉4085X14GB/T867半圆头铆钉4096X17GB/T867半圆头铆钉4103X6GB/T867半圆头铆钉4115X8GB/T867半圆头铆钉4124X18GB/T869沉头铆钉4134X18GB/T869-T3沉头铆钉4145X11GB/T875-H.Y扁平头半空心铆415Q5410204标牌铆钉416Q5410205标牌铆钉41710GB/T93标准型弹簧垫圈41812GB/T93标准型弹簧垫圈41914GB/T93标准型弹簧垫圈42018GB/T93标准型弹簧垫圈42120GB/T93标准型弹簧垫圈42222GB/T93标准型弹簧垫圈42324GB/T93标准型弹簧垫圈4243GB/T93标准型弹簧垫圈42530GB/T93标准型弹簧垫圈4264GB/T93标准型弹簧垫圈4275GB/T93标准型弹簧垫圈4286GB/T93标准型弹簧垫圈4298GB/T93标准型弹簧垫圈43010GB/T95-100HV平垫圈43124GB/T95-100HV平垫圈4326GB/T95-100HV平垫圈43320GB/T96-100HV-Zn.D大垫圈43424GB/T96-100H.V大垫圈43524GB/T96-100HV-Zn.D大垫圈4366GB/T96-140HV-Zn.D大垫圈43716GB/T96-140H.V大垫圈43820GB/T97.1-140HV-Zn.D平垫圈43924GB/T97.1-140HV-Zn.D平垫圈44030GB/T97.1-140HV-Zn.D平垫圈4414GB/T97.1-140HV-Zn.D平垫圈4425GB/T97.1-140HV-Zn.D平垫圈4436GB/T97.1-140HV-Zn.D平垫圈4448GB/T97.1-140HV-Zn.D平垫圈4455GB/T97.2-140HV-Zn.D平垫圈44610GB/T848-140HV小垫圈44710GB/T848-140HV-Zn.D小垫圈4486GB/T848-140HV小垫圈4496GB/T848-140HV-Zn.D小垫圈45010GB/T849球面垫圈45112GB/T849球面垫圈45216GB/T849球面垫圈45310GB/T854单耳止动垫圈45410GB/T854-H.Y单耳止动垫圈45512GB/T854单耳止动垫圈45612GB/T854-H.Y单耳止动垫圈4578GB/T854单耳止动垫圈4588GB/T854-H.Y单耳止动垫圈45912GB/T856外舌止动垫圈46012GB/T856-H.Y外舌止动垫圈46114GB/T856-H.Y外舌止动垫圈46218GB/T856-H.Y外舌止动垫圈46320GB/T856外舌止动垫圈46430GB/T856外舌止动垫圈46520GB/T856-H.Y外舌止动垫圈466105GB/T858圆螺母用止动垫46730GB/T858圆螺母用止动垫46833GB/T858圆螺母用止动垫46939GB/T858圆螺母用止动垫47042GB/T858圆螺母用止动垫47145GB/T858圆螺母用止动垫47290GB/T858圆螺母用止动垫47312GB/T859-H.Y轻型弹簧垫圈47414GB/T859-H.Y轻型弹簧垫圈47520GB/T859-H.Y轻型弹簧垫圈47624GB/T859-H.Y轻型弹簧垫圈47716GB/T862.1外齿锁紧垫圈4788GB/T955波形弹性垫圈47910GB/T955波形弹性垫圈48012GB/T955波形弹性垫圈48114GB/T955波形弹性垫圈48216GB/T955波形弹性垫圈48318GB/T955波形弹性垫圈484Q40003小垫圈485Q40012小垫圈486Q40104平垫圈487Q40106平垫圈488Q40116平垫圈489Q40118平垫圈490Q40120平垫圈491Q40124平垫圈492Q40304弹簧垫圈493Q40305弹簧垫圈494Q40306弹簧垫圈495Q40316弹簧垫圈496Q40316F9弹簧垫圈497Q40318弹簧垫圈498Q40320弹簧垫圈499Q40322弹簧垫圈500Q40324弹簧垫圈501Q40405F9轻型弹簧垫圈502Q40710组合件用平垫圈503Q72310T5F密封垫圈504Q72310密封垫圈505Q72312密封垫圈506Q72314T5F密封垫圈507Q72316T5F密封垫圈508Q72318T5密封垫圈509Q72318密封垫圈510Q72320T5F密封垫圈511Q72320密封垫圈512Q72322T5F密封垫圈513Q72322密封垫圈514Q72324T5F密封垫圈515Q72327T5密封垫圈516Q72327密封垫圈517Q72330T5F密封垫圈518Q72330密封垫圈519Q72308密封垫圈52032GB/T892螺栓紧固 轴端挡521100GB/T893.1孔用弹性挡圈52228GB/T893.1孔用弹性挡圈52330GB/T893.1孔用弹性挡圈52452GB/T893.1孔用弹性挡圈52555GB/T893.1孔用弹性挡圈52660GB/T893.1孔用弹性挡圈52762GB/T893.1孔用弹性挡圈52865GB/T893.1孔用弹性挡圈52972GB/T893.1孔用弹性挡圈53075GB/T893.1孔用弹性挡圈53180GB/T893.1孔用弹性挡圈53285GB/T893.1孔用弹性挡圈53310GB/T893.1孔用弹性挡圈53416GB/T894.1轴用弹性挡圈53522GB/T894.1轴用弹性挡圈53625GB/T894.1轴用弹性挡圈53735GB/T894.1轴用弹性挡圈53860GB/T894.1轴用弹性挡圈539Q43160轴用弹性挡圈54016GB/T895.2轴用钢丝挡圈5419GB/T896开口挡圈542Q43080F3孔用弹性挡圈543Q43650F3开口挡圈544Q43660F3开口挡圈545Q43680F3开口挡圈546Q43690F3开口挡圈547Q43620F3开口挡圈5481.2X16GB/T91-Zn.D开口销5491.6X16GB/T91-Zn.D开口销5501X8GB/T91-Zn.D开口销5512.5X20GB/T91-Zn.D开口销5522.5X25GB/T91-Zn.D开口销5532X10GB/T91-Zn.D开口销5542X12GB/T91开口销5552X12GB/T91-Zn.D开口销5562X14GB/T91-Zn.D开口销5572X16GB/T91-Zn.D开口销5582X16GB/T91开口销5592X20GB/T91-Zn.D开口销5602X25GB/T91-Zn.D开口销5613.2X13GB/T91-Zn.D开口销5623.2X14GB/T91-Zn.D开口销5633.2X20GB/T91-Zn.D开口销5643.2X45GB/T91-Zn.D开口销5654X28GB/T91-Zn.D开口销5664X32GB/T91-Zn.D开口销5674X36GB/T91-Zn.D开口销5684X40GB/T91-Zn.D开口销5691.6X10GB/T91-Zn.D开口销5703.2X16GB/T91-Zn.D开口销5713.2X32GB/T91-Zn.D开口销572A12X85GB/T117圆锥销573A20X60GB/T117圆锥销574A4X16GB/T117圆锥销575A4X35GB/T117圆锥销576A5X22GB/T117圆锥销577A5X26GB/T117圆锥销578A6X30GB/T117圆锥销579A6X40GB/T117圆锥销580A8X30GB/T117圆锥销581B5X22GB/T117圆锥销582A20X70GB/T118内螺纹圆锥销583A20X90GB/T118内螺纹圆锥销584B10X35GB/T118内螺纹圆锥销585B8X30GB/T118内螺纹圆锥销5866X75GB/T119.2圆柱销58710X60GB/T119.2圆柱销58812X22GB/T119.2圆柱销58912X45GB/T119.2圆柱销5903X12GB/T119.2圆柱销5913X8GB/T119.2圆柱销5925X12GB/T119.2圆柱销5935X20GB/T119.2圆柱销5946X18GB/T119.2圆柱销5958X12GB/T119.2圆柱销5968X20GB/T119.2圆柱销5978X22GB/T119.2圆柱销5988X24GB/T119.2圆柱销5998X30GB/T119.2圆柱销600B3X14GB/T119.2圆柱销601B4X8GB/T119.2圆柱销602B5X10GB/T119.2圆柱销603B5X50GB/T119.2圆柱销60412X75GB/T119.2圆柱销60510X20GB/T119.2圆柱销60610X30GB/T120.1内螺纹圆柱销607A10X30GB/T120.2内螺纹圆柱销608A16X30GB/T120.2内螺纹圆柱销6098X20GB/T879.1弹性圆柱销 直槽重型6102X20GB/T879.1弹性圆柱销 直槽重型6118X20GB/T879.2弹性圆柱销 直槽轻型61210X100GB/T881螺尾锥销61310X65GB/T881螺尾锥销61410X75GB/T881螺尾锥销6158X40GB/T881螺尾锥销6168X55GB/T881螺尾锥销617Q5001612开口销6181.6X12GB/T91-Zn.D开口销619Q5210675圆柱销620Q5211060圆柱销621Q5211222圆柱销622Q5211245圆柱销623Q5210312圆柱销624Q5210308圆柱销625Q5210512圆柱销626Q5210520圆柱销627Q5210618圆柱销628Q5210812圆柱销629Q5210822圆柱销630Q5210824圆柱销631Q5210830圆柱销632Q5211232圆柱销633Q5211640圆柱销634Q5211632圆柱销635Q5220314圆柱销636Q5220408圆柱销637Q5220510圆柱销638Q5220550圆柱销639Q5220308圆柱销640Q5230820圆柱销641Q5230822圆柱销642B3X14GB/T882销轴643B5X22GB/T882销轴644B8X60GB/T882销轴64510X22GB/T1096普通平键64610X25GB/T1096普通平键64710X40GB/T1096普通平键64814X63GB/T1096普通平键64916X50GB/T1096普通平键65016X63GB/T1096普通平键65120X100GB/T1096普通平键6524X12GB/T1096普通平键6535X18GB/T1096普通平键6545X20GB/T1096普通平键6556X14GB/T1096普通平键6566X18GB/T1096普通平键6576X40GB/T1096普通平键6588X18GB/T1096普通平键6598X20GB/T1096普通平键66010X45GB/T1096普通平键661B3X8GB/T1096普通平键662C10X45GB/T1096普通平键6632X7GB/T1099半圆键6644X16GB/T1099半圆键6655X16GB/T1099半圆键6666X22GB/T1099半圆键6678X28GB/T1099半圆键6686X4X14GB/T1567薄型平键6696205GB/T276深沟球轴承6706206GB/T276深沟球轴承6716206-2RSGB/T276深沟球轴承6726208GB/T276深沟球轴承6736304GB/T276深沟球轴承6746305GB/T276深沟球轴承6756306GB/T276深沟球轴承6766307GB/T276深沟球轴承6776308GB/T276深沟球轴承6786309GB/T276深沟球轴承6796206-2LSGB/T276深沟球轴承680628GB/T276深沟球轴承6816210GB/T276深沟球轴承6826205-RSGB/T276深沟球轴承68316007GB/T276深沟球轴承6846211GB/T276深沟球轴承685NJ206GB/T283圆柱滚子轴承686NJ206EGB/T283圆柱滚子轴承687NJ208EGB/T283圆柱滚子轴承688NJ212EGB/T283圆柱滚子轴承689NJ2207EGB/T283圆柱滚子轴承690NU206EGB/T283圆柱滚子轴承691NU220EGB/T283圆柱滚子轴承692NU2306EGB/T283圆柱滚子轴承693NU206GB/T283圆柱滚子轴承694NU2207EGB/T283圆柱滚子轴承695NU207EGB/T283圆柱滚子轴承6967307CGB/T292角接触球轴承6973207GB/T296双列角接触球轴6983205GB/T296双列角接触球轴6993305GB/T296双列角接触球轴70030309GB/T297圆锥滚子轴承70132206GB/T297圆锥滚子轴承70232207GB/T297圆锥滚子轴承70330312GB/T297圆锥滚子轴承70410.0000GB/T308钢球70511.0000bGB/T308钢球70613.0000 G10 +(-0.2)GB/T308钢球70716.0000GB/T308钢球70819.0500GB/T308钢球70924.0000GB/T308钢球7105.0000GB/T308钢球7116.0000GB/T308钢球7128.0000GB/T308钢球7139.0000G36GB/T308钢球7149.0000GB/T308钢球7159.0000bGB/T308钢球7169.5250GB/T308钢球7174G10+4(-0.2)GB/T308钢球7185 G20GB/T308钢球719Q614B01方头锥形螺塞720Q614B02方头锥形螺塞721Q614B03方头锥形螺塞722Q614B04方头锥形螺塞723Q614B12方头锥形螺塞724Q614B14方头锥形螺塞725Q617B10六角头螺塞726Q617B16六角头螺塞727Q617B22六角头螺塞728Q61901内六角锥形螺塞729Q61902内六角锥形螺塞730Q61903内六角锥形螺塞731Q61904内六角锥形螺塞732Q61905内六角锥形螺塞733Q61906内六角锥形螺塞734Q618B04六角锥形螺塞73525GB/T3287内外丝活接弯头736R11/2X1GB/T3287异径内接头73725GB/T3287内接头7386JB/T6013球形管节7398JB/T6013球形管节74010JB/T6013球形管节74114JB/T6013球形管节7426JB/T6013外套螺母7438JB/T6013外套螺母74410JB/T6013外套螺母74512JB/T6013旋入接头7466JB/T6013旋入接头74714JB/T6013中间接头7488JB/T6013中间接头749M10X1JB/T6013铰接螺栓750M12X1.25JB/T6013铰接螺栓751M16X1.5JB/T6013铰接螺栓752M18X1.5JB/T6013铰接螺栓753M22X1.5JB/T6013铰接螺栓754M24X1.5JB/T6013铰接螺栓755M14X1.5JB/T6013铰接螺栓75612.2JB/T6013铰接式管接头体75714.2JB/T6013铰接式管接头体75816.2JB/T6013铰接式管接头体75918.5JB/T6013铰接式管接头体76022.5JB/T6013铰接式管接头体76110.2JB/T6013铰接式管接头体76212JB/T6013垫圈76316JB/T6013垫圈76418JB/T6013垫圈76522JB/T6013垫圈76624JB/T6013垫圈76733JB/T6013垫圈76827JB/T6013垫圈76914JB/T6013垫圈77010.2JB/T6013铰接式三通管接77110JB/T6013衬管772A-A-10-750-TJB/T6015A型胶管组件77310.2JB/T6015铰接式衬管接头77414.2JB/T6015铰接式衬管接头77510JB/T6015套筒776A-B13-1800JB/T6015B型胶管组件777B-B13-940JB/T6015B型胶管组件778A-B10-750JB/T6015B型胶管组件77910JB/T6015球形衬管管接头78010JB/T6015外套螺母78110.6X2.65GGB3452.1O型橡胶密封圈782106X5.3GGB3452.1O型橡胶密封圈78311.8X2.65GGB3452.1O型橡胶密封圈78412.5X1.80GGB3452.1O型橡胶密封圈785140X5.30GGB3452.1O型橡胶密封圈78618.0X2.65GGB3452.1O型橡胶密封圈787180X5.30GGB3452.1O型橡胶密封圈78819.0X2.65GGB3452.1O型橡胶密封圈78923.6X3.55GGB3452.1O型橡胶密封圈790250X5.30GGB3452.1O型橡胶密封圈79126.5X2.65GGB3452.1O型橡胶密封圈79228.0X2.65GGB3452.1O型橡胶密封圈79330.0X3.55GGB3452.1O型橡胶密封圈79431.5X3.55GGB3452.1O型橡胶密封圈79532.5X3.55GGB3452.1O型橡胶密封圈79635.5X3.55GGB3452.1O型橡胶密封圈79736.5X3.55GGB3452.1O型橡胶密封圈79837.5X2.65GGB3452.1O型橡胶密封圈79940.0X3.55GGB3452.1O型橡胶密封圈80041.2X2.65GGB3452.1O型橡胶密封圈80141.2X5.30GGB3452.1O型橡胶密封圈80242.5X3.55GGB3452.1O型橡胶密封圈80343.7X5.30GGB3452.1O型橡胶密封圈80450X3.55GGB3452.1O型橡胶密封圈80550X5.30GGB3452.1O型橡胶密封圈80656.0X3.55GGB3452.1O型橡胶密封圈80758.0X5.30GGB3452.1O型橡胶密封圈8086.00X1.80GGB3452.1O型橡胶密封圈80967.0X2.65GGB3452.1O型橡胶密封圈81069.0X5.30GGB3452.1O型橡胶密封圈8117.10X1.80GGB3452.1O型橡胶密封圈81275.0X2.65GGB3452.1O型橡胶密封圈8139.50X1.80GGB3452.1O型橡胶密封圈81490.0X2.65GGB3452.1O型橡胶密封圈8157.10X2.65GGB3452.1O型橡胶密封圈81622.4X2.65GGB3452.1O型橡胶密封圈817B28X47X7GB/T9877.1内包骨架旋转轴818B30X50X7GB/T9877.1内包骨架旋转轴819B35X52X7GB/T9877.1内包骨架旋转轴820B35X55X8GB/T9877.1内包骨架旋转轴821B70X90X10GB/T9877.1内包骨架旋转轴822B70X95X10GB/T9877.1内包骨架旋转轴823B85X110X12GB/T9877.1内包骨架旋转轴824FB45X62X8BGB/T9877.1内包骨架旋转轴825B52X75X8GB/T9877.1内包骨架旋转轴826FB50X68X8GB/T9877.1内包骨架旋转轴827W85X110X12GB/T9877.2外露骨架旋转轴828FPM-21.8X2.65JB/T7757.2机械密封用O型橡胶圈829PD25X50X10HG4-692骨架式橡胶油封830PD30X50X10HG4-692骨架式橡胶油封831PD35X56X12HG4-692骨架式橡胶油封832PD70X90X12HG4-692骨架式橡胶油封833PD70X95X12HG4-692骨架式橡胶油封834PD85X110X12HG4-692骨架式橡胶油封835PG30X52X10HG4-692骨架式橡胶油封836PG30X55X10HG4-692骨架式橡胶油封837W30X45X5HG4-692骨架式橡胶油封838W40X52X10HG4-692骨架式橡胶油封83912X1.9GB/T1235O型橡胶密封圈84030X3.1GB/T1235O型橡胶密封圈84132X3.5GB/T1235O型橡胶密封圈842Q74108螺纹叉843M10X1JB/T7940.1直通式压注油杯844M8X1JB/T7940.2直通式压注油杯84545°M10X1JB/T7940.2接头式压注油杯846B-6JB/T7940.3旋盖式油杯8476JB/T7940.4压配式压注油杯8488JB/T7940.4压配式压注油杯849Q700B01直通式滑脂嘴850A 1250GB/T1171一般用普通V带851B 1370GB/T1171一般用普通V带852B 1560GB/T1171一般用普通V带853B 1760GB/T1171一般用普通V带854C 1760GB/T1171一般用普通V带855C 1950GB/T1171一般用普通V带856Z 1080GB/T1171一般用普通V带857B 1600GB/T1171一般用普通V带858Z 1000GB/T1171一般用普通V带859C 1800GB/T1171一般用普通V带860B31-40CB/T226船用胶管夹箍861B51-60CB/T226船用胶管夹箍862B65-75CB/T226船用胶管夹箍863B95-105CB/T226船用胶管夹箍864Q672100双钢丝式环箍865Q672120双钢丝式环箍866Q672125双钢丝式环箍867Q672130双钢丝式环箍868Q672140双钢丝式环箍869Q672145双钢丝式环箍870Q672150双钢丝式环箍871Q67222双钢丝式环箍872Q67230双钢丝式环箍873Q67235双钢丝式环箍874Q67255双钢丝式环箍875Q67260双钢丝式环箍876Q67275双钢丝式环箍877Q67280双钢丝式环箍878Q67285双钢丝式环箍879Q672115双钢丝式环箍88027X20GB/T3390.1套筒881Y4-1.5QCn29010汽车用低压电线882CZ4-1.5QCn29010汽车用低压电线883CK4-1.5QCn29010汽车用低压电线884A4QCn29012汽车用低压电线885III型JB/T2292加水盖886II型JB/T2292加水盖887Q72218碗型塞片888Q68618F4单管夹片889Q7470640汽车用球头接头890Q2300614十字槽盘头螺钉891100X4.5YB/T5002一般用途用圆钢89240X2.20YB/T5002一般用途用圆钢89360X3.10YB/T5002一般用途用圆钢89470X3.40YB/T5002一般用途用圆钢89550X2.80YB/T5002一般用途用圆钢896110X5.00YB/T5002一般用途用圆钢89790X4.10YB/T5002一般用途用圆钢8984X5DIN06888半圆键899Q41314弹簧垫片900Q340B08六角螺母9010.45X0.3DIN1367-Zn.D铅封线902铅封线9030.5X0.5DIN1367-Zn.D铅封线90430X53X1DIN71511垫片905轴油封906油封907前油封908后油封909前油封910后油封911油封912前油封913Q72306(A6X10DIN7603A1)密封垫圈914Q72308T5F(A8X11.5DIN7603)密封垫圈915A10X13.5DIN7603密封垫圈916A12X15.5DIN7603密封垫圈917A14X18DIN7603密封垫圈918A14X20DIN7603密封垫圈919Q72316(A16X22DIN7603Cu)密封垫圈920A6.5X9.5DIN7603密封垫圈921Q72318T5F(A18X22DIN7603)密封垫圈922Q72322(A22X27DIN7603-Cu)密封垫圈923A20X24DIN7603密封垫圈924A30X36DIN7603密封垫圈925A38X44DIN7603密封垫圈926密封垫圈927密封垫圈928密封垫圈929密封垫圈930橡胶密封带931B1700GB/T1171三角皮带932三角皮带933环形窄型三角胶934环形窄型三角胶935三角皮带936A5X280N05199卡箍937BA8X200N05199塑料紧固带938塑料管箍带939A5X180N05199塑料紧固带940聚乙烯套管941聚酰胺管942聚酰胺管94310X1DIN73378-PA11W SWLT聚酰胺管944径向推力球轴承945DIN00628-BTG/C3 3205径向推力球轴承946DIN625 6007Z/C3向心球轴承947DIN625 C3 6007向心球轴承948DIN625 C3 6007RSNB向心球轴承949DIN625 C3 6206向心球轴承950DIN625 C3 6206RS滚动轴承951向心球轴承952DIN625C3 6303向心球轴承953DIN625C3 630 52RS向心球轴承954DIN625 6306向心球轴承955向心球轴承956径向推力球轴承957DINNU206/D5412TGP圆柱滚子轴承958滚柱轴承959滚柱轴承960DIN NU2206E/TGPN05412圆柱滚子轴承961QJ306DIN628MAP/C2向心球轴承962圆柱滚子轴承963圆柱滚子轴承964球轴承965NJ2207E/7GP-C3N05412滚柱轴承966NJ206E/D5412TGP/C3圆柱滚子轴承967钢球968DIN5401-5.556mmIV(5.556GB/T308)钢球969小垫圈970灯泡971电线972电线973电线974电线975电线976电线977电线978电线979电线980绝缘套管981绝缘套管982绝缘套管983绝缘套管984绝缘套管985绝缘套管986绝缘套管987绝缘套管988绝缘套管989绝缘套管9906.3X1DIN46247BZ片式插座991电线接头992电线接头993DIN46234-8-6接线夹994电线接头995片式插座996997L6DIN3902卡套式直通接头998Q80310(L10DIN3902)卡套式直通接头999ALL6DIN3870-Zn.D联管螺母1000AL12DIN3871-Zn.D管接头螺母1001AL6DIN3870管接头用螺母1002Q80110(AL10DIN3870-Zn.D)管接头用螺母1003LL6STZnDIN3861卡套1004L6DIN3861-Zn.D卡套1005L12DIN3861-Zn.D卡套1006L10DIN3861-Zn.D卡套1007CL10DIN2353卡套式管接头1008Q150B1695TF2(M16X95DIN933-10.9)六角头螺栓1009Q150B0890(M8X90DIN933-8.8A2C)六角头螺栓1010Q150B1245(M12X45DIN933-10.9-Zn.D)六角头螺栓1011Q150B0865(M8X65DIN931-8.8-Zn.D)六角头螺栓1012Q150B0818TF2(M8X18DIN933-10.9-Zn.D)六角头螺栓1013Q150B10110六角头螺栓1014M12X50-10.9-A3CDIN931六角头螺栓1015Q150B0885(M8X85DIN933-8.8-A2C)六角头螺栓1016六角头螺栓1018六角头螺栓1019Q150B0835(M8X35DIN931-8.8-Zn.D)六角头螺栓1020Q150B0845(M8X45DIN931-8.8-Zn.D)六角头螺栓1021Q150B0870(M8X70DIN931-8.8-Zn.D)六角头螺栓1022Q150B0880(M8X80DIN931-8.8-Zn.D)六角头螺栓1023Q150B0860(M8X60DIN931-8.8-Zn.D)六角头螺栓1024Q150B0875(M8X75DIN931-8.8-Zn.D)六角头螺栓1025Q150B00890六角头螺栓1026Q150B0885(M8X85DIN931-8.8-Zn.D)六角头螺栓1027六角头螺栓1028六角头螺栓1029Q150B08130(M8X130DIN931-8.8-Zn.D)六角头螺栓1030Q150B08160(M8X160DIN931-8.8-Zn.D)六角头螺栓1031Q150B1045六角头螺栓1032Q150B1050(M10X50DIN931-8.8-Zn.D)六角头螺栓1033Q150B1055(M10X55DIN931-8.8-Zn.D)六角头螺栓1034Q150B1065六角头螺栓1035Q150B1070(M10X70DIN931-8.8-Zn.D)六角头螺栓1036Q150B1075(M10X75DIN931-8.8-Zn.D)六角头螺栓1037Q150B10100六角头螺栓1038Q150B1075(M10X75DIN931-8.8-Zn.D)六角头螺栓1039Q150B1080(M10X80DIN931-8.8-Zn.D)六角头螺栓1040Q150B10130六角头螺栓1041Q150B10120六角头螺栓1042Q150B1085(M10X85DIN931-8.8-Zn.D)六角头螺栓1043Q150B1240六角头螺栓1044六角头螺栓1045Q150B1285六角头螺栓1046Q150B1295六角头螺栓1047六角头螺栓1048Q150B0895(M8X95DIN933-8.8-A2C)六角头螺栓1049六角头螺栓1050六角头螺栓1051六角头螺栓1052薄形弹性垫圈1053Q150B0610(M6X10DIN933-8.8-Zn.D)六角头螺栓1054Q150B0612(M6X12DIN933-8.8-Zn.D)六角头螺栓1055Q150B0616(M6X16DIN933-8.8-Zn.D)六角头螺栓1056Q150B0618(M6X18DIN933-8.8-Zn.D)六角头螺栓1057Q150B0620六角头螺栓1058Q150B0635六角头螺栓1059Q150B0816TF2(M8X16DIN933-10.9)六角头螺栓1060Q150B0810TF2(M8X10DIN933-10.9)六角头螺栓1061Q150B0812(M8X12DIN933-8.8-Zn.D)六角头螺栓1062Q150B0816(M8X16DIN933-8.8-Zn.D)六角头螺栓1063Q150B0818(M8X18DIN933-8.8-Zn.D)六角头螺栓1065Q150B0825(M8X25DIN933-8.8-Zn.D)六角头螺栓1066Q150B0830(M8X30DIN933-8.8-Zn.D)六角头螺栓1067Q150B0835(M8X16DIN933-8.8A2C)六角头螺栓1068Q150B0822(M8X22DIN933-8.8-Zn.D)六角头螺栓1069Q150B0840(M8X40DIN933-8.8-Zn.D)六角头螺栓1070Q150B0820TF2(M8X20DIN933-10.9)六角头螺栓1071Q150B0825TF2(M8X25DIN933-10.9)六角头螺栓1072Q150B0845(M8X45DIN933-8.8-Zn.D)六角头螺栓1073Q150B0850Q六角头螺栓1074Q150B0855(M8X55DIN933-8.8-Zn.D)六角头螺栓1075Q150B0860(M8X60DIN933-8.8A2C)六角头螺栓1076Q150B0865(M8X65DIN933-8.8-Zn.D)六角头螺栓1077Q150B08110(M8X110DIN933-8.8-Zn.D)六角头螺栓1078Q150B1018(M10X18DIN933-8.8-Zn.D)六角头螺栓1079Q150B1018TF2六角头螺栓1080Q150B1022(M10X22DIN933-8.8A3C)六角头螺栓1081Q150B1025(M10X25DIN933-8.8-Zn.D)六角头螺栓1082Q150B1030(M10X30DIN933-8.8-Zn.D)六角头螺栓1083Q150B1035(M10X35DIN933-8.8A3C)六角头螺栓1084Q150B1040TF2(M10X40DIN933-10.9)六角头螺栓1085Q150B1040(M10X40DIN933-8.8A3C)六角头螺栓1086Q150B1045六角头螺栓1087Q150B1020TF2(M10X20DIN933-10.9)六角头螺栓1088Q150B1030TF2(M10X30DIN933-10.9)六角头螺栓1089Q150B1050六角头螺栓1090Q150B1055(M10X55DIN933-8.8-Zn.D)六角头螺栓1091Q150B1065(M10X65DIN933-8.8A3C)六角头螺栓1092Q150B1070TF2(M10X70DIN933-10.9)六角头螺栓1093Q150B1075(M10X75DIN933-8.8-Zn.D)六角头螺栓1094M10X90六角头螺栓1095Q150B1085(M10X85DIN933-8.8A3C)六角头螺栓1096Q150B1090(M10X90DIN933-8.8-Zn.D)六角头螺栓1097Q150B1095TF2(M10X95DIN933-10.9)六角头螺栓1098Q150B1230(M12X30DIN933-8.8-Zn.D)六角头螺栓1099Q150B1235六角头螺栓1100Q150B1235TF2(M12X35DIN933-10.9)六角头螺栓1101Q150B1240TF2六角头螺栓1102Q150B1245六角头螺栓1103Q150B1250(M12X50DIN933-8.8-Zn.D)六角头螺栓1104Q150B1260TF2(M12X60DIN933-10.9)六角头螺栓1105Q150B1290六角头螺栓1106Q150B1625(M16X25DIN933-8.8A3C)六角头螺栓1107Q150B1635六角头螺栓1108Q150B1645(M16X45DIN933-8.8A3C)六角头螺栓1109Q150B1650(M16X50DIN933-8.8)六角头螺栓1110M12X25六角头螺栓1111Q12010120F3(M10X120DIN933-8.8-Zn.D)双头螺柱1112Q1201025(M10X25DIN933-8.8A3C)双头螺柱1113Q1210820F3(M8X1X20DIN933-8.8-Zn.D)双头螺柱1114Q1200818F3(M8X18DIN933-8.8-Zn.D)双头螺柱1115M10X25 8.8ZnDIN835双头螺柱1116AM10X30GB/T900-Zn.D双头螺柱1117Q1201065F3(M10X65DIN939-8.8-Zn.D)双头螺柱1118Q12010150F3双头螺柱1119Q12000816F3双头螺柱1120双头螺柱1121Q1200820(M8X20DIN933-8.8A2C)双头螺柱1122Q1200822F3(M8X22DIN939-8.8-Zn.D)双头螺柱1123Q1200825F3(M8X25DIN939-8.8-Zn.D)双头螺柱1124Q1200830F3(M8X30DIN939-8.8-Zn.D)双头螺柱1125Q1200835F3(M8X35DIN939-8.8-Zn.D)双头螺柱1126Q1200850F3双头螺柱1127Q1200865F3双头螺柱1128Q1200860F3(M8X60DIN939-8.8-Zn.D)双头螺柱1129Q1200870F3(M8X70DIN939-8.8-Zn.D)双头螺柱1130双头螺柱1131双头螺柱1132Q1201025F3(M10X25DIN939-8.8-Zn.D)双头螺柱1133双头螺柱1134Q1201028F3(M10X28DIN939-8.8-Zn.D)双头螺柱1135Q1201030F3(M10X30DIN939-8.8-Zn.D)双头螺柱1136Q1201035F3(M10X35DIN939-8.8-Zn.D)双头螺柱1137双头螺柱1138Q1201045F3(M10X45DIN939-8.8-Zn.D)六角头螺栓1139Q1201070F3(M10X70DIN939-8.8-Zn.D)双头螺柱1140Q1201090F3(M10X90DIN939-8.8-Zn.D)双头螺柱1141Q12010100F3(M10X100DIN939-8.8-Zn.D)双头螺柱1142M10X90DIN939-8.8-Cu双头螺柱1143Q1201240F3双头螺柱1144M12X30-8.8-ZnDIN939双头螺柱1145M12X35-8.8-ZnDIN939双头螺柱1146Q1201240 (M12X40DIN939-8.8-Zn.D)双头螺柱1147Q120128F3双头螺柱1148薄形弹性垫圈1149开槽圆柱头自攻1150M10X40-8.8DIN939-Zn.D双头螺柱1151Q2714813十字槽盘头自攻1152M8X25-10.9-A2CDIN6912扁圆柱头内六角1153Q218B1635(M16X35-8.8-A3CDIN912)内六角圆柱头螺1154M14X1.5X60-10.9-A3DIN00912内六角圆柱头螺1155吊环螺钉毛坯1156Q218B0625(M6X25DIN912-8.8-Zn.D)内六角圆柱头螺1157Q218B0665(M6X65DIN912-8.8-Zn.D)内六角圆柱头螺。
长春轻轨3号线一期工程延伸线项目车辆维修手册第五分册车端连接系统维护手册第二章贯通道修订记录目录1概述 (4)2部件清单 (5)2.1安装框总成 (5)2.2折棚总成 (6)2.3软风道总成 (7)2.4踏渡板总成 (8)3维修计划 (10)4检修内容 (12)4.1列检(1天) (12)4.2月修 (14)4.3年检(10万公里) (17)4.4定修(40万公里) (19)4.5架修(75万公里) (19)4.6架修(115万公里) (20)4.7厂修(150万公里) (20)4.8架修(190万公里) (20)4.9架修(225万公里) (20)4.10架修(265万公里) (20)1概述长春轻轨3号线东延线项目贯通道,用于两列车连挂运营的70%低地板轻轨车辆,每列车两个单元,单元间采用403-023型单元车贯通道连接,单元内部3个模块间采用403-022型模块车贯通道进行连接。
模块车贯通道由折棚组成、软风道组成和安装框等部件构成。
外折棚组成通过紧固索组件,拉紧安装到车体安装框上,通过橡胶密封条密封,此种结构实现了外折棚的快速解编要求;内折棚与车体螺钉连接,采用U 型密封条密封,内折棚骨架延伸后与外折棚连接为一体,软风道用紧箍件连接到车体上。
单元车贯通道由折棚组成、踏渡板组成和安装框等部件构成。
折棚连接方式与模块车贯通道相同,踏渡板结构采用优质不锈钢花纹板制作,可以实现快速连挂及解编,具有不变形、耐磨、防滑、美观的特点。
2 部件清单 2.1 安装框总成图1-安装框总成表1-安装框部件清单1232.2 折棚总成图2-折棚总成图3-折棚紧固索示意图12 37、8、9、1045、6111213表2-折棚总成部件清单2.3软风道总成软风道总成只在模块车之间安装1 2 3、4、5 6图4-软风道总成表3-软风道总成部件清单(模块车)2.4踏渡板总成踏渡板总成只在单元车之间安装图5-踏渡板总成图6-踏渡板总成表4-踏渡板总成部件清单(单元车)序号图号名称 数量/列备注 1 403-023-02-02-00-00踏板组成21211 6、7、854391012101314、15、16、17、1816、17、18、1918、19、20、213维修计划贯通道的维修、检查和修理是建立在下列每一个检查周期基础之上的,下述修程根据运行里程循环进行。
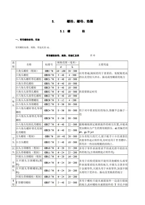
5. 螺栓、螺母、垫圈5.1 螺栓一、常用螺栓标准、用途常用螺栓标准、规格、用途见表42。
常用螺栓标准、规格、用途汇总表表42注:1.冷镦工艺生产的小六角头螺栓具有材料利用率高、生产效率高、机械性能高等优点,但由于头部尺寸较小, 不宜用于多次装拆、被联接件强度较低和易锈蚀等场合。
2.当机械性能(强度级别)的分级的规定不能满足使用要求时,可按需要选用材料。
对T型、活节等螺栓的材料在相应标准中有规定。
二、六角头螺栓(粗制)(GB5-76)六角头螺栓规格见图20、表43。
六角头螺栓(粗制)规格(GB5-76)(毫米)表43①为优选系列。
注:1.L0不包括螺尾,当L≤125时:L0=2d+6;当L>125~200时:L0=2d+12;当L>200时:L0=2d+25。
2.标记示例:螺栓M10×100GB5一76表示为直径10毫米,长度100毫米、粗牙普通螺纹,机械性能按5.9级,不经表面处理的六角头螺栓。
三、六角头螺栓精制(GB29、30-76)六角头螺栓(精制)规格见图21、表44。
六角头螺栓(精制)规格(GB29、30-76)(毫米)表44①为优选系列,其中GB29一76的范围是:d =12以下,L=100以下:GB30一76的范围是d =10以上,L=16以上。
注:1.L0不包括螺尾,当L〈125时:L0=2d+6;当L>125~200时:L0=2d+12,当L>200时:L0=2d+25。
2标记示例:螺栓M10×100GB30一76。
表示为直径10毫米,长100毫米,机械性能按5.9级,不经表面处理的六角头螺栓。
如螺杆上全部制出螺纹时,应加标记Q, 即:螺栓M10×100-Q GB30一76。
四、沉头螺栓沉头螺栓(粗制)(GB10-76)、沉头带楔螺栓(粗制)(GB11-76)见图22~23、表45。
沉头方颈螺栓(粗制)(GB10-76)、沉头带楔螺栓(粗制)(GB11-76)规格(毫米)表45①只有带楔螺栓。
注(1):s(最大)的1栏适用于强度8.8及10.9及性状A2-50、A2-70的内容,2栏适用于强度12.9的内容。
但根据双方当事人之间协议,强度12.9的内容也可以适用1栏。
螺纹的公称直径M20以上的s(最大)适用于所有的强度及性状内容。
注(2):螺纹的公称直径中带括号的尽量不要使用。
备注:1.头部的侧面带有直纹或网纹[参照JIS B 0951(滚花)]。
此时,dk(最大)为该表中的带**的数值。
此外,需要没有滚花的货时,订货人必须指定。
但该dk(最大)为该表中带*的数值。
2.对于螺纹的公称直径建议使用的公称长度(ℓ)为粗线框内的内容。
如果ℓ比虚线位置短的为全螺纹,杆部的不完全螺纹长度约为3P。
3.公称长度(ℓ)比虚线位置长的话,ℓg(最大)及ℓs(最小)根据下式决定。
ℓg(最大)=公称长度(ℓ)-b
参考:内六角螺栓的沉头孔及螺栓孔的尺寸。
作业指导书CRH380D型动车组一级修2号位作业指导书目录一、作业介绍 (4)二、工具物料 (5)1.工具清单 (5)2.物料清单 (5)三、作业流程示意图 (7)四、作业程序、标准及示范 (8)1.班前准备 (8)2.开工准备 (8)3.工序控制 (8)4.一级修2号位作业 (8)一、作业介绍作业地点:动车所检修库。
适用范围:适用于CRH380D型动车组一级修2号位作业。
人员要求:取得《CRH岗位培训合格证》人员。
检修要求:配合升、降弓试验,车顶设备检查,车内客室设备检查。
符号说明::质检员过程质检;:质检员结果质检;:作业人员拍照留存;:作业人员摄像留存;:质检员拍照留存;:质检员摄像留存;:当心触电;:注意安全;:当心坠落作业分工:本项目检修由2号位进行作业。
二、工具物料1.工具清单序号名称规格型号单位数量备注1背包通用型个12钢尺150mm把13三、四角钥匙CRH380D专用把14十字改刀YATO,75mm把15十字改刀50mm把16一字改刀YATO,75mm把17一字改刀50mm把18内六角九件套YT-0505套19温度贴片A类张1010塑料存放盒6格盒子个111铅封个512鱼线若干13垃圾箱弹簧个314二等车厢衣帽钩减振垫片515一等车厢衣帽钩减振垫片516受电弓注油堵防尘帽个32.物料清单序号物料名称物料号单位数量备注1闸片副22刮雨器刮片组成套1雨刮液D07瓶12 34塑料存放盒个25螺钉,M4X201103021093个106垫片,M611025040121个107螺钉,M4X1211030230008个108六角螺母C级,M5mm5个109内六角圆柱头螺钉,M5X30mm4.8个1010半圆头螺钉,M5X30mm个10序号物料名称物料号单位数量备注11六角头螺栓-C级,M4X16mm4.8个1012十字槽盘头螺钉,M5X30mm个1013M24高劲梅花扳手YT-0227把11438件套(YT-1447)套1三、作业流程示意图一级修2号位作业开始配合升、降弓试验,车顶设备检查,车内客室设备检查穿戴劳保用品、清点作业工具检查作业准备反馈信息处理填写一级修2号位作业记录单完工整理四、作业程序、标准及示范1.班前准备按规定穿戴好劳动保护用品,参加班前点名会。
Q/JH北京江河幕墙股份有限公司发布目录目录 (I)前言 (II)1范围 (1)2规范性引用文件 (1)3基本原则 (2)4标准螺栓规格 (2)5标准螺栓配件规格 (3)6标准自攻螺钉规格 (3)7标准自钻自攻螺钉规格 (4)8标准机制螺钉规格 (5)9标准紧定螺钉规格 (5)10标准拉铆钉规格 (5)11标准铆螺母规格 (6)12标准射钉规格 (6)前言根据集团标准化的要求,为减少紧固件的规格,规范紧固件物料申请,提高采购效率,减轻库存负担,标准编制组通过ERP数据的提取及整理,经广泛调查研究,认真总结实践经验,参考有关国标标准和国外先进标准,并在广泛征求意见的基础上制定本标准。
本标准的主要内容为优选紧固件的规格,并对紧固件的材质和性能等级做出了相关规定。
本标准由设计研发中心标准化组提出。
本标准由设计研发中心标准化组归口。
本标准主要起草人:曾滨本标准主要审核人:段胜韩维池本标准批准发布人:于军1范围本标准规定了公司内部用优选紧固件的规格、材质及性能等级。
本标准适用于公司内部承接国内外工程项目时,优选紧固件的规格。
2规范性引用文件下列标准所包含的条文,通过在本标准中引用而构成为本标准的条文。
本标准发布时,所示版本均为有效。
所有标准均会被修订,使用本标准的各方应探讨使用下列标准最新版本的可能性。
GB/T5782-2000六角头螺栓GB/T5783-2000六角头螺栓全螺纹GB/T901-1988等长双头螺柱B级GB52-76六角螺母A级和B级GB/T97.1-2002平垫圈A级GB93-87标准型弹簧垫圈GB862.2-87外锯齿锁紧垫圈GB845-85十字槽盘头自攻螺钉GB846-85十字槽沉头自攻螺钉GB/T16824.1-1997六角凸缘自攻螺钉GB/T15856.1-2002十字槽盘头自钻自攻螺钉GB/T15856.2-2002十字槽沉头自钻自攻螺钉GB/T15856.5-2002六角凸缘自钻自攻螺钉GB/T818-2000十字槽盘头螺钉GB/T819.2-1997十字槽沉头螺钉第2部分:钢8.8、不锈钢A2-70和有色金属CU2或CU3 GB/T70.1-2008内六角圆柱头螺钉GB/T70.3-2000内六角沉头螺钉GB/T18981-2008射钉GB/T12618.1-2006开口型平圆头抽芯铆钉10、11级GB/T17880.1-1999平头铆螺母GB/T17880.2-1999沉头铆螺母GB/T77-2007内六角平端紧定螺钉GB/T78-2007内六角锥端紧定螺钉GB/T3098.6-2000紧固件机械性能不锈钢螺栓、螺钉和螺柱GB/T3098.11-2002紧固件机械性能自钻自攻螺钉GB/T3098.16-2000紧固件机械性能不锈钢紧定螺钉GB/T3098.19-2004紧固件机械性能抽芯铆钉GB/T3098.21-2008紧固件机械性能不锈钢自攻螺钉GB/T17880.6-1999铆螺母技术条件GB/T16938-2008紧固件螺栓、螺钉、螺柱和螺母通用技术条件ISO4014:1999Hexagon head bolts-Product grades A and BISO4017:1999Hexagon head screws-Product grades A and BDIN934:1987Hexagon nuts-Product grades A and BISO7089:2000Plain washers-Product grade AISO7049:1983Cross recessed pan head tapping screwsISO7050:1983Cross recessed countersunk head tapping screwsISO7053:1992Hexagon head tapping screws with collarISO15481:1999Cross recessed pan head drilling screwswith tapping screw threadISO15482:1999Cross recessed countersunk head drilling screwswith tapping screw threadISO15480:1999Hexagon washer head drilling screwswith tapping screw threadISO7045:1994Pan head screws with type H or type Z cross recess-Product grade AISO7046.2:1990Cross recessed countersunk flat head screws(commonhead style),product grade A-Part2:Steel of propertyclass8.8,stainless steel and nonferrous metals ISO4762:2004Hexagon socket head cap screwsISO10642:1997Hexagon socket countersunk head screwsISO15977:2002Open end blind rivets with break pull mandrel andprotruding head-Property class10、11 ISO4026:2003Hexagon socket set screws with flat pointISO4027:2003Hexagon socket set screws with cone pointISO3506-1:1997Mechanical properties of fasteners-Bolts,screws and studs made of stainless steel ISO3506-4:2003Mechanical properties of fasteners-Tapping screws stainless steelISO10666:1999Mechanical properties of fasteners-Drilling screws with tapping screw thread3基本原则3.1在设计、生产、施工、安装的过程中应优先选用本标准规定的紧固件规格。
SM300湿法制粒机主要部件清单2014年10月SMG300湿法制粒机技术文件部件清单机型: SMG300文件编号: A14053-09 出厂日期: 201409生产厂家: CQJG客户:石药欧意亲爱的用户:感谢您购买本公司的SMG300湿法制粒机,本部件清单是根据此台设备的机器类型所提供的,相关技术文件如下。
版权所有:重庆精工制药机械股份有限责任公司未经明确的书面许可,不得复制、传翻或使用本手册资料及其内容,违者要对造成的损失承担责任2014年10月12日A=通用件B=外购件C=制作件. 第2 页总图1:主机柜2:搅拌锅盖3:操作梯及护栏4:整粒机5:搅拌轴系6:出料机构7:搅拌锅8:起重臂9:切割轴系10:护罩11:电控柜12:反吹气包文本目录1:主机柜 (4)2:搅拌锅盖 (6)2.1:真空进料系统 (9)2.2:单项排气阀 (11)2.3:观察视镜 (11)2.4:喷枪 (13)2014年10月12日A=通用件B=外购件C=制作件. 第3 页2.5:射灯视镜 (15)2.6:立柱外套 (16)2.7:真空过滤系统 (17)3:楼梯及护栏 (19)4:整理机 (22)4.7:传动系统 (24)5:搅拌轴系 (26)6:出料机构 (28)7:搅拌锅 (30)8:起重臂 (31)9:切割轴系 (33)11:电控柜 (35)12:反吹气包 (37)1:主机柜2014年10月12日A=通用件B=外购件C=制作件. 第4 页1.1 C 1 台面板1.2 C 2 机柜架1.3 C 8 机柜架门1.4 C 4 支撑11.5 C 1 接线槽1.6 C 1 副面板1.7 C 12 外六角螺栓2014年10月12日A=通用件B=外购件C=制作件. 第5 页2:搅拌锅盖2014年10月12日A=通用件B=外购件C=制作件. 第6 页2.1 C 1 真空进料系统2.2 C 1 单项排气阀2.3 C 1 观察视镜2.4 C 1 喷液枪2.5 C 1 射灯视镜2014年10月12日A=通用件B=外购件C=制作件. 第7 页2.6 B 1 密封气囊2.7 C 1 真空过滤器2.8 C 1 锅盖2.9 C 4 锁紧扣2.10 C 1 立柱外套2.11 C 1 垫块2.12 C 3 导柱2.13 B 1 穿板2.14 C 1 盖板12.15 C 1 把手2.16 C 6 立柱外套2.17 C 1 转臂2.18 C 1 压盖2.19 C 1 转销2.20 C 1 气缸连接头2.21 C 1 气囊接嘴2.22 C 1 连接板2.23 C 1 挡板2.24 B 8 十字槽沉头螺丝2.25 B 6 十字槽沉头螺丝2014年10月12日A=通用件B=外购件C=制作件. 第8 页2.26 B 6 六角头螺栓2.27 B 3 六角头螺栓2.28 B 3 滑动轴承2.29 B 6 内六角螺钉2.30 B 1 滑动轴承2.31 B 2 内六角螺栓2.32 B 2 内六角螺栓2.33 B 1 气缸 SMC2.34 B 4 内六角螺栓2.35 B 1 连接开关 PRT12-2DO2.1:真空进料系统2014年10月12日A=通用件B=外购件C=制作件. 第9 页2.1.1 C 1 吸料管2.1.2 C 1 连接软管 DN2½”2.1.3 C 1 进料阀2014年10月12日A=通用件B=外购件C=制作件. 第10 页2.2:单项排气阀2.2.1 C 1 过滤器2.2.2 C 1 连接座2.2.3 C 1 压帽2.2.4 C 1 固定座2.2.5 C 1 阀芯2.2.6 B 1 卡箍 2”2.2.7 B 1 O型密封圈2.3:观察视镜2014年10月12日A=通用件B=外购件C=制作件. 第11 页2.3.1 C 1 视镜盖2.3.2 C 1 视镜座2.3.3 C 1 视镜∅140x15 2.3.4 B 1 密封条2014年10月12日A=通用件B=外购件C=制作件. 第12 页2.4:喷枪2.4.1 C 1 软管接头2.4.2 C 1 枪杆2.4.3 C 1 螺母12.4.4 V 1 夹紧套2.4.5 C 1 连接座2.4.6 V 1 密封圈δ22014年10月12日A=通用件B=外购件C=制作件. 第13 页2.4.7 C 1 喷嘴2.4.8 C 1 喷枪做2.4.9 C 1 堵头2.4.10 B 1 卡箍 1”2.4.11 V 1 O型密封圈2.4.12 V 1 O型密封圈2014年10月12日A=通用件B=外购件C=制作件. 第14 页2.5:射灯视镜2.5.1 C 1 视镜盖2.5.2 C 1 视镜座2.5.3 C 1 视镜∅100x102.5.4 B 1 密封条δ12014年10月12日A=通用件B=外购件C=制作件. 第15 页2.6:立柱外套2.6.1 C 1 上法兰2.6.2 C 1 连接管2.6.3 C 1 下法兰2.6.4 C 1 挡块2.6.5 B 2 内六角螺钉2014年10月12日A=通用件B=外购件C=制作件. 第16 页2.7:真空过滤系统2.7.1 C 1 上筒体δ32.7.2 C 1 卡箍2.7.3 C 1 中筒体δ32.7.4 C 1 下筒体δ52.7.5 C 1 过滤器2014年10月12日A=通用件B=外购件C=制作件. 第17 页2.7.6 B 1 下密封圈2.7.7 C 1 反吹管2.7.8 B 1 上密封圈2.7.9 C 1 清洗盖板2.7.10 B 2 快装软管接头2.7.11 B 4 卡箍2.7.12 B 2 快装气动蝶阀2.7.13 B 1 卡箍2.7.14 B 1 快装软管接头2014年10月12日A=通用件B=外购件C=制作件. 第18 页3:楼梯及护栏2014年10月12日A=通用件B=外购件C=制作件. 第19 页3.1 C 1 护栏1 □30X23.2 C 1 护栏2 □30X23.3 C 1 护栏3 □30X23.4 C 7 连接板13.5 C 6 连接板23.6 B 21 六角螺栓 M8X153.7 B 9 六角螺栓 M8X703.8 C 1 右护栏3.9 C 1 左护栏3.10 C 1 楼梯3.11 B 2 六角螺栓 M8X203.12 B 2 弹簧垫圈2014年10月12日A=通用件B=外购件C=制作件. 第20 页3.13 B 3 内六角螺钉 M10X303.14 B 3 六角螺母3.15 B 3 平垫圈3.16 B 3 弹簧垫圈3.17 B 4 六角螺栓 M8X16 3.18 B 4 弹簧垫圈3.19 B 3 六角螺栓 M8X70 2014年10月12日A=通用件B=外购件C=制作件. 第21 页4:整理机4.1 C 1 进料接管4.2 C 1 盖型螺母4.3 C 1 搅拌桨4.4 C 1 筛网4.5 C 1 调整垫4.6 C 1 甩料盘2014年10月12日A=通用件B=外购件C=制作件. 第22 页4.7 C 1 传动系统4.8 C 1 整粒室4.9 C 1 密封垫4.10 C 1 抱箍4.11 C 1 出料接管4.12 C 1 手轮4.13 C 1 转臂4.14 C 1 进风过滤器4.15 C 1 管接头4.16 C 1 连接筒4.17 C 1 联轴器4.18 C 1 电机罩4.19 C 1 电机座4.20 B 4 盖型螺母 M124.21 B 4 外六角螺栓 M12x30 4.22 B 4 外六角螺栓 M10x304.23 B 4 外六角螺栓 M10x354.24 B 4 外六角螺栓 M12x35 4.25 B 1 电机 YBVP112M1-24.26 B 1 内六角螺钉 M6X254.27 B 1 卡箍 4”4.28 B 1 手动蝶阀 3”4.29 B 1 卡箍 3”2014年10月12日A=通用件B=外购件C=制作件. 第23 页4.7:传动系统4.7.1 C 1 从动轴4.7.2 C 1 上轴承端盖4.7.3 C 1 密封垫14.7.4 C 1 外套4.7.5 C 1 衬套2014年10月12日A=通用件B=外购件C=制作件. 第24 页4.7.6 B 2 齿轮4.7.7 C 2 柄帽4.7.8 C 1 下轴承座4.7.9 C 1 密封圈24.7.10 C 1 下轴承端盖4.7.11 C 1 密封圈34.7.12 C 1 调整垫4.7.13 C 1 右轴承座4.7.14 C 1 右轴承端盖4.7.15 C 1 主动轴4.7.16 C 1 挡板4.7.17 C 1 垫圈4.7.18 B 4 内六角螺钉 M5X164.7.19 B 2 骨架油封Ф30X50X84.7.20 B 1 单列圆锥滚子轴承 30307 4.7.21 B 1 十字沉头螺钉 M4X12 4.7.22 B 2 轴承 6007-2RZ4.7.23 B 4 内六角螺钉 M5X304.7.24 B 4 内六角螺钉 M5X20 4.7.25 B 2 平键 8X7X344.7.26 B 4 内六角螺钉 M5X164.7.27 B 1 O型密封圈Ф73X3.554.7.28 B 1 单列圆锥滚子轴承 30204 4.7.29 B 1 O型密封圈Ф40X3.554.7.30 B 4 内六角螺钉 M4X162014年10月12日A=通用件B=外购件C=制作件. 第25 页5:搅拌轴系5.1 C 1 转轴5.2 C 1 下轴承端盖5.3 C 1 轴承座5.4 C 2 进气接头5.5 C 1 上轴承端盖5.6 C 1 气封环5.7 C 1 支撑圈5.9 B 1 密封圈5.10 C 1 调整垫2014年10月12日A=通用件B=外购件C=制作件. 第26 页5.11 C 1 搅拌桨5.12 C 1 压紧螺帽5.13 C 1 平键5.14 C 1 下轴套5.15 B 1 密封垫5.16 C 1 平键5.17 C 1 检查口接头5.18 C 1 电机托架5.19 B 1 O型密封圈5.20 B 4 内六角螺钉5.21 B 2 O型密封圈5.22 B 6 开槽盘头螺丝5.23 B 1 骨架密封圈5.24 B 1 孔用挡圈5.25 B 6 六角螺栓5.26 B 6 六角螺栓5.27 B 2 单列圆锥滚子轴承5.28 B 1 骨架油封5.29 B 6 内六角螺钉5.30 B 8 六角头螺栓5.21 B 1 减速机 WKAF97-YBVP22-4P 2014年10月12日A=通用件B=外购件C=制作件. 第27 页6:出料机构6.1 C 1 气缸罩6.2 C 1 出料塞支撑6.3 C 1 手轮6.4 C 1 气缸座6.5 C 1 出料斗盖6.6 C 1 清洗枪6.7 B 1 密封条6.8 C 1 出料斗6.9 C 1 出料塞6.10 C 1 气缸座铰链6.11 C 1 锁扣6.12 C 1 盖铰链2014年10月12日A=通用件B=外购件C=制作件. 第28 页6.13 B 1 密封圈6.14 C 1 密封管6.15 B 1 抱箍6.16 B 1 气缸 MB1B80-250 6.17 B 4 内六角螺钉6.18 B 1 抱箍6.19 B 1 传感器6.20 B 4 十字槽沉头螺钉6.21 B 1 O型密封圈2014年10月12日A=通用件B=外购件C=制作件. 第29 页7:搅拌锅7.1 C 1 锅口法兰7.2 C 1 锅体7.3 C 1 电机座7.4 C 1 切割气封座7.5 C 1 气管接头7.6 C 1 固定座圈7.7 C 1 固定法兰7.8 C 8 加强筋板7.9 C 1 搅拌气封座7.10 C 1 出料塞座7.11 C 1 遮板7.12 C 2 下筋板7.13 C 1 上筋板2014年10月12日A=通用件B=外购件C=制作件. 第30 页8:起重臂8.1 C 1 手摇绞车8.2 C 1 支撑管8.3 C 1 旋转吊臂8.4 B 4M 钢丝绳2014年10月12日A=通用件B=外购件C=制作件. 第31 页8.5 C 1 保险锁扣8.6 C 1 吊耳8.7 C 1 搅拌桨提升装置8.8 C 1 支撑轴8.9 B 8 六角头螺栓8.10 B 4 十字槽盘头螺钉8.11 B 6 六角头螺栓2014年10月12日A=通用件B=外购件C=制作件. 第32 页9:切割轴系9.1 C 1 盖形螺母9.2 C 1 垫圈9.3 C 5 切割刀片9.4 C 5 垫片9.5 C 1 切割主轴9.6 C 1 气封环9.7 C 1 压盖9.8 C 1 密封环9.9 C 1 气封环9.10 C 1 压紧座9.11 C 1 压紧环2014年10月12日A=通用件B=外购件C=制作件. 第33 页9.12 B 1 O型密封圈9.13 B 2 骨架密封圈9.14 B 1 O型密封圈9.15 B 1 O型密封圈9.16 B 2 O型密封圈9.17 B 4 内六角螺钉9.18 B 2 内六角锥段紧定螺钉9.19 B 4 外角头螺栓9.20 B 4 外角头螺栓9.21 B 1 变频电机 YBVP132S1-2 9.22 B 4 十字槽盘头螺钉2014年10月12日A=通用件B=外购件C=制作件. 第34 页11:电控柜11.1 C 1 柜体11.2 C 1 立柱11.3 C 1 门11.4 C 1 转套11.5 C 1 盖板11.6 C 1 隔板2014年10月12日A=通用件B=外购件C=制作件. 第35 页11.7 B 1 密封垫11.8 B 4 沉头螺丝 M4X10 11.9 B 4 内六角螺钉 M10x40 11.10 B 4 弹簧垫圈Ф10 11.11 B 4 内六角螺钉 M10x35 11.12 B 4 弹簧垫圈Ф10 11.13 B 4 内六角螺钉 M5x16 11.14 B 4 弹簧垫圈Ф102014年10月12日A=通用件B=外购件C=制作件. 第36 页12:反吹气包12.1 C 1 脉冲阀出气接头12.2 C 1 脉冲阀进气接头12.3 C 1 气包12.4 B 1 气控脉冲阀 DM-25 12.5 B 1 APC螺纹直通 APC8-01 12.6 B 1 调压阀 BR3000-01 12.7 B 1 锁紧螺母 3/8”12.8 B 1 内螺纹球阀 1”12.9 B 1 锁紧螺母 1/2”12.10 B 1 抱扣,胶垫 1”2014年10月12日A=通用件B=外购件C=制作件. 第37 页。