蒸压轻质加气混凝土板alc板施工工法
- 格式:doc
- 大小:239.00 KB
- 文档页数:7
蒸压加气混凝土(ALC)内墙板施工工法蒸压加气混凝土(ALC)内墙板施工工法一、前言蒸压加气混凝土(ALC)内墙板是一种轻质、高强度的建筑材料,具有优异的隔热、隔音、防火性能,被广泛应用于建筑工程中。
本文将介绍蒸压加气混凝土内墙板的施工工法,包括工法特点、适应范围、工艺原理、施工工艺、劳动组织、机具设备、质量控制、安全措施、经济技术分析以及工程实例。
二、工法特点蒸压加气混凝土(ALC)内墙板施工工法具有以下特点:1. 施工速度快,节约了施工时间和人力成本。
2. 施工过程简单,适合各种建筑结构的内墙施工。
3. 板材轻质,减轻了建筑物的自重,优化了整体结构。
4. 板材具有良好的隔热、隔音和防火性能,提高了建筑物的居住舒适度和安全性。
三、适应范围蒸压加气混凝土(ALC)内墙板适用于各类住宅、办公楼、工业厂房等建筑项目中的内墙施工,特别适用于临时场所的施工,如展览馆、野外办公室等。
四、工艺原理蒸压加气混凝土(ALC)内墙板施工工法基于以下工艺原理:1. 板材制作:通过将水泥、砂、水和发泡剂混合搅拌,然后在模具中进行蒸汽加热和养护,制作出具有一定强度和轻质的板材。
2. 板材安装:将制作好的板材用浆砂或专用粘合剂粘贴在已经准备好的墙体表面,形成整齐的内墙。
3. 补强处理:对板与板之间的接头和角部进行加强处理,保证墙体的整体性和稳定性。
五、施工工艺蒸压加气混凝土(ALC)内墙板施工工艺包括以下几个阶段:1. 预处理:对施工现场进行清理整顿,确定施工平台和安全通道。
2. 板材制作:按照设计要求,按比例配合材料,将水泥、砂、水和发泡剂混合搅拌,将混合料灌入模具中,经过蒸汽加热和养护后,取出制作好的板材。
3.板材安装:将制作好的板材用粘合剂或浆砂粘贴在墙体表面,按照设计要求进行整齐排列,注意板与板之间的缝隙。
4. 补强处理:对板与板之间的接头和角部进行加强处理,如使用钢筋连接或搭接处理,以增加墙体的整体稳定性。
5. 完工整理:清理施工现场,对墙体进行检查和修整,确保施工质量。
20d预埋钢筋预埋钢筋60×60×5 @600558预埋钢筋8贯通钢筋80蒸压轻质加气混凝土板—ALC 板施工工法1 前言蒸压轻质加气混凝土板是以水泥、硅砂等为主要原料,由经过防锈处理的钢筋增强,经过高温高压蒸汽养护而成的多混凝土板材(简称ALC 板),ALC 板的干密度为500kg/m 3,设计荷载为650kg/m 3,被誉为“浮在水面上的混凝土”。
ALC 板施工速度快,安装便,适宜用作多层、高层建筑隔墙板、外墙板、屋面板和小跨度的楼板。
ALC 板在欧洲、日本使用很广,在我国是刚起步,它是建材局重点推广的新型建筑材料。
2 特点2.1 ALC 板重量轻,设计荷载小,由于其质地疏松多,是良好的保温和隔音材料。
2.2 作墙板时由于板材薄,扩大了建筑使用面积。
2.3 ALC 板安装便,施工速度快。
3 适用围:此工法适用于ALC 板的外墙、墙和屋面板的施工。
4 工艺原理:ALC 板是利用接缝钢筋和板缝砂浆将屋面板连成一个整体。
通过接缝筋或钩头螺栓固定在梁或柱上。
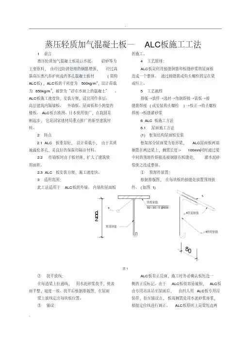
5 工艺流程排版→放样→选材→角钢焊接→装板→接缝筋焊接(或安装钩头螺栓)→校正→钩头螺栓焊接→板缝灌砂浆6 ALC 板施工法 6.1 屋面施工法 (1) 框架结构屋面板安装框架部分屋面梁为矩形梁,ALC 屋面板两端搁置在两边梁上,搁置长度≥100mm 同时通过梁中间的预埋件焊接连接钢筋在板缝处,灌水泥砂浆使之连成整体。
① 预埋件放置:根据排版图,在每块板的接缝处放置预埋铁件。
(如图1)图1② 找平放线:在每道梁上拉通线,用水泥砂浆找平,使表面平整,坡度一致。
找平后根据排版图,在屋面梁上放线定出每块板位置。
③ 铺设:ALC 板有正反面,施工时务必确认板短边一侧的正反标记。
由于ALC 板很容易破损,ALC 板由专用吊具吊至屋面后,由四人用ALC 板专用吊装带,抬至铺设点,板端搁置处用水泥砂浆座浆,根据定位线进行调正。
ALC 板原则上是梁短边两点支承。
蒸压轻质加气混凝土板—ALC板施工方案简介蒸压轻质加气混凝土板,也被称为ALC板,是一种轻质、高强度的建筑材料,常用于墙体和屋顶的施工。
本文档将介绍ALC 板的施工方案。
施工准备在施工开始之前,需要进行以下准备工作:1. 确认施工图纸和设计要求。
2. 检查施工现场,确保地面平整、清理杂物。
3. 准备施工所需的材料,包括ALC板、水泥砂浆、施工工具等。
施工步骤1. 安装ALC板:根据施工图纸,按照正确的顺序将ALC板安装到预定位置。
使用水泥砂浆将板材固定在墙体或屋顶上。
确保板材之间的连接紧密,并按要求加固。
2. 排线:使用水平仪和垂直仪,在ALC板上标注出需要进行切割或固定的位置。
确保准确的尺寸和位置。
3. 切割:根据排线标注的位置,使用锯子或电动切割工具对ALC板进行切割。
注意安全操作,避免造成人员伤害或材料损坏。
4. 固定和加固:根据设计要求,在需要加强的位置使用钢筋或其他加固材料固定ALC板。
确保加固材料与板材之间的紧密连接。
5. 填缝:使用水泥砂浆填充ALC板之间的缝隙,确保缝隙的密封性和平整度。
使用刮刀或其他工具将砂浆均匀地铺满整个缝隙。
6. 涂料和装饰:根据设计要求,对ALC板进行涂料或其他装饰处理,提供美观和保护。
安全注意事项在ALC板施工过程中,需要注意以下安全事项:1. 确保施工现场的安全,将材料储存整齐,清理施工现场的杂物。
2. 注意施工工具的正确使用,避免造成人员伤害。
3. 穿戴适当的个人防护装备,如安全帽、手套、护目镜等。
4. 遵守施工工艺和操作规范。
以上是蒸压轻质加气混凝土板—ALC板施工方案的简要介绍和步骤。
在实际施工中,请确保根据具体情况和设计要求进行操作。
20d预埋钢筋预埋钢筋60×60×5 @600558预埋钢筋8贯通钢筋80蒸压轻质加气混凝土板—ALC 板施工工法1 前言蒸压轻质加气混凝土板是以水泥、硅砂等为主要原料,由经过防锈处理的钢筋增强,经过高温高压蒸汽养护而成的多孔混凝土板材(简称ALC 板),ALC 板的干密度为500kg/m 3,设计荷载为650kg/m 3,被誉为“浮在水面上的混凝土”。
ALC 板施工速度快,安装方便,适宜用作多层、高层建筑内隔墙板、外墙板、屋面板和小跨度的楼板。
ALC 板在欧洲、日本使用很广,在我国是刚起步,它是国家建材局重点推广的新型建筑材料。
2 特点2.1 ALC 板重量轻,设计荷载小,由于其质地疏松多孔,是良好的保温和隔音材料。
2.2 作墙板时由于板材薄,扩大了建筑使用面积。
2.3 ALC 板安装方便,施工速度快。
3 适用范围:此工法适用于ALC 板的外墙、内墙和屋面板的施工。
4 工艺原理:ALC 板是利用接缝钢筋和板缝砂浆将屋面板连成一个整体。
通过接缝筋或钩头螺栓固定在梁或柱上。
5 工艺流程排版→放样→选材→角钢焊接→装板→接缝筋焊接(或安装钩头螺栓)→校正→钩头螺栓焊接→板缝灌砂浆6 ALC 板施工方法 6.1 屋面施工方法 (1) 框架结构屋面板安装框架部分屋面梁为矩形梁,ALC 屋面板两端搁置在两边梁上,搁置长度≥100mm 同时通过梁中间的预埋件焊接连接钢筋在板缝处,灌水泥砂浆使之连成整体。
① 预埋件放置:根据排版图,在每块板的接缝处放置预埋铁件。
(如图1)图1② 找平放线:在每道梁上拉通线,用水泥砂浆找平,使表面平整,坡度一致。
找平后根据排版图,在屋面梁上放线定出每块板位置。
③ 铺设:ALC 板有正反面,施工时务必确认板短边一侧的正反标记。
由于ALC 板很容易破损,ALC 板由专用吊具吊至屋面后,由四人用ALC 板专用吊装带,抬至铺设点,板端搁置处用水泥砂浆座浆,根据定位线进行调正。
蒸压轻质加气混凝土板—a l c板施工工法YKK standardization office【 YKK5AB- YKK08- YKK2C- YKK18】20d预埋钢筋预埋钢筋60×60×5 @600558预埋钢筋8贯通钢筋80蒸压轻质加气混凝土板—ALC 板施工工法1 前言蒸压轻质加气混凝土板是以水泥、硅砂等为主要原料,由经过防锈处理的钢筋增强,经过高温高压蒸汽养护而成的多孔混凝土板材(简称ALC 板),ALC 板的干密度为500kg/m 3,设计荷载为650kg/m 3,被誉为“浮在水面上的混凝土”。
ALC 板施工速度快,安装方便,适宜用作多层、高层建筑内隔墙板、外墙板、屋面板和小跨度的楼板。
ALC 板在欧洲、日本使用很广,在我国是刚起步,它是国家建材局重点推广的新型建筑材料。
2 特点ALC 板重量轻,设计荷载小,由于其质地疏松多孔,是良好的保温和隔音材料。
作墙板时由于板材薄,扩大了建筑使用面积。
ALC 板安装方便,施工速度快。
3 适用范围:此工法适用于ALC 板的外墙、内墙和屋面板的施工。
4 工艺原理:ALC 板是利用接缝钢筋和板缝砂浆将屋面板连成一个整体。
通过接缝筋或钩头螺栓固定在梁或柱上。
5 工艺流程排版→放样→选材→角钢焊接→装板→接缝筋焊接(或安装钩头螺栓)→校正→钩头螺栓焊接→板缝灌砂浆6 ALC 板施工方法 屋面施工方法 (1) 框架结构屋面板安装框架部分屋面梁为矩形梁,ALC 屋面板两端搁置在两边梁上,搁置长度≥100mm 同时通过梁中间的预埋件焊接连接钢筋在板缝处,灌水泥砂浆使之连成整体。
① 预埋件放置:根据排版图,在每块板的接缝处放置预埋铁件。
(如图1)图1② 找平放线:在每道梁上拉通线,用水泥砂浆找平,使表面平整,坡度一致。
找平后根据排版图,在屋面梁上放线定出每块板位置。
③ 铺设:ALC 板有正反面,施工时务必确认板短边一侧的正反标记。
由于ALC 板很容易破损,ALC 板由专用吊具吊至屋面后,由四人用ALC 板专用吊装带,抬至铺设点,板端搁置处用水泥砂浆座浆,根据定位线进行调正。
蒸压加气混凝土(ALC)隔墙施工方案一、工程施工条件1、按照主体结构施工进度开展施工。
2、施工区域内架体需拆除并清理干净。
3、建筑标高1m线已按要求在结构墙、柱上均匀弹设,并经复核无误,如下图所示。
室内建筑1m线示意图4、墙体位置线已在结构楼板上弹设,经复核无误。
5、卫生间、水暖井等有水房间墙体根部已按要求进行凿毛。
6、施工前,已经与装修图纸核对无误。
7、施工前,已经与安装专业配合将墙体上各种预留洞口核对无误。
8、厂区道路畅通,并成环路,材料按照施工总面布置图要求位置码放且材料充足,卸料平台及垂直运输机械验收合格。
9、所有楼栋ALC墙板深化排版图已经确认完毕。
二、施工工艺流程现场放线→有水房间浇筑混凝土反坎→板材现场卸货、堆放→运至楼层→安装U型卡→板材就位安装→调整并固定U型卡→下端聚合物粘接砂浆嵌缝→板缝修补→清理墙面→验收。
三、施工要点1、板材现场卸货、堆放及运输(1)ALC板材为蒸压加气混凝土预制板材,考虑到板材的自身材质特性,在运输、卸货及安装中必须规范操作,尽可能的减少板材的破损和缺棱掉角。
板材进场前需要对堆放场地进行整平,保证堆放时的均匀受力和安装时驳运的畅通。
(2)板材运到工地后用塔吊或叉车从汽车上卸至固定的堆放点,起吊时采用专用尼龙吊带捆绑于板材两端600mm处,吊带规格为2T/6m*100mm,每一捆板材一次起吊,根据卸料平台限载要求每次起吊重量不超过1T,落地时板材两端600mm处各垫枕木一块,吊运时要有专人指挥,板材两端吊带捆绑距离要一致,吊带要顺直,保证板材两端同时离地和落地。
为方便驳运板材,卸货时堆放层数不得超过两层,条件允许时单层堆放。
卸货后要及时的通过卸料平台将板材分运到各个安装楼层。
(3)板材垂直运输时搬运距离大,在搬运前需要对通过的路径进行清理,以免驳运时的碰撞。
驳运时一般使用人力劳动车,为减少上下车时对板材的磨损,可在劳动车上加一片等宽的七分板。
板材分运到各楼层时尽量堆放在安装点,以免二次搬运,但要考虑楼板的荷载和其他工序的施工,避免其他工序对板材的污染和损坏。
ALC板施工工法编制单位:中国新兴建设开发总公司三公司主要编制人:刘贵军1 前言蒸压轻质加气混凝土(ALC)墙板是一种有质轻、隔热、隔音、防火、抗震、节能、环保等优点的建筑材料,这种材料特别用于办公楼等大开间隔墙时,可极大地提高施工效率,有效地缩短建设工期。
在正海大厦工程中,大量采用了ALC板作为隔墙板材料,而ALC板作为一种新型板材在以往各工程中应用较少,故在本工程安装施工过程中摸索出了一些施工特点和要点,根据实际施工经验编制本工法。
2 特点2. 0. 1板材采用纵向垂直安装施工,板和板之间用粘接剂连成整体。
操作简便、施工速度快,不需进行粉刷即可批腻子,施工快速2. 0. 2 根据板上留设洞口位置深化板材排版,严格控制板上剔凿,减少剔凿破损,有效提高了隔墙成品的外观质量2. 0. 3 施工工艺简单,无需使用复杂机械加工,施工质量可靠3 适用范围3. 0. 1本工法适用于钢筋混凝土结构中作为内隔墙使用的ALC板安装4 工艺原理通过对ALC板材的入场运输、加工、板材架立、板材拼接进行严格控制,根据隔墙电槽位置对板材排板进行优化,以达到板材外观完整整洁、拼缝严密牢靠、垂直度、平整度合格的要求。
5 工艺流程及操作要点5. 1 工艺流程ALC板施工工艺流程为:清理基层、放线安装U型卡ALC板立板安装、拼缝粘接剂涂抹底板粘接拆除底缝木楔、修补水电专业剔凿开洞、修补图5.1 ALC板施工工艺流程图5. 2 操作要点5.2.1 清理基层、放线:ALC板固定端为板顶和板底,清理基层时,顶板和底板均需清理,并利用激光扫平仪将顶板和底板均弹上线5.2.2 安装U型卡:ALC板顶部固定为U型卡固定,缝隙处使用专用勾缝剂处理,U型卡宜设置在两板拼接处,按板宽间距600mm设置,U型卡应事先做除锈处理并刷防锈漆防锈5.2.2图 U型卡固定立面图5.2.2 1-1 图 U型卡固定剖面图5.2.3 ALC板立板安装、拼缝粘接剂涂抹:立板前根据现场情况对板材排版进行优化,板材安装前其两端均需留出10-15mm空隙,以便进行板材调整挪动,拼缝密实饱满,不得出现空洞。
ALC板施工工法编制单位: 中国新兴建设开发总公司三公司主要编制人:刘贵军1 前言蒸压轻质加气混凝土(ALC)墙板是一种有质轻、隔热、隔音、防火、抗震、节能、环保等优点的建筑材料,这种材料特别用于办公楼等大开间隔墙时,可极大地提高施工效率,有效地缩短建设工期。
在正海大厦工程中,大量采用了ALC板作为隔墙板材料,而ALC板作为一种新型板材在以往各工程中应用较少,故在本工程安装施工过程中摸索出了一些施工特点和要点,根据实际施工经验编制本工法。
2 特点2. 0. 1板材采用纵向垂直安装施工,板和板之间用粘接剂连成整体。
操作简便、施工速度快,不需进行粉刷即可批腻子,施工快速2. 0. 2 根据板上留设洞口位置深化板材排版,严格控制板上剔凿,减少剔凿破损,有效提高了隔墙成品的外观质量2。
0。
3 施工工艺简单,无需使用复杂机械加工,施工质量可靠3 适用范围3。
0. 1本工法适用于钢筋混凝土结构中作为内隔墙使用的ALC板安装4 工艺原理通过对ALC板材的入场运输、加工、板材架立、板材拼接进行严格控制,根据隔墙电槽位置对板材排板进行优化,以达到板材外观完整整洁、拼缝严密牢靠、垂直度、平整度合格的要求。
5 工艺流程及操作要点5。
1 工艺流程ALC板施工工艺流程为:图5。
1 ALC板施工工艺流程图5. 2 操作要点5.2。
1清理基层、放线:ALC板固定端为板顶和板底,清理基层时,顶板和底板均需清理,并利用激光扫平仪将顶板和底板均弹上线5。
2。
2安装U型卡:ALC板顶部固定为U型卡固定,缝隙处使用专用勾缝剂处理,U型卡宜设置在两板拼接处,按板宽间距600mm设置,U型卡应事先做除锈处理并刷防锈漆防锈5。
2。
2图U型卡固定立面图5。
2。
2 1-1 图U型卡固定剖面图5.2。
3ALC板立板安装、拼缝粘接剂涂抹:立板前根据现场情况对板材排版进行优化,板材安装前其两端均需留出10—15mm空隙,以便进行板材调整挪动,拼缝密实饱满,不得出现空洞.立板安装时首先对板材顶部及侧部涂抹粘接剂,然后卡入顶端U型卡,底部调整好位置后用木楔顶实加固,最后拼缝处补灰。
20d 预埋钢筋预埋钢筋60×60×5 @600558预埋钢筋8贯通钢筋80蒸压轻质加气混凝土板—ALC 板施工工法1 前言蒸压轻质加气混凝土板是以水泥、硅砂等为主要原料,由经过防锈处理的钢筋增强,经过高温高压蒸汽养护而成的多孔混凝土板材(简称ALC 板),ALC 板的干密度为500kg/m 3,设计荷载为650kg/m 3,被誉为“浮在水面上的混凝土”。
ALC 板施工速度快,安装方便,适宜用作多层、高层建筑内隔墙板、外墙板、屋面板和小跨度的楼板。
ALC 板在欧洲、日本使用很广,在我国是刚起步,它是国家建材局重点推广的新型建筑材料。
2 特点2.1 ALC 板重量轻,设计荷载小,由于其质地疏松多孔,是良好的保温和隔音材料。
2.2 作墙板时由于板材薄,扩大了建筑使用面积。
2.3 ALC 板安装方便,施工速度快。
3 适用范围:此工法适用于ALC 板的外墙、内墙和屋面板的施工。
4 工艺原理:ALC 板是利用接缝钢筋和板缝砂浆将屋面板连成一个整体。
通过接缝筋或钩头螺栓固定在梁或柱上。
5 工艺流程排版→放样→选材→角钢焊接→装板→接缝筋焊接(或安装钩头螺栓)→校正→钩头螺栓焊接→板缝灌砂浆6 ALC 板施工方法6.1 屋面施工方法(1) 框架结构屋面板安装框架部分屋面梁为矩形梁,ALC 屋面板两端搁置在两边梁上,搁置长度≥100mm 同时通过梁中间的预埋件焊接连接钢筋在板缝处,灌水泥砂浆使之连成整体。
①预埋件放置:根据排版图,在每块板的接缝处放置预埋铁件。
(如图1)图1②找平放线:在每道梁上拉通线,用水泥砂浆找平,使表面平整,坡度一致。
找平后根据排版图,在屋面梁上放线定出每块板位置。
③铺设:ALC 板有正反面,施工时务必确认板短边一侧的正反标记。
由于ALC 板很容易破损,ALC 板由专用吊具吊至屋面后,由四人用ALC 板专用吊装带,抬至铺设点,板端搁置处用水泥砂浆座浆,根据定位线进行调正。
蒸压轻质加气混凝土板材内隔墙施工工法前言我国是较早的生产和使用加气混凝土的国家之一,近年来为进一步保护环境、节约能源,全国各地方政府相继制定出一系列的措施以支持和鼓励新型墙体材料的发展。
为规范加气混凝土板材隔墙的施工,特制定本工法。
1 特点1.1 材料特点1.1.1 ALC蒸压加气混凝土板材是瑞典INTERNATIONAL SIPOREXAB 公司的专利技术产品,是一种多气孔混凝土新型板材。
1.2 本工法施工特点1.2.1干式作业,现场无污染,有利于环保。
1.2.2工厂加工现场组装,施工进度快。
1.2.3施工方法简便,工作效率高,降低工程成本。
2 适用范围本工法适用于各种框架结构中内隔墙体施工。
3 工艺原理本工法利用板材在工厂预制精度高,并有良好的可加工性的特点,在施工中通过预埋插筋、安装槽钢等使内墙与原框架梁、板等有效的固定,从而达到减轻劳动强度、缩短建设工期、提高施工效率的目的。
4 工艺流程及操作要点4.1工艺流程图4.14.2 操作要点及注意事项4.2.1 一般要求1 板材进场后,需对其种类、尺寸和外形等产品质量进行确认,是否满足设计要求。
2 板材的搬运起吊和保管(1)板材质地疏松易于损坏,故应尽量减少转运;(2)为防止板材受损坏在运输中应采取绑扎措施;(3)板材易于吸湿、吸水,故堆放时不得直接接触地面;为防止因堆放不善而引起挠曲、开裂等损伤或应堆放过高而形成安全隐患并方便施工时板材的取4 板材安装所用钢材:钢筋为I级钢、钢材选用A3钢。
5 填充砂浆要求:水泥标号不宜大于32.5级;砂应符合砌筑砂浆用砂的要求;水中不应含有对钢筋和砂浆产生不利影响的有害杂质;砂浆的标准配合比为水泥:砂=1:3,为方便施工其流动性应满足50—70mm。
6 修补用砂浆,应由板的制造厂家为ALC板施工而特别配制。
7 有防火要求:耐火接缝材料宜先选用岩棉保温板。
8 安装时的含水率应控制在20%以内,因北京地区空气干燥,故可不考虑空气因素,只需注意板材储存及运输过程。
基于BIM的装配式建筑预制蒸压轻质加气混凝土隔墙板(ALC)安装施工工法基于BIM的装配式建筑预制蒸压轻质加气混凝土隔墙板(ALC)安装施工工法一、前言装配式建筑是未来建筑发展的趋势,其快速、高效、环保等优势受到了广泛关注。
装配式建筑预制蒸压轻质加气混凝土隔墙板(ALC)作为一种重要的装配式建筑材料,其安装施工工法对于保证施工质量和提高工效至关重要。
本文将详细介绍基于BIM的装配式建筑预制蒸压轻质加气混凝土隔墙板(ALC)安装施工工法,并对其特点、适应范围、工艺原理、施工工艺、劳动组织、机具设备、质量控制、安全措施和经济技术分析进行了分析和解释。
二、工法特点该工法具有以下特点:1. 高效快速:预制蒸压轻质加气混凝土隔墙板具有尺寸一致、质量稳定的特点,能够快速进行装配,大大缩短工期。
2. 环保节能:ALC隔墙板采用天然材料制成,不含甲醛等有害物质,符合绿色建筑要求,能够有效节能降耗。
3. 施工精度高:基于BIM的设计和施工管理,能够精确控制每个构件的尺寸和位置,提高施工质量。
三、适应范围该工法适用于各类装配式建筑项目,特别适用于住宅小区、学校、医院等建筑群体化工程,能够满足不同的空间需求和隔声防火要求。
四、工艺原理在施工工法与实际工程中,我们采取了以下技术措施来确保施工质量和工效:1. BIM技术应用:基于BIM技术进行设计和施工管理,实现以模型为中心的协调施工,减少冲突和误差。
2. 预制工厂化生产:预制蒸压轻质加气混凝土隔墙板在工厂内进行生产,保证质量稳定,并减少现场施工工序。
3. 高精度安榫连接:采用特殊的榫卯连接方式,确保隔墙板之间的连接紧密,提高施工精度和墙体稳定性。
五、施工工艺本工法的施工工艺包括以下几个阶段:1.场地准备:清理施工场地,确保施工区域平整、无障碍,并确保现场安全。
2. 安装龙骨:根据设计要求,在墙体底部铺设龙骨,确保墙板安装的稳定性和精度。
3. 安装隔墙板:根据设计图纸和BIM模型,将预制的ALC隔墙板进行安装,采用榫卯连接方式确保墙板之间的平整连接。
蒸压轻质加⽓混凝⼟板—alc板施⼯⽅法蒸压轻质加⽓混凝⼟板—ALC板施⼯⼯法1 前⾔蒸压轻质加⽓混凝⼟板是以⽔泥、硅砂等为主要原料,由经过防锈处理的钢筋增强,经过⾼温⾼压蒸汽养护⽽成的多孔混凝⼟板材(简称ALC板),ALC板的⼲密度为500kg/m3,设计荷载为650kg/m3,被誉为“浮在⽔⾯上的混凝⼟”。
ALC板施⼯速度快,安装⽅便,适宜⽤作多层、⾼层建筑内隔墙板、外墙板、屋⾯板和⼩跨度的楼板。
ALC板在欧洲、⽇本使⽤很⼴,在我国是刚起步,它是国家建材局重点推⼴的新型建筑材料。
2 特点2.1 ALC板重量轻,设计荷载⼩,由于其质地疏松多孔,是良好的保温和隔⾳材料。
2.2 作墙板时由于板材薄,扩⼤了建筑使⽤⾯积。
2.3 ALC板安装⽅便,施⼯速度快。
3 适⽤范围:此⼯法适⽤于ALC板的外墙、内墙和屋⾯板的施⼯。
4 ⼯艺原理:ALC板是利⽤接缝钢筋和板缝砂浆将屋⾯板连成⼀个整体。
通过接缝筋或钩头螺栓固定在梁或柱上。
5 ⼯艺流程排版→放样→选材→⾓钢焊接→装板→接缝筋焊接(或安装钩头螺栓)→校正→钩头螺栓焊接→板缝灌砂浆6 ALC板施⼯⽅法6.1 屋⾯施⼯⽅法(1) 框架结构屋⾯板安装框架部分屋⾯梁为矩形梁,ALC屋⾯板两端搁置在两边梁上,搁置长度≥100mm同时通过梁中间的预埋件焊接连接钢筋在板缝处,灌⽔泥砂浆使之连成整体。
①预埋件放置:根据排版图,在每块板的接缝处放置预埋铁件。
(如图1)图1②找平放线:在每道梁上拉通线,⽤⽔泥砂浆找平,使表⾯平整,坡度⼀致。
找平后根据排版图,在屋⾯梁上放线定出每块板位置。
③铺设:ALC板有正反⾯,施⼯时务必确认板短边⼀侧的正反标记。
由于ALC板很容易破损,ALC板由专⽤吊具吊⾄屋⾯后,由四⼈⽤ALC板专⽤吊装带,抬⾄铺设点,板端搁置处⽤⽔泥砂浆座浆,根据定位线进⾏调正。
ALC板原则上是梁短边两点⽀承。
④接缝钢筋焊接(如图2)接缝筋有纵向和横向两种,板短边⽅向的缝中有通长筋,以起连通和调整作⽤,焊在预埋件上;板长边⽅向边缘有企⼝,拼接后横向筋垂直纵筋伸⼊⼀边板缝中长500mm ,和纵筋焊接,以起连接整体作⽤。
钢结构 ALC 板内隔墙安装工法中国核工业华兴建设有限企业1序言蒸压轻质加气混凝土 (ALC) 墙板是一种有质轻、隔热、隔音、防火、抗震、节能、环保等长处的建筑资料,这类资料特别用于办公楼等大开间隔墙时,可极大地提升施工效率,有效地缩短建设工期。
另外,跟着建筑功能要求的多样化,最近几年来钢结构也愈来愈多地出此刻全国各地的工程建设中去,这就不行防止地产生了ALC 板如何才能更有效地应用到钢结构中的问题。
针对该问题,我企业经过仔细总结施工经验并组织企业专家研究商讨,制定了钢结构ALC 板内隔墙安装工法。
本工法旨在解决ALC 墙板用在钢结构中时的节点办理等问题。
2工法特色2.1 采纳 TU 型隔墙板,能够知足结构要求的同时减少板间浇筑混凝土的工序;2.2 利用钢结构的特色,采纳管板,板上部能与钢梁焊接固定,下部用射针固定;2.3 因为钢与 ALC 板资料性质不一样,在ALC 板墙与钢柱节点处打发泡粘结剂进行柔性连结。
3合用范围本工法合用钢结构ALC 隔墙板施工。
4工艺原理依据建筑物结构特色、建筑物所处环境特色及钢和ALC 板资料物理性质特色,在ALC 板施工过程中利用合理的节点结构,实行合理的施工工艺,能够极大地节俭工期和人工,产生较大的经济效益。
5操作工艺流程与操作重点5.1 工艺流程施工准备→在板上安装管板→板就位→板面调整→上下管板与主体结构连结并做防锈办理→勾缝(墙板与ALC板节点办理)→修理、清理5.2 操作重点5.2.1 管板固定在板的安装前先将管板与ALC 板连结,在板上下都安装好管板后此板才能就位。
板就位后,将管板与主体相连,其连结方式有以下两种1:、与底板相连采纳射钉。
2、钢梁下部的管板采纳两头点焊。
5.2.2 TU 型板接缝办理传统施工时,两板间留设有凹槽,为加大板的一体性,两板间凹槽内放钢筋,浇筑砼,使相邻两板成为一体。
这样施工较费时费劲。
本工法采纳TU 型板,板与板间凹凸槽对接,施工方便,省去了浇筑混凝土的工序,大大节俭了人力及物力。
20d预埋钢筋预埋钢筋60×60×5 @600558预埋钢筋8贯通钢筋80蒸压轻质加气混凝土板—ALC 板施工工法1 前言蒸压轻质加气混凝土板是以水泥、硅砂等为主要原料,由经过防锈处理的钢筋增强,经过高温高压蒸汽养护而成的多孔混凝土板材(简称ALC 板),ALC 板的干密度为500kg/m 3,设计荷载为650kg/m 3,被誉为“浮在水面上的混凝土”。
ALC 板施工速度快,安装方便,适宜用作多层、高层建筑内隔墙板、外墙板、屋面板和小跨度的楼板。
ALC 板在欧洲、日本使用很广,在我国是刚起步,它是国家建材局重点推广的新型建筑材料。
2 特点2.1 ALC 板重量轻,设计荷载小,由于其质地疏松多孔,是良好的保温和隔音材料。
2.2 作墙板时由于板材薄,扩大了建筑使用面积。
2.3 ALC 板安装方便,施工速度快。
3 适用范围:此工法适用于ALC 板的外墙、内墙和屋面板的施工。
4 工艺原理:ALC 板是利用接缝钢筋和板缝砂浆将屋面板连成一个整体。
通过接缝筋或钩头螺栓固定在梁或柱上。
5 工艺流程排版→放样→选材→角钢焊接→装板→接缝筋焊接(或安装钩头螺栓)→校正→钩头螺栓焊接→板缝灌砂浆6 ALC 板施工方法 6.1 屋面施工方法 (1) 框架结构屋面板安装框架部分屋面梁为矩形梁,ALC 屋面板两端搁置在两边梁上,搁置长度≥100mm 同时通过梁中间的预埋件焊接连接钢筋在板缝处,灌水泥砂浆使之连成整体。
① 预埋件放置:根据排版图,在每块板的接缝处放置预埋铁件。
(如图1)图1② 找平放线:在每道梁上拉通线,用水泥砂浆找平,使表面平整,坡度一致。
找平后根据排版图,在屋面梁上放线定出每块板位置。
③ 铺设:ALC 板有正反面,施工时务必确认板短边一侧的正反标记。
由于ALC 板很容易破损,ALC 板由专用吊具吊至屋面后,由四人用ALC 板专用吊装带,抬至铺设点,板端搁置处用水泥砂浆座浆,根据定位线进行调正。
ALC 板原则上是梁短边两点支承。
④ 接缝钢筋焊接(如图2)接缝筋有纵向和横向两种,板短边方向的缝中有通长筋,以起连通和调整作用,焊在预埋件上;板长边方向边缘有企口,拼接后横向筋垂直纵筋伸入一边板缝中长500mm ,和纵筋焊接,以起连接整体作用。
这样预埋件位置即使偏了,不在板缝处,也可以通过纵筋而调整。
⑤ 灌缝在板的边缘有企口,在企口中填满砂浆,通过砂浆和接缝筋的粘结得以加强,把整个屋面板连成一个整体。
由于ALC 板吸水率很大,故灌缝砂浆宜用1∶3水泥砂浆,水泥砂浆中加万分之一铝粉,使这微膨粘结。
施工时先用水湿润板缝,再用107胶水刷一道后灌砂浆。
灌缝时不能一次到位,应分2-3次进行,最后收光一次,砂浆灌缝一定要密实,以利于屋面板的整体性和防水要求。
(2) 钢结构屋面板施工由于ALC 板横筋布置是两端密中间少,因此在ALC 板截断时如果端部钢筋部分被截去,就不能实现板所标示的容许荷载,在施工中对于屋面板、楼板应当注意不要有涉及钢筋的截断,因此ALC 屋面板长度应与图纸相符准确无误,不允许工地施工时由长切短。
板在钢梁上搁置长度不应小于40mm ,这就要求在安装檩条时准确到位,不能有偏差。
是预埋件和接缝筋。
(如图3):图3由于板长边方向没有接缝筋,所以铁件位置就必须在板缝位置,这就要求先根据排版图放线,后焊铁件。
铁片与檩条必须焊牢,因为铁片不仅是固定接缝筋,还固定板端部以不使其滑动。
铁片必须做防锈处理,镀锌或刷防锈漆。
钢结构屋面板其余的施工方法和步骤与钢筋混凝土结构屋面板一样,此处就不再重复。
6.2 外墙板施工外墙板的施工方法有插入钢筋施工方法和螺栓固定施工方法。
螺栓固定施工方法是将ALC 板材用螺栓牢靠地固定在结构框架上的方法;插入钢筋施工方法是把板材靠放在外墙板上边用方钉点固,边按顺序插入下去,从后面开始在板与板结合处的细长槽内灌入接缝砂浆。
通过在其中外墙板中间开着的孔插入钢筋将板材牢靠地固定在结构体上的方法。
外墙板施工时,从弹线到安装,每一步都很重要,下边以常州国际汽车城为例谈谈外墙的施工要点。
外墙板有100厚和150厚两种,150厚板作线条,通过400宽的竖线条和350宽的横线条来表面建筑物立面丰富的艺术效果。
本建筑成败的关键就在线条,因此,在安装线条时应特别注意。
(如图4)图4(1) 槽钢安装(槽钢350×100×25×6是本工程为设计350宽线条和固定墙板所用的,其他工程不一定有槽钢)外墙板和窗是固定在槽钢上,荷载通过槽钢传到柱上。
由于本工程跨度大,有6m ,9m ,12m 。
其中9m ,12m 跨的槽钢水平挠度和垂直挠度很大,都大于20mm 以上,板安装上后便晃动,因此必须加固,经设计院同意后在梁上方9m 中间,12m 的1/3跨处各加现浇砼矩形柱,在梁底打4个膨胀螺栓,把钢板固定在膨胀螺栓上,再用钢板纵向焊在槽钢上,经过加固后槽钢稳定性大大加强,满足了墙板和幕墙的安装要求。
(2) 放线根据轴线和墙板的排版图在槽钢和砼梁上放线。
(3) 角钢焊接角钢有L50×5和L63×6两种,主要受力角钢为L63×6。
构造要求用L50×5在钢筋砼柱或梁上固定,一般是焊在预埋件上,但由于在浇筑混凝土时排版图不详细,后图纸又有些变更,所以有些部位没有预埋件。
在这些部位打膨胀螺栓固定,把角钢焊在膨胀螺栓上。
由于外墙板是直接放在角钢上的,所以角钢的平整度将直接影响到外墙板的平整度和垂直度。
槽钢本身有变形,焊接角钢时应根据轴线来定位,不能根据槽钢来定位。
(4) ALC 外墙板的安装由于在角钢的焊接过程中,角钢和槽钢受热都会产生变形,因此一定要根据现场实际情况来切割板材。
在地面上把每跨的墙板平铺后根据实际尺寸弹线、切割、钻孔。
钻孔时要尽量避开钢筋,扩孔深度为30mm 以便于垫片和螺母的安放。
(5) ALC 外墙板校正墙板安装前检查角钢的位置和平整度,对不符合要求的立刻整改。
符合要求后在水平方向和垂直方向各拉一条通线,以确保墙板的平整度和垂直度。
ALC 板材质较轻,外墙板可从屋面用绳子挂下来,下面由二人安装就位。
用靠尺校正墙面的平整度和垂直度,合格后用钩头螺栓钩在角钢上然后焊牢,拧紧螺栓后焊接牢固。
(6) 灌缝经各方检查无误后就可以灌缝了。
先用107胶水湿润缝壁,再用灌浆器或漏头灌注1∶3水泥砂浆。
水泥砂浆呈流质状,靠其自重下流而密实。
ALC 板的吸水性强,强度低,砂浆中的含水率高不会影响其强度。
(如图5)图56.3 内墙板施工内墙板安装主要有三种安装方法。
第一,安装内墙板之后在楼面上用细石混凝土或砂浆找平时的安装方法。
用槽钢固定在天棚上,墙板上口卡在槽钢的槽里面。
墙板的下口,通长角钢L 50×50×5槽钢350×100×25×6通长角钢L50×50×5钩头螺栓@600专用密封膏100150专用密封膏钩头螺栓@600梁8通长钢筋接缝钢筋8@600 L=5008通长钢筋@600 L=500接缝钢筋8预埋钢筋@600接缝钢筋8@600 L=500@600预埋钢筋81:3水泥沙桨要用楼面饰面砂浆从两侧夹住,使其正下方留20mm缝隙,在墙板底下插入木楔子,使其不落下来,在楼面和墙之间填入砂浆,使墙板不从天棚的槽钢中脱落。
在楼面上抹上饰面砂浆固定墙板。
第二,在楼面上浇筑饰面后立起墙板的安装方法。
即在纵向接缝部分的楼面上打入锚定配件,一般用膨胀螺栓,也可在浇筑混凝土时埋入预埋件,在膨胀螺栓或预埋件上焊一根500mm的插入筋,用插入筋施工方法将墙板固定。
第三,将墙板下端紧密地贴靠在楼面上的安装方法,天棚一侧先安装上L型配件(角钢),楼面一侧用插入筋施工法固定,将墙板立起来后,上端用钩头螺栓固定在角钢上,支撑住墙板。
下面用常州国际汽车商城为例介绍具体施工方法。
(1) 接缝钢筋焊接根据排版图弹线定位后,在板缝处把接缝筋焊在预埋件上或膨胀螺栓上。
内墙板接缝筋焊接比较灵活,可在地面上焊一根通长钢筋,然后根据需要在通长钢筋上焊接接缝筋。
这样预埋件位置即使不在接缝下也不影响,可通过通长筋而调整。
(2) 安装、校正根据实际尺寸,切割板材后直接安装,调整板的平整度和垂直度,上下口用木楔子固定。
遇到线管尽量能够调整到板缝中,如确有困难可对板的表面开一条槽安放线管,后用砂浆修补。
(3) 灌缝内墙灌缝相对外墙来说操作起来较困难些,在板缝的上口开一个槽,用灌浆器注浆,灌满后用砂浆修补开的槽。
板上下口用砂浆塞密实,待砂浆凝固硬化后取出木楔子。
内墙板构造(如图6)图66.4 门窗洞口在门窗开口部较大的2块板以上,两侧和上侧,用角钢或槽钢做补强的框架结构,框架下端锚固在楼地面上。
在2块板以下的小开口部用扁钢条代替角钢,用铝方钉固定在墙板的两侧。
(如图7)钩头螺栓钩头螺栓图76.5 ALC板的装修ALC板装修很灵活,贴面砖、刷涂料都可以,本工程采用涂料装修。
6.5.1 外墙板的防水要求很高,墙面100厚的板之间灌砂浆,100板和150板不能灌浆,只能用砂浆或混合砂浆嵌缝。
嵌缝至板面下25mm,塞泡沫条,然后打丙烯酸类建筑密封胶。
清除板面上的砂浆、浮灰,披上腻子,刷聚丙烯类防水涂料。
6.5.2 内墙板用内墙涂料,但卫生间应做防水处理。
6.6 ALC板施工注意事项6.6.1 运输、堆放ALC板很容易破损,运输过程中必须小心,装车时每隔600mm高就用木方隔开,大板放下面,小板放上面,用绳子绑牢,在绳子和板之间用木方垫着,以免破坏板的棱角。
堆放时应放在平整的场地上,每隔600mm用木方隔开,堆放高度不能超过2m。
垂直运输应用专用的吊具,严禁用钢丝绳吊装。
水平运输用阔边柔软的带子,可用人工抬运。
为减少损耗,ALC板在场内尽量少搬运。
6.6.2 ALC板是通过接缝钢筋和接缝砂浆把各块板连成一个整体,因此接缝筋焊接必须牢固,砂浆灌缝密实。
屋面板缝应平整光滑,墙面板缝线条均匀一致。
(1)ALC板的空隙大,吸水性强,因此对板的防水要求特别高,尤其是屋面板和外墙板。
屋面适合用高分子防水卷材,但其成本高,本工程用聚氨酯防水涂膜(一布三涂)。
外墙板缝适合用丙烯酸类水溶性的密封胶和硅酮密封胶,外墙涂料适合用丙烯酸类防水涂料。
(2)ALC板施工过程中应小心轻放,切割后对露出的钢筋头进行防锈处理,所有与ALC 板有关的钩头螺栓、角钢等都应进行防锈处理。
7 材料7.1 ALC宽度一般为600mm,也可根据需要向厂家订做。
其长度可根据设计要求厂家配板。
7.2 填充材料宜用标号较低的砂浆。
7.3 安装用的五金材料应进行防锈处理。
8 施工机具起重机、电焊机、切割机、电钻(带扩空钻头)、冲击钻、手工锯、套筒扳手和灌浆器。