静压预应力管桩旁站记录(监理)
- 格式:doc
- 大小:17.00 KB
- 文档页数:1
预应力管桩打桩旁站监理记录表全套资料(全套资料,可以直接使用,可编辑优秀版资料,欢迎下载)旁站监理记录表工程名称:心怡半岛花园18幢住宅楼GD22 19□□旁站监理记录表工程名称:心怡半岛花园18幢住宅楼GD22 19□□预应力原材料检验批质量验收记录表GB5 4-2002(Ⅰ)静压预应力混凝土管桩旁站监理方案一、工程项目概况工程名称:吉安金安花苑(天河煤矿棚户区改造)工程建筑面积:约126096.91 m2建筑形式:1~ 33号楼6+1、5+1层/砖混结构;34、35号楼11层/框剪结构工程地点﹕吉安市井开区建设单位﹕江西嘉善实业监理单位﹕萍乡市同济工程咨询监理设计单位﹕吉安市建筑设计规划研究院施工单位﹕江西兰天建设工程地勘单位﹕江西省勘察设计研究院工程特点﹕1。
本工程均采用预应力管桩(压入式)基础。
其中,工程一期24﹟、 26﹟、28﹟、30﹟、32﹟楼工程预应力管桩设计为桩径300;设计每栋均为135根管桩;管桩类型A型,桩身混凝土C80;桩基设计等级丙级。
25﹟、27﹟、29﹟、31﹟、33﹟楼工程预应力管桩设计为桩径300;设计每栋均为204根管桩;管桩类型A型,桩身混凝土C80;桩基设计等级丙级.34﹟、35﹟楼工程预应力管桩设计为桩径400;设计每栋均为88根管桩;管桩类型A型,桩身混凝土C80;桩基设计等级乙级。
其中34﹟楼另设管桩桩径为300管桩8根,类型A型,桩身混凝土C80.其余栋号管桩桩径均为300;管桩类型A型,桩身混凝土C80;桩基设计等级丙级.均必须严格控制桩的设计收桩条件;2.本工程施工时必须控制好轴线位置和桩顶标高,避免轴线误差。
二、旁站监理的部位或工序根据工程特点,本项目旁站监理的部位或工序如下﹕(1)、检查管桩的生产厂家、外观质量、规格、生产日期、蒸养方式。
(2)、打桩顺序必须按批准的施工组织设计或施工方案执行。
(3)、焊接接桩除应符合现行行业标准《建筑钢结构焊接规程》JGJ181的有关规定外,尚应符合下列规定﹕a.预应力混凝土管桩接长宜在高出地面0。
欢迎阅读
旁站记录表
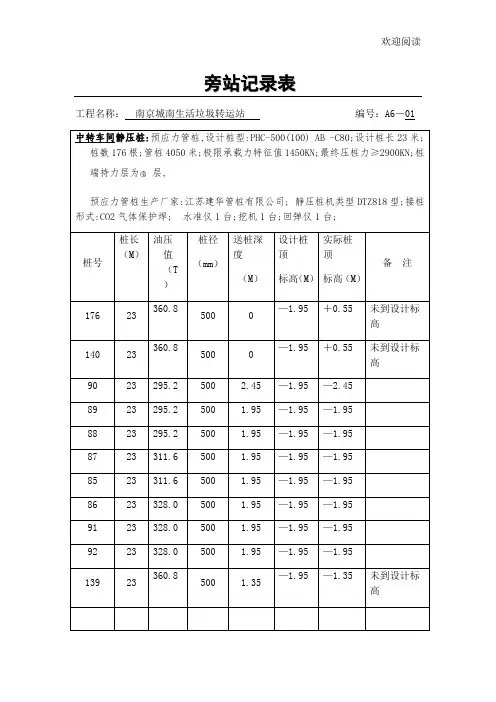
工程名称:南京城南生活垃圾转运站编号:A6-01
续表
A6-02 -1
工程名称:南京城南生活垃圾转运站编号:A6-03
江苏省住房和城乡建设厅监制
旁站记录表
工程名称:南京城南生活垃圾转运站编号:A6-04
续表A6-04-1
江苏省住房和城乡建设厅监制
续表
A6-06-1
江苏省住房和城乡建设厅监制
旁站记录表
工程名称:南京城南生活垃圾转运站编号:A6-07
工程名称:南京城南生活垃圾转运站编号:A6-08
江苏省住房和城乡建设厅监制旁站记录表
工程名称:南京城南生活垃圾转运站编号:A6-09
续表A6-10 -1
江苏省住房和城乡建设厅监制
江苏省住房和城乡建设厅监制。
工程名称:××综合楼编号:旁站的关键部位、静压预应力管桩施工施工单位关键工序旁站开始时间年月日时分旁站结束时间年月日时分旁站的关键部位、关键工序施工情况:1. 静压桩施工负责人:,施工人员:桩机工 7人,辅工10 人,测量工1人,修理工 1 人;施工机具: GZY全液压抱压式压桩机 300T 型 2 台, J3 电子经纬仪 2 台;桩基类型:端承桩,压入深度≮10m ,采用Φ 500PHC桩,桩身混凝土强度等级为C80 ,封底混凝土强度等级为C25 ;准备状态 : 桩基施工队伍资质已审核合格,现场场地已平整,测量轴线控制和标高已验核无误,管桩进场材质已报验,桩身外观质量符合要求,桩位已编号且经核实无误。
2. ××号桩从× 时× 分开始× 时× 分结束;××号桩从× 时× 分开始× 时× 分结束;××号桩从× 时× 分开始× 时× 分结束;××号桩从× 时× 分开始× 时× 分结束;××号桩从× 时×分开始× 时× 分结束;××号桩从× 时× 分开始× 时× 分结束。
本次旁站工作期间共完成 6 根工程桩的静压施工,其桩长情况详见管桩施工监理记录表。
发现的问题及处理情况:1.静压桩入土速度不均匀,压力表读数摆幅忽大忽小。
2.焊接接桩头时只有一个电焊工。
3.在 B 轴×②和③轴( 5 桩)承台群桩静压施工时,发生土层挤压,已静压完成的桩产生上浮现象。
4.刚开始有 3 个工人未带好安全帽,没有穿绝缘鞋。
5.对上述现场发生的问题,采取措施如下:针对第 1 点,督促施工员要求作业队压桩速度保持均匀;针对第 2 点,督促施工员增加一名电焊工,焊接接桩头时应 2 人对面同时施焊,并保证停歇时间,让焊缝自然冷却;针对第 3 点,督促施工员要求作业队采取跳压或延长停歇时间,减少挤土影响;对已上浮的桩采用 2 倍的桩设计承载力予以复压纠偏;针对第 4 点,督促施工人员立即戴好安全帽,穿绝缘鞋后方可入场作业。
预应力管桩旁站监理记录表一、工程概述工程名称:_____工程地点:_____建设单位:_____施工单位:_____监理单位:_____本次旁站监理的预应力管桩工程位于_____部位,设计桩型为_____,桩长_____米,桩径_____毫米,单桩承载力特征值为_____kN。
二、旁站监理依据1、工程建设相关法律法规和标准规范。
2、工程建设监理合同、施工合同及其他相关合同文件。
3、经审查批准的施工图纸、施工组织设计、专项施工方案。
三、旁站监理的主要内容1、施工准备阶段检查施工单位现场管理人员、技术人员、特种作业人员到岗情况,施工机械、设备的完好性和适用性。
审查预应力管桩的产品合格证、质量检验报告,核对桩的规格、型号、数量是否符合设计要求。
检查施工现场的测量放线成果,包括桩位的定位、标高的控制等。
检查打桩场地的平整度、承载力是否满足施工要求,排水措施是否完善。
2、施工过程阶段桩的吊运和堆放检查管桩的吊运是否采用两端钩吊法,严禁采用拖吊法。
观察管桩的堆放是否符合要求,堆放层数不宜超过四层,支点位置应符合规定。
桩的就位和对中核实桩的就位是否准确,桩身是否垂直。
检查桩的对中偏差是否在允许范围内。
打桩顺序监督施工单位按照施工方案确定的打桩顺序进行施工,避免挤土效应影响桩的质量。
打桩过程观察桩入土的速度、垂直度的变化,记录每米的锤击数、贯入度等数据。
检查桩顶标高是否符合设计要求,桩头是否有损坏现象。
当遇到异常情况(如桩身断裂、桩顶位移过大等)时,应立即停止施工,并要求施工单位采取相应的处理措施。
接桩检查接桩的焊接质量,包括焊缝的长度、宽度、厚度、平整度等是否符合规范要求。
焊接完成后,应自然冷却一定时间后再继续打桩。
终桩控制依据设计要求和试桩确定的终桩标准,判断桩是否达到终桩条件。
终桩后,检查桩顶的标高和桩位偏差是否符合验收规范的要求。
3、施工质量验收阶段参与施工单位的桩身完整性检测和承载力检测,见证检测过程,审查检测报告。
静压预应力管桩旁站记录监理项目名称:静压预应力管桩施工监理记录施工单位:XX建筑工程有限公司监理单位:XX建筑监理有限公司一、施工前的准备工作1.根据设计文件,施工单位完成了管桩施工方案的编制,并经监理单位审阅通过。
2.施工单位按照设计要求,选用了符合标准的静压预应力管桩施工设备,并进行了设备检查和试运行。
3.施工单位进行了现场勘察和标定,确定了桩位坐标,标记了控制点,并交由监理单位复核。
4.施工单位组织工人进行了技术培训,确保施工人员熟悉施工工艺和操作要点。
二、施工过程中的监理记录1.施工开始前,监理单位对施工单位的设备、工器具、材料进行了检查验收,符合要求后方可开展施工作业。
2.在施工前,施工单位向监理单位报备了施工的计划,并根据监理单位的要求进行了现场会前交底。
3.施工现场严格按照设计文件和施工方案进行施工,每日施工前对施工设备进行检查,并记录在档案中。
4.施工单位对施工现场进行了安全和环境保护的管理,施工过程中进行了现场巡视和记录,确保施工按照相关法规进行。
5.施工单位对施工过程中的数据进行了监测,并及时向监理单位上报。
监理单位对监测数据进行了复核和分析,并发表了监理意见。
三、施工结束后的总结1.施工结束后,施工单位组织人员进行了施工总结,对施工过程中的问题进行了总结和分析,并提出了改进措施。
2.监理单位对施工的总结和分析进行了审核,并提出了监理意见和建议,作为下一次施工的参考。
3.施工单位按照设计要求进行了验收,并向监理单位提供了相应的施工记录和验收报告。
4.监理单位对施工的质量和工期进行了评估,并对施工单位进行了综合评价。
四、监理发现的问题及处理情况1.在施工过程中,发现施工单位未严格按照设计文件进行施工,监理单位及时提出了整改意见,并要求施工单位进行整改。
2.在施工过程中,发现有施工质量问题,监理单位要求施工单位进行返工并做好整改记录。
3.施工单位未按照规定的进度进行施工,监理单位要求施工单位加快施工进度,并对施工进展进行了监控和记录。
监理单位:舟山市百汇工程建设监理有限公司编号: 01 07 □0□0□1工程名称舟山市万捷商贸有限公司厂房施工单位浙江中欣建设有限公司桩机类型抱压式机号ZYJ680桩径规格PC-A500(100) 设计桩长49米接桩类型保护焊压力换算1Mpa=290KN序号施工日期桩位编号桩长(m )节垂直度原地面标高(m)桩顶标高送桩深度(m)静压力(kN)备注设计(m) 实际(m)1 2013.4.12 56# 15+15+15+7=52 符合要求-0.70 -1.95 +0.4 -1.1 3100 试桩监理旁站员:监理单位:舟山市百汇工程建设监理有限公司编号: 01 07 □0□0□2工程名称舟山市万捷商贸有限公司厂房施工单位浙江中欣建设有限公司桩机类型抱压式机号ZYJ680桩径规格PC-AB500(100) 设计桩长49米接桩类型保护焊压力换算1Mpa=290KN序号施工日期桩位编号桩长(m )节垂直度原地面标高(m)桩顶标高送桩深度(m)静压力(kN)备注设计(m) 实际(m)02 2013.04.13 63# 15M+15M+12M+7M=49M 符合要求-0.56 -2.0 -1.99 1.43 220003 2013.04.13 64# 15M+12M+12M+7M=46M 符合要求-0.66 -2.0 -1.80 1.14 215004 2013.04.1365#15M+15M+12M+7M=49M符合要求-0.60-2.0 -1.85 1.25 280005 2013.04.1366#15M+12M+12M+7M=46M符合要求-0.68 -2.0 -1.89 1.21 215006 2013.04.1367#15M+12M+15M+7M=49M符合要求-0.55 -2.0 /-0.50 290007 2013.04.1368#15M+12M+12M+7M=46M符合要求-0.56-2.0 -1.92 1.36 220008 2013.04.1369#15M+15M+15M=45M符合要求-0.48 -2.0 -1.78 1.30 205009 2013.04.1370#15M+15M+15M=45M符合要求-0.56 -2.0 -1.95 1.39 215010 2013.04.1372#15M+15M+15M=45M符合要求-0.62-2.0 -1.89 1.26 210011 2013.04.1373#15M+15M+7M+7M=44M符合要求-0.52 -2.0 -1.96 1.44 220012 2013.04.1374#15M+15M+7M+7M=44M符合要求-0.53 -2.0 -1.86 1.33 2150 监理旁站员:监理单位:舟山市百汇工程建设监理有限公司编号: 01 07 □0□0□3工程名称舟山市万捷商贸有限公司厂房施工单位浙江中欣建设有限公司桩机类型抱压式机号ZYJ680桩径规格PC-AB500(100) 设计桩长49米接桩类型保护焊压力换算1Mpa=290KN序号施工日期桩位编号桩长(m )节垂直度原地面标高(m)桩顶标高送桩深度(m)静压力(kN)备注设计(m) 实际(m)13 2013.04.14 75# 15M+15M+15M=45M符合要求-0.59 -2.0 -1.97 1.43 210014 2013.04.14 76# 15M+15M+15M=45M符合要求-0.66 -2.0 -1.89 1.23 215015 2013.04.1477#15M+15M+15M=45M符合要求-0.64 -2.0 -1.92 1.28 220016 2013.04.1461#15M+15M+15M=45M符合要求-0.58 -2.0 -1.88 1.30 215017 2013.04.1457#15M+15M+15M=45M符合要求-0.54 -2.0 -1.96 1.42 210018 2013.04.1460#15M+15M+15M=45M符合要求-0.56 -2.0 -1.87 1.31 225019 2013.04.1459#15M+15M+15M=45M符合要求-0.54 -2.0 -1.88 1.34 220020 2013.04.1458#15M+15M+15M=45M符合要求-0.57 -2.0 -1.95 1.38 210021 2013.04.1455#15M+15M+15M=45M符合要求-0.55 -2.0 -1.89 1.34 220022 2013.04.1448#15M+15M+15M=45M符合要求-0.59 -2.0 -1.80 1.21 215023 2013.04.1447#15M+15M+15M=45M符合要求-0.54 -2.0 -1.94 1.40 210024 2013.04.14 46#15M+15M+15M=45M符合要求-0.67 -2.0 -1.90 1.23 2200监理旁站员:监理单位:舟山市百汇工程建设监理有限公司编号: 01 07 □0□0□4工程名称舟山市万捷商贸有限公司厂房施工单位浙江中欣建设有限公司桩机类型抱压式机号ZYJ680桩径规格PC-AB500(100) 设计桩长49米接桩类型保护焊压力换算1Mpa=290KN序号施工日期桩位编号桩长(m )节垂直度原地面标高(m)桩顶标高送桩深度(m)静压力(kN)备注设计(m) 实际(m)25 2013.04.15 49# 15M+15M+15M=45M符合要求-0.60 -2.0 -2.07 1.47 210026 2013.04.15 45# 15M+15M+15M=45M符合要求-0.58 -2.0 -1.89 1.31 215027 2013.04.1543# 15M+15M+15M=45M符合要求-0.66 -2.0 -1.80 1.14 220028 2013.04.1540# 15M+15M+15M=45M符合要求-0.72 -2.0 -1.79 1.07 215029 2013.04.1539# 15M+15M+15M=45M符合要求-0.59 -2.0 -2.10 1.51 220030 2013.04.1544# 15M+15M+15M=45M符合要求-0.62 -2.0 -1.87 1.25 220031 2013.04.1538# 15M+15M+15M=45M符合要求-0.53 -2.0 -1.95 1.42 215032 2013.04.1536# 15M+15M+15M=45M符合要求-0.75 -2.980 -2.95 2.20 220033 2013.04.1533# 15M+15M+15M=45M符合要求-0.55 -2.980 -2.88 2.33 220034 2013.04.1532# 15M+15M+15M=45M符合要求-0.67 -2.980 -2.9 2.23 215035 2013.04.1537# 12M+15M+15M+7M=49M符合要求-0.54 -2.980 -2.92 2.38 250036 2013.04.1531# 15M+15M+12M+7M=49M符合要求-0.70 -2.980 -2.87 2.17 2500 监理旁站员:监理单位:舟山市百汇工程建设监理有限公司编号: 01 07 □0□0□5工程名称舟山市万捷商贸有限公司厂房施工单位浙江中欣建设有限公司桩机类型抱压式机号ZYJ680桩径规格PC-AB500(100) 设计桩长49米接桩类型保护焊压力换算1Mpa=290KN序号施工日期桩位编号桩长(m )节垂直度原地面标高(m)桩顶标高送桩深度(m)静压力(kN)备注设计(m) 实际(m)38 2013.04.16 27# 15M+15M+15M=45M 符合要求-0.65 -2.0 -2.10 1.45 220039 2013.04.16 29# 15M+15M+15M=45M符合要求-0.74 -2.0 -1.89 1.15 215040 2013.04.1628# 15M+15M+15M=45M符合要求-0.59 -2.0 -1.83 1.24 220041 2013.04.1652# 15M+15M+15M=45M符合要求-0.73 -2.0 -1.79 1.06 210042 2013.04.1653# 15M+15M+15M=45M符合要求-0.79 -2.0 -1.97 1.18 220043 2013.04.1651# 15M+15M+15M=45M符合要求-0.62 -2.0 -1.88 1.14 220044 2013.04.1654# 15M+13M+13M+7M=48M符合要求-0.53 -2.0 -1.93 1.40 215045 2013.04.1650# 15M+15M+11M+7M=48M符合要求-0.68 -2.0 -1.95 1.27 220046 2013.04.1617# 13M+13M+14M+10M=50M符合要求-0.71 -2.0 -1.76 1.05 220047 2013.04.1616# 12M+11M+14M+11M=48M符合要求-0.63 -2.0 -1.87 1.24 2150 监理旁站员:监理单位:舟山市百汇工程建设监理有限公司编号: 01 07 □0□0□6工程名称舟山市万捷商贸有限公司厂房施工单位浙江中欣建设有限公司桩机类型抱压式机号ZYJ680桩径规格PC-AB500(100) 设计桩长49米接桩类型保护焊压力换算1Mpa=290KN序号施工日期桩位编号桩长(m )节垂直度原地面标高(m)桩顶标高送桩深度(m)静压力(kN)备注设计(m) 实际(m)48 2013.04.17 19# 13M+11M+13M+11M=48M 符合要求-0.67 -2.0 -1.80 1.13 290049 2013.04.17 18# 15M+15M+15M=45M符合要求-0.58 -2.0 -1.79 1.21 210050 2013.04.1721# 12M+14M+12M+10M=48M符合要求-0.76 -2.0 -2.10 1.34 220051 2013.04.1720# 13M+13M+11M+11M=48M符合要求-0.72 -2.0 -2.07 1.35 215052 2013.04.1723# 13M+13M+11M+11M=48M符合要求-0.69 -2.0 -1.79 1.1 215053 2013.04.1722# 13M+13M+11M+11M=48M符合要求-0.74 -2.0 -1.87 1.13 220054 2013.04.1715# 15M+12M+11M+10M=48M符合要求-0.68 -2.0 -1.89 1.21 220055 2013.04.1710# 12M+13M+13M+10M=48M符合要求-0.59 -2.0 -1.80 1.21 220056 2013.04.179# 15M+11M+11M+11M=48M符合要求-0.67 -2.0 -1.95 1.28 220057 2013.04.178# 12M+11M+10M+15M=48M符合要求-0.55 -2.0 -1.84 1.29 2200 监理旁站员:监理单位:舟山市百汇工程建设监理有限公司编号: 01 07 □0□0□7工程名称舟山市万捷商贸有限公司厂房施工单位浙江中欣建设有限公司桩机类型抱压式机号ZYJ680桩径规格PC-AB500(100) 设计桩长49米接桩类型保护焊压力换算1Mpa=290KN序号施工日期桩位编号桩长(m )节垂直度原地面标高(m)桩顶标高送桩深度(m)静压力(kN)备注设计(m) 实际(m)58 2013.04.18 7# 13M+10M+13M+12M=48M 符合要求-0.75 -2.0 -1.83 1.08 215059 2013.04.18 6# 10M+13M+13M+12M=48M符合要求-0.74 -2.0 -1.77 1.03 215060 2013.04.185# 13M+12M+13M+10M=48M符合要求-0.67 -2.0 -1.84 1.17 220061 2013.04.184# 13M+12M+13M+10M=48M符合要求-0.58 -2.0 -2.07 1.49 220062 2013.04.183# 10M+13M+13M+13M=49M符合要求-0.72 -2.0 -1.78 1.06 220063 2013.04.182# 11M+13M+13M+12M=49M符合要求-0.69 -2.0 -1.89 1.20 2250 监理旁站员:监理单位:舟山市百汇工程建设监理有限公司编号: 01 07 □0□0□8工程名称舟山市万捷商贸有限公司厂房施工单位浙江中欣建设有限公司桩机类型抱压式机号ZYJ680桩径规格PC-AB600(110) 设计桩长50米接桩类型保护焊压力换算1Mpa=290KN序号施工日期桩位编号桩长(m )节垂直度原地面标高(m)桩顶标高送桩深度(m)静压力(kN)备注设计(m) 实际(m)64 2013.04.19 62# 10M+13M+12M+13M=48M 符合要求-0.78 -2.0 -1.95 1.17 280065 2013.04.19 71# 12M+10M+13M+13M=48M 符合要求-0.70 -2.0 -1.90 1.20 280066 2013.04.1942# 10M+12M+12M+15M=49M符合要求-0.74 -2.0 -1.85 1.11 290067 2013.04.1941# 10M+15M+12M+12M=49M符合要求-0.69 -2.0 / -4.02 2900 监理旁站员:监理单位:舟山市百汇工程建设监理有限公司编号: 01 07 □0□0□9工程名称舟山市万捷商贸有限公司厂房施工单位浙江中欣建设有限公司桩机类型抱压式机号ZYJ680桩径规格PC-AB600(110) 设计桩长50米接桩类型保护焊压力换算1Mpa=290KN序号施工日期桩位编号桩长(m )节垂直度原地面标高(m)桩顶标高送桩深度(m)静压力(kN)备注设计(m) 实际(m)68 2013.04.21 35# 10M+15M+12M+10M=47M 符合要求-0.58 -3.08 / -1.80 350069 2013.04.21 34# 15M+15M+15M=45M 符合要求-0.80 -3.08 -3.07 2.27 340070 2013.04.2179# 10M+12M+15M+10M=47M符合要求-0.74 -2.0 -1.85 1.11 290071 2013.04.2178# 10M+15M+12M+12M=49M符合要求-0.69 -2.0 / -3.8 350072 2013.04.21 26# 10M+12M+12M+12M=46M 符合要求-0.78 -2.0 -1.95 1.17 280073 2013.04.21 25# 12M+15M+12M+10M=49M 符合要求-0.70 -2.0 -1.90 1.20 280074 2013.04.2124# 12M+13M+12M+12M=49M符合要求-0.74 -2.0 -1.85 1.11 290075 2013.04.2113# 13M+12M+12M+12M=49M符合要求-0.69 -2.0 / -1.70 2900 监理旁站员:监理单位:舟山市百汇工程建设监理有限公司编号: 01 07 □0□0□10工程名称舟山市万捷商贸有限公司厂房施工单位浙江中欣建设有限公司桩机类型抱压式机号ZYJ680桩径规格PC-AB600(110) 设计桩长50米接桩类型保护焊压力换算1Mpa=290KN序号施工日期桩位编号桩长(m )节垂直度原地面标高(m)桩顶标高送桩深度(m)静压力(kN)备注设计(m) 实际(m)76 2013.04.22 12# 13M+12M+13M+10M=48M 符合要求-0.89 -2.0 / -1.70 350077 2013.04.22 1# 12M+15M+12M+10M=49M 符合要求-0.70 -2.0 -1.90 1.20 350078 2013.04.2211# 13M+13M+13M+13M=52M符合要求-0.74 -2.0 / -1.02 290079 2013.04.2214# 13M+12M+13M+10M=48M符合要求-0.69 -2.0 -1.83 1.14 2900 监理旁站员:。
预应力管桩旁站监理记录表一、工程名称_____工程二、施工单位_____公司三、监理单位_____公司四、旁站监理部位_____(具体桩位编号)五、旁站监理时间_____年_____月_____日_____时_____分至_____时_____分六、施工情况1、施工人员及机械配备施工负责人:_____,施工人员:_____人。
打桩设备型号:_____,设备运行正常。
2、预应力管桩的规格、型号及数量管桩规格:_____,型号:_____,数量:_____根。
3、施工工艺流程测量放线定位:经复核,桩位偏差在允许范围内。
桩机就位:桩机平稳,垂直度偏差符合要求。
起吊管桩:管桩起吊平稳,无明显弯曲和损伤。
桩身对中调直:采用双向经纬仪进行垂直度控制,偏差小于 05%。
锤击沉桩:初打时,低锤轻击,观察桩身、桩架、桩锤等垂直一致,无异常情况后正常施打。
接桩:接桩采用焊接法,焊接质量符合规范要求,焊缝饱满、无夹渣、气孔等缺陷。
送桩:送桩深度符合设计要求,送桩器中心线与桩身中心线重合。
4、施工环境施工现场场地平整,排水畅通。
天气情况:_____,无恶劣天气影响施工。
七、监理情况1、施工前准备工作检查审查施工单位提交的施工方案,方案内容完整、可行,具有针对性。
检查管桩的出厂合格证、检验报告等质量证明文件,管桩质量符合设计及规范要求。
复核测量放线成果,桩位偏差在允许范围内。
2、施工过程中的质量控制旁站监督打桩过程,控制桩的垂直度、贯入度、桩顶标高、接桩质量等关键指标。
检查桩身完整性,无明显裂缝、断裂等缺陷。
督促施工单位做好施工记录,记录内容真实、准确、完整。
3、安全文明施工管理检查施工现场的安全防护措施,施工人员佩戴安全帽,机械设备操作符合安全规程。
督促施工单位及时清理施工现场的废弃物,保持场地整洁。
八、发现问题及处理情况1、问题描述在沉桩过程中,发现桩身突然倾斜。
接桩焊缝局部存在夹渣现象。
2、处理情况立即停止沉桩,分析桩身倾斜原因,经检查是由于地下障碍物所致。