管沟土石方开挖施工方案
- 格式:doc
- 大小:490.00 KB
- 文档页数:31
第1篇一、工程概况本工程位于我国某城市,主要包括场地平整、基坑(槽)与管沟开挖、路基开挖、人防工程开挖、地坪填土,路基填筑以及基坑回填等施工内容。
工程总占地面积约XX平方米,总建筑面积约XX平方米。
设计使用年限为50年。
为确保工程质量、安全、工期、降低造价、环保及文明施工等目标,特制定本专项施工方案。
二、编制依据1. 原始地貌地形原始数据(第三方测绘公司测量);2. 设计总平面规划布置图;3. 建设、设计、监理单位相关要求;4. 国家现行的相关工程施工和验收的法律法规、标准、规范;5. 《建筑边坡工程技术规范》(GB50330-2013)6. 《土方与爆破工程施工及验收规范》(GB50201-2012)7. 《锚杆喷射混凝土支护技术规范》(GB50086-2001)8. 《工程测量验收规范》(GB50026-2007)9. 省市颁布的其它与本工程项目相关的规范、规定。
三、编制原则1. 严格执行现行的施工规范和验收标准,结合本工程项目的特点,坚持实事求是,因地制宜,依据本公司的施工能力,坚持科学组织,合理安排,均衡生产,确保高效、优质完成本专项目全部工程施工。
2. 根据施工实际需要,安排划分施工段进行施工,配置相关机械设备,从实质上缩短工期,提高施工效率。
3. 重视安全生产,确保施工过程中人员、设备、材料的安全。
4. 严格控制施工成本,降低工程造价。
5. 注重环保和文明施工,保护施工现场环境。
四、施工方法1. 土石方开挖:采用机械开挖,人工配合清理,确保开挖深度、宽度、边坡坡度等符合设计要求。
2. 基坑支护:根据实际情况,采用土钉墙、锚杆支护、挡土墙等支护措施,确保基坑安全稳定。
3. 地基处理:采用换填、压实、加固等处理方法,确保地基承载能力满足设计要求。
4. 路基填筑:采用分层填筑、压实、平整等方法,确保路基质量。
5. 基坑回填:采用分层回填、压实、平整等方法,确保回填质量。
五、安全生产及文明施工1. 施工现场应设置明显的安全警示标志,确保施工人员安全。
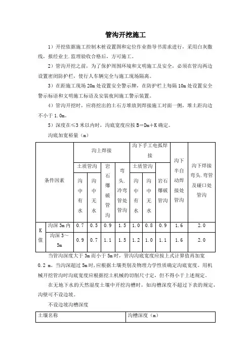
管沟开挖施工1)开挖依据施工控制木桩设置图和定位作业指导书需求进行,采用白灰撒线,报经业主.监理验收合格后,方可施工。
2)管沟开挖之前,为了保护周围环境和文明施工及安全,必须在管沟两边设置密闭防护栏,使行人车辆完全与施工现场隔离。
3)在距施工现场20m处设置安全警示牌,在防护栏上每隔10m处设置安全警示标语和文明施工标语及安装夜间施工警示装置。
4)管沟开挖时,应将挖出的土石方堆放到焊接施工对面一侧,堆土距沟边不小于1.0m。
5)深度在≤3米以内时,沟底宽度应按B=Dm+K确定。
沟底加宽裕量(m)0.2 m。
当沟深超过5m时,应根据土壤类别及物理力学性质确定沟底宽度。
用机械开挖管沟时沟底宽度应根据挖土机械的切削尺寸定,但不得小于上述规定。
在无地下水的天然湿度土壤中开挖沟槽时,如沟槽深度不超过下表的规定,沟壁可不设边坡。
不设边坡沟槽深度5 m ,不加支撑时,沟槽的最大边坡率可按下表确定。
深度在 5 m以内的沟槽最大边坡率(不加支撑)②临时堆土高度不宜超过 1.5 m,靠墙堆土时,其高度不得超过墙高的1/3 。
6)由于太原属湿陷性黄土地区,沟槽开挖不宜在雨季施工,或在施工时切实排除沟内积水,开挖时应在槽底预留0.03 ~ 0.06 m 厚的土层进行压实处理。
7)局部超挖部分应回填压实。
当沟底无地下水时,超挖在0.15 m以内,可采用原土回填;超挖在0.15 m 及以上,可采用石灰土处理。
当沟底有地下水或含水量较大时,应采用级配砂石或天然砂回填至设计标高。
超挖部分回填后应压实,其密实度应接近原地基天然土的密实度。
8)沟槽开挖至设计标高时,由监理工程师检查沟槽尺寸及地基地质,检验合格后进行下道工序。
验槽后不应长时间晾槽,应迅速进行下步工序施工,当下步工序与本工序不连续时,槽底预留保护土层不挖,待下步工序开工时再挖。
施工中应避免扰动槽底土壤,槽底不得受水浸泡。
9)当本工程有各类管线下面穿过时,应保障既有管线不下沉.不弯曲.不开裂.不漏水;当本工程有管线上面穿过时,则对既有管线加以保护并加固本工程管线基础,保障不压坏各类现有管线并且不影响其检修。
管沟土石方开挖施工方案(定稿)一、项目背景管沟土石方开挖是土建工程中重要的施工环节之一,涉及到地下管线的安全、土方的开挖和管理等方面。
本文旨在针对管沟土石方开挖施工过程中的关键问题进行全面分析,并制定可行的施工方案,确保施工质量和安全。
二、施工前准备工作1.组织编制施工方案,确定施工范围、工期、质量要求等内容。
2.完成现场勘测工作,确认地面情况、管线走向等信息。
3.拟定施工图纸,包括工程量清单、剖面图等。
4.制定安全生产方案,确保施工过程中的安全防范措施。
5.准备必要的施工机具和设备,包括挖掘机、运输车辆等。
三、施工过程1.根据施工图纸和现场情况,确定开挖的起始点和终点。
2.利用挖掘机进行土方开挖作业,注意控制开挖深度和宽度,避免对周边环境造成影响。
3.将挖掘出的土方及时运输至指定地点,确保施工现场的整洁和安全。
4.在开挖过程中,及时清理管沟内的杂物和积水,保持施工环境的整洁。
5.针对可能出现的土方坍塌、管线破坏等问题,采取必要的应急措施,确保施工安全。
四、施工验收1.施工完成后,应对开挖管沟进行验收,检查土方开挖质量和施工工艺是否符合要求。
2.对施工过程中可能存在的问题和不足进行总结和改进,提高施工效率和质量。
五、施工后维护1.完成土方开挖后,对施工现场进行清理,确保周边环境无安全隐患。
2.对开挖部位进行固实处理,避免土方坍塌等安全问题。
3.对管沟进行保护处理,确保管线正常使用和运营。
以上为管沟土石方开挖施工方案的关键内容,希望能够对相关工程施工提供参考和指导。
第一章概述第一节工程概况和重要工程量一、概况1.本工程概况2.本工程为牛村天然气管道管沟土石方开挖及回填工程, 土方开挖量为129460立方米, 石方开挖量为18000立方米,3.工程名称: 《西南成品油管道项目土石方工程第4施工标段工程》4.工程起止范围:起桩号40-01/111陆川, 止桩号40-01/144陆川与玉林界工程简介:西南成品油管道工程是国家实行西部大开发旳重大举措, 是中国石化股份企业旳重点工程。
管道起于广东省茂名市, 止于云南省昆明市, 路过广西自治区、贵州省, 管道全长1691公里。
5.管道采用单管密闭次序输送工艺, 按油品性质相近旳原则次序输送90#汽油、95#汽油、0#柴油。
设计输送量1000万吨每年, 设计压力10Mpa。
管径为DN200~DN500, 管材采用X52和X60两个等级, 根据管径及重要程度选用ERW管、螺旋埋弧焊钢管或UOE直缝钢管。
根据沿线地形地质状况, 分别采用FBE和3PE进行外防腐。
6.本标段负责起桩号40-01/111陆川, 止桩号40-01/144陆川与玉林界段旳管沟土石方施工, 长度为34.9公里。
管线除跨越、架空管段外, 一般采用进地敷设旳方式工, 管线埋设深度按施工图纸规定, 特殊地段架空敷设或地面敷设砌堤保护, 石方段管沟超挖0.2m, 用以铺垫细土管床, 管线回填后, 恢复地貌原状。
工程承包范围概况:本标段内旳线路交桩放线、管沟土石方开挖、管沟土石方回填、施工作业带旳清理、施工临时道路清障及修筑、施工场地和施工临时道路旳清理及地貌恢复、与管道安装单位旳施工配合。
施工场地自然条件及社会依托:施工场地自然条件:本标段内地貌分中山、低山、丘陵、台地、平原和石山六类, 境内山地面积占总面积旳70.8%。
平原地区重要有以柳州为中心旳桂中盆地、南宁盆地和郁江平原。
境内石灰地层分布广, 加上高温多雨旳气候条件, 形成经典旳岩溶地貌。
宜州以北海拔逐渐升高。
管沟开挖专项施工方案编制:张文鹏审核:关义根质量:古勇安全:古春旭批准:古春旭施工单位:信阳路桥工程有限公司2017年1月12日一、施工准备1、配备管理人员,选调施工机械组成强有力的施工队伍。
明确施工任务划分,进行施工人员、设备调配。
2、对施工人员进行思想教育,要求每个管理者和施工人员必须树立良好的管道工人形象,从生活作风、社会道德,能够体现出当代建设者的精神风貌。
3、对全体施工人员进行教育,针对本工程施工和地理条件、地理环境的特殊条件,教育职工树立“安全第一”的思想意识和环保意识。
二、一般技术要求1.一般情况下,管道在机动车路面以下大于70公分,非机动车道50公分,原则在水稳层铺设以前,对灰土层开挖管沟预埋电缆。
2.与各相交路口均设置管线和交通手井。
地下电缆穿线拐弯处或者超过50米须设置手井。
三、施工顺序管沟开挖的质量对管道的埋深质量影响较大,埋深达不到设计要求,将影响以后的安全运行。
管沟开挖要依图进行,如遇见和图纸不符情况应及时上报监理,得到监理指令后方可进行开挖。
1、首先联系工区负责人,确定已完成灰土层的施工的交通路;工区负责人同意进场后,方可进入现场进行下步程序。
2、放线:管位为中线,放出管沟边坡的边线,在保证管沟深度的前提下,以保证不塌方为宜。
3、所用设备及材料:电镐、破碎机、切割机等。
4、管沟开挖⑴管沟开挖前,按规范和设计图及现场的土质情况确定管沟的边坡比。
⑵开挖时,质量检查员一定要始终进行监督检查,对不符合质量要求的地方(如坡比、挖深等)及时整改,确保各项指标均达到规范和设计要求。
⑵管沟挖出的土石方应运至基建方要求的位置,并加盖防护网。
⑶遇见岩石或硬质土层时,沟底深度应超挖0.15m,以满足细土回填的深度⑷遇见地下障碍物时,障碍物两侧3米应进行人工开挖。
重要设施要征得主管部门同意,并在其监督下进行。
五、施工技术措施1、管道周围3m以内管沟的开挖:管沟开挖前应请地下设施主管部门的人员到现场监督指导施工,采用人工开挖,首先根据探测出的位置,在其管沟垂直方向挖出长槽的探测沟,探沟为2×1m,用铁锨挖土,边挖边清理散土,挖沟人员要时刻注意土层的变化,如果在坚硬的土层中出现软土或沙土层,很可能就是管道周围的软土层,挖土时就要格外的小心,一点一点地挖土,将管道周围3m之内的管沟全部挖出2、管道并行施工:当管道与原有管道并行施工时,先确定原有管道的位置,在原有管道边线50㎝以外进行管沟开挖。
深圳市天然气储备与调峰库天然气高压管道支线(含中压管道)工程(葵涌段)管沟开挖专项方案编制:审核:批准:深圳市建安(集团)股份有限公司二零一六年八月二十五日目录1 编制依据 (1)2 工程概况 (2)2.1 工程简介 (2)2.2 工程范围: (2)2.3 工程规模 (2)3 施工部署 (3)3.1 施工组织机构 (3)3.2 各级人员职责 (3)4 施工方法 (7)4.1 施工总体部署 (7)4.2 测量放线 (7)4.3 沟槽土方开挖 (7)4.4 沟槽开挖施工要求 (10)5 确保管道施工的质量、工期保证措施 (11)6 雨季施工措施 (12)7 安全文明施工措施 (13)7.1 安全施工措施 (13)7.2 文明施工措施 (14)8 沟槽开挖施工安全注意要点 (16)8.1 机械使用安全 (16)8.2 其他方面安全防护 (16)8.3 预防出现意外伤亡应急预案 (17)1 编制依据1.0.1 深圳市天燃气储备与调峰库高压管道支线(含中压管道)工程(葵涌段)的招标、投标文件。
1.0.2 深圳市葵涌段天然气高压管道(含中压管道)工程中标通知书。
1.0.3 中国市政工程西南设计研究总院有限公司设计的深圳市葵涌段天然气高压管道(含中压管道)工程施工图。
1.0.4 有关的答疑文件。
1.0.5 施工现场踏勘资料。
1.0.6 设计地质勘探资料。
1.0.7 国家及地方现行法令、法规,地区行业颁发的安全、消防、环保、文物等管理规定。
1.0.8 施工技术标准及验收规范:1 《油气长输管道工程施工及验收规范》(GB50369-2014)。
2 《工程测量规范》(GB50026-2007)。
3 《城镇燃气技术规范》(GB50494-2009)。
4 《油气输送管道穿跨越工程设计规范》(GB50423-2013)。
5 《油气输送管道穿越工程施工规范》(GB50424-2015)。
1.0.9 本公司所承建类似工程的施工经验。
管沟开挖专项施工方案一、施工准备1、配备管理人员,选调施工机械组成强有力的施工队伍。
明确施工任务划分,进行施工人员、设备调配。
2、对施工人员进行思想教育,要求每个管理者和施工人员必须树立良好的管道工人形象,从生活作风、社会道德,能够体现出当代建设者的精神风貌。
3、对全体施工人员进行教育,针对本工程施工和地理条件、地理环境的特殊条件,教育职工树立“安全第一”的思想意识和环保意识。
二、一般技术要求1.一般情况下,管道与地下管道交叉,原则上应从被穿越物的下方通过。
2.与管道交叉时,两管间净距不小于0.3m。
三、施工顺序管沟开挖的质量对管道的埋深质量影响较大,埋深达不到设计要求,将影响以后的安全运行。
管沟开挖要依图进行,如遇见和图纸不符情况应及时上报监理,得到监理指令后方可进行开挖。
1、首先对图纸所定管位进行探测,探测分仪器探测和挖坑探测,探明管位下方有无其他管路等障碍物,并设置醒目的标志,方可进入下步程序。
2、放线:管位为中线,放出管沟放坡的边线,在保证管沟深度的前提下,以保证不塌方为宜。
3、所用设备及材料:挖掘机、破碎机等。
4、管沟开挖⑴管沟开挖前,按规范和设计图及现场的土质情况确定管沟的边坡比。
⑵开挖时,质量检查员一定要始终进行监督检查,对不符合质量要求的地方(如坡比、挖深等)及时整改,确保各项指标均达到规范和设计要求。
⑶开挖时挖出的土石方应直接运走。
⑷如遇见岩石或硬质土层时,沟底深度应超挖0.3m,以满足细土回填的深度⑸挖深超过5米的管沟开挖,应进行坡比试验,否则应采取桩等措施⑹遇见地下障碍物时,障碍物两侧3米应进行人工开挖。
重要设施要征得主管部门同意,并在其监督下进行。
五、施工技术措施1、管道周围3m以内管沟的开挖:管沟开挖前应请地下设施主管部门的人员到现场监督指导施工,采用人工开挖,首先根据探测出的位置,在其管沟垂直方向挖出长槽的探测沟,探沟为2×1m,用铁锨挖土,边挖边清理散土,挖沟人员要时刻注意土层的变化,如果在坚硬的土层中出现软土或沙土层,很可能就是管道周围的软土层,挖土时就要格外的小心,一点一点地挖土,将管道周围3m之内的管沟全部挖出2、管道并行施工:当管道与原有管道并行施工时,先确定原有管道的位置,在原有管道边线50㎝以外进行管沟开挖。
管道工程土方开挖及回填方案1、土方开挖方案该工程土石方量较大、各段开挖深度不等,根据各段特点,工程中除小型管沟和少量零星土方采用人工开挖外,其他采用机械开挖,选用PC220型反铲挖掘机开挖,EQ3208型自卸汽车配合余土外运。
工程土方必须按图纸所示的尺寸和深度进行,考虑到本工程管线位置附近为行车道、附近有建筑物、地下管线等,现场场地较窄的特点,沟槽开挖将根据施工现场具体情况采用放坡开挖和垂直开挖的施工方法,垂直开挖将考虑采用钢板桩支撑,如果在实际施工过程中发现地质情况变化较大以及其他情况,采用钢板桩支护将难以达到支护要求,我公司将邀请业主、监理、设计方以及相关单位至现场勘察,根据业主及监理的指示提出安全经济有效的支护方式,保证施工的顺利和安全。
1.1放坡开挖(1)在开挖工作中不得影响任何公共设施,如管道附近的沟槽、各种管道、公路、电缆以及地上地下的构筑物等均不得破坏。
(2)在建筑物及电杆附近开挖,采用钢板桩支护,防止其下沉或变形。
(3)当机械开挖到设计槽底标高以上30公分时,应改为人工开挖,并由项目监理检查地基土质。
((4)开挖后不应长时间晾槽,且槽底不得受到水的浸泡。
在项目监理检查地基后应立即布置下一步施工工序。
沟槽开挖后的表面要求平整,基础底高程的误差为±20毫米。
1.2淤泥的开挖淤泥如果较稀,一般用泥浆泵抽送,也可用反铲挖掘机开挖。
有大量淤泥反铲挖掘机难以进入施工时,事先用碎石或砖渣铺垫,以防机械陷入或用其它方法施工。
2、挖出土的处置(1)任何沟槽或检查井边缘5米范围内不得堆放挖出土。
堆土的最大高度不得危及到邻近建筑物,或对工程和工作人员的安全产生任何危险。
在房屋建筑密集处挖出的土应及时运走。
(2)泥土外运采用自卸汽车密封运输余土,泥土外运车辆进入公路以前,应保持车辆清洁,在公路入口立警示牌,注意行车安全。
(3)淤泥外运为防挖出的淤泥臭味污染环境,立即外运,如因淤泥含水较多,易造成道路遗洒,挖出的淤泥部分可暂时堆放在沟槽两侧晾晒,但不得超过3日。
*********************标段土石方工程专项施工方案编制:审核:审批:******************工程有限公司2019年6月5日目录一、编制依据二、工程概况三、施工部署四、施工方案五、质量保证措施六、安全文明施工七、主要施工机械、设备投入计划八、人员投入计划第一章编制依据1.《埋地排水钢带增强聚乙烯(PE)螺旋波纹管》CJ/T225-2011.2.《埋地塑料排水管道工程技术规范》CJJ143-2010;3.《室外排水设计规范》GB50014-2006(2016年版);4.国家建筑标准设计图集《市政排水管道工程及附属设施》06MS201(2006);5.《给水排水管道工程施工及验收规范》GB50268-2008;6.《城镇给水排水技术规范》GB50788-2012;7、庄河市张屯污水处理厂及配套污水管网工程(一期)——配套污水管网工程三标段设计图纸;8、庄河市张屯污水处理厂及配套污水管网工程(一期)——配套污水管网工程三标段招标文件。
第二章工程概况1.项目基本情况本工程位于*********************************************************** *******************。
本项目工作内容主要包括土石方工程、绿化工程、管道施工工程及道路施工工程等, 其中, 管道沟槽开挖的土石方工程是本工程的重点和难点, 我项目部根据施工图纸、规范的要求, 结合现场实际情况, 编制了该项目的管道沟槽开挖及回填的土石方工程专项施工方案。
本标段污水管网工程主要工程量:钢带增强聚乙烯螺旋波纹管DN300-122734m, DN400-3065m, DN500-1657m, DN600-235m,DN1000-1095m, DN1200-365m, 预制成品砼企口连接污水检查井Φ1000-347座, Φ1500-10座, 预制成品砼企口连接污水沉泥井Φ1000-127座, Φ1500-17座, 现浇钢筋砼矩形直线污水检查井1.5×1.1×7m-6座及300t/d新建泵站一座, 以及相关的土石方开挖和回填工程。
管沟开挖及回填施工方案一、管沟开挖1、管沟开挖前应请测量员根据图纸放线(或设轴线控制桩),经监理复验后方能进行开挖。
管沟开挖的沟底宽度具体按现场规定。
开挖宽度B=D1+2(b1+b2+b3)D1—管道结构的外缘宽度;b1—管道一侧工作台面宽度;b2—管道一侧支撑厚度;b3—现场浇注砼或钢筋砼管渠侧模板厚度。
注:槽底需设排水沟时,工作面宽度b1应适当增加。
2、当地质条件较好、土质均匀、地下水位低于沟槽底面高程,且开挖深度小于5米不加支撑时,沟槽无荷载静载等来选择放坡。
3、沟槽开挖应尽量用挖掘机进行。
挖掘机挖沟时深超过5m应分层开挖;人工挖沟沟深超过5m应分层开挖且层间留台宽度为:放坡开槽时不应小于0.8m,直槽时不应小于0.5m。
4、人工挖沟时堆土高度不宜超过1.5m,且距槽口边缘不宜小于0.8m;挖掘机挖土时,堆土应尽量远离沟槽。
5、沟槽开挖应达到以下要求:沟底应落在老土上,若是回填土应超挖200mm,回填级配砂石,并压实或按设计规定进行。
沟槽中心线每侧的净宽不小于管沟槽底部开挖宽度的一半。
槽底高程允许偏差:开挖土方时应为±20mm;开挖石方时应为+20mm、-200mm。
为了达到这一要求,在用机械挖土至设计标高约200mm时,每隔110mm就测量打桩,采用人工清理至沟底高程。
管沟开挖时应注意排水,避免管沟受水浸泡。
管沟开挖完成后,请监理、业主进行验槽,并有验槽记录。
二、管沟回填1、管道施工完毕并经检验合格后,沟槽应及时回填,回填前应符合以下规定:2、砼管铺设管基(现浇)和接口抹带或接缝的水泥砂浆强度不应小于5N/mm2;3、无压管应闭水试验合格后及时回填;4、压力管道回填前应符合下列规定:a、水压试验前,除接口外,管道两侧及管顶以上回填高不应小于0.5m,水压试验合格后,应及时回填其余部分;b、管径大于900mm的钢管道,应控制管顶的竖向变形。
5、回填时,槽底至管顶以上50cm范围内不得含有大于50mm 的砖、石等硬块。
管道工程施工工艺1、管沟土石方开挖管沟开挖前,必须弄清与施工相关的地下情况,根据图纸及有关资料的提供,采用探测仪探测结合现场开挖基坑的方法,查明其情况。
若施工地段的地下情况与施工图及有关资料提供的情况不符合时应及时通知监理工程师予以处理。
(1)管沟土石方开挖施工方法1)管沟开挖前,现场施工员和现场之质安员应向机械司机详细交底,交底内容一般包括挖槽断面、堆土位置,现有地下构筑物情况及施工技术、安全要求等,并指定专人与司机配合,其配合人员应熟悉机械挖土有关操作规程,并及时量测槽底调和宽度,防止超挖。
2)管沟开挖时,先进行详细的测量定位并用石灰标出开挖边线,复测无误后可指挥挖掘机由临时便道进入管沟开挖范围进行开挖,挖掘机一边开挖一边后退,开挖出来的余泥堆土于未开外的基坑位置上,土方需及时外运。
3)由于挖机不可能准确地将槽底按规定高程整平,所以为确保槽底土壤结构不被挠动,而用人工清底。
4)管沟开挖时,各级质安人员要加强巡视现场,密切注意周围土体的变化情况及管沟内可能出现的涌水、涌砂及坑底土体的隆起反弹,一旦发现问题,应立即停止开挖,并知会监理工程师协同处理。
5)开挖至设计管沟底后,可在管沟槽底的一侧做一输水小沟收集管沟底的积水并用泵抽出管沟;雨季施工时,为防止管沟底土壤受水浸泡,预留人工整平的20.0cm一层的土体应待下一工序进入前方予挖除。
6)管沟开挖采用机械(反铲挖掘机)开挖,人工辅助修整基底。
7)石方开挖采用风镐破碎或切割机开槽,人工辅助清基。
(2)当沟槽挖深较大时,应合理确定分层开挖的深度,并应符合下列规定:1)人工开挖沟槽的槽深超过3m时应分层开挖,每层的深度不宜超过2m2)人工开挖多层沟槽的层间留台宽度:放坡开槽时不应小于0.8m,直槽时不应小于O.5m,安装井点设备时不应小于1.5m;3)采用机械挖槽时,沟槽分层的深度应按机械性能确定。
(3)沟槽每侧临时堆土或施加其他荷载时,应符合下列规定:1)不得影响建筑物、各种管线和其他设施的安全;2)不得掩埋消火栓、管道闸阀、雨水口、测量标志以及各种地下管道的井盖,且不得妨碍其正常使用;3)人工挖槽时,堆土高度不宜超过1.5m,且距槽口边缘不宜小于0.8m。
一、土方开挖1、测量放线本工程首先利用设计单位移交的测量基准点放出场区围墙轴线,再采用此轴线外延一定区域作为场平范围边线,外延范围应考虑围墙外排水沟,护坡等因素。
2、场地清理场平施工前应首先清除地表植被及垃圾。
3、场地平整土方开挖(1)挖方边坡应根据使用时间(临时或永久性)、土的种类、物理力学性质、水文情况等确定。
对于永久性场地,挖方边坡坡度应按设计要求放坡。
对于使用时间较长的临时性挖方边坡坡度,应根据工程地质和边坡高度,结合当地实践经验确定。
(2)场地边坡开挖应采取沿等高线自下而上、分层、分段依次进行,禁止采用挖空底角的方法;在边坡上采取多台阶同时进行机械开挖时,上台阶应比下台阶开挖进深不少于30m,以防止塌方。
(3)边坡台阶开挖应作成一定坡势以利泄水。
边坡下部设有护角及排水沟时,应尽快处理台阶的反向排水坡,进行护脚矮墙和排水沟的砌筑和疏通,以保证坡脚不被冲刷和在影响边坡稳定的范围内积水,否则应采取临时排水措施。
(4)边坡开挖,对软土土坡或易风化的软质岩石边坡在开挖后应对坡面,坡脚采取喷浆、抹面、嵌补、护砌等措施,并作好坡顶坡脚排水,避免在影响边坡的范围内积水。
5、场地平整填方压实填土应采用挖方区余土,并控制土的含水率在最优含水量范围内。
当采用不同的土填筑时,应按土类有规则地分层铺填,将透水性大的土层置于透水性较小的土层之下,不得混杂使用,边坡不得用透水性较小的土封闭,以利水分排除和基土稳定,并避免在填方内形成水囊和产生滑动现象。
填土应从最低处开始,由下向上整宽度分层铺填碾压或夯实。
在地形起伏之处,应做好接搓,修筑1:2台阶形成边坡,每台阶高可取30cm,宽100cm。
分段填筑时每层接缝处应作成大于1:1、5的斜坡,碾迹重叠0.5-1m,上下层错缝距离不应小于1m。
接缝部位不得在基础、墙角、柱墩等重要部位。
机械压实方法:(1)为保证填土压实的均匀性及密实度,避免碾轮下陷,提高碾压效率,在碾压机械碾压之前,宜先用轻型推土机、拖拉机推平,低速预压4-5遍,使表面平实;且应先静压,而后振压。
1编制依据 (2)2工程概况 (2)2.1概要 (2)2.2地质、地貌 (3)3主要工序及施工措施 (3)3.1施工准备 (3)3.2中心线的确定 (4)3. 3管沟开挖 (5)3. 4管沟验收 (8)3.5质量保证措施 (11)3.6管沟开挖HSE措施 (11)3. 7组织机构1编制依据1)《油气长输管道工程施工及验收规范》GB 50369-20062)《西气东输三线管道工程线路工程施工技术规范》(Q∕SY GJX 0209-2012)3)《西气东输三线管道工程安全和环境监理技术规范》(Q∕SY GJX 0219-2012)4)《西气东输三线管道工程竣工验收技术规范》(Q∕SY GJX 0224-2012)5)《西三线西段第二标段施工组设》6)《管沟开挖作业指导书》(XSX-EPC-GCB-ZY-0006/0)7)霍尔果斯-中卫第二标段管道工程线路施工图纸8)霍尔果斯-中卫第二标段管道工程招标文件2工程概况2.1概要西气东输三线西段工程起新疆霍尔果斯,止于宁夏中卫。
管道总体走向自西北向东南,途经新疆、甘肃、宁夏3个省、自治区,从新疆霍尔果斯- 宁夏中卫段和西气东输二线并行。
线路长2456km,设计输量300X1077a, 管径1219mm,设计压力12MPa°具体走向见“西气东输三线西段管道工程线路走向示意图”(图1T)。
图1-1西气东输三线西段管道工程线路走向示意图2.2地质、地貌管道沿线大部分位于天山北麓的冲洪积区及丘陵台地上,地貌类型较复杂。
施工时,先进行作业带的平整,然后采取分段沟上焊接,再整体下沟连头的方法进行施工。
对于坡度较大山区地段,采取先开挖管沟、平整作业带,再进行沟下焊接的方法进行施工。
3主要工序及施工措施(施工准备)→f管沟中心线确*y→(管沟开挖z管沟验收]→(下道工序图12. 1-1管沟开挖流程图3.1施工准备及组织机构3.1.1进行管沟开挖的人员有应包括机组长、技术员和安全员。
管道沟槽开挖专项施工方案(1)一、前言管道沟槽开挖是工程建设中的重要环节,其施工质量直接影响着工程的安全性和效率。
为了确保管道沟槽开挖工程顺利进行,特制定本专项施工方案。
二、施工前准备1.制定施工计划,明确开挖范围、时间节点和施工顺序。
2.调查土质情况,了解地质条件,制定相应的安全措施。
3.准备必要的施工机械设备和人力。
三、安全措施1.划定施工区域,设置明显的警示标志,保障施工现场的安全。
2.检查施工机械设备的运行状态,确保安全使用。
3.严格遵守相关操作规程,做好现场安全管理。
四、开挖工艺1.按照设计要求,在施工现场进行定位和标高,确定开挖的深度和宽度。
2.采用适当的挖掘机械进行开挖作业,保证施工质量。
3.注意防止土方坍塌,加固土墙,确保开挖斜坡的稳定。
五、施工质量控制1.对开挖后的地基进行检查,确保开挖面平整、垂直。
2.定期检查土方的质量,及时处理施工中出现的问题。
3.严格按照设计要求进行管道沟槽的开挖,保证施工质量。
六、施工结束及清理1.完成管道沟槽的开挖后,及时进行地基的清理和整理。
2.对施工现场进行清理,清除垃圾和杂物,确保施工现场整洁。
3.对施工过程中发现的问题进行总结,并提出改进建议。
七、总结管道沟槽开挖是一项重要的工程施工环节,本专项施工方案旨在指导施工人员按照规定程序和标准完成开挖工作,确保施工质量和安全。
在实际施工过程中,应严格执行施工方案,及时处理问题,确保工程顺利完成。
希望本专项施工方案能够对管道沟槽开挖工程的实际施工提供一定的指导和帮助。
管沟开挖施工方案一、工程概况管沟开挖是指在地面上或地下开挖一定深度的沟槽,用于埋设管道、电缆等设施。
本施工方案针对一般土壤条件、排水良好的情况进行设计。
二、施工准备1.各项审批手续:施工前要参照当地相关规定,办理相关审批手续。
2.确定施工期限:根据工程量、队伍设备情况,制定合理的施工计划。
3.设计施工标准:根据设计图纸以及当地施工规范,确定施工标准。
4.采购材料和设备:根据设计要求,准备好所需的管道、支架等材料和设备。
5.跨越施工方案:根据施工现场实际情况,制定相关的跨越施工方案。
三、施工步骤1.施工人员上岗前要进行安全技能培训,确保施工人员具备相关的技能及知识。
2.设置施工现场标志,确保周边的行人和车辆能够清楚地识别施工区域。
3.根据设计图纸,在施工区域内标示好开挖的范围和深度。
4.准备好开挖所需的机具和工具,并进行检查和调试。
5.开始挖掘沟槽:根据深度和宽度要求,逐层开挖沟槽。
对于硬土层或岩石层,可以使用挖掘机、钻机等设备进行开挖。
6.清理挖掘沟槽:对于沟槽内的土方进行清理,并妥善堆放在指定的位置。
7.入土或安装沟槽支架:根据设计要求,将管道或电缆入土埋设或固定在支架上。
8.检查和修正:根据设计要求,进行检查和修正,确保沟槽开挖的尺寸和位置符合要求。
9.完成工程验收:经过施工的沟槽需要进行验收,确保施工质量符合要求。
四、安全措施1.严禁在施工过程中随意改变开挖方案,以确保施工质量和安全。
2.在挖掘沟槽过程中,要对周围的工作人员进行警示和疏导,确保他们的安全。
3.在挖掘沟槽时,要注意地下管线的位置,防止损坏。
4.挖掘沟槽时,要定期检查挖掘机等设备的运行状况,确保设备的安全运行。
5.工作人员需要正确佩戴安全帽、安全鞋等个人防护用具,确保施工人员的安全。
六、风险控制1.在挖掘沟槽时,特别是对于较深的沟槽,要注意坍塌风险。
为避免坍塌,可采取加固沟槽壁、安装支撑物等措施。
2.在清理沟槽的过程中,可能会有坍塌风险,要注意随时采取相应的应急救援措施。
管沟土石方开挖施工方案(定稿)(总30页)--本页仅作为文档封面,使用时请直接删除即可----内页可以根据需求调整合适字体及大小--沟槽土石方开挖施工方案工程名称:宜宾县工业园区高捷园污水处理厂配套管网(一期)建设单位:宜宾开源建设投资有限公司监理单位:四川省城市建设工程监理有限公司施工单位:四川鲁工建设工程有限公司编制人:审核人:二○一六年五月二十四日目录第一章编制依据 0第二章工程概况 0第三章水文地质概况 0第四章深基坑开挖施工安全风险对策与方法 (10)1.深基坑开挖时主要存在的风险有: (10)2.深基坑开挖回避安全风险的对策与方法 (10)1).采取行之有效的的施工方法 (10)2).开挖遵循原则 (14)3).基坑边堆放荷载的控制 (15)4).保持槽底干燥 (15)5).现场安全防护措施 (15)6).施工监测 (18)7).雨季施工措施 (19)8).管线保护 (19)9).加快施工进度 (19)10).事故应急救援预案 (19)第五章施工顺序和施工计划 (24)第六章施工工艺技术和施工方法 (24)第七章、管网工程深基坑开挖安全施工措施 (26)第八章、劳动力及机械配备计划 (27)劳动力计划表 (28)施工机械设备表 (28)第一章编制依据1.《施工现场管理标准》(QB-MCCG-0001-2009);2.《建筑基坑工程监测技术规范》(GB50497-2009)3.《建筑地基基础工程施工质量验收规范》(GB50202-2002);4.《建筑边坡工程技术规范》(GB50330-2013);5.施工现场临时用电安全技术规范(JGJ46—2005);6.建筑机械使用安全技术规程(JGJ33-2012);7.《建设工程安全生产管理条例》中华人民共和国国务院令第393 号;8.《危险性较大的分部分项工程安全管理办法》(建质【2009】87号);9.建筑施工安全检查标准(JGJ59-2011);10.本工程的设计图纸;11.本工程的施工组织设计;12.本工程现场地质、地形、地貌情况;13.公司的质量、环境、职业健康安全管理体系文件、管理程序文件。
沟槽土石方开挖施工方案工程名称:宜宾县工业园区高捷园污水处理厂配套管网(一期)建设单位:宜宾开源建设投资有限公司监理单位:四川省城市建设工程监理有限公司施工单位:四川鲁工建设工程有限公司编制人:审核人:二○一六年五月二十四日目录第一章编制依据 0第二章工程概况 0第三章水文地质概况 0第四章深基坑开挖施工安全风险对策与方法 (10)1.深基坑开挖时主要存在的风险有: (10)2.深基坑开挖回避安全风险的对策与方法 (10)1).采取行之有效的的施工方法 (10)2).开挖遵循原则 (14)3).基坑边堆放荷载的控制 (14)4).保持槽底干燥 (15)5).现场安全防护措施 (15)6).施工监测 (18)7).雨季施工措施 (19)8).管线保护 (19)9).加快施工进度 (19)10).事故应急救援预案 (19)第五章施工顺序和施工计划 (24)第六章施工工艺技术和施工方法 (24)第七章、管网工程深基坑开挖安全施工措施 (26)第八章、劳动力及机械配备计划 (27)劳动力计划表 (28)施工机械设备表 (28)第一章编制依据1.《施工现场管理标准》(QB-MCCG-0001-2009);2.《建筑基坑工程监测技术规范》(GB50497-2009)3.《建筑地基基础工程施工质量验收规范》(GB50202-2002);4.《建筑边坡工程技术规范》(GB50330-2013);5.施工现场临时用电安全技术规范(JGJ46—2005);6.建筑机械使用安全技术规程(JGJ33-2012);7.《建设工程安全生产管理条例》中华人民共和国国务院令第393 号;8.《危险性较大的分部分项工程安全管理办法》(建质【2009】87号);9.建筑施工安全检查标准(JGJ59-2011);10.本工程的设计图纸;11.本工程的施工组织设计;12.本工程现场地质、地形、地貌情况;13.公司的质量、环境、职业健康安全管理体系文件、管理程序文件。
第二章工程概况宜宾县工业园区高捷园污水处理厂配套管网(一期)项目分为4个标段。
本项目主要为市政截污,排污干管的安装,总长约9460米,砌筑各种排污检查井。
Ⅰ标段为近污水处理厂处dn1000污水干管段,包含污水干管2405m,污水管桥2座;Ⅱ标段为中核建中至Ⅰ标段设计起点处,包含dn800污水干管共1901m,管桥3座;Ⅲ标段为重啤至Ⅰ标段设计起点处,dn500的污水干管共计1283m;Ⅳ标段为高场镇通江街至中核建中Ⅱ标段的设计起点处,重力流污水干管管径为dn500、dn600,共计3387m,压力流管道管径为D325*12,共计620m,污水管桥7座,污水提升泵站1座。
第三章水文地质概况1)地形地貌项目所在地位于岷江下游段右岸,地貌单元属构造剥蚀浅~深切割丘陵地貌区。
场地地势呈西南高东北低,管线范围内地形起伏变化较大,地面高程275~325m。
管线中段存在数条切割较深的冲沟,沟内水流较小,管线后段分布较多的水田和耕地。
2)地理位置项目位于宜宾市宜宾县高场镇与喜捷镇之间高捷产业规划园内,跨高场镇七井村、正明村和喜捷镇翠和村。
截污干管起点位于高场镇职中附近,终点位于喜捷镇小桶坝附近,总体上呈NW~SE走向。
管线分为两段:高场职中至中核建中段、中核建中&重啤至污水处理厂段。
场区交通较为方便,宜宾至屏山新县城宜屏快速通道沿项目区通过。
3)水文项目区紧邻岷江,位于岷江右侧岸坡。
岷江从12月至次年4月为枯水期,河面宽100~240m,平均流量148.5m3/s,最小流量70m3/s,5~6月和10~11月是中水期,平均流量373.9m3/s,7~9月为洪水期,平均流量1102.6m3/s,多暴雨形成,易涨易退。
截污干管位于岷江右侧岸坡,管道走向带状范围内发育小河沟,且有几条切割较深的季节性冲沟、水田和池塘分布。
1)气象项目所在的宜宾县区域位于四川盆地南部,气候属于中亚热带湿润季风气候类型,低丘河谷兼有南亚热带的气候属性。
总的特点是:气候温和,雨量充沛,无霜期长、光照适宜、四季分明、冬季温暖、雨热同季;同时还具有春季回暖早,夏季温湿高,秋季多绵雨,冬季霜雪少的气候特征,和干旱、冰雹、大风、暴雨、低温绵雨等灾害性天气常有发生的特点。
2)气温:区内年平均气温18℃左右,年均温的年际变化不大,年内各月均温的分布趋势与年均温分布大体一致。
最热月为7月,月平均气温一般为26.2~27.1℃,最冷月为1月,均温一般为7.5~9.3℃。
3)降雨:区内降雨量的时空变化较大,年均降雨量在1100mm左右。
最多年在1500mm左右,最少年在700~800mm。
区域年内降水具有夏丰冬“欠”,四级分配不均的特点。
各月降雨量分布均呈单峰型,最多月降水量在200~240mm,最少月降雨量为15~25mm。
5~9月降水量占全年的75.76%。
4)工程地质条件地层岩性根据现场地质测绘调查及钻探,拟建场地范围内分布地层共5个单元层,即:①层为第四系人工填土层(Q4ml);②层为第四系全新统残坡积粉质粘土层(Q4el+dl);③1层为第四系冲洪积粉质粘土层(Q4al+dl)、③2层为第四系冲洪积砂卵砾石层(Q4al+dl);④层为白垩系下统打儿凼组(K1d)砂岩、泥岩互层;⑤层为侏罗系上统遂宁组(J3s)紫红色砂岩。
各地层特征及分布状况按土层上下顺序分述如下:①第四系全新统填土层(Q4ml)人工填土:紫红色、灰白色,松散-稍密状,主要为全~强风化砂岩挖方填土、卵砾石、建筑垃圾等。
该层主要分布于宜屏快速通道内侧。
层厚一般1~6m。
②层为第四系全新统残坡积粉质粘土层(Q4el+dl)粉质粘土:褐色,干燥~饱和,可塑~硬塑状。
该层主要分布于耕地、斜坡之上。
层厚一般0.5~3m,局部厚度达到约6m。
③1层为第四系冲洪积粉质粘土层(Q4al+dl)粉质粘土:褐色,稍湿~湿,可塑状,含细砂,表层含植物根系。
该层主要分布于管道末端污水处理厂附近的岷江右岸阶地,为山前冲洪积物,层厚一般6~10m。
③2层为第四系冲洪积砂卵砾石层(Q4al+dl)砂卵砾石:灰白色,湿-饱和,稍密-中密,卵砾石含量占80%,粒径一般1~30cm,磨圆度较好,呈次圆状。
卵砾石母岩成分主要由中风化砂岩、灰岩、花岗岩等组成。
孔隙由砂充填。
该层主要分布于管道末端污水处理厂附近和冲沟沟底。
询问当地多位老乡得知,该层层厚一般10~15m。
④层为白垩系下统打儿凼组(K1d)砂岩、泥岩互层泥岩:灰褐色,砂质结构,强~中风化状,中厚层状,岩体完整性一般~较差,岩石硬度较低。
该层分布于勘探点KTD47附近。
⑤侏罗系上统遂宁组(J3sn)砂岩:紫红色,中粒结构,强~中风化状,结构未破坏,中厚层状,随机节理较发育,岩体完整性一般~较差,岩石硬度较低,矿物成份含长石、石英。
该层分布于场地前段~中后段,埋藏深度一般1~3m,填方附近埋藏深度一般1~8m。
地震效应评价(1)抗震区划按《建筑抗震设计规范》(GB50011-2010)附录A.0.20分组,宜宾县抗震设防烈度为7度,设计基本地震加速度值为0.10g,设计地震分组第二组。
(2)液化判定根据钻孔揭露,项目区内未分布有砂层和粉土层,不存在地震液化问题。
(3)抗震地段划分拟建场地处于岷江下游右侧岸坡,地势开阔地形变化不大,地基土分布较均匀,属中硬场地。
拟建场地属建筑抗震一般地段。
水文地质条件及腐蚀性评价水文地质条件(1)地表水拟建场地位于岷江下游右侧岸坡,管带沿线带状范围内零星分布梯田,水田内常年积水,为场地内主要的地表水体,主要受大气降水补给。
(2)地下水勘察区地层岩性属相对隔水层、断裂构造一般发育、地形起伏变化不大,地貌简单,水文地质条件较简单。
据地层岩性及其赋存形式、水理性质及水力特征可将地下水分为两种类型:第四系覆盖层中的上层滞水和基岩裂隙水。
上层滞水赋存于人工填土、粉质粘土和粉质粘土中,富水性差~一般;基岩裂隙水赋存于风化裂隙中,泥岩属相对隔水层,其埋藏分布具有不均匀性,地下水主要赋存于砂岩中,富水性较差。
地下水主要受大气降水补给,排泄以垂直入渗为主。
水的腐蚀性评价本次勘察期间为春季,无较大降水,勘探深度范围内地下水活动较弱,未取得地下水。
根据相似岩土条件的工程水质分析实验结果给出下列建议值。
场地地下水腐蚀性判定表土的腐蚀性评价根据钻探所取3组土样腐蚀性分析成果资料,按《岩土工程勘察规范》(GB50021-2001)(2009版)12.2节进行腐蚀性评价。
结果见下表。
地基土腐蚀性判定表表4地基土的物理力学指标原位测试试验本次勘察除抽芯观察描述外,还结合原位测试进行分析,对①层人工填土进行了重型(N63.5)圆锥动力触探试验,对②层粉质粘土、③1粉质粘土进行了轻型(N10)圆锥动力触探试验。
各成果统计情况见下表。
轻型(N10)圆锥动力触探试验成果统计表重型(N63.5)圆锥动力触探试验成果统计表室内试验本次勘察对③1层第四系全新统冲洪积物(Q4el+dl)粉质粘土和⑤层侏罗系上统遂宁组(J3sn)砂岩通过岩芯取样后委托四川省蜀川岩土矿产测试有限公司进行了室内土工试验。
其成果统计情况见下表。
粉质粘土力学参数指标统计表③1⑤层砂岩力学参数指标统计表物理力学指标建议值根据原位测试实验及土工试验的成果,并结合相同场地工程勘察经验,提出各层地基土物理力学指标建议值见下表。
各层地基土物理力学指标建议值表各层地基土桩基参数指标建议值表工程地质评价场地稳定性及适宜性评价项目区抗震设防烈度为7度,设计基本地震加速度值为0.10g,地震动参数谱特征周期为0.4s。
拟建场地范围内地形平坦开阔,平面分布上地基土较均匀,无液化土层分布,属建筑抗震一般地段,场地类别为Ⅱ类。
综上,场地稳定性一般,适宜建筑物的修建。
地基土力学性质评价各岩土层工程地质条件评价如下:①层人工填土:结构松散-稍密,干燥~稍湿,属中等压缩性土,部分未经碾压夯实,欠固结,如作为基础持力层应夯实或换填。
②层粉质粘土:干燥~湿,可塑~硬塑状,该层厚度较小,建议直接清除,将基础至于中风化基岩之上。
③1层粉质粘土:稍湿~湿,可塑状,经碾压夯实可直接作为基础持力层。
④泥岩:该层分布在KTD47附近,强~中风化状,岩体完整性一般,较软岩,可直接作为管道基础的持力层。
⑤层砂岩:该层分布于管道前段和中段,强~中风化,中厚层状,岩体完整性一般,较软岩,可直接作为管道基础持力层。
管道中段几处跨沟处作为墩基础时,应嵌入较完整的中风化基岩一定深度。
建议中风化、较完整砂岩地基容许承载力取1000kPa。
主要岩土工程问题工程地质分段评价本工程截污干管分为两段,即高场至中核建中段和中核建中&重啤至污水处理厂段,其工程地质分段评价如下表所示:工程地质分段评价表地基均匀性评价截污干管基础持力层为①层人工填土、②层粉质粘土、③1层粉质粘土、④层泥岩和⑤层砂岩等,各层土性质较为均一,根据室内土工试验结果,粉质粘土压缩模量标准值为4.64MPa,压缩系数标准值为0.37Mpa-1。