龙门架安装方案含计算
- 格式:docx
- 大小:72.13 KB
- 文档页数:9
龙门架计算书(35mT 梁龙门架)本龙门架横梁为6排双加强贝雷片组成,门架脚架由两根格构柱组成,门架采用两台电机驱动自行式移动系统。
对本门架进行如下简化计算,横梁拟用简支梁进行计算,脚架按受压格构柱进行计算,斜撑起稳定作用不作受力计算。
一、门架横梁计算 1、荷载计算横梁自重:m kg q /10272424654=÷= 天平及滑轮自重:kg P 9801= 35mT 梁自重(一半):kg P 545602= 23(1l P M ==4111l P M =4122ql M =8123M =∑考虑安全系数为1.5m kg M ⋅=⨯=5808983872655.1max(2)((V V P V =⎢⎣⎡=⎢⎣⎡=V 1max =46342840235706cm W =⨯⨯=考虑6排贝雷片荷载不均匀系数为0.922max 1507428409.010580898kw M =⨯⨯==σ剪力较小完全满足要求,计算略。
5、上弦杆受压局部稳定验算一片双加强贝雷上弦受压压力为kg N 76797248.251507=⨯⨯= 422067548.2526.3962cm I x =⨯⨯+⨯=296.50248.25cm A =⨯=()32171296.501.452.16.254cm I y =⨯++⨯=cm A I r xx 37.696.502067===cm AI r y y 80.596.501712===贝雷片横向每3.0M 设一支撑架,所以取cm lox cmloy 75300==x y y x x r loy r lox λλλ>======7.518.53008.1137.675由794.07.51==ϕλ查表得稳定系数y[]2/2450189896.50794.076797cm kg kg A N =<=⨯==σϕσ 横梁上弦压杆稳定符合要求龙门架跨度23m 小于20×1.2=24m 6、横梁挠度计算取集中荷载作用于跨中进行计算 单片贝雷片惯性矩 4250500cm I = 弹性模量 26/101.2cm kg E ⨯=6片双加强贝雷惯性矩 4610006.325050012cm E ⨯=⨯= 按简支梁进行计算:(1)在集中力作用下(P 1+P 2)挠度cm EI Pl f 23.2101.2210503.148230055540486633=⨯⨯⨯⨯⨯⨯== (2)在均匀自重荷载作用下挠度cm EI ql f 59.010503.1101.2384230027.105384566442=⨯⨯⨯⨯⨯⨯==以上挠度合计cm f f f 82.259.023.221=+=+=㈠12V 1=M M m kg M ⋅=13582max Ⅰ25自重弯矩略横梁轴力 kg V N 724491.80cos 4585191.80cos 1=︒⨯=︒⋅= 最大剪力 kg Q 30183905526191.80sin 45851=⨯-︒⨯= 3、强度计算 ⑴弯应力222max /2100/16918.8021013582cm kg cm kg W M w <=⨯==σ⑵剪应力22/1250/7558.025230183cm kg cm kg d h Q <=⨯⨯=⋅≈τ ⑶正应力2/7551.4827244cm kg A N N =⨯==σ 门架脚架横梁符合要求 ㈡脚架计算门架的脚架所受压力 N=45851kg 1.强度计算22/2100/1303797.8445851cm kg cm kg A N <=⨯==σ 符合要求2.整体稳定验算1'44⨯+I =I =I A x y x .8496.394⨯+⨯=I x 46148cm x =I取cm loy lox 750==79.846148⨯===AI i i xy x 572.13750====x y x i lox λλ 4402=⋅+==λλx A x x oyox 根据ox λ818.0=ϕ22/2100/159479.84818.045851cm kg f cm kg A N =<=⨯⨯==ϕσ 整体稳定符合要求。
龙门架施工方案目录一、工程概况二、龙门架结构形式三、龙门架安装施工四、安全注意事项一、工程概况本标段设计桩号3+741至4+391长度650m,隧道断面结构为2.6m×2.9m,共设干线检查井5座,分别为1#、2#、3#、4#、5#矩形人孔井,矩形通风井2座,支线井1座;二、龙门架结构形式2.1龙门架结构形式2.1.1龙门架采用2跨结构,全长12m,其中土仓部位长6m,竖井部位长6m;宽6.0m;高6m。
2.1.2每座竖井配置1台5吨电葫芦;1个1.0×1.0×1.0m的土斗,土斗使用1cm厚钢板制作;土仓末端距离行走梁2.0m位置设置修理平台,修理平台使用10#槽钢、Φ32钢管和大板搭设;龙门架上方使用∟40角钢和围挡板搭设防雨棚。
2.1.3龙门架的行走梁采用I30b工字钢,承重横梁、立柱均采用I28b工字钢;土仓部位距离地面0.5m和2.0m处增加25#工字钢,与立柱焊接,外附2cm 厚钢板;竖井部位立柱之间使用14#槽钢焊接剪刀撑;龙门架纵向和两端横向使用14#槽钢焊接纵撑和横撑,支撑交叉位置采用钢板焊接;2.1.4龙门架工字钢与工字钢之间连接,在工字钢上焊接0.4×0.4m的2cm 厚钢板,使用Φ20mm的螺栓连接;立柱工字钢与地面连接,采用预埋0.6×0.9m 的2cm厚钢板,与立柱工字钢焊接,并另附4块加强钢板焊接。
2.1.5龙门架基础每个基础的断面形式为1.2m×1.2m×1.2m现浇C25混凝土,在基础中预埋钢板,以便于立柱与基础的连接,钢板厚度20mm,平面尺寸为900mm×600mm,在预埋钢板上焊接3根直径Ø25钢筋,钢筋长度为2.3m。
钢筋与钢板的焊接应当牢固、饱满。
2.1.6电葫芦修理平台平台宽度不小于1.5m,木板满铺,用铅丝绑牢,不许有探头板,设置护栏,并挂设安全护网;搭设电葫芦操作平台采用L100×80角钢,平面尺寸1m×2m,栏杆高度1.4m,水平护栏不少于3道。
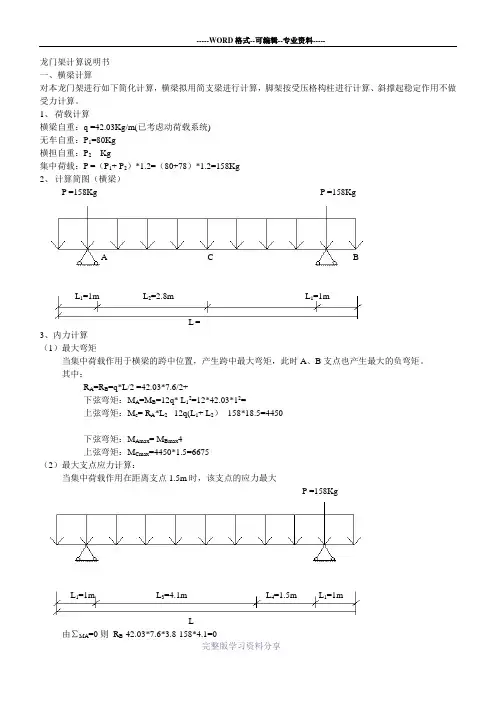
龙门架计算说明书
一、横梁计算
对本龙门架进行如下简化计算,横梁拟用简支梁进行计算,脚架按受压格构柱进行计算、斜撑起稳定作用不做受力计算。
1、荷载计算
横梁自重:q =42.03Kg/m(已考虑动荷载系统)
无车自重:P1=80Kg
横担自重:P2Kg
集中荷载:P =(P1+ P2)*1.2=(80+78)*1.2=158Kg
2、计算简图(横梁)
P =158Kg P =158Kg
A C B
L1=1m L2=2.8m L1=1m
L=
3、内力计算
(1)最大弯矩
当集中荷载作用于横梁的跨中位置,产生跨中最大弯矩,此时A、B支点也产生最大的负弯矩。
其中:
R A=R B=q*L/2 =42.03*7.6/2+
下弦弯矩:M A=M B=12q* L12=12*42.03*12=
上弦弯矩:M c= R A*L2 - 12q(L1+ L2)- 158*18.5=4450
下弦弯矩:M Amax= M Bmax4
上弦弯矩:M Cmax=4450*1.5=6675
(2)最大支点应力计算:
当集中荷载作用在距离支点1.5m时,该支点的应力最大
P =158Kg
L1=1m L3=4.1m L4=1.5m L1=1m
L
由∑MA=0则R B-42.03*7.6*3.8-158*4.1=0
R B
V Bmax=
拉应力满足要求,剪力较小完全满足要求。
根据以上验算,本龙门架横梁采用25mm工字钢、跨度7.6m,其承载力能满足吊袋4.4T钢筋混凝土管的施工要求。
龙门架施工方案目录一、工程概况二、龙门架结构形式三、龙门架安装施工四、安全注意事项一、工程概况本标段设计桩号3+741至4+391长度650m,隧道断面结构为 2.6m×2.9m,共设干线检查井5座,分别为1#、2#、3#、4#、5#矩形人孔井,矩形通风井2座,支线井1座;二、龙门架结构形式2.1龙门架结构形式2.1.1龙门架采用2跨结构,全长12m,其中土仓部位长6m,竖井部位长6m;宽6.0m;高6m。
2.1.2每座竖井配置1台5吨电葫芦;1个1.0×1.0×1.0m的土斗,土斗使用1cm厚钢板制作;土仓末端距离行走梁 2.0m位置设置修理平台,修理平台使用10#槽钢、Φ32钢管和大板搭设;龙门架上方使用∟40角钢和围挡板搭设防雨棚。
2.1.3龙门架的行走梁采用I30b工字钢,承重横梁、立柱均采用I28b工字钢;土仓部位距离地面0.5m和2.0m处增加25#工字钢,与立柱焊接,外附2cm 厚钢板;竖井部位立柱之间使用14#槽钢焊接剪刀撑;龙门架纵向和两端横向使用14#槽钢焊接纵撑和横撑,支撑交叉位置采用钢板焊接;2.1.4龙门架工字钢与工字钢之间连接,在工字钢上焊接0.4×0.4m的2cm 厚钢板,使用Φ20mm的螺栓连接;立柱工字钢与地面连接,采用预埋0.6×0.9m 的2cm厚钢板,与立柱工字钢焊接,并另附4块加强钢板焊接。
2.1.5龙门架基础每个基础的断面形式为 1.2m×1.2m×1.2m现浇C25混凝土,在基础中预埋钢板,以便于立柱与基础的连接,钢板厚度20mm,平面尺寸为900mm×600mm,在预埋钢板上焊接3根直径?25钢筋,钢筋长度为 2.3m。
钢筋与钢板的焊接应当牢固、饱满。
2.1.6电葫芦修理平台平台宽度不小于 1.5m,木板满铺,用铅丝绑牢,不许有探头板,设置护栏,并挂设安全护网;搭设电葫芦操作平台采用L100×80角钢,平面尺寸1m×2m,栏杆高度1.4m,水平护栏不少于3道。
自升式龙门架安装方案一、工程概况:工程名称:天河瑞景11-19#楼建设单位:合肥城改涡阳置业发展有限公司设计单位:安徽环宇建筑设计院监理单位:安徽环宇监理有限公司建筑地点:涡阳县花都大道与刘西路交口本工程建筑面积约为22222m2,为钢筋混凝土框架结构,地上主楼5+1层,层高为3m,总高为18m。
根据工程的具体情况,选用9台自升式龙门架升降机。
安装前准备工作:(一)安装场地要求1、安装于现浇钢筋砼地库顶板上,龙门架基础位置在地下室顶板下采取加固措施,用Ø48*3.0钢管搭设成3米*3米扣件式钢管支撑体系,支撑立管采用U托顶起,并与顶板顶紧,支撑间距纵横向均设为500mm,步距1000mm。
2、在顶板上浇筑规格为4500mm×1000mm×200mm的混凝土基础上,预埋基础螺栓,水平度偏差不大于10mm。
(二)安装作业前检查的内容1、金属结构应成套。
2、提升机构应完整良好。
3、电气设备应齐全可靠。
4、基础位置和做法符合要求。
5、附墙架连接埋件的位置应正确,并埋设牢靠。
(三)安装人员岗位责任制安装人员必须经过上级有关部门进行安全培训,考试合格后,持证方可操作。
二、安装中的技术及安全要求1、立柱兼做导轨架,为吊篮运行滚轮的轨道,其标准节接头处台阶偏差应小于0.8mm,安装时必须注意调整。
2、立柱全高的垂直度偏差应小于高度的1/400。
3、各标准节间连接螺栓必须固紧,严禁扩孔和开孔,更不得漏装或以铁丝代替。
4、高空安装作业人员务必系好安全带,门架下和立柱周围2米以内禁止站人,以防物件跌落伤人。
5、四级风以上禁止安装作业。
6、提升机的金属结构及所有电气设备的金属外壳应做保护接零,其接地电阻不应大于10Ω.电控箱应放置在干燥和无淋雨处。
7、卷扬机必须做重复接地,接地电阻值,不应大于10Ω,接地装置的选择应符合GBJ232的规定。
8、龙门架附墙架的设置,其间隔一般不大于9m。
且建筑物顶层必须设置一组。
龙门架安装方案1. 方案背景龙门架是一种用于支撑和移动重型机械设备的结构,广泛应用于工业领域。
本文旨在提供一种龙门架安装方案,以确保安装过程安全、高效,并最大限度地减少潜在风险。
2. 安装前准备在开始安装龙门架之前,需要进行以下准备工作:- 确定安装位置:根据实际需求和工作环境,选择合适的位置安装龙门架。
- 确定安装方式:根据龙门架的结构和尺寸,确定安装方式,例如地面固定或墙壁固定。
- 准备所需材料和工具:根据龙门架的规格和安装要求,准备好所需的材料和工具,例如螺栓、螺母、扳手等。
3. 安装步骤3.1 安装基坑- 根据龙门架的尺寸和要求,挖掘合适的基坑,并确保基坑的深度和宽度符合设计要求。
- 清理基坑,并确保基坑底部平整、无杂物。
- 在基坑底部浇筑混凝土,以增加基坑的稳定性和承载能力。
3.2 安装龙门架立柱- 根据安装位置和设计要求,将龙门架立柱放置在基坑中,并使用水平仪进行调整,确保立柱垂直。
- 使用螺栓将立柱与基坑固定,确保稳定性和安全性。
3.3 安装龙门架横梁- 将龙门架横梁放置在立柱上,并使用水平仪进行调整,确保横梁水平。
- 使用螺栓将横梁与立柱连接,确保稳定性和安全性。
3.4 安装龙门架配件- 根据龙门架的设计和要求,安装配件,例如导轨、滑块等。
- 确保配件安装正确,并且能够顺畅运行。
4. 安装后检查安装完成后,进行以下检查以确保龙门架安装正确和稳定:- 检查龙门架立柱和横梁的连接是否牢固。
- 检查龙门架是否垂直和水平。
- 检查龙门架配件是否安装正确,并能够正常运行。
5. 安全注意事项在进行龙门架安装过程中,务必注意以下安全事项:- 使用合适的个人防护装备,例如安全帽、手套、安全鞋等。
- 在安装过程中,严禁站在龙门架上方或下方,以防止意外伤害。
- 在使用工具时,要确保工具的安全性和正确使用方法。
- 在安装过程中,严禁超负荷使用龙门架,以免造成结构损坏或人员伤害。
以上是一份龙门架安装方案的详细描述,包括安装前准备、安装步骤、安装后检查以及安全注意事项。
工程龙门架安装施工方案一、工程概述本工程为一处规模较大的工业企业厂房,需要进行工程龙门架的安装。
工程龙门架是一种用于吊装和悬挂重物的设备,通常安装在工厂、仓库等场所,用于提高货物的装卸效率和安全性。
本工程的工程龙门架需要安装在生产车间内,用于搬运和堆放重型机械设备。
二、安装前准备1. 工程龙门架清点在安装工程龙门架前,需要对购买的设备进行清点,确保设备完整无损。
清点时,需要检查龙门架主梁、横梁、电机、电气控制箱等部件,确保一切正常。
2. 选址测量选取适宜的安装位置。
测量工程龙门架的安装位置及周围环境,确保安装位置符合安全要求和施工需要。
3. 基础准备在选址测量合适的位置后,需要对基础进行准备。
根据工程龙门架的规格和要求进行基础的浇筑和加固,确保基础牢固稳定、符合规范。
4. 施工计划制定详细的施工计划,包括安装顺序、安装工艺、安装时间、人员配备等,确保施工有条不紊。
三、安装工艺1. 安装主梁首先需要安装工程龙门架的主梁,主梁是整个工程龙门架的主体结构,安装过程需要借助起重设备,将主梁逐个吊装至预定位置。
2. 安装横梁在主梁安装完成后,需要安装横梁。
根据设计要求和工艺流程,将横梁逐个安装至主梁上,确保横梁与主梁的连接牢固。
3. 安装电机及电气控制箱安装工程龙门架的电机和电气控制箱,接线调试工作。
4. 安装滑轮及钢丝绳将滑轮和钢丝绳安装于龙门架上,确保安装过程中滑轮与钢丝绳的连接牢固、运转灵活。
5. 安装安全设施安装防护装置、限位装置、安全检测装置等安全设施,确保工程龙门架在使用过程中安全可靠。
6. 调试检测安装完成后进行调试检测工作,确保设备各项功能正常、安全可靠。
四、安装后的清理清理安装现场,收集并处理施工中的垃圾和废料,保持安装现场的整洁。
五、安全质量监督在安装工程龙门架的整个过程中,对施工人员进行安全教育培训,强化安全责任意识,确保施工过程安全可靠。
严格按照设计图纸和施工工艺进行施工,严格按照相关规范对设备进行安装、调试和检测,确保安装质量。
龙门架安装施工方案一、工程简况本工程为四层带地下室砖混结构住宅楼建筑。
该建筑呈长方形布置,4#楼纵向长度68 M,横向宽度为11M(加前后阳台宽度为1.8+1.5=3.3M);5#楼纵向长度63.14 M,横向宽度为11M(加前后阳台宽度为1.8+1.5=3.3M);该建筑层高均为2.8M,女儿墙高度0.9M,建筑檐高为12.1M,室外地坪负1.05M。
二、设置要求1、平面布置根据该工程需要,设4#5#楼分别为两台龙门架,具体设置位置见平面图布置。
2、该工程龙门架,使用新疆天一建工集团机械租赁公司提供的托福牌龙门架,架体安设总高度为18M。
3、龙门架基础设置与施工:按疆天一建工集团机械租赁公司提供龙门架底座大样和基础地脚螺栓进行设置龙门架基础,基础采用C20混凝土现浇,预埋架体地脚螺栓,基础设置深度为800㎜。
基础土方开挖至原土层上,采用分层夯实回填至基础底标高,并采用水准仪抄平,同时设置基顶标高水平控制桩。
架体地脚螺栓位移控制,可采用φ12废钢筋进行点焊成长方形框架,以可直接将地脚螺栓上在架体上,但必须先将架体水平固定在待浇筑的基坑上,随砼浇筑再固定地脚螺栓,并用水准仪抄平。
4、龙门架基础浇筑后养护3天即可架立标准节。
三、龙门架施工方案:1、安装与拆除:1)安装与拆除作业前,根据现场工作条件及设备情况编制施工方案,对作业人员进行技术交底,确定指挥人员,划定安全警戒区域并设监护人员,排除作业障碍。
2)安装作业前应对以下内容进行检查:①金属结构的成套性和完好性。
②提升机构是否完整良好。
③电气设备是否齐全可靠。
④基础位置和做法是否符合要求。
⑤附墙架连接埋件是否位置正确和埋设牢固。
3)拆除附墙架前,应先设置临时支撑,确保架体的自由高度不得大于2个标准节。
4)拆除龙门架天梁时,应先分别对两主柱采取稳固措施,保证单柱的稳定。
5)拆除作业中严禁从高处向正抛掷物件。
6)拆除作业时应先挂好吊具,拉紧起吊绳,使架体呈起吊状态,再解除底脚螺栓。
一、工程概况龙门架作为一种重要的建筑施工辅助设施,广泛应用于建筑、桥梁、隧道等工程中。
为确保龙门架的安全稳定,特制定本专项计算方案。
1. 工程名称:XX工程项目2. 工程地点:XX市XX区3. 龙门架类型:XX型4. 龙门架使用年限:XX年二、计算依据1. 《钢结构设计规范》(GB 50017-2003)2. 《建筑施工安全规范》(JGJ 59-2011)3. 《建筑施工起重机械安全技术规程》(JGJ 33-2012)4. 龙门架生产厂家提供的技术资料三、计算内容1. 龙门架结构设计计算2. 龙门架稳定性计算3. 龙门架抗风计算4. 龙门架安全系数计算四、计算方法1. 龙门架结构设计计算根据《钢结构设计规范》和龙门架生产厂家提供的技术资料,对龙门架的结构进行设计计算。
主要包括以下内容:(1)龙门架主梁、立柱、横梁等主要构件的截面尺寸、材料强度、刚度等参数计算;(2)龙门架连接节点的设计计算,包括螺栓、焊接等连接方式;(3)龙门架的支撑系统设计计算,确保龙门架在施工过程中的稳定。
2. 龙门架稳定性计算根据《建筑施工安全规范》和《钢结构设计规范》,对龙门架的稳定性进行计算。
主要包括以下内容:(1)计算龙门架在垂直、水平方向上的稳定性;(2)计算龙门架在风力作用下的稳定性;(3)计算龙门架在地震作用下的稳定性。
3. 龙门架抗风计算根据《钢结构设计规范》和《建筑施工安全规范》,对龙门架在风力作用下的抗风性能进行计算。
主要包括以下内容:(1)计算龙门架在静风作用下的抗风性能;(2)计算龙门架在动风作用下的抗风性能;(3)计算龙门架在复杂风场条件下的抗风性能。
4. 龙门架安全系数计算根据《建筑施工安全规范》和《钢结构设计规范》,对龙门架的安全系数进行计算。
主要包括以下内容:(1)计算龙门架在正常使用条件下的安全系数;(2)计算龙门架在极限状态下的安全系数;(3)计算龙门架在各种异常情况下的安全系数。
五、计算结果分析1. 对龙门架结构设计计算结果进行分析,确保结构强度、刚度和稳定性满足设计要求;2. 对龙门架稳定性计算结果进行分析,确保龙门架在各种工况下具有足够的稳定性;3. 对龙门架抗风计算结果进行分析,确保龙门架在风力作用下的安全性能;4. 对龙门架安全系数计算结果进行分析,确保龙门架在各种工况下的安全使用。
龙门架安装施工方案龙门架是一种用于吊装重物的设备,广泛应用于工业和建筑行业。
下面是一份龙门架安装施工方案的参考,该方案包含了安装前的准备工作、具体的安装步骤和注意事项。
一、安装前的准备工作1. 确定安装地点。
根据工程图纸和现场实际情况,选择合适的安装地点。
2. 准备所需材料和工具。
包括龙门架、螺栓、螺母、角钢、钢板、焊接机等。
3. 安全措施。
在施工前,要确保施工现场没有障碍物和安全隐患,并准备好必要的安全防护措施,如安全帽、防护眼镜、手套等。
二、具体的安装步骤1. 将龙门架放置在安装地点。
根据工程图纸要求,确定龙门架的位置,并使用角钢将其固定在地面上。
2. 进行焊接。
根据工程要求,将龙门架的各个部分进行焊接,并检查焊接质量是否合格。
3. 安装螺栓和螺母。
将螺栓放置于焊接好的龙门架上,并使用扳手将螺母固定在螺栓上。
需要注意的是,螺栓和螺母要紧固牢固,以确保龙门架的稳定性。
4. 安装钢板。
根据工程图纸要求,将钢板固定在龙门架上,并使用螺栓将其牢固地连接在一起。
5. 检查安装质量。
在安装完成后,需要对安装质量进行检查,确保龙门架的稳定性和安全性。
6. 进行试运行。
在安装完成后,进行一定的试运行,检查龙门架是否正常运行,是否有异常情况发生。
三、注意事项1. 安装前要对安装地点进行勘察,确保地面平整稳固,能够承受龙门架的重量。
2. 安装过程中要使用合适的工具,并严格按照工程图纸要求进行操作,不得随意修改。
3. 在进行焊接时,要注意焊接质量,确保焊接牢固。
4. 在安装螺栓和螺母时,要确保紧固牢固,以防止松动。
5. 在试运行过程中,要注意观察龙门架的运行情况,如发现异常情况及时停机进行检修。
6. 安装完成后,要做好设备保养和维护,定期检查和清洁设备,保证设备的正常运行和寿命。
总结:龙门架的安装施工方案是一个复杂的工程,需要严格按照工程图纸和安全措施进行操作,确保安装质量和安全性。
以上是一个参考的安装施工方案,具体的安装过程和注意事项还需根据实际情况进行调整和补充。
龙门架的安拆方案一、工程概况本工程为鄂尔多斯市亿兆家园4#住宅楼,结构类型为:砖混结构,地上六层带阁楼。
位于鄂尔多斯市东胜区。
根据本工程的实际垂直运输情况,采用两台龙门架。
二、龙门架的安装根据工程的特点及建筑物的总高度决定采用23米高的龙门架。
安装前要先检查龙门架金属结构的成套性和完好性。
检查提升机构完整的良好性,检查卷杨机的机电气设备是否齐全可靠和对龙门架基础的地基按设定的位置、标高、进行地基夯实,夯实后的承载力要大于80kpa。
浇筑C20混凝土基础底座,基础长×宽×厚= 4000×1300×300两台龙门架,基础混凝土密实,表面平整水平度偏差不大于10mm,并做好基础的排水工作。
龙门架在竖立前要做好组装和就位工作,装好起重滑轮组,系好起重绳。
用梢径不小于8cm的杉木进行加固,增加立杆的刚度。
准备好竖立龙门架用的辅助扒杆及辅绳轮系统、地锚装置,览风绳和起重机具等,并把拨杆先立起来。
所有准备工作完成后要进行全面详细检查,确认安装无误可靠后进行试起板,并对所有机构(绳、轮、地锚、起重机具、缆绳等)和龙门架体的加固状况再进行一次检查,确无异常时才能正式起板。
竖立的时候先将龙门架下端置于安装点,用辅助扒杆吊起龙门架,使它绕着下端支点转动。
在升降平面内和垂直升降平面的方向,必须随时用缆风绳把龙门架拉住,当升起与地面差70° ~80°时(角度);即可收紧缆风绳,把龙门架竖立起来,辅助扒杆的高度一般应为龙门架高度的2/3以上(最低不小于1/2)。
安装架体时应先将架体的地梁与基础连接牢固,每安装2个标准节(一般不大于8m)应采取临支撑固定,并进行初步校正,确认稳定时方可继续作业。
安装龙门架时,两边立柱交替进行,每安装2节除将单肢柱进行临时固定外,尚应将两立柱横向连接一体。
架体各节点的螺栓必须紧固,螺栓应符合孔径要求,严禁扩孔和开孔,更不得漏装以铅丝代替。
111龙门架施工方案工程名称:施工单位:编制人: 编制时间: 审核人: 审核时间:目录一、工程概况 (3)一、荷载计算 (3)二、龙门架内力计算 (3)三、龙门架截面验算 (4)四、缆风绳受力计算 (6)一、工程概况工程名称:111地址:结构类型:计划工期:施工面积:m2总高度:m层数:标准层高:m一、荷载计算1.吊篮或吊盘自重力G=k(Q+q)=1.2×(.5+8)=10.2kN2.提重物时滑轮组引起的钢丝绳拉力S=f0×G=.00052×10.2=5.304kN3.龙门架自重G0=9kN4.风荷载为Qw=.45kN/m5.每根揽风绳的自重力其中Ts ──每根缆风绳自重力产生的张力(kN);q ──缆风绳单位长度自重力,取0.008kN/m;l ──每根缆风绳长度,H/cosθ确定(m);H ──缆风绳所在位置的相对地面高度(m);θ──缆风绳与井架的夹角;w ──缆风绳自重产生的挠度(m),取w=l/300。
经过计算得到由上到下各道缆风绳中单根绳的自重力分别为H1=40.00m —— Ts1=16.97kN;H2=20.00m —— Ts2=8.49kN;二、龙门架内力计算龙门架的内力计算主要是立柱的计算1. 揽风绳与龙门架连接点的截面轴向力计算经过计算由上至下揽风绳与龙门架各截面连接点的轴向力分别为第1道H1=40.00mN1=16.97+[10.20+5.30+0.36×(25.00-40.00)]/2=22.02kN第2道H2=20.00mN2=25.46+[10.20+5.30+0.36×(25.00-20.00)]/2=34.11kN2. 缀条的内力计算斜缀条的内力按下式计算水平缀条的内力按下式计算式中V──截面总剪力,取计算剪力与实际剪力中的较大者,计算剪力由下式计算:A──全部柱肢的毛截面面积(mm2)缀条计算剪力V=205.00×5720.00×(205.00/235)0.5/85=12884.69N=12.88kN实际剪力V3=0.45×500.00×25000.00/(2×1000)=2.81kN由上至下揽风绳与龙门架各截面连接处,缀条实际剪力以及轴力:第1道H1=40.00m斜缀条N1=12.88/(2×sin45.00°)=9.11kN横缀条N1=12.88/2=6.44kN第2道H2=20.00m斜缀条N2=12.88/(2×sin45.00°)=9.11kN横缀条N2=12.88/2=6.44kN三、龙门架截面验算1. 格构式构件强度按下式验算第1道H1=40.00mσ2=22022.55/11440.00+1000000.00/1106689.28+0.00/1106689.28=2.83N/mm2计算强度小于205N/mm2,满足要求!第2道H2=20.00mσ1=34107.83/11440.00+1000000.00/1106689.28+0.00/1106689.28=3.89N/mm2计算强度小于205N/mm2,满足要求!2. 格构式构件整体稳定性验算先根据立柱截面特征按下式计算几何特征:经过计算,立柱的折算长细比λox=116.97构件稳定系数由折算长细比,由λox查表得:φx=0.4530根据下式验算构件整体稳定性:式中N──所计算段范围内的轴心压力(N)φx──弯矩作用平面内的轴心受压构件稳定系数,由换算长度比确定M x──所计算构件段范围内的最大弯矩(N.mm)W1x──弯矩作用平面内较大受压纤维的毛截面抵抗矩,计算得:W1x=4426757.12mm3N Ex──欧拉临界力N Ex=9.87×2.1×105×4290.00/116.972=1733.13kNE──钢材弹性模量,取2.1×105N/mm2经过计算由上至下揽风绳与龙门架各截面连接处强度分别为第1道H1=40.00mσ1=22022.55/(0.45×11440.00)+1000000.00/[4426757.12×(1-0.45×22022.55/1733133.98)]=4.48N /mm2计算强度小于205N/mm2,满足要求!第2道H2=20.00mσ2=34107.83/(0.45×11440.00)+1000000.00/[4426757.12×(1-0.45×34107.83/1733133.98)]=6.81N /mm2计算强度小于205N/mm2,满足要求!3. 缀条的稳定性和刚度按下式验算经过计算由上至下揽风绳与龙门架各截面连接处第1道H1=40.00m斜缀条σ1=9110.85/(0.87×1430.00)=7.32N/mm2计算强度小于205N/mm2,满足强度要求!λ=46.52不大于允许长细比150满足刚度度要求!横缀条σ1=6442.34/(0.93×1430.00)=4.87N/mm2计算强度小于205N/mm2,满足强度要求!λ=32.89不大于允许长细比150满足刚度度要求!第2道H2=20.00m斜缀条σ2=9110.85/(0.87×1430.00)=7.32N/mm2计算强度小于205N/mm2,满足强度要求!λ=46.52不大于允许长细比150满足刚度度要求!横缀条σ2=6442.34/(0.93×1430.00)=4.87N/mm2计算强度小于205N/mm2,满足强度要求!λ=32.89不大于允许长细比150满足刚度度要求!4. 立柱中单根立杆的稳定性和刚度按下式验算经过计算由上至下揽风绳与龙门架各截面连接处第1道H1=40.00mσ1=22022.55/(0.93×5720.00)=4.16N/mm2计算强度小于205N/mm2,满足强度要求!λ=32.89不大于允许长细比150满足刚度度要求!第2道H2=20.00mσ2=34107.83/(0.93×5720.00)=6.45N/mm2计算强度小于205N/mm2,满足强度要求!λ=32.89不大于允许长细比150满足刚度度要求!四、缆风绳受力计算缆风绳拉力设计值选取各支点力水平分力最大值作为设计依据,绳拉力最大设计值为Fg=15.00/sin45.00°=21.21kN缆风绳的允许应力按下式计算其中[Fg]──缆风绳的容许拉力(kN);Fg──缆风绳的钢丝破断拉力总和(kN);计算中可以近似计算Fg=0.5d2,d为缆风绳直径(mm);α──缆风绳之间的荷载不均匀系数,取0.82K──缆风绳使用安全系数,取0.55经过计算: [Fg]=31.63kN缆风绳的最小直径必须大于7.95mm,才能满足要求。
目录一、编制依据............................................... - 2 -二、施工简介............................... - 2 -三、龙门架的主要构件及附属设施 ............................. - 2 -四、安装准备工作........................................... - 2 -1、材料的准备 (2)2、机械与机具的准备 (3)3、安装的现场准备 (3)五、安装施工人员配备....................................... - 3 -六、施工进度度安排......................................... - 3 -七、龙门架安装工艺流程..................................... - 4 -八、电动葫芦的安装及线路的布设 ............................. - 5 -1、电动葫芦的安装 (5)2、线路布设 (5)九、龙门架安装质量要求..................................... - 5 -十、龙门架安装的安全注意事项 ............................... - 5 -附件一龙门架结构验算书................................... - 6 -附件一龙门架结构验算书附件二竖井龙门架架立图一、编制依据⑴《浙江光彩国际商务大厦地下车库通道工程施工图设计》(2010年3月)⑵《泛海国际中心地下车库通道工程实施性施工组织设计》⑶《建筑机械使用安全技术规程》(JGJ33-2001)⑷《建筑施工安全检查标准》(JGJ59-99)⑸《建筑施工高处作业安全技术规范》(JGJ80-91)二、施工简介施工竖井平面为矩形,开挖截面尺寸12.40 m(长)×5.20m(宽),开挖深度12.35m。
黄金校区后勤办公楼龙门架安装专项施工方案编制:职务:职称:审核:职务:职称:批准:职务:职称:江西省筑工程公司二00五年六月十八日办公楼工程龙门架安装与拆除专项施工方案办公楼工程,框架四层,座落于学院黄金校区,根据该项目的《施工组织设计》安排一台龙门架(附着式)作为垂直运输工具。
安装位置见施工平面图。
1.门架的构造和特点1.1构造龙门架,是由两根主柱及天轮梁(横梁)构成的门式架,在龙门架上装设滑轮﹑导轨﹑吊盘﹑附墙杆﹑安全装置等和卷扬机配套构成完整的垂直运输体系。
1.2特点该龙门架构造简易,制作容易,用材少,装拆方便,适用本项目建筑工程。
2.门架的附属装置包括吊盘﹑滑轮装置﹑导轨﹑附墙杆等辅助设施。
2.1吊盘是装载物料沿升降导轨作上下运行的部件。
由型钢及连接板焊制而成框架,底板铺50MM厚的木板。
吊盘两侧应有高度不低于1M的档板或挡网,上料口设防护门。
2.2滑轮装置装在天梁上的滑轮叫天轮,有本项目使用的天轮用悬吊式;装在架体底部的滑轮叫地轮。
2.3导轨是垂直运输架不可缺少的一个组成部分,形式多样,取材广泛。
本项目龙门架的导轨采用架体双滑道。
2.4附墙杆是确保架体自身稳定的部件。
因为架体在使用过程中,除去竖向负荷由架体传到基础外,因风力及吊盘偏重,将这些不稳定的水平力传递给建筑物。
规定每隔9米设一组墙杆,顶部必须设一组﹑自由高度不大于6米;附墙杆必须是刚性连接﹑不能与脚手架连接。
3.安全装置为确保龙门架在使用中的安全,必须设有较完善的安全装置。
安全装置主要有:3.1吊盘安全门拦:主要作用是为了防止在垂直运输过程中,因吊盘晃动使吊盘内的车辆﹑材料坠落伤人,以及防止吊盘升到接料楼层高度﹑运料人员上吊盘落下,自动起启闭。
3.2安全停车装置(也称停层装置):它是保证吊盘在高空固定位置,使上吊盘的运料人员安全的可靠设施。
该装置的形式很多,有托架托杠式,弹簧支架式和鹅头式停车器。
3.3吊盘防坠装置(也称断绳保护装置):主要防止吊盘运行过程中发生起升钢丝绳折断,吊盘坠落事故。
龙门架安装及施工方案根据本工程施工需要安装自升龙门架二台,特制定以下安装及施工方案:一、龙门架、卷扬机必须有生产大家产品合作证及使用证书。
二、龙门架必须由专业技术人员安装。
三、基础土层的承载力夯实后不小于8T/㎡,浇筑C20砼,厚度大于300㎜,基础表面平整,水平误差不大于10㎜,基础有防水措施。
四、安装架体时应先将地梁与基础连接牢固。
架体垂直度偏差不超过总高度的1/400,滑轨间距误差小于1厘米,附墙架设置间距不超过9米,附墙架与架体及建筑结构之间均采用钢性连接,并形成稳定结构,附墙体与架体的连接应牢固,钢管与钢管之间用扣件连接。
五、龙门架安全防护设施应齐全,灵活可靠:(1)安全停靠装置应能可靠地承担吊篮自重,额定荷载及运料人员和装饰物料的工作荷载。
(2)各楼层的通道口处,应设置常闭的停靠、栏杆(门),其强度应能承受1KN/m 水平荷载。
(3)吊篮的上料口处应装设安全门,升降运行时安全门封闭吊篮的上料口,防止物料从吊篮中滚落。
(4)上料口防护棚应设在提升机架体地面进料口上方,其宽度应大于提升机的最外部尺寸,其材料强度应能承受10KgPa的均布静荷载。
(5)上极限限位器应安装在吊篮允许提升的最高工作位置,当吊篮上升达到限定高度时,限位器即行动作,切断电源或自动报警。
(6)紧急断电开关应设在位于司机操作的位置,在紧急情况下,应能及时切断提升机的总控制电源。
六、卷扬机应安装在平整坚实位置,同时宜远离危险作业区,并应搭设操作棚,操作棚搭设应防雨、防晒、防坠物、视线清楚。
固定卷扬机座的锚桩应牢固可靠,卷筒与钢丝绳直径的比值应大于30倍,提升钢丝绳不得采用编结接长的钢丝绳,在卷筒上应按顺序整齐排列,当吊篮处于工作最低位置时,卷筒上的钢丝绳应不小于3圈,钢丝绳应经常润滑,不得锈蚀,运行中应架起,使之不拖地面和被水浸泡,并砌筑沟槽加以保护,严禁在钢丝绳穿行的区域内堆放物料。
第一个导向轮距卷筒距离大于15m,卷筒上有防滑脱装置。
龙门架安装施工方案一、编制依据1、龙门架及井架物料提升机安全技术规范JGJ88-92;2、建筑施工扣件式钢管脚手架安全技术规范JGJB-2001;3、《建筑施工安全检查标准》JGJ59-99以及强制性条文。
二、工程概况以及安装条件金湖二桥跨越金湖县县城西北的淮河入江水道,桥梁大致呈南北走向。
淮河入江水道是淮河洪水排泄入江的主要通道,桥位处的入江水道河口宽约3220m,为规划III级航道,通航净空为70×7m,最高通航水位为12.3m。
全桥桥跨布置由南向北为:8×35m(组合箱梁)+18×40m(组合箱梁)+(48+80+48)m(变截面连续箱梁)+16×40m(组合箱梁)+37×35m(组合箱梁)+45(预应力T 梁)+8×35m(组合箱梁),共18联,计91跨,桥梁总长3442m,起讫桩号为K4+900.920~K8+343.200。
在南、北预制梁场各架设龙门架两台,其中大龙门架用于箱梁的出坑起吊,小龙门架用于箱梁模板的安装、拆除以及浇筑,安装高度为10m,设计载重量为170T。
三、龙门架安装1、安装前,检查的内容包括:①金属结构的成套性和完好性;②提升机构是否完整良好;③电气设备是否齐全可靠;④基础为止和做法是否符合要求;⑤地锚位置是否合理且埋设牢靠;⑥提升机的架体和缆风绳的位置是够靠近或跨越架空输电线路。
2、首先检查地基是否符合规范要求,龙门架的基础应符合以下4个要求:①土层压实后的承载力应不小于80kpa;②浇筑C20混凝土厚度300mm;③基础表面应平整,水平偏差不大于10mm;④基础四周应有排水措施,不得有积水浸泡基础。
3、检查龙门架的直线度,要求新制作的提升机,架体安装的垂直偏差最大不应超过架体高度的0.15%,使用多次的提升机,在重新安装时,其偏差不应超过0.3%,并不得超过200mm;导轨对接点的错位差不能大于1.5mm。
组合龙门架安装方案一、工程概况;移动安装龙门架,由钢制立柱及横梁等附件组成承载框架 ,通过框架底座平台安装有试验室水池底部预埋的螺栓定位固定。
龙门架主梁上可布置冲击载荷试验装置。
龙门架便于拆解移动,试验时可移动至其他试验场地。
其外形尺寸为 18.04 米*6.2 米*12.68 米(长*宽*高). 最大部件单重为 21.3 吨。
施工工期:15 个日历天〔如因甲方吊车无法准时到位,影响工期,则工期顺延〕。
二、龙门架组装施工重难点分析本次龙门架吊装施工重难点为,安装定位测量,吊装中保护措施。
龙门架部件进场运输节段进场路线。
龙门架安装节段在车间内制作,检验完成经甲方监理同意后运输,而龙门架中最大部件尺寸为 18.04 米*1.06 米*1.6 米(长*宽*高),重量为 20.83 吨,加工场地与工程所在地只有 25 大路的路程,经过现场考察,完全满足运输要求。
龙门架的运输公司将选择运输力量强、信誉良好且和我公司长期合作的运输单位来担当运输工作,确保龙门架的运输。
装卸方案及加固方案:装卸方法是保障部件运输安全的重要措施,而加固捆扎是保证部件安全的重要环节,因此为使本次工程的全部部件安全、完整的运输至施工现场,经过公司细心计算及验证,拟承受以下措施装载、加固;1、装载结合本次工程运输的部件尺寸及重量相对应的选择车型进展装载,在部件装车前必需在装载车辆的平板与部件相接触的位置铺设垫木以防止部件在运输过程中与车辆平板发生摩擦。
2、加固加固捆扎是保证部件安全的重要环节,为使部件顺当的到达施工现场,所以在运输途中使用手动葫芦及钢丝绳部件和装载车辆的平板〔大梁〕之间进展锁定,以确保部件运输的稳定性及安全。
3、临时支撑、工装、设备的运输临时支撑、工装、设备在钢构造件运输前承受一般货车全部运输到施工现场,施工完后,按要求准时撤除并运输回厂。
4、运输作业安全指导(1)一般安全技术措施1)运输专职技术负责人在运输前向参与运输全体人员,认真细致的运行运输措施交底,无措施或未交底,严禁布置运输作业;2)全部参与运输人员,在现场应戴安全帽;3)凡参与运输人员,要明确责任,严禁多人指挥,指挥信号应清楚、醒目、明确;4)凡用于运输的车辆、机具、绳索、器材等,在做预备工作时,应具体检查、调试及修理,由专职质检员和安全员共同鉴定,确认合格前方可使用。
龙门架施工方案目录一、工程概况二、龙门架结构形式三、龙门架安装施工四、安全注意事项一、工程概况本标段设计桩号3+741至4+391长度650m,隧道断面结构为×,共设干线检查井5座,分别为1#、2#、3#、4#、5#矩形人孔井,矩形通风井2座,支线井1座;二、龙门架结构形式龙门架结构形式龙门架采用2跨结构,全长12m,其中土仓部位长6m,竖井部位长6m;宽;高6m。
每座竖井配置1台5吨电葫芦;1个××的土斗,土斗使用1cm厚钢板制作;土仓末端距离行走梁位置设置修理平台,修理平台使用10#槽钢、Φ32钢管和大板搭设;龙门架上方使用∟40角钢和围挡板搭设防雨棚。
龙门架的行走梁采用I30b工字钢,承重横梁、立柱均采用I28b工字钢;土仓部位距离地面和处增加25#工字钢,与立柱焊接,外附2cm厚钢板;竖井部位立柱之间使用14#槽钢焊接剪刀撑;龙门架纵向和两端横向使用14#槽钢焊接纵撑和横撑,支撑交叉位置采用钢板焊接;龙门架工字钢与工字钢之间连接,在工字钢上焊接×的2cm厚钢板,使用Φ20mm的螺栓连接;立柱工字钢与地面连接,采用预埋×的2cm厚钢板,与立柱工字钢焊接,并另附4块加强钢板焊接。
龙门架基础每个基础的断面形式为××现浇C25混凝土,在基础中预埋钢板,以便于立柱与基础的连接,钢板厚度20mm,平面尺寸为900mm×600mm,在预埋钢板上焊接3根直径25钢筋,钢筋长度为。
钢筋与钢板的焊接应当牢固、饱满。
平台宽度不小于,木板满铺,用铅丝绑牢,不许有探头板,设置护栏,并挂设安全护网;搭设电葫芦操作平台采用L100×80角钢,平面尺寸1m×2m,栏杆高度,水平护栏不少于3道。
1)检修平台在提升架上设电葫芦简易检修平台,检修平台未设置栏杆,在进行检修作业时,应按高空作业要求进行,必须佩带保险绳。
另外,本检修平台承载力较低,检修人员不超过两人,检修用工具重量不超过10Kg。
2)爬梯及挡土撑在龙门架立柱上焊接φ20的圆钢作爬梯踏步,间距300mm,圆钢与立柱工字钢两翼焊牢。
为方便堆土和出土,在堆土跨距立柱底,和处立柱内侧各设一道挡土撑,挡土撑采用I14。
图—1 柱脚部位做法图—2龙门架基础图图—3龙门架立面图图—4龙门架剖面图龙门架结构验算龙门架的受力为集中荷载且沿着大梁移动,行梁采用I30b工字钢,为了偏于安全计算按照最不利的简支梁受力方式进行。
主要荷载如下:土斗自重:1×1×5=5m3×m2=×10≈4KN土方重量:1m3×2t/m3≈2000kg×10=20KN电葫芦重量:≈9KN合计:33KN。
故集中荷载取F=20+4+9=33KN。
根据过去的施工经验,可选用I30b工字钢行走梁进行强度和稳定性验算。
梁跨度为6m、6m,荷载为33KN,工字钢比重为m,强度和稳定性验算如下:(1)内力计算电葫芦荷载考虑的动力系数,最大弯矩设计值:Mmax=(1/8*q*L2+1/4*F*L)=*1/8**62+**1/4*33*6=·M支座最大剪力值:Vmax=*L+***F=**6+**1*33=(2)抗弯强度验算提升架为临时施工结构,重要性系数取。
查表GB/T706-2008中热轧工字钢截面特性表,可知Wx=627×103mm3σ=×Mmax/ Wx=××106/627×103=114N/ mm2<f=215 N/ mm2故强度满足要求。
(3)抗剪强度验算查表GB/T706-2008中热轧工字钢截面特性表,可知Ix=9400cm4,Ix/Sx=,tw=τ=×Vmax×Sx/Ix×tw=××103) ×1/×=164N/mm2<f=215 N/ mm2故强度满足要求。
(4)稳定性验算计算大梁受压翼缘侧向自由度长度最大值L=6m,与梁宽度的比值L/b=6000/128=>16,必须进行整体稳定性计算。
查表得I30b工字钢的整体稳定性系数Φb=,Φb′=。
×Mmax/Φb′×Wx=σ/Φb′=160N/mm2<f=215 N/ mm2整体稳定性满足要求。
(5)刚度验算E=210×103N/mm2,I=×103cm4v=FL3/48EI=33×103×63×109/48×210×103××107=6mm<6000/300=20mm。
承重横梁采用I28b工字钢,与立柱一起形成框架结构。
为了偏于安全,验算按照最不利的简支梁受力方式进行,横梁计算长度6m,按简支梁计算,弯矩最大为C点。
(1)抗弯强度验算Mmax=××=×××(33+×6)×3=·M查表:GB/T706-2008中热轧工字钢截面特性表,可知Wx=534×103σ=Mmax/ Wx=×106/534×103=78 N/mm2<f=215 N/ mm2故抗弯强度符合。
(2)整体稳定性验算:由于L/b=3000/124=>16,必须进行整体稳定性计算。
查表得I28b工字钢的整体稳定性系数Φb=,Φb′=。
×Mmax/Φb′Wx=σ/Φb′ =78/= N/ mm2<f=215 N/ mm2(3)刚度验算:E=210×103N/mm2,I=×103cm4V=FL3/48EI=×103×63×109/48×210×103××107=<6000/300=20mm立柱采用I28b工字钢,按立柱高度6m进行验算。
计算荷载:立柱所受的竖向荷载主要有:门架梁的自重、行梁的自重、电葫芦的负荷。
八字撑I20工字钢,八字撑可抗行梁对立柱的偏心压力,立柱受力可简化计算,将电葫芦的负荷加在一根立柱上进行计算,该计算结果远大于一根立柱实际受力的计算结果,因而用前一种受荷方式进行验算更加安全。
6m(1)抗压强度计算:公式:σ=N/A≤fNmax=N=,截面面积A=61cm2=×103/61×10ˉ4=×106Pa<f=215Mpa(2)稳定性验算公式:σ=π2E/λ2<f=215Mpa长细比:λx=lαx/h=6/=则:σ=π2E/λ2 =π2210×106/=×106Pa<f=215Mpa三、龙门架安装施工安装前准备项目总工程师及主管工长对操作班组做好岗前培训,确定龙门架施工方法,并做好龙门架安装技术交底工作。
I30a工字钢、I28a工字钢、[14槽钢、20mm厚钢板、16mm厚钢板、8mm厚钢板,Φ22螺纹钢筋等。
作业条件准备(1)根据施工组织设计探明施工现场及临近地方的市政设施情况(包括任何地上、地下管线),并做好改移或拆除工作。
(2)根据临水、临电施工方案,完成临水、临电管网的布设工作,并完成临时道路施工。
(3)组织龙门架施工所用材料,做好存放、保管工作,并认真进行标识。
(4)组织施工机具进场:根据需用量计划,按施工要求,组织施工机械、设备和工具进场,按规定地点和方式存放,并应进行相应的保养和试运转等工作。
龙门架安装吊装立柱→吊装两端横梁→吊装大梁→吊装中横梁→吊装斜撑、水平撑→吊装电葫芦及附属设施安装。
施工过程中也可以采用两端立柱和横梁在地面组装,然后吊装施工,施工顺序如下:地面组装两端立柱和横梁→吊装两端立柱和横梁组合件→吊装中间立柱→吊装大梁→吊装中横梁→吊装斜撑、水平撑→吊装电葫芦及附属设施安装。
施工机械、工机具及要求1)提升架安装机械、工具见下表施工机械、工机具数量表2)施工机械、工机具要求:(1)施工中使用的吊车必须经过检查验收合格,并由技术监督部门频发的准用证。
(2)所使用的钢丝绳必须有合格证,所使用的钢丝绳应无断丝,磨损不超标。
(3)所使用的卡环不得有毛刺、裂纹、尖角、扭曲、变形等缺陷,且销子松紧自如。
(4)所有的测量工具必须经过校验合格后使用,测量数据要考虑校验时的修正值。
龙门架安装(1)测量放线:根据已建立的现场控制测量网,布设龙门架的立柱基础及小室圈梁的位置控制线;龙门架安装方向根据现场实际情况确定。
(2)立柱基础及锁口梁施工:立柱基础及锁口圈梁设计均为矩型的现浇混凝土结构,采用明挖施工。
施工前为确保地下管线的安全,采用在竖井施工范围内人工开挖十字探沟,查清确无管线后再使用机械开挖沟槽。
立柱基础施工工序流程:挖探沟→沟槽开挖→预埋竖井龙门架预埋铁件→支立模板→浇注混凝土→养护→拆模。
(3)立柱与门式横梁焊接及吊装:放出立柱边线,采用16T汽车吊对门式钢架吊装,门式钢架起吊前将吊索具、爬梯、缆风绳等固定在立柱上,门式钢架吊起离地面50cm时应停机检查吊索具是否安全可靠,确认无误后起升到安全高度,移到就位基础上方,缓慢下降,先调整标高、位移,再调整垂直度,就位后,将立柱与预埋铁件焊接,四周满焊,焊缝饱满,焊缝高度不小于最薄钢板厚度。
(4)斜撑、轨道梁安装:在Ⅰ28a立柱顶端焊14mm厚的钢板并预留Φ22的螺栓孔,Ⅰ28a门式钢架连接横梁及Ⅰ30a轨道梁翼缘焊14mm厚钢板并预留Φ22的螺栓孔,四周与工字钢满焊,焊缝饱满,焊缝高度不小于最薄钢板厚度,采用M20的螺栓连接,吊装施工结束后,龙门架各节点螺栓均采用双螺母紧固,并采用电焊电焊然后安装雨棚等附属设施。
(5)屋架安装:采用∟50角钢焊接定型屋架,加焊钢板与轨道梁采用M20螺栓连接;屋架顶面焊40角钢檩条,1mm厚的瓦棱铁采用锚钉锚接(1m×);40×20的方钢与立柱焊接,彩钢板与方钢锚接,封闭高度从龙门架屋面板向下4m高,进行全封闭。
(6)修理平台施工:下面的支撑距地面不得少于5米,以利于铲车的出入。
(7)防腐涂漆处理:龙门架安装前必须先刷漆颜色为橙红色,所有外露铁件均刷防锈漆两道;面漆一道。
整机调试龙门架安装好后,先进行调试,并做吊装试运行。
(1)试车前准备和检查○1检查各紧固件是否牢固,各传动机构是否精确和灵活;金属结构有无变形,钢丝绳绕绳是否正确,绳头捆扎是否牢固。
○2检查提升架的组装是否符合要求。
○3电气设备必须完成下列工作后方可试车。
a用兆姆表检查全部电器系统和所有电气设备的绝缘电阻。
b切断电路,检查操纵线路是否正确和所有操纵设备的运动部分是否灵活可靠,必要时进行润滑。
c用手转动提升架各部件,应无卡死现象。