AZJ-2000使用说明书5(12月12日)
- 格式:doc
- 大小:737.00 KB
- 文档页数:17
2000标准负荷测量仪说明书一、产品简介本说明书介绍了一款名为《2000标准负荷测量仪》的设备,该设备采用高科技测量技术,能够准确、快速地测量各种物体的负荷,广泛应用于工业、农业、交通等领域。
二、设备特点1.高精度:设备采用高精度传感器和算法,测量精度高,误差范围在允许范围内,能够满足不同场合的需求。
2.操作简单:设备界面简洁明了,操作流程简单易懂,无需专业培训即可使用。
3.兼容性强:设备支持多种传感器接口,可以根据实际需求选择不同的传感器进行测量。
4.实时显示:设备实时显示当前测量数据,方便用户观察和记录。
5.存储功能:设备内置存储空间,可以保存大量的测量数据,方便后续分析和利用。
三、使用方法1.连接设备:将设备与相应的传感器连接,确保连接稳定。
2.打开设备:长按开关键,打开设备,屏幕显示当前测量参数和状态。
3.输入参数:根据实际需要输入物体的尺寸、重量等参数,选择相应的测量模式。
4.开始测量:按下开始键,设备开始测量,实时显示数据。
5.结束测量:当测量完成后,设备会自动保存数据,并提示用户关闭。
6.数据查看:用户可以通过设备的显示屏或内置存储空间查看已保存的数据,也可以将数据导出到电脑进行进一步的分析和处理。
四、注意事项1.确保设备连接稳定,避免因连接不良导致测量误差。
2.在进行测量前,请确保被测物体已经清理干净,避免影响测量结果。
3.避免设备受到水淋、潮湿等恶劣环境的影响,以防设备损坏。
4.如遇到任何问题,请及时联系我们的客服人员,我们将竭诚为您提供专业的技术支持和解决方案。
五、售后服务我们为《2000标准负荷测量仪》提供一年的质量保证期。
在质保期内,如出现任何由于设备质量问题导致的故障或损坏,我们将免费维修或更换设备。
此外,我们还将在售后服务时间内及时解答用户的问题,并针对用户的需求提供相应的支持和帮助。
我们承诺会不断提升服务质量和技术水平,以满足用户的需求和期望。
六、用户反馈我们欢迎所有使用《2000标准负荷测量仪》的用户提供宝贵的意见和建议。
防治煤与瓦斯(二氧化碳)突出,WTC仪的使用方法强烈推荐您查看完整版本: [-- 防治煤与瓦斯(二氧化碳)突出,WTC 仪的使用方法--]一、该仪器在“四位一体”防突措施中的作用1、用于区域性和局部性突出危险性预测。
2、用于区域性和局部性突出措施使用后的效果检验。
二、突出危险性预测(1)预测的目的和意义:①保障安全生产判识区域或工作面突出危险性,为预防突出事故提供依据,同时提高安全管理效率。
确定防突措施的有效性;为作业人员进行突出预警。
②提高经济效益:提高防突措施的针对性,减少防突措施工程量,减少防突成本,提高采掘进度,从而在安全的前提下解放生产力,提高矿井经济效益。
(2)预测方法分类①区域性预测:煤层、水平、采区、阶段及局部区域预测。
②工作面预测:采掘工作面预测(点预测)。
(3)预测(效果)钻孔布置①层位: 一般应布置在软分层中。
②孔径:一般多采用∅42mm孔径。
③数量:根据不同煤层产状、不同工作面有所不同:在煤巷掘进工作面对于急倾斜煤层布置2个,倾斜及缓倾斜煤层布置3个。
采面每隔10~15m布置1个;石门工作面一般应布置3-5个。
④范围:控制巷道轮廓线外一定范围内,(2~4m)。
⑤长度:不宜太深,一般为8~10m(石门工作面除外)。
二、钻屑瓦斯解吸指标的测定:①、指标常见形式: K1值(mL/g.min1/2)三、防突考察仪WTC仪器介绍:构成: 主机、煤样罐、组合筛、秒表、弹簧秤、充电器、打印机等。
四、操作方法:①仪器准备:主机及其它器件等。
②其它准备:本子、粉笔、秒表等。
③钻孔布置:钻孔尽量布置在软分层、孔数、钻孔参数等按照设计而定。
④测定:按照WTC操作步骤执行(石门揭煤1m测定一次,其它工作面每2m测定一次)。
⑤记录、显示、预报、打印等。
五、K1指标与突出危险性的关系:K1指标综合反映了瓦斯压力、瓦斯含量、煤的孔隙结构等参数。
大小与瓦斯、煤的物理力学参数、瓦斯解吸特征及测量工艺、环境条件和测定误差等有关。
使用说明书测试成都诚邦动力仪器有限公司目录一、概述------------------------------------------------------------------2二、主要技术指标-----------------------------------------------------22.1接口要求----------------------------------------------------22.2技术指标----------------------------------------------------2三、硬件安装-----------------------------------------------------------33.1C B2000外形示意图-----------------------------------------33.2基地址和中断选择-----------------------------------------33.3插入计算机-------------------------------------------------43.4连接传感器--------------------------------------------------4四、软件操作--------------------------------------------------------------54.1 安装--------------------------------------------------------------54.2 运行--------------------------------------------------------------54.3系统设定--------------------------------------------------------54.3.1 扭矩卡设定----------------------------------------------------54.3.2 工作方式设定-----------------------------------------------------64.3.3 扭矩调零-------------------------------------------------------74.4启动测量-----------------------------------------------------84.5数据处理-----------------------------------------------------84.6退出系统---------------------------------------------------10五、DLL库函数说明-----------------------------------------------------------------------10六、直接编程示例-------------------------------------------------------------------------12七、质量保障-------------------------------------------------------12八、仪器的成套性---------------------------------------------------12一、概述CB2000卡式扭矩仪是在计算机(486以上)的ISA 扩展槽扩展槽中插入CB2000扭矩卡,并配以相应的专用软件构成的微机虚拟仪器,与NJ 型转矩转速传感器配套,即可实现转矩转速的测量。
WCT使用说明书该仪器在“四位一体”防突措施中的作用1、用于区域性和局部性突出危险性预测。
2、用于区域性和局部性突出措施使用后的效果检验。
一、突出危险性预测(1)预测的目的和意义:①保障安全生产判识区域或工作面突出危险性,为预防突出事故提供依据,同时提高安全管理效率。
确定防突措施的有效性;为作业人员进行突出预警。
②提高经济效益:提高防突措施的针对性,减少防突措施工程量,减少防突成本,提高采掘进度,从而在安全的前提下解放生产力,提高矿井经济效益。
(2)预测方法分类①区域性预测:煤层、水平、采区、阶段及局部区域预测。
②工作面预测:采掘工作面预测(点预测)。
(3)预测(效果)钻孔布置①层位: 一般应布置在软分层中。
②孔径:一般多采用∅42mm孔径。
③数量:根据不同煤层产状、不同工作面有所不同:在煤巷掘进工作面对于急倾斜煤层布置2个,倾斜及缓倾斜煤层布置3个。
采面每隔10~15m 布置1个;石门工作面一般应布置3-5个。
④范围:控制巷道轮廓线外一定范围内,(2~4m)。
⑤长度:不宜太深,一般为8~10m(石门工作面除外)。
二、钻屑瓦斯解吸指标的测定:①、指标常见形式: K1值(mL/g.min1/2)三、防突考察仪WTC仪器介绍:构成: 主机、煤样罐、组合筛、秒表、弹簧秤、充电器、打印机等。
四、操作方法:①仪器准备:主机及其它器件等。
②其它准备:本子、粉笔、秒表等。
③钻孔布置:钻孔尽量布置在软分层、孔数、钻孔参数等按照设计而定。
④测定:按照WTC操作步骤执行(石门揭煤1m测定一次,其它工作面每2m测定一次)。
⑤记录、显示、预报、打印等。
五、K1指标与突出危险性的关系:K1指标综合反映了瓦斯压力、瓦斯含量、煤的孔隙结构等参数。
大小与瓦斯、煤的物理力学参数、瓦斯解吸特征及测量工艺、环境条件和测定误差等有关。
K1越大,突出危险性越大。
六、防突考察仪WTC的注意事项:1、钻孔布置必须在软分层且参数合理,避开钻孔影响。
本手册主要介绍2000标准负荷(扭矩)测量仪的连线、校准、设置和使用方法,请用户在使用前仔细阅读。
一、2000标准负荷测量仪简介2000标准负荷(扭矩)系列测量仪是一款经过10年大量实践检验被最广泛认知的基础力学测量仪器,10年来先进的测量器具在基础力学测量领域中的推广应用和称重传感器在性能、质量、产能以及在世界市场上份额的增加,该系列仪器有着不可磨灭的贡献,应用领域包括:精密力值测量;扭矩测量、材料性能测试、应力应变测量、峰值测量以及基于应变原理传感器的生产检测领域。
相关的产品更新信息请参阅第3页。
2000A型仪表为最常用的测力计配套仪表,具有很高的可靠性和性能价格比,6或40个数据通道,额定显示分度5万,重复性、线性<0.01%FS,AD转换速率50~500次/秒,mV/V量值准确度:0.030%+0.020%(准确度采用相对于读数+相对于量程的不确定度描述方法,以下同),温度系数:<20ppm+10ppm,该款仪表主要应用于当量准确度为0.3%的标准测力计和常规力值测量。
2000B型仪表提供更高的准确度和测量效率,适用于当量准确度为0.1%的标准测力计、标准叠加式测力机和高要求测量需求,6或40个数据通道,显示分度20万,重复性、线性<0.005%FS,mV/V量值准确度:0.015%+0.010%,温度系数:<10ppm+5ppm。
2000D型仪表为扭矩测量仪表,6或40个数据通道,额定显示分度5万,重复性、线性<0.01%FS,AD转换速率50次/秒~500次/秒,mV/V量值准确度:0.030%+0.020%,温度系数:<20ppm+10ppm。
2000E型仪表为应变式传感器检测、补偿和调整的专用仪表,可直接显示传感器输出信号mV/V的测量值,信号输入范围:-12mV/V~+12mV/V,最小分辨率:0.01 V/V(等效于6.5位数字电压表),重复性、线性<0.005%FS,mV/V量值准确度:0.015%+0.010%,温度系数:10ppm+5ppm,内置传感器供桥电源,可替代“稳压电源+数字万用表”的传感器检测、补偿和调整方法。
True Union 2000 Industrial Ball ValvesPage 1461Suitable for Oil-Free air handling to 25 psi, not for distribution of compressed air or gas Spears®Manufacturing CompanySample Engineering SpecificationAll thermoplastic ball valves shall be True Union 2000 Industrial type manu-factured to ASTM F 1970 and constructed from PVC Type I, ASTM D 1784 Cell Classification 12454 or CPVC Type IV , ASTM D 1784 Cell Classification 23447. All O-rings shall be EPDM or FKM. All valves shall have Safe-T-Shear ® stem with double O-ring stem seals. All valve handles shall bepolypropylene with built-in lockout mechanism. All valve union nuts shall have Buttress threads. All seal carriers shall be Safe-T-Blocked ®. All valve components shall be replaceable. All EPDM valves shall be certified by NSF International for use in potable water service. All 1/2" through 4" valves shall be pressure rated to 235 psi, all 6" and 8" Venturied and all flanged valves shall be pressure rated to 150 psi for water at 73°F.• Chemical & Corrosion Resistant PVC or CPVC Construction•Also Available in Spears ® High Purity, Low Extractable PVC Material•Interchangeable with all True Union 2000 Valves Mates with Union 2000 Pipe Unions •High Impact Polypropylene Handle•Built-in Handle Lockout•Schedule 80 Full-Bore Design•Strong, Buttress Thread Union Nuts •Spears ® Double O-ring Safe-T-Shear ®Stem Design •EPDM or FKM O-rings•Spears ® Safe-T-Blocked ® Seal Carrier •Self Adjusting PTFE Floating Seat Design •Fully Serviceable, Replaceable Components •Sizes 1/2" - 4" pressure rated to 235 psi @ 73°F. Sizes 6" and 8" Venturied and allFlanged to 150 psi @ 73°F.•EPDM Valves NSF ® Certified for PotableWater use •Suitable for Vacuum Service •Assembled with Silicone-Free , Water Soluble Lubricants •Manufactured to ASTM F 1970Optional Vented Ball ValvesSame valve with special ball vent design for sodium hypochlorite (bleach) and other chemical applications where entrapped fluids may form caustic crystalline residues and pressure build up from gases developed. Valve has a 1/8" vent hole in ball to equalize internal fluid pressures. Install valve with ball vent on the pressure (upstream) side when in closed position.Optional Accessories*• Retro-Fit End Connector Sets for Valve Replacement •Split-Nut Repair Kits for Union Nut Replacement •Supplemental End Connectors •Round Safety Handles •Handle Lockout Ring •Stem Extension Kits •Square Operator Nuts•Multi Mount Valve/Actuation Mounting Kits •Mini-Mount Actuation Mounting KitsQuick-View Valve Selection Chart 1) For CPVC, add the letter "C" following the size code of part number listed (e.g.,1829-005C ,1821-005C SR)2) For Special Ball Vent Design, add the letter "V" before the dash separator (e.g.,1829V -005,1821V -005CSR)3) 8" Venturied Valves are 6" ball valves fitted with 6x8 end connector adapters.* See “BALL VALVE ACCESSORIES” section for details of individual products.Valve Size O-ring Material PVC Part Number 1,2PressureRating Socket Threaded SR Threaded Flanged Spigot1/2EPDM 1829-005included 1821-005SR 1823-0051827-005235 psi Non-Shock Water @ 73°F(Flanged150 psi Non-Shock)Water@ 73°FFKM 1839-005included 1831-005SR 1833-0051837-0053/4EPDM 1829-007included 1821-007SR 1823-0071827-007FKM 1839-007included 1831-007SR 1833-0071837-0071EPDM 1829-010included 1821-010SR 1823-0101827-010FKM 1839-010included 1831-010SR 1833-0101837-0101-1/4EPDM 1829-012included 1821-012SR 1823-0121827-012FKM 1839-012included 1831-012SR 1833-0121837-0121-1/2EPDM 1829-015included 1821-015SR 1823-0151827-015FKM 1839-015included 1831-015SR 1833-0151837-0152EPDM 1829-020included 1821-020SR 1823-0201827-020FKM 1839-020included 1831-020SR 1833-0201837-0202-1/2EPDM 1822-0251821-0251821-025SR 1823-0251827-025FKM 1832-0251831-0251831-025SR 1833-0251837-0253EPDM 1822-0301821-0301821-030SR 1823-0301827-030FKM 1832-0301831-0301831-030SR 1833-0301837-0304EPDM 1822-0401821-0401821-040SR 1823-0401827-040FKM 1832-0401831-0401831-040SR 1833-0401837-0406EPDM 1822-0601821-0601821-060SR 1823-0601827-060150 psi Non-Shock Water @ 73°FFKM 1832-0601831-0601831-060SR1833-0601837-06083EPDM 1822-080——1823-080—FKM1832-080——1833-080—Features – PVC, CPVCThis multi-featured, space saving quarter-turn shutoff valve is designed to meet the demands of today's industrial and chemical processing applications. PVC and CPVC valves are available in IPS sizes 1/2" through 6" with socket/regular thread, SR (Special Reinforced) thread, flanged or spigot end connectors and 8" V enturied valve with socket or flanged ends. Also available in metric socket and BSP thread sizes 1/2" through 2".True Union 2000 Industrial Ball ValvesMade in the U.S.A.Suitable for Oil-Free air handling to 25 psi, not for distribution of compressed air or gasDuetoMaterialCostVariations,*******************************************************.comPage 1462Replacement PartsDimensions, Weights, Operating Torque & C v ValuesTemperature Pressure RatingNOTE: Flanged Valves have a base pressure rating of 150 psi.ponent Qty.Material 1Seal Carrier 1PVC/CPVC 2Seat 2PTFE 3Body1PVC/CPVC 4Carrier O-ring 1EPDM/FKM 5Stem1PVC/CPVC6Stem Bearing 1PP 7Handle 1PP 8Stem O-ring 2EPDM/FKM9Handle Lock 1PP 10Ball1PVC/CPVC 11Union Nut2PVC/CPVC 12End Connector O-ring 2EPDM/FKM 13End Connector2PVC/CPVCSystem Operating Temperature °F (°C)100(38)110(43)120(49)130(54)140(60)150(66)160(71)170(77)180(82)190(88)200(93)210(99)Valve Pressure Rating psi (MPa)1/2" - 4"PVC235(1.62)211(1.45)150(1.03)75(.52)50(.34)-0-(-0-)-0-(-0-)-0-(-0-)-0-(-0-)-0-(-0-)-0-(-0-)-0-(-0-)CPVC235(1.62)219(1.51)170(1.17)145(1.00)130(.90)110(.76)90(.62)80(.55)70(.48)60(.41)50(.34)-0-(-0-)6" and 8"PVC150(1.03)135(.93)110(.76)75(.52)50(.34)-0-(-0-)-0-(-0-)-0-(-0-)-0-(-0-)-0-(-0-)-0-(-0-)-0-(-0-)CPVC150(1.03)140(.97)130(.90)120(.83)110(.76)100(.70)90(.62)80(.55)70(.48)60(.41)50(.34)-0-(-0-)Nominal SizeDimensions Reference (inches, ± 1/16)Approx. Wt. (Lbs.)Oper.2Torque(in. lbs.)Cv 3Values AB 1CDEFGPVCCPVCSoc/Thd Flanged Spigot Soc/ThdSpigot Socket Thread Spigot1/21-7/82-3/82-7/84-3/163-3/164-5/82-9/162-13/163-1/22-31/32.36.38162918273/42-1/42-3/43-1/44-3/44-1/45-1/42-7/83-3/83-7/83-5/16.56.581763395712-1/22-7/83-1/25-1/84-11/165-3/43-1/83-7/164-1/23-5/8.74.7722120731081-1/43-1/163-1/43-13/165-3/45-3/166-5/163-5/83-7/84-5/83-31/32 1.13 1.19282431512231-1/23-1/23-1/246-1/45-7/166-3/444-3/1654-3/8 1.54 1.606135722333324-5/164-25/325-3/167-3/47-13/168-1/44-1/25-3/3265-1/4 2.72 2.85775993955712-1/25-3/86-7/87-13/1610-7/169-11/1611-3/85-1/86-1/47-1/267.427.7013285657973436-3/1677-13/1610-11/169-7/811-9/165-7/87-5/87-1/26-13/167.467.811321416974132247-3/47-5/168-1/411-7/810-1/412-3/46-3/4997-1/212.3512.48396286519522672611-5/811-1/161317-1/1615-3/418-1/28-1/814-5/1611-1/410-3/1637.5340.557326638482461498411-5/823-3/16---31-7/8------8-1/814-5/1613-1/217-13/1650.8455.92732N/AN/AN/A1: Valve Lay Length2: T orque required at valve maximum internal pressure rating, 5ft/sec. Flow velocity; due to adjustment differences during installation, actual values may vary.3: Gallons per minute at 1 psi pressure drop. Valves calculated from laying length, based on derivative of Hazen-Williams equation with surface roughness factor of C=150.4: 8" Venturied Valves are 6" ball valves fitted with 6x8 end connector adapters.。
ZJK精 基精基科技柔性联轴器蛇形弹簧联轴器产品使用手册Array产品执行标准:Q/ZJK04-2007浙江精基科技有限公司精基厂址:温州市滨海园区滨海四道428号 版本:2009年11月 前言承蒙购买我公司生产的精基牌柔性蛇形弹簧联轴器,谨此致谢!本手册说明了精基牌柔性蛇形弹簧联轴器T10系列(以下简称联轴器)的性能,安装,润滑及维护等。
为了能够充分发挥联轴器的可靠性及优越性,请在使用前仔细阅读本手册,并严格遵循本手册章程。
目录安装----------------------------------2 润滑----------------------------------4 年度维护------------------------------5 拆卸----------------------------------5 安装极限数据表------------------------6 应用范围本产品适用于轴与轴之间的传动联结,且能有效的吸收大量的振动力和减少设备与设备之间的冲击力,更好的保护主机设备的安全使用及寿命。
图1使用环境联轴器的正常使用环境温度为-40℃至+80℃,其实际使用时还得取决于润滑油品的选择.使用环境温度超过38℃或在露天下工作时应采取防护措施,以免联轴器表面温度超过最大允许温度80℃,如使用通风设备或冷却设备、遮阳罩或涂刷反射涂料。
联轴器周围不应有暴露的腐蚀性化学品或蒸气,如硫酸钾粉尘、氯气、四氯化碳等,这会使密封件及其产品表面受到损坏。
警告:联轴器工作时属运动物体,外周应有安全防护罩,以免发生不必要的安全事故。
联轴器的长寿命使用与无故障运行不同程度地取决于联轴器应正确安装与维护,在运行中正确润滑,并保证其运行速度、扭矩和其它载荷条件在应用范围内,才能成功达到最大应用功能。
联轴器的安装 1.轮毂的安装轮毂的安装只需要使用标准的机械工具、扳手、直尺及测隙规。
在用户的要求下时可使用间隙配合,且应在键槽处采用固定螺丝钉,常规产品使用过盈配合,不使用固定螺丝钉。
Electro Actuated True Union 2000 Standard Ball Valve & Electro Actuated True Union 2000 IndustrialBall Valve•Blocked Seal Carrier •Double O-ring Stem Seal •PTFE Seats•235 psi @ 73°F (23°C) (flanged 150 psi)•115 VAC standard, optional voltages available •High Impact PP NEMA 4x Enclosure, SS316 Fasteners •2-Position with Stem-mounted Visual Open/Close IndicatorSee Electric Actuator Accessories for "2-wire" Control Add-on Actuator AccessoryMade in the U.S.A.Suitable for Oil-Free air handling to 25 psi, not for distribution of compressed air or gasSee MSRP-1 Sheet or Check Spears ®Page 8PVC Electro Actuated True Union 2000 Standard Ball Valve (continued)O-ring EPDMFKMProd Code Joint Socket & ThreadSR Thread Flanged Socket & ThreadSR Thread Flanged Size Part #MSRP Part #MSRP Part #MSRP Part #MSRP Part #MSRP Part #MSRP 1E1453-010*CALL E1451-010SR *CALLE1457-010*CALL E1454-010*CALL E1452-010SR *CALLE1458-010*CALL 5001-1/4E1553-012*CALL E1551-012SR *CALLE1557-012*CALL E1554-012*CALL E1552-012SR *CALLE1558-012*CALL 5001-1/2E1553-015*CALL E1551-015SR *CALLE1557-015*CALL E1554-015*CALL E1552-015SR *CALLE1558-015*CALL 5002E1553-020*CALL E1551-020SR *CALLE1557-020*CALL E1554-020*CALL E1552-020SR *CALLE1558-020*CALL500CPVCO-ring EPDMFKMProd Code Joint Socket & ThreadSR Thread Flanged Socket & ThreadSR Thread Flanged Size Part #MSRP Part #MSRPPart #MSRP Part #MSRP Part #MSRPPart #MSRP 1/2E1453-005C *CALL E1451-005CSR *CALLE1457-005C *CALL E1454-005C *CALL E1452-005CSR *CALLE1458-005C *CALL 5023/4E1453-007C *CALL E1451-007CSR *CALLE1457-007C *CALL E1454-007C *CALL E1452-007CSR *CALLE1458-007C *CALL 5021E1455-010C *CALL E1451-010CSR *CALLE1457-010C *CALL E1454-010C *CALL E1452-010CSR *CALLE1458-010C *CALL 5021-1/4E1555-012C *CALL E1551-012CSR *CALLE1557-012C *CALL E1554-012C *CALL E1552-012CSR *CALLE1558-012C *CALL 5021-1/2E1555-015C *CALL E1551-015CSR *CALLE1557-015C *CALL E1554-015C *CALL E1552-015CSR *CALLE1558-015C *CALL 5022E1555-020C *CALLE1551-020CSR *CALLE1557-020C *CALLE1554-020C *CALLE1552-020CSR *CALLE1558-020C *CALL502Industrial grade True Union design, 1/4-turn shutoff. Basic On-Off operation.PVC Electro Actuated True Union 2000 Industrial Ball ValveO-ring EPDMFKMProd Code Joint Socket & ThreadSR Thread Flanged Socket & ThreadSR Thread Flanged Size Part #MSRP Part #MSRP Part #MSRP Part #MSRP Part #MSRP Part #MSRP 1/2E1459-005*CALL E1463-005SR *CALLE1465-005*CALL E1460-005*CALL E1464-005SR *CALLE1466-005*CALL 5003/4E1459-007*CALL E1463-007SR *CALLE1465-007*CALL E1460-007*CALL E1464-007SR *CALLE1466-007*CALL 5001E1459-010*CALL E1463-010SR *CALLE1465-010*CALL E1460-010*CALL E1464-010SR *CALLE1466-010*CALL 5001-1/4E1559-012*CALL E1563-012SR *CALLE1565-012*CALL E1560-012*CALL E1564-012SR *CALLE1566-012*CALL 5001-1/2E1559-015*CALL E1563-015SR *CALLE1565-015*CALL E1560-015*CALL E1564-015SR *CALLE1566-015*CALL 5002E1559-020*CALL E1563-020SR *CALL E1565-020*CALL E1560-020*CALL E1564-020SR *CALL E1566-020*CALL500Electro Actuated True Union 2000 Industrial Ball Valve & Premium Actuated True Union 2000Industrial Ball Valve - ElectricIndustrial grade True Union design, 1/4-turn shutoff for a wide range of applications. Full-featured actuator can be custom configured with add-on accessories. Use part numbers on following page and see Electric Actuator Accessories for Ball Valves.•Blocked Seal Carrier •Double O-ring Stem Seal •PTFE Seats•1/2" - 4" 235 psi @ 73°F (23°C)•6" and all flanged 150 psi @ 73°F (23°C)•115 VAC standard, optional voltages available •Illuminated Position Indicator•Heater•2-Position Operation with 2-SPDT Limit Switches •Additional set dry contacts SPDT limit Switches •NEMA 4 Enclosure, Powder Coated •Declutchable Manual Override 4" through 6"•Basic Manual Override 1/2" through 3"(Declutchable Available)Page 9Suitable for Oil-Free air handling to 25 psi, not for distribution of compressed air or gas Spears ® Manufacturing CompanySee MSRP-1 Sheet or Check Spears ®****************************.comforPricingCPVCO-ring EPDMFKMProd Code Joint Socket & ThreadSR Thread Flanged Socket & ThreadSR Thread Flanged Size Part #MSRP Part #MSRPPart #MSRP Part #MSRP Part #MSRPPart #MSRP 1/2E1459-005C *CALL E1463-005CSR *CALLE1465-005C *CALL E1460-005C *CALL E1464-005CSR *CALLE1466-005C *CALL 5023/4E1459-007C *CALL E1463-007CSR *CALLE1465-007C *CALL E1460-007C *CALL E1464-007CSR *CALLE1466-007C *CALL 5021E1459-010C *CALL E1463-010CSR *CALLE1465-010C *CALL E1460-010C *CALL E1464-010CSR *CALLE1466-010C *CALL 5021-1/4E1559-012C *CALL E1563-012CSR *CALLE1565-012C *CALL E1560-012C *CALL E1564-012CSR *CALLE1566-012C *CALL 5021-1/2E1559-015C *CALL E1563-015CSR *CALLE1565-015C *CALL E1560-015C *CALL E1564-015CSR *CALLE1566-015C *CALL 5022E1559-020C *CALL E1563-020CSR *CALL E1565-020C *CALL E1560-020C *CALL E1564-020CSR *CALL E1566-020C *CALL502PVC Premium Actuated True Union 2000 Industrial Ball Valve - ElectricO-ring EPDMFKMProd Code Joint Socket SR Thread Flanged Socket SR Thread FlangedSize Part #MSRPPart #MSRPPart #MSRPPart #MSRPPart #MSRPPart #MSRP1/221101A112-005*CALL23101A112-005*CALL24101A112-005*CALL21201A112-005*CALL23201A112-005*CALL24201A112-005*CALL5003/421101A112-007*CALL23101A112-007*CALL24101A112-007*CALL21201A112-007*CALL23201A112-007*CALL24201A112-007*CALL500121101A112-010*CALL23101A112-010*CALL24101A112-010*CALL21201A112-010*CALL23201A112-010*CALL24201A112-010*CALL5001-1/421101A112-012*CALL23101A112-012*CALL24101A112-012*CALL21201A112-012*CALL23201A112-012*CALL24201A112-012*CALL5001-1/221101A112-015*CALL23101A112-015*CALL24101A112-015*CALL21201A112-015*CALL23201A112-015*CALL24201A112-015*CALL500221101A112-020*CALL23101A112-020*CALL24101A112-020*CALL21201A112-020*CALL23201A112-020*CALL24201A112-020*CALL5002-1/221101A112-025*CALL23101A112-025*CALL24101A112-025*CALL21201A112-025*CALL23201A112-025*CALL24201A112-025*CALL500321101A112-030*CALL23101A112-030*CALL24101A112-030*CALL21201A112-030*CALL23201A112-030*CALL24201A112-030*CALL500421101A123-040*CALL23101A123-040*CALL24101A123-040*CALL21201A123-040*CALL23201A123-040*CALL24201A123-040*CALL500621101A126-060*CALL 23101A126-060*CALL 24101A126-060*CALL 21201A126-060*CALL 23201A126-060*CALL 24201A126-060*CALL500。
2000-LB. CAPACITYPORTABLE WINCHOWNER’S MANUALWARNING: Read carefully and understand all INSTRUCTIONS before operating. Failure to follow the safety rules and other basic safety precautions may result in serious personal injury.Thank you very much for choosing a Northern Industrial. Product! For future reference, please complete the owner’s record below:Model: _______________ Purchase Date: _______________Save the receipt, warranty and these instructions. It is important that you read the entire manual to become familiar with this product before you begin using it.This winch is designed for certain applications only. The distributor cannot be responsible for issues arising from modification. We strongly recommend this winch is not modified and/or used for any application other than that for which it was designed. If you have any questions relative to a particular application, DO NOT use the winch until you have first contacted the distributor to determine if it can or should be performed on the product.For technical questions please call 1-800-222-5381.INTENDED USE1. Convenient, portable power for pulling boats, stuck vehicles and other heavy items.2. Powerful 2000-lb. pulling power.3. 12 Volt powered for convenient use without extension cords or small gas engines.4. Portable, with built-in carrying handle and quick-attach mounting plate.TECHNICAL SPECIFICATIONSItem DescriptionCapacity: 6000 Lbs. Rolling.5000 Lbs. Marine2000 Lbs. Pulling CapacityMax. Boat Size: 18 Feet (5.5m)Max. Boat Weight: 5000 Lbs. (2268 kg)Line Speed: 6 Feet/Minute with LoadCable Length: 30 Feet (9m)Hook Size: 3/4in. Opening x 3-3/4in.LPower Supply: 12 VoltsPower Cord: 6 Foot (2m) Negative Lead14 Foot 9 Inches (4.25m, 230mm) Positive LeadRemote Switch: 9 Feet 9 Inches (2.75m, 230mm)Mounting Plate: 8-3/4in. x 4-15/16in. x 3/16in.Overall Dimensions: 9-1/2in. x 7-1/2in. x 10in.INCLUDED ACCESSORIES:1. Power lead, fitted with water resistant plug and circuit breaker.2. Remote switch with water resistant plug, for safe operation.3. 30-ft. aircraft cable with attached hook.4. Mounting bracket for trailer hitch.5. Emergency crank handle and adjustable clutch.PULLING CAPACITY1. This winch has a pulling capacity of 2000 lbs. Applying this capacity to practical applications, you can use this winch to move the following:a. Move a load from a dead stop of up to 2000 lbs. on level ground.b. Move a watercraft of up to 4800 lbs.c. Maintain movement of a wheeled vehicle of up to 6000 lbs.2. Pulling Capacity is reduced as incline increases. For example, rolling capacity is reduced from 6000 lbs. on flat ground to 1100 lbs. on a 45°incline.Refer to the following chart for estimated pulling capacity (rolling weight) on various inclines.Maximum (Rolling) Weight Capacities on an InclineGENERAL SAFETY RULESWARNING: Read and understand all instructions. Failure to follow all instructions listed below may result in serious injury. Do not exceed indicated weight capacity.WARNING:The warnings, cautions, and instructions discussed in this instruction manual cannot cover all possible conditions or situations that could occur. It must be understood by the operator that common sense and caution are factors which cannot be built into this product, but must be supplied by the operator.SAVE THESE INSTRUCTIONSYou will need this manual for the safety warnings and cautions, assembly instructions, operating procedures, maintenance procedures, trouble shooting, parts list, and diagram. Keep your invoice with this manual. Write the invoice number on the inside of the front cover. Keep both this manual and your invoice in a safe, dry place for future reference.WARNING: When using powered equipment, basic safety precautions should always followed to reduce the risk of personal injury and hazards.WORK AREAKeep work area clean, free of clutter and well lit.Cluttered and dark work areas can cause accidents.Do not use your winch where there is a risk of causing a fire or an explosion; e.g. in the presence of flammable liquids, gasses, or dust. Electrically powered tools can create sparks, which may ignite the dust or fumes.Keep children and bystanders away while operating a winch. Distractions can cause you to lose control, so visitors should remain at a safe distance from the work area.Be aware of all power lines, electrical circuits, water pipes and other mechanical hazards in your work area, particularly those hazards below the work surface hidden from the operator’s view that may be unintentionally contacted and may cause personal harm or property damage.Be alert of your surroundings. Using winches in confined work areas may put you dangerously close to cutting tools and rotating parts.PERSONAL SAFETYStay alert, watch what you are doing and use common sense when operating a winch. Do not use a winch while you are tired or under the influence of drugs, alcohol or medication. A moment of inattention while operating a winch may result in serious personal injury.Dress properly. Do not wear loose clothing, dangling objects, or jewelry. Keep your hair, clothing and gloves away from moving parts. Loose clothes, jewelry or long hair can be caught in moving parts. Air vents often cover moving parts and should be avoided.Use safety apparel and equipment. Use safety goggles or safety glasses with side shields which comply with current national standards, or when needed, a face shield. Wear heavy leather gloves when handling a wire rope. Use as dust mask in dusty work conditions. This applies to all persons in the work area. Also use non-skid safety shoes, hardhat, gloves, dust collectionsystems, and hearing protection when appropriate.Avoid accidental starting. Ensure the switch is in the off position before connecting winch into power supply. In the event of a power failure, while a winch is being used, turn the switch off to prevent surprise starting when power is restored.Always stand clear of wire rope and load during operation, and keep bystanders away as well.Do not try to guide the cableAlways be certain the anchor you select will withstand the load, and the strap or chain will not slip.Never use as an overhead hoist, or to suspend a load.Never use to lift or move persons.Never exceed the winch or wire rope rated capacity.Never apply load to hook tip or latch. Apply load to only the center of the hook.Never use a hook whose throat opening has increased, or whose tip is bent or twisted.Never touch wire rope or hook while in tension or under load.Never hook wire rope back onto itself.Do not apply a load to the winch when the cable is fully extended. The cable fastener is not capable of holding the rated capacity.Do not overreach. Keep proper footing and balance at all times.Remove adjusting keys or wrenches before connecting to the power supply or turning on the winch. A wrench or key that is left attached to a rotating part of the winch may result in personal injury.MAINTENANCEMaintain your winch. It is recommended that the general condition of your winch be examined before it is used. Keep your winch in good repair by adopting a program of conscientious repair and maintenance in accordance with the recommended procedures found in this manual. If any abnormal vibrations or noise occurs, stop using the winch immediately and have the problem corrected before further use. Check for damage to the cable, including bending, fraying or kinking.Have necessary repairs made by qualified service personnel.e only soap and a damp cloth to clean your winch. Many household cleaners are harmful to plastics and other insulation. Never let liquid get inside a winch.Replacement parts and accessories. When servicing, use only identical replacement parts.Use of any other parts will void the warranty. Only use accessories intended for use with this winch.!Maintain winch with care Follow instructions for lubricating and changing accessories. Inspect power cord periodically and, if damaged, have it repaired by an authorized technician. Inspect all moving parts and mounting bolts prior to use. Control handle and power switch must be kept clean, dry and free from oil and grease at all times.!Lubricate the cable occasionally with light oil.!Grease the gears every 6 months. To do this, remove the clutch knob and separate the left and right housing. Use any good quality waterproof grease.AssemblyWiring your Electric WinchYour Winch may be used with temporary or permanent wiringNOTE: Mount the winch prior to completing the wiring.Temporary Wiring1. Lift the rubber seal and plug the POWER CABLE (#39) into the PLUG (#36) on the right side ofthe winch body. This plug is labeled “power.” Route the Power Cable from the winch to your battery, being careful to avoid tangling it in moving equipment, or causing a tripping hazard.2. Connect the Black Clamp Handle of the POWER CABLE (#39) to the frame of your vehicle,establishing a ground connection. Connect the Red Clamp Handle to the Positive (+/Red) terminal of your battery. Note:Be sure you are using a 12V automotive battery or equivalent, in good condition.3. Lift the rubber seal on the left side of winch body. Taking the Remote Control Unit, insert theSocket at the end of the cord into the Plug on the left side of the winch body labeled “Remote Control.”4. Set the remote control aside in a safe place until ready for use.Permanent wiring1. Attach the OVER-CURRENT PROTECTOR (#31) to the Positive (+/Red) terminal of your battery,using the battery terminal clamp bolt.2. Plan a route for the wiring from the point of the vehicle where the winch will be mounted or usedto the battery. This route must be secure, out of the way of moving parts, road debris, or any possibility of being damaged by operation or maintenance of the vehicle. For example, you may wish to route the wires under the vehicle, attaching it to the frame using suitable fasteners. Donot attach the wires to the exhaust system, drive shaft, emergency brake cable, fuel line, or any other components which may create damage to the wiring through heat or motion, or create a fire hazard.3. If you drill through the bumper or any part of the body to route the wires, be sure to install arubber grommet in the hole to prevent fraying of the wires at that point.4. Route the POWER CABLE (#39) from the point the winch will be used to the battery. Followingthe precautions discussed above.5. Remove the Red Clamp handle, and attach the red wire to the OVER-CURRENT PROTECTOR(#31) which is mounted onto the Positive (+/ Red ) terminal of your battery.6. Remove the Black Clamp handle, and attach the black wire to the frame of your vehicle, creatinga secure electrical ground.WARNING:Always connect Red to Red (Positive to Positive) and Black to the vehicle’s frame, making a ground connection, when using battery power from your vehicle.Never continue use of your winch or other accessory until the battery is completely run down.This can permanently damage your battery!You may wish to keep your engine running while using this winch, to continually recharge the battery. However, exercise extreme caution when working around a running vehicle. (See USING YOUR WINCH on page 7 of this manual.)Do not use a dirty, corroded or leaking battery. You may suffer injury from acid burns.Always wear ANSI-approved safety glasses when working around or with a battery.OPERATIONMOUNTING YOUR WINCHYour winch is designed to be mounted temporarily, using the Trailer Hitch Mounting Bracket. However, you may also mount your winch permanently.Permanent Mounting1. Select a mounting site on the bumper of your vehicle, truck bed, boat trailer, or other suitablelocation. NOTE: This winch can generate 2000 lbs. pulling force. Be sure the location you select can withstand this much force. You may need to use steel reinforcement plates, or weld on additional bracing, depending on the desired mounting location.2. Align the winch with the desired location, and mark for drilling the locations of the 4 holes on thebase of the winch.3. Drill these locations on your vehicle.4. Using hardened steel bolts at least 3/8in. in diameter, install your winch to the location.Temporary Mounting1. Attach the three Plate Stud Bolts to the Adapter Plate, as shown, (see Diagram on page 9)usingthe supplied Nuts. Tighten securely.2. Index the heads of the Plate Studs into the keyhole slots on the back of the winch.3. Attach the Winch/Adapter Plate assembly to your trailer hitch, by inserting the trailer hitch ballthrough the shaped hole in the Adapter Plate.WARNING!Keep hands, clothing, hair, and jewelry clear of the drum area and cable when winching.Never use the winch if the cable is frayed, kinked or damaged.Never allow anyone to stand near the cable or in line with the cable behind the winch while it is under power. If the cable should slip or break, it can suddenly whip back toward the winch, causing a hazard for anyone in the area. Always stand well to the side while winching.USING YOUR WINCHCAUTION:Never touch wire rope or hook while operating the winch, or while the rope is under a load.1. Put your vehicle in Neutral. (Never winch with your vehicle in Gear or in Park, since this coulddamage your vehicle’s transmission.) PUT YOUR EMERGENCY BRAKE ON. BLOCK THE WHEELS FROM ROLLING, USING SUITABLE CHOCKS. FAILURE TO FOLLOW THESE INSTRUCTIONS CAN CAUSE YOUR VEHICLE TO ROLL WHILE WINCHING, CREATING AN EXTREMELY DANGEROUS SITUATION!!2. To pull out the cable, turn the CLUTCH KNOB (#19) counterclockwise to loosen it, and then pullout the cable you need. ALWAYS LEAVE AT LEAST THREE TURNS OF CABLE ON THE SPOOL TO PREVENT PULLING THE CABLE OUT OF THE WINCH!3. Hook onto the object using a pulling point, tow strap or chain. Never wrap the cable around theobject and hook onto the cable itself. This can cause damage to the object being pulled, and kink or fray the cable.4. Re-tighten the clutch knob.5. Stand clear, and when it is safe to do so, use the power switch in the remote control to retract thecable, and winch the item as desired.6. After moving the item, secure it. Do not rely on the winch to hold an item for an extended periodof time.SPECIAL WARNINGS WHEN USING THIS ELECTRIC WINCHUsing this powerful tool may create special hazards.Take particular care to safeguard yourself and those around you.The Cable.Be sure the cable is in good condition, and is attached properly.Do not use the winch if the cable is frayed.Do not replace the cable with a cable of lesser strength.The Battery.Be sure the battery is in good condition. Avoid contact with battery acid or other contaminants.Always wear ANSI-approved eye protection when working around a battery.Have the engine running when using the winch, to avoid running the battery down.Stand Back.Stay out of the direct line that the cable is pulling. If the cable slips or breaks, it will “whiplash” along this line.Do not stand between the winch and the load when operating.Keep hands, clothing, hair and jewelry clear of the winch while in use.Use a spotter to assist you in assuring that it is safe to operate the winch. Make sure this person is out of the way of the vehicle and the cable before activating the winch.Power Limits.Do not attempt to exceed the pulling limits of this winch.Never use the hand crank to “assist” the winch. This will damage the winch and may cause personal injury.USING THE EMERGENCY HAND CRANKWarning:Do not use the crank to assist an operating winch. This will damage the winch and may cause personal injury.1. Turn the clutch knob clockwise until hand tight. Do not force it or over tighten.2. Place the end of the hand crank over the flattened end of threaded shaft on the left side of thewinch.3. Rotate the hand crank clockwise to tighten the cable. Continue to turn until the cable has beencompletely retracted.DIAGRAM & PARTS LISTPart# Description Part#Description1 Electrical wire 34 Spring2 Lock washer 35 Left shell3 Nut 36 Nut4 Adapter plate 37 Lock spring5 Screw 38 Plate6 Remote control housing39 Cord protector7 Self-tapping screw 40 Screw8 Control wire 41 Switch9 Nut 42 Relay10 Hand crank 43 Screw11 Spring lock 44 Motor12 Nut 45 Fast plate13 Lock washer 46 Screw14 Gear 47 Fast plate15 Clutch knob 48 Bearing16 Friction plate 49 Nut17 Steel plate 50 Shaft18 Steel plate 51 Gear19 Gear assembly 52 Plate20 Friction plate 53 Lock washer21 Screw 54 Lock spring22 Lock washer 55 Nut23 Lock washer 56 Shaft24 Frame 57 Lock washer25 Gear 58 Gear26 Lock spring 59 Lock washer27 Screw 60 Nut28 Lock washer 61 Split-pin29 Screw 62 Jack30 Lock washer 63 Cover31 Claw lock 64 Right shell32 Shaft lock 65 Steel cable and hook33 Shaft lockFor replacement parts and technical questions, please call 1-800-222-5381.WARRANTYOne-Year Limited WarrantyDistributed byNorthern Tool + Equipment Co., Inc.Burnsville, MN 55337-0499Made in China。
AZJ-2000型甲烷检测报警仪简介AZJ-2000型甲烷检测报警仪是一款专门用于检测甲烷气体浓度的报警器,广泛应用于工业、石油、化工、矿山等领域。
它通过传感器检测环境中的甲烷气体浓度,当浓度超过设定值时,会发出声光报警信号,提醒操作人员采取相应的措施。
报警器原理AZJ-2000型甲烷检测报警仪采用化学传感器作为检测元件,该传感器能够对空气中的甲烷浓度进行精准检测。
当甲烷浓度超过设定值时,传感器会发出信号,通过报警器内置的处理电路进行处理,启动报警功能。
报警器特点1.灵敏度高:该报警器采用化学传感器,具有高灵敏度和快速响应的特点,能够快速、准确地检测出环境中的甲烷浓度变化;2.报警方式多样:该报警器内置多种报警方式,包括声光报警、振动报警等,能够满足不同环境下的安全需求;3.显示清晰:该报警器配备了液晶屏,能够清晰显示环境中的甲烷浓度,方便操作人员了解当前环境的安全状况;4.操作简便:该报警器采用人性化设计,操作简单方便,能够快速上手;5.耐用性高:该报警器采用高品质材料制造而成,具有较高的耐用性和稳定性,能够在各种恶劣环境下正常工作。
技术参数项目参数检测气体甲烷检测范围0~100%LEL检测原理化学传感预热时间≤180s响应时间≤30s恢复时间≤30s报警方式声光报警、振动报警显示方式液晶屏供电电压DC 5V工作环境温度:-20~50℃;湿度:<95%RH外形尺寸140mm×75mm×32mm使用方法1.将报警器固定在要检测的区域,接好电源;2.按照使用说明书的要求进行操作,设置好相应的检测参数;3.当环境中甲烷气体浓度超过设定值时,报警器便会发出声光报警信号,提醒操作人员采取应对措施。
维护保养1.定期进行检测,保证传感器的灵敏度和检测精度;2.每半年清洗检测器外壳,消除污垢和灰尘;3.长时间不使用时,应将报警器存放在干燥阴凉处,避免接触水分和阳光。
注意事项1.在使用过程中,不要接触报警器内部电路,以免发生触电等危险情况;2.操作人员应严格按照说明书要求进行操作,避免操作失误导致安全事故;3.当报警器出现故障时,应及时停止使用,并联系专业人员进行维修。
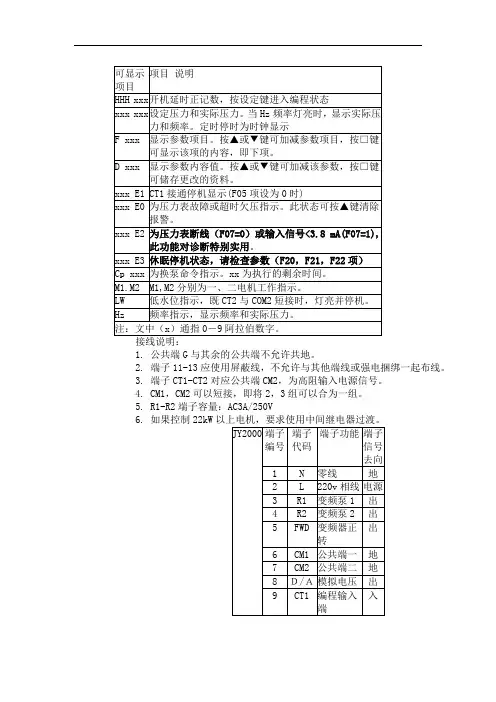
AZJ-2000型便携式甲烷检测报警仪操作规程
一、仪器使用环境条件
工作温度:O℃一+40C;
相对湿度:≤98 %;
空气中的H2S:<6ppm;
二、主要技术指标
测量范围:(0—5.00)%CH4;
测量精度:(0-1.00)%CH4允许误差±O.l%CH4;
(1.00-5.00) %CH4允许误差±10%真值;
三、操作步骤
1、按压报警仪面板上的电源开关,接通电源,报警仪即进人工作状态。
报警仪在空
气中开机,正常情况下应显示O.OO%CH4。
否则,交调校人员处理。
2、报警仪电池电压的检测,按压整机面板上的“自检”键,报警仪将巡回显示当前的电池电压值和报警点。
开机预热20分钟,在新鲜空气中观察显示值是否等于0.00%CH4,若不为零,用小改刀调节仪器右侧“调零(Z)’’电位器,使仪器显示归零。
3、报警点调校,使用中用户可根据自己的需要,修改报警点。
报警点的设置范围为:(0.50%一2.00%)CH4。
打开报警仪后盖,按压仪器电路板上按键Sl 二次,使电路板上的状态指示灯L2点亮,此时仪器的显示值即为报警仪的报警点。
按压线路板上S2、S3按键即可完成的修改。
4、调校完成后必须将报警仪恢复到正常工作状态,这样调校好的参数才会被存入报警仪中,之后可进行甲烷浓度检测。
PROCESS MANAGEMENT TECHNOLOGYGSP2000-H加热型气体采样器使用说明书南京霍普斯科技有限公司GSP2000-H加热型气体采样器使用说明显示:接通电源,温控器上立即显示加热器当前温度(红色)及设置温度(绿色)。
出厂时的设置温度为120℃(报警温度由用户根据实际使用需要自行设定)。
当采样器达到设定温度后就会恒定在该设置温度。
设置温度的调整:出厂时,温控器采用PID控制,控制温度精度较高,如需改变设置温度,请参照OMRON操作说明进行。
(附OMRON操作说明书)接管:样气接口为ZG1/4″内螺纹,附送ZG1/4″外螺纹接头一只。
反吹接口为ZG1/4″内螺纹,如不用反吹则应闷死。
出厂时附送ZG1/4″闷头一只。
采样接口为G3/4″管牙螺纹。
每台配采样管一支。
安装:用4只M12螺丝固定在烟道或设备上,中间可装座板法兰或二端法兰矮接管。
更换过滤芯:旋松10压紧螺丝,取下压板8,拉住拉环11,抽出滤芯架12,旋松支架端部17,更换滤芯后再复原。
注意:*工作时采样器处在高温中,打开罩壳时切勿用手触摸外壳以免烫伤。
*过滤芯为易耗品,需定期检查并根据实际工况条件予以及时更换。
因过滤芯堵塞造成的仪器损坏不在保修范围之内。
GSP2000-H加热型气体采样器结构图1. 本体2. 六角螺钉3. 六角螺钉4. 测温板5. 固定杆6. 六角螺钉7. 支架 8. 压板 9. 手柄10. 压紧螺杆 11. 拉环 12. 滤芯架13. O型密封圈 14. O型密封圈 15. 过滤芯16. 垫片 17. 支架端部 18. 箱体特别提醒: 请使用独立电源,并加保险丝,不要搭接在其他设备电源上补充说明:本公司2006年起所生产的产品,在原有基础上, 增加了温度保护装置;5A保险丝和继电器,使产品的使用寿命更为提高,更为可靠。
故障排除:1、阻力增大. 及时更换过滤芯,以免反吹时损坏过滤芯。
2、不制热. 有温度显示,检查后盖保险丝.无温度显示,检查电源.PROCESS MANAGEMENT TECHNOLOGY 探头电器接线图。
QJZ2-2000/1140(660)系列矿用隔爆型兼本质安全型组合开关使用说明书八达电气有限公司QJZ2-2000/1140(660)系列矿用隔爆兼本质安全型组合开关使用说明书1、概述1.1用途及适用范围QJZ2-2000/1140(660)系列矿用隔爆兼本质安全型组合开关(以下简称组合开关)适用于含有爆炸性危险气体和煤尘的矿井中,在交流50Hz、额定电压1140V(660)的线路中,对三相鼠笼型异步电动机的起动、停止进行控制和保护,并可在停止时改变相序。
1.2 型号及意义1.2.1组合开关的型号及其代号含义如下:Q J Z 2—主回路数额定电压(V)总电流(A),按用户需要组合各回路电流真空式隔爆兼本质安全型起动器1.2.2防爆形式和防爆标志防爆形式: 矿用隔爆兼本质安全型防爆标志: Exd(ib)I1.3 使用环境条件1.3.1海拔不超过2000m;1.3.2运行环境温度为-5℃~+40℃;1.3.3周围空气相对湿度不大于95%(+25℃时);1.3.4在有煤尘和爆炸性气体混合物的矿井中;1.3.5与垂直面的安装倾斜度不超过15°;11.3.6在无显著振动和冲击的地方;1.3.7在无破坏绝缘的气体和蒸汽的环境中;1.3.8无滴水的地方;1.3.9污染等级:3级;1.3.10安装类别:Ⅲ类。
1.4用途与特点1.4.1组合开关从4路直到12路组合共用一套PLC控制器和数据采集处理器,使得控制、保护、显示设置相对简单化。
1.4.2主回路的真空接触器、电流互感器、阻容保护装置及二次回路的电流变送器、中间继电器等保护元件,均装在设有滚轮的抽屉小车上,主回路和二次回路都为接插式,方便用户检修与更换。
1.4.3各主回路装设的限流熔断器FU与PLC,对各主回路短路故障进行双重保护,增加了对短路保护的可靠性。
1.4.4组合开关的电缆引入方式,可选用进出线腔压盘式连接,也可选用主回路及控制回路电缆连接器方式连接。