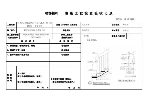
栏杆工程隐蔽记录
- 格式:xls
- 大小:16.50 KB
- 文档页数:1
SG-013
建设工程隐蔽检验记录
工程名称
施工单位
分项工程名称
图号
隐蔽日期
隐蔽部位、内容
单位 数量 检查情况
监理(建设)单位验收记录
有
关
测
试
资
料
名称 测试结果
证、单位编号
备 注
附图:
外墙艺术栏杆
楼梯扶手剖面图
25*25*1.5方管
20*20*1.5方管12*80钢膨胀
80*80*6钢板空调栏杆
10*80钢膨胀
120*80*6钢板38*2圆管
户内楼梯栏杆
30*20*1.5方管10*80钢膨胀40*40*6钢板
10*80钢膨胀40*40*6钢板
20*20*1.5方管飘窗栏杆
30*30*2.0方管40*40*6钢板
10*80钢膨胀40*40*6钢板
25*25*1.5方管落地窗栏杆
30*30*1.5方管12*80钢膨胀
80*80*6钢板50*30*2.0扶手12*80钢膨胀80*80*6钢板
阳台栏杆
参
加人员签字
施
工
单
位
监
理
单
位
建
设
单
位
注册建造师(技术负责人):
监理工程师: (注册方章)
现场代表:
注:本表一式四份,建设单位、施工单位、监理单位、城建档案馆各一份。
SN:B46464412900001D 建龙软件打印(批准文号:川建发[2002]280号) 四川省建设厅监制。
规范中规定要做隐蔽记录的部位
一、地基与基础工程
1、人工地基(灰土地基、沙石地基、土工合成材料地基、粉
煤灰地基、重锤夯强夯地基、预压地基等)分层做法施工记录
2、桩基施工记录
(1)预制桩打桩施工记录,接桩、截桩、送桩、断桩、补桩隐蔽记录
(2)灌注桩成孔(护壁)、钢筋、砼隐蔽记录;灌注桩施工记录
3、土方开挖、回填土隐蔽记录
4、基础砌筑、基础钢筋、砼隐蔽记录
5、地下防水隐蔽记录、地下防水工程渗漏水调查记录(按地
下防水工程质量验收GB50208-2002附录C)
6、支护工程施工记录(桩、墙成孔、钢筋、砼隐蔽记录及锚
杆施工记录,喷锚纲纪、土钉隐蔽记录)
二、主体结构
1、砼结构工程:
(1)现浇砼结构:钢筋、隐蔽记录,预埋件劲性结构钢骨架安装记录
(2)预制砼结构:构件安装施工记录
(3)预应力砼结构:钢筋、砼隐蔽记录,预应力筋安装、张
拉、灌浆隐蔽记录
2、砌体结构工程:砌体配筋、拉结筋隐蔽记录,变形缝隐蔽
记录,砌体防潮层隐蔽记录
3、防水工程:卫生间、露天阳台防水隐蔽记录
三、装饰工程
1、抹灰工程必须分层进行;总厚度大于或等于35mm时;不
同材料基体交界处处理需做隐蔽记录
2、栏杆、扶手预埋件与连接固定需隐蔽记录
3、门窗安装隐蔽记录
(精装:吊顶、轻质隔墙、各种饰面板安装、石材、玻璃幕墙龙骨等隐蔽记录)
四、屋面工程:保温、防水隐蔽记录
五、电气、智能建筑工程:配管隐蔽,管内穿线隐蔽、等电位
隐蔽、防雷接地隐蔽;正能建筑安装系统隐蔽
六、给排水、消防、采暖工程:埋地或棚内管道隐蔽
七、电梯工程:电梯安装隐蔽工程记录。
锌钢组装栏杆的隐蔽工程验收记录一、前言锌钢组装栏杆是一种常见的栏杆类型,其具有安装方便、美观大方等优点。
在进行锌钢组装栏杆的安装工程时,隐蔽工程验收记录是非常重要的一项工作。
下面将对锌钢组装栏杆的隐蔽工程验收记录进行详细介绍。
二、验收前准备1. 工程部位划分在进行锌钢组装栏杆的隐蔽工程验收之前,需要将整个工程部位进行划分。
划分出每一个施工单元,明确每个单元所包含的内容和要求。
2. 施工单元清单制定施工单元清单,明确每个施工单元中所包含的构件数量、规格型号等信息。
为后续验收提供依据。
3. 施工图纸准备好施工图纸,并按照实际情况进行标注和注释,以便于后续验收人员能够更加清晰地了解每个构件的位置和安装方法。
三、验收过程1. 构件检查首先需要对每一个构件进行检查。
检查内容包括:构件是否完好无损、规格型号是否符合要求、表面是否平整、是否有锈蚀等问题。
对于不符合要求的构件,需要及时更换或修复。
2. 安装位置检查在进行安装之前,需要对安装位置进行检查。
检查内容包括:安装位置是否符合图纸要求、是否与其它构件相互影响、是否存在潜在的安全隐患等问题。
对于存在问题的地方,需要及时进行调整和处理。
3. 安装方法检查对于每一个构件的安装方法都需要进行检查。
主要包括:固定方式是否牢固、连接方式是否正确、螺丝紧固度是否符合要求等问题。
如果存在问题,需要及时进行调整和处理。
4. 焊接质量检查如果在施工过程中采用了焊接方式,则需要对焊接质量进行检查。
主要包括:焊缝质量是否达到标准、焊接强度是否符合要求等问题。
如果存在问题,需要及时进行调整和处理。
5. 防腐处理检查锌钢组装栏杆通常需要进行防腐处理,因此也需要对防腐处理质量进行检查。
主要包括:防腐涂层厚度是否达到标准、涂层表面平整度是否符合要求等问题。
如果存在问题,需要及时进行调整和处理。
四、验收结果1. 验收合格如果经过检查后,每一个构件的安装质量都符合要求,则验收结果为合格。
此时可以进行下一步工作。
护栏与预埋件的连接节点隐蔽验收记录
一、前言
为了确保护栏与预埋件的连接节点质量,提高工程的安全性和可靠性,进行隐蔽验收记录是必不可少的。
二、验收准备
•进行验收前,需要清理连接节点处的灰土和杂物。
•进行验收前,需要检查连接节点的基础是否平整、符合图纸和设计要求。
•进行验收前,需要确保预埋件包括直向和横向的位置与要求的位置相符合。
三、验收内容
1.护栏的安装情况
•确保护栏的构件不锈蚀、脱漆现象。
•检查护栏的水平和垂直度是否符合设计要求。
•检查护栏等强度零部件的连接是否牢固可靠。
2.预埋件的固定情况
•按照设计要求,在正确位置上设置预埋件。
•检查预埋件是否符合强度要求。
•检查预埋件的混凝土固定质量是否达到标准要求。
3.连接部位处理
•连接部位处理采用耐腐蚀、高强度的铝合金连接方式。
•检查连接部位的焊接处理质量是否符合设计和标准要求。
四、验收结果
本次隐蔽验收记录结果如下:
•护栏安装符合要求,水平和垂直度达标。
•预埋件符合要求,混凝土固定质量达标。
•连接部位处理质量符合要求。
五、验收
本次隐蔽验收记录证明,护栏与预埋件的连接节点处理质量符合设计和标准要求。
同时,在施工过程中,也需要严格按照设计要求进行操作,确保护栏系统的安全可靠性。
六、参考文献
•GB/T 14370-2015 公路防护栏(护栏、护墙)及栏杆
•CJJ/T34-2019 全国公路工程建设与质量标准技术规范。
锌钢组装栏杆的隐蔽工程验收记录1. 验收目的本次验收旨在确认锌钢组装栏杆的隐蔽工程是否符合设计要求、施工规范和相关标准,确保工程质量合格,提供安全有效的栏杆系统。
2. 验收范围本次验收的范围涵盖锌钢组装栏杆的系统安装、材料选用、焊接质量、涂装处理等方面。
3. 验收标准根据国家相关标准以及设计要求,锌钢组装栏杆的隐蔽工程应满足以下验收标准:•材料选用符合设计要求,质量合格;•栏杆安装完整牢固,无松动、错位等问题;•焊接接头牢固可靠,焊缝无裂纹、夹渣、气孔等质量问题;•表面涂装均匀、光滑,无脱落现象;4. 验收过程4.1 材料验收对所使用的材料进行验收,包括锌钢材料、焊材、涂装材料等。
验收标准•锌钢材料按照设计要求进行选用,材质和规格符合要求;•焊材符合相关标准,包括焊条、焊丝等;•涂装材料质量合格,具有防腐、抗风化等性能。
所有材料经验收合格,可进行下一步的安装工作。
4.2 安装验收对锌钢组装栏杆的安装进行验收,包括隐蔽工程的安装、固定等环节。
验收标准•栏杆安装位置准确,符合设计要求;•栏杆固定牢固,无松动现象;•栏杆与地面、楼梯等之间的间隙符合要求。
验收结果栏杆安装完整牢固,符合设计要求,验收合格。
4.3 焊接验收根据焊接质量的要求进行验收,确保焊接接头的牢固可靠。
验收标准•焊接接头牢固可靠,无裂纹、气孔等质量问题;•焊缝形态符合相关标准,焊缝充满,无夹渣现象;•焊接质量满足设计要求,能够承受预期的荷载。
验收结果焊接接头质量合格,无质量问题,符合设计要求。
4.4 表面涂装验收对锌钢组装栏杆的表面涂装进行验收,确保涂装质量符合要求。
•涂装均匀、光滑,无滴漏、流挂等现象;•涂层附着力强,无起皮、脱落现象;•涂装质量符合相关标准,具有耐久性和抗风化性能。
验收结果锌钢组装栏杆的涂装质量满足要求,无质量问题,验收合格。
5. 验收结论根据以上的验收过程和标准,确定锌钢组装栏杆的隐蔽工程验收结果如下:•材料验收合格;•安装验收合格;•焊接验收合格;•表面涂装验收合格。
脚手架隐蔽工程验收记录一、工程概况本工程为脚手架隐蔽工程验收项目,位于XX市XX区,工程性质为商业住宅楼,总占地面积约20000平方米,主体建筑高度为98米,共计30层。
本工程脚手架搭设主要用于主体结构施工、装饰装修施工以及外墙施工等阶段。
根据工程特点及施工要求,采用落地式双排钢管外脚手架。
二、施工准备工作及主要材料需用量计划(一)、技术准备工作1. 组织项目技术负责人、施工员、安全员等相关人员进行脚手架施工方案的学习和培训,确保全体施工人员熟悉施工工艺、操作规程及安全措施。
2. 根据工程实际情况,编制脚手架施工方案,并提交给相关部门审批。
3. 对脚手架施工方案进行技术交底,确保施工人员掌握施工要求。
4. 制定脚手架验收标准,明确验收程序和验收要求。
(二)、物资准备工作1. 根据脚手架施工图纸及工程量清单,计算主要材料需用量,如下:- 钢管:约100吨;- 扣件:约50万个;- 脚手板:约20000平方米;- 钢丝绳:约10吨;- 安全网:约10000平方米;- 连墙件:约5000套;- 钢管立杆:约10000根;- 钢管横杆:约20000根;- 钢管斜杆:约15000根;- 钢管连接件:约50000套。
2. 提前与材料供应商联系,确保材料质量和供应时间。
3. 对进场材料进行验收,确保材料符合国家规定和施工要求。
4. 对材料进行分类、堆放、保管,防止材料损坏、丢失。
5. 根据工程进度,提前准备好施工所需的各种工具、设备,如:电焊机、切割机、冲击钻等。
三、一般规定1. 施工前应认真阅读设计图纸及施工方案,了解工程特点及施工要求,严格按照国家相关标准和规范进行施工。
2. 施工过程中应遵循以下一般规定:a. 脚手架搭设前应进行现场勘查,了解地形、地质、周边环境等情况,确保搭设方案合理。
b. 脚手架搭设应按照施工方案进行,不得随意更改。
如需变更,应重新提交审批。
c. 脚手架搭设过程中,应定期进行安全检查,发现问题及时整改。
玻璃栏板、设备栏杆安装质量验收记录工 程 名 称 XX 橡树湾家园(二期) #楼验 收 编 号 #-WZSYS07-LBLG-分部工程名称验 收 部 位 施 工 单 位 项 目 经 理 分 包 单 位分包项目经理执行标准及编号 《建筑装饰装修工程质量验收规范》(GB 50210-2001) 未提及到的标准按相关验收规范及设计要求执行。
检查 项目检查内容及要求分包/班组自检 总包专检 验收结果 结论签字结论签字结论签字A准备工作1 施工方案是否已获批准 □□□2 样板是否施工完成并获得批准;样板编号: □ □ □3 是否有进行技术交底并有相关文件 □ □ □4 进场材料验收合格并有验收单;验收编号: □ □ □ 5上一道工序【外墙排砖、二次结构】是否验收并移交;记录 □□ □ B栏板预埋;扶手、U 型槽安装 1 预埋板是否有预埋在砼块或砼结构上 □ □□2 预埋板位置是否准确;标高是否符合要求 □ □ □3 膨胀螺栓是否有拧紧;且是否均有加30*30方垫片□ □ □ 4 扶手面管与预埋板焊接时是否有保护罩保护,且焊接牢固不晃动 □ □ □ 5 扶手面管是否无变形,且不超过±4mm □ □ □ 6 玻璃栏板安装时是否有吊线控制□ □ □ 7 扶手面管与U 型槽相对位置是否在同一平面上 □ □ □ 8 U 型槽处外侧是否有排水坡度且坡度范围15%~30% □ □ □ 9U 型槽固定点内外布置间距是否不大于500mm ,且焊接牢固□ □ □ 10 玻璃栏板安装高度是否符合规范:不低于室内建筑完成面1100mm □ □ □ 11 栏板焊接时是否有对其他饰面进行保护 □ □ □ 12 成品保护是否已做到位、无漏保护□ □ □ C栏杆预埋、栏杆安装1 预埋板是否有预埋在砼块或砼结构上 □ □□2 预埋板位置是否准确;标高是否符合要求 □ □ □3 膨胀螺栓是否有拧紧;且是否均有加30*30方垫片 □ □ □4 栏杆焊接前收口盖是否有放到位 □ □ □5 栏杆安装时是否有吊线控制□ □ □ 6 栏杆焊接时是否有对其他饰面进行保护 □ □ □ 7栏杆安装高度是否符合规范:不低于1100mm□ □ □ D栏板、栏杆避雷焊接 【监理】1 副框避雷焊接长度是否足够【大于12d 】焊缝是否平顺饱满,焊渣是否清除干净□□□2 避雷连接是否有刷防锈漆□ □ □ 3 栏杆、玻璃栏板避雷焊接是否有考虑不影响贴砖位置【不超过贴砖完成面内10mm 】□ □ □ 4避雷焊接时是否有用专用仪器测量避雷电阻且不小于1欧母 □ □□E玻璃安装打胶、扶手面漆修补 【收尾联合验收】1 玻璃镶入度是否足够,且不小于15mm□□ □工 程 名 称 XX 橡树湾家园(二期) #楼 验 收 编 号 #-WZSYS07-LBLG-分部工程名称验 收 部 位 施 工 单 位 项 目 经 理 分 包 单 位分包项目经理执行标准及编号 《建筑装饰装修工程质量验收规范》(GB 50210-2001) 未提及到的标准按相关验收规范及设计要求执行。
第1篇一、工程概况1. 工程名称:XX项目栏杆安装工程2. 工程地点:XX市XX区XX路XX号3. 工程规模:XX栋楼,每栋楼设有楼梯间、电梯井、阳台等栏杆4. 工程内容:栏杆安装、验收、售后服务等二、施工组织1. 施工单位:XX建筑安装有限公司2. 施工项目经理:XXX3. 施工班组长:XXX4. 施工人员:XXX三、施工准备1. 施工图纸及资料:熟悉施工图纸,了解工程特点、技术要求、施工工艺等。
2. 材料设备:栏杆、连接件、螺栓、焊条、砂轮片、磨光机、水平尺、线锤、卷尺等。
3. 施工机具:电焊机、切割机、砂轮机、磨光机、卷尺、水平尺、线锤等。
4. 施工人员:组织具备相关资质的施工人员进行培训,确保施工质量。
四、施工工艺1. 施工流程(1)施工准备:熟悉施工图纸,了解工程特点、技术要求、施工工艺等。
(2)材料设备准备:检查材料设备质量,确保符合要求。
(3)现场测量:使用水平尺、线锤等工具,确定栏杆安装位置。
(4)栏杆安装:按照施工图纸和技术要求,进行栏杆安装。
(5)验收:对安装完成的栏杆进行检查,确保质量符合要求。
2. 施工方法(1)栏杆材料:采用符合国家标准的钢管、铝合金等材料,栏杆表面进行防腐处理。
(2)连接件:采用螺栓、焊接等方式连接栏杆与立柱。
(3)施工步骤:1)现场测量:使用水平尺、线锤等工具,确定栏杆安装位置。
2)立柱安装:按照测量结果,将立柱固定在预埋件上,确保立柱垂直。
3)栏杆安装:将栏杆与立柱连接,调整栏杆高度和水平度,确保栏杆安装牢固。
4)焊接:对连接件进行焊接,确保连接牢固。
5)防腐处理:对栏杆表面进行防腐处理,延长栏杆使用寿命。
6)验收:对安装完成的栏杆进行检查,确保质量符合要求。
五、施工质量控制1. 材料质量:严格按照国家相关标准,选用优质材料,确保材料质量。
2. 施工工艺:严格按照施工图纸和技术要求,进行栏杆安装。
3. 施工人员:加强施工人员培训,提高施工技能,确保施工质量。
隐蔽工程检查验收记录
内质检软件登记号;47680781
隐蔽工程检查验收记录
内质检软件登记号;47680781
隐蔽工程检查验收记录
内质检软件登记号;47680781
隐蔽工程检查验收记录
内质检软件登记号;47680781
隐蔽工程检查验收记录
内质检软件登记号;47680781
隐蔽工程检查验收记录
内质检软件登记号;47680781
隐蔽工程检查验收记录
内质检软件登记号;47680781
隐蔽工程检查验收记录
内质检软件登记号;47680781
隐蔽工程检查验收记录
内质检软件登记号;47680781
隐蔽工程检查验收记录
内质检软件登记号;47680781
隐蔽工程检查验收记录
内质检软件登记号;47680781
隐蔽工程检查验收记录
内质检软件登记号;47680781。
不锈钢栏杆工程检验批质量验收记录
项目名称:不锈钢栏杆工程
检验批次:第X批
验收日期:YYYY年MM月DD日
1. 前言
本文档记录了对不锈钢栏杆工程第X批的质量验收情况。
本次验收旨在确保工程质量符合相关规范和标准要求。
2. 验收人员
- 主持验收:[填写主持验收人员名字]
- 参与验收:[填写参与验收人员名字]
3. 验收内容
本次验收主要包括以下内容的检查:
- 不锈钢栏杆的外观质量
- 不锈钢栏杆的尺寸精度
- 不锈钢栏杆的装配质量
- 不锈钢栏杆与周边结构的连接质量
4. 验收结果
经过对第X批不锈钢栏杆工程的全面检查和评估,验收结果如下:
5. 验收结论
综合以上验收结果和评估,针对第X批不锈钢栏杆工程,我们达成以下结论:
[填写验收结论]
6. 验收意见
基于对第X批不锈钢栏杆工程的质量验收,我们提出以下意见:- [填写验收意见]
7. 验收人员签名
主持验收人员签名:_________________________
参与验收人员签名:_________________________
8. 附件
- [附件1:不锈钢栏杆工程图纸]
- [附件2:不锈钢材料合格证书]
- [附件3:不锈钢栏杆安装说明书]
本文档仅适用于不锈钢栏杆工程第X批的质量验收记录,不得用于其他用途。
所谓工程中讲的隐蔽,就是后序工程把前序工程隐藏遮蔽的过程。
比如钢筋被砼隐藏遮蔽,就是钢筋隐蔽验收最佳答案主要隐蔽工程项目检查和填写记录依据隐蔽工程名称隐蔽依据隐蔽项目1)土方工程★施工图纸、设计说明及地质勘察报告;★图纸会审记录、设计变更及洽商变更;★质量验收规范、企业施工技术(工艺)标准和有关设计规范、相关施工方案;★土质鉴别法;★环刀法取样及土密度测定法。
★地基处理情况(如换土、洞穴、淤泥、积水的处理,地下水排除等);★基槽标高、槽宽、放坡尺寸、排水盲沟的设置情况;★地基填方土料土质,回填土标高、尺寸;★回填土分屋厚度及总厚度、夯实方法、干土质量密实度;★土样取样的分布和试验的数量。
2)钢筋混凝土预制桩★施工图纸、设计说明及地质勘察报告;★图纸会审记录、设计变更及洽商变更;★质量验收规范、企业施工技术(工艺)标准和有关设计规范、相关施工方案;★预制桩出厂合格证;★试桩、压桩及打桩施工记录;★贯入度、标高的记录;★单桩承载力试验报告。
★自然地坪标高;★桩位偏差;★桩顶标高;★接桩、截桩、断桩、补桩;★贯入度。
3)钢筋混凝土灌注桩★施工图纸、设计说明及地质勘察报告;★图纸会审记录、设计变更及洽商变更;★质量验收规范、企业施工技术(工艺)标准和有关设计规范、相关施工方案;★材料出厂合格证及试验报告;★钢筋笼、构造连接;★单桩垂直度。
★配筋情况;★桩底土层;★实测孔径、孔深;★虚土厚度与虚土处理。
4)混凝土工程★施工图纸、设计说明及设计变更;★质量验收规范、企业施工技术(工艺)标准;★材料出厂合格证及试验报告;★混凝土试件(同条件)。
★混凝土强度;★轴线尺寸/标高/厚度/几何尺寸及观感检查(垫层表面平整度);★预埋件。
5)钢筋工程★施工图纸、设计说明及设计变更;★质量验收规范、企业施工技术(工艺)标准;★材料出厂合格证及试验报告;★钢筋机械连接或焊接试件。
★结构平面位置,标高;★钢筋配筋:直径、根数、钢号、间距、排距、保护层厚度、焊接接头、搭接长度、锚固、绑扎、垫块间距、钢筋外观、表面布置;★特殊部位或构件钢筋位置、预埋件、拉接筋;★悬挑构件。
护栏和扶手制作与安装工程检验批质量验收规范
主控项目:
一、12.5.3护栏和扶手制作与安装所使用材料的材质、规格、数量和木材、塑料的燃烧性能等级应符合设计要求。
检验方法:观察;检查产品合格证书、进场验收记录和性能检测报告。
二、12.5.4护栏和扶手的造型、尺寸及安装位置应符合设计要求。
检验方法:观察;尺量检查;检查进场验收记录。
三、12.5.5护栏和扶手安装预埋件的数量、规格、位置以及护栏与预埋件的连接节点应符合设计要求。
检验方法:检查隐蔽工程验收记录和施工记录。
四、12.5.6护栏高度、栏杆间距、安装位置必须符合设计要求。
栏杆安装必须牢固。
检验方法:观察;尺量检查;手扳检查。
五、12.5.7护栏玻璃应使用公称厚度不小于12mm的钢化玻璃或钢化夹层玻璃。
当栏杆一侧距楼地面高度为5m及以上时,应使用钢化夹层玻璃。
检验方法:观察;尺量检查:检查产品合格证书和进场验收记录。
一般项目:
一、12.5.8护栏和扶手转角弧度应符合设计要求,接缝应严密,表面应光滑,色泽应一致,不得有裂缝、翘曲及损坏。
检验方法:观察;手摸检查。