防火涂料涂装工程检验批质量验收记录
- 格式:doc
- 大小:13.77 KB
- 文档页数:1
防火涂料涂装工程检验批质量验收记录防火涂料涂装工程检验批质量验收记录一、工程基本情况工程名称:某宾馆楼梯间防火涂料涂装工程涂装单位:XXX涂装有限公司涂装日期:2021年6月1日-6月5日二、涂装材料及设备1. 防火涂料:采用XXX品牌FM201型水性防火涂料,其防火等级达到B1级别,耐火极限为60min,干燥时间为24小时。
2. 涂装设备:喷枪、刷子、滚筒、搅拌器、压力桶等。
三、涂装工艺及验收标准1. 涂装基层处理:原基层表面松散、开裂、污染、油污等应清除干净,基层应平整、牢固。
2. 涂装工艺:采用刷涂、喷涂、滚涂等方式,每遍涂布应均匀、充实,不得漏涂、滴涂、浮筑等现象,涂料涂布厚度应符合设计要求。
3. 涂装过程控制:涂装温度在5℃-35℃之间,湿度在85%以下,每遍涂布间隔时间应根据设计要求确定,涂装过程应做好通风换气措施,避免火源。
4. 涂装质量验收标准:涂层表面平整、光滑,无明显刷痕、流挂、气泡、裂纹等缺陷,涂层颜色、光泽应符合设计要求,防火等级符合要求。
四、检验批次及结果本次涂装工程共分为5个工作日,经过现场监控和检验,涂装单位共完成了5个检验批次,其中2个合格,3个不合格。
不合格原因如下:1. 第2、3批次出现了涂层的表面不平整、出现少许气泡的情况,可能是涂布不充分,未涂布平整。
2. 第5批次出现了涂层与基层之间出现雾化现象,可能是漆枪喷涂时距离太远导致。
以上不合格情况均及时整改并重新涂装,最终验收全部合格。
五、涂装工程后期监控为保证施工后涂层质量,建议涂装单位在涂装后定期进行涂层表面硬度、厚度、涂层附着力的检测,并设立相应的维修保养方案,避免涂层老化、剥落等问题的发生。
六、工程验收结论本次某宾馆楼梯间防火涂料涂装工程,涂装单位采用了适当的涂装材料和设备,并按照涂装工艺标准进行施工,现场监控和检验也取得了良好的效果。
经过本单位的整改,最终所有检验批次全部合格,故该工程经过验收合格,可以投入使用。
防火涂料涂装工程检验批质量验收记录防火涂料涂装工程检验批质量验收记录一、项目概述防火涂料涂装工程是建筑领域中非常重要的一项工程,主要作用是保障建筑物的防火安全,并提高建筑的防火等级。
因此,对于防火涂料涂装工程的质量验收十分重要,只有通过严格的验收,才能确保涂装的防火涂料的质量,以及保障建筑物的安全。
本次防火涂料涂装工程涂装了石膏板和金属龙骨等建材,防火涂料使用SBI级别的环保防火涂料。
二、质量验收内容1. 环保防火涂料质量检测:检测防火涂料是否符合环保标准,以及防火级别是否符合项目要求。
2. 涂料涂装前表面处理检查:检查涂装的材料表面是否处理干净,是否平整,是否存在凹凸不平的情况。
3. 涂料涂装操作检查:检查涂料涂装的过程是否规范,是否均匀,涂层是否符合涂料技术要求。
4. 涂层干燥时间检查:检查涂层是否在规定干燥时间内完成,以及所使用的涂料添加剂是否与规范要求相符。
5. 涂装面外观检查:检查涂装面的外观质量是否符合规范要求,如涂层厚度、平整度、无气泡、无流挂、柔韧性等。
三、验收记录验收方案的准备和审批验收方案严格按照项目规划和技术要求编制,经过相关负责人审批同意后执行。
材料和设备的验收环保防火涂料须通过专业机构检测合格后参与工程建设,涂装前检查各种工具和设备是否完好,保证施工质量。
前置工作验收进行涂料涂装前的表面处理,清理应按要求彻底,先检查表面后涂装,确保表面达到净化要求,这是控制涂装质量、保证涂层附着力的前提条件,且表面处理无遗漏,无鬼吹刀,在涂板前无皮膜,划痕等缺陷。
基材涂布工人须穿戴各种防护措施,涂刷施工时需保证,涂胶要摊匀,刷漆要均匀且匀厚,保证不掉色、不起皮、不裂纹;严格保持室内通风,环保涂料适用于通风情况良好的场合,可预防可挥发有机物(VOC)对人体的危害。
涂层质量要求涂层正、反面无残留,无皮膜划痕等质量缺陷;涂层胶膜厚度均匀,良好的附着力;无颜色差或漆之间立不靠、脱层、裂纹等质量缺陷。
防火涂料涂装检验批质量验收记录一、工程概况:项目名称:XX建筑工程承建单位:XX公司工程位置:XX地点涂装单位:XX公司防火涂料型号:XX涂装面积:XX平方米涂装厚度:XX毫米二、检验人员:建设单位代表:XXX监理单位代表:XXX涂装单位代表:XXX质检人员:XXX三、质量验收内容:1.防火涂料材料的验收:(1)防火涂料型号、产地、生产批号等信息的检查;(2)防火涂料包装是否完好,是否有变形、损坏等现象;(3)检查防火涂料颜色是否符合规定;(4)防火涂料外观及质地的检查,是否有结块、絮状等情况;2.防火涂料涂装施工的验收:(1)涂装前的基层处理是否符合要求,如清洁度、平整度等;(2)涂装施工过程中的操作规范是否符合防火涂料施工工艺要求;(3)涂装厚度是否符合设计要求,通过测量涂装层厚度来评判;(4)涂装层的平整度、附着力、致密性等性能的检验和评价;(5)涂装是否出现漏涂、滴流、泛白、起皮等现象;(6)涂装后的表面是否平整、无刮痕、裂纹等缺陷;(7)防火涂料施工现场的清洁情况;3.防火涂料涂装完成后的验收:(1)检查涂装表面的质量,如光泽度、颜色均匀性等;(2)对涂装层进行划格、刺扎等试验,评价其抗划伤、抗冲击性能;(3)取样进行防火性能测试,评价其防火等级和耐火时间等指标;(4)根据设计图纸和施工合同要求,进行手工或仪器测量,评估涂装层的厚度;(5)对涂装完成后的工程进行外观检查,评价其美观度;(6)检查施工过程中的防火涂装技术文件是否齐全,如操作规程、涂装工艺流程、验收标准等;四、质量验收记录:日期:XX年XX月XX日防火涂料型号:XX数量:XX桶生产厂家:XX公司是否合格:合格/不合格2.防火涂料涂装施工的验收记录:日期:XX年XX月XX日涂装单位:XX公司涂装面积:XX平方米涂装厚度:XX毫米涂装施工是否符合要求:符合/不符合涂装质量是否合格:合格/不合格3.防火涂料涂装完成后的验收记录:日期:XX年XX月XX日防火涂料的防火等级:XX防火涂料的耐火时间:XX分钟涂装层厚度测量值:XX毫米防火涂料的外观质量评价:优/良/中/差五、质量验收结论:根据以上检验结果,经评估,结合施工图纸和技术要求,对防火涂料涂装施工质量进行总体评价,包括涂料材料的验收、涂装施工过程的验收以及涂装完成后的验收。
防火涂料涂装工程检验批质量验收记录项目名称:防火涂料涂装工程工程地点:XXX工程单位:XXX一、工程概况二、质量验收依据1.相关技术规范和标准;2.监理要求和验收规定。
三、质量验收内容1.防火涂料的选择(1)根据设计要求,选择符合国家标准和建筑设计防火标准的防火涂料;(2)检查防火涂料的出厂检验报告,确认其质量符合要求。
2.涂装工艺(1)根据涂装工艺要求,进行涂装前的底材处理。
底材必须清洁无油污、尘土等杂物,并进行表面处理;(2)检查涂装工艺是否符合设计要求,涂装层厚度、涂装数量等是否满足规范要求;(3)检查涂装工艺的施工现场,是否存在渗漏、漏涂、块状、空鼓等现象;(4)检查涂装工艺中使用的辅助材料是否符合要求,如稀释剂、固化剂等;(5)检查涂料涂装后的表面是否光滑平整,是否有流挂、滴落等现象。
四、质量验收结果经过验收,防火涂料涂装工程质量符合相关技术规范和标准,符合监理要求和验收规定。
五、存在的问题及处理措施在验收过程中发现以下问题:1.涂料涂装过程中出现了少量的渗漏和漏涂现象;2.涂装的表面存在了一些块状和空鼓。
针对以上问题1.对涂装过程中出现的渗漏和漏涂现象,应进行补涂和修补,确保涂装的连贯性和完整性;2.对涂装表面的块状和空鼓进行修理和充填,使其表面平整光滑。
六、验收结论本次防火涂料涂装工程经过质量验收,工程质量符合要求,可以正式交付使用。
七、附件1.防火涂料出厂检验报告;2.监理单位出具的涂装工艺验收意见。
以上是对防火涂料涂装工程进行质量验收的记录,权证工程质量符合相关技术规范和标准,合格并可以交付使用。
希望以上内容对您有所帮助。
防火涂料涂装分项工程检验批质量验收记录项目名称:防火涂料涂装分项工程工程地点:xxxx日期:xxxx年xx月xx日委托单位:xxxx公司承包单位:xxxx公司监理单位:xxxx公司施工单位:xxxx公司检验单位:xxxx公司1.工程概况2.检验内容本次检验主要包括以下内容:2.1防火涂料的质量检验:检验防火涂料的材质、质量等技术参数是否符合相关标准和规定。
2.2防火涂料涂装工艺的检验:检验施工单位是否按照规范要求进行工艺操作,并检查工艺操作是否符合要求。
2.3防火涂料涂装质量检验:检查涂装表面是否平整、无颜色漏涂、无起泡、无裂纹等缺陷。
3.检验过程3.1防火涂料的质量检验3.1.1检验防火涂料的材质:对涂料样品进行取样,并送至实验室进行材质分析,检测其成分是否符合相关标准和规定。
3.1.2检验防火涂料的质量:对涂料样品进行抗拉强度测试、抗压强度测试、燃烧性能测试等,检测其质量是否符合相关标准和规定。
3.2防火涂料涂装工艺的检验3.2.1检查施工单位是否按照规范要求进行涂装工艺操作,包括基层处理、底漆涂装、间隔涂装等。
3.2.2检查施工单位是否按照规范要求使用涂料工具和设备,并检测其使用情况是否正常。
3.3防火涂料涂装质量检验3.3.1进行涂料涂装表面的目测检查,检查涂装表面是否平整,有无颜色漏涂、起泡、裂纹等缺陷。
3.3.2使用涂料涂膜厚度检测仪进行涂膜厚度的测量,检查涂膜厚度是否符合规范要求。
3.3.3进行涂装质量的验收抽样,将抽样的涂装部位进行油漆剥离试验,检测涂料附着力是否符合规范要求。
4.验收结论4.1防火涂料的质量检验结论:经实验室检测,防火涂料的材质和质量均符合相关标准和规定,达到了要求。
4.2防火涂料涂装工艺的检验结论:施工单位按照规范要求进行了涂装工艺操作,并使用了合适的涂料工具和设备,工艺操作符合要求。
4.3防火涂料涂装质量检验结论:涂装表面平整,无颜色漏涂、起泡、裂纹等缺陷。
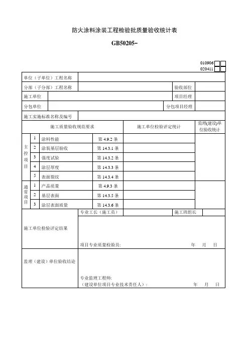
注:主控项目应符合设计及技术变更要求。
SG—T074填写说明
一、本表适用于钢结构防火涂料涂装工程检验批质量的检查验收。
钢结构防火涂料涂装工程可按钢结构制作或钢结构安装工程检验批的划分原则划分成一个或若干个检验批。
二、主控项目中:
1.为保证表面除锈质量,钢材表面除锈用铲刀检查,并用GB8923《涂装前钢材表面锈蚀等级和除锈等级》规定的图片对照观察检查。
底漆涂装用干漆膜测厚仪检查,每个构件检测5处,每处的数值为3个相距50mm测点涂层干漆膜厚度的平均值。
2.每使用100t或不足100t薄涂型防火涂料应抽检1次粘结强度;每使用500t或不足500t厚涂型防火涂料应抽检1次粘结强度和抗压强度。
3.涂层厚度采用涂层厚度测厚仪、测针和钢尺检查;测量方法应符合行业标准CECS24:90《钢结构防火涂料应用技术规程》的规定以及符合本规范附录F的规定;对于楼板和墙面,在所选择的面积中,至少测出5个点;对于梁和柱在所选择的位置中,分别测出6个和8个点,分别计算出它们的平均值,精确到0.5mm。
4.将实测的涂层表面裂纹宽度的数值填写人相应的栏目。
三、一般项目中:
1.为了保证涂装质量,所以规范规定防火涂料的涂装基层应清理干净,且应全数进行检查。
2.防火涂料的产品质量检查,除检查资料文件外,还应开桶抽查。
开桶抽查除检查涂料结皮、结块、胶凝等现象而外,还应与质量证明文件对照涂料的型号、名称、颜色及有效期等。
因此,要求按桶数抽查5%,且不应少于3桶。
3.规范规定了防火涂料不应误涂或漏涂;规定了防火涂料涂层的表面质量,并规定应全数进行检查。