勘查报告中工程地质岩组划分
- 格式:docx
- 大小:346.53 KB
- 文档页数:5
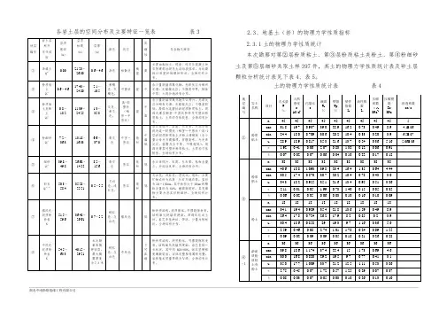
各岩土层的空间分布及主要特征一览表表32.3、地基土(岩)的物理力学性质指标2.3.1土的物理力学性质统计本次勘察对第②层粉质粘土、第③层粉质粘土夹粉土、第④粉细砂土及第⑤层细砂共取土样397件,其土的物理力学性质统计表及砂土层颗粒分析统计表见下表4、表5。
土的物理力学性质统计表表4砂土层颗粒分析统计表表52.3.2剪切试验指标统计本次勘察对土试样进行了直接快剪试验,其抗剪强度指标C、φ值统计详见下表6。
抗剪强度指标统计表表62.3.3标准贯入试验锤击数统计本次勘察对第②层粉质粘土、第③层粉质粘土夹粉土、第④层粉细砂及第⑤层细砂分别进行了标准贯入试验,其标贯锤击数统计见下表7。
标准贯入试验锤击数统计表表72.3.4重型动力触探试验锤击数统计表(N63.5)本次勘察对第⑥层卵石及第⑦层强风化泥质粉砂岩进行了重型动力触探试验,其动探锤击数统计见下表8。
重型动力触探试验锤击数统计表(N63.5)表82.3.5静力触探比贯入阻力Ps值统计本次勘察对第②层粉质粘土、第③层粉质粘土夹粉土、第④层粉细砂进行了静力触探试验,其比贯入阻力Ps值统计见下表9。
静力触探比贯入阻力Ps值统计表表92.3.6岩石单轴抗压强度统计本次勘察对第⑦层强风化泥质粉砂岩及第⑧层中风化泥质粉砂岩共取岩样42件,其岩石天然单轴抗压强度统计见下表10。
岩石天然单轴抗压强度统计表表10说明:以上统计已剔除异常值。
3.4、场地坏境类型依据《岩土工程勘察规范》(GB50021-2001)(2009年版)附录G规定,场地环境地质条件为湿润区强透水层中的地下水,故拟建场地环境类型应属Ⅱ类。
4、场地地震效应4.1、抗震设防按“中国地震动参数区划图”,武汉地区地震基本烈度为6度,设计基本地震加速度值为0.05g,设计地震分组为第一组,拟建建筑物可按6度进行抗震设防,抗震设防类别属标准设防类。
经查阅“武汉市主城规划区地震动参数小区规划图”,本拟建场地属IIIA区。
岩土工程勘察作业手册第一篇:岩土工程勘察作业手册岩土工程勘察作业手册(讨论稿)1、公司承揽勘察业务后,由公司业务部门(或总工)安排该项目负责人,项目负责人接到勘察任务书后,应主动联系建设及设计相关单位,尽量获取以下资料:a、项目批文b、带有地形图的红线图纸c、建筑总平图d、设计单位勘察技术要求。
2、项目负责人布置勘探工作量。
如公司业务部门已布置勘探工作量,必须核实勘察布置工作量是否能满足规范及设计要求。
3、项目负责人野外施工前宜对场地进行踏勘,踏勘应着重检查以下几点:a、核查场地是否做到三通一平。
b、核查场地中是否存在地下电力管线、供水管线、燃气管线、通信光缆等重要的地下管线分布,以及是否有高压低空电缆等危险源。
在施钻前应编制勘察大纲,勘察大纲由总工审核。
4、工程技术人员带领野外机台班组进行野外勘探孔测量放样工作。
原则上,勘探点位测设应采用全站仪等测绘仪器进行放样,勘探孔点位精度应满足以下要求,对于详细勘察阶段:平面位置偏差±0.25米,高程测量偏差±5cm。
对于重要性等级为三级,且地形图齐全,场地没有做过处理,有空间参照物引测的一般工程,可利用地形图结合钢卷尺放样。
测绘的原始记录必须由测量人及检查人签字。
5、工程技术人员在野外施钻前,应对钻机台班进行施工交底,施工交底应由钻机机长及编录人员以及静探操作员工的签字。
6、工程技术人员对野外钻机机台作业质量及安全生产进行监督,原则上应每天去工地进行野外巡查,巡查内容:a、核对取土勘探孔土芯与编录描述是否一致。
b、核对施工勘探孔的移位情况,如有移位,应在野外布孔图中标注移位的方向、距离。
c、有标准贯入原位测试的,对每一层中若干个测试进行旁站监督。
d、核对静探曲线是否有错误,如有错误,应及时进行纠正弥措施。
e、检查机台操作人员的安全生产保证措施是否到位。
7、项目负责人在野外施工期间进行中间检查,检查次数根据项目重要性等级、场地等级等条件确定,不得少于1次中间检查。
工程地质勘察报告工程地质勘察报告一、概述根据您的要求,我们对XX地块进行了工程地质勘察。
本报告旨在分析该地块的地质情况,为您的工程设计和施工提供参考。
二、勘察范围本次勘察范围包括地表调查、钻探、土壤和岩石取样分析等。
三、勘察结果及分析1. 地质背景本地块属于XX地区,地层主要由XX组和XX组组成。
地层呈现XX倾向,并存在较明显的断裂构造。
该地区多年来无明显的地壳活动记录,地表形态较稳定。
2. 地表调查根据地表调查结果显示,地表主要由松散土层、粉质黏土和岩石等组成。
其中,松散土层较薄,平均厚度约XX米;粉质黏土层较厚,平均厚度约XX米;岩石主要由花岗岩和片麻岩组成,岩石呈现XX构造。
3. 钻探结果我们完成了XX个钻孔,并对XX米至XX米深的地层进行了取样。
分析结果显示,上部地层主要由XX土、玄武土等松散土层构成,下部地层主要为坚硬的花岗岩和片麻岩。
4. 岩土工程性质根据取样结果,可以得出以下岩土工程性质:XX土的承载力约为XXkPa,黏土含水量为XX%,抗剪强度为XXkPa。
花岗岩和片麻岩的抗压强度约为XXMPa。
五、结论1. 本地块的地质背景较为稳定,地表主要由松散土层、粉质黏土和岩石组成。
2. 地层深部主要为坚硬的花岗岩和片麻岩,具有较高的抗压强度。
3. 根据岩土工程性质分析,该地块具备一定的承载力,适合进行工程施工。
4. 建议在施工过程中采取相应的支护措施,以确保工程的稳定性和安全性。
六、建议根据以上分析,我们建议在设计和施工过程中,注意以下几点:1. 合理设计地基基础,根据土壤和岩石的性质确定合适的承载力。
2. 根据具体地理条件,选择适当的施工方法和材料。
3. 采取必要的支护措施,如加固地基、护坡等,确保工程的稳定性。
4. 在施工过程中注意细节,加强监测和质量控制,及时处理施工中出现的问题。
七、风险和注意事项1. 由于地块存在断裂构造,需要注意相关地质风险,如地震、地面沉降等。
2. 施工过程中应注意岩石的处理方法,避免对环境造成不良影响。
岩土工程地质勘察报告【岩土地质勘察报告范本】岩土工程地质勘察报告【岩土地质勘察报告范本】岩土地质勘察报告范本普查报告目录1. 绪论11.1 工作目的任务11.2 位置交通11.3 自然地理与经济概况11.4 以往地质工作评述21.5 本次地质勘查工作情况32. 区域地质及矿区地质32.1 区域地质32.2 矿区地质53. 矿床地质73.1 矿体分布、规模及产状73.2 矿石特征83.3 矿石中有益及有害组份含量及其变化93.4 矿体围岩地质特征及覆盖层特点103.5 矿床类型及找矿标志103.6 矿石加工技术性能114. 矿床开采技术条件114.1 水文地质114.2工程地质154.3 环境地质165. 勘查工作及其质量评述165.1勘查方法及工程布置165.2勘查工程质量评述175.3地质勘查工程测量及其质量评述175.4 地质填图工作及其质量评述185.5 采样、化验工作及其质量评述196. 资源/储量估算206.1 储量/估算所依据的工业指标206.2储量/估算方法的选择及其依据206.3储量/估算参数的确定216.4矿体圈定原则及块段划分226.5资源/储量分类226.6剥采比计算与资源/储量估算结果237. 矿床开发经济意义概略研究237.1水泥用石英砂岩资源形势分析237.2矿山开发的技术条件247.3经济效益和社会效益258. 结论258.1结论258.2 建议261. 绪论1.1 工作目的任务为与##水泥灰岩矿寻找配套的硅质原料基地,##省国土资源厅以#国土资勘便字013号文件,将“####水泥用石英砂岩矿勘查”项目下达我队承担。
2021年6月6日##省国土资源厅地勘处组织有关专家对我队提交的《##省###县##水泥用石英砂岩矿普查设计》进行审查,以##国土资勘便字058号文批准实施。
本次工作主要任务是:通过矿区1:2000地形地质草测,基本查区内地层、构造、岩浆岩的分布、产状及相互关系。
1 前言1.1 工程概况受杭州xx有限公司委托,我公司承担了xx项目的岩土工程详细勘察任务。
拟建工程位于萧山区xx街道,总用地面积42039m2,规划总建筑面积约89000 m2。
项目北侧为两幢十~十二层办公楼及业务楼,南侧为三~五层商业用房,场地整体下设一层地下室,框架结构,办公楼及业务楼预估最大单柱荷载约10000kN,拟采用桩基础;商业用房预估最大单柱荷载约4000kN.拟采用天然地基浅基础或桩基础。
1.2 岩土工程勘察等级依据《岩土工程勘察规范》(GB50021-2000,2009年版)第3.1.1~3.1.4条规定,本项目工程重要性等级为二级,场地复杂程度等级为二级(中等复杂场地),地基复杂程度等级为二级(中等复杂地基),场地下设一层地下室,基坑开挖深度约5米,属二级基坑,综合确定岩土工程勘察等级为乙级。
1.3 勘察目的与任务要求本次岩土工程勘察属详细勘察阶段,其目的是通过钻探查明场地工程地质条件,主要采用综合评价方法对场地和地基稳定性作出结论,对不良地质作用和特殊性岩土的防治、地基基础形式、埋深、地基处理、基坑工程支护等方案提出建议,提供设计、施工所需的岩土工程资料和参数。
本次详细勘察具体要求如下:1查明建筑场地各岩土层的地层结构和均匀性以及特殊性岩土的性质,尤其应查明基础下软弱和坚硬地层分布,以及各岩土层的物理力学性质;2查明地下水类型、埋藏条件、补给及径流排泄条件,评价腐蚀性及提供稳定水位和水位变化幅度及各主要地层的渗透系数;建议基坑开挖工程应采取的地下水控制措施,分析评价降水对周围环境的影响;提出抗浮设计水位的建议;3对地基岩土层的工程特性和地基的稳定性进行分析评价,提出各岩土层的地基承载力特征值和各土层的压缩模量;4对桩基类型、适宜性、持力层选择提出建议,提供桩的桩周土摩擦力特征值、桩端土承载力特征值和变形计算的有关参数;对沉(成)桩可行性、施工时对环境的影响及桩基施工中应注意的问题提出意见;5对基坑工程的设计、施工方案提出建议;6对不良地质作用的防治提出意见,并提供所需计算参数;7划分建筑场地类别,划分对建筑抗震有利、一般、不利或危险地段;8对施工中可能出现的岩土工程问题提出预防措施的建议。
岩土工程勘察报告目录1. 序言 (1)1.1 工程概况 (1)1.2 勘察目的、任务和技术要求 (1)1.3 勘察依据和执行标准 (1)1.4 勘察工作方法及工作量 (2)2. 场地工程地质条件及水文地质条件 (3)2.1 场地位置及地形地貌 (3)2.2 区域地质与构造背景 (3)2.3 地层结构及岩性特征 (3)2.4 地下水 (4)3. 场地地震效应评价 (4)3.1 抗震设防烈度 (4)3.2 场地土类型及建筑场地类别 (4)3.3 地震效应 (5)3.4 抗震地段划分等级 (5)4. 岩土工程性能分析与评价 (5)4.1 各岩土层主要物理力学性质 (5)4.1.2 标准贯入试验 (6)4.2 各岩土层的工程性能评价 (6)5. 水、土腐蚀性评价 (7)5.1 地下水的腐蚀性 (7)5.2 土的腐蚀性 (7)6. 场地稳定性和适宜性评价 (8)7. 地基与基础 (8)7.1 地基均匀性评价 (8)7.2地基与基础方案 (8)7.2.1浅基础方案 (8)7.2.2基础施工 (9)8. 施工对环境的影响 (9)9. 结论及建议 (9)附图表: (10)1. 序言1.1 工程概况我公司受海南省万宁市中等卫生职业技术学校的委托,承担了海南省万宁市中等卫生职业技术学校学生食堂拟建场地的详细勘察任务。
建筑物的规模和特征见表1.1:表1.11.2 勘察目的、任务和技术要求本次勘察目的是为拟建工程提供详细的岩土工程资料和设计、施工所需要的岩土参数;对建筑地基作出岩土工程评价,并对地基类型、基础形式、地基处理和不良地质作用的防治等提出建议。
主要任务如下:①查明拟建场地的地形地貌特征及场地内有无影响场地稳定性的不良地质作用,对场地稳定性作出评价;②查明各岩土层的成因类型、地层构成、分布规律及其工程特性;③提供场地各岩土层的物理力学性质指标值,对地基土的工程性能作出评价;④查明有无暗河、沟浜、墓穴、防空洞、孤石等对工程不利的埋藏物;⑤查明地下水的分布情况、类型及埋藏条件。
XXXXXXXX工程名称工程地质勘察报告二○一七年七月工程地质勘察报告1、前言1.1工程概况1.2勘察内容1)对坝址区内主要的地形、地貌、地层岩性、地质构造、地震、地下水特性和不良地质现象的类别、规模和特征等的阐述。
并查明坝基地层物理力学性质等工程地质条件。
2)查明坝基及坝肩渗漏、渗透特性等水文地质条件,通过压水试验等查明坝基渗透性。
3)通过砌体取芯样做抗压强度试验、坝体压水试验等检查坝体砌筑质量。
4)通过钻孔试验数据对坝址工程整体地质情况进行描述和确认。
1.3勘察依据及执行标准本次勘察工作所依据的技术规范、标准及文件●行标《中小型水利水电工程地质勘察规范》(SL55-2005)●国标《水利水电工程地质勘察规范》(GB50487-2008)●行标《水利水电工程钻孔压水试验规程》(SL31-2003)●行标《水利水电工程钻探规程》(SL291-2003)●行标《水利水电工程边坡设计规范》(SL386-2007)●行标《水工建筑物抗震设计规范》(DL5073-2000)●国标《中国地震动参数区划图》(GB 18306-2001)●国标《土工试验方法标准》(GB/T 50123-1999)●《水利水电工程地质手册》●设计单位提供《钻探技术要求》1.4勘察工作布置及工作完成情况1.4.1勘察工作布置本次勘察工作勘探点的数量和位置由设计单位布设,详见“坝址区勘探点平面位置图(图号S-1)”。
勘探点的位置沿坝体工程布置,左、右岸坝肩各布置1个勘探点,共布设勘探点2个,勘察点间距约98米。
根据设计单位提出的“勘察技术要求”和“勘探点布置图”,遵照现行规范和有关文件的要求,布设2个均为控制孔,孔深控制:各孔深入稳定基岩、压水试验值小于3Lu。
1.4.2勘察工作完成情况本次勘察工作于2012年12月22日至12月28日完成野外钻探、取样及压水试验等工作;室内试验自2012年12月29日开始,2013年1月10日结束。
工程地质勘察技术习题库+参考答案一、单选题(共30题,每题1分,共30分)1、按物质组成和堆填方式,填土分为素填土、()、冲填土和压实填土四类。
A、杂填土B、三合土C、老填土D、新近填土正确答案:A2、计算岩土参数标准值时,正、负号的取用按照()考虑。
A、相关规范要求B、不利组合C、参数的变异性D、参数值的大小正确答案:B3、静力触探时,探头应匀速垂直压入土中,贯入的速度控制在()。
A、2.0 m/minB、1.0m/minC、1.2 m/minD、1.5 m/min正确答案:C4、投标文件是应()要求编制的响应性文件。
A、招标文件B、咨询公司C、行业主管部门D、招标代理公司正确答案:A5、对于较深大的岩溶洞穴或土洞可以采用()的措施进行处治。
A、灌注充填B、清除填堵C、跨越D、强夯正确答案:C6、一般性的勘探孔深度应达到预计桩长以下(3-5)d(桩径),且不得小于()。
对于大直径桩,不得小于5m。
A、1mB、4mC、2mD、3m正确答案:D7、利用标贯数据的()确定土层承载力,利用标贯数据的()判定土层密实度。
A、标准值平均值B、平均值标准值C、单点实测值标准值D、标准值单点实测值正确答案:A8、工程地质测绘与调查时,项目组质量检查人员进行室内检查工作量应大于总工作量()。
A、20%B、5%C、10%D、0.5-1%正确答案:A9、地下水监测时,监测孔深度应达到可能最低水位或基础施工最大降深()处。
A、0.5mB、1.5mC、1.0mD、2.0m正确答案:C10、投标行为是()。
A、多次性的,开标后可以更改B、一次性的,开标后仅可更改报价C、多次性的,但开标后仅可更改报价1次D、一次性的,开标后不能更改正确答案:D11、为平价场地地下水对混凝土、钢结构的腐蚀性,应在同一场地至少采集()水样进行试验分析。
A、3件B、2件C、5件D、6件正确答案:A12、湖北地区在长江、汉江的二级阶地往往分布有Q3的老黏土,该老黏土一般属中等膨胀土。
岩土工程勘察规范岩土工程勘察规范GB 50021 2001主编部门:中华人民共和国建设部批准部门:中华人民共和国建设部施行日期:2 0 0 2 年3 月1 日关于发布国家标准《岩土工程勘察规范》的通知建标[2002]7 号根据我部《关于印发一九九八年工程建设国家标准制订、修订计划(第二批)的通知》(建标[1998]244 号)的要求,由建设部会同有关部门共同修订的《岩土工程勘察规范》,经有关部门会审,批准为国家标准,编号为GB50021 2001,自2002 年3月1 日起施行。
其中、、、、、、、、、、、、、、、为强制性条文,必须严格执行。
原《岩土工程勘察规范》GB50021 94 于2002 年12 月31 日废止。
本规范由建设部负责管理和对强制性条文的解释,建设部综合勘察研究设计院负责具体技术内容的解释,建设部标准定额研究所组织中国建筑工业出版社出版发行。
前言本规范是根据建设部建标[1998]244 号文的要求,对1994 年发布的《国标岩土工程勘察规范》的修订。
在修订过程中,主编单位建设部综合勘察研究设计院会同有关勘察、设计、科研、教学单位组成编制组,在全国范围内广泛征求意见,重点修改的部分编写了专题报告,并与正在实施和正在修订的有关国家标准进行了协调,经多次讨,论反复修,改先后形成了《初稿》、《征求意见稿》、《送审稿》经审查报批定稿。
本规范基本上保持了1994 年发布的《规范》的适用范围、总体框架和主要内容,作了局部调整。
现分为14 章:1.总则;2.术语和符号;3.勘察分级和岩土分类;4.各类工程的勘察基本要求;5.不良地质作用和地质灾害;6.特殊性岩土;7.地下水;8.工程地质测绘和调查;9.勘探和取样;10.原位测试;11.室内试验;12.水和土腐蚀性的评价;13.现场检验和监测;14.岩土工程分析评价和成果报告。
本次修订的主要内容有:1.适用范围增加了“核电厂”的勘察;2.增加了“术语和符号”章;3.增加了岩石坚硬程度分类、完整程度分类和岩体基本质量分级;4.修订了“房屋建筑和构筑物”以及“桩基础”勘察的要求5.修订了“地下洞室”、“岸边工程”、“基坑工程”和“地基处理”勘察的规定;6.将“尾矿坝和贮灰坝”节改为“废弃物处理工程”的勘察;7.将“场地稳定性”章名改为“不良地质作用和地质灾害”;8.将“强震区的场地和地基”、“地震液化”合为一节,取名“场地与地基的地震效应”;9.对特殊性土中的“湿陷性土”和“红粘土”作了修订;10.加强了对“地下水”勘察的要求;11.增加了“深层载荷试验”和“扁铲侧胀试验”等。
1 概述1.1 概况拟建项目位于广西壮族自治区西南部,行政区域属于崇左市大新县,地理坐标介于东经106°45′∼107°09′,北纬22°36′∼22°56′,拟建项目路线起于大新县雷平乡,与大新至崇左二级公路相接,经勘圩、排塘、硕龙至下雷,路线全长约60Km,附加硕龙支线3.7 Km。
本项目于二○○七年五月至二○○七年七月进行了现场勘察,并于二○○七年七月完成工程地质勘察报告编制。
1.2 勘察目的、任务及工作依据1.2.1 勘察目的对拟建项目进行工程地质勘察,查明工程场地的工程地质和水文地质条件,为确定公路路线、工程构造物位置及编制施工图设计文件,提供准确、完整的工程地质资料。
1.2.2 主要任务(1)查明拟建项目的地质、地理环境特征,对地形、地质和水文等场地要素作出分析、评价和建议。
(2)查明桥涵构造物地基的地质结构及其分布特征,测试地基土的物理力学、化学特性,提供地基土的物理力学性质、持力层的变形和承载力、变形模量等岩土设计参数,并作出定量评价。
(3)查明各隧道隧址区地质、地震情况、进出口的环境地质条件,为各方案的比选论证及隧道设计、施工方案选择提供地质依据。
(4)查明场地地基的稳定性、不良地质现象的分布范围、性质、提供防治设计必需的地质资料和地质参数。
(5)查明公路工程建筑场地的地震基本烈度,并对大型公路工程建筑物场地进行必要的地震烈度鉴定或地震安全性评价。
(6)提供编制各阶段设计文件所需的地质资料。
1.2.3 工作依据1.2.3.1 规范、规程及技术资料(1)《公路工程地质勘察规范》(JTJ064-98)。
(2)《公路桥涵地基与基础设计规范》(JTJ024-85)。
(3)《公路工程抗震设计规范》(JTJ004-89)。
(4)《公路土工试验规程》(JTJ051-93)。
(5)《公路路基设计规范》(JTG D30-2004)。
(6)《公路软土路堤设计与施工技术规范》(JTJ051-93)。
工程勘察岩土地层划分标准研究作者:张友林逄程胡建波李俊来源:《西部资源》2023年第04期[關键词]工程勘察;胶莱平原剥蚀准平原区;地层划分;力学性质;风化程度工程勘察是工程建设程序中非常重要的内容之一,对项目的投资具有先导和决定性的影响;作为前期基础工作,是项目重要环节,勘察质量的好坏直接影响整个项目质量并影响整个项目投资。
在勘察过程中,对于同一场地地层定名与物理力学性质指标的确定,不同勘察单位在岩土工程勘察经验和表达方式方面存在明显差异,勘察报告虽有地层编号,但它以单一工程为核心,层序划分仅满足单个工程需要,一般从地表开始,自上向下顺序编号,与相邻工程相同地层的编号可能不一致。
尤其在地形地貌、周边及地下环境复杂区域差别更大,不统一的地层划分严重影响了地层勘查成果共享,造成不必要的资源浪费,且对勘查数据库的建设、野外勘查可操作性影响重大。
因此,对工程勘察地质数据资料进行统一汇总,通过科学、系统、准确地分层,建立标准地层,提供可靠的物理力学参数,为工程勘察数据库建设、野外勘查可操作性、共享行业成果、地方性规范规程的编制提供基础数据;从而加快工程勘察资料的规范化、信息化、标准化、统一化[1]。
仝霄金等[2]通过多种研究方法及手段,与区域地层进行对比,按“时代-成因-岩性”划分了层级地层单位,并制订了唯一地层序号,确定了济南市市区标准地层层序的划分。
邵万强等[3]通过采用适合城市的多种第四系研究方法及手段,确定了青岛市市区第四系层序的划分;并与区域地层进行对比,在厘定组级地层单位基础上,按岩性组合划分了层级地层单位,并确定了唯一地层序号;马娟等[4]对潍坊市城区第四系地层研究,通过潍坊市城区第四系厚度等值线图、第四纪不同地层单位沉积厚度等值线图及地层埋深剖面图、模型图等,对第四系各土层的空间分布规律及其结构变化特征,控制因素进行初步分析和探讨。
本文以胶莱平原剥蚀准平原区为例,结合区域地质、构造、地形地貌、水文地质、地层岩性等,土层按“地质年代(组段)—土层名称—力学性质”建立了统一标准地层,“地质年代(组段)”对应主层层序,“土层名称—力学性质”对应亚层及次亚层;岩层按“时代成因—岩石名称—风化程度”建立了统一标准地层,“地质成因”对应主层层序,“土层名称”对应亚层层序,“风化程度”对应次亚层层序,确定唯一地层序号,使我们对胶莱平原剥蚀准平原区地层有了统一认识。
岩土工程勘察报告场区岩土工程条件一、地层结构及空间分布经钻探揭露,场地岩土层依据成因、物质组成不同自上而下可划分为杂填土、卵石土、卵石、粉砂岩四层。
各土层的工程特征分述如下:1、杂填土(Q ml):黄褐色,结构松散,主要成分为粘性土混碎石块、卵石、红砖等。
局部填土厚的地段是由于上世纪40年代的弹坑回填形成。
本层在场地内均有分布,厚度为1.5~8.5m,一般厚度为1.5m。
2、卵石土(Q4al+pl):黄褐色,稍密,卵石含量为50%左右,卵石成分以石英砂岩、石灰岩及花岗岩构成,磨圆度较好,分选性差,卵石之间主要被粘性土充填,随着深度增加粘土充填物减少,砾砂充填物增加。
卵石直径一般在2~6cm,最大卵石粒径大于10cm。
本层在场地内分布均匀,层厚为6.3~12.6m,平均厚度为11.5m;层面埋深为1.5~8.5m,平均埋深为3.5m。
3、卵石(Q4al+pl):本层土根据卵石的密实度、颗粒大小分为2个亚层,其特征分述如下:3-1:黄褐色,稍密-中密,卵石含量为50~70%,卵石成分以石英砂岩及花岗岩构成,卵石之间充填着砾石、砂,分选性差,颗粒级配较好,卵石磨圆度较好,粒径一般为2~5cm,个别大于20cm。
本层在场地内分布均匀,层厚为1.8~4.0m,平均厚度为3.5m;层面埋深为14.5~17.3m,平均埋深为15.0m。
3-2:黄褐色及灰色,中密-密实,卵石含量为70~80%,卵石成分以石英砂岩、石灰岩及花岗岩构成,卵石之间充填着砾石、砂,颗粒级配较好,卵石磨圆度较好,卵石之间排列紧密,粒径一般为3~6cm,偶含大于10cm的卵石。
局部地方有卵石胶结层。
本层在场地内分布均匀,有2个钻孔钻穿本层,层厚为16.0m左右;层面埋深为17.9~20.1m,平均埋深为18.5m。
4、粉砂岩(K1w l):为白垩纪下统五龙组地层,依据风化程度分为强风化和中风化二个亚层。
4-1:强风化:棕红色,稍湿,散体状结构,结构形态为碎屑状,裂隙发育,手可捏碎,岩芯呈片状,饼状,原岩结构清晰。
前言本标准属于煤炭工业协会《2005年煤炭行业标准项目计划》,国家发改委以发改办工业(2005)739号文件批准下达.本标准是为了适应煤炭资源地质勘查工作的需要,在原煤炭工业部1980年颁发的有关规程基础上,总结二十多年执行过程的实践经验,结合当前我国经济发展和技术进步而制定的。
本标准是《矿区水文地质工程地质勘探规范》和《煤、泥炭地质勘查规范》的配套标准。
本标准自生效之日起,同时替代原煤炭工业部(80)煤地字第638号文件颁发的《煤炭资源地质勘探抽水试验规程》、《煤炭资源地质勘探地表水、地下水长期观测及水样采取规程》、《煤炭资源地质勘探钻孔简易水文地质观测规程》和《煤田水文地质测绘规程》。
本标准的附录主要引自GB 12719—91《矿区水文地质工程地质勘探规范》及DZ0215-2002《煤、泥炭地质勘查规范》。
本标准由中国煤炭地质总局负责起草。
本标准起草人:王佟、傅耀军、程爱国、孙玉臣、华解明、袁同星、牛志刚、李洪。
本标准由中国煤炭地质总局提出并负责解释。
煤矿床水文地质、工程地质、环境地质勘查评价标准1、适用范围1。
1本标准规定了煤炭资源地质勘查水文地质、工程地质及环境地质工作的基本准则,侧重于勘查技术要求、工作方法。
1。
2本标准适用于煤炭资源地质勘查各阶段的设计编制、勘查施工、地质研究、地质报告编制和评审、资源/储量评估、矿业权评估、可行性研究的依据。
2、引用标准下列标准包含的条文,通过在本标准中引用而构成本标准的条文。
在本标准出版时,所示版本均为有效。
所有标准都会被修订,使用本标准的各方面应探讨、使用下列标准最新版本的可能性。
GB 1 12719—91 矿区水文地质工程地质勘探规范DZ/T 0 0215-2002 煤、泥炭地质勘查规范GB/T 14158—93 区域水文地质工程地质环境地质综合勘查规范GB 50215—2005 煤炭工业矿井设计规范GB 50197—2005 露天矿工程设计规范GB 50027—2001 供水水文地质勘察规范DZ/T 0080—93 煤田地球物理测井规范GB 3838-2002 地表水环境质量标准3、总则3.1 水文地质工程地质勘查和环境地质调查评价是煤炭资源勘查工作的重要组成部分,各勘查阶段都应予以重视,认真做好相应工作。
勘查报告中工程地质岩
组划分
Hessen was revised in January 2021
工程岩组的划分
岩体工程地质岩组的划分方法,主要是从岩体结构观点出发,即以岩性和原生结构面的性质及其分布规律等为标志进行划分的。
具体表现在,首先,就岩性而言要求每一岩组内岩性是相同的,主要指的是成因相同和岩石物质成分相类似;其次,要求每一岩组中的原生结构面性质是相同的,这里主要指成因相同、分布规律相同、密度相同、层厚一致及延展性相同等,然后对岩体进行工程地质岩组划分,划分出的每一岩组都应具有其一定的物理力学指标、一定的水理性质、渗透性质及其一定的波速传播特征等,这些共同点就形成了每一岩组内具有一定相类似的工程地质性质。
岩土体是地质灾害产生的物质基础,其类型、性质、结构及构造特征对地质灾害的成生发育存在重要影响。
并且,大量事实业已证明,地质灾害与地层岩性关系极为密切。
根据建造特征,将西部地区岩体划分为岩浆岩、沉积碎屑岩、沉积碳酸盐岩和变质岩等5种类型,再依据岩体的强度(表1)及其结构特征,进一步将其划分为10种组合类型,土体主要可分为卵砾类土、粘性土和砂类土、冻土、胀缩土、黄土类土及风积砂等6种类型,它们的分布及工程地质特征见图2、表2。
另外区内还有小面积分布的盐土、淤泥软土等。
这些地区修建构筑物时要注意其地基的不稳定性。
为减轻图面负担,在《中国西部地质灾害图》图面上只表示岩浆岩类(Y)、变质岩类(B)、碎屑岩类(S)、碳酸盐岩类(T)和第四纪堆积层(Q)。
表2 岩土体工程地质特征简表。