抗滑桩课程设计
- 格式:doc
- 大小:651.50 KB
- 文档页数:19
全埋式抗滑桩的设计一、抗滑桩所受外力作用于抗滑桩上的外力有滑坡推力和桩前抗力,其中滑坡推力是作用在抗滑桩上的主要外力,其大小通过传递系数法确定;桩前抗力指桩前滑体对桩的作用力,由于滑动面的存在,桩前滑体难以形成连续的弹性抗力,一般采用剩余抗滑力(桩在抗滑段时)和被动土压力二者中的较小值,用剩余抗滑力时其分布图式为矩形,用被动土压力时为三角形,当桩前滑体有可能滑走时则不能考虑桩前抗力。
1、滑坡推力的计算滑坡推力是作用在抗滑桩上的主要外力,国内采用传递系数法(即不平衡推力法),传递系数法属于非严格条分法(在非严格条分法中,通常只满足一个平衡条件,而不管另一个平衡条件。
在土条的平衡中只满足力的平衡,而不满足力矩平衡;在总体平衡中只满足力的平衡或力矩平衡),假设条间力的方向与上一条块底面平行,计算公式如下1i i i s i i P P FT R ψ-=+- (1)()sin cos sin i i i s i i i i i T W K W Q ααθα=+--()cos sin cos tan i i i i i s i i i i i i R c l W K W Q U ααθαϕ=+-+--⎡⎤⎣⎦()()11cos tan sin i i i i i ψααϕαα--=--⋅- (2)式中i P ——条间力(剩余下滑力),方向与上一条块底面平行;i T ——下滑力;i R ——抗滑力;i W ——体力,作用点为条块的重心,可由材料的重度和几何参数来计算;i Q ——坡面外力,该力源于外载或加固作用,方向与垂直方向的夹角为i θ;当该力沿条底的分力与滑动体的可能滑动方向相反时,0i θ>;反之0i θ<;s K ——地震影响系数,s i K W 为地震力,作用点为条块的重心;i U ——条底孔隙水压力,可由浸润线的位置来计算,其作用点可由条底上的水压力分布来确定;2、桩前抗力的计算设置抗滑桩以后,当抗滑桩到滑坡推力的作用产生变形时,一部分滑坡推力通过桩体传给锚固段地层,另一部分传递给桩前滑体(即为桩前抗力)。
锚索抗滑桩设计毕业设计锚索抗滑桩设计毕业设计引言:随着城市化进程的加速,建筑工程的规模和复杂性也在不断增加。
在建筑物的基础设计中,抗滑桩起到了至关重要的作用。
本文将探讨锚索抗滑桩的设计原理和方法,以及其在现代建筑工程中的应用。
一、锚索抗滑桩的基本原理锚索抗滑桩是一种用于增加基础稳定性的结构设计方法。
其基本原理是通过将锚索深埋于地下,形成一个与地基相连的锚固系统,从而增加基础的抗滑能力。
这种设计方法可以有效地防止建筑物在地震、风灾等自然灾害中的滑移和倾覆。
二、锚索抗滑桩的设计方法1. 地质勘探:在进行锚索抗滑桩设计之前,首先需要进行地质勘探,了解地下土壤的性质和承载能力。
通过地质勘探,可以确定锚索的深度和数量,以及锚固点的位置和间距。
2. 锚索选择:选择合适的锚索材料是设计过程中的重要一步。
常见的锚索材料包括钢筋、钢缆等。
根据地下土壤的性质和建筑物的荷载要求,确定锚索的直径和材质。
3. 锚固方式:锚索的固定方式有多种选择,包括预应力锚固、摩擦锚固等。
根据具体的工程要求和地下土壤的特性,选择合适的锚固方式。
4. 桩身设计:锚索抗滑桩的桩身设计需要考虑桩身的长度和直径。
桩身的长度应根据地下土壤的承载能力和建筑物的荷载要求进行合理确定。
桩身的直径则需要根据锚索的数量和直径进行综合考虑。
5. 桩基施工:桩基施工是锚索抗滑桩设计中的关键环节。
施工过程中需要注意桩身的垂直度和水平度,以保证桩基的稳定性。
同时,还需要对锚索进行正确的固定和张拉,以确保其能够有效地承担荷载。
三、锚索抗滑桩在现代建筑工程中的应用锚索抗滑桩在现代建筑工程中得到了广泛的应用。
它不仅可以增加建筑物的稳定性和抗震能力,还可以减少地基沉降和变形。
特别是在软土地区和高层建筑中,锚索抗滑桩的设计更是不可或缺的一部分。
在高层建筑中,由于其自身的重量和风荷载的作用,建筑物容易出现滑移和倾覆的风险。
而锚索抗滑桩的设计可以有效地增加建筑物的抗滑能力,保证其稳定性和安全性。
《地质灾害理论与制》课程设计报告目录第一部分设计说明1. 前沿 (1)1.1 工程地理位置、行政区划、坐标、交通条件 (2)1.2 设计依据 (2)2.工程概况 (2)2.1 自然、地质环境条件 (2)2.1.1地形地貌 (2)2.1.2地层岩性 (2)2.1.3地质构造 (3)2.1.4水文地质条件 (3)2.1.5不良地质现象 (3)2.2滑坡稳定性验证及结论 (4)2.2.1场地稳定性评价定性分析 (4)2.2.2定量分析滑坡现状稳定性验算 (4)3.治理工程设计 (5)3.2支挡工程设计工况及参数的确定 (5)3.3支挡工程具体方案设计及计算 (5)3.3.1 支挡工程具体方案设计 (5)3.3.2支挡工程相关计算详见计算书部分 (5)3.4支挡工程方案比选 (5)3.5支挡方案分项设计 (5)3.5.1 抗滑桩设计 (5)3.5.2 挡板设计 (6)4.施工组织设计 (6)4.1施工条件 (6)4.2料场选择与开采 (6)4.3施工交通运输 (6)4.4施工工序及注意事项 (7)4.4.1抗滑桩施工工序及注意事项 (7)4.4.2排水施工工序及注意事项 (8)4.5施工总进度 (9)5.工程量统计表 (9)6.施工总说明 (9)6.1施工过程可能遇到的突发情况及处理 (10)第二部分计算书1.工程概况 (11)1.1工程概况 (11)1.2 场地条件 (11)1.2.1 气象水文 (11)1.2.2 地形地貌 (11)1.2.3 地层岩性 (11)1.2.4 地质构造 (11)1.2.5 水文地质条件 (11)1.2.6 人类工程活动 (11)2.计算依据 (11)2.1 计算参数 (11)2.2 计算工况及安全系数确定 (12)3.滑坡稳定性及滑坡推力计算 (12)3.1 计算剖面 (12)3.2 计算方法 (12)3.3 计算结果 (13)3.4 稳定性评价 (14)4.抗滑桩结构设计 (14)4.1 抗滑桩拟定 (14)4.2 抗滑桩参数计算 (14)4.3 抗滑桩计算模式选取 (15)4.4 受荷段内力计算 (15)4.5 锚固段内力计算 (16)4.5.1 计算转动中心的深度及转角 (16)4.5.2 求锚固段内力及侧向应力 (16)4.6桩侧应力验算 (19)4.7抗滑桩配筋计算 (19)4.7.1正截面受弯计算 (19)4.7.2斜截面受剪计算 (20)4.7.3 纵筋的截断设计 (21)5.抗滑桩间挡土板设计 (23)5.1 挡土板的拟定 (23)5.2 荷载确定 (23)5.3 板墙配筋设计 (24)6.排水工程 (25)6.1 排水沟设计 (25)7.工程量统计表 (25)7.1 材料用量 (25)7.2 挖方量计算 (26)7.3填方量计算 (27)7.4 模板的方量计算 (27)1. 前言1.1 工程地理位置、行政区划、坐标、交通条件1.2 设计依据2.工程概况2.1 自然、地质环境条件2.1.1地形地貌本区属构造侵蚀中山斜坡地貌,地势总体东南高西北低,地面高程为720.846m~741.70m,设计线路左侧地形较平缓,为阶梯状旱地,斜坡坡向3102.1.2地层岩性拟建段出露地层有第四系全新统筑填土层(Q4me)、残坡积层(Q4dl+el)及三叠系中统巴东组(T2b)泥岩、灰岩,现分述如下:筑填土层(Q4me):灰褐色、灰黑色,松散,稍湿,主要由碎石,粉粒、粘粒及少量生活垃圾组成,土石比3:2,该层仅在ZK64附近有分布,层厚2.50m。
2013年《岩土工程课程》设计某高速公路K15+620~K15+880滑坡处治设计设计:秦万家学号:********班级:10级土木12班指导教师:***2013年11月1、工程概况1.1:概述某高速公路K15+620~K15+880位于崩坡积块石土斜坡前缘,原设计为路堑墙支挡块石土,泥岩已护面墙防护。
开挖揭露地质情况与设计差异较大,在坡题前缘全断面开挖临空后,受预计暴雨作用块石土形成牵引式滑坡。
滑坡发生后,对该滑坡进行施工图勘测,并结合工程地质勘测报告,对该滑坡提出处置的方案。
K15+620~K15+880滑坡采用“清方+支档+截排水”综合处理,滑坡处治平面布置图见附图1,要求对抗滑桩进行设计。
1.2:工程地质条件该高速公路 K15+620~K15+880 滑坡区位于条状低山斜坡中上部,沿该段公路左侧展布,前缘高程304m 左右,后缘高程355m 左右,地形坡角约30 度。
滑体纵向长约105 米,宽200~300 米,滑体厚度8~20 米,面积接近1.5×104m2,体积约15×104m3。
主滑动方向202°,属于大型牵引式块石土滑坡。
通过地质测绘及钻探揭露,滑体物质主要由崩坡积块石土(Q4c+dl)组成。
块石土呈紫红、灰褐等色,稍湿~湿,松散~稍密,成份主要为砂岩、少量粉砂质泥岩,多为中等风化,棱角状,粒径20cm~50cm,约占60%,次为小块石,约占10%,其间由紫红色低液限粘土充填。
在滑体后部相对较薄,厚5~8m;在滑体中部、前端分布较厚,厚9~24m。
滑动带(面)多为块石土与基岩的接触带,滑带厚0.2~0.6m 左右,滑带土中小块石含量较低(<5%),低液限粘土湿、可塑~软塑,有搓揉现象,见镜面、擦痕等。
滑床物质主要为侏罗系沙溪庙组泥岩、砂岩。
泥岩多为紫红色,主要由粘土矿物组成,砂质含量不均,局部富集,泥质结构、厚层状构造;砂岩多为灰白色,主要由长石、石英、云母等矿物组成,泥、钙质胶结,细粒结构,厚层状构造。
抗滑桩基础设计一、引言抗滑桩基础是一种用于解决软土地基滑移问题的基础形式。
它通过在地基中嵌入抗滑桩,利用桩与土体之间的摩擦力来增加地基的稳定性。
本文将针对抗滑桩基础的设计进行详细讨论。
二、基本原理抗滑桩基础是根据土体力学基本原理设计的一种地基工程形式。
当地基土壤较为松软时,常常会出现滑移的问题,而抗滑桩基础能够通过增大地基与桩体之间的摩擦力来防止滑移的发生。
其基本原理是通过嵌入桩体,并将桩体与土壤充分接触,通过桩与土壤之间的力学作用来增加地基的抗滑性能。
三、抗滑桩的设计参数1. 桩身直径:抗滑桩的直径通常通过地基的稳定性计算得出,需要结合地质勘探和土质分析数据进行综合考虑。
2. 桩长:桩长应根据地基土壤的特性、地下水位、设计荷载等因素进行合理确定。
通常情况下,桩长越长,地基的抗滑性能越强。
3. 桩身材料:抗滑桩的材料一般选择钢材或混凝土,也可以根据具体工程要求进行选择。
4. 桩间距和桩列布置:桩间距和桩列布置应结合地基土壤的承载力和设计荷载进行合理确定。
通常情况下,桩间距越小,桩列布置越密集,地基的抗滑性能越好。
四、抗滑桩基础设计流程1. 地质勘探:通过地质勘探获取地基土壤的物理力学性质参数,包括土层厚度、土质类型、水位等信息。
2. 抗滑计算:根据地质勘探数据,结合工程设计要求进行抗滑计算,确定抗滑桩的直径、长度、材料和数量等参数。
3. 桩身设计:根据抗滑计算结果,进行桩身的设计,确定桩身的截面形状和尺寸。
4. 桩基工程施工:根据设计要求进行抗滑桩基础的施工,包括桩的嵌入和固结等工序。
5. 检测与验收:对抗滑桩基础进行检测,确保施工质量符合设计要求,达到预期的抗滑效果。
五、案例分析以某某建筑工程为例,该工程位于软土地带,需采用抗滑桩基础来解决滑移问题。
通过地质勘探和土质分析,确定了地基土壤的力学性质参数。
根据设计要求,进行了抗滑计算,并确定了合适的抗滑桩直径、长度、材料和数量。
经过桩身设计和施工后,对抗滑桩基础进行了检测与验收,达到了预期的设计效果。
抗滑桩本科毕业设计计算书(K 法)抗滑桩本科毕业设计计算书1、滑坡推力的计算 (1)1.1 计算原理 (1)1.2 推力的计算 (3)1.3 剩余抗滑力的计算 (5)2、抗滑桩的设计与计算 (6)2.1 治理方案的拟定 (6)2.2 1-1剖面计算 (6)2.2.1 桩的参数选取 (6)2.2.2 受荷段内力计算 (7)2.2.3 锚固段内力计算 (8)2.2.4 桩身内力图 (10)2.2.5 桩侧应力验算 (12)2.3 2-2剖面计算 (14)2.3.1 桩的参数选取 (14)2.3.2 受荷段内力计算 (15)2.3.3 锚固段内力计算 (16)2.3.4 桩身内力图 (18)2.3.5 桩侧应力验算 (19)2.4抗滑桩的配筋计算 (21)2.4.1 正截面受弯计算 (21)2.4.2 斜截面受剪计算 (22)2.5 排水工程设计 (23)附录抗滑桩设计理正验算书 (24)1-1剖面滑坡剩余下滑力理正计算 (24)2-2剖面滑坡剩余下滑力理正计算 (28)1-1剖面抗滑桩配筋理正计算 (34)2-2剖面抗滑桩配筋理正计算 (42)1、滑坡推力的计算1.1 计算原理作用于抗滑桩上的滑坡推力,与滑坡的厚度、滑坡的性质、桩的位置、间距以及滑动面的形状等条件有关。
一般先运用工程地质法的各种方法,对滑坡的稳定性进行分析,然后运用力学方法进行计算。
计算时,将滑坡范围内滑动方向和滑动速度大体一致的一部分滑体,看作一个计算单元,并在其中选择一个或几个顺滑坡主轴方向的地质纵断面为代表,再按滑动面坡度和地层性质的不同,把整个断面上的滑体适当划分成若干竖直条块,由后向前,依次计算各块截面上的剩余下滑力。
目前,由于还没有完全弄清桩间土拱对滑坡推力的影响,通常是假定每根桩所承受的滑坡推力,等于桩距范围之内的滑坡推力。
关于滑坡推力的计算,本文采用的是传递系数法,又称不平衡力传递法。
传递系数法是一种平面分析法,其计算过程有如下假定:(1)危险滑动面的形状、位置已知,不可压缩并做整体滑动,不考虑条块之间的挤压变形,并且其滑动面是组倾角已知的线段构成的一条折线。
课程设计任务书学生姓名:专业班级:土木指导老师: 工作单位: 土木工程与建筑学院题目:滑坡治理抗滑桩设计初始条件:本课程设计初始条件包括滑坡计算剖面图及条分图、滑坡岩土计算物理力学参数和滑坡目前的稳定性系数以及设计安全系数。
具体详见指导老师所给的设计资料(附件1)。
要求完成的主要任务:(1)滑坡推力计算及推力曲线绘制,确定抗滑桩设计荷载;(2)抗滑桩内力计算并绘制内力图;(3)抗滑桩配筋计算;(4)抗滑桩结构设计绘图;(5)编制设计说明书。
本次课程设计要求完成的主要任务及要求详见指导老师所给的设计资料(附件1及附件2)。
抗滑桩工程设计(24)目录1设计基础资料及任务要求1。
1设计基础资料(初始条件) (3)1。
2设计任务…………………………………………………………………。
.31.3设计要求…………………………………………………………………..42桩身推力计算2。
1传递系数法计算原理 (4)2。
2剩余下滑力计算…………………………………………………………。
52.3计算结果整理…………………………………………………………….63桩身内力计算3。
1抗滑桩设计资料………………………………………………………….。
73.2抗滑桩的规划设计………………………………………………………。
7 3.3外力计算………………………………………………………………….。
73.4受荷段桩身内力计算……………………………………………………。
83。
5锚固段桩身内力计算……………………………………………………。
8 3.6桩的内力状况图………………………………………………………….。
.104 抗滑桩配筋计算4.1配筋计算的基本资料……………………………………………………。
.114.2抗弯正截面计算…………………………………………………………。
.12 4.3受拉钢筋的不等长配置…………………………………………………。
.134。
4斜截面抗剪计算………………………………………………………….。
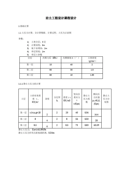
岩土工程设计课程设计1基础计算1.1土压力计算:含计算数据、计算过程、土压力示意图参数:1)土体分层:3层2)计算深度:6m3)地下水埋深:2m4)单层厚度:2m1.1.1静止土压力的计算静止土压力: Ea=145.39KPa静止土压力作用点距地基距离:0.54m1.1.2主动土压力的计算主动土压力: Ea=-152.65 KPa主动土压力作用点距离墙底距离:0.56m1.1.3被动土压力的计算被动土压力:Ea=1505.11 KPa作用点距离:0.39m1.1滑坡推力计算:含计算数据、计算过程、滑坡推力示意图参数:1)内聚力:100KPa2)内摩擦力:10°3)土体密度:2g/cm34)滑坡数1.2滑坡推力的计算1.2.1滑坡体断面图1.1.2条块单位宽度重力Gn=ρV nG1=2174.40 KNG2=635.60KNG3=1458.40KNG4=1824.20KNG5=3611.40KN1.1.3、计算传递系数由公式ψ=cos(βn-1-βn)-sin(βn-1-βn)tanφnψ2=0.95ψ3=1ψ4=1.02ψ5=11.1.4从第一个条块开始计算每延米推力由公式Fn=γt G n sinβn-G n conβn tanφn-c n l n+ψF n-1F1=25.73KNF2=-3710.51KNF3=-6975.62KN因此作用在桩上的单位宽度的滑坡推力荷载为-6975.62KN 2 实例计算2.1 计算题目条件2.2 计算流程:含计算步骤、每一步骤的计算公式2.2.1桩的位置、平面布置、桩间距、桩位的设计2.2.2桩型、桩长、锚固深度、截面尺寸的设计2.2.3确定桩的计算宽度、选定地基系数2.2.3.1计算宽度矩形桩1p b B =+b ——桩的宽度圆形桩0.9(1)p d B =+d ——桩的直径2.2.3.2地基系数 查地基系数表可知2()0y y C m +=m ——地基系数随深度变化的比例系数 n ——随岩土类别而变化的比例常数y——与岩土类别有关的常数①K 法当n=0,C 为常数,即C K = 适用于较完整的硬质岩层,未扰动的硬粘土和性质相近的半岩质地层。
②m 法当1n = ,0y = 时,C my = ,C 值呈三角形变化规律,适用于一般硬塑至半坚硬的沙粘土、碎石类土或风化破碎呈土状的软质页岩以及密度随深度增加的地层。
参考:表5-1、表5-22.2.4计算桩的变形系数α或β及换算深度αh 或βh,来判断按弹性桩 或刚性桩来计算选择混凝土型号,查混凝土结构设计规范(GB50010-2002),取弹性模量Ea)K法β= 1h β≤ 刚性桩1h β 弹性桩b)m 法α=2.5h α≤ 刚性桩 2.5h α 弹性桩2.2.5受荷段内力计算(确定M 0、Q 0)每根桩的水平推力TT F b =⨯桩前被动土压力p E2201111tan 45222p E h ϕγ⎛⎫=++ ⎪⎝⎭桩前抗力P=p E滑坡推力和桩前抗力的分布11Tq h =211q T h =滑面处剪力0Q T P =-滑面处弯矩()'02T P h M -⨯=2.2.6锚固段内力计算。
根据桩底的边界条件采用相应的计算公式求算滑面处的水平位移和转角及其下若干点(刚性桩一般每深1m 取一点,弹性桩0.2m )的侧向弹性力、截面剪力,弯矩等,同时求出最大剪力及其位置,最大弯矩及其位置。
2.2.6.1 弹性桩锚固段内力计算 a)K 法12342341232234122232341323444444A A A y A A A A y A y A A AA y A A A A M Qx x EJ EJM Qx EJ EJ M M Q x EJ EJ EJQ M Q x EJ EJ EJ ϕϕϕϕϕβββϕϕβϕϕϕϕβββϕϕϕϕϕββββϕϕϕϕϕββββ⎫=⋅+++⎪⎪⎪⎛⎫=-+++⎪⎪⎝⎭⎪⎬⎪=--⋅++⎪⎪⎪=--⋅-+⎪⎭式中:1φ 、2φ 、3φ 、4φ ——K 法的影响函数值 当桩底为固定端时221323342232421411212341331222421421444444A A A A A A M Q x EJ EJ M Q EJ EJ ϕϕϕϕϕϕϕβϕϕϕβϕϕϕϕϕϕϕϕϕϕϕβϕϕϕβϕϕϕ⎫--=⋅+⋅⎪++⎪⎬++⎪=-⋅-⋅⎪++⎭当桩底为铰支端时223412422313142314223412412223122314444444444444A A A A A M Q x EJ EJ M QEJ EJ ϕϕϕϕϕϕβϕϕϕϕβϕϕϕϕϕϕϕϕϕϕϕβϕϕϕϕβϕϕϕϕ⎫++=⋅+⋅⎪--⎪⎬++⎪=-⋅-⋅⎪--⎭当桩底为自由端时241323142232324334234122122223233244444444444A A A A A A M Qx EJ EJ M Q EJ EJ ϕϕϕϕϕϕϕβϕϕϕβϕϕϕϕϕϕϕϕϕϕϕβϕϕϕβϕϕϕ⎫+-=⋅+⋅⎪--⎪⎬+-⎪=-⋅-⋅⎪--⎭b)m 法11112322222323333233444423A A A y A A A A f A A A A y A A A A y A M Q x x A B C D EJ EJM Q x A B C D EJ EJ M Q M EJ x A B C D EJ EJ M Q Q EJ x A B C D EJ EJ ϕαααϕϕααααϕααααϕαααα⎫=+++⎪⎪⎛⎫⎪=+++ ⎪⎪⎝⎭⎪⎬⎛⎫⎪=+++ ⎪⎪⎝⎭⎪⎛⎫⎪=+++ ⎪⎪⎝⎭⎭式中:y x 、y φ 、y M 、y Q ——锚固段桩身任一截面的位移(m )、转角(rad )、弯矩(kN ·m )、剪力(kN )。
A x 、A φ 、A M 、A Q ——滑动面处桩的位移(m )、转角(rad )、弯矩(kN ·m )、剪力(kN ); i A 、i B 、i C 、i D ——随桩的换算深度2h α 而异的m 法的影响函数值, E ——混凝土的弹性模量,(kN/m2);J ——桩的截面惯性矩,m 4。
a) 当桩底为固定端时12121212231212111212121212212121212A A A A A A M B C C B Q B D D B x a EJ A B B A EJ A B B A M C A AC Q D A A D EJ A B B A EJ A B B A αϕαα--⎫=⋅+⋅⎪--⎪⎬--⎪=⋅+⋅⎪--⎭b) 当桩底为铰交端时131313132313131313131313132********A A A A A A C B B C D B B D M Q x EJ B A A B EJ B A A B AC C A A D D A M Q EJ B A A B EJ B A A B ααϕαα--⎫=⋅+⋅⎪--⎪⎬--⎪=⋅+⋅⎪--⎭c) 当桩底为自由端时34343443223434343434343434234343443A A A A A A B C C B B B B D M Q x EJ A B B A EJ A B B A C A A C D A A D M Q d EJ A B B A EJ A B A B ααϕαα--⎫=⋅+⋅⎪--⎪⎬--⎪=⋅+⋅⋅⎪--⎭2.6.6.2刚性桩锚固段内力计算a )未知参数0y 和转角ϕ()()30000200436232p p m h cawQ Q h B M y m h Q h B M ⨯++=+()0040123218p h Q M m w ah c B ϕ+=+b )y 深处的侧向位移()0x y y ϕ∆=-c) y 深处的弹性抗力()0y y my y ϕδ=-d )滑动面以下y 深度处的桩截面的弯矩和剪力20030001(32)61(2)12P y y p m y Q Q y y B y m y Q y y M M B ϕϕ=--=+--e )剪力图弯矩图2.2.7地基强度校核2.2.7.1地基横向承载力()[]()1121124tan cos 4tan cos y c H y c H δϕγγϕδϕγγϕ⎡⎤≤++⎣⎦⎡⎤=++⎣⎦δ侧向应力[]δ 容许侧向应力2.2.7.2竖向地基承载力验算12u c q c q b N N N P γγ=++c N 、q N 、N γ 太沙基地基承载力系数地基容许承载力[]uP Kδ=K 系数,取2 桩的应力G vgG Fρδ==F 桩底面面积2.3 试算过程 2.3.1第一次试算:2.3.1.1桩的位置、平面布置、桩间距、桩位的设计 桩位:滑坡体前缘2.3.1.2桩型、桩长、锚固深度、截面尺寸的设计2.3.1.3确定桩的计算宽度、选定地基系数计算宽度3p B =(m )地基系数采用m 法计算地基系数C my = =2000y2.3.1.4判断桩的性质0.18α=0.1811 1.98 2.5h α=⨯=≤ 刚性桩2.3.1.5受荷段内力计算(确定M 0、Q 0)每根桩的水平推力T14700T =(KN )桩前被动土压力p E()220012022tan 4513212438.472p E =⨯⨯++(KN )桩前抗力P=p E =12438.47(KN )滑坡推力和桩前抗力的分布114700668.1822q ==(KN/m )1565.39q =(KN/m )滑面处剪力2261.530Q =(KN)滑面处弯矩024876.83M =(KN.m)2.3.1.6刚性桩锚固段内力计算a) 未知参数0y 和转角ϕ07.71y = (m)0.53ϕ= (rad)b)y 深处的侧向位移4.080.53x y ∆=-c)y 深处的弹性抗力28172.61060y y y δ=-d) 滑动面以下y 深度处的桩截面的弯矩和剪力32431060111.302261.5326537.102261.5324876.83y y Q y y y y y M =-+=-++e) 剪力图弯矩图2.3.1.7地基强度校核a) 地基横向承载力[]28172.6106039.02934.41y y y δδ=-=+存在不满足[]δδ≤ 条件,不满足b) 7.2错误原因分析:计算单桩承受的水平推力没有考虑桩间距,同时桩截面太小。
现更改桩截面尺寸为3×4同时,更改计算方式 2.3.2第二次试算: 计算题目条件2.3.2.1桩的位置、平面布置、桩间距、桩位的设计桩位:滑坡体前缘2.3.2.2桩型、桩长、锚固深度、截面尺寸的设计2.3.2.3确定桩的计算宽度、选定地基系数计算宽度4B=(m)p地基系数查地基系数表可知= =2000y采用m法计算地基系数C my2.3.2.4判断桩的性质桩的变形系数“m法”α=0.18α=⨯=≤刚性桩0.1811 1.98 2.5h2.3.2.5受荷段内力计算(确定M0、Q0)每根桩的水平推力TT=⨯=(KN)14700344100桩前被动土压力p E()220012022tan 4513212438.472p E =⨯⨯++(KN )桩前抗力P=3p E =37315.41(KN )滑坡推力和桩前抗力的分布12004.542244100q ==(KN/m )11696.16q =(KN/m )滑面处剪力6784.590Q =(KN)滑面处弯矩074630.49M =(KN.m)2.3.2.6刚性桩锚固段内力计算a) 未知参数0y 和转角ϕ07.74y = (m)0.02ϕ= (rad)b)y 深处的弹性抗力2464.4060y y y δ=-c) 滑动面以下y 深度处的桩截面的弯矩和剪力324380928.86784.5920309.66784.5974630.49y y Q y y y y y M =-+=-++d) 剪力图弯矩图。