第三章采购需求与技术参数
- 格式:docx
- 大小:31.54 KB
- 文档页数:16
采购需求及技术参数要求一、技术规格及要求(一)、总则1.本招标文件提出的技术规格及要求,是根据业主和图纸相关设计要求、本招标项目实际情况制定的。
2.本招标文件商务部分和技术规格部分如有不一致之处以技术规格条文为准。
3.本需求中提出的技术方案仅为参考,如无明确限制,投标人可以进行优化,提供满足用户实际需要的更优(或者性能实质上不低于的)技术方案或者设备配置,且此方案或配置须经评委会审核认可。
4.为鼓励不同品牌的充分竞争,如某技术参数或要求属于个别品牌专有,则该技术参数及要求不具有限制性,投标人可对该参数或要求进行适当调整,并应当说明调整的理由,且此调整须经评委会审核认可。
(二)、说明1.本技术规格及要求提供的是最低限度的技术要求,并未对一切技术细节做出规定,也未充分引述有关标准和规范的条文,投标人应保证提供符合本技术规格及要求和有关标准的优质产品,其中标价不变。
本技术规格中所引述的相关标准、规范等强制性规定,如有新版本发布,按新版本执行。
2.招标人保留在签订合同之前对本技术规格及要求补充和修改的权利,投标人应承诺予以配合。
如提出修改,具体事项另行商定。
3.投标人所提供的货物,如若发生侵犯知识产权的行为时,其侵权责任与招标人无关,应由投标人承担相应的责任,并不得损害招标人的利益。
4.为使招标人作好准备工作,中标人应在合同生效后10天内,提供一套产品的技术资料和电梯的安装布置图。
中标人须立即派人进驻土建施工现场,指导招标人组织井道、地坑的土建施工及各种预埋预留施工并验收,如果建筑和结构预留部分与后期电梯安装发生冲突,其责任由中标人承担,所产生的相关更改费用由中标人支付。
电梯交货时,卖方应按每台/套设备给买方提供一套完整的资料并随货物包装发运,其中包括设备安装前对安装环境的要求、操作手册、安装说明,产品合格证、使用说明书、装箱单、进口设备或者进口部件的原产地证明书、商检证明书、中外文翻译对照书等。
5.招标文件中所述供货周期及安装周期均为预估时间,如实际时间迟于预估时间,延期的仓储保管费用由中标人自行承担。
第三章技术需求书本项目投标人应根据招标要求,自行联系业主对实施、安装等进行现场踏测。
一、项目内容为了达到安徽省蚌埠第九中学信息发布的工作需求,本次项目采购包含:全彩视频显示输出系统等相关设备的采购、安装调试以及配套建设,要求具有易用性、可管理性以及高可靠性。
二、技术要求以下内容作为此项目的技术要求,须全部满足。
本次采购的全彩视频显示输出系统应能支持计算机信号等信号接入显示。
整个系统具有故障检测系统:可检测单元风扇运行情况和温度状态等,在显示器上设有LED指示灯,能够通过LED指示灯不同的发光颜色及闪烁状态反应分析显示器运行状态,报警状态和报警信息方便维护。
应具有丰富的数据接口系统,接口应支持BNG/YPbPr/VGA/DVI/HDMI/IP/HDCVI/SDI/DP灯多种信号输入显示,服务接口应支持目前主流应用技术。
软件体系应具设备状态智能管理系统,可通过遥控器或大屏控制软件可以显示单元型号,ID.位置码,信号源类型,分辨率,系统运行时间,软件版本,整机温度。
投标人投标时须承诺保证全彩视频显示输出系统、故障检测系统、丰富的数据接口系统、设备状态智能管理系统,在中标后签订合同前提供产品相关权威机构参数性能证明材料,否则由此产生的一切相关责任均由中标人承担。
三、采购标的清单备注:1,2,4为关键参数1项不满足视为未实质性响应其他如有三项或三项以上不满足,视为未实质性响应采购需求第二包蚌埠第九中学体育与音乐器材采购体育器材其他要求1、本项目所有安装、调试属于交钥匙工程,请自行勘察现场。
2、投标企业提供维修响应承诺,保修期内7*24小时本地化服务、2小时到达现场服务;保修期外必须7*24小时、4小时到达现场服务。
3、中标价为最终价格,包括安装过程中出现的损耗,甲方不增加任何费用。
4、为确保物品质量,中标供应商把全部货物送到招标人指定地点后,应提供产品检测报告及相关出厂证明;同时依据招标人要求从所供货物中现场随机抽样送至蚌埠市质量检测检验机构检验,检测合格后方可进行施工安装,检测费用由中标人自行承担。
第三章采购项目内容一、技术要求和工程实施质量要求(一)所投产品采用的技术要求:1、教室所投产品必须具有照明控制功能,教室所投产品必须具有照度和数字准静态人体探测技术双重检测和控制功能,必须具有照度优先控制技术,避免出现该开灯不开灯,该关灯不关灯。
2、所投产品采用准静态被动红外人体探测器的折反式光学系统技术,提高检测精度,减少误关灯的概率,满足学生的用眼健康。
3、所投产品必须具有自动检测所控制区域内的环境照度值的功能,照度控制值必须能够根据学校的实际需要,现场遥控自动设置并能手动微调;禁止那些使用光敏电阻或普通光电三极管作为探测元件,因为:●光敏电阻的光照特性是非线性的。
超过10Lx,就进入非线性区域。
教室等场合要求的照度一般在150 Lx以上,在高照度情况下,光敏电阻的阻值变化很小,因此,很难进行控制值的设定,造成白天也开灯,或该开不开,该关不关等问题。
●光敏电阻的温度和时间特性的漂移性。
出厂或现场设定的照度控制值会随温度、时间的因素发生明显变化,变化率在30%以上。
远远超过国标要求的10%的精度要求。
●光电三极管的光谱峰值在850nm的红外波段,测量的光电流值与人眼感知的照度相差较大(人眼的视见函数峰值在550nm的绿光上)。
设置的照度值不能与人眼视觉范围一致,尤其是在阴雨天气还会造成灯具的频闪。
4、所投产品人体探测的延时关闭时间能根据用户需求现场遥控设置;方便管理人员设置,遥控设置技术方便、操作简单。
同时要求采用感应延时自适应技术,防止灯具的起停频繁。
5、所投产品必须具有长时间强制开启或强制关闭功能,方便日常检修、重要考试或特殊需要时使用。
控制器的工作状态(强制状态或自动状态),通过遥控,用户可选择。
6、教室所投产品遥控器可以通用,方便维修人员检修。
7、所投系列产品必须符合国家、行业或相关安全标准要求。
产品无裸露接头、防止漏电、触电;机壳有防火、阻燃的安全特性。
8、所投系列产品抗干扰能力强,过载能力强,在采购方试用时,产品运行稳定,节能效果明显。
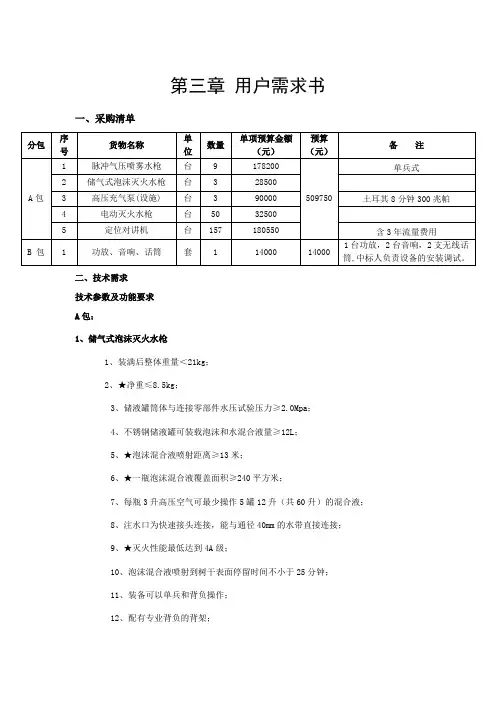
第三章用户需求书一、采购清单二、技术需求技术参数及功能要求A包:1、储气式泡沫灭火水枪1、装满后整体重量<21kg;2、★净重≤8.5kg;3、储液罐筒体与连接零部件水压试验压力≥2.0Mpa;4、不锈钢储液罐可装载泡沫和水混合液量≥12L;5、★泡沫混合液喷射距离≥13米;6、★一瓶泡沫混合液覆盖面积≥240平方米;7、每瓶3升高压空气可最少操作5罐12升(共60升)的混合液;8、注水口为快速接头连接,能与通径40mm的水带直接连接;9、★灭火性能最低达到4A级;10、泡沫混合液喷射到树干表面停留时间不小于25分钟;11、装备可以单兵和背负操作;12、配有专业背负的背架;13、配有开关装置的发泡枪;14、★储液罐为不锈钢制品;15、含背水装置1个和足够使用50次的泡沫液;16、提供所投产品生产厂家对本次采购的授权书和售后服务承诺函(原件)17、★提供产品质量检验报告复印件或影印件以上加盖厂家公章;18.中标人合同签订前先提供所投产品1件及检测报告原件,经采购人检验并演试合格后才能供。
2、脉冲气压喷雾水枪1、★射程(m)≥17 ★脉冲喷射间隔时间(s)≤4气雾喷射器蓄水筒容积(L)≥0.8;2、★喷射剩余率≤2% 气瓶公称压力(MPa)30±1气瓶容积(L)6.8气瓶最低喷射次数(6.8L)≥75;3、加水方式:手动式4、附加功能1.无需改装即可发射脉冲枪专用水基灭火弹、矛钩、绳索;5、套内配成:1套风水脉冲枪手装备,套内含:1只风水脉冲气压气雾喷射器、1套6.8L气瓶背板套装、1组枪用减压系统含高压连接总成(两端配有快速接头)及相关附件;1套风水脉冲水手装备,套内含:1套12L水桶(含背板)、1只2L专用气瓶、1组水桶专用减压系统(含低压连接总成及相关附件)。
必备脉冲枪专用水基森林灭火弹2枚,附加功能:1、脉冲枪无需改装即可发射脉冲枪专用水基灭火弹,发射距离≥60m;2、无需改装即可和轻型远程脉冲枪高压水泵组连接,实施灭火操作;6、★必须提供“国家消防产品质量监督检验中心”出具的在有效期内的《脉冲气压喷雾水枪型式检验报告》并加盖生产企业公章(原件开标备查);7、★《脉冲气压喷雾水枪型式检验报告》检测数据中,必须满足1、射程>17m;2、喷射剩余率≤2%;3、★脉冲喷射间隔时间(s)≤4;8、《脉冲气压喷雾水枪型式检验报告》必须在《中国消防产品网》可以查询到,请提供网上查询公示截图并加盖生产企业公章;9、★脉冲气压喷雾水枪提供所投产品生产厂家对本次采购的厂家售后服务承诺函(原件)。
采购需求及技术参数要求一、采购内容及技术参数项目概述(一)项目背景滁州市电子政务外网是我市覆盖面最广、连接部门最多、规模最大的政务公用网络,是国家电子政务外网的重要组成部分,相关设备已运行8-10年。
其硬件、软件、基础环境等各方面的水平均已不足以支撑外网现有业务,亟待升级改造。
政务外网升级改造二期工程网络系统建设重点在于提升市到县电子政务外网骨干网络和市级城域网的业务承载能力,适应在业务大集中趋势下对网络的要求。
二期工程通过优化网络结构、扩展容量、增强网络的健壮性来强化对重点业务的支撑。
(二)项目目标接入设备采购项目实现提高市直政务部门的接入能力,扩大市直部门覆盖范围,用以满足目前的业务增长和未来发展的接入需求,至少保证60个非政务中心集中办公区的市级政务部门接入能力。
更换市级城域网网络汇聚设备,完善政务中心机房服务器接入区的网络接入能力,提高运维终端服务性能。
(三)项目内容采购16台市到县电子政务骨干网接入路由器,用于8个县市区政府的外网接入。
采购6台市级城域网汇聚交换机(用于政务中心楼内和楼外单位汇聚)、4台服务器区汇聚交换机,用于政务中心服务器区的接入。
采购8只16A的PDU,用于政务中心机房机柜大电流设备使用。
采购120只10A的PDU。
用于政务中心弱电井内机柜设备的使用采购4台台式运维终端和2台便捷式运维终端,用于政务中心机房日常网络运行维护。
采购旋转拖把(含桶)1套、扫把(含簸箕)3套、垃圾桶(1只)、无线手持吸尘器1只用于政务中心机房日常环境维护。
按照招标采购要求完成设备的上架、配置、验收、培训等工作。
配合招标方完成方案设计、迁移实施、系统集成等工作。
技术需求部分指标要求重要性分为“★”、“#”和一般无标示指标。
★代表最关键指标,不满足该指标项将导致投标被拒绝,#代表重要指标,无标识则表示一般指标项。
证明材料要求:投标人须提供包含相关指标项的证明材料,证明材料可以使用生产厂家官方网站截图或产品白皮书或第三方机构检验报告或其他相关证明材料。
第三章采购需求一、采购标的需实现的功能或者目标,以及为落实政府采购政策需满足的要求:(一)采购标的需实现的功能或者目标本次招标采购是为首都医科大学附属北京口腔医院配置临床教学设备,投标人应根据招标文件所提出的设备技术规格和服务要求,综合考虑设备的适用性,选择需要最佳性能价格比的设备前来投标。
投标人应以技术先进的设备、优良的服务和优惠的价格,充分显示自己的竞争实力。
(二)为落实政府采购政策需满足的要求1.促进中小企业发展政策:根据《政府采购促进中小企业发展暂行办法》规定,本项目投标人为小型或微型企业且所投产品为小型或微型企业生产的,投标人应出具招标文件要求的《中小企业声明函》给予证明,否则评标时不予认可。
投标人应对提交的中小企业声明函的真实性负责,提交的中小企业声明函不真实的,应承担相应的法律责任。
2.监狱企业扶持政策:投标人如为监狱企业将视同为小型或微型企业,且所投产品为小型或微型企业生产的,应提供由省级以上监狱管理局、戒毒管理局(含新疆生产建设兵团)出具的属于监狱企业的证明文件。
投标人应对提交的属于监狱企业的证明文件的真实性负责,提交的监狱企业的证明文件不真实的,应承担相应的法律责任。
3.促进残疾人就业政府采购政策:根据《三部门联合发布关于促进残疾人就业政府采购政策的通知》(财库〔2017〕141号)规定,符合条件的残疾人福利性单位在参加本项目政府采购活动时,投标人应出具招标文件要求的《残疾人福利性单位声明函》,并对声明的真实性承担法律责任。
中标、成交供应商为残疾人福利性单位的,采购代理机构将随中标结果同时公告其《残疾人福利性单位声明函》,接受社会监督。
残疾人福利性单位视同小型、微型企业。
不重复享受政策。
4.鼓励节能政策:投标人的投标产品属于财政部、发展改革委公布的“节能产品政府采购品目清单”范围的,投标人需提供国家确定的认证机构出具的、处于有效期之内的节能产品认证证书。
国家确定的认证机构和节能产品获证产品信息可从市场监管总局组建的节能产品、环境标志产品认证结果信息发布平台或中国政府采购网()建立的认证结果信息发布平台链接中查询下载。
第三章2023年卫片图斑技术服务采购项目需求一、技术条款采购数量:1项技术服务参数:完成自然资源部下发的2023年下半年补充图斑、2023年土地卫片、矿产卫片图斑,按时按要求进行外业核实举证拍照,佐证材料收集(整理、扫描、上传),并进行内业整理,数据汇总和分析,确定合法性判定类型(合法新增建设用地、违法用地、其他用地),形成对每个卫片图斑的审核意见,逐图斑对照检查。
在执法监管系统中填报图斑资料,上报市、省、国家自然资源及督察部门审核,协助萍乡市自然资源和规划局湘东区分局对接上级部门审核。
具体为:(1)采用云监管平台软件进行实地定位拍照,外业采用测量仪器实地勘测,调查,现场采集涉嫌违法用地范围的拐点坐标及建筑物测量上图,提交监测图斑范围线、卫片影像、土地利用现状图、土地利用总体规划图、土地报批范围线套合图、监测图斑地类面积计算表、卫片档案整理资料;(2)根据下发的土地卫片、矿产卫片图斑,分析图斑类型,计算图斑所占地类面积;(3)利用外业调查APP进行实地举证;(4)套合现有数据资料,依据最新的《土地卫片执法图斑合法性判定规则》判断图斑类型,拆分图斑矢量;(5)完成卫片系统填报、修改、上报,直到完全通过审核;(6)根据填报图斑面积,完善台账;(7)完成下发图斑纸质资料的归档,协助甲方进行违法用地案卷的组卷;(8)完成日常卫片省厅及市局要求统计的报表并解决反馈的问题;(9)协助甲方完成市级、省级、国家级图斑审核对接。
二、商务条款1.付款方式:待项目完成后,乙方开具普通增值税发票15个工作日内一次性结清付款。
2.服务地点:萍乡市湘东区行政辖区内。
3.服务期限:按自然资源部、江西省自然资源厅规定的时间节点前完成成果资料交付。
4.报价方式:投标人的投标报价应包含投标人提供全部服务及伴随的一切费用,包括但不限于项目实施、技术服务、培训以及与之相关发生的所有税费、规费、保险费(如果有)、代理服务费等招标文件中规定的投标人应承担的其他费用。
第三章采购需求与技术参数一、采购设备数量及技术参数1、第一标段设备参数与要求(一)设备名称:直接数字化X线摄影系统(DR)(二)数量:4台单价:41万元预算金额:164万元(三)配送地点:双槐树、东明、城关镇、横涧(四)技术参数及要求:1.总体要求1.1 设备名称:数字化医用X射线摄影设备(DR)1.2 设备用途:满足全身所有部位数字摄影的需求1.3设备机械形态:为多功能双立柱形态、固定式床体设计,非悬吊或U型臂结构★1.4 整体要求:为保证整机兼容及售后保障,整套设备中的高压发生器、平板探测器、机械系统、限束器、图像采集系统为同一制造商,并提供第三方检测证明材料。
★1.5 投标产品入选2018年优秀国产医疗设备遴选目录(需提供中国医学装备协会证书)★1.6 投标产品具备中国环境标志产品认证(需提供中国环境标志产品认证证书)2.技术性能要求2.1高压发生器2.1.1 高频功率:≥50KW2.1.2 管电压可调范围:≥40-150KV2.1.3 最大输出电流:≥630mA2.1.4 最大mAs:≥700mAs2.1.5 最短曝光时间:≤1ms2.1.6 最小电流时间积:≤0.2mAs★2.1.7采用平板探测器探测实现自动曝光(AEC)控制功能,非物理电离室结构,(需提供证明材料)2.1.8 高压发生器的操作与控制系统完全与主机集成,在图像采集工作站上控制曝光参数★2.1.9高压发生器与设备整机为同一生产厂家。
(需提供高压发生器医疗器械注册证证明文件)2.2平板探测器:2.2.1工作方式:无线便携式,可从床下或胸片架中随意取出,轻松完成一些急症、重症病人不能移动的拍摄工作★2.2.2传输方式:无线传输2.2.3材料:非晶硅+碘化铯★2.2.4 有效面积≥17×17英寸2.2.5 有效数据位数:≥14bit2.2.6 最大空间分辨率:≥3.6lp/mm2.2.7 总像素:≥800万★2.2.8 像素尺寸:≤140μm2.2.9 平板探测器表面承重:≥100kg3. X射线管:3.1 双焦点:小焦点≤0.6mm;大焦点≤1.2mm3.2 最大电压:≥150kV3.3最大电流:≥630mA★3.4 最大热容量:≥150kHU4. 摄影床及胸片架:4.1 类型:落地式、不采用U臂或UC臂等其他机架4.2床面板纵向移动范围≥900mm4.3床面板横向移动范围≥210mm4.4立柱上下移动范围≥1190mm4.5球管焦点距地面最低距离≤580mm4.6立柱纵向移动范围≥1400mm4.7球管旋转范围≥±135度4.8胸片架移动范围≥1100mm4.9胸片架中心点距地面最低距离≤580mm4.10固定滤线栅:格比10:1 栅密度:40LP/cm★4.11具备对中运动修正功能:采用像素识别实时校正技术,保证球管与探测器高精度自动跟踪,(需提供证明材料)。
4.12重力感应式角度指示仪直径≥100mm5.图像采集工作站5.1硬件要求:内存≥4G;硬盘≥1T;5.2显示器:≥23”液晶显示器5.3高压发生器软件与采集软件高度集成,通过采集工作站设定高压发生器各项参数5.4按解剖部位自动设置摄影条件★5.5具备图像均衡处理算法技术,通过调整动态范围实现多频率、多层次的图像处理,(需提供证明材料)。
5.6图象处理功能:具备图像的窗宽/窗位调节、灰阶翻转、漫游放大及倍数放大、旋转、注释、各种测量、裁减、组织均衡、滤波处理、患者数据显示内容、患者数据显示调节方式★5.7图像拼接功能:交叠区域像素级灰度值拟合校正,图像特征点多尺度高度识别实现无缝拼接。
(需提供证明材料)。
6.图像诊断工作站系统★6.1基本要求:软件为DR生产厂家原厂生产,(需提供医疗器械注册证证明文件)6.2计算机系统:Windows操作系统 , 内存:≥4G,硬盘:≥1TB6.3显示器:≥23"液晶显示器6.4图像处理功能:窗宽/窗位、漫游、缩放、放大镜、裁剪、灰度对比度、反色、伪彩色等★6.5具备图像的拼接功能7.图像的输出7.1支持多种规则及非规则的分格方式7.2支持图文报告系统2、第二标段设备参数与要求全自动血细胞分析仪技术参数(一)设备名称:全自动血细胞分析仪(全自动五分类血液分析仪)(二)数量:8台单价:7万元预算金额:56万元(三)配送地点:文峪、横涧、沙河、双龙湾、徐家湾、朱阳关、汤河、狮子坪(四)技术参数及要求:1. 检测速度≥ 60个样本/小时;★2. 血液进样量≤20L3. 检测参数≥ 27项(不含直方图和散点图);★4. 内置彩色触屏操作,可设置自动开机及自检,并具备试剂量可视化追踪功能5. 全血模式及稀释模式两种检测模式可选★6. 数据存储:≥30000患者结果(含直方图,散点图及报警信息)及1200个质控文件;★7. 试剂种类:白细胞计数加分类仅需≤3种试剂,所有试剂均不含氰化物、叠氮物及甲醛8. 试剂系统完全开放,但可提供同仪器品牌全套原装试剂、校准品和质控品供用户选择,具有完整溯源性9. 精密度(静脉血)9.1 白细胞<4%;9.2 红细胞<2%;9.3 血小板<7.5%;9.4 血红蛋白<1.5%;10. 要求有原厂生产的配套校准品和质控品;11. 提供免费的实验室间质量保证体系,并且质量保证体系的数据提交和结果返回可通过Internet完成。
3、第三标段设备参数与要求3.1全自动生化分析仪技术参数全自动生化分析仪技术参数(一)设备名称:全自动生化分析仪(二)数量:6台单价:12万元预算金额:72万元(三)配送地点:横涧、沙河、木桐、瓦窑沟、狮子坪、营子(四)技术参数及要求:★1.工作速度:分立式,生化测试速度≥360 测试/小时(不含ISE离子电极),选配ISE模块时,ISE模块速度≥240测试/小时,需提供注册证和检测报告等证明文件。
2.测试范围:临床生化、电解质等。
3.系统功能:24小时连续开机,急诊优先插入。
4.校准方法:线性校准和非线性校准,至少列举9种方法,需要提供检测报告或注册证证明文件。
5.样本类型:血清、血浆、尿液等。
6.测试方法:一点终点法、两点终点法、速率法(动力学法)、两点速率法(固定时间法)、ISE电位测量法★7、交叉污染率:≤0.09% 。
8.样本量:3.0~65µl,0.1µl递增。
★9.试剂盘:≥72个试剂位(不含任何形式拓展位置),样本位≥50个(不含任何形式拓展位置),试剂位和样本位总计不少于120个。
10.试剂量:20~300µl,0.5µl递增。
11.具有24小时连续冷藏试剂功能, 2~8℃,可连续24小时冷藏。
12.比色杯:80个,圆盘式。
★13.最小反应液体积:120µl。
14.光源:进口卤素灯,寿命可达2000小时。
15.分光系统:光栅式后分光,不接受滤光片。
16.吸光度范围:线性范围:-0.2~3.3Abs。
具有负吸光度范围17.波长:≥12个;波长准确度:≤±1nm。
18.恒温装置:长寿命免维护电加热恒温装置或固体直热。
19.耗水量: 去离子水<7升/小时。
20.试剂系统完全开放,但可提供同仪器品牌全套原装试剂、校准品和质控品供用户选择,具有完整溯源性。
(五)基本配置:生化主机、品牌计算机、19寸液晶显示器、品牌激光打印机、10个品种装机试剂。
(六)其他要求★1、投标型号系列产品入围2017《国家质检总局专用仪器设备中标目录》,提供入围证件复印件并加盖生产厂家公章。
★2、投标型号系列产品为2017年中国医学装备协会发布首批《优秀国产医疗设备产品遴选结果》目录中,提供相应证明文件并加盖生产企业公章。
投标产品生产企业具有ISO9001和ISO13485质量体系证书。
3.2全自动尿液分析仪技术参数全自动尿液分析仪技术参数(一)设备名称:全自动尿液分析仪(二)数量:9台单价:0.9万元预算金额:8.1万元(三)配送地点:潘河、沙河、徐家湾、木桐、朱阳关、汤河、瓦窑沟、狮子坪、营子(四)技术参数及要求:1.技术参数1.1 检测项目:尿10项、11项兼容(尿胆原、胆红素、酮体、蛋白质、白细胞、潜血、葡萄糖、亚硝酸盐、酸碱度、比重、抗坏血酸);1.2 检测原理:R、G、B三原色光电比色检测原理;☆1.3 检测速度:540人份/小时;☆1.4 检测波长:395、470、525、590、610、635(nm);1.5 语言选择:具有中英文转换功能;1.6 记录方式:微型热敏打印纸、LCD显示、FlashROM、外接打印机,可存储2000份测试结果,断电后能存储、记忆数据;1.7 显示器:LCD真彩色触摸屏,便于操作;1.8 结果输出:可以中英文显示并打印结果,具有批打印能力;1.9 通信接口:标准RS-232C DB9 female,可与计算机联机,可以连LIS、HIS 等系统,可连尿沉渣仪器组成尿液分析工作站;☆1.10 校准功能:开机自动校准功能,消除误差,保障结果准确度;☆1.11 结果修正:拥有消除本底颜色,结果自主修正功能,保障结果准确度;1.12 测头灯光:可以根据工作环境,实时自动调整;☆1.13 认证体系:有欧盟CE认证,提供证书;☆1.14 质控液:拥有原厂配套质控液,提供注册证;1.15 条码扫描仪:可与条码扫描仪连接(选配件);1.16 试纸要求:原厂配套试纸,抗Vc干扰功能能力力强,耐受浓度达40mg/dL,性能稳定。
2.商务及其它要求2.1 制造商具有ISO9001、ISO13485、CMD认证,仪器有CE认证;☆2.2 制造商有同品牌配套的尿试纸、质控液(提供证件);2.3 售后服务:制造商在本省区设有直属售后服务机构,能够做到立即响应,1个工作日内上门服务。
4、第四标段设备参数与要求全数字彩色多普勒超声诊断系统(彩超)参数要求(一)设备名称:推车式彩色全数字超声诊断系统(彩超)(二)数量: 6台单价:15万元预算金额: 90万元(三)配送地点:官坡、朱阳关、双槐树、城关镇、东明、文峪(四)技术参数及要求:设备用途说明:用于腹部,妇科,产科,泌尿科,小器官,儿科,外周血管等方面的检查。
1.★监视器:高分辨率19寸LCD显示器2.采用全数字化成像技术2.1 脉冲反相谐波复合成像2.2 多波束合成2.3 动态接收聚焦2.4 斑点噪声抑制3.二维灰阶显像主要参数3.1 成像模式包括:3.1.1 B模式、 M模式3.1.2 Color(彩色多谱勒)模式3.1.3 ★PDI(能量多普勒)模式、DPDI方向能量多普勒3.1.4 PW模式3.1.5 脉冲反相谐波复合成像3.16 ★CW模式(提供证明图片加盖厂家公章)3.2 ★探头★ 3.2.1 探头频率2.5~15.0MHz(依赖不同探头)★ 3.2.2 凸阵探头:超宽频五变频:2.5-4.5MHZ★ 3.2.3 线阵探头:超宽频五变频:8.0-13.0MHZ★ 3.2.4 相控阵探头:超宽频五变频:1.0-5.0MHZ3.3 ★探头连接器:≥4个(四个探头接口全激活且互通互换,并且与同系列便携式彩超探头互通互用,提供证明图片)3.4 显示模式:B、B+B、B+M、4B、M、B+Color、B+PDI、B+PW、B+Color+PW、B+PDI+PW、B+Color/PDI/DPDI二分屏、B+Color/PDI/DPDI双实时3.5 ★扫描深度(mm)≥300mm3.6 放大:3.6.1 实时扫描(B、B+C、2B)状态: ≥7档3.6.2 冻结(B、B+C)状态:7档3.7 电影回放3.7.1 ★2D模式(B), 最大: ≥1100帧,Color, PDI最大:≥309帧3.8 中/英文操作系统与语言环境3.9 全屏幕中英文注释输入,中文输入法≥2种,其中有五笔输入法3.10 ★内置大容量锂电池,且屏幕提供电量显示信息(可现场演示)3.11 测量计算软件包:腹部、妇科、产科、小器官、心脏、外周血管、矫形外科等3.12 图像存储:3.12.1 支持JPEG、BMP、DCM、FRM图像格式和CIN、AVI电影格式 3.12.2 支持本地、U盘、移动硬盘存储3.12.3 支持DICOM,符合 DICOM3.0标准4.图像参数4.1 B模式4.1.1 灰阶映射:≥15档4.1.2 噪声抑制:8档4.1.3 斑点抑制:≥9档4.1.4 空间复合:开关可调4.1.5 ★可调图像特征:细腻/柔和/高对比/高穿透4.1.6 图像翻转:上下、左右4.1.7 图像旋转:90°、180°、270°4.2 M模式4.2.1 扫描速度:≥4档可调4.2.2 线平均:≥8档4.2.3 显示布局:上/下(U/D)、左/右(L/R)4.3 PW模式4.3.1 ★SV大小:0.5 - 20mm可调4.3.2 PRF:≥15档4.3.3 血流速度:高速/中速/低速4.3.4 扫描速度:≥6档可调4.3.5 快速校正角度:-90°~90°,步长30°4.3.6 多谱勒声音:≥8档4.4 Color/PDI模式4.4.1 PRF:≥16档4.4.2 血流速度:高速/中速/低速4.4.3 彩色图谱:≥7种4.4.4 彩色相关:≥7档4.4.5 壁强:≥15档4.4.6 平滑滤波:≥8档5.测量及计算5.1 B/C模式常规测量:距离、面积、周长、容积、角度、狭窄比、直方图 5.2 M模式常规测量:时间、斜率、心率5.3 Doppler模式常规测量:心率、流速、流速比、阻力指数、搏动指数、自动包络5.4 产科B、PW模式应用测量:包括全面的产科径线测量、体重、单胎孕龄及生长曲线、羊水指数、胎儿生理评分测量等5.5 妇科B模式应用测量5.6 血管B、PW模式应用测量5.7 小器官B模式应用测量5.8 泌尿B模式应用测量5.9 儿科B模式应用测量(五)设备配置要求:1. 全数字主机 1台2. ★高分辨率19’寸LCD显示器 1台3. 超宽五变频腹部凸阵探头:1个4. 超宽五变频线阵线阵探头:1个5. ★反相谐波成像技术6. ★频率复合成像7. 斑点噪声抑制8. ★PDI(能量多普勒模式)、DPDI(方向能量多普勒模式)(六)其它要求:1.★公司具备自主探头研发能力,政府认证的换能器实验室(提供证明文件加盖厂家公章)5、第五标段设备参数与要求5.1洗胃机技术参数洗胃机技术参数(一)设备名称:全自动洗胃机(二)数量:6台单价:0.5万元预算金额: 3万元(三)配送地点:杜关、双龙湾、徐家湾、木桐、朱阳关、瓦窑沟(四)技术参数及要求:1.采用膜片泵作为冲液和吸液的动力源,用压力传感器和CPU控制;2.采用定量容积式转换缸;3.口腔插管和鼻腔插管两种工作模式;4. 面板有洗胃循环次数和模拟压力显示状态;5. 增设手动冲、吸液量平衡装置;6. 转换阀——位置标识清晰,方便用户根据所用胃管大小快捷选择洗胃模式;7. 具备液量平衡(功能);8. 流量:≥2L/min(口腔插管档);≥1L/min(鼻腔插管档)9. 自控:冲液量为250~350ml/次,吸液量为300~450ml/次10. 进出胃时间:≤20s/次(口腔档)11. 工作噪音:≤65dB13.压力控制:12. 泵的正、负压设定范围为47~67KPa13. 工作电源:220V±10% 50Hz±2%2.14. 输入功率:110VA5.2 心电图机技术参数心电图机技术参数(一)设备名称:数字式十二道心电图机(二)数量:7台单价:2万元预算金额:14万元(三)配送地点:潘河、沙河、徐家湾、木桐、朱阳关、狮子坪、营子(四)技术参数及要求:1 基本参数1.1 标准12导联、Cabrera导联心电信息同步采集★1.2 10.4英寸1024*768点彩色LED触摸屏★1.3 中英文输入及操作提示,全触屏配合全键盘操作,中文输入支持手写和拼音、五笔输入法1.4 灵敏度选择:2.5、5、10、20mm/mV±2%,自动1.5 走纸速度:5、6.25、12.5、25、50 mm/s ±2%1.6 记录模式:节律/手动/自动打印:3CH、3CH+1R、3CH+3R、6CH、6CH+1R、12CH1.7 支持预采集、实时采集、触发采集、周期采集等多种采集方式1.8 支持节律分析功能,节律导联可任选,最长记录时间可达5分钟1.9 自诊断功能:具有设备自诊断及故障提示功能1.10 除颤保护:具有抗除颤电击保护功能1.11 导联线:导联线内附抗除颤电击保护功能,并具有防缠绕设计★1.12 心电算法:可根据患者年龄、性别、种族、用药做出精确诊断,对急性心肌缺血、室颤室速、极度心动过缓、恶性心律失常等能进行有效判断★1.13操作面板上要求有F1-F7快捷操作键(提供证明图片)2主要性能参数:2.1 输入阻抗:≥50MΩ(10Hz)2.3 频率响应:0.01-350Hz (-3db)2.4 定标电压:1mV±3%2.5 耐极化电压:±610mV2.6 内部噪声:≤10µVp-p2.7 时间常数:≥3.2s2.8 共模抑制比:≥130dB2.9 A/D转换:24bit★2.10 采样率:32000Hz(提供注册证明)2.11 支持心脏起搏信号检测2.12抗干扰滤波:具有交流滤波、肌电滤波、基线漂移滤波3 存储及记录3.1 设备内置存储器,本机可存储≥1000例3.2 支持外接U盘、SD卡扩展存储空间3.3 可选配直接外接激光打印机,通过A4纸打印心电波形和报告3.4 支持已保存病例的电影回放和选择任意一段波形打印。