灯具常见安规等符号与说明
- 格式:doc
- 大小:121.00 KB
- 文档页数:2
电器符号大全SR:沿钢线槽敷设BE:沿屋架或跨屋架敷设CLE:沿柱或跨柱敷设WE:沿墙面敷设CE:沿天棚面或顶棚面敷设ACE:在能进入人的吊顶内敷设BC:暗敷设在梁内CLC:暗敷设在柱内WC:暗敷设在墙内CC:暗敷设在顶棚内ACC:暗敷设在不能进入的顶棚内FC:暗敷设在地面内SCE:吊顶内敷设,要穿金属管一,导线穿管表示SC-焊接钢管MT-电线管PC-PVC塑料硬管FPC-阻燃塑料硬管CT-桥架MR-金属线槽M-钢索CP-金属软管PR-塑料线槽RC-镀锌钢管二,导线敷设方式的表示DB-直埋TC-电缆沟BC-暗敷在梁内CLC-暗敷在柱内WC-暗敷在墙内CE-沿天棚顶敷设CC-暗敷在天棚顶内SCE-吊顶内敷设F-地板及地坪下SR-沿钢索BE-沿屋架,梁WE-沿墙明敷三,灯具安装方式的表示CS-链吊DS-管吊W-墙壁安装C-吸顶R-嵌入S-支架CL-柱上沿钢线槽:SR沿屋架或跨屋架:BE沿柱或跨柱:CLE穿焊接钢管敷设:SC穿电线管敷设:MT穿硬塑料管敷设:PC穿阻燃半硬聚氯乙烯管敷设:FPC电缆桥架敷设:CT金属线槽敷设:MR塑料线槽敷设:PR用钢索敷设:M穿聚氯乙烯塑料波纹电线管敷设:KPC 穿金属软管敷设:CP直接埋设:DB电缆沟敷设:TC导线敷设部位的标注沿或跨梁(屋架)敷设:AB暗敷在梁内:BC沿或跨柱敷设:AC暗敷设在柱内:CLC沿墙面敷设:WS暗敷设在墙内:WC沿天棚或顶板面敷设:CE暗敷设在屋面或顶板内:CC吊顶内敷设:SCE地板或地面下敷设:FCHSM8-63C/3P DTQ30-32/2P 这两个应该是两种塑壳断路器的型号,HSM8-63C/3P 适用于照明回路中,为3极开关,额定电流为63A(3联开关)DTQ30-32/2P 也是塑壳断路器的一种,额定电流32A,2极开关其他那些符号都是关于导线穿管和敷设方式的一些表示方法,你对照着查一下矿用铠装控制电缆;MKVV22,MKVV32 2*0.5,3*0.75,4*4,------37*1.5mm铠装控制电缆;KVV22,KVV32,KVVR22 2*0.5,3*0.75,4*4,------37*1.5mm铠装屏蔽控制电缆KVVP-22,RVVP-22,KVVRP-22,KVVP2-22,KVVRP2-22 2*0.5,3*0.75,4*4,------37*1.5mm铠装阻燃控制电缆;ZR-KVV22,ZR-KVV32,ZR-KVVR222*0.5,3*0.75,4*4,------37*1.5mm铠装阻燃屏蔽控制电缆;ZR-KVVP22,ZR-KVVRP22,ZR-KVVP2-22,ZR-KVVRP2-222*0.5,3*0.75,4*4,------37*1.5mm铠装通信电缆;HYA22,HYA23,HYA53,HYV22,HYV23 5对,10对------2400对,0.4-0.5-0.6-0.7-0.8-0.9线径铠装充油通信电缆;HYAT22,HYAT23,NYAT53 5对,10对------800对0.4-0.5-0.6-0.7-0.8-0.9线径铠装阻燃通信电缆;ZR-HYA22,ZR-HYA23,ZR-HYA53,WDZ-HYA23,WDZ-HYA535对,10对------2400对,0.4-0.5-0.6-0.7-0.8-0.9线径矿用铠装阻燃通信电缆;MHYA22,MHYV22,MHYA32,MHYV325对,10对------200对,0.5-0.6-0.7-0.8-0.9-1.0线径铠装计算机电缆;DJYVP22,ZR-DJYVP22,DJYVRP22,DJYPV22,ZR-DJYPV22DJYPVR22 DJYPVP22,DJYPVRP22,ZR-DJYPVP22,ZR-DJYPVPR221*2*0.75 2*2*1.0 3*2*1.5 ------30*2*1.5mm铠装铁路信号电缆;PZY23,PTY23,PZY22,PTY22,PZYH23,PTYH23 PZYA23,PZYA22,PZYAH22,PTYAH22,PTYAH32,PZY324芯-6芯-8芯-9芯------6型号含义:R-连接用软电缆(电线),软结构。
灯具防触电保护类别和符号说明根据灯具的安全性能,将灯具分为四类,即:一、0类灯具:依靠基本绝缘作为防触电保护--仅靠电线的pvc进行绝缘。
万一基本绝缘失效(电线破损:如过线时破皮,)从而导致触电事故,火灾隐患。
防触电保护就只好依赖环境了。
二、Ⅰ类灯具防触电保护不仅依靠基本绝缘,还包括附加的安全措施,即把易触及的导电部件连接到固定线路中的保护接地导体上,使可触及的导电部件在万一基本绝缘失效时不致于带电。
(0类灯具+地线)三、Ⅱ类灯具(1)2类灯具的定义:防触电保护不仅依靠基本绝缘,而且具有附加安全措施,例如双重绝缘或加强绝缘,但没有接地或依赖安装条件的保护措施。
(2)2类灯具的特征和标准要求:1.这样的灯具可以具有下列形式之一:a)具有耐用的和坚固的绝缘材料做成的完整的外壳的灯具,它包住所有金属部件,除了诸如铭牌、螺钉和铆钉之类小的部件用绝缘材料与带电部件完全隔离外,这样的绝缘至少相当于加强绝缘。
这样的灯具称为绝缘外壳式Ⅰ类灯具。
b)具有坚固的全金属外壳的灯具,其内部全部采用双重绝缘,除了那些使用双重绝缘显然不行的部件采用加强绝缘外。
这样的灯具称为金属外壳式Ⅱ类灯具。
c)具有上述a)和b)的组合型式的灯具。
2绝缘外壳式n类灯具的外壳可以成为补充绝缘或加强绝缘的部分或全部。
3假如接地是为了帮助起动,而不是直接接到易触及金属部件,该灯具仍然被认为是Ⅱ类灯具。
光源的灯头外壳和光源的起动带并不被看作易触及金属部件,但试验确定为带电部件的除外。
4假如具有双重绝缘和/或加强绝缘的灯具,有一统一的接地端子或接地触点,该灯具为Ⅰ类结构。
然而,一个固定式的Ⅱ类灯具用作环路安装的话,可以有一个内部接线端子,用这个端子来保持接地导体的电气连续性,此接地导体不在灯具内终止。
内部接线端子通过Ⅱ类绝缘与易触及金属隔离。
四、Ⅲ类灯具所使用电源为安全特低电压,并且灯具内部不会产生高于SELV(36v)的低电压:将市电转换成36v的低电压(加变压器的方式)。
符号说明符号说明符号说明
W瓦特Ⅱ类中国强制认证标志(安全)
Hz赫兹Ⅲ类中国强制认证标志(安全+电磁兼容)
V伏特保护性接地(指Ⅰ类)窒内使用标志
A安培
接地
(除Ⅰ类的其它灯具)
Ta
灯具可以持续工作的最高环
境温度
~交流电源Ac端子输出最大电压tw 镇流器绕组的额定最大工作温度
直流电源Dc独立式标志Tc电器外壳的最大工作温度
~直流和交流电源设计成只能使用自带防护屏卤
钨灯的灯具
绕组的额定温升(K)
可直接安装在普通可燃材料表面的灯具不适宜直接安装在普通可燃材
料表面的灯具
被隔热材料可能盖住灯具
时,灯具适宜于安装在普通
可燃材料表面上(内)
使用需要带外触发器(连
到光源)的高压纳灯的灯具带热保护式控制装置标志
使用带内启动装置的高太纳
灯的灯具
不能使用冷光束灯警告替换所有碎裂防护罩设计使用碗形镜面反射灯泡恶劣条件使用的灯具灯内电缆承受最高温度光源离被照物最短距离。
1.一个“F"在一个底朝上的三角形里面,指的是灯具可以安装在“一般可燃性表面”,也就是指一般的台灯、固定在天花板的吸顶灯和吊灯等!也就是说该灯在正常使用时不会产生比较高的问题而燃烧安装该灯具的表面!具体的可以查EN60598或者GB7000的标准.2.零类灯具灯具按防触电保护类别,可划分为0类、Ⅰ类、Ⅱ类、Ⅲ类4大类。
其中,“0类灯具”只有基本绝缘作为保护,安全性最差。
0类灯具依靠基本绝缘作为防触电保护。
万一基本绝缘失效,防触电保护就只好依赖环境。
Ⅰ类灯具防触电保护不仅依靠基本绝缘,还包括附加的安全措施,即把易触及的导电部件连接到固定线路中的保护接地导体上,使可触及的导电部件在万一基本绝缘失效时不致带电。
Ⅱ类灯具防触电保护不仅依靠基本绝缘,而且具有附加安全措施,如双重绝缘或加强绝缘,但没有保护接地的措施或依赖安装条件。
符号::表示双重绝缘。
比如,塑料外壳的手电钻,外壳是绝缘的,里面的线圈用的是漆包线(也是绝缘的).Ⅲ类灯具所使用电源为安全特低电压,并且灯具内部不会产生高于SELV(36V)的电压。
判别方法选购灯具时,如何判别它是不是“0类灯具”呢?简单说,它一般为双头插头,没有接地保护;而导线只有简单的绝缘层,也就是说只有一层胶皮,没有护套,剥开胶皮就可以看到铜丝。
一旦这层绝缘体老化或质量不过关,就很容易引发触电或火灾事件。
专家提醒:要避免误购“0类灯具”,比较可靠的方法是,看一看商品标识上有没有Ⅱ类符号(“回”字)。
如有“回”字符号,就表示插头虽是两线的,但也有双重保护的措施,安全上可以堪比接地的效果。
当然,家中现有的“0类灯具”也可经改造后提高安全系数。
专家介绍说,壁灯、吸顶灯等均可接上接地线,将电线换上护套线;有金属外壳的灯具,也可在金属壳体连上接地线,将电线改为护套线就可转为Ⅰ类灯具,以减少触电、短路风险。
3.常见符号灯具中常见的符号如下:a b c d e f g ha符号表示灯具仅适宜直接安装于非可燃物表面。
灯具标注的一般形式及符号的意义可以通过以下内容进行了解:
1. 一般形式:
-灯具型号:标注灯具的型号或者名称,用于区分不同种类的灯具。
-输入电压:标注灯具适用的电压范围,例如220V、110-240V等。
-功率:标注灯具的功率,单位为瓦特(W)。
-色温:标注灯具发出的光的颜色温度,单位为开尔文(K)。
-光通量:标注灯具的总发光量,单位为流明(lm)。
2. 符号的意义:
- E27/E26:表示螺口式灯座,适用于普通家用灯具。
- GU10/GU5.3:表示双针式灯座,适用于射灯和筒灯等。
- IP等级:表示灯具的防护等级,用于说明灯具的防水、防尘等性能。
- CE标志:表示该灯具符合欧洲安全标准。
- ROHS标志:表示该灯具符合欧盟有害物质限制标准,不含有害物质。
- UL标志:表示该灯具符合美国安全标准。
- CCC标志:表示该灯具符合中国强制性产品认证标准。
需要注意的是,灯具标注的形式和符号可能会因不同国家、不同厂商
而有所差异,上述内容只是常见的一些标注形式和符号的意义。
在购买和使用灯具时,建议仔细阅读产品标签和说明书,以确保了解灯具的相关信息和使用要求。
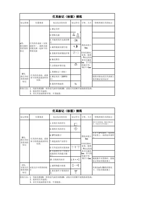
标记类别位置要求标记包含的内容标记符号字体、大小特殊类别灯具的标示1.额定功率2.特殊光源3.不能使用冷光束的警告4.碗形镜面反射灯泡5.替换所有碎裂防护罩6.触发警告7.自带防护罩灯泡 1.来源标记(商标)2.额定电压(250V除外)Ⅲ类可移动式灯具表面上需有额定电压标识3.最高环境温度Ta标记类别位置要求标记包含的内容标记符号字体、大小特殊类别灯具的标示4.Ⅱ类灯具的符号带有不可拆软线、缆的可移动灯具,应标在灯具外表面上5.Ⅲ类灯具的符号6.IP等级数字有多个IP等级时,低的标在标签上,高的标在部件上7.制造商的产品型号8.灯具适宜的安装表面9.互连的灯具(可相互连接的灯具的最大数目)10.点线端头标识L.N.+.-镇流器不可替换时,接地标记需标在镇流器上1.被照物最小距离2.恶劣条件下使用的灯具灯具标记(标签)规范A类:换光源时需看到的标记灯具的外表面(安装面除外),或换光源时随光源一起卸下的罩面反面图形高度≥5mm,空间有限时,Ⅱ类、Ⅲ类、F标记的高度可以减至3mm,符号的组成字母、数字≥2mmB类:换灯具时需看到的标记灯具的外表面,或要卸下的罩盖或部件的反面。
检验方法:1.用湿布擦15S,再用浸汽油的布擦15S,试验后应清晰不能脱落或卷曲; 2.能承受灯具温度;3.在灯具表面附着牢固,不易脱落。
检验方法:1.用湿布擦15S,再用浸汽油的布擦15S,试验后应清晰不能脱落或卷曲; 2.能承受灯具温度;3.在灯具表面附着牢固,不易脱落。
灯具标记(标签)规范B类:换灯具时需看到的标记灯具的外表面,或要卸下的罩盖或部件的反面。
图形高度≥5mm 空间有限时,Ⅱ类、Ⅲ类、F标记的高度可以减至3mm,符号的组成字母、数字≥2mm C类:安装完后要看到的标记安装完后可看到的地方在满足A类或B类的情况下,可标在镇流器上。
一二类灯具的标识
一类灯具和二类灯具是电气设备的分类,其标识通常是根据国际电工委员会(IEC)的规定进行的。
以下是一类和二类灯具的标识和简要解释:
1. 一类灯具(Class I):
标识符号:一类灯具的标识通常是一个带有大写字母I的圆圈,类似于"I"。
特点:一类灯具是最基本的电气设备,其特点是具有接地电源。
这意味着它们的插头中有三个插脚,包括一个接地插脚,以提供安全的接地连接。
安全性:一类灯具的设计和制造需要特别注意安全性,以确保用户的安全,因为它们直接连接到电源,存在电击和火灾风险。
2. 二类灯具(Class II):
标识符号:二类灯具的标识通常是一个带有大写字母II的圆圈,类似于"II"。
特点:二类灯具是双绝缘灯具,不需要接地电源。
它们通常使用双层绝缘材料,以提供额外的安全性,减少电击风险。
安全性:尽管没有接地插脚,二类灯具仍然要求具有高度的安全性,以保护用户免受电击和其他潜在危险。
在购买或使用灯具时,您可以查看其标识,以确定是一类还是二类灯具。
这有助于确保您根据需要选择适当的设备,并确保其安全使用。
此外,一类和二类灯具通常会在其产品说明书中提供有关安全使用和维护的详细信息。
照明灯具三角形圆圈叉叉符号标识
(原创实用版)
目录
1.照明灯具的概述
2.三角形、圆圈、叉叉符号的含义
3.标识的作用及其重要性
正文
1.照明灯具的概述
照明灯具,顾名思义,就是用来照明的设备。
它们可以提供光线,使我们能在光线不足的环境中进行各种活动。
照明灯具种类繁多,有白炽灯、荧光灯、LED 灯等。
这些灯具不仅功能强大,而且造型各异,适用于不同的场景和需求。
2.三角形、圆圈、叉叉符号的含义
三角形、圆圈、叉叉符号是我们生活中常见的标识,它们各自具有特定的含义。
- 三角形:三角形标识通常表示警告或提示注意。
比如,在交通标志中,三角形表示前方可能有危险,需要注意安全。
- 圆圈:圆圈标识通常表示禁止或限制。
比如,交通标志中的红色圆圈表示禁止通行,蓝色圆圈表示禁止停车。
- 叉叉:叉叉标识通常表示否定或取消。
比如,在交通标志中,叉叉表示禁止某种行为,如禁止左转、禁止鸣喇叭等。
3.标识的作用及其重要性
标识在我们的生活中无处不在,它们起着至关重要的作用。
首先,标识能起到引导作用,帮助我们快速了解相关信息,提高生活效率。
比如,
在商场里,各种商品的标识能让我们快速找到所需物品。
其次,标识有助于维护社会秩序和安全。
比如,交通标志能有效地指挥交通,降低交通事故的发生率。
最后,标识还能传递文化信息,展示一个国家或地区的文化特色。
综上所述,照明灯具、三角形、圆圈、叉叉符号标识在我们的生活中起着重要作用。
常用灯具安規參考資料一.相关定义1.灯具:凡是能分配,透出或转变一个或多个光源发出的光线的一种器具,并包括支撑、固定和保护光源必需的部件(但不包括光源本身),以及必需的电路辅助装置和将它们与电源连接的设施。
2.普通灯具:提供防止与带电部件意外接触的保护,但没有特殊的防尘、防固体异物和防水等级的灯具。
3.可移动式灯具:正常使用时,灯具连接到电源后能从一处移动到另一处的灯具。
4.固定式灯具:不能轻易的从一处移动到另一处的灯具,因为固定以致于这种灯具只能借助于工具才能拆卸。
5.嵌入式灯具:制造商指定完全或部分嵌入安装表面的灯具。
6.带电部件:在正常使用过程中,可能引起触电的导电部件。
中心导体应当看作是带电部件。
7.EN安全特低电压(SELV-safety extra-low voltage):在通过诸如安全隔离变压器或转换器与供电电源隔离开来的电路中,在导体之间或在任何导体与接地之间,其交流电压有效值不超过50V。
8.UL低压线路:开路电压不超过交流电压有效值30V的线路。
9.基本绝缘(EN):加在带电部件上提供基本的防触电保护的绝缘。
耐压应在2U+1000V以上(U:当地的电网电压)。
10.补充绝缘(EN):附加在基本绝缘基础上的独立的绝缘,用于基本绝缘失效时提供防触电保护。
耐压值应在2U+1750V以上(单层)。
11.双层绝缘(EN):基本绝缘与补充绝缘组成的绝缘,耐压值应在4U+2750V以上(即基本绝缘与补充绝缘耐压之和)。
12.增强绝缘(EN):绝缘效果与双层绝缘相当的一种加强性绝缘。
从总体上看,一般只为一层,但也可由多层组成,且各层不可明确进行分割并单独测量。
耐压值应在4U+2750V以上。
13.CLASS O级灯(EN):仅以基本绝缘为电击保护措施的灯具,无接地等保护措施。
14.CLASS I级灯(EN):除了基本绝缘为电击保护措施外,还采用了其它如接地等保护性措施的灯具。
15.CLASS II级灯具(EN):采取双重绝缘或增加绝缘为电击保护措施的灯具。
电器符号整理汇总SR:沿钢线槽敷设BE:沿屋架或跨屋架敷设CLE:沿柱或跨柱敷设WE:沿墙面敷设CE:沿天棚面或顶棚面敷设ACE:在能进入人的吊顶内敷设BC:暗敷设在梁内CLC:暗敷设在柱内WC:暗敷设在墙内CC:暗敷设在顶棚内ACC:暗敷设在不能进入的顶棚内FC:暗敷设在地面内SCE:吊顶内敷设,要穿金属管一,导线穿管表示SC-焊接钢管MT-电线管PC-PVC塑料硬管FPC-阻燃塑料硬管CT-桥架MR-金属线槽M-钢索CP-金属软管PR-塑料线槽RC-镀锌钢管二,导线敷设方式的表示DB-直埋TC-电缆沟BC-暗敷在梁内CLC-暗敷在柱内WC-暗敷在墙内CE-沿天棚顶敷设CC-暗敷在天棚顶内SCE-吊顶内敷设F-地板及地坪下SR-沿钢索BE-沿屋架,梁WE-沿墙明敷三,灯具安装方式的表示CS-链吊DS-管吊W-墙壁安装C-吸顶R-嵌入S-支架CL-柱上沿钢线槽:SR沿屋架或跨屋架:BE沿柱或跨柱:CLE穿焊接钢管敷设:SC穿电线管敷设:MT穿硬塑料管敷设:PC穿阻燃半硬聚氯乙烯管敷设:FPC电缆桥架敷设:CT金属线槽敷设:MR塑料线槽敷设:PR用钢索敷设:M穿聚氯乙烯塑料波纹电线管敷设:KPC穿金属软管敷设:CP直接埋设:DB电缆沟敷设:TC导线敷设部位的标注沿或跨梁(屋架)敷设:AB暗敷在梁内:BC沿或跨柱敷设:AC暗敷设在柱内:CLC沿墙面敷设:WS暗敷设在墙内:WC沿天棚或顶板面敷设:CE暗敷设在屋面或顶板内:CC吊顶内敷设:SCE地板或地面下敷设:FCHSM8-63C/3P DTQ30-32/2P 这两个应该是两种塑壳断路器的型号,HSM8-63C/3P 适用于照明回路中,为3极开关,额定电流为63A(3联开关)DTQ30-32/2P 也是塑壳断路器的一种,额定电流32A,2极开关其他那些符号都是关于导线穿管和敷设方式的一些表示方法,你对照着查一下矿用铠装控制电缆;MKVV22,MKVV32 2*0.5,3*0.75,4*4,------37*1.5mm铠装控制电缆;KVV22,KVV32,KVVR22 2*0.5,3*0.75,4*4,------37*1.5mm铠装屏蔽控制电缆KVVP-22,RVVP-22,KVVRP-22,KVVP2-22,KVVRP2-222*0.5,3*0.75,4*4,------37*1.5mm铠装阻燃控制电缆;ZR-KVV22,ZR-KVV32,ZR-KVVR222*0.5,3*0.75,4*4,------37*1.5mm铠装阻燃屏蔽控制电缆;ZR-KVVP22,ZR-KVVRP22,ZR-KVVP2-22,ZR-KVVRP2-222*0.5,3*0.75,4*4,------37*1.5mm铠装通信电缆;HYA22,HYA23,HYA53,HYV22,HYV23 5对,10对------2400对,0.4-0.5-0.6-0.7-0.8-0.9线径铠装充油通信电缆;HYAT22,HYAT23,NYAT53 5对,10对------800对0.4-0.5-0.6-0.7-0.8-0.9线径铠装阻燃通信电缆;ZR-HYA22,ZR-HYA23,ZR-HYA53,WDZ-HYA23,WDZ-HYA535对,10对------2400对,0.4-0.5-0.6-0.7-0.8-0.9线径矿用铠装阻燃通信电缆;MHYA22,MHYV22,MHYA32,MHYV325对,10对------200对,0.5-0.6-0.7-0.8-0.9-1.0线径铠装计算机电缆;DJYVP22,ZR-DJYVP22,DJYVRP22,DJYPV22,ZR-DJYPV22DJYPVR22DJYPVP22,DJYPVRP22,ZR-DJYPVP22,ZR-DJYPVPR221*2*0.75 2*2*1.0 3*2*1.5 ------30*2*1.5mm铠装铁路信号电缆;PZY23,PTY23,PZY22,PTY22,PZYH23,PTYH23PZYA23,PZYA22,PZYAH22,PTYAH22,PTYAH32,PZY324芯-6芯-8芯-9芯------6型号含义:R-连接用软电缆(电线),软结构。
常用灯具安規參考資料一.相关定义1.灯具:凡是能分配,透出或转变一个或多个光源发出的光线的一种器具,并包括支撑、固定和保护光源必需的部件(但不包括光源本身),以及必需的电路辅助装置和将它们与电源连接的设施。
2.普通灯具:提供防止与带电部件意外接触的保护,但没有特殊的防尘、防固体异物和防水等级的灯具。
3.可移动式灯具:正常使用时,灯具连接到电源后能从一处移动到另一处的灯具。
4.固定式灯具:不能轻易的从一处移动到另一处的灯具,因为固定以致于这种灯具只能借助于工具才能拆卸。
5.嵌入式灯具:制造商指定完全或部分嵌入安装表面的灯具。
6.带电部件:在正常使用过程中,可能引起触电的导电部件。
中心导体应当看作是带电部件。
7.EN安全特低电压(SELV-safety extra-low voltage):在通过诸如安全隔离变压器或转换器与供电电源隔离开来的电路中,在导体之间或在任何导体与接地之间,其交流电压有效值不超过50V。
8.UL低压线路:开路电压不超过交流电压有效值30V的线路。
9.基本绝缘(EN):加在带电部件上提供基本的防触电保护的绝缘。
耐压应在2U+1000V以上(U:当地的电网电压)。
10.补充绝缘(EN):附加在基本绝缘基础上的独立的绝缘,用于基本绝缘失效时提供防触电保护。
耐压值应在2U+1750V以上(单层)。
11.双层绝缘(EN):基本绝缘与补充绝缘组成的绝缘,耐压值应在4U+2750V以上(即基本绝缘与补充绝缘耐压之和)。
12.增强绝缘(EN):绝缘效果与双层绝缘相当的一种加强性绝缘。
从总体上看,一般只为一层,但也可由多层组成,且各层不可明确进行分割并单独测量。
耐压值应在4U+2750V以上。
13.CLASS O级灯(EN):仅以基本绝缘为电击保护措施的灯具,无接地等保护措施。
14.CLASS I级灯(EN):除了基本绝缘为电击保护措施外,还采用了其它如接地等保护性措施的灯具。
15.CLASS II级灯具(EN):采取双重绝缘或增加绝缘为电击保护措施的灯具。
符号说明符号说明符号说明
W瓦特Ⅱ类中国强制认证标志(安全)
Hz赫兹Ⅲ类中国强制认证标志(安全+电磁兼容)
V伏特保护性接地(指Ⅰ类)窒内使用标志
A安培
接地
(除Ⅰ类的其它灯具)
Ta
灯具可以持续工作的最高环
境温度
~交流电源Ac端子输出最大电压tw 镇流器绕组的额定最大工作温度
直流电源Dc独立式标志Tc电器外壳的最大工作温度
~直流和交流电源设计成只能使用自带防护屏卤
钨灯的灯具
绕组的额定温升(K)
可直接安装在普通可燃材料表面的灯具不适宜直接安装在普通可燃材
料表面的灯具
被隔热材料可能盖住灯具
时,灯具适宜于安装在普通
可燃材料表面上(内)
使用需要带外触发器(连
到光源)的高压纳灯的灯具带热保护式控制装置标志
使用带内启动装置的高太纳
灯的灯具
不能使用冷光束灯警告替换所有碎裂防护罩设计使用碗形镜面反射灯泡恶劣条件使用的灯具灯内电缆承受最高温度光源离被照物最短距离。
安全标准规定的普通照明用LED灯具上的标志武汉长江半导体照明科技股份有限公司方和全 201302261前言标志是电气类产品设计安装使用时的一项必要安全措施, 是对由于技术上和经济上无法根除的残余危险的一种有效警告, 也是确保产品达到预期使用功能的一项重要措施。
此外, 标志也是国家相关产品质量的法律要求,绝对不能掉以轻心。
用LED作光源的灯具,仍然是灯具。
灯具应设计和制造得使其在正常使用时能安全地工作,对人或周围环境不产生危险。
LED照明灯具作为灯具中的一种,首先要符合灯具的安全要求,其次才是满足LED灯具的专有技术指标。
灯具上的标记指印制或刻制或粘贴贴在灯具上的标记, 即行业内常说的灯具铭牌、灯体标或主标贴、灯头标、功率标和瓦特标等相关内容。
灯具的标志关系到安全,许多跨入LED以及LED灯具行业的新厂商,却对灯具安全标准和对灯具标志的要求知之甚少,或因标准分散而理解不全,甚至对标准知而不办,成为“三无”产品的来源,结果可能导致的安全后果将不堪设想。
据文献[1]的数据,2008年做的460批灯具型式试验的不符合项数统计,标志存在的问题占到全部不符合项的54.1%, 标记有问题的灯具到达23.17%。
还有许多没有经过安全认证的产品,以为可以“自我宣称”,也将安全认证标志印在产品上,拉大旗作虎皮,混淆视听,也是对安全的忽视,同样会导致严重的安全后果。
本文按已有的国家标准尤其是国家强制性标准,对有关普通照明用灯具的铭牌(灯体标、主标贴)上有关安全的标志和要求作了梳理汇集,期望得到对LED灯具标志的项目、位置、尺寸和质量的清晰答案。
对其它必不可少的标志但可在说明书、安装指导文件中说明的文字和图案,以及包装物上的标志另外再述。
2 与强制性标志相关的安全标准如果说推荐性标准是指导性的可以有所选择,但强制标准则必须不折不扣的执行。
LED灯具有了下列一些专门的强制性标准且基本等效采用IEC标准:GB 19510.1-2009/IEC61347-1:2007灯的控制装置第1部分:一般要求和安全要求;GB 19510.14-2009/IEC61347-2-13:2006 灯的控制装置第14部分:LED模块用直流或交流电子控制装置的特殊要求;GB 24819-2009/IEC62031:2008普通照明用LED模块安全要求;GB 24906-2010/(IEC62560:2011)普通照明用50V以上自镇流LED灯安全要求;GB 19651.3-2008/ IEC60838-2-2:2006杂类灯座第2-2部分:LED模块用连接器的特殊要求;GB7000/IEC60598灯具GB7000是对灯具总体安全要求的强制性系列标准。
1.
一个“F"在一个底朝上的三角形里面,
指的是灯具可以安装在“一般可燃性表面”,也就是指一般的台灯、固定在天花板的吸顶灯和吊灯等!也就是说该灯在正常使用时不会产生比较高的问题而燃烧安装该灯具的表面!具体的可以查EN60598或者GB7000的标准.
2.零类灯具
灯具按防触电保护类别,可划分为0类、Ⅰ类、Ⅱ类、Ⅲ类4大类。
其中,“0类灯具”只有基本绝缘作为保护,安全性最差。
0类灯具
依靠基本绝缘作为防触电保护。
万一基本绝缘失效,防触电保护就只好依赖环境。
Ⅰ类灯具
防触电保护不仅依靠基本绝缘,还包括附加的安全措施,即把易触及的导电部件连接到固定线路中的保护接地导体上,使可触及的导电部件在万一基本绝缘失效时不致带电。
Ⅱ类灯具
防触电保护不仅依靠基本绝缘,而且具有附加安全措施,如双重绝缘或加强绝缘,但没有保护接地的措施或依赖安装条
件。
符号::表示双重绝缘。
比如,塑料外壳的手电钻,外壳是绝缘的,里面的线圈用的是漆包线(也是绝缘的).
Ⅲ类灯具
所使用电源为安全特低电压,并且灯具内部不会产生高于SELV(36V)的电压。
判别方法
选购灯具时,如何判别它是不是“0类灯具”呢?简单说,它一般为双头插头,没有接地保护;而导线只有简单的绝缘层,也就是说只有一层胶皮,没有护套,剥开胶皮就可以看到铜丝。
一旦这层绝缘体老化或质量不过关,就很容易引发触电或火灾事件。
专家提醒:要避免误购“0类灯具”,比较可靠的方法是,看一看商品标识上有没有Ⅱ类符号(“回”字)。
如有“回”字符号,就表示插头虽是两线的,但也有双重保护的措施,安全上可以堪比接地的效果。
当然,家中现有的“0类灯具”也可经改造后提高安全系数。
专家介绍说,壁灯、吸顶灯等均可接上接地线,将电线换上护套线;有金属外壳的灯具,也可在金属壳体连上接地线,将电线改为护套线就可转为Ⅰ类灯具,以减少触电、短路风险。
3.常见符号
灯具中常见的符号如下:
a b c d e f g h
a符号表示灯具仅适宜直接安装于非可燃物表面。
b符号表示灯具适宜直接安装于普通可燃物表面,F符号仅用于灯具。
c符号表示适宜直接安装于普通可燃物表面,MM符号仅用于火牛。
d符号表示灯具适宜嵌入式安装。
e符号表示非冷保护式灯泡。
f符号表示自保护式灯泡。
g符号表示灯具仅适宜室内使用(该符号已改为)。
h符号表示温度保护的温度为130℃,也可以有其他温度,如115℃,110℃,100℃等等。
4.各国认可标志
下表是部分国家的的认证标志:
认可标志国家认可标志国家认可标志国家
中国德国法国
加拿
美国欧洲
大
日本澳洲英国。