荷载与结构设计方法--重力荷载
- 格式:ppt
- 大小:2.13 MB
- 文档页数:34
荷载与结构设计方法习题解答1 荷载与作用1.1 什么是施加于工程结构上的作用荷载与作用有什么区别结构上的作用是指能使结构产生效应的各种原因的总称,包括直接作用和间接作用;引起结构产生作用效应的原因有两种,一种是施加于结构上的集中力和分布力,例如结构自重,楼面的人群、家具、设备,作用于桥面的车辆、人群,施加于结构物上的风压力、水压力、土压力等,它们都是直接施加于结构,称为直接作用;另一种是施加于结构上的外加变形和约束变形,例如基础沉降导致结构外加变形引起的内力效应,温度变化引起结构约束变形产生的内力效应,由于地震造成地面运动致使结构产生惯性力引起的作用效应等;它们都是间接作用于结构,称为间接作用;“荷载”仅指施加于结构上的直接作用;而“作用”泛指使结构产生内力、变形的所有原因;1.2 结构上的作用如何按时间变异、空间位置变异、结构反应性质分类结构上的作用按随时间变化可分永久作用、可变作用和偶然作用;按空间位置变异可分为固定作用和自由作用;按结构反应性质可分为静态作用和动态作用;1.3 什么是荷载的代表值它们是如何确定的荷载代表值是考虑荷载变异特征所赋予的规定量值,工程建设相关的国家标准给出了荷载四种代表值:标准值,组合值,频遇值和准永久值;荷载可根据不同设计要求规定不同的代表值,其中荷载标准值是荷载的基本代表值,其它代表值都可在标准值的基础上考虑相应的系数得到;2 重力作用2.1 成层土的自重应力如何确定地面以下深度z处的土体因自身重量产生的应力可取该水平截面上单位面积的土柱体的重力,对于均匀土自重应力与深度成正比,对于成层土可通过各层土的自重应力求和得到;2.2 土压力有哪几种类别土压力的大小及分布与哪些因素有关根据挡土墙的移动情况和墙后土体所处应力状态,土压力可分为静止土压力、主动土压力和被动土压力三种类别;土的侧向压力的大小及分布与墙身位移、填土性质、墙体刚度、地基土质等因素有关;2.3 试述静止土压力、主动土压力和被动土压力产生的条件比较三者数值的大小当挡土墙在土压力作用下,不产生任何位移或转动,墙后土体处于弹性平衡状态,此时墙背所受的土压力称为静止土压力,可用E0表示;当挡土墙在土压力的作用下,向离开土体方向移动或转动时,作用在墙背上的土压力从静止土压力值逐渐减少,直至墙后土体出现滑动面;滑动面以上的土体将沿这一滑动面向下向前滑动,在滑动楔体开始滑动的瞬间,墙背上的土压力减少到最小值,土体内应力处于主动极限平衡状态,此时作用在墙背上的土压力称为主动土压力,可用E a表示;当挡土墙在外力作用下向土体方向移动或转动时,墙体挤压墙后土体,作用在墙背上的土压力从静止土压力值逐渐增大,墙后土体也会出现滑动面,滑动面以上土体将沿滑动方向向上向后推出,在滑动楔体开始隆起的瞬间,墙背上的土压力增加到最大值,土体内应力处于被动极限平衡状态;此时作用在墙背上的土压力称为被动土压力,可用E p表示;在相同的墙高和填土条件下,主动土压力小于静止土压力,而静止土压力又小于被动土压力,即:2.4 如何由朗金土压力理论导出土的侧压力计算方法郎金土压力理论假定土体为半空间弹性体,挡土墙墙背竖直光滑,填土面水平且无附加荷载,根据半空间内土体的应力状态和极限平衡条件导出了土压力计算方法;当填土表面受有连续均布荷载或局部均布荷载,挡土墙后有成层填土或填土处有地下水时,还应对侧向土压力进行修正;2.5 试述填土表面有连续均布荷载或局部均布荷载时土压力的计算当挡土墙后填土表面有连续均布荷载q 作用时,可将均布荷载换算成当量土重,其土压力强度比无均布荷载时增加一项qK a 即可;墙底的土压力强度为:a ()q H K γ+,实际的土压力分布图为梯形abcd 部分;土压力作用点在梯形的重心;当填土表面承受有局部均布荷载时,通常可采用近似方法处理,从局部均布荷载的两端o 点及m 点作两条辅助线oa 和mc,且与水平面成245/ϕ+ 角;认为a 点以上和c 点以下的土压力都不受地面荷载影响,ac 间的土压力按均布荷载对待,对墙背产生的附加土压力强度为qK a ,ac 墙面上的土压力分布如图所示;填土表面有连续均布荷载 填土表面有局部均布荷载2.6 试述民用建筑楼面活荷载的取值方法民用建筑楼面活荷载在楼面上的位置是任意布置的,为方便起见,工程设计时一般可将楼面活荷载处理为等效均布荷载,均布活荷载的量值与房屋使用功能有关,根据楼面上人员活动状态和设施分布情况,在调查和统计的基础上,划分档次,确定取值;1活动的人较少,如住宅、旅馆、医院、教室等,活荷载的标准值可取2.0kN/m 2;2活动的人较多且有设备,如食堂、餐厅在某一时段有较多人员聚集,办公楼内的档案室、资料室可能堆积较多文件资料,活荷载标准值可取2.5kN/m 2;3活动的人很多且有较重的设备,如礼堂、剧场、影院、体育馆看台人员可能十分拥挤,无固定座位时可取3.5kN/m 2;有固定座位时可取3.0kN/m 2;4活动的人很集中,有时很拥挤或有较重的设备,如商店、展览厅既有拥挤的人群,又有较重的物品,活荷载标准值可取3.5kN/m 2;5人员活动的性质比较剧烈,如健身房、舞厅由于人的跳跃、翻滚会引起楼面瞬间振动,通常把楼面静力荷载适当放大来考虑这种动力效应,活荷载标准值可取4.0kN/m 2;6储存物品的仓库,如藏书库、档案库、贮藏室等,柜架上往往堆满图书、档案和物品,活荷载标准值可取5.0kN/m 2;采用无过道的密集书柜时,活荷载标准值取为12.0kN/m 2;7有大型的机械设备,如建筑物内的通风机房、电梯机房,活荷载标准值可取6.0kN/m 2~7.5kN/m 2;8在礼堂、影剧院、教室、办公楼等场所,散场、散会或下课之后,楼梯、走廊、和门厅等处人流集中,拥挤堵塞,停留时间较长,其楼面活荷载取值应大于相邻房间的荷载值0.5kN/m 2;基于上述方法,荷载规范给出了民用建筑楼面均布活荷载标准值及其组合值、频遇值和准永久值系数,设计时可直接取用所给数值;2.7 当楼面面积较大时,楼面均布活荷载为什么要折减民用建筑的楼面均布活荷载标准值是建筑物正常使用期间可能出现的最大值,当楼面面积较大时,作用在楼面上的活荷载不可能同时布满全部楼面,在计算楼面梁等水平构件楼面活荷载效应时,若荷载承载面积超过一定的数值,应对楼面均布活荷载予以折减;同样,楼面荷载最大值满布各层楼面的机会更小,在结构设计时,对于墙、柱等竖向传力构件和基础应按结构层数予以折减;2.8 工业建筑楼面均布活荷载是如何确定的工业建筑楼面上荷载的分布形式不同,生产设备的动力性质也不尽相同,安装在楼面上的生产设备是以局部荷载形式作用于楼面,而操作人员、加工原料、成品部件多为均匀分布;另外,不同用途的厂房,工艺设备动力性能各异,对楼面产生的动力效应也存在差别;为方便起见,常将局部荷载折算成等效均布mc荷载,并乘以动力系数将静力荷载适当放大,来考虑机器上楼引起的动力作用;2.9 如何将楼面局部荷载换算为楼面等效均布活荷载板面等效均布荷载按板内分布弯矩等效的原则确定,即简支板在实际的局部荷载作用下引起的绝对最大弯矩,应等于该简支板在等效均布荷载作用下引起的绝对最大弯矩;单向板上局部荷载的等效均布活荷载e q ,可按下式计算:2m ax 8blM q e =;式中:l 为板的跨度;B 为板上荷载的有效分布宽度;M max 为简支单向板的绝对最大弯矩,按设备的最不利布置确定,设备荷载应乘以动力系数;2.10 屋面活荷载有哪些种类 如何取值房屋建筑的屋面分为上人屋面和不上人屋面,上人屋面应考虑可能出现的人群聚集,活荷载取值较大;不上人屋面仅考虑施工或维修荷载,活荷载取值较小;屋面设有屋顶花园时,尚应考虑花池砌筑、苗圃土壤等重量;屋面设有直升机停机坪时,则应考虑直升机总重引起的局部荷载和飞机起降时的动力效应;机械、冶金、水泥等行业在生产过程中有大量排灰产生,易在厂房及邻近建筑屋面形成积灰荷载,设计时也应加以考虑;2.11 什么情况下会产生屋面积灰荷载 影响屋面积灰荷载取值有哪些因素冶金、铸造、水泥等行业在生产过程中有大量排灰产生,易于在厂房及其邻近建筑屋面堆积,形成积灰荷载;当房屋离灰源较近,且位于不利风向下的屋面天沟、凹角和高低跨处,常形成严重的灰堆现象;设计时应考虑屋面积灰情况,合理确定积灰荷载,以保证结构的安全性;影响积灰厚度的主要因素有除尘装置的使用、清灰制度的执行、风向和风速、烟囱高度、屋面坡度和屋面挡风板等;2.12 计算挑檐、雨蓬承载力时,如何考虑施工、检修荷载设计屋面板、檩条、钢筋混凝土挑檐、雨蓬和预制小梁时,除了考虑屋面均布活荷载外,还应验算在施工、检修时可能出现在最不利位置上,由人和工具自重形成的集中荷载;屋面板、檩条、钢筋混凝土挑檐和预制小梁,施工或检修集中荷载应取1.0kN,并应作用在最不利位置处进行验算;计算挑檐、雨蓬承载力时,应沿板宽每隔1.0m 取一个集中荷载;在验算挑檐、雨蓬倾覆时,应沿板宽每隔2.5~3.0m 的取一个集中荷载,集中荷载的位置作用于挑檐、雨蓬端部;2.13试述公路桥梁汽车荷载的等级和组成 车道荷载的计算图式和标准值公路桥梁汽车荷载分为公路—Ⅰ级和公路—Ⅱ级两个级别,分别由车道荷载和车辆荷载组成;桥梁结构的整体计算采用车道荷载,车道荷载由均布荷载和集中荷载组成;桥梁结构的局部加载、涵洞、桥台和挡土墙土压力等的计算采用车辆荷载;车辆荷载和车道荷载的作用不得叠加;车道荷载是个虚拟荷载,它的荷载标准值k q 和k p 是在不同车流密度、车型、车重的公路上,对实际汽车车队车重和车间距的测定和效应分析得到;车道荷载的均布荷载标准值应满布于使结构产生最不利效应的同号影响线上;集中荷载标准值只作用于相应影响线中一个最大影响线峰值处;车道荷载的计算图式见图2.28;公路—Ⅰ级车道荷载的均布荷载的标准值为k 10.5kN/m q =;集中荷载标准值按以下的规定选取:桥梁计算跨径小于或等于5m,k 180kN p = ;桥梁计算跨径等于或大于50m 时,k 360kN p =;桥梁的计算跨径在5m~50m 之间时,k p 值采用直线内插求得;计算剪力的效应时,上述集中荷载的标准值k p 应乘以1.2的系数公路—Ⅱ级车道荷载的均布荷载标准值k q 和集中荷载标准值k p 按公路—Ⅰ级车道荷载的0.75倍采用;车道荷载的均布荷载标准值应满布于使结构产生最不利效应的同号影响线上;集中荷载标准值只作用于相应影响线中一个最大影响线峰值处;2.14车道荷载为什么要沿横向和纵向折减桥梁设计时各个车道上的汽车荷载都是按最不利位置布置的,多车道桥梁上的汽车荷载同时处于最不利位置可能性随着桥梁车道数的增加而减小;在计算桥梁构件截面产生的最大效应内力、位移时,应考虑多车道折减;当桥涵设计车道数等于或大于2时,由汽车荷载产生的效应应进行折减;大跨径桥梁随着桥梁跨度的增加桥梁上实际通行的车辆达到较高密度和满载的概率减小,应考虑计算跨径进行折减;2.15 城市桥梁在设计中如何考虑作用于桥面的车辆荷载取值我国城市桥梁的荷载设计,依据城市桥梁设计荷载标准CJJ77-98,该标准适用于城市内新建、改建的永久性桥梁与涵洞、高架道路及承受机动车的结构物的荷载设计;标准中采用两级荷载标准,即城-A级、城-B级;城-A级汽车荷载适用于快速路及主干路;城-B级汽车荷载适用于次干路及支路;2.16 桥梁设计时,人行道上的人群荷载如何考虑公路桥规人群荷载标准值按下列规定采用:当桥梁计算跨径小于或等于50m时,人群荷载标准值为3.0kN/m2;当桥梁计算跨径等于或大于150m时,人群荷载标准值为2.5 kN/m2;当桥梁计算跨径在50m~150m之间时,可由线性内插得到人群荷载标准值;对跨径不等的连续结构,以最大计算跨径为准;人群荷载在横向应布置在人行道的净宽度内,在纵向施加于使结构产生最不利荷载效应的区段内;公路桥梁人行道板局部构件可以一块板为单元,按标准值4.0kN/m2的均布荷载作用在一块板上进行内力计算;计算人行道栏杆时,作用在栏杆立柱顶上的水平推力标准值取0.75kN/m;作用在栏杆扶手上的竖向力标准值取1.0kN/m;我国城市人口密集,人行交通繁忙,城市桥梁人群荷载的取值较公路桥梁规定的要大;对于人行道板的人群荷载应按5kN/m2的均布荷载或1.5kN的竖向集中荷载分别计算,并作用在一块构件上,取其受力不利者;对于梁、桁架、拱及其他大跨结构的人群荷载,需根据加载长度及人行道宽来确定,可按下列公式计算,且人群荷载在任何情况下不得小于2.4kN/m2;2.17 厂房吊车纵向和横向水平荷载如何产生其取值如何确定吊车纵向水平荷载是由吊车的大车运行机构在启动或制动时引起的水平惯性力,惯性力为运行重量与运行加速度的乘积,此惯性力通过制动轮与钢轨间的摩擦传给厂房结构;吊车水平荷载取决于制动轮的轮压和它与钢轨间的滑动摩擦系数,该摩擦系数一般取0.10;因此,吊车纵向水平荷载标准值,应按作用在一边轨道上所有刹车轮的最大轮压之和的10%采用;吊车横向水平荷载是当小车吊有额定最大起重量时,小车运行机构启动或刹车所引起的水平惯性力,它通过小车制动轮与桥架轨道之间的摩擦力传给大车,等分于桥架两端,分别由大车两侧的车轮平均传至吊车梁上的轨道,再由吊车梁与柱的联接钢板传给排架;吊车横向水平荷载标准值可按下式取值:T=αQ+Q1;式中:Q为吊车的额定起吊重量;Q1为横行小车的重量;g为重力加速度;α为横向水平荷载系数;横向水平荷载系数α对于软钩吊车,当额定起重量不大于100kN时,横向水平荷载系数应取0.12;当为160~500kN时,应取0.10;当不小于750kN时,应取0.08;硬钩吊车横向水平荷载系数取为0.20; 2.18 厂房内设有多台吊车时,如何考虑吊车荷载组合当厂房内设有多台吊车时,考虑到各台吊车同时聚集在同一柱范围内的可能性较小,各台吊车同时处于最不利位置且同时满载的概率更小;在计算吊车竖向荷载时,单跨厂房设计时最多考虑2台吊车;多跨厂房最多只考虑4台吊车;在计算吊车水平荷载时,不论单跨还是多跨厂房最多只考虑2台吊车;2.19 什么叫基本雪压它是如何确定的雪压是指单位水平面积上的雪重,雪压值的大小与积雪深度和积雪密度有关;基本雪压是在空旷平坦的地面上,积雪分布均匀的情况下,经统计得到的50年一遇的最大雪压;屋面的雪荷载由于受到屋面形式、积雪漂移等因素的影响,往往与地面雪荷载不同,需要考虑一换算系数将地面基本雪压换算为屋面雪荷载;2.20 我国的基本雪压分布有哪些特点我国基本雪压分布呈如下特点:1新疆北部是我国突出的雪压高值区;该地区雪量丰富,加上温度低,积雪可以保持整个冬季不溶化,新雪覆老雪,形成了特大雪压;2东北地区冬季多降雪天气,同时气温较低,有利于积雪;因此大兴安岭及长白山区是我国另一个雪压高值区;3长江中下游及淮河流域是我国稍南地区一个雪压高值区;该地区冬季积雪情况很不稳定,有些年份一冬无积雪,而有些年份遇到寒潮南下,冷暖气流僵持,即降大雪;但积雪期较短;4川西、滇北山区的雪压也较高,该地区海拔高,气温低,湿度大,降雪较多而不易溶化;但该地区气温相对较高,积雪不多;5华北及西北大部地区,冬季温度虽低,但空气干燥;水汽不足,降雪量较少;南岭、武夷山脉以南、冬季气温高,很少降雪,基本无积雪;2.21 试述风对屋面积雪的漂移作用及其对屋面雪荷载取值的影响风对雪的漂积作用是指下雪过程中,风会把部分将要飘落或者已经漂积在屋面上的雪吹移到附近地面或邻近较低的屋面上,对于平屋面和小坡度屋面,风对雪的漂移作用会使屋面上的雪压一般比邻近地面上的雪压要小;对于双坡屋面、高低跨屋面,迎风面吹来的雪往往在背风一侧屋面上漂积,引起屋面不平衡雪荷载;风对积雪的漂移影响可通过屋面积雪分布系数加以考虑;3 水作用3.1 静水压强具有哪些特征如何确定静水压强静水压力是指静止液体对其接触面产生的压力,具有两个特性:一是静水压强垂直于作用面,并指向作用面内部;二是静止液体中任一点处各方向的静水压强均相等,与作用的方位无关;确定静水压强时常以大气压强为基准点,静水压强与水深呈线性关系,随水深按比例增加;水压力作用在结构物表面法线方向,水压力分布与受压面形状有关;如果受压面为垂直平面,已知底部深度h,则可按h=求得底部压强,再作顶部和底部压强连线便可得到挡水结构侧向压强分布规律;pγ3.2 试述等速平面流场中,流体受阻时边界层分离现象及绕流阻力的产生某一流速为v的等速平面流场,流线是一互相平行的水平线,在该流场中放置一个固定的圆柱体桥墩,流线在接近圆柱体时流动受阻,在到达圆柱体表面a点时,该流线流速减至为零,压强增到最大;继续流来的流体质点在a点较高压强作用下,沿圆柱面两侧向前流动,即从a点开始形成边界层内流动;在圆柱面a点到b点区间,边界层内流动处于加速减压状态;过了b点流线扩散,边界层内流动呈现相反态势,处于减速加压状态,继续流来的流体质点脱离边界向前流动,出现边界层分离现象;置于河流中的桥墩边界层分离现象,还会导致桥墩绕流阻力,绕流阻力是结构物在流场中受到流动方向上的流体阻力,绕流阻力由摩擦阻力和压强阻力两部分组成;边界层分离3.3 实际工程中为什么常将桥墩、闸墩设计成流线型在实际工程中,为减小绕流阻力,常将桥墩、闸墩设计成流线型,以缩小边界层分离区,达到降低阻力的目的;3.4 试述波浪传播特征及推进过程波浪是液体自由表面在外力作用下产生的周期性起伏波动,其中风成波影响最大;在海洋深水区,波浪运动不受海底摩阻力影响,称为深水推进波;波浪推进到浅水地带,海底对波浪运动产生摩阻力,波长和波速缩减,波高和波陡增加,称浅水推进波;当浅水波向海岸推进,达到临界水深,波峰发生破碎,破碎后的波重新组成新的水流向前推移,而底层出现回流,这种波浪称为击岸波;击岸波冲击岸滩,对海边水工建筑施加冲击作用,即为波浪荷载;3.5 如何对直立式防波堤进行立波波压力、远破波波压力和近破波波压力的计算波浪作用力不仅与波浪本身特征有关,还与结构物形式和海底坡度有关;对于作用于直墙式构筑物上的波浪分为立波、远堤破碎波和近堤破碎波三种波态;在工程设计时,应根据基床类型、水底坡度、浪高及水深判别波态,分别采用不同公式计算波浪作用力;我国港工规范分别给出了立波波压力、远破波波压力和近破波波压力计算方法,先求得直墙各转折点压强,将其用直线连接,得到直墙压强分布,即可求出波浪压力,计算时尚应考虑墙底波浪浮托力;3.6 冰压力有哪些类型冰压力按其作用性质不同,可分为静冰压力和动冰压力;静冰压力包括冰堆整体推移的静压力,风和水流作用于大面积冰层引起的静压力以及冰覆盖层受温度影响膨胀时产生的静压力;另外冰层因水位上升还会产生竖向作用力;动冰压力主要指河流流冰产生的冲击作用;3.7 冰堆整体推移静压力计算公式是如何导出的由于水流和风的作用,推动大面积浮冰移动对结构物产生静压力,可根据水流方向和风向,考虑冰层面积来计算:]sin sin )[(4321βαP P P P P +++Ω= 3.31 式中:P ——作用于结构物的正压力N ;Ω——浮冰冰层面积m 2,一般采用历史上最大值;P 1——水流对冰层下表面的摩阻力Pa,可取为0.52s v ,s v 为冰层下的流速m/s;P 2——水流对浮冰边缘的作用力Pa,可取为250s v lh ,h 为冰厚m,l 为冰层沿水流方向的平均长度m,在河中不得大于两倍河宽;P 3——由于水面坡降对冰层产生的作用力Pa,等于920hi ,i 为水面坡降;P 4——风对冰层上表面的摩阻力Pa,P 4=0.001~0.002V F ,V F 为风速,采用历史上有冰时期和水流方向基本一致的最大风速m/s ;α——结构物迎冰面与冰流方向间的水平夹角; β——结构物迎冰面与风向间的水平夹角;3.8 冰盖层受到温度影响产生的静压力与哪些因素有关冰盖层温度上升时产生膨胀,若冰的自由膨胀变形受到坝体、桥墩等结构物的约束,则在冰盖层引起膨胀作用力;冰场膨胀压力随结构物与冰覆盖层支承体之间的距离大小而变化,当冰场膨胀受到桥墩等结构物的约束时,则在桥墩周围出现最大冰压力,并随着离桥墩的距离加大而逐渐减弱;冰的膨胀压力与冰面温度、升温速率和冰盖厚度有关,冰压力沿冰厚方向基本上呈上大下小的倒三角形分布,可认为冰压力的合力作用点在冰面以下1/3冰厚处;3.9 如何根据能量原理导出船只撞击力近似计算公式在通行较大的吨位的船只或有漂流物的河流中,需考虑船只或漂流物对桥梁墩台的撞击力,撞击力可根据能量相等原则采用一个等效静力荷载表示撞击作用;公路桥规假定船只或排筏作用于墩台上有效动能全部转化为撞击力所做的功,按等效静力导出撞击力F 的近似计算公式;设船只或排筏的质量为m ,驶近墩台的速度为v ,撞击时船只或排筏的纵轴线与墩台面的夹角为α如图所示,其动能为: 222)cos (21)sin (2121ααv m v m mv += 1 假定船只或排筏可以顺墩台面自由滑动,则船只或排筏给予墩台的动能仅有前一项,即: 20)sin (21αv m E =2 在碰撞瞬间,船身以一角速度绕撞击点A 旋转,其动能为:。
重力荷载标准值
重力荷载标准值是指在建筑设计中所规定的各种荷载标准值,用于计算建筑结构体系的强度和稳定性。
不同国家和地区对于重力荷载标准值的规定有所不同,这主要与当地的地质、气候、建筑规范等因素有关。
以中国为例,国内常见的重力荷载标准值如下:
1. 住宅建筑:一般按照每平方米200千克至400千克的标准值来计算。
2. 公共建筑:根据建筑的用途、层数、地理位置、建筑规范等因素不同而有所差异。
例如,医院、学校等公共建筑的标准值会相对较高。
3. 工业建筑:由于工业建筑通常需要承受较大的机器设备、原材料等荷载,其标准值会比其他建筑类型高很多,通常在每平方米500千克至1000千克之间。
以上数据仅供参考,具体的重力荷载标准值还需要根据实际情况进行评估和确定。
荷载与作用荷载一由各种环境因素产生的直接作用在结构上的各种力。
如重力、土压力、水压力、风压力。
作用一能使结构产生效应的各种因素总称为作用。
效应一结构的内力、变形,应力、应变,速度、加速度等。
作用:直接作用一(狭义)荷载:广义荷载间接作用直接作用一一直接作用在结构上的各种荷载间接作用一一能引起结构内力、变形等效应的非直接作用因素如地震、温度变化、地基不均匀沉降等。
作用的分类:1.按随时间的变异分类。
(1)永久作用:在结构设计基准期内其值不随时间变化,或其变化与平均值相比可以忽略不计。
(2)可变作用:在结构设计基准期内其值随时间变化,且其变化与平均值相比不可忽略的作用。
(3)偶然作用:在结构设计基准期内不一定出现,而一旦出现其量值很大且持续时间很短的作用。
如地震、爆破。
2.按随空间位置的变异性分类(1)固定作用:在结构空间位置上具有固定的分布。
如结构自重、固定设备的荷载等。
(2)可动作用:在结构空间位置上的一定范围内可以任意分布。
如房屋中的人员、家具荷载,桥梁上的车辆荷载等。
3•按结构的反应分类(1)静态作用:对结构或构件不产生加速度或其加速度可以忽略不计。
如结构自重、土压力、温度变化等。
(2)动态作用:对结构或构件产生不可忽略的加速度。
如地震、风、冲击和爆炸等。
重力1结构自重自重——由地球引力产生的组成结构的材料的重力。
2 土的自重应力土是由土颗粒、水和气组成的三相非连续介质。
土的自重应力为自身有效重力在土体中引起的应力。
雪荷载1雪压:单位地面上积雪的自重。
2基本雪压:当地空旷平坦地面上根据气象记录资料经统计得到的在结构使用期间可能出现的最大雪压值。
2.影响屋面雪压的因素。
(1)风对屋面的影响一漂积作用。
(2)屋面坡度对积雪的影响。
(3)屋面温度对积雪的影响。
楼面和屋面活荷载由于楼面均布活荷载可理解为楼面总活荷载按楼面面积平均,因此一般情况下,所考虑的楼面面积越大,实际平摊的楼面活荷载越小。
故计算结构或构件楼面活荷载效应时,如引起效应的楼面活荷载面积超过一定的数值则应对楼面均布活荷载折减。
西南科技大学2009——2010学年第二学期《荷载及结构设计原理》期末考试试卷答案( B卷)学院:_______________班级:_____________姓名:_______________学号:____________一、选择题(本大题共10小题,每题2分,共20分)1.A2.B3.B4.C5.D6.D7.C8.B9.A 10.D二、判断题,认为正确的打√,认为错误的打×(本大题共10小题,每题1.5分,共15分)1.×2.×3.√4.√5.×6.×7.√8.√9.× 10.×三、填空题(本大题共15空,每空1分,共15分)1.基本,偶然;2.0.25s,30;3.冲击系数;4.安全、适用、耐久;5.标准值、频遇值、准永久值;6.被动,主动;7.几何参数,计算模式;四、简答题(本大题共25分,其中1、2题每题8分,3题9分)1. 屋面雪荷载与地面上的积雪荷载是否相同?如若不同,请指出原因。
答:不同。
(1分)原因:一是风对积雪的影响(1分),风的漂积作用改变积雪的分布(2分);一是屋面坡坡对积雪的影响(2分);一是屋面温度对积雪的影响。
(2分)2.定义结构可靠度时,为什么要明确规定的时间和规定的条件?答:由于荷载效应一般随设计基准期增大而增大,而影响结构抗力的材料性能指标则随设计基准期的增大而减小,(2分)“规定的时间越长,结构的可靠度越低”,因此结构可靠度与“规定的时间”有关。
(2分)“规定的条件”指正常设计、正常施工、正常使用条件,不考虑人为错误或过失因素,(2分)条件的不同会对具体的可靠度的取定有很大影响,因而,必须明确规定的条件。
(2分)3. 荷载有哪些代表值?分别指什么?答:代表值有,一是荷载标准值,一是荷载组合值,一是荷载准永久值,一是荷载频遇值。
(4分)荷载标准值是指在结构使用期间可能出现的最大值;(1分)荷载组合值是指当有两种或两种以上的可变荷载同时作用于结构上,所有可变荷载同时达到其最大值的概率极小,此时主导荷载(产生最大效应的荷载)取标准值,其他伴随荷载取小于其标准值的组合值;(2)荷载准永久值是指可变荷载在结构使用期间经常达到和超过的值;(1)荷载频遇值是指可变荷载在结构上较频繁出现且量值较大的值,主要用于荷载短期效应中。
荷载统计,重力荷载代表值计算:根据确定的构件截面尺寸,楼地面做法、外墙做法、门窗做法,填充墙材料等,查阅荷载规,确定恒载和活载标准值,然后按实际情况统计荷载。
以下的示例,只是给出第一层、第二层及顶层的重力荷载代表值,并不完整,仅供参考。
每个人最终确定的计算简图中,质点的个数等于层数,也即有5层,就要分别计算5层的重力荷载代表值。
对于上人屋面,将突出屋面部分的楼梯间单独考虑,作为一个质点,即质点个数等于层数加一。
计算原则:将楼面上下各一半高度围的全部荷载集中于楼面标高处。
第二章重力荷载代表值计算2.1 各种荷载设计值计算。
(1). 屋面永久荷载计算(不上人屋面)20mm厚水泥沙浆面层 0.02×20=0.40kN/m2采用保温层(找坡)卷材防水屋面SBS改性沥青防水卷材 0.3kN/m2素水泥浆粘结层15mm厚1:3水泥砂浆找平: 0.015×20=0.30kN/m2150厚憎水性珍珠岩保温层: 4×0.15=0.6 kN/m2(2%找坡最薄处50厚)20mm厚1:3水泥砂浆找平: 0.02×20=0.40kN/m2(刷一层冷底子油隔气层)100mm厚现浇混泥土屋面板: 0.10×25=2.5kN/m2刷大白浆一道合计: 4.5 kN/m2(2). 二-五层水磨石楼面恒载:水磨石面层 0.65 kN/m2(10mm面层,素水泥浆一道,20mm水泥砂浆打底)100厚现浇钢筋混凝土板 25×0.10=2.5 kN/m2刷大白浆一道合计 3.15 kN/m2(3).防静电地板楼面恒载:防静电地板 0.4kN/m212厚水泥砂浆找平: 0.02×12=0.24kN/m2100厚现浇钢筋混凝土板 25×0.10=2.5 kN/m2合计 3.14 kN/m2(4).卫生间楼面荷载:5厚瓷锦砖(水泥擦缝) 0.12 kN/m2撒素水泥面20厚的1:2.5水泥砂浆找平 0.02×20=0.40kN/m2素水泥浆一道60厚的细石混凝土(1%向地漏方向找坡) 22×0.06=1.32kN/m21.5厚的SPU防水涂料100厚现浇钢筋混凝土板 25×0.10=2.5刷大白浆一道合计 4.34 kN/m2(5).屋面及楼面可变荷载标准值:不上人屋面均布活荷载标准值 0.5 kN/m2楼面活荷载标准值 2.0 kN/m2走廊活荷载标准值 2.5 kN/m2屋面雪荷载标准值 SK =urS=1.0×0.65=0.65 kN/m2(式中ur为屋面积雪分布系数,当屋面倾斜角度≤250时,ur=1.0 )(6).普通砖 18kN/m3钢筋混凝土过梁 25 kN/m3外墙面为20 mm厚抹灰(喷涂灰色乳胶漆) 17×0.02=0.34kN/m2墙面两侧为20mm厚抹灰(白色乳胶漆) 17×0.02=0.34kN/m2吸音矿棉板墙面(音乐教室室) 4×0.018+20×0.018=0.432kN/m2瓷砖墙面 0.5kN/m2木门单位面积重力荷载为 0.2 kN/m2塑钢窗单位面积重力荷载取 0.4 kN/m2玻璃幕墙单位面积重力荷载取 1.2 kN/m2钢框玻璃门单位面积重力荷载取 0.45 kN/m2(7).主要结构的框架设计:整栋教学楼结构为L型,基于L角部外伸的长度大于0.3 Bmax ,所以在结构设计的时候要在设置防震缝,按照建筑抗震设计手册,设置双柱,双梁,双墙,取缝的宽度为100mm,在进行框架设计的时候,考虑主要框架.2.2 重力荷载代表值的计算2.2.1 第一层:上下半层重力荷载代表值图2.1 一层梁柱布置图1、梁,柱自重(见下表2.1)梁自重: 2905.34 kN柱自重: 1.05×1809.23=1899.69 kN(注:1.05为考虑柱身抹灰粉刷对其重力荷载的增大系数)注:1)梁长度取净长,柱长取计算高度(算至室外地面下0.5m处)2) g—表示单位长度构件重力荷载3) β—表示由抹灰粉刷自重放大系数4) 楼梯处的梁及楼梯处的板近似按板后的 1.5倍计算,此处不与考虑.2、外填充墙自重的计算:外墙单位墙面重力荷载为: 18×0.24+2×0.02×17=5 kN/m2墙单位墙面重力荷载为: 18×0.24+2×17×0.02=5 kN/m2墙120隔墙单位墙面重力荷载为:18×0.12+2×17×0.02=2.84kN/m2吸音矿棉板墙面 18×0.24+17×0.02+0.432=5.09 kN/m2厕所瓷砖墙面 18×0.24+17×0.02+0.5=5.16kN/m2厕所120双面瓷砖隔墙单位墙面重力荷载为18×0.12+2×0.5=3.16kN/m23、一层墙体自重计算:1) A轴线上下半层重力荷载代表值a,纵梁下墙体计算高度(4.2+0.45+0.5)/2-0.7=1.875m (7.8×3+3.0+5.4×4)×1.875-(3×6+2.4+3.9×4) ×1.375-0.24×(3.4×6+2.8+4.3×4) = 90-49.5-9.7=30.8 m2则:墙体自重 30.8×5=154.0 kN塑钢窗自重 49.5×0.4=19.8 kN过梁自重 9.6×0.24×25=57.6 kN钢框玻璃门 7.8×1.875×0.45=6.58 kN小计: 238.48 kNb, 纵梁上墙体计算高度 4.2/2=2.1m(7.8×3+3.0+5.4×4)×2.1-(3×6+2.4+3.9×4) ×1.2 =100.8-43.2=57.6m2则:墙体自重 57.6×5=288 kN塑钢窗自重 43.2×0.4=17.28 kN玻璃幕墙自重 8.4×2.1×1.2=21.17 kN栏杆 1.0×7.8=7.8kN(栏杆荷载取1.0kN/m)小计: 334.25 kN2) B轴线上下半层重力荷载代表值a, 纵梁下墙体计算高度h=1.875m(7.8×3+3.0+5.4×4)×1.875-11 ×1.0×0.475-(3.6×3+3×4) ×0.9-0.24×(1.4×11+4×3+3.4×4)=90-5.23-20.52-9.84=54.42m2则:墙体自重 54.42×5=272.08 kN塑钢窗自重 20.52×0.4=8.21 kN木门自重 5.23×0.2=1.05 kN过梁自重 9.84×0.24×25=59.04 kN钢框玻璃门 2.4×1.875×0.45=2.03 kN小计: 342.41 kNb, 纵梁上墙体计算高度h=2.1m2.4×1.1+(7.8×4+3+5.4×4) ×2.1-12×1×2.1=119.82-25.2=94.62m2则:墙体自重 94.62×5=473.1 kN木门自重 25.2×0.2=5.04 kN小计: 478.14 kN3) C轴线上下半层重力荷载代表值a, 纵梁下墙体计算高度h=1.875m(7.8×3+5.4×4)×1.875-1.0×9 ×0.475-(3.6×3+3×4) ×0.9-0.24×(1.4×9+3×4+3.4×4)=84.38-4.28-20.52-9.17=50.41m2则:墙体自重 50.41×5=252.05 kN塑钢窗自重 20.52×0.4=8.21 kN木门自重 4.28×0.2=0.86 kN过梁自重 9.17×0.24×25=55.02 kN7.8×1.875-0.8×4×0.475-1.2×4×0.24=14.63-1.52-1.15=11.96 m2则:墙体自重 11.96×5.16=61.71 kN木门自重 1.52×0.2=0.30 kN过梁自重 1.15×0.24×25=6.91 kN小计: 385.06 kNb, 纵梁上墙体计算高度h=2.1m(2.4+7.8×3+3+5.4×4) ×2.1-(2×2+9×1.0) ×2.1=105.84-27.3=78.54 m2则:墙体自重 78.54×5=392.7 kN木门自重 27.3×0.2=5.46 kN7.8×2.1-0.8×4×2.1=16.38-6.72=9.66 m2则:墙体自重 9.66×5.16=49.85 kN木门自重 6.72×0.2=1.34 kN小计: 449.35 kN4)D轴线上下半层重力荷载代表值a, 纵梁下墙体计算高度h=1.875m(2.4+3+7.8×3+5.4×4)×1.875-(1.8×1.4+2.4×1.4+3×6×1.375+3.9×3×1.375)-(3.4×6+4.3×3) ×0.24=94.5-46.72-8.00=39.78m2则:墙体自重 39.78×5=198.9 kN塑钢窗自重 46.72×0.4=18.69 kN过梁自重 8×0.24×25=48 kN7.8×1.875-2×3×1.4=14.63-8.4=6.23则:墙体自重 6.23×5.16=32.15 kN塑钢窗自重 8.4×0.4=3.36 kN小计: 301.1 kNb, 纵梁下墙体计算高度h=2.1m(2.4+3+7.8×3+5.4×4)×2.1-(3×6+3×3.9) ×1.2 =105.84-29.7=76.14 m2则:墙体自重 76.14×5=380.7 kN塑钢窗自重 29.7×0.4=11.08 kN7.8×2.1=16.38 m2则:墙体自重 16.38×5.16=84.52 kN小计: 476.3 kN5)1/C,E,F,G,H轴线上下半层重力荷载代表值a, 纵梁下墙体计算高度h=1.875m(次梁下为2.075m)6.12×2×2.075 =25.40m2则:墙体自重 25.4×5=127 kN小计: 127 kNb, 纵梁下墙体计算高度h=2.1m6.12×2.1 =12.85 m2则:墙体自重 12.85×5=64.25 kN小计: 64.25 kN6)10轴线上下半层重力荷载代表值(玻璃幕墙)a,楼层下幕墙计算高度h=2.575m(11.4+1.8)×2.575-2.97×1.975=28.12m2则:玻璃幕墙自重 28.12×1.2=33.74 kN钢框玻璃门自重 11.73×0.45=2.64 kN小计: 36.38 kNb,楼层上幕墙计算高度h=2.1m(11.4+1.8)×2.1=27.72 m2则:玻璃幕墙自重 27.72×1.2=33.26 kN栏杆自重 1.0×(11.34+1.74)=13.08 kN小计: 92.85 kN7)9轴线上下半层重力荷载代表值a,横梁下墙体计算高度h=1.875m7.8×2×1.875-0.8×2 ×0.475-1.8×2×1.375-(1.2×2+2.2×2) ×0.24=29.25-0.76-4.95-1.63=21.91m2则:墙体自重 21.91×5=109.55 kN塑钢窗自重 4.95×0.4=1.98 kN木门自重 0.76×0.2=0.15 kN过梁自重 1.63×0.24×25=9.78 kN小计: 121.46 kNb,横梁上墙体计算高度h=2.1m7.8×2×2.1-1.8×2×1.2-0.8×2×2.1=32.76-4.32-3.36=25.08m2则:墙体自重 25.08×5=125.4 kN塑钢窗自重 4.32×0.4=1.73kN木门自重 3.36×0.2=0.67kN小计: 127.80KN8)1/8轴线上下半层重力荷载代表值a,横梁下墙体计算高度h=1.875m7.8×1.875=14.63 m2则:墙体自重 14.63×5=73.15kN小计: 73.15kNb,横梁上墙体计算高度h=2.1m7.8×2.1=16.38m2则:墙体自重 16.38×5=81.9kN小计: 81.9kN9) 8,7,6,5,4轴线上下半层重力荷载代表值a,横梁下墙体计算高度h=1.875m7.8×10×1.875-3.9×1.375-4.3×0.24=146.25-5.36-1.03=139.86 m2则:墙体自重 139.86×5=669.3kN塑钢窗自重 5.36×0.4=2.14kN过梁自重 1.03×0.24×25=6.18kN小计: 677.62kNb,横梁上墙体计算高度h=2.1m7.8×9×2.1=147.42 m2则:墙体自重 147.42×5=737.1kN小计: 737.1kN10) 3,2轴线上下半层重力荷载代表值a,横梁下墙体计算高度h=1.875m7.8×1.875×2=29.25 m2则:墙体自重 29.25×5.16=150.93kN7.8×1.875×2=29.25 m2则:墙体自重 29.25×5=146.25kN小计: 297.18kNb,横梁上墙体计算高度h=2.1m7.8×2.1×2=32.76 m2则:墙体自重 32.76×5.16=169.04kN7.8×2.1×2=32.76 m2则:墙体自重 32.76×5=163.8kN小计: 332.12kN11) 1轴线上下半层重力荷载代表值a,横梁下墙体计算高度h=1.875m(7.8+2.1)×1.875-1.5×1.375-1.9×0.24=18.56-2.06-0.46=16.04 m2则:墙体自重 16.04×5=80.2kN塑钢窗自重 2.06×0.4=0.82kN过梁自重 0.46×0.24×25=2.76kN小计: 83.78kNb,横梁上墙体计算高度h=2.1m(7.8+2.1)×2.1-1.5×1.2=20.79-1.8=18.99 m2则:墙体自重 18.99×5=94.95kN塑钢窗自重 1.8×0.4=0.72kN小计: 95.67kN12) 7,8与C,D轴线之间上下半层120墙重力荷载代表值a,横梁下墙体计算高度h=1.875m(次梁h=2.075m)3.96×1.875+5.82×2×2.075-0.8×2×0.475-1.2×0.24×2 =31.58-0.76-0.58=30.24 m2则:墙体自重 30.24×2.84=85.88kN木门自重 0.76×0.2=0.152kN过梁自重 0.58×0.24×25=3.48kN小计: 89.51kNb,横梁上墙体计算高度h=2.1m3.96×2.1+3.84×2.1+5.82×2×2.1-0.8×3×2.1=40.82-5.04=35.78 m2则:墙体自重 35.78×2.84=101.62kN木门自重 5.04×0.2=1.01kN小计: 102.63kN13)厕所上下半层120墙重力荷载代表值(双面瓷砖)a,厕所下墙体计算高度h=1.875m(次梁h=2.075m)( 8.4+0.12+3.18×2+0.12×2+2.7×2) ×2.075=42.58 m2则:墙体自重 42.58×3.16=134.55kN小计: 134.55kNb,厕所上墙体计算高度h=2.1m( 8.4+0.12+3.18×2+0.12×2+2.7×2) ×2.1=43.09 m2则:墙体自重 43.09×3.16=136.16kN小计: 136.16kN14)外墙梁侧抹灰自重(7.8×2+2.1+2.4+7.8×4+3.0+5.4×4+7.8+5.4×3+7.8×4+3+2.4)×0.7+7.8×0.6=100.23 m2自重: 100.83×17×0.02=34.08kN小计: 34.08kN15)轻钢雨蓬自重3.6×9.6=34.56 m2自重: 34.56×1.5=51.84 kN小计: 51.84 kN16)楼板自重和活载=63.71 m2a,卫生间板的面积 S1b, 走廊面积 S=2.1×66.35+16.28-0.3×2.1×11=148.69 m23=64.83+63.66×c, 其它面积S46+27.54+88.48+91.2+92.37+90.93= 837.31 m2d,楼梯间(折算为1.5板厚计算)S5=22.5+27.54=50.04 m2恒载:卫生间恒载4.34×63.71+10×0.15×(5.7×2.0+4.8) ×1.2=305.66kN注:由于卫生间蹲便器采用上浮式,所以要在蹲便器四周填焦渣混凝土,重度为10kN/ m2,填充面积为1.2×0.9,部分靠墙边的扩大,高度为150厚,数量17个。
荷载与与结构设计原则复习第一章荷载类型1.荷载类型:1.荷载与作用:荷载、直接作用、间接作用、效应2.作用的分类:按随时间的变异、随空间位置的变异和结构的反应分类例如:1、由各种环境因素产生的直接作用在结构上的各种力称为荷载。
(√)2、由各种环境因素产生的间接作用在结构上的各种力称为荷载。
(×)3、什么是荷载? (荷载的定义是什么?)?)答:由各种环境因素产生的直接作用在结构的各种力称为荷载。
4、土压力、风压力和水压力是荷载,由爆炸、离心作用等产生的作用在物体上的惯性力不是荷载。
(×)5、什么是效应?答:作用在结构上的荷载使结构产生的内力、变形、裂缝等就叫做效应。
6、什么是作用?直接作用和间接作用?答:使结构产生效应(结构或构件的内力、应力、位移、应变、裂缝等)的各种因素总称为作用。
可归结为作用在结构上的力的因素称为直接作用;不是作用力但同样引起结构效应的因素称为间接作用。
7、只有直接作用才能引起结构效应,间接作用并不能引起结构效应。
(×)8、严格意义上讲,只有直接作用才能称为荷载。
(√)9、以下几项中属于间接作用的是C C10、预应力属于 A 。
温度变化属于 B 。
A、永久作用B、静态作用C、直接作用D、动态作用第二章重力1.重力(静载)1)结构自重2)土的自重应力3)雪荷载(基本雪压、雪重度、屋面的雪压)例如:1、基本雪压是指当地空旷平坦地面上根据气象记录资料经统计得到的在结构使用期间可能出现的最大雪压值。
(√)2、我国基本雪压分布图是按照 C 一遇的重现期确定的。
A、10年B、30年C、50年D、100年3、虽然最大雪重度和最大雪深两者有很密切的关系,但是两者不一定是同时出现。
(√)4、造成屋面积雪与地面积雪不同的主要原因有:风、屋面形式和屋面散热等。
2.重力(活载)1)车辆荷载:公路车辆荷载(车道荷载、车列荷载)、列车荷载2)楼面活荷载例如:1、车列荷载与车道荷载有什么区别?答:车列荷载是把大量经常出现的汽车荷载排列成车列的形式作为设计荷载。
结构等效总重力荷载geq
结构等效总重力荷载(Geq)是指在结构工程中,为了简化计算
和分析,将各种荷载按照一定的规则合成为一个等效的重力荷载,
这个等效的重力荷载就是结构等效总重力荷载。
结构等效总重力荷
载的计算是结构设计中非常重要的一部分,它直接影响着结构的安
全性和稳定性。
在计算结构等效总重力荷载时,需要考虑建筑物自重、活载、
雪载、风载等各种荷载的作用。
根据设计规范,这些荷载按照一定
的组合规则合成为一个等效的重力荷载,以便于结构的分析和设计。
结构等效总重力荷载的计算一般包括静力效应和动力效应两个方面。
在静力效应方面,结构等效总重力荷载的计算需要考虑建筑物
自重和各种静态荷载的作用,包括恒载和变载。
而在动力效应方面,结构等效总重力荷载的计算则需要考虑风载、地震作用等动态荷载
的影响。
为了确保结构的安全性和稳定性,结构等效总重力荷载的计算
需要严格按照设计规范和标准进行,以确保结构在各种外部荷载作
用下的稳定性和安全性。
同时,结构等效总重力荷载的计算也需要
考虑结构的整体性和局部性,以便于合理分配荷载,保证结构的合理受力。
总之,结构等效总重力荷载的计算是结构设计中非常重要的一部分,它直接关系到结构的安全性和稳定性,需要在设计过程中认真对待,严格按照规范进行计算和分析。
荷载题库(一)填空题1.作用随时间变化可分为永久作用、可变作用、偶然作用;按空间位置变异分为固定作用、自由作用;按结构反应分类分为静态作用、动态作用。
2.造成屋面积雪与地面积雪不同的主要原因是风的飘积作用屋面形式屋面散热等。
3.在公路桥梁设计中人群荷载一般取值为3KN/m2市郊行人密集区域取值一般为3.5 KN/m2 -4.土压力可以分为静止土压力主动土压力被动土压力。
5.一般土的侧向压力计算采用朗肯土压力理论或库仑土压力理论。
6.波浪按波发生的位置不同可分为表面波内波。
7.根据冻土存在的时间可将其分为多年冻土季节冻土瞬时冻土。
8.冻土的基本成分有四种:固态土颗粒,冰,液态水,气体和水汽。
9.冻土是一种复杂的多相天然复合体,结构构造也是一种非均质、各向异性的多孔介质。
10.土体产生冻胀的三要素是水分土质负温度。
11.冻土的冻胀力可分为切向冻胀力法向冻胀力水平冻胀力。
12.水平向冻胀力根据它的形成条件和作用特点可以分为对称和非对称。
13.根据风对地面(或海面)物体影响程度,常将风区分为13等级。
14.我国《建筑结构荷载规定》规定以10m高为标准高度,并定义标准高度处的最大风速为基本风速。
15.基本风压是根据规定的高度,规定的地貌,规定的时距和规定的样本时间确定最大风速的概率分布,按规定的重现期(或年保证率)确定的基本风速,然后根据风速与风压的关系所定义的。
16.由风力产生的结构位移速度加速度响应等称为结构风效应。
17.脉动风是引起结构振动的主要原因。
18.在地面粗糙度大的上空,平均风速小脉动风的幅度大且频率高。
19.脉动风速的均方差也可根据其功率谱密度函数的积分求得。
20.横向风可能会产生很大的动力效应,即风振。
21.横向风振是由不稳定的空气动力特征形成的,它与结构截面形状及雷诺数有关。
22.在空气流动中,对流体质点起主要作用的是两种力惯性力和粘性力。
23.根据气流旋涡脱落的三段现象,工程上将圆桶试结构分三个临界范围,即亚临界范围超临界范围跨临界范围。
青岛理工大学试卷标准答案及评分标准专用纸2007 ~ _2008_学年第 1 学期荷载与结构设计方法》课程试卷标准答案及评分标准 B 卷专业:土木工程班级2005级1-14班一、选择题(2分×10=20分)1、D2、B3、B4、D5、C6、D7、C8、D9、C10、A二、判断题(1分×20=20分)1、(∨)2、(×)3、(×)4、(∨)5、(∨)6、(∨)7、(×)8、(×)9、(∨)10、(×)11、(∨)12、(×)13、(∨)14、(∨)15、(∨)16、(×)17、(×)18、(∨)19、(×)20、(∨)青岛理工大学试卷标准答案及评分标准专用纸三、 问答题(5分×8=40 分)1、举例说明:什么是可变荷载?什么是永久荷载?答:可变荷载是指在结构设计基准期内其值随时间变化,且其变化值与平均值相比不可忽略。
(2分)例如:车辆重力、风荷载、雪荷载、楼面活荷载。
(0.5分)永久荷载是指在结构设计基准期内其值不随时间变化,或其变化值与平均值相比可以忽略不计。
(2分)例如:结构自重。
(0.5分)2、为什么在计算承受梁板传递至底层墙(或柱)的荷载荷载效应时,当上部楼层较多时,楼面均布活荷载要折减?答:作用在楼面上的活荷载,不可能以标准值的大小同时布满在所有的楼面上,因此在设计梁、墙、柱和基础时,还要考虑实际荷载沿楼面分布的变异情况,也即在确定梁、墙、柱和基础的荷载标准值时,还应按楼面活荷载标准值乘以折减系数后考虑。
(5分)(注:如回答:一般情况下,考虑的楼面面积越大,实际平摊的楼面活荷载越小,故在确定梁、墙、柱和基础的荷载标准值时,还应按楼面活荷载标准值乘以折减系数后考虑。
也是正确的)3、简述青岛五四广场边一建筑平面为正方形的150m 高层的风荷载标准值的计算过程。
答:根据风荷载标准值的计算公式:0w w z s z k μμβ=,(1分)应有以下的计算过程:(1)根据青岛地区查得基本风压:20/60.0m kN w =。
重力荷载代表值计算(恒载加活载)❖楼面和屋面重力荷载计算❖梁、柱重力荷载计算❖墙、门、窗重力荷载计算❖楼梯重力荷载计算❖计算各层重力荷载代表值,得动力计算简图注意:门窗按面积算,其它按体积算,各部分面积的确定要准确,不能夸张近似本工程为五层框架,计算跨度以轴线为准,梁高取至板底,2~5层柱高即为层高3.9m,底层柱高从基础顶面算起即h=3.9+0.6+0.1+0.6=5.2m。
1、屋面及楼面的永久荷载标准值:屋面:05J1(B1-70-F6)倒置式不上人屋面)保护层:40厚C20细石混凝土,内置φ4@150×150钢筋网片0.04×25=1kN/m2隔离层:干铺无纺聚酯纤维布一层保温层:120厚挤塑聚苯乙烯泡沫塑料板0.12×0.3=0.036kN/㎡防水层:10厚高聚物改性沥青防水材料0.01×0.1=0.001kN/㎡找平层:20厚1:3水泥砂浆,砂浆中掺聚丙烯0.02×20=0.4kN/㎡找坡层:1:8水泥膨胀珍珠岩找平2%坡(最薄处20厚)0.02×10=0.2kN/㎡结构层:100厚钢筋混凝土屋面板0.1×25=2.5kN/㎡顶棚:12厚混合砂浆0.012×17≈0.24kN/㎡合计: 4.38kN/㎡楼面:05J1—楼6:水磨石楼面12厚1:2水泥石子磨光0.012×14≈0.17kN/m2素水泥浆结合层一遍0.06kN/m218厚1:3水泥砂浆找平0.018×20=0.36kN/m2素水泥浆结合层一遍0.06kN/m2钢筋混凝土楼板0.1×25=2.5kN/m2顶棚:12厚混合砂浆0.012×17≈0.24kN/m2合计: 3.39kN/m205J1—楼28:陶瓷地面砖防水楼面(卫生间)8厚地砖铺实拍平,水泥砂浆擦缝0.008×19.8≈0.16kN/m225厚1:4干硬性水泥浆0.025×20=0.5kN/m21.5厚聚氨酯防水涂料,面撒黄砂,四周沿墙上翻150高0.0015×10≈0.02kN/m2基层刷处理剂一道15厚1:2水泥砂浆找平0.015×20=0.3kN/m250厚C15细石混凝土找坡不小于0.5%,最薄处不小于30厚0.05×24=1.2kN/m2钢筋混凝土板0.1×25=2.5kN/m2顶棚:12厚混合砂浆0.012×17≈0.24kN/m2合计: 4.92kN/m2地面做法05J1—地12:水磨石地面12厚1:2水泥石子磨光0.012×14≈0.17kN/m2 素水泥浆结合层一遍18厚1:3水泥砂浆找平0.018×20=0.36kN/m2 素水泥浆结合层一遍80厚C15混凝土0.08×24=1.92kN/m2 素土夯实合计: 2.41kN/m205J1—地面53:陶粒地面砖防水地面(卫生间、盥洗室)10厚地砖铺实拍平,水泥砂浆擦缝0.01×19.8=0.20kN/m2 20厚1:4干硬性水泥浆擦缝0.020×20=0.22kN/m2 1.5厚聚氨酯防水涂料,面撒黄砂,四周沿墙上翻150高0.0015×10=0.015kN/m2 基层刷处理剂一道15厚1:2水泥砂浆找平0.015×20=0.3kN/m2 50厚C15细石混凝土找坡不小于0.5%,最薄处不小于30厚0.05×24=1.2kN/m2 80厚C15混凝土0.08×24=1.92kN/m2 素土夯实合计: 3.85kN/m2外墙做法05J1—外墙26:聚苯乙烯泡沫塑料板保温外墙面20厚1:3水泥砂浆找平0.02×20=0.4kN/m2 10厚1:1(重量比)水泥专用胶粘剂刮于板背面0.01×9.3=0.093kN/m2 100厚聚苯乙烯泡沫塑料板加压粘牢,版面打磨成细麻面0.1×0.5=0.05kN/m2 1.5厚专用胶粘贴加强网于需加强的部位0.0015×9.3=0.01395kN/m2 1.5厚专用胶粘贴标准网于整个墙面,并用抹刀将网压入胶泥中0.0015×9.3=0.01395kN/m2 基层整修平整,不露网纹及抹刀痕一底二涂高弹丙烯酸涂料300厚陶粒空心砌块0.3×5=1.5kN/m2 15厚1:1:6水泥石灰砂浆0.015×20=0.3kN/m2 5厚水泥石灰砂浆0.005×20=0.1kN/m2 合计: 2.77kN/m2内墙做法05J1—内墙3:混合砂浆墙面(一)20厚1:1:6水泥石灰砂浆,分两次抹灰0.02×20=0.4kN/m2 5厚水泥石灰砂浆0.005×20=0.1kN/m2 200厚陶粒空心砌块0.2×6=1.20kN/m2 合计: 1.60kN/m205J1—内墙12:面砖墙面(卫生间、盥洗室)刷建筑胶素水泥浆一遍,配合比为建筑胶:水=1:415厚1:3水泥砂浆,分两次抹灰0.015×20=0.3kN/m2刷素水泥一遍5厚1:1水泥砂浆加水重20%建筑胶镶贴 0.005×20=0.1kN/m28厚面砖,水泥浆擦缝 0.008×19.8=0.16kN/m2200厚陶粒空心砌块 0.2×6=1.2kN/m2合计: 1.76kN/m2顶棚做法05J1—顶棚3:混合砂浆顶棚钢筋混凝土板底面清洁干净7厚1:1:4水泥石灰砂浆 0.007×20=0.14kN/m25厚1:0.5:3水泥石灰砂浆 0.005×20=0.1kN/m2表面喷刷涂料合计: 0.24kN/m2活载计算根据《建筑结构荷载规范》第4.1.1条楼面均布活荷载标准值:宿舍、值班室、配电室、洁具室、卫生间、盥洗室: 2.0kN/m2自习室、活动室: 2.0kN/m2走廊、门厅、楼梯: 2.0kN/m2阳台 2.5kN/m2根据《建筑结构荷载规范》第4.3.1条屋面均布活荷载标准值(不上人屋面): 0.5kN/m2根据《建筑结构荷载规范》第6.1.1条屋面雪荷载标准值:20/kN 25.025.00.1m S S r K =⨯==μ 式中:K S ——雪荷载标准值r μ——屋面积雪分布系数(单跨双坡屋面取1.0)0S ——基本雪压楼梯间活荷载: 2.0×4.5×6.6=59.4kN宿舍、值班室、配电室、洁具室活荷载: 2.0×3.3×6.6+2.5×1.2×2.1)=49.86kN 盥洗室、卫生间: 2.0×6.6×3.3=43.56kN教室、自习室、活动室: 2.5×9.9×8.4=166.32kN走廊活荷载: 2.0×7×6.6×3.0=277.2kN门厅活荷载: 2.0×2×6.6×5.1=134.64kN屋面雪荷载: 0.25×1092.96=273.24kN4.2.4各层重力荷载代表值根据《建筑荷载规范》,5.3.3不上人屋面均布活荷载不与雪荷载和风荷载同时组合,取两者中较大值。
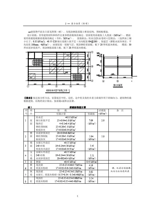
2 — 重力估算(参考)
1
一建筑物平面及立面见附图(略),为现浇钢筋混凝土框架结构,预制板楼盖。
设计荷载:常用建筑材料和构件自重参照荷载规范确定。
屋面使用荷载按上人屋面(2kN/m 2),楼面使用荷载值根据荷载规范确定(书库:5kN/m 2)。
屋面做法:防水层(防水卷材六层做法:三毡四油上铺小石子,0.35 kN/m 2),40厚C20细石混凝土找平层(双向配筋Ø4@200), 保温层(膨胀水泥珍珠岩,平均高度100mm ,4kN/m 3),油膏胶泥一度隔气层。
现浇钢砼屋面板,板下20厚纸筋灰粉底。
楼面:30厚水泥砂浆找平,现浇钢筋混凝土板,板下20厚纸筋灰粉底。
【要求】按近似分析方法,估算底层中柱、边柱,边中柱及角柱在重力荷载作用下的轴向力:建筑物恒载根据建筑、结构的设计做法,按荷载–面积法估算。
2 —重力估算(参考)
2。
梁的重力荷载标准值梁的重力荷载标准值是指在设计梁结构时,根据国家相关标准规定的重力荷载参数进行计算。
重力荷载是指受重力作用产生的荷载,主要包括自重荷载和活载荷载两部分。
自重荷载是指梁自身的重量产生的荷载。
梁的质量与其截面尺寸和长度有关,一般根据材料的密度和梁的截面形状进行计算。
国家相关标准对不同材料的密度进行规定,如混凝土密度为2400 kg/m³,钢材密度为7850 kg/m³等。
梁的自重荷载计算公式为:G = γ × A × L其中,G为自重荷载,γ为材料的密度,A为梁的截面面积,L为梁的长度。
例如,一根混凝土梁,密度为2400 kg/m³,截面面积为0.2 m²,长度为5 m,则其自重荷载为:G = 2400 × 0.2 × 5 = 2400 kg活载荷载是指梁上承受的外部荷载,如人员、设备、车辆等产生的荷载。
活载荷载一般根据设计要求和使用情况进行估算。
国家有关标准对不同情况下的活载荷载进行了规定,如建筑物的活载荷载规范为GB 50009-2012《建筑结构荷载规范》。
该标准对不同类型建筑物的活载荷载进行了明确规定,如住宅建筑的活载荷载为2.0 kN/m²,办公建筑的活载荷载为3.0 kN/m²,工业建筑的活载荷载为5.0 kN/m²等。
除了自重荷载和活载荷载外,梁的重力荷载还包括附加荷载和地震荷载。
附加荷载是指非常规荷载,如风荷载、雪荷载、温度荷载等。
附加荷载的计算一般根据相关规范进行,如GB 50009-2012对风荷载进行了详细规定。
地震荷载是指建筑物在地震作用下的荷载,一般根据GB 50011-2010《建筑抗震设计规范》进行计算。
综上所述,梁的重力荷载标准值包括自重荷载、活载荷载、附加荷载和地震荷载。
依据国家相关标准规定的荷载参数,设计师可以计算出准确的梁结构重力荷载,并根据计算结果进行梁的尺寸和材料选择,确保梁结构的安全承载能力。
梁柱重力荷载标准值
梁柱重力荷载标准值是指在建筑结构设计中,对于梁和柱所能承受的重力荷载的规定数值。
这些数值是根据建筑结构的材料、结构形式、使用功能等因素综合考虑后确定的,是保证建筑结构安全稳定的重要依据。
首先,梁柱重力荷载标准值的确定需要考虑建筑结构的材料特性。
不同的材料具有不同的承载能力,比如钢材、混凝土和木材等材料在承受重力荷载时的性能各不相同。
因此,在确定梁柱重力荷载标准值时,需要根据所选用的材料的特性进行科学合理的计算和规定。
其次,梁柱重力荷载标准值还需考虑建筑结构的结构形式。
不同的结构形式会对重力荷载的传递和承载产生不同的影响。
比如,在梁柱结构中,梁和柱的布置形式、连接方式等都会对其承载能力产生影响,因此需要根据具体的结构形式确定相应的重力荷载标准值。
另外,建筑结构的使用功能也是确定梁柱重力荷载标准值的重要考虑因素。
不同的建筑用途需要承受不同的荷载,比如住宅建筑和工业厂房在承受荷载时的要求就会有所不同。
因此,在确定梁柱重力荷载标准值时,需要充分考虑建筑的使用功能,确保其承载能力符合实际需要。
总的来说,梁柱重力荷载标准值的确定是一个综合考虑材料特性、结构形式和使用功能等因素的过程。
只有科学合理地确定了梁柱重力荷载标准值,才能保证建筑结构的安全稳定,为人们的生活和工作提供可靠的保障。
因此,在建筑设计中,需要严格按照相关规范和标准进行计算和规定,确保梁柱重力荷载标准值的准确性和合理性。
3 重力荷载代表值计算及框架侧移刚度计算楼层重力荷载代表值=全部的恒载+50%的楼面活荷载屋面重力荷载代表值=全部的恒载+50%的屋面雪荷载3.1 恒载标准值计算3.1.1 屋面楼面恒载计算屋面永久荷载标准值(上人):C细石混凝土 1.0 kN/m2 40厚201.2厚高分子卷材 0.15 kN/m225厚1:3水泥砂浆 20×0.025=0.5k N/m2 90厚水泥珍珠岩板2×0.09=0.18kN/m2最薄处15厚水泥焦渣 13×0.015=1.95kN/m2 120厚钢筋混凝土板25×0.12=3kN/m2合计 6.797kN/m2屋面永久荷载标准值(不上人):20厚水泥砂浆 20×0.02=0.4 kN/m21.2厚合成高分子防水卷材 0.15 kN/m225厚水泥砂浆 20×0.025=0.5k N/m2 65厚聚苯乙烯保温板 0.2×0.065=0.013kN/m2最薄处15厚1:6水泥焦渣 13×0.015=1.95kN/m2 120厚钢筋混凝土板25×0.12=3kN/m2合计 6.183kN/m2楼面永久荷载标准值:普通楼面8厚瓷面砖19.8×0.008=0.16kN/m2 30厚1:3水泥砂浆20×0.03=0.6kN/m2 30厚聚苯乙烯泡沫板保温层0.2×0.03=0.006kN/m2 10厚1:3水泥砂浆 20×0.01=0.2kN/m2 120厚钢筋混凝土板25×0.12=3kN/m2合计 4.136kN/m2卫生间楼面8厚瓷面砖19.8×0.008=0.16kN/m2 50厚1:3水泥砂浆20×0.05=1kN/m21.5厚合成高分子 0.15kN/m2100厚钢筋混凝土板25×0.1=2.5kN/m2 10厚水泥石灰膏砂浆0.01×17=0.17kN/m2 合计 3.98 kN/m2一层地面永久荷载标准值: 普通楼面8厚地砖地面 19.8×0.008=0.16kN/m 25厚石灰砂浆 20×0.005=0.1kN/m 2 20厚1:3水泥砂浆 20×0.02=0.4kN/m2 60厚混土垫层 25×0.06=1.5kN/m 23:7灰土 17.5×0.15=2.625kN/m 2合 计 4.695kN/m 2 卫生间地面8厚地砖 0.008×19.8=0.16kN/m 2 30厚1:3水泥砂浆 20×0.03=0.6kN/m 2 1.5厚合成高分子 0.15kN/m 2 1:3水泥砂浆最薄处20厚 20×0.02=0.4kN/m 2 10厚水泥石灰膏砂浆 0.01×17=0.17kN/m 2合 计 2.81kN/m23.1.2 第一层结构构件自重计算取基础埋深为2.5m ,基础高为1m ,则一层柱高为1 3.6 2.5 1.00.45 5.55h m =+-+=,故取一层柱高为1h 5.6m =表3-1 梁、柱自重重力荷载代表值计算及框架侧移刚度计算墙体为填充墙,材料为蒸压粉煤灰加气混凝土砌块,电梯间填充墙为普通砖墙318KN /m ,外墙厚300mm ,内墙厚为200mm 。
地下结构设计的荷载,模型,方法的确定
地下结构设计的荷载、模型及方法的确定,是地下工程设计中一项十分重要且复杂的
工作。
这较传统的地面工程而言,更加需要正确确定地下结构的荷载、模型及其计算方法。
首先是对地下结构荷载的正确估算。
因为地下结构受重力、压力、浸水、水压等各种
变形或破坏其稳定性,所以要考虑地下结构的荷载,应该包括来自各中荷载的作用,以及
与它们相关的设计参数。
荷载的估算分两种:一种是静荷载,它主要指地下结构所受的水平和竖向的重力荷载,以及基础的加载荷载;另一种是动荷载,它主要是指地下结构所受的附加力、浸水及渗水
等瞬变荷载。
在逖按变形特性来估算地下结构的荷载时,也应当考虑地质、地基、土压力
计算等技术参数。
另外,要正确确定地下结构模型及方法,也是地下结构设计中十分重要的一环。
根据
地下结构的分类,可以将它们划分为桩、土、墙、钢筋混凝土以及管道结构五大类,并选
择相应的计算方法,如桩的受力分析则需要采用有限元法及有限差分法,土体是由土压力
理论、挠度方程、等反力模型等方法来进行分析,墙则采用杆系理论,钢筋混凝土采用多
边形柱理论,管道结构则可采用结构弹性理论等。
总之,正确确定地下结构的荷载、模型及其计算方法,对于保证地下结构的质量、安
全性以及节约成本具有重要作用。
因此,在地下工程的设计中,应该特别重视对荷载、模
型及计算方法的正确确定,在这样做的同时,还要充分发挥各技术之长,并综合考虑许多
因素,使结果更加可靠。
5.4 重力荷载及水平荷载计算5.4.1屋面荷载:40㎜厚细石混凝土保护层内配6 @200 25KN/m 3×0.04m=1.0KN/m 2 三毡四油防水卷材 0.4 KN/m 2 20厚水泥砂浆找平层 20 KN/m 3×0.02m=0.4KN/m 2 200厚水泥蛭石保温层(兼1%找坡) 5 KN/m 3×0.2m=1.0KN/m 2APP 改性沥青隔汽层 0.05 KN/m 2 20㎜厚水泥砂浆找平层 20 KN/m 3×0.02m=0.4KN/m 2100㎜厚钢筋混凝土楼板 25KN/m 3×0.1m=2.5 KN/m 220㎜厚天棚抹灰 0.34KN/m 2屋面永久荷载标准值 S Gk =6.09 KN/m 2 活荷载:(上面屋面) 22/KN m 雪荷载: 20.35/KN m5.4.2 楼面荷载:(除卫生间以外的房间)100厚钢筋混凝土楼板 25KN/m 3×0.10m=2.5 KN/m 220厚水泥砂浆找平层 20 KN/m 3×0.02m=0.4KN/m 220厚花岗岩地面砖 28 KN/m 3×0.02m=0.56KN/m 2楼面永久荷载 S Gk =3.8 KN/m 2楼面活荷载: 22.0/KN m梁、柱、墙及门、窗重力荷载5.4.3 计算梁重力荷载时应从梁截面高度中减去板厚,梁表面有粉刷层,重力荷载近似取1.1倍梁自重已考虑梁面粉刷层的重力荷载。
横梁、纵梁重力荷载计算结果见下表(表1-14)、(表1-15)。
表中n h 、n l 分别表示梁截面净高度和净跨长,g 表示单位长度梁重力荷载。
(钢筋混凝土容重取325/KN m )表1-14 横梁重力荷载计算表表1-15 纵梁重力荷载计算表为了简化计算计算柱重力荷载时近似取1.1倍柱自重已考虑柱面粉刷层的重力荷载,柱净高可取层高。
柱重力荷载计算结果见下表(表1-16)(表1-17)。
荷载统计,重力荷载代表值计算:根据确定的构件截面尺寸,楼地面做法、内外墙做法、门窗做法,填充墙材料等,查阅荷载规范,确定恒载和活载标准值,然后按实际情况统计荷载。
以下的示例,只是给出第一层、第二层及顶层的重力荷载代表值,并不完整,仅供参考。
每个人最终确定的计算简图中,质点的个数等于层数,也即有5层,就要分别计算5层的重力荷载代表值。
对于上人屋面,将突出屋面部分的楼梯间单独考虑,作为一个质点,即质点个数等于层数加一。
计算原则:将楼面上下各一半高度范围内的全部荷载集中于楼面标高处。
第二章重力荷载代表值计算2.1 各种荷载设计值计算。
(1). 屋面永久荷载计算(不上人屋面)20mm厚水泥沙浆面层 0.02×20=0.40kN/m2采用保温层(找坡)卷材防水屋面SBS改性沥青防水卷材 0.3kN/m2素水泥浆粘结层15mm厚1:3水泥砂浆找平: 0.015×20=0.30kN/m2150厚憎水性珍珠岩保温层: 4×0.15=0.6 kN/m2(2%找坡最薄处50厚)20mm厚1:3水泥砂浆找平: 0.02×20=0.40kN/m2(刷一层冷底子油隔气层)100mm厚现浇混泥土屋面板: 0.10×25=2.5kN/m2刷大白浆一道合计: 4.5 kN/m2(2). 二-五层水磨石楼面恒载:水磨石面层 0.65 kN/m2(10mm面层,素水泥浆一道,20mm水泥砂浆打底)100厚现浇钢筋混凝土板 25×0.10=2.5 kN/m2刷大白浆一道合计 3.15 kN/m2(3).防静电地板楼面恒载:防静电地板 0.4kN/m212厚水泥砂浆找平: 0.02×12=0.24kN/m2100厚现浇钢筋混凝土板 25×0.10=2.5 kN/m2合计 3.14 kN/m2(4).卫生间楼面荷载:5厚陶瓷锦砖(水泥擦缝) 0.12 kN/m2撒素水泥面20厚的1:2.5水泥砂浆找平 0.02×20=0.40kN/m2素水泥浆一道60厚的细石混凝土(1%向地漏方向找坡) 22×0.06=1.32kN/m21.5厚的SPU防水涂料100厚现浇钢筋混凝土板 25×0.10=2.5刷大白浆一道合计 4.34 kN/m2(5).屋面及楼面可变荷载标准值:不上人屋面均布活荷载标准值 0.5 kN/m2楼面活荷载标准值 2.0 kN/m2走廊活荷载标准值 2.5 kN/m2屋面雪荷载标准值 SK =urS=1.0×0.65=0.65 kN/m2(式中ur为屋面积雪分布系数,当屋面倾斜角度≤250时,ur=1.0 )(6).普通砖 18kN/m3钢筋混凝土过梁 25 kN/m3外墙面为20 mm厚抹灰(喷涂灰色乳胶漆) 17×0.02=0.34kN/m2内墙面两侧为20mm厚抹灰(白色乳胶漆) 17×0.02=0.34kN/m2吸音矿棉板墙面(音乐教室室内)4×0.018+20×0.018=0.432kN/m2瓷砖墙面 0.5kN/m2木门单位面积重力荷载为 0.2 kN/m2塑钢窗单位面积重力荷载取 0.4 kN/m2玻璃幕墙单位面积重力荷载取 1.2 kN/m2钢框玻璃门单位面积重力荷载取 0.45 kN/m2(7).主要结构的框架设计:整栋教学楼结构为L型,基于L角部外伸的长度大于0.3 Bmax ,所以在结构设计的时候要在设置防震缝,按照建筑抗震设计手册,设置双柱,双梁,双墙,取缝的宽度为100mm,在进行框架设计的时候,考虑主要框架.2.2 重力荷载代表值的计算2.2.1 第一层:上下半层重力荷载代表值图2.1 一层梁柱布置图1、梁,柱自重(见下表2.1)梁自重: 2905.34 kN柱自重: 1.05×1809.23=1899.69 kN(注:1.05为考虑柱身抹灰粉刷对其重力荷载的增大系数)注:1)梁长度取净长,柱长取计算高度(算至室外地面下0.5m处)2) g—表示单位长度构件重力荷载3) β—表示由抹灰粉刷自重放大系数4) 楼梯处的梁及楼梯处的板近似按板后的 1.5倍计算,此处不与考虑.2、内外填充墙自重的计算:外墙单位墙面重力荷载为: 18×0.24+2×0.02×17=5 kN/m2内墙单位墙面重力荷载为: 18×0.24+2×17×0.02=5 kN/m2内墙120隔墙单位墙面重力荷载为:18×0.12+2×17×0.02=2.84kN/m2吸音矿棉板墙面18×0.24+17×0.02+0.432=5.09kN/m2厕所瓷砖墙面18×0.24+17×0.02+0.5=5.16kN/m2厕所内120双面瓷砖隔墙单位墙面重力荷载为18×0.12+2×0.5=3.16kN/m2表2.1 一层梁柱荷载自重3、一层墙体自重计算:1) A轴线上下半层重力荷载代表值a,纵梁下墙体计算高度(4.2+0.45+0.5)/2-0.7=1.875m (7.8×3+3.0+5.4×4)×1.875-(3×6+2.4+3.9×4) ×1.375-0.24×(3.4×6+2.8+4.3×4) = 90-49.5-9.7=30.8 m2则:墙体自重 30.8×5=154.0 kN塑钢窗自重 49.5×0.4=19.8 kN过梁自重 9.6×0.24×25=57.6 kN钢框玻璃门 7.8×1.875×0.45=6.58 kN小计: 238.48 kNb, 纵梁上墙体计算高度 4.2/2=2.1m(7.8×3+3.0+5.4×4)×2.1-(3×6+2.4+3.9×4) ×1.2 =100.8-43.2=57.6m2则:墙体自重 57.6×5=288 kN塑钢窗自重 43.2×0.4=17.28 kN玻璃幕墙自重 8.4×2.1×1.2=21.17 kN栏杆 1.0×7.8=7.8kN(栏杆荷载取1.0kN/m)小计: 334.25 kN2) B轴线上下半层重力荷载代表值a, 纵梁下墙体计算高度h=1.875m(7.8×3+3.0+5.4×4)×1.875-11 ×1.0×0.475-(3.6×3+3×4) ×0.9-0.24×(1.4×11+4×3+3.4×4)=90-5.23-20.52-9.84=54.42m2则:墙体自重 54.42×5=272.08 kN塑钢窗自重 20.52×0.4=8.21 kN木门自重 5.23×0.2=1.05 kN过梁自重 9.84×0.24×25=59.04 kN钢框玻璃门 2.4×1.875×0.45=2.03 kN小计: 342.41 kNb, 纵梁上墙体计算高度h=2.1m2.4×1.1+(7.8×4+3+5.4×4) ×2.1-12×1×2.1=119.82-25.2=94.62m2则:墙体自重 94.62×5=473.1 kN木门自重 25.2×0.2=5.04 kN小计: 478.14 kN3) C轴线上下半层重力荷载代表值a, 纵梁下墙体计算高度h=1.875m(7.8×3+5.4×4)×1.875-1.0×9 ×0.475-(3.6×3+3×4) ×0.9-0.24×(1.4×9+3×4+3.4×4)=84.38-4.28-20.52-9.17=50.41m2则:墙体自重 50.41×5=252.05 kN塑钢窗自重 20.52×0.4=8.21 kN木门自重 4.28×0.2=0.86 kN过梁自重 9.17×0.24×25=55.02 kN7.8×1.875-0.8×4×0.475-1.2×4×0.24=14.63-1.52-1.15=11.96 m2则:墙体自重 11.96×5.16=61.71 kN木门自重 1.52×0.2=0.30 kN过梁自重 1.15×0.24×25=6.91 kN小计: 385.06 kNb, 纵梁上墙体计算高度h=2.1m(2.4+7.8×3+3+5.4×4) ×2.1-(2×2+9×1.0) ×2.1=105.84-27.3=78.54 m2则:墙体自重 78.54×5=392.7 kN木门自重 27.3×0.2=5.46 kN7.8×2.1-0.8×4×2.1=16.38-6.72=9.66 m2则:墙体自重 9.66×5.16=49.85 kN木门自重 6.72×0.2=1.34 kN小计: 449.35 kN4)D轴线上下半层重力荷载代表值a, 纵梁下墙体计算高度h=1.875m(2.4+3+7.8×3+5.4×4)×1.875-(1.8×1.4+2.4×1.4+3×6×1.375+3.9×3×1.375)-(3.4×6+4.3×3) ×0.24=94.5-46.72-8.00=39.78m2则:墙体自重 39.78×5=198.9 kN塑钢窗自重 46.72×0.4=18.69 kN过梁自重 8×0.24×25=48 kN7.8×1.875-2×3×1.4=14.63-8.4=6.23则:墙体自重 6.23×5.16=32.15 kN塑钢窗自重 8.4×0.4=3.36 kN小计: 301.1 kNb, 纵梁下墙体计算高度h=2.1m(2.4+3+7.8×3+5.4×4)×2.1-(3×6+3×3.9) ×1.2=105.84-29.7=76.14 m2则:墙体自重 76.14×5=380.7 kN塑钢窗自重 29.7×0.4=11.08 kN7.8×2.1=16.38 m2则:墙体自重 16.38×5.16=84.52 kN小计: 476.3 kN5)1/C,E,F,G,H轴线上下半层重力荷载代表值a, 纵梁下墙体计算高度h=1.875m(次梁下为2.075m)6.12×2×2.075 =25.40m2则:墙体自重 25.4×5=127 kN小计: 127 kNb, 纵梁下墙体计算高度h=2.1m6.12×2.1 =12.85 m2则:墙体自重 12.85×5=64.25 kN小计: 64.25 kN6)10轴线上下半层重力荷载代表值(玻璃幕墙)a,楼层下幕墙计算高度h=2.575m(11.4+1.8)×2.575-2.97×1.975=28.12m2则:玻璃幕墙自重 28.12×1.2=33.74 kN钢框玻璃门自重 11.73×0.45=2.64 kN小计: 36.38 kNb,楼层上幕墙计算高度h=2.1m(11.4+1.8)×2.1=27.72 m2则:玻璃幕墙自重 27.72×1.2=33.26 kN栏杆自重 1.0×(11.34+1.74)=13.08 kN小计: 92.85 kN7)9轴线上下半层重力荷载代表值a,横梁下墙体计算高度h=1.875m7.8×2×1.875-0.8×2 ×0.475-1.8×2×1.375-(1.2×2+2.2×2) ×0.24=29.25-0.76-4.95-1.63=21.91m2则:墙体自重 21.91×5=109.55 kN塑钢窗自重 4.95×0.4=1.98 kN木门自重 0.76×0.2=0.15 kN过梁自重 1.63×0.24×25=9.78 kN小计: 121.46 kNb,横梁上墙体计算高度h=2.1m7.8×2×2.1-1.8×2×1.2-0.8×2×2.1=32.76-4.32-3.36=25.08m2则:墙体自重 25.08×5=125.4 kN塑钢窗自重 4.32×0.4=1.73kN木门自重 3.36×0.2=0.67kN小计: 127.80KN8)1/8轴线上下半层重力荷载代表值a,横梁下墙体计算高度h=1.875m7.8×1.875=14.63 m2则:墙体自重 14.63×5=73.15kN小计: 73.15kNb,横梁上墙体计算高度h=2.1m7.8×2.1=16.38m2小计: 81.9kN9) 8,7,6,5,4轴线上下半层重力荷载代表值a,横梁下墙体计算高度h=1.875m7.8×10×1.875-3.9×1.375-4.3×0.24=146.25-5.36-1.03=139.86 m2则:墙体自重 139.86×5=669.3kN塑钢窗自重 5.36×0.4=2.14kN过梁自重 1.03×0.24×25=6.18kN小计: 677.62kNb,横梁上墙体计算高度h=2.1m7.8×9×2.1=147.42 m2则:墙体自重 147.42×5=737.1kN小计: 737.1kN10) 3,2轴线上下半层重力荷载代表值a,横梁下墙体计算高度h=1.875m7.8×1.875×2=29.25 m2则:墙体自重 29.25×5.16=150.93kN7.8×1.875×2=29.25 m2则:墙体自重 29.25×5=146.25kN小计: 297.18kNb,横梁上墙体计算高度h=2.1m7.8×2.1×2=32.76 m2则:墙体自重 32.76×5.16=169.04kN7.8×2.1×2=32.76 m2则:墙体自重 32.76×5=163.8kN小计: 332.12kN11) 1轴线上下半层重力荷载代表值a,横梁下墙体计算高度h=1.875m(7.8+2.1)×1.875-1.5×1.375-1.9×0.24=18.56-2.06-0.46=16.04 m2塑钢窗自重 2.06×0.4=0.82kN过梁自重 0.46×0.24×25=2.76kN小计: 83.78kNb,横梁上墙体计算高度h=2.1m(7.8+2.1)×2.1-1.5×1.2=20.79-1.8=18.99 m2则:墙体自重 18.99×5=94.95kN塑钢窗自重 1.8×0.4=0.72kN小计: 95.67kN12) 7,8与C,D轴线之间上下半层120墙重力荷载代表值a,横梁下墙体计算高度h=1.875m(次梁h=2.075m)3.96×1.875+5.82×2×2.075-0.8×2×0.475-1.2×0.24×2 =31.58-0.76-0.58=30.24 m2则:墙体自重 30.24×2.84=85.88kN木门自重 0.76×0.2=0.152kN过梁自重 0.58×0.24×25=3.48kN小计: 89.51kNb,横梁上墙体计算高度h=2.1m3.96×2.1+3.84×2.1+5.82×2×2.1-0.8×3×2.1=40.82-5.04=35.78 m2则:墙体自重 35.78×2.84=101.62kN木门自重 5.04×0.2=1.01kN小计: 102.63kN13)厕所上下半层120墙重力荷载代表值(双面瓷砖)a,厕所下墙体计算高度h=1.875m(次梁h=2.075m)( 8.4+0.12+3.18×2+0.12×2+2.7×2) ×2.075=42.58 m2则:墙体自重 42.58×3.16=134.55kN小计: 134.55kNb,厕所上墙体计算高度h=2.1m( 8.4+0.12+3.18×2+0.12×2+2.7×2) ×2.1=43.09 m2则:墙体自重 43.09×3.16=136.16kN小计: 136.16kN14)外墙梁侧抹灰自重(7.8×2+2.1+2.4+7.8×4+3.0+5.4×4+7.8+5.4×3+7.8×4+3+2.4)×0.7+7.8×0.6=100.23 m2自重: 100.83×17×0.02=34.08kN小计: 34.08kN15)轻钢雨蓬自重3.6×9.6=34.56 m2自重: 34.56×1.5=51.84 kN小计: 51.84 kN16)楼板自重和活载a,卫生间板的面积 S=63.71 m21=2.1×66.35+16.28-0.3×2.1×11=148.69 m2b, 走廊面积 S3=64.83+63.66×c, 其它面积S46+27.54+88.48+91.2+92.37+90.93= 837.31 m2d,楼梯间(折算为1.5板厚计算)S5=22.5+27.54=50.04 m2恒载:卫生间恒载4.34×63.71+10×0.15×(5.7×2.0+4.8) ×1.2=305.66kN注:由于卫生间蹲便器采用上浮式,所以要在蹲便器四周填焦渣混凝土,重度为10kN/ m2,填充面积为1.2×0.9,部分靠墙边的扩大,高度为150厚,数量17个。