各种叉车参数性能配置表
- 格式:doc
- 大小:161.00 KB
- 文档页数:14
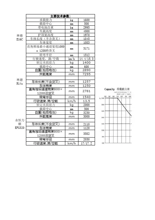
承载能力kg 1600载荷中心mm 500带电池自重kg 2995失载高度mm 4000
护顶架高度mm 1970
车体长度(不含货叉)mm 1845
车体宽度mm 1083转弯半径mm 1512行驶速度,满/空载km/h 14.4/15.3额定承载能力kg 1400载荷中心mm 600自重(包括电池)kg 2890失载高度mm 7295
车体长度(不含货叉)mm 1257
车体宽度mm 1250转弯半径mm 1540行驶速度.满/空载km/h 13.5额定承载能力kg 2000载荷中心mm 500自重(包括电池)kg 3230失载高度mm 3000
车体长度(不含货叉)mm 2110车体宽度mm 1120
转弯半径mm 2030行驶速度.满/空载km/h 17/17.2
林德E16C 林德R14s 永恒力
额EFG320主要技术参数:
直角堆垛最小通道宽度1000
x 1200跨货叉mm 3171直角堆垛通道宽度800×
1200沿货叉mm 27813582mm 直角堆垛通道宽度800×
1200沿货叉。
1~内燃平衡重式叉车表1-7主要技术参数单位CPQ10/CPQD10CPQ15/CPQD18CPQ18/CPQD18CPQ10/CPCD10CPC15/CPCD15CPC18/CPCD18CPC20/CPQD20CPQ25/CPQD25CPQ30/CPQD3CPC20/CPCD20CPC25/CPCD25CPC30/CPCD30CPQ35/CPQD35CPC35/CPCD35额定起重量Kg1000150017501000150017502000250030002000250030003500载荷中心距Mm500500500最大起升高度Mm300030003000自由起升高度Mm155330300330300300门架倾角(0)6/126/126/12最大起升速度Mm/s480433360550450310330最大运行速度Km/h1919最大牵引力(满载)KN最大爬坡速度(满载)%28222022201818/2115/1815/1819/2018/1913/1515最小转弯半径Mm1895197020001895197020002170223024202170223024202420最小直角通道宽度Mm229023802415229023802415264027102885264027102885尺寸全长Mm2950315532032950315532033423364737633423364737633760全宽Mm1070107011001070110011501225115012251225全高Mm199519952070199520702180离地间隙Mm105110105110115140115140135轴距Mm140016001700160017001700轮距(前/后)Mm890/920920/920890/920920/920970/9701000/970970/970 1000/4701000/970重量整车自重Kg2188259028202250266028903305/32803695/36504265/42303409/34233780/37754320/43554750桥荷前(满载)Kg2830362040102860364040404720/47005710/53806458/64304774/47905520/54906467/6495后(满载)Kg990145017001010149017501830/18002016/22402550/25301815/18632310/23222590/2610动力、传动发动机配套、型号NISSAN HISKA ISUZU 4LBI NISSAN H20KA ISUZUC240PKJ NISSAN H25KA ISUZU C240PKJ 缸数-缸径Χ冲程Χ83ΧΧ834-86Χ1024-92Χ934-86Χ102额定功率/转速25/240021/25002300250023002500最大扭距/转速112/160088/1800142/1600142/1800179/1600142/1800变速箱机械(前/后移)2/2手动换档2/2手动换档2/2手动换档液力(前/后移)1/1动力换档1/1动力换档1/1动力换档轮胎前轮2—2-28Χ9-15-12PR2-28Χ9-15-12PR2-实芯胎28Χ9-15后轮2—4~10t内燃平衡重叉车小轴距叉车主要技术参数单位CPQD40CPQD45CPQD50CPCD40CPCP45CPCD50CPCD50CPCD60CPCD70CPCD80CPCD100CPQD15C CPQD18C CPQD20C CPQD25C CPQD30C特征性能额定起重量Kg40004500500040004500500050006000700080001000013001550170020002850载荷中心距Mm500600500最大起升高度Mm30003000三级全自由提升门架4350自由提升高度Mm150205210200门架倾角前/后(0)6/126/123/6最大起升速度(满载)Mm/s380380360380360500460380310530500450最大运行速度(空载)Km/h19220~10/0~301417最大牵引力(满载)KN1100017000132000最大爬坡度(满载)%20181720181737332921最小转弯半径Mm2740280028402740280028403250330033603700395018801920200020302170最小直角通道宽度Mm33253385034303325338534302960300030403310354022502280240024501976尺寸全长Mm4135416542404135416542404660473548055210543030803106336033903560全宽Mm1420148014201480199521652245100010701150全高Mm23502500262527002850203020902160离地间隙Mm165190250245807080轴距Mm2000225025002800135014001500轮距前/后Mm1165/11901185/11901165/11901180/11901470/17001600/1700828/812902/900943/970重量整车自重Kg609063706650609063706650798086409350108501251030543244360039004420桥荷前(满载)Kg8731953910213873195391021336773977459353106383后(空载)Kg32543718411932543718411915381688227323902694动力传动发动机配套型号NISSAN TB42ISUZU 6BG1五十铃6BG1五十铃6BG1日产H15KA H20KA 缸数-缸径Χ冲程4-96Χ966-105Χ1256-105Χ1254-Χ834-Χ83额定功率/转速Kw/rpm66/230069/200082/2000210024002300最大扭距/转速Nm/rpm305/1800340/1600415/1400~1600103/16001600变速机械(前/后)档数表1-9蓄电池托盘堆垛车前移式蓄电池叉车平衡重式蓄电池叉车主要技术参数单位CDD10CDD12主要技术参数单位CPD165CPD20SZ主要技术参数单位CDD10B/CPD10C CPD15B/CPD15CCPD20B CPD25B CPD30B特征性能额定起重量Kg10001200特征性能额定起重量Kg16002000特征性能额定起重量Kg10001500200025003000载荷中心距Mm600载荷中心距Mm600600载荷中心距Mm500起升高度Mm2700~3700起升高度Mm4250~74002900~4200(二级)4250~11500(二级)起身高度Mm3000自由提升高度Mm1395~1895自由提升高度Mm1370~2420100自有提升高度Mm305135305最大起升速度Mm/s110前后倾角(货叉)(0)2/42/5前后倾角(0)6/12最大下降速度(满载)Mm/s350最大起升速度空载/满载Mm/s330/190430/280最大起升速度Mm/s350/280300/240400/300380/260360/280最大运行速度(空载)Km/h最大运行速度空载/满载Km/s10/最大运行速度空载Km/h1314最小转速半径Mm14801530前移速度Mm/s100120爬坡度%1510转向角(0)±100前移距离(标准)Mm560750最小转弯半径Mm1950/1821950/18220502250连续运行噪音Db<75侧移距离Mm50/最小直角通道宽度Mm1890/1751890/17519702090尺寸全长Mm1900爬坡度空载/满载%15/10/尺寸全长Mm3045/29153045/2915327534253570全宽Mm812转弯半径Mm17201940全宽Mm107011501225全高Mm1890~2475通道宽Mm2820/全高护架顶/门架Mm2130/19952130/21452150/2145轴距Mm13001350直角通道宽Mm1880/轴距Mm1370/1251370/12515001600标准货叉长/叉宽Mm/mm1150/180尺寸全长Mm18002060轮距前Mm8909601000货差落地时高度Mm90全宽Mm11281334后Mm920950970两货叉外侧宽托盘宽800Mm570全高Mm2090~31402090~最小离地间隙Mm105115150托盘宽1200Mm680轴距/轮距Mm1425/9841655/1160货叉长Ⅹ宽Ⅹ厚Mm920Ⅹ100Ⅹ31920Ⅹ122Ⅹ401070Ⅹ122Ⅹ401070Ⅹ125Ⅹ45最小离地间隙Mm25货叉Mm1070Ⅹ100Ⅹ401150Ⅹ140Ⅹ50货叉调节范围Mm200~950245~1020250~1090重量整车自重(含蓄电池)Kg950最小离地间隙Mm9590重量整车自重Kg26002900385040004870蓄电池重Kg~200重量整车自重Kg26004000(含蓄电池)速度控制方式MOSFET电控电器速度控制方式MOSFET电控电器速度控制方式MOSFET PWM控制电控电器电机行走KW5810电机行走/起升KW2电机行走/起升/转向KW起升KW1012蓄电池电压V24蓄电池电压/容量V/Ah48/40048/480转向KW容量Ah210重量400Ah时(标准)Kg626/蓄电池电压V4880车轮驱动轮外径Χ宽度MmΧmm橡胶ф215Ⅹ75500Ah时(选用)Kg760/容量Ah550/440550/440700500前轮外径Χ宽度MmΧmm聚氨酯Φ215Ⅹ75车轮前轮外径Ⅹ宽度mmⅩmm2-285Ⅹ108343Ⅹ108车轮轮胎前轮2-28Ⅹ9-15-12PR万向轮外径Χ宽度MmΧmm聚氨酯Φ125Ⅹ39后轮外径Ⅹ宽度mmⅩmm343Ⅹ114/后轮2-18Ⅹ7-8-14PR2-18X7-8-14PR。
叉车设计参数和性能(共5页)--本页仅作为文档封面,使用时请直接删除即可----内页可以根据需求调整合适字体及大小--叉车参数设计技术参数叉车的技术参数是用来表明叉车的结构特征和工作性能的。
主要技术参数有:额定起重量、载荷中心距、最大起升高度、门架倾角、最大行驶速度、最小转弯半径、最小离地间隙以及轴距、轮距等。
1、额定起重量:叉车的额定起重量是指货物重心至货叉前壁的距离不大于载荷中心距时,允许起升的货物的最大重量,以t (吨)表示。
当货叉上的货物重心超出了规定的载荷中心距时,由于叉车纵向稳定性的限制,起重量应相应减小。
2、载荷中心距:载荷中心距是指在货叉上放置标准的货物时,其重心到货叉垂直段前壁的水平距离,以mm(毫米)表示。
对于1t叉车规定载荷中心距为500mm。
3、最大起升高度:最大起升高度是指在平坦坚实的地面上,叉车满载,货物升至最高位置时,货叉水平段的上表面离地面的垂直距离。
4、门架倾角:门架倾角是指无载的叉车在平坦坚实的地面上,门架相对其垂直位置向前或向后的最大倾角。
前倾角的作用是为了便于叉取和卸放货物;后倾角的作用是当叉车带货运行时,预防货物从货叉上滑落。
一般叉车前倾角为3°~6°,后倾角为10°~12°。
5、最大起升速度:叉车最大起升速度通常是指叉车满载时,货物起升的最大速度,以m/min (米/分) 表示。
提高最大起升速度,可以提高作业效率,但起升速度过快,容易发生货损和机损事故。
目前国内叉车的最大起升速度已提高到20m/min。
6、最高行驶速度;提高行驶速度对提高叉车的作业效率有很大影响。
对与起重量为1t的内燃叉车,其满载时最高行驶速度不少于17m/min。
7、最小转弯半径:当叉车在无载低速行驶、打满方向盘转弯时,车体最外侧和最内侧至转弯中心的最小距离,分别称为最小外侧转弯半径Rmin外和最小内侧转弯半径rmin 内。
最小外侧转弯半径愈小,则叉车转弯时需要的地面面积愈小,机动性愈好。
5吨叉车尺寸规格参数一、整体尺寸参数1.1 长度:5500mm1.2 宽度:2000mm1.3 高度:3000mm二、车身参数2.1 车身重量:8吨2.2 最大载荷重量:5吨2.3 车身颜色:橙色或可根据客户要求定制2.4 车身材料:钢铁材质,表面喷涂防锈漆三、发动机参数3.1 发动机型号:Yuchai YC6108G3.2 发动机功率:81kw/2200rpm3.3 发动机排放标准:国三排放标准,可根据客户要求升级至国四排放标准。
四、轮胎参数4.1 前轮胎规格:23.5-25-16PR(气压为0.6MPa)4.2 后轮胎规格:23.5-25-16PR(气压为0.6MPa)五、液压系统参数5.1 液压泵型号:CBGJ2080/63F(工作压力为16MPa)5.2 液压油箱容积:250L(可根据客户要求增加容积)六、驾驶室参数6.1 驾驶室类型:封闭式驾驶室6.2 驾驶室内部配置:空调、暖风、音响等七、操作系统参数7.1 操作系统类型:液压操纵系统7.2 操作杆数量:2个(用于控制叉臂上下和前后移动)八、叉臂参数8.1 叉臂长度:1500mm8.2 叉臂高度:4000mm(最大高度)8.3 叉臂最大伸展距离:1200mm九、其他参数9.1 最小转弯半径:5500mm9.2 最大爬坡能力:20%9.3 最大行驶速度:30km/h(空载状态下)9.4 刹车方式:液压刹车九、总结以上是5吨叉车的详细规格参数,包括整体尺寸,车身参数,发动机参数,轮胎参数,液压系统参数,驾驶室参数,操作系统参数,叉臂参数和其他参数。
这些规格可以帮助客户更好地了解并选择适合自己需求的产品。
同时,在使用过程中也需要注意安全操作,并进行定期维护保养。
FD30与LG30D主要配置配置参数叉车型号FD30LG30D 说明发动机490BPG-83 490BPG-6A选用新柴490B PG-6A,与行业知名品牌厂家选用发动机相同。
可靠性好,通用性高变速箱中南传动绍兴前进齿轮箱厂行业知名配件厂家绍兴前进齿轮箱厂产品,性能更稳定、可靠齿轮泵合肥CBHZ-F32-ALH6L阜新阜太CBT-F432-ALHL齿轮泵选用阜新阜太泵业CBT-F432-ALHL ,此型号泵行业上普遍使用,容积效率ηv≥93%,性价比高转向器镇江液压件有限公司BZZ1-E100BA镇江液压件有限公司BZZ1-E125BA转向器选用镇江液压件有限公司的BZZ1-E125BA型,工作效率高,转向轻便灵活,能降低司机的劳动强度整车外形尺寸3850mmX1225mmX2180m m3775mmX1225mmX2100m m2100mm高度可直接进入集装箱作业最小转弯半径2460mm2450mm小的转弯半径使得整车在狭窄场地的适应性更好最小离地间隙150 165mm 大离地间隙使得整车通过性更好工作油箱容量45 55L 加大工作油箱,会利于液压系统散热座椅普通带扶手,安全带增加舒适性燃油箱容量50 65L 加大燃油箱,使得单次满箱油工作时间更长配重1680 1800 配重重量增加,使得起重量更大龙工FD35配置表序号名称生产厂家备注1 驱动桥合力安庆车桥有限公司2 转向桥3 发动机浙江新柴动力有限公司490BPG、4 机械变速箱中南传动5 液力变速箱赣州五环传动机械有限公司6多路阀临海海宏液压有限公司78 油泵阜新液压、长源液压有限公司9 油缸蚌埠液压、海克力斯有限公司10扬州通顺散热器有限公司水箱11 安徽凤阳散热器有限公司12 轮辋江淮车轮、富阳钢圈有限公司13 轮胎前进轮胎14 仪表协力仪表有限公司15 线路总成16 侧移器国产(合力安庆)、进口(卡斯卡特)LG35叉车配置及主要参数:配置:发动机:新柴495BP G-1,小时标定功率42Kw/2650r/min;全负荷最低燃油消耗率≤238g/kw·h;驱动桥:CQT30B中南传动变速箱:JDS30Ⅱ中南传动转向桥:H2000(3t)安庆车桥厂齿轮泵:CBT-F432-ALHL 合肥集源液压件厂转向器:BZZ1-E125BA镇江液压件有限公司多路阀:CDB2-F15 丹徒液压件厂起升缸:HRD30A8405/HRD30A8406 蚌埠液力机械厂倾斜缸:HRD30A8501/HRD30A8511 蚌埠液力机械厂主要参数:动力型式新柴495BPG-1额定起重量3500kg载荷中心矩500mm自重4600kg桥载(满载)前7200kg后800kg(空载)前1800k g后2700k g轮距前1000mm后970mm轴距1700mm前悬距483mm后悬距584mm外形尺寸3837mm(含货叉)X1225mm X2100m m 自由起升高度188mm最大起升高度3000mm门架倾角6°/12°货叉尺寸1070mmX125mmX45mm最小转弯半径2500mm最小直角堆垛通道宽度4350mm最小离地间隙门架132mm车架147mm最大行驶速度前进20km/h 后退20km/h最大起升速度满载400mm/s 空载430mm/s下降速度>600mm最大爬坡度20%LG50-70主要配置序号名称生产厂家备注1 驱动桥徐州华晨机械有限公司2 转向桥安庆车桥厂3 发动机东风朝阳柴油机CY6102BG-33 81Kw/2500rpm4 液力变速箱中南传动手控液压5 多路阀临海海宏液压有限公司6 油泵合肥长源7 转向器镇江液压件厂8 油缸蚌埠液压9 仪表协力仪表10 轮辋富阳钢圈有限公司11 轮胎前进轮胎12 蓄电池上海奔放13 行车制动形式宁波按捷真空助力液压式前桥制动14 停车制动形式宁波按捷手动机械式变速箱输出轴制动15 水箱扬州通顺FB20-25主要配置序号名称生产厂家备注1 工作电机辽源汇丰直流2 行走电机辽源汇丰3 驱动桥徐州华晨机械有限公司4 转向桥安庆车桥厂5 蓄电池淮南通霸6 液力变速箱中南传动7 多路阀临海海宏8 齿轮泵长源液压9 转向器镇江液压件厂10 油缸蚌埠液压11 控制器英科12 仪表协力仪表13 轮辋富阳钢圈有限公司14 轮胎前进轮胎15 行车制动系统滁州康达或靖江江宏液压制动,软轴操纵钳16 停车制动系统靖江江宏盘式制动。
内燃合力叉车技术参数内燃叉车G系列G系列1-1.8吨内燃平衡重式叉车型号单位 CPCD10 CPCD15 CPCD18 CPQ(Y)D10 CPQ(Y)D15 CPQ(Y)D18 动力形式柴油汽油或液化石油气额定起重量 kg 1000 1500 1750 1000 1500 1750 载荷中心距 mm 500 500 最大起升高度 mm 3000 3000 全长(不带货叉) mm 2166 2230 2273 2166 2230 2273 全宽 mm 1075 1090 1075 1090 全高(护顶架处) mm 2140 2140 最小转弯半径 mm 1870 1950 1980 1870 1950 1980 最大行驶速度(满载/Km/h 17/18 空载)叉车重量 kg 2300 2760 2970 2300 2760 2970G系列2-3.5吨内燃平衡重式叉车型号单位 CPCD20 CPCD25 CPCD30 CPCD35 CPQD20 CPQD25 CPQD30 CPQD35 动力形式柴油汽油或液化石油气额定起重量 kg 2000 2500 3000 3500 2000 2500 3000 3500 载荷中心距 mm 500 500 最大起升高mm 3000 3000 度全长(不带货mm 2510 2580 2700 2770 2510 2580 2700 2770 叉)全宽 mm 1150 1150 1225 1285 1150 1150 1225 1285 全高(护顶架mm 2140 2140 2170 2170 2140 2140 2170 2170 处)最小转弯半mm 2170 2240 2400 2420 2170 2240 2400 2420 径最大行驶速度(满载/空Km/h 17/19 17/19 18/19 19/19 17/19 17/19 18/19 19/19 载) 叉车重量 kg 3480 3800 4400 5000 3480 3800 4400 5000G系列20-25吨内燃平衡重式叉车型号单位 CPCD200-VZ-12? CPCD250-VZ-12? 动力形式柴油额定起重量 kg 20000 25000 载荷中心距 mm 1200 标准起升高度 mm 4000 全长(含货叉) mm 8742 全宽 mm 3040 全高(驾驶室) mm 3875 最小转弯半径 mm 5920 最大行驶速度(空载) Km/h 28 26G系列28-32吨内燃平衡重式叉车型号单位 CPCD280-V。
5T叉车主要性能与技术参数性能项目技术参数及规格型号CPCDB50
外形尺寸(长、宽、高) mm (4660±40)×(1995±15)×(2500±
25)
整备质量 kg 7980±100 最小离地间隙(驱动桥处) mm 190 轴距 mm 2250±20
前轮距 mm 1470±25
后轮距 mm 1700±30
前悬距 mm 590±15
后悬距 mm 600±20 最大起升高度 mm 3000
自由起升高度 mm 205
门架前倾角° 6
门架后倾角°12
空载起升速度 mm/s 500
满载起升速度 mm/s 400
最大运行速度 km/h 26±2
空载最大牵引力 kN 23
满载最大牵引力 kN 54 空载爬坡度 % 22
满载爬坡度 % 28
配套防爆柴油机YH6108DFB 防爆柴油机功率kw/pim 75/2300 起动方式防爆电起动
冷却方式水冷强制循环
制动形式液压鼓式制动
使用环境温度(℃) -10℃—+40℃最大噪音 dB(A)< 90
牵引高度(mm) 390。