煤矿通风专业各类管理牌模板
- 格式:doc
- 大小:102.00 KB
- 文档页数:8
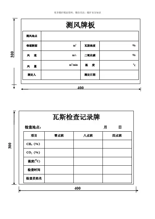
地点建筑材料墙厚米建筑时间管理单位墙前禁放杂物320材质:铝板贴反光膜白底红字单位:mm测风牌板500地点:测定日期:年月日巷道断面积m2瓦斯浓度 %平均风速m/s二氧化碳浓度%风量m3/min空气温度℃大气压力Pa测风员680材质:铝板贴反光膜白底红字:20块(正反向各10块)单位:mm材质:铝板贴反光膜白底红字:2块材质:铝板贴反光膜白底红字:2块单位:mm材质:铝板贴反光膜白底红字:2块单位:mm材质:铝板贴反光膜白底红字:50块单位:mm探放水管理牌板(物探)地点:年月日物探成果允许掘进进尺米本班掘进进尺米验证钻孔布置三视图累计掘进进尺米剩余掘进进尺米验证钻探情况1000×800单位:mm安全出口280mm400mm单位:mm欧阳歌谷创编2021年2月1探放水管理牌板(钻探)地点: 年 月 日探水 时间钻孔编号 钻 孔 及 钻 深 情 况钻孔方位钻孔倾角钻孔深度 岩性有无出水 三视图1 度 度 米2 度 度 米3 度 度 米4 度 度 米5度度 米距()号基准点米 超前距米允许掘进进尺米 本班掘进进尺米 累计掘进进尺米剩余掘进进尺米钻探人员钻孔验收人员驻矿安监员1000×800材质:现场订贺 白底:共做10块局部通风机管理牌板安 装 地 点 局 扇 型 号 风筒规格(mm ) 风筒长度(m ) 安 装 时 间每班运行检查(签字)吸入风量(m 3/min) 倒台试验试验情况排出风量(m 3/min) 试验人员 (签字)局扇管理人检查时间500400欧阳歌谷创编 2021年2月1灭火器材管理牌密闭管理牌板标志牌数量统计表3001禁带烟火300×4002禁止酒后上岗300×4003禁止停留300×4004禁止明火作业300×4005禁止启动300×4006禁止送电300×4007禁止跨、采输送带300×4008禁止攀牵线缆300×4009禁止入内300×400 10禁止通行300×40011禁止放明炮、糊炮300×40012禁止同时打开两道风门300×40013禁止穿化纤服300×40014注意防尘300×40015禁止停车600×40016禁止井下睡觉300×40017禁止驶入300×400 18注意安全300×400 19当心瓦斯300×40020当心火灾300×40021当心有害气体中毒300×40022当心爆炸300×400 23当心触电300×400 24当心坠落300×40025当心坠入300×400 26当心滑坡300×40027当心行车行驶300×40028当心绊倒300×400 29当心滑跌300×40030当心交叉道口300×40031请勿带电操作300×40032当心冒顶300×400 33当心弯道300×40034必须戴安全帽300×40035必须戴防护眼镜300×40036必须穿防护服300×40037必须戴防护手套300×40038必须穿防护靴300×40039必须戴防尘口罩300×40040必须桥上通过300×40041必须系安全带300×40042必须走入行道300×40043鸣笛300×400 44必须加锁300×40045必须持证上岗300×40046文明排队300×40047紧急出口(左)300×40048紧急出口(右)300×40049躲避硐300×400 50主水仓300×40051付水仓300×400 52电话300×400 53爆破禁戒线300×400 54前方慢行5300×400 55指示牌300×40056机电硐室300×400 57红牌300×400 58黄牌300×40059避火灾、瓦斯爆炸路线300×40060瓦斯盲巷栅栏前300×40061进风巷道300×40062回风巷道300×40063避有毒有害气体路线300×40010807采煤工作面280mm600mm材质:铝板蓝底白字:1块(字体大小与排版相适应即可)10807采面运输巷280mm 600mm材质:铝板蓝底白字:2块(字体大小与排版相适应即可)。
单位:mm260风门管理牌板地点类型建筑时间建筑材料责任单位管理人风门前后5米禁放杂物320材质:铝板贴反光膜白底红字单位:mm260盲巷密闭管理牌板地点编号巷道长度米封闭时间墙厚米管理单位墙前禁放杂物320材质:铝板贴反光膜白底红字:单位:mm260挡风墙管理牌板地点建筑材料墙厚米建筑时间管理单位墙前禁放杂物320材质:铝板贴反光膜白底红字:单位:mm260监测监控设备管理牌板设备名称监控地点型号报警点断电点复电点标校时间管理人320材质:铝板贴反光膜白底红字:共做50块400隔爆水袋管理牌板使用地点断面(㎡)水袋(个)长度(米)水量(L)间距(米)使用单位管理人500材质:铝板贴反光膜白底红字单位:mm测风牌板500地点:测定日期:年月日巷道断面积m2瓦斯浓度 % 平均风速m/s 二氧化碳浓度% 风量m3/min 空气温度℃大气压力Pa 测风员680材质:铝板贴反光膜白底红字单位:mm避火灾、瓦斯路线指示牌280mm红色400mm材质:铝板贴反光膜白底红字:20块(正反向各10块)单位:mm避水灾路线指示牌280mm蓝色400mm材质:铝板贴反光膜白底蓝字:20块(正反向各10块)单位:mm300材料管理牌板存放地点 材料名称 规 格 数 量 责任单位管 理 人400材质:铝板贴反光膜 白底红字:20块单位:mm600瓦 斯 检 测 牌 板检 测 地 点: 年 月 日 500班次 次数时间CH 4%CO 2%瓦斯检查工夜班 一次二次 早班一次二次中班一次二次一炮三检装药前(CH4%) 放炮前(CH4%) 放炮后(CH4%)检测人材质:铝板贴反光膜白底红字:单位:mm躲避硐280mm400mm材质:铝板贴反光膜白底红字:15块单位:mm运输顺槽280mm400mm材质:铝板贴反光膜白底红字:2块单位:mm回风顺槽280mm400mm材质:铝板贴反光膜白底红字:2块单位:mm工作面280mm400mm材质:铝板贴反光膜白底红字:2块单位:mm井下变电所280mm400mm材质:铝板贴反光膜白底红字:2块单位:mm水泵房280mm400mm材质:铝板贴反光膜白底红字:2块单位:mm消防材料库280mm400mm材质:铝板贴反光膜白底红字:2块单位:mm主暗斜井设计长度: m 倾角度副暗斜井设计长度: m 倾角度行人不行车行车不行人回风上山设计长度: m 倾角度西风井设计长度: m 倾角度400mm材质:铝板贴反光膜白底红字:单位:mm电气设备管理牌型号电压150mm 编号用途所在位置责任人200mm材质:铝板贴反光膜白底红字:50块探放水管理牌板(物探)地点:年月日物探成果允许掘进进尺米本班掘进进尺米验证钻孔布置三视图累计掘进进尺米剩余掘进进尺米验证钻探情况1000×800单位:mm安全出口280mm 400mm探放水管理牌板(钻探)地点:年月日探水时间钻孔编号钻孔及钻深情况钻孔方位钻孔倾角钻孔深度岩性有无出水三视图1 度度米2 度度米3 度度米4 度度米5 度度米距()号基准点米超前距米允许掘进进尺米本班掘进进尺米累计掘进进尺米剩余掘进进尺米钻探人员钻孔验收人员驻矿安监员1000×800材质:现场订贺白底:共做10块局部通风机管理牌板安装地点局扇型号风筒规格(mm)风筒长度(m)安装时间每班运行检查(签字)吸入风量(m3/min)倒台试验试验情况排出风量(m3/min) 试验人员(签字)局扇管理人检查时间500隔爆设施管理牌板安装地点巷道断面(m2)水袋规格(L/个)水量标准(L/m2)水袋数量(个)需要水量(L)实际水量(L)管理负责人安设时间4专业整理分享400灭火器材管理牌使用地点: 沙 箱 个 水 桶 个 灭火器 个责任人检验日期 年 月 日年 月 日检查人检查日期年 月 日密闭管理牌板施工地点: 密闭性质 密闭厚度使用材料 施工时间年 月 日 施工负责人 CH 4% 检查人检查日期年 月 日标志牌数量统计表序号参考图名称规格(mm)3001 禁带烟火300×400禁止酒后2300×400上岗3 禁止停留300×400禁止明火4300×400作业5 禁止启动300×4006 禁止送电300×400禁止跨、7300×400采输送带禁止攀牵8300×400线缆9 禁止入内300×40010 禁止通行300×40011禁止放明炮、糊炮300×40012 禁止同时打开两道风门300×40013禁止穿化纤服300×400 14 注意防尘300×40015 禁止停车600×400禁止井下16300×400睡觉17 禁止驶入300×40018 注意安全300×40019 当心瓦斯300×40020 当心火灾300×400当心有害21300×400气体中毒22 当心爆炸300×40023 当心触电300×40024 当心坠落300×40025 当心坠入300×40026 当心滑坡300×400当心行车27300×400行驶28 当心绊倒300×40029 当心滑跌300×40030当心交叉道口300×40031 请勿带电操作300×40032 当心冒顶300×40033 当心弯道300×40034必须戴安全帽300×400必须戴防35300×400护眼镜必须穿防36300×400护服必须戴防37300×400护手套必须穿防38300×400护靴必须戴防39300×400尘口罩必须桥上40300×400通过必须系安41300×400全带必须走入42300×400行道43 鸣笛300×40044 必须加锁300×400必须持证45300×400上岗46 文明排队300×400紧急出口47300×400(左)紧急出口48300×400(右)49 躲避硐300×40050 主水仓300×40051 付水仓300×40052 电话300×400爆破禁戒53300×400线前方慢行54300×400555 指示牌300×40056 机电硐室300×40057 红牌300×40058 黄牌300×40059 避火灾、瓦斯爆炸路线300×40060瓦斯盲巷栅栏前300×40061 进风巷道300×40062 回风巷道300×40063 避有毒有害气体路线300×40010807采煤工作面280mm600mm材质:铝板蓝底白字:1块(字体大小与排版相适应即可)10807采面运输巷280mm600mm材质:铝板蓝底白字:1块(字体大小与排版相适应即可)10807采面回风巷280mm600mm材质:铝板蓝底白字:1块(字体大小与排版相适应即可)8煤运输巷280mm BA MEI YUN SHU HANG600mm材质:铝板蓝底白字:3块(字体大小与排版相适应即可)运输斜巷280mm YUN SHU XIE HANG600mm材质:铝板蓝底白字:2块(字体大小与排版相适应即可)9 煤运输巷280mm JIU MEI YUN SHU HANG600mm材质:铝板蓝底白字:3块(字体大小与排版相适应即可)9 煤轨道巷280mm JIU MEI GUI DAO HANG600mm材质:铝板蓝底白字:2块(字体大小与排版相适应即可)副斜井280mm FU XIE JING600mm材质:铝板蓝底白字:1块(字体大小与排版相适应即可)主斜井280mm ZHU XIE JING600mm材质:铝板蓝底白字:1块(字体大小与排版相适应即可)8煤运输大巷280mm BA MEI YUN SHU DA HANG600mm材质:铝板蓝底白字:2块(字体大小与排版相适应即可)。
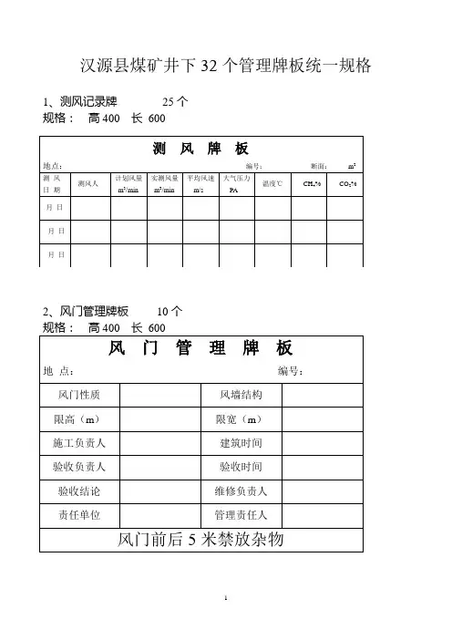
汉源县煤矿井下32个管理牌板统一规格1、测风记录牌25个
规格:高400 长600
2、风门管理牌板10个
3、调节风门管理牌板5个
4、密闭管理牌板15个
5、火区管理牌板不做
6、挡风墙管理牌板5个
7、盲巷管理牌板10个
8、盲巷栅栏管理牌板20个
9、材料管理牌板15个
10、灭火器材管理牌板3个
11、局部通风机管理牌板10个
12、局扇开关管理牌板10个
13、掘进工作面瓦斯检查牌板10个
14、采煤工作面瓦斯检查牌板6个
15一炮三检记录牌板15个
16、巡回瓦斯检查公布牌15个
17、采煤工作面巡回瓦斯检查公布牌6个
18、掘进工作面巡回瓦斯检查公布牌10个
19、瓦斯传感器标校牌板40个
20、瓦斯监测设备管理牌板10个
21、瓦斯断电仪标志说明牌10个
21-2、规格:高350 长400 10个
22、矿级领导入井带班公示牌2个
23、水文观测站管理牌板3个
24、探放水作业管理牌板3个
25、排(抽)水作业管理牌板3个
26、隔爆水袋管理牌板5个
27、突出危险性预测预报作业管理牌板3个
28、瓦斯抽放观测管理牌板30个
29、局部防突管理牌板3个
30、区域防突管理牌板 3个
突措施效果检验
31、工作面防突施工管理牌板 3个
规格: 高600 长 800。
局部通风机管理牌板
使用地点:21037采区联络巷
局部扇风机停开制度
一、使用中的局部扇风机要保持经常运转,不得随意关停。
二、局部扇风机的检修、维护、注油、保养等工作需要停风时,机电管理负责人必须写出停风检修报告、检修措施,注明检修内容、检修时间,上报矿长批准,经矿长批准同意采取措施后,方可停风检修。
三、局部扇风机移动位置时,上报值班矿长批准后,方可执行。
但在扇风机停开之前,必须撤出里边所有作业人员,扇风机移动时间,必须在计划安排的时间内完成。
四、经过检修或移动的扇风机工作完毕后,要进行认真检查,方可试车,无异常声响或其他问题时,方正常开启使用。
五、做好记录,注明检修停开机时间,内容以及负责人、检修人。
通风管理牌板密闭管理牌板(宽40cm×长60cm,30块)风桥管理牌板(宽40cm×长60cm,2块)密闭检查牌板(宽40cm×长60cm,20块)隔爆棚说明牌板(宽40cm×长60cm,20块)风门说明牌板(宽40cm×长60cm,20块)密闭说明牌板(宽40cm×长60cm,20块)隔爆水棚管理牌板(宽40cm×长60cm,20块)煤层自然发火观测牌板(宽40cm×长60cm,20块)局部通风机管理牌板(宽40cm×长60cm,5块)瓦斯检查牌板(宽40cm ×长60cm ,20块)棚栏管理牌板(宽40c m ×长60cm ,50块)通风设施管理牌板年月日(宽100cm×长150cm,1块)通风仪表管理牌板年月日(宽100cm×长150cm,1块)局部通风管理牌板年月日(宽100cm×长150cm,1块)防尘设施管理牌板年月日(宽100cm×长150cm,1块)管道管理牌板(宽15c m×长30cm,右、30块)管道管理牌板(宽15c m×长30cm,左、30块)(宽30cm×长100cm,15块,双层正反面,中间夹不锈钢框架)(宽30cm×长100cm,30块,双层正反面,中间夹不锈钢框架)(宽15cm×长30cm,4个)(宽15cm×长30cm,4个)(宽15cm×长30cm,4个)(宽30cm×长40cm,40块)(宽30cm×长40cm,40块)(宽20cm×长40cm,1块)(宽20cm×长40cm,1块)(宽20cm×长40cm,1块)(宽20cm×长40cm,1块)(宽20cm×长40cm,1块)(宽20cm×长40cm,1块)(宽20cm×长40cm,1块)(宽30cm×长150cm,1块,双层正反面,中间夹不锈钢框架)正面背面(宽30cm×长150cm,1块,双层正反面,中间夹不锈钢框架)正面背面(宽30cm×长150cm,1块,双层正反面,中间夹不锈钢框架)正面背面(宽30cm×长150cm,1块,双层正反面,中间夹不锈钢框架)正面背面。
文件编号: AF-2C-CD-FA-41第 1 页 共 121煤矿通风各种牌板A4打印 / 可编辑文件编号:AF-2C-CD-FA-41○P能源统计报表制度(2019年统计年报和2020年定期统计报表)第2页共121文件编号:AF-2C-CD-FA-41 国家统计局制定2019年11月第3页共121文件编号:AF-2C-CD-FA-41 本报表制度根据《中华人民共和国统计法》的有关规定制定《中华人民共和国统计法》第七条规定:国家机关、企业事业单位和其他组织以及个体工商户和个人等统计调查对象,必须依照本法和国家有关规定,真实、准确、完整、及时地提供统计调查所需的资料,不得提供不真实或者不完整的统计资料,不得迟报、拒报统计资料。
《中华人民共和国统计法》第九条规定:统计机构和统计人员对在统计工作中知悉的国家秘密、商业秘密和个人信息,应当予以保密。
本制度由国家统计局负责解释。
第4页共121文件编号:AF-2C-CD-FA-41目录一、总说明 (3)二、报表目录 (5)三、调查表式 (8)(一)基层年报表式 (8)1.四下企业主要能源产品产量(P106表) (8)2.交通运输企业主要能源消费与库存(P109表) (8)(二)基层定报表式 (9)1.能源购进、消费与库存(205-1表) (9)2.能源加工转换与回收利用(205-2表) (10)3.主要耗能工业企业单位产品能源消费情况(205-3表) (11)4.工业企业用水情况(205-4表) (12)5.非工业重点耗能单位能源消费情况(205-5表) (13)6.能源生产、销售与库存(205-6表) (14)7.重点能源商品经销情况(205-7表) (15)(三)综合年报表式 (16)1.能源平衡表(实物量)(P303-1表) (16)2.分行业能源消费量(实物量)(P303-2表) (18)3.分行业终端能源消费量(实物量)(P303-3表) (19)4.能源平衡表(标准量)(P303-4表) (20)5.分行业终端能源消费量(标准量)(P303-5表) (21)6.铁路企业主要能源消费与库存(TL301表) (22)7.航空企业主要能源消费与库存(MH301表) (22)8.公路、水上运输企业主要能源消费与库存(JT320表) (23)(四)综合定报表式 (24)1.能源行业监测情况(NE401表) (24)2.石油生产企业石油产品生产、销售与库存(ZY401表、ZS401表、ZH401表) (24)3.石油销售企业石油商品购进、销售与库存(ZY402表、ZS402表、ZH402表) (25)4.全国发受电量情况(DW401表) (25)5.分地区发受电量情况(DW402表) (26)6.天然气销售去向(ZY403表、ZS403表、ZH403表) (27)7.电力省际间输入、输出情况(DL401表) (28)8.地区能源消费与单位GDP能耗(P406表) (29)9.全社会用电量情况(P407表) (29)第- 1 -页共121文件编号:AF-2C-CD-FA-41四、填报目录 (30)(一)能源购进、消费与库存和能源加工转换与回收利用目录(205-1表、205-2表) (30)(二)主要耗能工业企业单位产品能源消费情况目录(205-3表) (33)(三)能源生产、销售与库存目录(205-6表) (38)(四)分行业能源消费量目录(P303-2表、P303-3表、P303-5表) (39)(五)全社会用电量情况目录(P407表) (40)五、主要指标解释 (41)(一)能源购进、消费与库存(205-1表) (41)(二)能源加工转换与回收利用(205-2表) (44)(三)主要耗能工业企业单位产品能源消费情况(205-3表) (45)(四)工业企业用水情况(205-4表) (68)(五)非工业重点耗能单位能源消费情况(205-5表) (70)(六)能源生产、销售与库存(205-6表) (71)(七)重点能源商品经销情况(205-7表) (74)(八)能源产品指标解释 (75)六、附录 (85)(一)各种能源折标准煤参考系数 (85)(二)热焓表(饱和蒸汽或过热蒸汽) (87)(三)季度地区能源消费总量核算方案 (91)第- 2 -页共121文件编号:AF-2C-CD-FA-41一、总说明(一)为了解全国能源供应、需求的基本情况,为各级政府制定政策、进行经济管理与调控提供依据,依照《中华人民共和国统计法》,制定本制度。
“一通三防”管理牌板及编码规范密闭管理牌板规格:600×400mm字型颜色:白底、红字、黄线条、浅蓝色边框。
材质:铝塑板,车贴喷绘。
风桥管理牌板规格:600×400mm字型颜色:白底、红字、黄线条、浅蓝色边框。
材质:铝塑板,车贴喷绘。
密闭检查牌板规格:600×400mm字型颜色:白底、红字、黄线条、浅蓝色边框。
材质:铝塑板,车贴喷绘。
风门说明牌板规格:600×400mm字型颜色:白底、红字、黄线条、浅蓝色边框。
材质:铝塑板,车贴喷绘。
密闭说明牌板规格:600×400mm字型颜色:白底、红字、黄线条、浅蓝色边框。
材质:铝塑板,车贴喷绘。
隔爆水袋管理牌板规格:600×400mm字型颜色:白底、红字、黄线条、浅蓝色边框。
材质:铝塑板,车贴喷绘。
煤层自然发火观测牌板规格:600×400mm字型颜色:白底、红字、黄线条、浅蓝色边框。
材质:铝塑板,车贴喷绘。
局部通风机管理牌板规格:600×400mm字型颜色:白底、红字、黄线条、浅蓝色边框。
材质:铝塑板,车贴喷绘。
瓦斯检查牌板规格:600×400mm字型颜色:白底、红字、黄线条、浅蓝色边框。
材质:双面磁性黑板。
悬挂位置及要求:采掘工作面瓦斯检查牌板悬挂在回风巷距工作面50米的行人侧巷道帮,距地板1.2米;悬挂时用¢12铁丝绷成直线,将牌板挂钩挂在铁丝上。
栅栏管理牌板规格:600×400mm字型颜色:白底、红字、黄线条、浅蓝色边框。
材质:铝塑板,车贴喷绘。
管道管理牌板规格:300×150mm字型颜色:白底、红字、黄线条、浅蓝色边框。
材质:铝塑板,车贴喷绘。
(宽20cm×长50cm,双层正反面,字型颜色:白底、红字、黄线条、浅蓝色边框。
材质:铝塑板,反光漆喷绘或反光条。
)(宽30cm×长40cm,字型颜色:白底、红字、黄线条、浅蓝色边框。
材质:铝板贴反光膜白底红字:共做50块400隔爆水袋管理牌板使用地点断面(㎡)水袋(个)长度(米)水量(L)间距(米)使用单位管理人500材质:铝板贴反光膜白底红字单位:mm测风牌板500地点:测定日期:年月日巷道断面积m2瓦斯浓度% 平均风速m/s 二氧化碳浓度% 风量m3/min 空气温度℃大气压力Pa 测风员物探成果允许掘进进尺米本班掘进进尺米验证钻孔布置三视图累计掘进进尺米剩余掘进进尺米验证钻探情况1000×800单位:mm安全出口280mm400mm单位:mm探放水管理牌板(钻探)地点:年月日探水钻孔钻孔及钻深情况时间编号钻孔方位钻孔倾角钻孔深度岩性有无出水三视图1 度度米2 度度米3 度度米4 度度米5 度度米距()号基准点米超前距米允许掘进进尺米本班掘进进尺米累计掘进进尺米剩余掘进进尺米钻探人员钻孔验收人员驻矿安监员1000×800材质:现场订贺白底:共做10块局部通风机管理牌板安装地点局扇型号风筒规格(mm)风筒长度(m)安装时间每班运行检查(签字)吸入风量(m3/min)倒台试验试验情况排出风量(m3/min) 试验人员(签字)局扇管理人检查时间70+120+120+70m 连续梁桥 及80+140+140+80m 连续刚构桥施工方案灭火器材管理牌4密闭管理牌板施工地点:密闭性质密闭厚度使用材料施工时间年月日施工负责人CH4 % 检查人检查日期年月日标志牌数量统计表序参考图名称规格(mm)号1 禁带烟火300×400禁止酒后2300×400上岗3 禁止停留300×400禁止明火4300×400作业5 禁止启动300×4006 禁止送电300×400禁止跨、7300×400采输送带禁止攀牵8300×400线缆9 禁止入内300×40010 禁止通行300×40011禁止放明炮、糊炮300×40012 禁止同时打开两道风门300×400禁止穿化13300×400纤服14 注意防尘300×40015 禁止停车600×400禁止井下16300×400睡觉17 禁止驶入300×40018 注意安全300×40019 当心瓦斯300×40020 当心火灾300×400当心有害21300×400气体中毒22 当心爆炸300×40023 当心触电300×40024 当心坠落300×40025 当心坠入300×40026 当心滑坡300×400当心行车27300×400行驶28 当心绊倒300×40029 当心滑跌300×40030当心交叉道口300×40031 请勿带电操作300×40032 当心冒顶300×40033 当心弯道300×400必须戴安34300×400全帽必须戴防35300×400护眼镜必须穿防36300×400护服必须戴防37300×400护手套必须穿防38300×400护靴必须戴防39300×400尘口罩必须桥上40300×400通过必须系安41300×400全带必须走入42300×400行道43 鸣笛300×40044 必须加锁300×400必须持证45300×400上岗46 文明排队300×400紧急出口47300×400(左)紧急出口48300×400(右)49 躲避硐300×40050 主水仓300×40051 付水仓300×40052 电话300×400爆破禁戒53300×400线54前方慢行5300×40055 指示牌300×40056 机电硐室300×40057 红牌300×40058 黄牌300×40059 避火灾、瓦斯爆炸路线300×40060瓦斯盲巷栅栏前300×40061 进风巷道300×40062 回风巷道300×40063 避有毒有害气体路线300×40010807采煤工作面280mm600mm材质:铝板蓝底白字:1块(字体大小与排版相适应即可)材质:铝板蓝底白字:1块(字体大小与排版相适应即可)材质:铝板蓝底白字:2块(字体大小与排版相适应即可)材质:铝板蓝底白字:2块(字体大小与排版相适应即可)材质:铝板蓝底白字:1块(字体大小与排版相适应即可)主斜井280mm ZHU XIE JING600mm材质:铝板蓝底白字:1块(字体大小与排版相适应即可)材质:铝板蓝底白字:2块(字体大小与排版相适应即可)青年人首先要树雄心,立大志,其次就要决心作一个有用的人才。
附件“一通三防”管理牌板标准一、通风设施管理牌板错误!未找到引用源。
说明:1、牌板规格:600mm×500mm;2、材质:不锈钢磨砂板,白底红字,并盖有机玻璃的盖,具有防水功能;3、字体:标题25号宋体,正文15号宋体。
4、标题行高100mm,正文行高80mm。
5、第1、3列宽100mm,第2、4列宽200mm二、测风记录牌板错误!未找到引用源。
说明:1、牌板规格:600mm×500mm;2、材质:不锈钢磨砂板,白底红字,并盖有机玻璃的盖,具有防水功能;3、字体:标题25号宋体,正文15号宋体。
4、标题行高100mm,正文行高80mm。
5、第1、3列宽100mm,第2、4列宽200mm。
三、局部通风机自动切换试验及风电闭试验锁记录牌板说明:1、牌板规格:320mm×230mm,箱式结构,材质为不锈钢,有夹纸质表格的长夹子和具有防水功能机玻璃的盖;2、局部通风机自动切换试验及风电闭试验锁记录牌板为打印的纸质表格,纸张大小为297mm×210mm,表格行数可根据纸张大小适当增加。
四、局部通风机管理牌板错误!未找到引用源。
说明:1、牌板规格:600mm×500mm;2、材质:不锈钢磨砂板,白底红字,并盖有机玻璃的盖,具有防水功能;3、字体:标题25号宋体,正文15号宋体。
4、标题行高100mm,正文行高80mm。
5、第1、3列宽110mm,第2、4列宽190mm。
五、隔爆设施管理牌板错误!未找到引用源。
说明:1、牌板规格:600mm×500mm;2、材质:不锈钢磨砂板,白底红字,并盖有机玻璃的盖,具有防水功能;3、字体:标题25号宋体,正文15号宋体。
4、标题行高100mm,正文行高80mm。
5、第1、3列宽110mm,第2、4列宽190mm。
六、安全监控分站管理牌板安全监控分站管理排版地区:安装日期:年月日设备名称型号电缆长度(m)被控开关名称及编号开关负责人接入传感器情况传感器数量模拟量传感器数量开关量传感器数量模拟量传感器开关量传感器类别编号安装位置报警值断电值复电值断电范围类别编号安装位置说明:1、牌板规格:650mm×500mm;2、材质:不锈钢磨砂板,白底红字,并盖有机玻璃的盖,具有防水功能;3、字体:标题70号字体,正文50号字体。
采空区管理牌板制作式样及要求规格要求:一、宽400mm ×高300mm二、表中各行平均分派3、各列:一、3列为80mm 二、4列为120mm4、字体:宋体五、字号:72六、字体颜色:红色7、材质要求:面板:白色不透明有机板八、数量:8块隔爆水棚管理牌板制作式样及要求一、宽400mm ×高300mm二、表中各行平均分派3、各列:一、3列为80mm 二、4列为120mm4、字体:宋体五、字号:72六、字体颜色:红色7、材质要求:面板:白色不透明有机板八、数量:8块测风管理牌板制作式样及要求1、宽400mm ×高300mm2、表中各行平均分派3、各列:一、3列为80mm 二、4列为120mm4、字体:宋体5、字号:726、字体颜色:红色材质要求:1、面板:白色不透明有机板数量:6块局部通风机管理牌板制作式样及要求规格要求:一、宽400mm ×高300mm二、表中各行平均分派3、各列:一、3列为80mm 二、4列为120mm4、字体:黑体五、字号:72六、字体颜色:红色7、材质要求:面板:白色不透明有机板八、数量:8块通风设施管理牌板制作式样及要求规格要求:一、宽400mm ×高300mm二、表中各行平均分派3、各列:一、3列为80mm 二、4列为120mm4、字体:黑体五、字号:72六、字体颜色:红色7、材质要求:面板:白色不透明有机板2、八、数量:8块高冒管理牌板制作式样及要求规格要求:一、宽400mm ×高300mm二、表中各行平均分派3、各列:一、3列为80mm 二、4列为120mm4、字体:黑体五、字号:72六、字体颜色:红色7、材质要求:面板:白色不透明有机板八、数量:8块盲巷管理牌板制作式样及要求规格要求:一、宽400mm ×高300mm二、表中各行平均分派3、各列:一、3列为80mm 二、4列为120mm4、字体:黑体五、字号:72六、字体颜色:红色7、材质要求:面板:白色不透明有机板八、数量:10块警戒牌制作样式及要求规格要求:1、宽400mm ×高300mm二、表中字平均分派3、字体:宋体4、字号:72五、字体颜色:红色六、材质要求:白色不透明有机板7、数量:16块。
规格 :700mm ×500mm 不锈钢边框 加工30块测风记录牌板地点 断面 m 2 风速 m/s 风量 m 3/min CH 4 %CO 2 %温度 0C测定人大气压KPa 测定时间 年 月 日规格:500mm ×400mm 不锈钢边框 加工30块瓦 斯 检 查 牌 板地 点: 年 月 日 班 次次 数 时 间 CH 4 CO 2(%)CO( ppm) 温度( O C) 瓦斯员夜1次2次 3次 早1次2次 3次 中1次2次 3次测风记录测风时间 断面(㎡)风速(m/s)风量(m 3/min)大气压压(kpa) 测 风 员月 日局扇管理牌板供风地点:编号:局扇型号检查时间年月日功率kw 吸风量m3/min 供风距离m 全风压风量m3/min 风筒直径mm 出口风量m3/min 管理负责人夜O早O中O 牌板:500mm×400mm 不锈钢边框加工30块隔爆水棚管理牌安装地点安装日期年月日水袋个数排距m容量L 排数排总水量L 棚区长度m负责人检查时间年月日牌板尺寸:500mm×400mm 不锈钢边框加工20块瓦检员交接班牌板地点:年月日班次接班人交班人交接班时间夜早中牌板尺寸:400×300mm 不锈钢边框数量:20块密闭管理牌板地点封闭日建材墙厚m施工人验收人CH4 % CO2 %CO ppm 温度0c检查日期检查人墙前 5 m 禁放杂物牌板尺寸:400×500mm 不锈钢边框数量:50块禁止入内牌板尺寸:400×200mm 不锈钢边框数量:50块牌板尺寸:1200×340mm 不锈钢边框数量:50块贵平煤矿2013年3月12日。