楼板贯穿裂缝处理方案与预控措施
- 格式:docx
- 大小:25.30 KB
- 文档页数:6
楼板裂缝处理方案及预控措施楼板裂缝是建筑结构常见的问题之一,如果不及时处理和预防,可能会导致建筑结构的安全隐患。
为了确保建筑结构的稳固和安全,需要采取一系列的处理方案和预控措施。
本篇文章将详细介绍相关方案,内容涉及楼板裂缝的种类、原因、处理方法以及预控措施。
1. 楼板裂缝的种类:楼板裂缝主要分为以下几种类型:线形裂缝、网状裂缝、渗漏裂缝、结构裂缝、沉降裂缝等。
线形裂缝是沿着楼板的一条直线延伸的裂缝,通常由于混凝土的收缩引起;网状裂缝是多条线形裂缝交汇形成的多边形裂缝样式;渗漏裂缝是通过裂缝渗漏出水的裂缝类型;结构裂缝是由于结构设计或施工不当引起的裂缝;沉降裂缝是由于土壤的沉降不均匀导致楼板变形形成的裂缝。
2. 楼板裂缝的原因:楼板裂缝的形成通常有以下几个原因:材料问题、施工问题、设计问题、荷载问题等。
材料问题包括混凝土本身的质量及配比问题;施工问题包括浇筑、养护、加固等环节中的操作不当;设计问题包括结构设计不合理、强度计算不准确等;荷载问题是指楼板受到超过设计荷载的作用。
3. 楼板裂缝的处理方法:(1)线缝处理:线缝是楼板裂缝的一种常见类型,可以通过以下几种方法进行处理。
首先,可以使用胶水或填缝剂进行填充修补;其次,可以使用胶带或钢线进行封口,以增强连接强度;最后,可以采用冷缝处理方法,即通过中间加槽或切割扩大缝宽,然后进行铺贴。
(2)网缝处理:网缝通常需要进行整体修补。
首先,可以选择拆除受损的楼板,并重新浇筑新的混凝土;其次,可以对网缝进行扩宽,然后再进行补强处理,例如加固钢筋或使用增强胶进行粘结。
(3)渗漏裂缝处理:渗漏裂缝需要首先确定渗水的原因,然后针对性地进行处理。
例如,可以采用填缝剂对裂缝进行修补,并在修补前进行彻底的清洁和干燥处理;如果渗漏裂缝的原因是建筑物外部的渗水问题,可以对外墙进行防水处理。
(4)结构裂缝处理:结构裂缝通常需要进行综合性的维修处理。
首先,需要找到裂缝的原因,然后进行结构分析,确定合适的修复方法。
恒大•金碧天下酒店及六大中心及周边配套运动中心楼板贯穿性裂缝整改方案及预控措施1、基本概况恒大金碧天下酒店及六大中心工程由酒店、健康中心、会议中心、娱乐中心、商业中心、饮食中心、运动中心等七栋单体工程组成。
本次方案应用于运动中序号单位工程名称地上层数地下层数建筑高度(m)地上面积2(m)地下面积2(m)建筑面积2(m)1运动中心1共3层,局部五层22.55m759.68m214762.58m215522.26m22、工程抗震概况1 >、根据《建筑工程抗震设防分类标准》及设计要求,本工程抗震设防烈度为“丙”类。
2>、本工程安全等级为二级,设计使用年限为50年。
3>、本工程抗震设防烈度为6度,设计基本地震加速度值为0.05g,设计地震分组为第一组,场地为二类。
4>、地震基础设计等级为丙级。
5>、本工程为框架结构,抗震等级为四级。
3、楼板概况本工程楼板厚度二层~三层为100、110mm 120mm 130mm四层~ 五层为100、110mm 120mm楼板混凝土强度等级均为C2&本工程二~四层楼板局部出现不同程度的贯穿性裂缝,其中已五层楼板较明显。
为避免因楼板贯穿性裂缝造成钢筋长时间暴露在空气中,使外界的空气、酸碱等腐蚀介质对钢筋进行腐蚀,造成钢筋生锈,钢筋生锈后,体积就会变大,把裂缝撑得更大,由此造成恶性循环。
针对此编制本施工方案配合作业人员对运动中心楼板裂缝的整改工作。
二、砼楼板贯穿性裂缝产生原因分析钢筋混凝土结构施工中,裂缝是比较常见的质量通病,裂缝类型甚多。
根据现场观察,结合质量通病防治手册分析,本工程贯穿裂缝形成原因初步判定为三种,分别是由温度变化引起的裂缝、撞击引起的裂缝及混凝土体积收缩引起的裂缝。
1、温度变化引起的裂缝工程概况a)、现象温度变化引起的裂缝又叫温度裂缝、温差裂缝。
温度裂缝走向无一定的规律性,长度尺寸较大构件(一般截面几何尺寸大于1m以上),裂缝多平行于短边;大体积混凝土结构的裂缝常纵横交错。
运动中心楼板贯穿性裂缝整改方案及预控措施一、工程概况1、基本概况恒大金碧天下酒店及六大中心工程由酒店、健康中心、会议中心、娱乐中心、商业中心、饮食中心、运动中心等七栋单体工程组2、工程抗震概况1﹥、根据《建筑工程抗震设防分类标准》及设计要求,本工程抗震设防烈度为“丙”类。
2﹥、本工程安全等级为二级,设计使用年限为50年。
3﹥、本工程抗震设防烈度为6度,设计基本地震加速度值为0.05g,设计地震分组为第一组,场地为二类。
4﹥、地震基础设计等级为丙级。
5﹥、本工程为框架结构,抗震等级为四级。
3、楼板概况本工程楼板厚度二层~三层为100、110mm、120mm、130mm;四层~五层为100、110mm、120mm,楼板混凝土强度等级均为C25。
本工程二~四层楼板局部出现不同程度的贯穿性裂缝,其中已五层楼板较明显。
为避免因楼板贯穿性裂缝造成钢筋长时间暴露在空气中,使外界的空气、酸碱等腐蚀介质对钢筋进行腐蚀,造成钢筋生锈,钢筋生锈后,体积就会变大,把裂缝撑得更大,由此造成恶性循环。
针对此编制本施工方案配合作业人员对运动中心楼板裂缝的整改工作。
二、砼楼板贯穿性裂缝产生原因分析钢筋混凝土结构施工中,裂缝是比较常见的质量通病,裂缝类型甚多。
根据现场观察,结合质量通病防治手册分析,本工程贯穿裂缝形成原因初步判定为三种,分别是由温度变化引起的裂缝、撞击引起的裂缝及混凝土体积收缩引起的裂缝。
1、温度变化引起的裂缝a)、现象温度变化引起的裂缝又叫温度裂缝、温差裂缝。
温度裂缝走向无一定的规律性,长度尺寸较大构件(一般截面几何尺寸大于1m 以上),裂缝多平行于短边;大体积混凝土结构的裂缝常纵横交错。
深进得和贯穿的裂缝,一般与短边方向平行,裂缝沿全长分段出现,中间较密。
裂缝宽度大小不一,一般在0.5mm以下。
深进的和贯穿的裂缝多发生在浇筑后2~3个月或更长的时间,缝宽受温度变化影响较明显,冬季较宽、夏季较细。
裂缝大多呈上宽下窄状,但个别也有下宽上窄状,遇楼板配筋较多的结构,有时也出现中间宽两端窄的梭形裂缝。
运动中心楼板贯穿性裂缝整改方案及预控措施一、工程概况1、基本概况恒大金碧天下酒店及六大中心工程由酒店、健康中心、会议中心、娱乐中心、商业中心、饮食中心、运动中心等七栋单体工程组2、工程抗震概况1﹥、根据《建筑工程抗震设防分类标准》及设计要求,本工程抗震设防烈度为“丙”类。
2﹥、本工程安全等级为二级,设计使用年限为50年。
3﹥、本工程抗震设防烈度为6度,设计基本地震加速度值为0.05g,设计地震分组为第一组,场地为二类。
4﹥、地震基础设计等级为丙级。
5﹥、本工程为框架结构,抗震等级为四级。
3、楼板概况本工程楼板厚度二层~三层为100、110mm、120mm、130mm;四层~五层为100、110mm、120mm,楼板混凝土强度等级均为C25。
本工程二~四层楼板局部出现不同程度的贯穿性裂缝,其中已五层楼板较明显。
为避免因楼板贯穿性裂缝造成钢筋长时间暴露在空气中,使外界的空气、酸碱等腐蚀介质对钢筋进行腐蚀,造成钢筋生锈,钢筋生锈后,体积就会变大,把裂缝撑得更大,由此造成恶性循环。
针对此编制本施工方案配合作业人员对运动中心楼板裂缝的整改工作。
二、砼楼板贯穿性裂缝产生原因分析钢筋混凝土结构施工中,裂缝是比较常见的质量通病,裂缝类型甚多。
根据现场观察,结合质量通病防治手册分析,本工程贯穿裂缝形成原因初步判定为三种,分别是由温度变化引起的裂缝、撞击引起的裂缝及混凝土体积收缩引起的裂缝。
1、温度变化引起的裂缝a)、现象温度变化引起的裂缝又叫温度裂缝、温差裂缝。
温度裂缝走向无一定的规律性,长度尺寸较大构件(一般截面几何尺寸大于1m 以上),裂缝多平行于短边;大体积混凝土结构的裂缝常纵横交错。
深进得和贯穿的裂缝,一般与短边方向平行,裂缝沿全长分段出现,中间较密。
裂缝宽度大小不一,一般在0.5mm以下。
深进的和贯穿的裂缝多发生在浇筑后2~3个月或更长的时间,缝宽受温度变化影响较明显,冬季较宽、夏季较细。
裂缝大多呈上宽下窄状,但个别也有下宽上窄状,遇楼板配筋较多的结构,有时也出现中间宽两端窄的梭形裂缝。
楼板裂缝处理方案及预控措施一、楼板情况6#栋一层柱二层梁板拆除后,发现楼板局部出现不同程度的裂缝,其中客厅的楼板较明显,其板面裂缝宽度肉眼不可测,楼面底部延裂缝走向有珠状渗水现象。
二、事情经过施工当天(____年____月____日),梁板柱混凝土同时浇筑,浇筑时间为上午七时开始,施工时气温高(>40℃)、空气湿度小,混凝土表面失水速度快。
在楼板砼施工时,砼由于气温较高,砼硬化比较快,在进行二次抹面时混凝土表面失水过快,微管压力形成收缩裂,从而产生塑性裂缝,直至应力消失。
该类裂缝为塑性收缩裂缝,是因为新浇混凝土由于施工环境温度高、湿度小,在初凝前后表面失水过快而造成。
三、砼楼板裂缝产生原因的初步分析钢筋混凝土结构施工中,裂缝是比较常见的质量通病,裂缝类型甚多。
根据现场观察,结合质量通病防治手册分析,本工程裂缝形成原因初步判定为二种,分别是由温度变化引起的裂缝、局部堆载过高引起的裂缝。
温度变化引起的裂缝温度变化引起的裂缝又叫温度裂缝、温差裂缝。
温度裂缝走向无一定的规律性,多数裂缝集中在客厅的楼板的中间位置,1.1、混凝土同其它工程材料一样也具有热胀冷缩、湿胀干缩的特性,尤其是工程在浇筑混凝土时气温较高,其混凝土冷却收缩变形同干缩变形一样也会在板内产生拉应力,当其最不利因素组合在一起时,容易产生楼板裂缝。
1.2、混凝土级配不当,使用收缩率较大的水泥,水泥用量过多,或使用过量的细砂、特细砂。
1.3、商品混凝土坍落度不当,浇筑后料下沉,上下收缩不一致。
1.4、模板过于干燥或漏水、漏浆。
堆载引起的裂缝楼板的混凝土尚未达到脱模强度,在其上作业,局部位置堆放材料过高、使楼板受到振动或超过比设计的施工荷载,而造成楼板局部出现裂缝。
四、裂缝处理方法首先,对存在有裂缝的客厅位置的混凝土楼板由混凝土公司进行回弹,换算后数值符合设计强度。
对于裂缝进行观测,选几处比较明显的裂缝进行观测,在裂缝的位置用石膏封堵,每隔一个星期进行一次观测,等混凝土达到28天的龄期后,观查裂缝是否扩大,如果继续扩大,请设计院对楼板承载力进行复核,看是否满足使用要求,如果没有扩大,按以下几点进行处理:(1)、对于裂缝宽度小于0.2mm的,只在面层进行封闭处理。
运动中心楼板贯穿性裂缝整改方案及预控措施一、工程概况1、基本概况恒大金碧天下酒店及六大中心工程由酒店、健康中心、会议中心、娱乐中心、商业中心、饮食中心、运动中心等七栋单体工程组成。
本次方案应用于运动中心2~24/L~Q轴楼板部位。
2、工程抗震概况1﹥、根据《建筑工程抗震设防分类标准》及设计要求,本工程抗震设防烈度为“丙”类。
2﹥、本工程安全等级为二级,设计使用年限为50年。
3﹥、本工程抗震设防烈度为6度,设计基本地震加速度值为,设计地震分组为第一组,场地为二类。
4﹥、地震基础设计等级为丙级。
5﹥、本工程为框架结构,抗震等级为四级。
3、楼板概况本工程楼板厚度二层~三层为100、110mm、120mm、130mm;四层~五层为100、110mm、120mm,楼板混凝土强度等级均为C25。
本工程二~四层楼板局部出现不同程度的贯穿性裂缝,其中已五层楼板较明显。
为避免因楼板贯穿性裂缝造成钢筋长时间暴露在空气中,使外界的空气、酸碱等腐蚀介质对钢筋进行腐蚀,造成钢筋生锈,钢筋生锈后,体积就会变大,把裂缝撑得更大,由此造成恶性循环。
针对此编制本施工方案配合作业人员对运动中心楼板裂缝的整改工作。
二、砼楼板贯穿性裂缝产生原因分析钢筋混凝土结构施工中,裂缝是比较常见的质量通病,裂缝类型甚多。
根据现场观察,结合质量通病防治手册分析,本工程贯穿裂缝形成原因初步判定为三种,分别是由温度变化引起的裂缝、撞击引起的裂缝及混凝土体积收缩引起的裂缝。
1、温度变化引起的裂缝a)、现象温度变化引起的裂缝又叫温度裂缝、温差裂缝。
温度裂缝走向无一定的规律性,长度尺寸较大构件(一般截面几何尺寸大于1m以上),裂缝多平行于短边;大体积混凝土结构的裂缝常纵横交错。
深进得和贯穿的裂缝,一般与短边方向平行,裂缝沿全长分段出现,中间较密。
裂缝宽度大小不一,一般在以下。
深进的和贯穿的裂缝多发生在浇筑后2~3个月或更长的时间,缝宽受温度变化影响较明显,冬季较宽、夏季较细。
楼板贯穿裂缝处理方案及预控措施-CAL-FENGHAI-(2020YEAR-YICAI)_JINGBIAN运动中心楼板贯穿性裂缝整改方案及预控措施一、工程概况1、基本概况恒大金碧天下酒店及六大中心工程由酒店、健康中心、会议中心、娱乐中心、商业中心、饮食中心、运动中心等七栋单体工程组2、工程抗震概况1﹥、根据《建筑工程抗震设防分类标准》及设计要求,本工程抗震设防烈度为“丙”类。
2﹥、本工程安全等级为二级,设计使用年限为50年。
3﹥、本工程抗震设防烈度为6度,设计基本地震加速度值为,设计地震分组为第一组,场地为二类。
4﹥、地震基础设计等级为丙级。
5﹥、本工程为框架结构,抗震等级为四级。
3、楼板概况本工程楼板厚度二层~三层为100、110mm、120mm、130mm;四层~五层为100、110mm、120mm,楼板混凝土强度等级均为C25。
本工程二~四层楼板局部出现不同程度的贯穿性裂缝,其中已五层楼板较明显。
为避免因楼板贯穿性裂缝造成钢筋长时间暴露在空气中,使外界的空气、酸碱等腐蚀介质对钢筋进行腐蚀,造成钢筋生锈,钢筋生锈后,体积就会变大,把裂缝撑得更大,由此造成恶性循环。
针对此编制本施工方案配合作业人员对运动中心楼板裂缝的整改工作。
二、砼楼板贯穿性裂缝产生原因分析钢筋混凝土结构施工中,裂缝是比较常见的质量通病,裂缝类型甚多。
根据现场观察,结合质量通病防治手册分析,本工程贯穿裂缝形成原因初步判定为三种,分别是由温度变化引起的裂缝、撞击引起的裂缝及混凝土体积收缩引起的裂缝。
1、温度变化引起的裂缝a)、现象温度变化引起的裂缝又叫温度裂缝、温差裂缝。
温度裂缝走向无一定的规律性,长度尺寸较大构件(一般截面几何尺寸大于1m 以上),裂缝多平行于短边;大体积混凝土结构的裂缝常纵横交错。
深进得和贯穿的裂缝,一般与短边方向平行,裂缝沿全长分段出现,中间较密。
裂缝宽度大小不一,一般在以下。
深进的和贯穿的裂缝多发生在浇筑后2~3个月或更长的时间,缝宽受温度变化影响较明显,冬季较宽、夏季较细。
2023年楼板裂缝处理方案及预控措施____年楼板裂缝处理方案及预控措施1. 简介随着城市人口的增加和房地产行业的发展,高层建筑的数量也在逐年增加。
然而,随着时间的推移,楼板中的裂缝问题逐渐暴露出来,给人们的生活和安全带来了风险和威胁。
因此,针对____年楼板裂缝问题,制定合理的处理方案和预控措施至关重要。
2. 问题分析楼板裂缝问题主要分为设计、施工和使用三个阶段,其中设计和施工阶段的质量问题对楼板裂缝的产生起到决定性作用。
因此,在解决楼板裂缝问题之前,首先需要进行问题分析,找出根本原因。
3. 处理方案为了解决楼板裂缝问题,以下是一些常见的处理方案:3.1 加固处理对于已经出现裂缝的楼板,可以通过加固处理来修复,增加楼板的强度和刚度。
加固处理的方法包括使用增加梁、板与墙之间的连接件,加厚楼板等。
这些措施可以增加楼板的承载能力和稳定性,减少裂缝的产生。
3.2 补救措施一旦楼板出现裂缝,及时采取补救措施是非常重要的。
常见的补救措施包括使用专业的裂缝修补材料填补裂缝,同时排查并解决导致裂缝的原因,例如管道渗漏、土壤沉降等。
3.3 提高设计和施工质量为了从根本上解决楼板裂缝问题,需要在设计和施工阶段加强质量控制。
在设计阶段,需要确保楼板的强度和刚度满足设计要求,并在计算和施工图纸中充分考虑楼板的变形和应力分布。
在施工阶段,需要加强对混凝土浇筑过程的监控,确保混凝土的均匀浇筑和充实。
4. 预控措施除了解决已经出现的楼板裂缝问题外,预防裂缝的发生同样重要。
以下是一些常见的预控措施:4.1 做好地基处理地基是影响楼板裂缝的主要因素之一。
在施工前需要对地基进行充分的勘察和处理,以确保地基的稳定性和承载能力。
对于特殊地质条件的区域,需要采取相应的加固措施,例如使用地基桩等。
4.2 控制混凝土质量混凝土的质量直接影响楼板的强度和刚度。
在施工过程中,需要控制混凝土的配合比、拌合时间和拌合水泥的质量。
同时,应严格控制混凝土的浇筑厚度和流动性,以确保混凝土的均匀性和致密性。
运动中心楼板贯穿性裂缝整改方案及预控措施一、工程概况1、基本概况恒大金碧天下酒店及六大中心工程由酒店、健康中心、会议中心、娱乐中心、商业中心、饮食中心、运动中心等七栋单体工程组2、工程抗震概况1﹥、根据《建筑工程抗震设防分类标准》及设计要求,本工程抗震设防烈度为“丙”类。
2﹥、本工程安全等级为二级,设计使用年限为50年。
3﹥、本工程抗震设防烈度为6度,设计基本地震加速度值为0.05g,设计地震分组为第一组,场地为二类。
4﹥、地震基础设计等级为丙级。
5﹥、本工程为框架结构,抗震等级为四级。
3、楼板概况本工程楼板厚度二层~三层为100、110mm、120mm、130mm;四层~五层为100、110mm、120mm,楼板混凝土强度等级均为C25。
本工程二~四层楼板局部出现不同程度的贯穿性裂缝,其中已五层楼板较明显。
为避免因楼板贯穿性裂缝造成钢筋长时间暴露在空气中,使外界的空气、酸碱等腐蚀介质对钢筋进行腐蚀,造成钢筋生锈,钢筋生锈后,体积就会变大,把裂缝撑得更大,由此造成恶性循环。
针对此编制本施工方案配合作业人员对运动中心楼板裂缝的整改工作。
二、砼楼板贯穿性裂缝产生原因分析钢筋混凝土结构施工中,裂缝是比较常见的质量通病,裂缝类型甚多。
根据现场观察,结合质量通病防治手册分析,本工程贯穿裂缝形成原因初步判定为三种,分别是由温度变化引起的裂缝、撞击引起的裂缝及混凝土体积收缩引起的裂缝。
1、温度变化引起的裂缝a)、现象温度变化引起的裂缝又叫温度裂缝、温差裂缝。
温度裂缝走向无一定的规律性,长度尺寸较大构件(一般截面几何尺寸大于1m 以上),裂缝多平行于短边;大体积混凝土结构的裂缝常纵横交错。
深进得和贯穿的裂缝,一般与短边方向平行,裂缝沿全长分段出现,中间较密。
裂缝宽度大小不一,一般在0.5mm以下。
深进的和贯穿的裂缝多发生在浇筑后2~3个月或更长的时间,缝宽受温度变化影响较明显,冬季较宽、夏季较细。
裂缝大多呈上宽下窄状,但个别也有下宽上窄状,遇楼板配筋较多的结构,有时也出现中间宽两端窄的梭形裂缝。
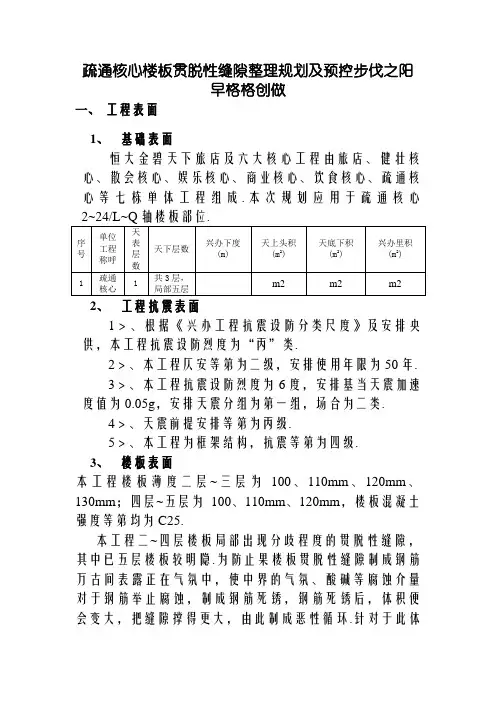
疏通核心楼板贯脱性缝隙整理规划及预控步伐之阳早格格创做一、工程表面1、基础表面恒大金碧天下旅店及六大核心工程由旅店、健壮核心、散会核心、娱乐核心、商业核心、饮食核心、疏通核心等七栋单体工程组成.本次规划应用于疏通核心2、工程抗震表面1﹥、根据《兴办工程抗震设防分类尺度》及安排央供,本工程抗震设防烈度为“丙”类.2﹥、本工程仄安等第为二级,安排使用年限为50年.3﹥、本工程抗震设防烈度为6度,安排基当天震加速度值为0.05g,安排天震分组为第一组,场合为二类.4﹥、天震前提安排等第为丙级.5﹥、本工程为框架结构,抗震等第为四级.3、楼板表面本工程楼板薄度二层~三层为100、110mm、120mm、130mm;四层~五层为100、110mm、120mm,楼板混凝土强度等第均为C25.本工程二~四层楼板局部出现分歧程度的贯脱性缝隙,其中已五层楼板较明隐.为防止果楼板贯脱性缝隙制成钢筋万古间表露正在气氛中,使中界的气氛、酸碱等腐蚀介量对于钢筋举止腐蚀,制成钢筋死锈,钢筋死锈后,体积便会变大,把缝隙撑得更大,由此制成恶性循环.针对于此体例本动工规划协共做业人员对于疏通核心楼板缝隙的整理处事.二、砼楼板贯脱性缝隙爆收本果分解钢筋混凝土结构动工中,缝隙是比较罕睹的品量通病,缝隙典型甚多.根据现场瞅察,分离品量通病防治脚册分解,本工程贯脱缝隙产死本果收端判决为三种,分别是由温度变更引起的缝隙、碰打引起的缝隙及混凝土体积中断引起的缝隙.1、温度变更引起的缝隙a)、局里温度变更引起的缝隙又喊温度缝隙、温好缝隙.温度缝隙走背无一定的顺序性,少度尺寸较大构件(普遍截里几许尺寸大于1m以上),缝隙多仄止于短边;大概积混凝土结构的缝隙常纵横接错.深进得战贯脱的缝隙,普遍与短边目标仄止,缝隙沿齐少分段出现,中间较稀.缝隙宽度大小纷歧,普遍正在0.5mm以下.深进的战贯脱的缝隙多爆收正在浇筑后2~3个月或者更少的时间,缝宽受温度变更效率较明隐,冬季较宽、夏季较细.缝隙大多呈上宽下窄状,但是各别也有下宽上窄状,逢楼板配筋较多的结构,偶尔也出现中间宽二端窄的梭形缝隙.b)、爆收本果分解混凝土共其余工程资料一般也具备热胀热缩、干胀搞缩的个性,更加是工程正在浇筑混凝土时气温较下,其混凝土热却中断变形共搞缩变形一般也会正在板内爆收推应力,当其最不利果素推拢正在所偶尔,更易爆收楼板缝隙.其余,屋盖战中墙受到太阳暴晒热胀变形,通过纵横二个目标的墙体,梁柱对于板爆收推应力,此推应力正在中角处共搞缩变形引起的推应力是共目标叠加的.再加上房屋中墙变形较其余内墙角(板内推应力正在内墙角处接叉,目标好异时可相互降矮)大,果此屋盖中墙的热胀变形以及中墙角变形大是楼板缝隙局里超过的要害果素.2、碰打引起的缝隙a)、局里缝隙有火仄的、笔曲的、斜背的;缝隙的部位战走背随受到碰打荷载的效率面、大小战目标而已;缝隙宽度、深度战少度纷歧,无一定顺序性.b)、爆收本果分解1﹥、拆模过早,混凝土强度尚矮,常引导出现沿钢筋的纵背或者横背缝隙.2﹥、拆模要领不当,只起模板一角,或者用剧烈振荡的办法脱模,使结构受力不匀称或者受到剧烈的振荡.3﹥、楼板的混凝土尚已达到脱模强度,正在其上用脚推车、堆搁资料、使楼板受到振荡或者超出比安排挨的动工荷载效率而制成的缝隙.3、混凝土体积中断引起的缝隙a)、局里它的个性为走背纵横接错,不顺序性,缝隙分集不匀称.但是对于楼板内结构,多沿短目标分集.那类缝隙普遍正在混凝土露天保护完成通过一段时间后出现,并随干度的变更而变更,表面热烈中断可使缝隙由表及里、由小到大逐步背深部死少.b)、爆收本果分解1﹥、混凝土级配不当,使用中断率较大的火泥,火泥用量过多,或者使用过量的细砂、特细砂.2﹥、商品混凝土坍降度不当,浇筑后料下重,上下中断纷歧致.3﹥、模板过于搞燥或者漏火、漏浆.4﹥、混凝土保护不当,特天是早期保护品量与产死缝隙关系稀切.三、贯脱性缝隙处理要领本工程贯脱性缝隙建补要领采与矮压注浆法,动工工序如下:缝隙浑理—粘掀注浆嘴战启关缝隙—试漏—压力注浆—二次注浆—浑理表面.挖缝资料可采用环氧树脂及散氨酯类资料.1﹥、缝隙浑理:将表面缝隙浑理搞洁,提前浇火干润.2﹥、粘掀注浆嘴战启关缝隙:先要正在预计要掀的缝隙位子掀上医用黑胶布,再用窄毛刷将启缝用浆沿缝隙去回涂刷.使缝隙启关,约莫10分钟后,掀去胶布条,暴露小缝,粘掀注浆嘴.3﹥、试漏:固化后周边大概有裂心,必须反复用浆补上,以防止注浆时漏浆.4﹥、压力注浆:注浆支配普遍正在粘嘴的第二天举止,若气温下的话半天便可注浆.支配时先用补缝器吸与注浆液,拔出注浆嘴,用脚推动补缝器活塞,使浆液通过注浆嘴压进缝隙,当相邻的中流出浆液时,便不妨拔出补缝器,堵上铝铆钉.普遍由上往下注浆,火仄缝普遍从一端背另一端逐个注浆.5﹥、为了包管浆液充谦,正在注浆后约半小时不妨对于每个注浆嘴再次补浆.楼板贯脱缝隙动工时先采与局部小里积启展,灌启末凝后,将缝四里砂浆加下5cm,举止灌火考查,如果不渗火圆可大里积真止.灌缝中断后,正在缝表面涂刷环氧胶泥二遍或者再加掀一层环氧玻璃布条盖缝.四、防止缝隙爆收的预控步伐1、精确目标、防止为主、庄重管制步伐1﹥、将防止现浇楼板缝隙动做一个重面目标,加大现场巡逻力度,掌握第一脚资料,即时纠正过失支配.2﹥、正在屡屡浇筑混凝土前,核查商品混凝土的级配战出厂单,一朝创制混凝土强度等第不符,坐时责令退换.3﹥、每到工序动工前皆要搞佳技能接底处事,特天是钢筋、模板、混凝土工程动工前,强调降真防止楼板启裂技能步伐的技能接底,技能接底不紧急降真到班组上,还要降真到支配工人.4﹥、建坐庄重的班组自检,动工量检、湮出工程报检制度,每一讲工序品量,经查看达到品量确定央供后,圆能允许加进下讲工序的动工.5﹥、庄重依照安排央供动工,单层的板筋庄重统制上下层间距,马凳战垫块搁置匀称、薄度普遍.6﹥、加强对于混凝土振捣支配人员的技能指挥,央供振捣棒快插缓拔,而且要匀速提下,混凝土的稀真度也是防止爆收缝隙的一种步伐.7﹥、加进混凝土冬季动工时,果气温较矮,混凝土的凝结时间较少,当气温矮于5℃时,混凝土要用草包或者其余保温资料覆盖,防止混凝土初凝时遭受冻害,进而杜绝混凝土果冻害而爆收的缝隙.2、合理采用本资料火泥宜采用火化热较矮的火泥;强度较下的火泥能缩小火泥用量,有用处防裂.中加剂采用减火率较下的下效减火剂以及本能劣良的伸展剂,若为泵支混凝土还须掺进缓凝剂,最佳采用复合型中加剂,既谦脚多种本能央供,又便当动工.砂、石骨料应采用中、细砂,且砂含泥量庄重统制正在3%以内,根据泵支本领,尽管采用粒径较大的碎石,有条件时采用5-40mm粒径的级配石,若采与非泵支要领浇捣混凝土更有用处抗裂.3、加强动工历程统制1﹥、包管钢筋位子准确,绑扎、支撑牢固.板底筋垫块按不超出800mm的间距沿纵横目标树坐,板边第一讲垫块树坐正在板边第二讲底筋下.2﹥、楼板马镫钢筋采与“几”字型马镫筋.“几”字型马镫筋上部火仄段少度为200mm.底部二个火仄段少度均为200mm,且不小于板底筋的钢筋间距.下度为板薄减去上下呵护层的薄度.板薄小于150mm时,马镫钢筋采与Φ8(且不小于板火仄筋曲径)的一级钢筋创制,间距按800mm×800mm 树坐.板薄不小于150mm时,马镫为通少马镫创制,间距按1000mm×1000mm树坐.板边第一排马镫筋距离板边300mm树坐,且扣筋下包管很多于二排马镫.正在浇筑历程中要有博职钢筋工值班,即时建复变形移位的钢筋.3﹥、模板构制要合理,防止正在动工荷载效率下模板变形,改变砼构件截里尺寸,以至缝隙,拆摸时间不克不迭过早.4﹥、正在浇筑提前标出楼板薄度的标记线,正在混凝土浇筑历程中推线统制楼板混凝土标下,以保证楼板薄度.5﹥、混凝土下料不宜过下,振捣要匀称,恰到佳处,正在初凝后末凝前再举止二次支里,并边支里边用薄膜举止覆盖,那样不妨最大极限天缩小混凝土初期的中断缝隙.6﹥、加强混凝土的保护战保温,统制结构与中界温度正在25℃范畴以内.混凝土浇筑后裸露表面即时喷火保护,夏季应适合延少保护时间,以普及抗裂本领.楼里保护采与草包或者其余保温资料覆盖.冬季动工时,还应减少毛毯,需要时应适合延少保温战脱模时间,使缓缓降温,以防温度骤变,温好过大引起缝隙.混凝土浇筑12小时后定期浇火.普遍混凝土保护天数不宜少于7天,掺中加剂的混凝土或者商品混凝土的保护天数不宜少于14天.7﹥、楼层混凝土浇筑完成后,正在混凝土强度达到1.2兆帕前不得上人战散集资料.资料正在楼板上堆搁时,应分别搁置,钢筋、钢管、模板等资料临时堆搁时,必须正在资料下垫很多于二根圆木,且不克不迭堆搁过多.防止集结荷载过大,引起楼板缝隙.8﹥、墙体侧模板裁撤时间不克不迭太早,必须包管混凝土真足软化后才搞紧动侧模,时间普遍统制正在混凝土浇筑12小时后,模板裁撤后,即时正在墙里上喷洒保护剂.4、砼浇筑完成后应注意的事项1﹥、科教安插楼层施处事业计划,对于浇筑佳的现浇板里,必须正在混凝土强度达到1.2MPa后圆可上人.普遍正在楼层混凝土浇筑完成的24小时之内,只可搞一些丈量、定位、弹线等准备处事.2﹥、如确果工期较紧,慢需举止下一讲工序动工,应搞佳防止现浇板受集结荷载过早而爆收缝隙的步伐.如钢筋吊运一次不克不迭太多,且需分别堆搁,模板不宜过早吊运至支配层,待墙柱钢筋绑扎完成后再吊运.3﹥、配备脚够数量的模板,以防止果模板套数缺累而过早裁撤下层模板,制成楼板缝隙.需要时可正在裁撤模板后正在适合位子上拆置转头顶.。
现浇板裂纹处理方案现状叙述:经现场查看,现浇楼板面局部出现不均匀裂纹,裂纹分布呈无规则分布状态,裂纹宽度___mm-___mm不等,裂纹深度现场检测为___mm-___mm不等,同时发现有局部贯穿性渗水裂纹。
原因分析:针对上述现浇板裂纹现象,经项目质量组综合分析,导致裂纹质量缺陷原因大致如下;1、砼成型后上荷载过早,导致未终凝的楼板砼受扰动,造成裂纹。
2、砼浇筑的过程中,振捣不实,收面过早,未二次表面处理,浇筑完成后的养护不到位。
3、浇筑时间正处于高温季节,施工过程中未依次浇筑,前后浇筑间隔时间过长,导致前后两次砼存在界面裂纹。
4、砼的施工参数未达标,有分层、离析等缺陷,致板面裂纹。
处理方案:1、针对裂纹宽度小于___mm的未贯穿性裂纹,采用标号为42.5的水泥浆灌浆处理。
工艺。
板面清理——裂纹润湿——调配水泥浆——灌浆。
2、针对裂纹宽度大于___mm的贯穿性板面裂纹,采用切槽,嵌入环氧树脂表面处理。
工艺:1、划线切v型槽,宽度3cm,深度2cm,避开板面钢筋。
2、清理v型槽内杂物,冲洗干净。
3、调配环氧树脂,待v型槽内无明水时嵌入。
4、表面采用1。
2水泥砂浆收面刷毛。
板底处理方案;板底无明显裂纹,对板底水印部分采用布设宽度10cm玻纤网加强层,再按设计面层施工工艺进行。
现浇板裂纹处理方案(二)现浇板裂纹是指混凝土现浇中出现的裂缝,影响了现浇板的质量和使用寿命。
裂纹的出现主要是因为混凝土的收缩、温度变化、外部载荷等原因引起的。
处理现浇板裂纹的方案包括以下几方面:1. 预防措施:在现浇板施工之前,可以采取预防措施来降低裂纹的发生。
首先,可以在混凝土中添加增塑剂和抗裂剂,提高混凝土的流动性和韧性,减少收缩。
其次,可以在混凝土浇筑前预留伸缩缝和控制缝,使混凝土在收缩过程中有一定的伸缩空间。
最后,可以加强混凝土的养护,保持适宜的湿度和温度,防止混凝土过快干燥和过早硬化。
2. 补救措施:当现浇板出现裂纹时,需要采取相应的补救措施来修复和加固。
运动中心楼板贯穿性裂缝整改方案及预控措施一、工程概况1、基本概况恒大金碧天下酒店及六大中心工程由酒店、健康中心、会议中心、娱乐中心、商业中心、饮食中心、运动中心等七栋单体工程组2、工程抗震概况1﹥、根据《建筑工程抗震设防分类标准》及设计要求,本工程抗震设防烈度为“丙”类。
2﹥、本工程安全等级为二级,设计使用年限为50年。
3﹥、本工程抗震设防烈度为6度,设计基本地震加速度值为0.05g,设计地震分组为第一组,场地为二类。
4﹥、地震基础设计等级为丙级。
5﹥、本工程为框架结构,抗震等级为四级。
3、楼板概况本工程楼板厚度二层~三层为100、110mm、120mm、130mm;四层~五层为100、110mm、120mm,楼板混凝土强度等级均为C25。
本工程二~四层楼板局部出现不同程度的贯穿性裂缝,其中已五层楼板较明显。
为避免因楼板贯穿性裂缝造成钢筋长时间暴露在空气中,使外界的空气、酸碱等腐蚀介质对钢筋进行腐蚀,造成钢筋生锈,钢筋生锈后,体积就会变大,把裂缝撑得更大,由此造成恶性循环。
针对此编制本施工方案配合作业人员对运动中心楼板裂缝的整改工作。
二、砼楼板贯穿性裂缝产生原因分析钢筋混凝土结构施工中,裂缝是比较常见的质量通病,裂缝类型甚多。
根据现场观察,结合质量通病防治手册分析,本工程贯穿裂缝形成原因初步判定为三种,分别是由温度变化引起的裂缝、撞击引起的裂缝及混凝土体积收缩引起的裂缝。
1、温度变化引起的裂缝a)、现象温度变化引起的裂缝又叫温度裂缝、温差裂缝。
温度裂缝走向无一定的规律性,长度尺寸较大构件(一般截面几何尺寸大于1m以上),裂缝多平行于短边;大体积混凝土结构的裂缝常纵横交错。
深进得和贯穿的裂缝,一般与短边方向平行,裂缝沿全长分段出现,中间较密。
裂缝宽度大小不一,一般在0.5mm以下。
深进的和贯穿的裂缝多发生在浇筑后2~3个月或更长的时间,缝宽受温度变化影响较明显,冬季较宽、夏季较细。
裂缝大多呈上宽下窄状,但个别也有下宽上窄状,遇楼板配筋较多的结构,有时也出现中间宽两端窄的梭形裂缝。
运动中心楼板贯穿性裂缝整改方案及预控措施工程概况1、基本概况恒大金碧天下酒店及六大中心工程由酒店、健康中心、会议中心、娱乐中心、商业中心、饮食中心、运动中心等七栋单体工程组成。
本次方案应用于运动中心22、工程抗震概况1 >、根据《建筑工程抗震设防分类标准》及设计要求,本工程抗震设防烈度为“丙”类。
2>、本工程安全等级为二级,设计使用年限为50年。
3>、本工程抗震设防烈度为6度,设计基本地震加速度值为0.05g,设计地震分组为第一组,场地为二类。
4>、地震基础设计等级为丙级。
5>、本工程为框架结构,抗震等级为四级。
3、楼板概况本工程楼板厚度二层~三层为100、110mm 120mm 130mm四层~ 五层为100、110mm 120mm楼板混凝土强度等级均为C25本工程二~四层楼板局部出现不同程度的贯穿性裂缝,其中已五层楼板较明显。
为避免因楼板贯穿性裂缝造成钢筋长时间暴露在空气中,使外界的空气、酸碱等腐蚀介质对钢筋进行腐蚀,造成钢筋生锈,钢筋生锈后,体积就会变大,把裂缝撑得更大,由此造成恶性循环。
针对此编制本施工方案配合作业人员对运动中心楼板裂缝的整改工作。
二、砼楼板贯穿性裂缝产生原因分析钢筋混凝土结构施工中,裂缝是比较常见的质量通病,裂缝类型甚多。
根据现场观察,结合质量通病防治手册分析,本工程贯穿裂缝形成原因初步判定为三种,分别是由温度变化引起的裂缝、撞击引起的裂缝及混凝土体积收缩引起的裂缝。
1、温度变化引起的裂缝a)、现象温度变化引起的裂缝又叫温度裂缝、温差裂缝。
温度裂缝走向无一定的规律性,长度尺寸较大构件(一般截面几何尺寸大于1m 以上),裂缝多平行于短边;大体积混凝土结构的裂缝常纵横交错。
深进得和贯穿的裂缝,一般与短边方向平行,裂缝沿全长分段出现,中间较密。
裂缝宽度大小不一,一般在0.5mm 以下。
深进的和贯穿的裂缝多发生在浇筑后2~3 个月或更长的时间,缝宽受温度变化影响较明显,冬季较宽、夏季较细。
实用文档之"运动中心楼板贯穿性裂缝整改方案及预控措施"一、工程概况1、基本概况恒大金碧天下酒店及六大中心工程由酒店、健康中心、会议中心、娱乐中心、商业中心、饮食中心、运动中心等七栋单体工程组成。
本次方案应用于运动中心2~24/L~Q2、工程抗震概况1﹥、根据《建筑工程抗震设防分类标准》及设计要求,本工程抗震设防烈度为“丙”类。
2﹥、本工程安全等级为二级,设计使用年限为50年。
3﹥、本工程抗震设防烈度为6度,设计基本地震加速度值为0.05g,设计地震分组为第一组,场地为二类。
4﹥、地震基础设计等级为丙级。
5﹥、本工程为框架结构,抗震等级为四级。
3、楼板概况本工程楼板厚度二层~三层为100、110mm、120mm、130mm;四层~五层为100、110mm、120mm,楼板混凝土强度等级均为C25。
本工程二~四层楼板局部出现不同程度的贯穿性裂缝,其中已五层楼板较明显。
为避免因楼板贯穿性裂缝造成钢筋长时间暴露在空气中,使外界的空气、酸碱等腐蚀介质对钢筋进行腐蚀,造成钢筋生锈,钢筋生锈后,体积就会变大,把裂缝撑得更大,由此造成恶性循环。
针对此编制本施工方案配合作业人员对运动中心楼板裂缝的整改工作。
二、砼楼板贯穿性裂缝产生原因分析钢筋混凝土结构施工中,裂缝是比较常见的质量通病,裂缝类型甚多。
根据现场观察,结合质量通病防治手册分析,本工程贯穿裂缝形成原因初步判定为三种,分别是由温度变化引起的裂缝、撞击引起的裂缝及混凝土体积收缩引起的裂缝。
1、温度变化引起的裂缝a)、现象温度变化引起的裂缝又叫温度裂缝、温差裂缝。
温度裂缝走向无一定的规律性,长度尺寸较大构件(一般截面几何尺寸大于1m以上),裂缝多平行于短边;大体积混凝土结构的裂缝常纵横交错。
深进得和贯穿的裂缝,一般与短边方向平行,裂缝沿全长分段出现,中间较密。
裂缝宽度大小不一,一般在0.5mm以下。
深进的和贯穿的裂缝多发生在浇筑后2~3个月或更长的时间,缝宽受温度变化影响较明显,冬季较宽、夏季较细。
运动中心楼板贯穿性裂缝整改方案及预控措施一、工程概况1、基本概况恒大金碧天下酒店及六大中心工程由酒店、健康中心、会议中心、娱乐中心、商业中心、饮食中心、运动中心等七栋单体工程组成。
本次方案应用于运动中心2~24/L~Q轴楼板部位。
1﹥、根据《建筑工程抗震设防分类标准》及设计要求,本工程抗震设防烈度为“丙”类。
2﹥、本工程安全等级为二级,设计使用年限为50年。
3﹥、本工程抗震设防烈度为6度,设计基本地震加速度值为0.05g,设计地震分组为第一组,场地为二类。
4﹥、地震基础设计等级为丙级。
5﹥、本工程为框架结构,抗震等级为四级。
3、楼板概况本工程楼板厚度二层~三层为100、110mm、120mm、130mm;四层~五层为100、110mm、120mm,楼板混凝土强度等级均为C25。
本工程二~四层楼板局部出现不同程度的贯穿性裂缝,其中已五层楼板较明显。
为避免因楼板贯穿性裂缝造成钢筋长时间暴露在空气中,使外界的空气、酸碱等腐蚀介质对钢筋进行腐蚀,造成钢筋生锈,钢筋生锈后,体积就会变大,把裂缝撑得更大,由此造成恶性循环。
针对此编制本施工方案配合作业人员对运动中心楼板裂缝的整改工作。
二、砼楼板贯穿性裂缝产生原因分析钢筋混凝土结构施工中,裂缝是比较常见的质量通病,裂缝类型甚多。
根据现场观察,结合质量通病防治手册分析,本工程贯穿裂缝形成原因初步判定为三种,分别是由温度变化引起的裂缝、撞击引起的裂缝及混凝土体积收缩引起的裂缝。
1、温度变化引起的裂缝a)、现象温度变化引起的裂缝又叫温度裂缝、温差裂缝。
温度裂缝走向无一定的规律性,长度尺寸较大构件(一般截面几何尺寸大于1m以上),裂缝多平行于短边;大体积混凝土结构的裂缝常纵横交错。
深进得和贯穿的裂缝,一般与短边方向平行,裂缝沿全长分段出现,中间较密。
裂缝宽度大小不一,一般在0.5mm以下。
深进的和贯穿的裂缝多发生在浇筑后2~3个月或更长的时间,缝宽受温度变化影响较明显,冬季较宽、夏季较细。
恒大·金碧天下酒店及六大中心及周边配套运动中心楼板贯穿性裂缝整改方案及预控措施一、 工程概况1、 基本概况恒大金碧天下酒店及六大中心工程由酒店、健康中心、会议中心、娱乐中心、商业中心、饮食中心、运动中心等七栋单体工程组成。
本次方案应用于运动中心 2~24/L~Q 轴楼板部位。
地序 单位建筑高度地上面积地下面积建筑面积上 号工程地下层数222层(m)(m )(m )(m )名称数1运动 共3层, 759.68m214762.58m2 15522.26m2122.55m中心局部五层2、 工程抗震概况1﹥、根据《建筑工程抗震设防分类标准》 及设计要求,本工程抗震设防烈度为“丙”类。
2﹥、本工程安全等级为二级,设计使用年限为 50 年。
3﹥、本工程抗震设防烈度为 6 度,设计基本地震加速度值为0.05g ,设计地震分组为第一组,场地为二类。
4﹥、地震基础设计等级为丙级。
5﹥、本工程为框架结构,抗震等级为四级。
3、 楼板概况本工程楼板厚度二层 ~三层为 100、110mm 、120mm 、 130mm ;四层 ~ 五层为 100、110mm 、120mm ,楼板混凝土强度等级均为 C25。
本工程二 ~四层楼板局部出现不同程度的贯穿性裂缝, 其中已五层楼板较明显。
为避免因楼板贯穿性裂缝造成钢筋长时间暴露在空气中,使外界的空气、酸碱等腐蚀介质对钢筋进行腐蚀, 造成钢筋生锈,钢筋生锈后,体积就会变大,把裂缝撑得更大,由此造成恶性循环。
针对此编制本施工方案配合作业人员对运动中心楼板裂缝的整改工作。
二、 砼楼板贯穿性裂缝产生原因分析钢筋混凝土结构施工中,裂缝是比较常见的质量通病,裂缝类型甚多。
根据现场观察, 结合质量通病防治手册分析,本工程贯穿裂缝形成原因初步判定为三种, 分别是由温度变化引起的裂缝、 撞击引起的裂缝及混凝土体积收缩引起的裂缝。
1、温度变化引起的裂缝a)、现象温度变化引起的裂缝又叫温度裂缝、温差裂缝。
温度裂缝走向无一定的规律性,长度尺寸较大构件(一般截面几何尺寸大于1m 以上),裂缝多平行于短边;大体积混凝土结构的裂缝常纵横交错。
深进得和贯穿的裂缝,一般与短边方向平行,裂缝沿全长分段出现,中间较密。
裂缝宽度大小不一,一般在 0.5mm 以下。
深进的和贯穿的裂缝多发生在浇筑后 2~3 个月或更长的时间,缝宽受温度变化影响较明显,冬季较宽、夏季较细。
裂缝大多呈上宽下窄状,但个别也有下宽上窄状,遇楼板配筋较多的结构,有时也出现中间宽两端窄的梭形裂缝。
b)、产生原因分析混凝土同其它工程材料一样也具有热胀冷缩、湿胀干缩的特性,尤其是工程在浇筑混凝土时气温较高,其混凝土冷却收缩变形同干缩变形一样也会在板内产生拉应力,当其最不利因素组合在一起时,更易产生楼板裂缝。
另外,屋盖和外墙受到太阳暴晒热胀变形,通过纵横二个方向的墙体,梁柱对板产生拉应力,此拉应力在外角处同干缩变形引起的拉应力是同方向叠加的。
再加上房屋外墙变形较其它内墙角(板内拉应力在内墙角处交叉,方向相反时可相互降低)大,因此屋盖外墙的热胀变形以及外墙角变形大是楼板裂缝现象突出的重要因素。
2、撞击引起的裂缝a)、现象裂缝有水平的、垂直的、斜向的;裂缝的部位和走向随受到撞击荷载的作用点、大小和方向而已;裂缝宽度、深度和长度不一,无一定规律性。
b)、产生原因分析1﹥、拆模过早,混凝土强度尚低,常导致出现沿钢筋的纵向或横向裂缝。
2﹥、拆模方法不当,只起模板一角,或用猛烈振动的办法脱模,使结构受力不均匀或受到剧烈的振动。
3﹥、楼板的混凝土尚未达到脱模强度,在其上用手推车、堆放材料、使楼板受到振动或超过比设计打的施工荷载作用而造成的裂缝。
3、混凝土体积收缩引起的裂缝a)、现象它的特征为走向纵横交错,没有规律性,裂缝分布不均匀。
但对楼板内结构,多沿短方向分布。
这类裂缝一般在混凝土露天养护完毕经过一段时间后出现,并随湿度的变化而变化,表面强烈收缩可使裂缝由表及里、由小到大逐步向深部发展。
b)、产生原因分析1﹥、混凝土级配不当,使用收缩率较大的水泥,水泥用量过多,或使用过量的细砂、特细砂。
2﹥、商品混凝土坍落度不当,浇筑后料下沉,上下收缩不一致。
3﹥、模板过于干燥或漏水、漏浆。
4﹥、混凝土养护不当,特别是早期养护质量与形成裂缝关系密切。
三、贯穿性裂缝处理方法本工程贯穿性裂缝修补方法采用低压注浆法,施工工序如下:裂缝清理—粘贴注浆嘴和封闭裂缝—试漏—压力注浆—二次注浆—清理表面。
填缝材料可选用环氧树脂及聚氨酯类材料。
1﹥、裂缝清理:将表面裂缝清理干净,提前浇水湿润。
2﹥、粘贴注浆嘴和封闭裂缝:先要在预计要贴的裂缝位置贴上医用白胶布,再用窄毛刷将封缝用浆沿裂缝来回涂刷。
使裂缝封闭,大约 10 分钟后,揭去胶布条,露出小缝,粘贴注浆嘴。
3﹥、试漏:固化后周边可能有裂口,必须反复用浆补上,以避免注浆时漏浆。
4﹥、压力注浆:注浆操作一般在粘嘴的第二天进行,若气温高的话半天就可注浆。
操作时先用补缝器吸取注浆液,插入注浆嘴,用手推动补缝器活塞,使浆液通过注浆嘴压入裂缝,当相邻的中流出浆液时,就可以拔出补缝器,堵上铝铆钉。
一般由上往下注浆,水平缝一般从一端向另一端逐个注浆。
5﹥、为了保证浆液充满,在注浆后约半小时可以对每个注浆嘴再次补浆。
楼板贯穿裂缝施工时先采用局部小面积开展,灌封终凝后,将缝四周砂浆加高 5cm,进行灌水试验,如果不渗水方可大面积执行。
灌缝结束后,在缝表面涂刷环氧胶泥二遍或再加贴一层环氧玻璃布条盖缝。
四、防止裂缝发生的预控措施1、明确目标、预防为主、严格管理措施1﹥、将预防现浇楼板裂缝作为一个重点目标,加大现场巡查力度,掌握第一手资料,及时纠正错误操作。
2﹥、在每次浇筑混凝土前,核查商品混凝土的级配和出厂单,一旦发现混凝土强度等级不符,立即责令退换。
3﹥、每到工序施工前都要做好技术交底工作,特别是钢筋、模板、混凝土工程施工前,强调落实预防楼板开裂技术措施的技术交底,技术交底不紧要落实到班组上,还要落实到操作工人。
4﹥、建立严格的班组自检,施工质检、隐蔽工程报检制度,每一道工序质量,经检查达到质量规定要求后,方能允许进入下道工序的施工。
5﹥、严格按照设计要求施工,双层的板筋严格控制上下层间距,马凳和垫块放置均匀、厚度一致。
6﹥、加强对混凝土振捣操作人员的技术指导,要求振捣棒快插慢拔,而且要匀速提升,混凝土的密实度也是防止产生裂缝的一种措施。
7﹥、进入混凝土冬季施工时,因气温较低,混凝土的凝结时间较长,当气温低于 5℃时,混凝土要用草包或其他保温材料覆盖,防止混凝土初凝时遭受冻害,从而杜绝混凝土因冻害而产生的裂缝。
2、合理选用原材料水泥宜选用水化热较低的水泥;强度较高的水泥能减少水泥用量,有利于防裂。
外加剂选用减水率较高的高效减水剂以及性能优越的膨胀剂,若为泵送混凝土还须掺入缓凝剂,最好选用复合型外加剂,既满足多种性能要求,又方便施工。
砂、石骨料应选用中、粗砂,且砂含泥量严格控制在3%以内,根据泵送能力,尽量选用粒径较大的碎石,有条件时选用 5-40mm粒径的级配石,若采用非泵送方法浇捣混凝土更有利于抗裂。
3、加强施工过程控制1﹥、保证钢筋位置准确,绑扎、支撑牢靠。
板底筋垫块按不超过800mm的间距沿纵横方向设置,板边第一道垫块设置在板边第二道底筋下。
2﹥、楼板马镫钢筋采用“几”字型马镫筋。
“几”字型马镫筋上部水平段长度为 200mm。
底部两个水平段长度均为 200mm,且不小于板底筋的钢筋间距。
高度为板厚减去上下保护层的厚度。
板厚小于150mm 时,马镫钢筋采用Φ8(且不小于板水平筋直径)的一级钢筋制作,间距按 800mm×800mm设置。
板厚不小于 150mm时,马镫为通长马镫制作,间距按 1000mm×1000mm设置。
板边第一排马镫筋距离板边 300mm设置,且扣筋下保证不少于两排马镫。
在浇筑过程中要有专职钢筋工值班,及时修复变形移位的钢筋。
3﹥、模板构造要合理,防止在施工荷载作用下模板变形,改变砼构件截面尺寸,甚至裂缝,拆摸时间不能过早。
4﹥、在浇筑提前标出楼板厚度的标志线,在混凝土浇筑过程中拉线控制楼板混凝土标高,以确保楼板厚度。
5﹥、混凝土下料不宜过高,振捣要均匀,恰到好处,在初凝后终凝前再进行二次收面,并边收面边用薄膜进行覆盖,这样可以最大限度地减少混凝土初期的收缩裂缝。
6﹥、加强混凝土的养护和保温,控制结构与外界温度在25℃范围以内。
混凝土浇筑后裸露表面及时喷水养护,夏季应适当延长养护时间,以提高抗裂能力。
楼面养护采用草包或其他保温材料覆盖。
冬季施工时,还应增加毛毯,必要时应适当延长保温和脱模时间,使缓慢降温,以防温度骤变,温差过大引起裂缝。
混凝土浇筑12 小时后定期浇水。
一般混凝土养护天数不宜少于 7 天,掺外加剂的混凝土或商品混凝土的养护天数不宜少于 14 天。
7﹥、楼层混凝土浇筑完成后,在混凝土强度达到 1.2 兆帕前不得上人和堆积材料。
材料在楼板上堆放时,应分散放置,钢筋、钢管、模板等材料临时堆放时,必须在材料下垫不少于两根方木,且不能堆放过多。
避免集中荷载过大,引起楼板裂缝。
8﹥、墙体侧模板拆除时间不能太早,必须保证混凝土完全硬化后才能松动侧模,时间一般控制在混凝土浇筑12 小时后,模板拆除后,及时在墙面上喷洒养护剂。
4、砼浇筑完成后应注意的事项1﹥、科学安排楼层施工作业计划,对浇筑好的现浇板面,必须在混凝土强度达到 1.2MPa 后方可上人。
一般在楼层混凝土浇筑完毕的24 小时之内,只能做一些测量、定位、弹线等准备工作。
2﹥、如确因工期较紧,急需进行下一道工序施工,应做好预防现浇板受集中荷载过早而产生裂缝的措施。
如钢筋吊运一次不能太多,且需分散堆放,模板不宜过早吊运至操作层,待墙柱钢筋绑扎完毕后再吊运。
3﹥、配备足够数量的模板,以避免因模板套数不足而过早拆除底层模板,造成楼板裂缝。
必要时可在拆除模板后在适当位置上安装回头顶。