楼梯计算excel表格
- 格式:xls
- 大小:81.00 KB
- 文档页数:1
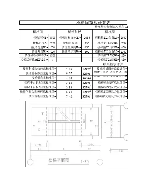
楼梯开间B=4500楼梯斜板净宽BJ=2065楼梯梁TL1位置L1=2600楼梯进深A=9200楼梯斜板厚H=150楼梯梁TL1宽BL=250梁,墙宽度B2=250楼梯踏步高Ho=150楼梯梁TL1高HL=450楼梯井宽B1=120楼梯踏步宽Bo=300楼梯梁TL2位置L2=2100楼梯斜板净跨度L=4500楼梯梁TL2宽BL=250楼梯活荷载g(KN/M 2)=4楼梯梁TL2高HL=4501.35KN/M 26.07KN/M 24.20KN/M 3.93KN/M23.93KN/M 26.04KN/M 27.42KN/M 2楼梯间荷载计算表楼梯间楼梯斜板楼梯梁楼梯斜板装修荷载标准值=楼梯间折合面恒荷载标准值=楼梯斜板净自重标准值=楼梯梁自重标准值=楼梯基本参数输入(单位:MM)结果显示计算楼梯梁2支座反力设计值=楼梯梁2线荷载设计值=楼梯斜板自重标准值=楼梯斜板面荷载设计值=楼梯平台板1面荷载设计值=楼梯平台板1自重标准值=楼梯平台板2自重标准值=楼梯梁1支座反力设计值=楼梯平台板2面荷载设计值=楼梯梁1线荷载设计值=楼梯平台板1跨度=2350楼梯面层材料3楼梯平台板1厚H1=120楼梯面层厚度30楼梯平台板2跨度=1850容重(KN/M 3)19.8楼梯平台板2厚H2=120板底抹灰厚度20容重1714.50KN/M 2梯斜板与水平夹角=26.5710.32KN/M 2夹角余玄值=0.8910.32KN/M 249.80KN/M 47.22KN/M 112.04KN 106.23KN2020/6/15 15:02楼梯平台板楼梯板面层及抹灰(单位:MM)。
一、材料选择:1、平台板面积A(CM2)单位重量(KG/M)截面特性W(CM3)花纹钢板3.0030.0023.55 1.502、踏步单位重量(KG/M)截面特性W(CM3)Z270X158.3X317.4313.68 3.503、楼梯梁单位重量(KG/M)截面特性W(CM3)槽钢20a28.8022.60100.000.00 22a31.8025.00218.00 1.60钢板25.0019.63104.170.00250.0010.004、板下分隔构件面积A(CM2)单位重量(KG/M)截面特性W(CM3)L100X10 4.80 3.7710.000.60钢楼梯计算程序:(简图如右)注意:1、L1中支撑构件间距>L2中 2、面层装饰按0.5KN/M2考虑 3、栏杆线荷载1.0KN/M槽钢12.7010.0039.700.0010a二、几何条件:L1L2L3H Ln m n 输入: 2.46 3.24 1.52 2.10 1.50 3.00 3.00三、荷载统计:板下分隔构件平台板踏步板楼梯梁(L1/m*C12+C28*E28+C30*E30)/100C12C16((C12*Ln*(L1+ L3)/2/(L1+L2+ L3)+(ZS*E28*C 28+ZS*E30*C31 )*Ln/2+(n+1)* C16*Ln/2)/(L1 +L2+L3)+C20*E 20+C22*E22)/11、恒载0.630.740.28 1.932、活载 2.87 3.500.98 2.633.503、荷载 4.77 5.78 1.70 5.990.00四、验算 2.00正应力正应力正应力正应力8.8s223.54324.02136.94111.90剪应力剪应力剪应力剪应力端剪力10.9s12.420.790.73 4.2520.55挠度(Vt)挠度(Vt)挠度(Vt)挠度(Vt)7.6855.41 3.9521.006.00 5.47 6.0028.88平台板L/150,余L/250应力验算:0.000.00 1.00 1.001 满足要求挠度(Vq)挠度(Vq)挠度(Vq)0 不满足要求 6.31 3.0812.105.00 4.2924.07L/300挠度验算:0.00 1.00 1.001 满足要求0 不满足要求构件选择几何条件中间结果选择标志规范要求验算结果注意事项ZS6.00螺栓承载力参考16.0020.0022.00 24.0037.5045.00 30.0046.5057.00。
excel阶梯计件工资公式
Excel阶梯计件工资公式可以根据具体的阶梯计件规则进行设置。
以下是一个示例公式,假设有4个阶梯,每个阶梯的计件单价和计件数量范围都不同:
excel复制代码
=IF(AND(B2<=3800,B2>=3605),A2*B2*D2,IF(AND(B2<= 4000,B2>=3801),A2*B2*D3,IF(AND(B2<=4200,B2>=4001),A
2*B2*D4,IF(B2>=4200,A2*B2*D5,0))))
在上述公式中,B2单元格表示计件数量,A2单元格表示基础单价,D2、D3、D4和D5单元格分别表示第1、2、3和4个阶梯的计件单价。
公式根据计件数量B2所在的阶梯,选择相应的计件单价进行计算,最终得到计件工资。
请注意,上述公式仅是一个示例,具体的公式设置需要根据实际的阶梯计件规则进行调整。
在实际应用中,还需要考虑其他因素,如工资扣除项、税率等。
因此,建议在实际应用中仔细规划和设计计算公式,并进行充分的测试以确保其准确性。
一、材料选择:1、平台板面积A(CM2)单位重量(KG/M)截面特性W(CM3)花纹钢板3.0030.0023.55 1.502、踏步单位重量(KG/M)截面特性W(CM3)Z270X158.3X317.4313.68 3.503、楼梯梁单位重量(KG/M)截面特性W(CM3)槽钢20a28.8022.60100.000.00 22a31.8025.00218.00 1.60钢板25.0019.63104.170.00250.0010.004、板下分隔构件面积A(CM2)单位重量(KG/M)截面特性W(CM3)L100X10 4.80 3.7710.000.60钢楼梯计算程序:(简图如右)注意:1、L1中支撑构件间距>L2中 2、面层装饰按0.5KN/M2考虑 3、栏杆线荷载1.0KN/M槽钢12.7010.0039.700.0010a二、几何条件:L1L2L3H Ln m n 输入: 2.46 3.24 1.52 2.10 1.50 3.00 3.00三、荷载统计:板下分隔构件平台板踏步板楼梯梁(L1/m*C12+C28*E28+C30*E30)/100C12C16((C12*Ln*(L1+ L3)/2/(L1+L2+ L3)+(ZS*E28*C 28+ZS*E30*C31 )*Ln/2+(n+1)* C16*Ln/2)/(L1 +L2+L3)+C20*E 20+C22*E22)/11、恒载0.630.740.28 1.932、活载 2.87 3.500.98 2.633.503、荷载 4.77 5.78 1.70 5.990.00四、验算 2.00正应力正应力正应力正应力8.8s223.54324.02136.94111.90剪应力剪应力剪应力剪应力端剪力10.9s12.420.790.73 4.2520.55挠度(Vt)挠度(Vt)挠度(Vt)挠度(Vt)7.6855.41 3.9521.006.00 5.47 6.0028.88平台板L/150,余L/250应力验算:0.000.00 1.00 1.001 满足要求挠度(Vq)挠度(Vq)挠度(Vq)0 不满足要求 6.31 3.0812.105.00 4.2924.07L/300挠度验算:0.00 1.00 1.001 满足要求0 不满足要求构件选择几何条件中间结果选择标志规范要求验算结果注意事项ZS6.00螺栓承载力参考16.0020.0022.00 24.0037.5045.00 30.0046.5057.00。
梯板传来的恒荷载(KN/m)平台板传来的恒荷载(KN/m)
梯梁宽(mm)
7.63
3.25
250
梯板传来的活荷载(KN/m)平台板传来的活荷载(KN/m)梯梁自重恒载(KN/m)
3.5 3.5 2.5梯板计算跨度(m)平台板计算跨度(m)梯梁跨度(m)
3.84 1.748
荷载标准值(KN/m)
由梯板传来的恒荷载14.65有平台传来的恒荷载
2.82梯梁自重
2.50梯梁附加装饰恒荷载
0.50小计
20.47由梯板传来的活荷载 6.72由平台传来的活荷载
3.04小计
9.76
M=ql2/8
305.76As=M/0.9fyh0
计算受拉钢筋面积
As(mm2)
2359.24
斜截面受剪承载力计
算表示需要填的表示结果
梯梁荷载计算表
荷载种类
恒荷载
活荷载
总计
梁弯矩设计值(KN.m)
梁剪力设计值(KN)
梯梁高(mm)as HRB400 40025360梯梁附加荷载(KN/m)h0C30
0.5375 1.43
C25
1.27
C35荷载分项系数荷载设计值(KN/m) 1.57
1.217.58
1.2 3.38
1.2 3.00
1.20.60
1.224.56
1.49.41
1.4 4.25
1.413.66
38.22
V=pl/2
152.9
(V-0.7ftbho)/1.25fvyh0<Asv/S
0.35。
楼梯工程量计算E表(含计算公式说明)
楼梯工程量计算公式汇总
楼梯工程量计算:
砼体积= (梯段长平方+梯段高平方)开方×梯段板宽度×板厚度×相同梯段×楼梯个数+梯级宽度×梯级高度/2×梯段垂直投影面积=(梯段板宽-墙体宽度)×梯段长×相同梯段数×楼梯个数
楼梯天面面积=(梯段长2+梯段高2 )0.5次方×梯段板宽度×相同梯段数×楼梯个数
其中:梯段长(指投影长度)=(楼级数-1)×梯级宽度
梯段高度=梯级数×梯级高
休息平台工程量计算:
砼体积=平台宽度×平台长度×平台板厚度×层数×相同楼梯个数
投影面积=(平台宽度-墙宽度)×(平台长度-墙宽度)×层数×相同楼梯个数
天棚面积=(平台宽度-墙宽度)×(平台长度-墙宽度)×层数×相同楼梯个数
梯梁工程量计算:
砼体积=梯梁宽度×(梯梁高度-板厚)×梯梁长度×梯梁个数×相同楼段个数×相同楼梯个数
级宽度×梯级高度/2×梯段板宽×梯级个数×相同梯段数×楼梯个数。
工程名称
工程日期设计者
宽(mm高(mm长度(m
(KN/
㎡ 250400
L1= 1.7
9 TL2=250400L2= 1.7TB29
TL3=250400L3= 1.6TB38.5
TL4=250400L4= 3.08中间平台 4.2 TL5=250400L5=2楼面平台4 250250L6= 3.08墙体线荷5
分项系数L7=2混凝土容重27
2恒载 1.2
TL3上墙高(m2活载 1.4
TB1传来线荷(KN/m22.02中间平台板传来 6.83中间平台板传来 6.83中间平台板传来TB2传来线荷(KN/m22.02梁上墙传来12梁上墙传来12.00梁上墙传来
合计22.07合计22.07合计
TZ荷载计算设计值设计值
自重(KN 4.2576.47
TB2传来线荷(KN/m22.0276.47
TB3传来线荷(KN/m13.755.18
楼面平台板传来8.355.18 TL1标准值计算TL2标准值计算TL3标准值计算TL4标准值计算TB1传来线荷(KN/m18.35中间平台板传来 5.69中间平台板传来5.69中间平台板传来TB2传来线荷(KN/m18.35梁上墙传来10梁上墙传来10梁上墙传来
中间平台板传来 5.69
TL1梯梁自重 2.70
TZ4传给框架梁的集中力(KN
导荷计算
TZ1传给框架梁的集中力(KN
TZ2传给框架梁的集中力(KN
TZ3传给框架梁的集中力(KN
活荷载(KN/㎡
2.5
2.5 2.5 2.5 2.5 KN/m KN/m3 设计值
3.24 6.83 12.00 22.07 标准值63.72 63.72 45.98 45.98 5.69 10。
梯梁自重(设计值)=1.2×25×250×350=2.6kN/m;
梯板传来荷载(设计值)=G×Lo/2=23.7kN/m;
梁端部剪力V=25.24kN;梯梁跨中弯矩=q×lo×lo/8=10.5kN.m;
梯梁支座弯矩=q×lo×lo/12=6.7kN.m;计算梁底纵筋面积As=165.0mm2;
计算支座纵筋面积As=165.0mm2;平台梁计算:
梯梁宽b=250;梯梁高h=350;
梯梁跨度lo=1630;平台传来荷载(设计值)=Gp×Lp/2=3.8kN/m;
总均布荷载(设计值)=30.2kN/m;
梯板传来荷载(设计值)=1.3kN;平台板计算:
平台板厚度t=100mm 平台跨度Lp=750mm 平台荷载(设计值)Gp=10.26kN/m 平台跨中弯矩M=0.72kN.m
计算钢筋面积As=200.0mm2;
活载准永久值系数=0.3;
按标准组合计算的跨中弯矩Mk=11.23kN.m;
按准永久组合计算的跨中弯矩Mq=9.69kN.m 计算挠度=14mm 挠度/L0=14/2970=1/208满足!每米宽步级重=25×0.5×11×270×150.0=5.57kN;
活载标准值=3.50kN/m2;总荷载(设计值)G=15.98kN/m;(控制组合方式:1.2×g+1.4×q)
计算跨中弯矩 M =14.09kN.m;
楼梯砼等级=C30计算钢筋面积 (HPB235)=413mm2计算钢筋面积 (HRB335)=310mm2
梯板计算:(荷载除注明外均为标准值)
梯板宽度=1.63m;20厚水泥砂浆面层重=6.84kN;梯级面层(大理石)自重=3.00kN;每米宽斜板重=25×120×3473=10.42kN;
楼梯栏杆自重=0.30kN/m;梯段净高H=n2×h=1800;梯段净跨H=n1×b1=2970;上折平台跨L2=0;
下折平台跨L3=0;梯段全跨水平投影L0=2970;梯段斜板长L'=3473;斜板厚度取值h=120;下折平台跨L3=3473;TB1-1:
梯板几何尺寸:
水平步级数n1=11;垂直步级数n2=12;踏步宽b1=270.0;踏步高a1=150.0;。