QYSJ027设备与管道隔热材料及其厚度选用规定
- 格式:doc
- 大小:3.70 MB
- 文档页数:60
工业设备管道绝热基本规定绝热材料的选择3.0.1 具有下列情况之一的设备、管道及其附件,应进行保温:1 外表面温度高于50℃(环境温度为25℃时)且工艺需要减少散热损失者。
2 外表面温度低于或等于50℃且工艺需要减少介质的温度降低或延迟介质凝结者。
3 工艺不要求保温的设备及管道,当其表面温度超过60℃,对需要操作维护,又无法采取其他措施防止人身烫伤的部位,在距地面或工作台面2.1m高度以下及工作台面边缘与热表面间的距离小于0.75m的范围内,必须设置防烫伤保温设施。
3.0.2 具有下列情况之一的设备、管道及其附件,应进行保冷:1 外表面温度低于环境温度且需减少冷介质在生产和输送过程中冷损失量者。
2 需减少冷介质在生产和输送过程中温度升高或气化者。
3 为防止常温以下、0℃以上设备及管道外壁表面凝露者。
4 与保冷设备或管道相连的仪表及其附件。
3.0.3 除人身防护要求绝热的部位外,具有下列情况之一的设备、管道及其附件不应绝热:1 工艺上无特殊要求的放空和排气管道。
2 要求及时发现泄漏的设备和管道的法兰连接处。
3 工艺过程要求裸露的设备及管道。
4 要求经常监测,防止发生损坏的部位。
4 绝热材料的选择4.1 绝热层材料性能要求4.1.1 绝热层材料应选择能提供具有随温度变化的导热系数方程式或图表的产品。
对于软质绝热材料,应选择能提供在使用密度下的导热系数方程式或图表的产品。
绝热设计计算时可采用本规范附录A中的数据。
4.1.2 绝热材料及其制品的主要物理性能和化学性能应符合国家现行有关产品标准的规定,常用绝热材料的主要性能应符合本规范附录A的规定。
绝热材料及其制品的导热系数应符合下列要求:1 保温材料在平均温度为70℃时,其导热系数不得大于0.080W/(m·K)。
2 用于保冷的泡沫塑料及其制品在平均温度为25℃时的导热系数不应大于0.044W/(m·K)。
3 泡沫橡塑制品在平均温度为0℃时的导热系数不应大于0.036W/(m·K)。
Xxx工程设备和管道隔热设计工程规定(基础工程设计)目录1.总则--------------------------------------------------(1)2.隔热符号及其定义--------------------------------------(1)3. 基本规定---------------------------------------------- (2)4. 隔热材料的选择---------------------------------------- (4)5. 隔热层厚度--------------------------------------------(7) 附表1 保温厚度表-----------------------------------------(7) 附表2 防烫厚度表 ----------------------------------------(7) 附表3 保冷厚度表 (硬质聚氨酯泡沫塑料) -------------------(8) 附表4 保冷厚度表 (泡沫玻璃)------------------------------(9)1 总则1.1 范围本规定适用于“xx工程”工艺管道仪表流程图和公用工程流程图上所示的设备及配管的隔热,但不适用于由制造商提供的成套设备的隔热。
1.2 规范和标准1.2.1 材料应适用于温度-196℃~600℃。
1.2.2 材料的选用原则、施工、检验、验收等技术要求应按下述标准。
不同标准发生冲突时,按较严格的执行。
《工业设备及管道绝热工程设计规范》GB 50264-97《设备及管道绝热技术通则》GB/T 4272-2008《设备及管道绝热设计导则》GB/T 8175-2008《工业设备及管道绝热工程施工规范》GB 50126-2008《石油化工企业设备和管道隔热设计规范》SH 3010-2000《保温结构通用图》CD 42B1-84《保冷结构通用图》CD 42B2-841.3 单位除非另有说明,所提供的图纸和文件均应采用SI单位作为测量单位。
石油化工设备和管道隔热技术规范1. 引言石油化工设备和管道隔热技术规范是为了确保石油化工行业设备和管道在运行过程中能够有效地保持温度,避免热量损失和能源浪费而制定的。
本文档旨在规范石油化工设备和管道隔热的技术要求和操作指南。
2. 术语和定义本文档中使用的术语和定义如下:•石油化工设备:指在石油化工生产中使用的各种设备,包括反应器、蒸馏塔、换热器等。
•管道:指输送液体、气体或固体的管道系统。
•隔热材料:指用于包裹设备和管道表面以减少热量传递的材料,例如岩棉、玻璃棉、聚氨酯等。
3. 技术要求3.1 隔热材料选择•隔热材料应符合国家相关标准,并具有良好的隔热性能,耐高温、耐腐蚀、抗震、防火等特性。
•隔热材料应经过合适的铺设、固定和封闭,确保其与设备或管道表面之间无间隙和裂隙。
3.2 隔热层厚度•隔热层厚度应根据设备或管道的工作温度、环境温度和要求的保温效果来确定,确保达到预期的隔热效果。
•不同部位的隔热层厚度可以有所差异,例如在高温区域应增加隔热层厚度。
3.3 隔热层外观•隔热层应平整、紧密、无明显的凹凸和裂缝,确保隔热层的完整性。
•隔热层应能够有效地防止水分和湿气渗透到设备或管道表面,并具有一定的防腐蚀性能。
4. 操作指南4.1 隔热材料的安装•在选择隔热材料时,应根据设备或管道的具体要求确定合适的材料。
•在安装隔热材料时,应确保材料与设备或管道表面之间无空隙和裂缝,且紧密固定。
•安装隔热材料时应遵循安全操作规程,确保操作人员和设备安全。
4.2 隔热层厚度的控制•在确定隔热层厚度时,应根据设备或管道的具体工况、环境温度和要求的保温效果进行合理的估算。
•隔热层厚度的控制应符合相关标准和规范的要求,确保达到预期的隔热效果。
4.3 隔热层外观的检查和维护•隔热层外观应定期检查,确保其完整并无明显的损坏。
•对于发现的隔热层损坏或缺陷,应及时修补或更换,确保隔热效果的稳定性。
5. 结论石油化工设备和管道隔热技术规范是确保石油化工行业设备和管道隔热工作的关键要求。
保温材料的选择与厚度确定(山东鲁泰煤业有限公司太平煤矿,山东,济宁,273517)保温材料的种类、性能和厚度直接影响系统运行费用和初期投资,为降低投资,减少运行费用,节约能源,文章给出了保温材料的选择和各种工况下保温层厚度的确定。
标签:保温材料;经济厚度;热损失控制法;表面温度控制法保温隔热材料与制品是影响建筑节能一个重要的影响因素。
建筑保温材料的研制与应用越来越受到世界各国的普遍重视。
20世纪70年代后,国外普遍重视保温材料的生产和在建筑中的应用,力求大幅度减少能源的消耗量,从而减少环境污染和温室效应。
国外保温材料工业已经有很长的历史,建筑节能用保温材料占绝大多数,而新型保温材料也正在不断地涌现。
1 保温材料的选择暖通空调工程中的设备和管道,为使其经济合理、安全运行、节约能源、改善操作条件及保护环境,均应根据不同要求进行保温处理并附加保护层。
目前常用的保温材料多种多样,主要有:聚乙烯、聚苯乙烯、聚氨酯、玻璃棉等。
其保温性能、经济性能也千差万别,因而在选择保温材料时要本着因地制宜,就地取材的原则,选取来源广泛,保温性能好,易于施工,敷设方便,经济耐用的材料,通过对各种材料进行综合比较后,确定最佳方案。
选择保温材料时应着重注意以下几个方面的指标:1.1 导热系数小、保温性能好,并应考虑保温性能随温度变化的特征是否适应具体的工作环境。
1.2 选用质轻疏松材料。
一方面,能减轻保温管道的重量,减小管道支架的荷载;另一方面,可以增大保温材料的传热热阻。
1.3 具有抗蒸汽渗透性能,吸水率低且耐水性能好,且吸水后其保温性能不能发生很大变化。
尤其是对直埋敷设或地沟内敷设管道。
1.4 保温材料不宜采用有机物以免在潮湿的环境中发生虫蛀、腐烂、生菌;也不宜采且易燃物,以免发生火灾。
2 保温层厚度的确定对于不同的工作介质、不同的管材和工作环境的不同要求,保温层厚度的计算也应采用不同的方法,针对不同工况在查阅相关资料的基础上结合实际工作总结以下几种方法。
.1989年编制的院标BA2-3-9-89《设备和管道隔热材料及其厚度选用规定》由于编制该标准所依据的国标(GB4272-84)《设备及管道保温技术通则》和石油工业部标准(SYJ1021-82)《炼油厂设备和管线隔热设计技术规定》都进行了修改。
同时,近年来各种新型隔热材料在石化企业广泛应用。
为了适应生产要求,本标准从设计、生产实际出发,在遵循现行标准原则基础上,对BA2-3-9-89标准进行了修改,增加了新材料,取消了性能不符合要求的材料,并对各种材料厚度进行核算。
1、本规定适用于新建石油化工企业设备和管道隔热材料及其厚度的选用。
对老厂扩建、改造的设备和管道可参考选用。
2、本规定是根据GB4272-92《设备及管道保温技术通则》GB11790-89《设备及管道保冷技术通则》,GB8175-87《设备及管道保温设计导则》及SHJ10-90《石油化工企业设备和管道隔热设计规范》等,在BA2-3-9-89《设备和管道隔热材料及其厚度选用规定》基础上进行编制的。
3、一般规定3.1 具有下列情况之一者的设备和管道(含管子、管件、阀门等)必须保温。
3.1.1 为减少热量损失,外表面温度大于50℃的设备和管道;3.1.2 介质凝固点或冰点高于环境温度(系指年平均温度)的设备和管道;3.1.3 为满足工艺、生产要求或改善劳动条件需要保温的设备和管道。
3.2 具有下列情况之一的设备和管道(含管子、管件、阀门等)必须保冷。
3.2.1 为减少冷介质在生产或输送过程中的冷量损失;3.2.2 为防止在环境温度下低温设备和管道外表面结露;3.2.3 为减少冷介质在生产或输送过程中温升或气化3.3 表面温度等于或大于60℃不保温的设备和管道,需要经常维护的部位,应在下列范围内进行防烫保温:3.3.1 高出地面或工作平台2.1m以内者;3.3.2 离开操作平台0.75m以内者。
4、对隔热材料性能的要求4.1 保温材料制品应符合下列要求:4.1.1 平均温度(tm)等于或低于350℃时,导热系数不得大于0.12w/m.k,并应有明确温度变化的导热系数方程或图表;4.1.2 保温材料制品的密度不应大于300kg/m3;4.1.3 硬质保温材料制品的抗压强度不应小于0.4MPa。
石油化工设备和管道隔热技术规范一、适用范围本规范适用于石油化工设备和管道隔热工程,包括储罐、反应器、换热器、管道和其他设备。
二、隔热材料选择1. 隔热材料应符合国家相关标准,具有良好的隔热性能和耐高温性能。
2. 隔热材料应具有良好的耐磨损性能和耐化学腐蚀性能。
3. 隔热材料应具有良好的防火性能。
三、施工要求1. 施工前应对设备和管道进行清洁和防腐处理。
2. 隔热材料应按照设计图纸要求进行施工,保证隔热层的厚度和质量符合要求。
3. 施工现场应采取适当的安全措施,保证施工过程中的安全。
四、隔热层保护1. 隔热层应具有良好的耐水性能,避免因水分渗入导致隔热性能下降。
2. 隔热层应具有良好的耐老化性能,减少因长期使用导致隔热性能下降。
五、验收标准1. 隔热工程完成后应进行验收,保证隔热层的质量符合要求。
2. 验收标准应符合国家相关标准,包括隔热性能测试和外观检查。
六、维护保养1. 隔热层应定期进行检查和维护,保证隔热性能不受影响。
2. 隔热材料的更换和修复应按照规范进行,保证设备和管道的安全运行。
七、附则1. 设备和管道隔热工程应符合国家相关法律法规和标准。
2. 设备和管道隔热技术规范应从严控制,保证设备和管道的安全运行和环境保护。
石油化工设备和管道隔热技术规范八、环境保护1. 施工现场应严格按照国家相关环保法规进行操作,减少对环境的污染。
2. 废弃的隔热材料和其它废弃物应按照规定进行分类处理和处置,保证环境污染最小化。
九、人员培训1. 参与隔热工程的施工人员应具备相关的技术培训和操作证书,并严格按照技术规范进行操作。
2. 施工单位应定期对施工人员进行安全教育和技术培训,提高施工人员的安全意识和技术水平。
十、监督检查1. 隔热工程应设置专门的监督检查岗位,对施工过程进行监督检查,保证施工质量符合规范要求。
2. 监督部门应加强对隔热工程的日常监督检查,发现问题及时整改,确保设备和管道的安全运行。
十一、修改与解释1. 对该技术规范的修改应按照规定程序进行,并应明确修改的内容和原因,保证修改后的技术规范符合实际需求。
SEPM设备和管道隔热材料及其厚度选用规定隔热材料在工业生产中起着关键作用,特别是在涉及到设备和管道的隔热方面。
隔热材料的选用和厚度决定了设备和管道的热损失和能效。
SEPM(石油设备和材料专业委员会)制定了一系列标准和规定,以指导对于设备和管道隔热材料及其厚度的选用。
本文将介绍SEPM设备和管道隔热材料及其厚度选用规定的要点。
1. 质量要求SEPM规定了隔热材料的质量要求,以保证其隔热效果和使用寿命。
隔热材料应具备以下特点:•耐高温:能够承受设备和管道所能达到的最高工作温度;•耐腐蚀:对化学物质和酸碱性环境具有较好的耐受性;•耐磨损:能够承受设备和管道运行过程中的磨损和摩擦;•耐压性:具备一定的抗压能力,以保护设备和管道;•隔热性能稳定:能够长期保持稳定的隔热性能;•轻质高效:具备轻质化和高效隔热的特点。
2. 材料选用根据SEPM的规定,设备和管道隔热材料可以选择以下材料:•硅酸盐隔热材料:硅酸盐材料具有良好的隔热性能和耐腐蚀性能,常用于高温设备和管道的隔热;•矿棉隔热材料:矿棉材料是一种常见且广泛使用的隔热材料,具有良好的隔热性能和吸音性能;•聚苯板隔热材料:聚苯板材料具有较好的隔热性能和抗压能力,广泛应用于建筑和工业领域;•气凝胶隔热材料:气凝胶材料是一种轻质高效的隔热材料,具有极低的导热系数和良好的隔热性能;•硅酸铝纤维板隔热材料:硅酸铝纤维板具有良好的隔热性能和抗高温性能,适用于高温设备和管道的隔热。
3. 厚度选用SEPM规定了隔热材料的厚度选用规定,以达到预期的隔热效果。
厚度的选用应满足以下要求:•设备和管道的工作温度:根据设备和管道的工作温度来确定隔热材料的厚度。
通常情况下,温度越高,需要的隔热材料厚度越大;•隔热效果要求:根据所需的隔热效果来确定隔热材料的厚度。
如果需要更高的隔热效果,就需要选择更厚的隔热材料;•耐压能力:隔热材料的厚度也要考虑到设备和管道的耐压能力。
过厚的隔热材料可能会对设备和管道的正常运行产生不利影响。
管道及设备保温规范细则管道及设备保温规范细则(草稿)根据我公司各装置运⾏的实际情况和维修⼯作的特点,我们制定了全⼚的保温⼯作保温细则,将保温⼯作进⼀步明确化和规范化。
⼀、保温材料的选⽤1、保温材料的选⽤我们推荐使⽤以下材料:保温层:硅酸盐、硅酸铝保护层:镀锌铁⽪δ=(0.3-0.5mm),玻璃丝布(单层,外侧涂防⽔涂料)。
2、保冷材料的选⽤我们推荐使⽤以下材料:保温层:聚氨酯发泡材料保护层:镀锌铁⽪δ=(0.3-0.5mm)。
⼆、保温材料厚度选择表三、检修时保温材料的拆除与恢复规定1、车间保温项⽬每⽉26⽇前报技术处,技术处按相关技术要求审核⼯程量与⼯程造价,报分管经理审批。
2、审批同意后的项⽬由技术处组织实施,并下发⼯程联络单。
3、施⼯结束后由技术处组织车间、施⼯等单位验收,并填写⼯程验收单。
4、技术处进⼀步核实⼯程量与结算费⽤,报分管经理审批后报财务处当⽉结算。
三、检修时保温材料的拆除与恢复规定1、车间在计划检修时,联系技术处,由技术处安排施⼯单位做管道及设备保温材料拆除⼯作。
检修完毕后谁施⼯谁负责及时恢复管道及设备的保温。
2、紧急抢修时,保温材料可⾃⾏拆除,将保温材料妥善保存,发⽣乱拆、损毁、丢失保温材料等,根据情节轻重,对责任单位予以处罚。
3、由于其他原因造成保温材料损毁、丢失时,使⽤单位及时将情况上报技术处。
视具体情况对责任单位给以批评或经济处罚。
四、管道及设备保温材料的⽇常维护和保养1、各车间现场⼯作⼈员,不得对保温的管道和设备进⾏敲打。
发现可能泄露的情况,不允许擅⾃拆除保温,上报车间确认后⽅可按程序拆除保温进⾏检查。
2、各车间现场⼯作⼈员巡检时,应检查各管道和设备的保温情况,发现保温材料出现开裂,温度过⾼(⼤于环境温度20℃)时,应及时上报。
3、管道和设备保温的保护层上,应保持⼲净、整洁,不得有常滴⽔、不得有固体结晶物、不得放置⼀切不必要的物品。
4、现场操作⼈员和检修⼈员,进⾏操作或检修时,不得踩踏保温的管道和设备,如确需踩踏,应铺上厚垫板。
石油化工设备和管道隔热技术标准(SH 3010-2023)目次1.总则2.术语、符号2.1.术语2.2.符号3.根本规定4.隔热构造的设计4.1.隔热材料的选择4.2.隔热层厚度4.3.隔热层厚度计算4.4.隔热构造5.隔热构造的施工5.1.施工预备5.2.隔热层施工5.3.防潮层施工5.4.保护层施工5.5.安全保护6.检查和验收6.1.质量检查6.2.交工技术文件附录A 关系表1 总则1.0.1本标准适用于石油化工设备(塔、换热器、容器、机泵等)和管道隔热工程的设计和施工。
本标准不适用于设备和管道的内隔热衬里设计和有特别要求的管道、长输管道及临时设施隔热工程的设计和施工。
1.0.2隔热工程应依据工艺、节能、防结露和经济性等要求进展设计和施工。
1.0.3隔热工程的设计和施工,除执行本标准外,尚应符合现行有关标准、标准的规定。
2 术语、符号2.1术语2.1.1隔热thermal insulation为削减设备和管道内介质热量或冷量损失,或为防止人体烫伤、稳定操作等,在其外壁或内壁设置隔热层,以削减热传导的措施。
2.1.2保温hot insulation为削减设备和管道内介质热量损失而实行的隔热措施。
2.1.3保冷cold insulation为削减设备和管道内介质冷量损失而实行的隔热措施。
2.1.4防烫伤隔热personal protection insulation为防止热管道烫伤人体而实行的局部隔热措施。
2.1.5裸管bare pipe无外隔热层的管道。
2.1.6经济保温厚度economic insulation thickness保温后的管道年热损失费用与保温工程投资的年份摊费用之和为最小值时的保温层计算厚度。
2.1.7外表温度保温厚度insulation thickness for surface temperature依据规定的保温层外表温度,计算确定的保温层厚度。
2.1.8隔热材料insulation material为保温、保冷、防烫伤或稳定操作等目的而承受的具有良好隔热性能及其他物理性能的材料。
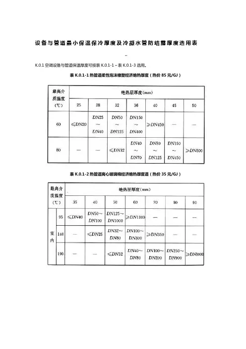
设备与管道最小保温保冷厚度及冷凝水管防结露厚度选用表K.0.1空调设备与管道保温厚度可按表K.0.1-1~表K.0.1-3选用。
表K.0.1-1热管道柔性泡沫橡塑经济绝热厚度(热价85元/GJ)表K.0.1-2热管道离心玻璃棉经济绝热厚度道(热价35元/GJ)续表K.0.1-2表K.0.1-3热管道离心玻璃棉经济绝热厚度道(热价85元/GJ)注:管道与设备保温制表条件:1 全部按经济厚度计算,还贷6年,利息10%,使用期按120天,2880小时。
热价35元/GJ相当于城市供热;热价85元/GJ相当于天然气供热。
2 导热系数λ:柔性泡沫橡塑λ=0.034+0.00013t m;离心玻璃λ=0.031+0.00017t m。
3 适用于室内环境温度20℃,风速0m/s;室外温度为0℃,风速3m/s。
4 设备保温度可按最大口径管道的保温厚度再增加5mm。
δ为环境温度0℃时的查表厚度,T。
为管内5 当室外温度非0℃时,实际采用的厚度。
其中介质温度(℃),T w为实际使用期平均环境温度(℃)。
K.0.2 室内机房内空调设备与管道保冷厚度可按表K.0.2-1~表K.0.2-2中给出的厚度选用。
表K.0.2-1室内机房冷水管道最小绝热层厚度(mm)(介质温度≥5℃)表K.0.2-1室内机房冷水管道最小绝热层厚度(mm)(介质温度≥-10℃)注:管道与设备保冷制表条件:1 均采用经济厚度和防结露要求确定的绝热层厚度。
冷价按75元/GJ;还贷6年,利息10%,使用期按120天,2880小时。
2 Ⅰ区系指较干燥地区,室内机房环境温度不高于31℃、相对湿度不大于75%;Ⅱ区系指较潮湿地区,室内机房环境温度不高于33℃、相对湿度不大于80%;各城市或地区可对照使用。
3 导热系数λ:柔性泡沫橡塑λ=0.034+0.00013t m;离心玻璃λ=0.031+0.00017t m;聚氨酯发泡λ=0.0275+0.00009t m。
1989年编制的院标BA2-3-9-89《设备和管道隔热材料及其厚度选用规定》由于编制该标准所依据的国标(GB4272-84)《设备及管道保温技术通则》和石油工业部标准(SYJ1021-82)《炼油厂设备和管线隔热设计技术规定》都进行了修改。
同时,近年来各种新型隔热材料在石化企业广泛应用。
为了适应生产要求,本标准从设计、生产实际出发,在遵循现行标准原则基础上,对BA2-3-9-89标准进行了修改,增加了新材料,取消了性能不符合要求的材料,并对各种材料厚度进行核算。
1、本规定适用于新建石油化工企业设备和管道隔热材料及其厚度的选用。
对老厂扩建、改造的设备和管道可参考选用。
2、本规定是根据GB4272-92《设备及管道保温技术通则》GB11790-89《设备及管道保冷技术通则》,GB8175-87《设备及管道保温设计导则》及SHJ10-90《石油化工企业设备和管道隔热设计规范》等,在BA2-3-9-89《设备和管道隔热材料及其厚度选用规定》基础上进行编制的。
3、一般规定3.1 具有下列情况之一者的设备和管道(含管子、管件、阀门等)必须保温。
3.1.1 为减少热量损失,外表面温度大于50℃的设备和管道;3.1.2 介质凝固点或冰点高于环境温度(系指年平均温度)的设备和管道;3.1.3 为满足工艺、生产要求或改善劳动条件需要保温的设备和管道。
3.2 具有下列情况之一的设备和管道(含管子、管件、阀门等)必须保冷。
3.2.1 为减少冷介质在生产或输送过程中的冷量损失;3.2.2 为防止在环境温度下低温设备和管道外表面结露;3.2.3 为减少冷介质在生产或输送过程中温升或气化3.3 表面温度等于或大于60℃不保温的设备和管道,需要经常维护的部位,应在下列范围内进行防烫保温:3.3.1 高出地面或工作平台2.1m以内者;3.3.2 离开操作平台0.75m以内者。
4、对隔热材料性能的要求4.1 保温材料制品应符合下列要求:4.1.1 平均温度(tm)等于或低于350℃时,导热系数不得大于0.12w/m.k,并应有明确温度变化的导热系数方程或图表;4.1.2 保温材料制品的密度不应大于300kg/m3;4.1.3 硬质保温材料制品的抗压强度不应小于0.4MPa。
设备和管道隔热技术规范隔热工作在工业生产中起到了至关重要的作用。
其主要目的是控制能量的转移速率,即通过减少热量流和保持适当温度来保护设备,实现节能和环保。
而隔热技术规范是制定隔热设计方案,保证设备和管道的完整性和性能的重要依据。
一、设备隔热技术规范在设备隔热的选择和应用技术中,首先要考虑物料和能量流的特性。
任何材料都会发生隔热效果的变化,因此隔热设计要尽可能准确地估计其作用时间、环境温度和其他因素的影响。
同时根据需求进行合适的隔热材料选择,选择性因素主要有保温效果、耐火性能、隔音性能、耐久性和可维护性等。
其次,需要进行隔热材料的施工工艺和施工质量分析。
这些工作包括隔热材料的加工、质量检验、表面处理和施工方法等。
由于隔热材料容易出现老化和拆卸,因此需要注意隔热保护措施和完善的维护保养计划,以确保隔热材料长期使用的效应。
最后,还需要根据行业和国家标准,制定适当的隔热技术规范。
无论是技术规范的编制还是其实施,都需要严格按照标准要求进行。
隔热技术规范要考虑包括材料、施工、使用、保养维护等方面在内的一系列因素,并且至少每年进行一次全面的技术检测和维护工作。
二、管道隔热技术规范管道隔热在保护设备和提高能源利用率方面也具有重要的作用。
管道隔热技术规范的主要目的是确保管道系统具有可靠的保温性能和耐久性。
制定管道隔热技术规范需要考虑管道的直径、外形和表面温度,以及管道周围环境的温度、湿度和其他条件。
在管道隔热方面,首先需要进行有效的材料选择和技术设计。
必须确保隔热材料能够耐受工作压力和震动,同时不会受到流体腐蚀和水合作用的影响。
根据不同的介质特性,应选用具有不同隔热性能的管绝热材料,以确保保温效果的合理性和可持续性。
其次,需要关注管道的维护和保养工作。
隔热材料如若没有得以及时的保养和维护,它的效率及性能就会流失、出现缺失等,出现严重问题则可通过管道窥视镜查看,平时需要定期擦拭和清洗。
最后,在管道隔热技术规范实施中,管道的安装和维护工作是必不可少的。
1989年编制的院标BA2-3-9-89《设备和管道隔热材料及其厚度选用规定》由于编制该标准所依据的国标(GB4272-84)《设备及管道保温技术通则》和石油工业部标准(SYJ1021-82)《炼油厂设备和管线隔热设计技术规定》都进行了修改。
同时,近年来各种新型隔热材料在石化企业广泛应用。
为了适应生产要求,本标准从设计、生产实际出发,在遵循现行标准原则基础上,对BA2-3-9-89标准进行了修改,增加了新材料,取消了性能不符合要求的材料,并对各种材料厚度进行核算。
1、本规定适用于新建石油化工企业设备和管道隔热材料及其厚度的选用。
对老厂扩建、改造的设备和管道可参考选用。
2、本规定是根据GB4272-92《设备及管道保温技术通则》GB11790-89《设备及管道保冷技术通则》,GB8175-87《设备及管道保温设计导则》及SHJ10-90《石油化工企业设备和管道隔热设计规范》等,在BA2-3-9-89《设备和管道隔热材料及其厚度选用规定》基础上进行编制的。
3、一般规定3.1 具有下列情况之一者的设备和管道(含管子、管件、阀门等)必须保温。
3.1.1 为减少热量损失,外表面温度大于50℃的设备和管道;3.1.2 介质凝固点或冰点高于环境温度(系指年平均温度)的设备和管道;3.1.3 为满足工艺、生产要求或改善劳动条件需要保温的设备和管道。
3.2 具有下列情况之一的设备和管道(含管子、管件、阀门等)必须保冷。
3.2.1 为减少冷介质在生产或输送过程中的冷量损失;3.2.2 为防止在环境温度下低温设备和管道外表面结露;3.2.3 为减少冷介质在生产或输送过程中温升或气化3.3 表面温度等于或大于60℃不保温的设备和管道,需要经常维护的部位,应在下列范围内进行防烫保温:3.3.1 高出地面或工作平台2.1m以内者;3.3.2 离开操作平台0.75m以内者。
4、对隔热材料性能的要求4.1 保温材料制品应符合下列要求:4.1.1 平均温度(tm)等于或低于350℃时,导热系数不得大于0.12w/m.k,并应有明确温度变化的导热系数方程或图表;4.1.2 保温材料制品的密度不应大于300kg/m3;4.1.3 硬质保温材料制品的抗压强度不应小于0.4MPa。
设备和管道隔热材料及其厚度选用规定1. 引言在工业生产和日常生活中,设备和管道的隔热是非常重要的。
隔热材料的选择和厚度的确定将直接影响到设备和管道的性能和能源消耗。
本文将介绍设备和管道隔热材料的选用规定,包括隔热材料的选择原则、常见隔热材料和其特点以及隔热材料厚度的确定。
2. 隔热材料的选择原则在选择隔热材料时,应考虑以下几个原则:2.1 导热性能隔热材料的主要功能是减少能量的传导,因此其导热性能是选择的关键因素。
导热性能的好坏直接影响到隔热材料的效果。
一般来说,导热系数越低的材料,隔热效果越好。
2.2 耐温性能由于设备和管道在工作过程中会受到高温的影响,隔热材料需要具备一定的耐温性能,以确保其在长期高温环境下不会发生破损或失效。
不同的设备和管道所需的耐温性能也有所差异,因此需要根据具体情况进行选择。
2.3 耐腐蚀性能一些特殊工况下,设备和管道所处的介质可能具有腐蚀性,因此隔热材料需要具备一定的耐腐蚀性能,以防止介质对隔热材料造成损害。
2.4 环保性能在选用隔热材料时,还应考虑其环保性能,选择对环境影响较小的材料,避免环境污染。
3. 常见隔热材料及其特点3.1 矿棉矿棉是一种常见的隔热材料,具有良好的隔热性能和降噪性能。
矿棉具有导热系数低、耐高温、耐腐蚀等特点,常用于设备和管道的隔热。
3.2 聚氨酯泡沫聚氨酯泡沫具有导热系数低、耐温性能好的特点,同时还具备一定的抗震性能和吸音性能。
聚氨酯泡沫的隔热效果较好,广泛应用于建筑和工业设备的隔热领域。
3.3 硅酸盐纤维硅酸盐纤维是一种无机纤维,具有导热系数低、耐高温、耐腐蚀等特点。
硅酸盐纤维可以分为陶瓷纤维和岩棉两种,常用于高温设备和管道的隔热。
3.4 聚苯板聚苯板是一种聚合物材料,具有导热系数低、耐温性能好的特点。
聚苯板轻巧易施工,常用于建筑和设备隔热。
4. 隔热材料厚度的确定隔热材料的厚度选择是确定隔热效果的关键因素。
一般而言,隔热材料的厚度越大,隔热效果越好。
绝热设计1.说明绝热设计规定了保温和保冷的设计的基本原则要求、绝热材料的选择、绝热层厚度的计算、绝热计算主要数据选取原则及绝热结构。
2.术语、符号2.1 术语2.1.1绝热thermal insulation, insulation保温与保冷的统称。
2.1.2保温heat insulation为减少设备、管道及其附件向周围环境散热,在其外表面采取的包覆措施。
2.1.3保冷cold insulation为减少周围环境中的热量传入低温设备和管道内部,防止低温设备和管道外壁表面凝露,在其外表面采取的包覆措施。
2.1.4绝热层thermal insulation layer对维护介质温度稳定起主要作用的绝热材料及其制品。
2.1.5绝热结构thermal insulation construction由绝热层、防潮层、保护层等组成的结构综合体。
2.1.6经济厚度economic thickness绝热后,年散热损失所花费的费用和绝热工程投资的年摊销费用之和为最小值时的计算厚度。
2.1.7设计使用年限design service years在计算经济厚度时所选取的计算年数(n),或绝热工程正常使用年数。
2.1.8绝热材料的允许使用温度allow service temperatrue for insulationmaterials绝热材料及其制品在长期运行时,材料没有变形、熔化、焦化、疏脆、松散、失强等现象的温度。
2.1.9冷桥cold bridge埋在保冷层中,导热系数很大,以致引起冷量大量流失的部件。
2.1.10绝热材料的平均温度mean temperatrue of insulation materials绝热材料在使用环境下,其绝热层内表面温度与绝热层外表面温度的平均值。
2.2符号3.基本原则3.1管道与设备绝热应用定义如下:3.1.1管道:A.公称直径24″及以下之管道;B.各种尺寸的管配件,如弯头、法兰、阀类、膨胀接头等;C.24″及以下直径的圆形塔柱、桶槽及换热器。
隔热工程统一规定目录1总则 (1)2引用的标准规范 (1)3气象资料 (1)4绝热设计 (2)5绝热材料 (4)6阀门等异形构件的热保温 (7)7绝热层厚度 (8)8绝热结构 (9)9检查和验收 (11)1总则1.1目的为使项目设计阶段设备和管道隔热设计的合理和安全,特编制本规定。
本规定规定了各项目设计阶段设备和管道的隔热设计的基本原则、隔热材料的选择原则、隔热计算以及隔热材料的厚度选用。
1.2范围1.2.1本说明用于各项目设计中设备和管道的隔热设计和施工。
1.2.2本规定不适用于设备和管道内保温衬里设计和由制造厂提供的与设备配套的隔热工程的设计。
2引用的标准规范3气象资料气象资料如下:年平均气温17.1℃历年最热月平均气温(七月) 31.8℃历年最冷月平均气温(一月) 3.2℃绝对最高气温40.3℃绝对最低气温-11.9℃年平均风速2.96m/s年最大风速19.0m/s 主导风向北(N)年平均相对湿度79% 夏季平均湿度80%冬季平均湿度77% 全年最大湿度100%全年最小湿度8%4绝热设计4.1设计原则隔热设计应符合减少散热损失、节约能源、满足工艺要求、保持生产能力、提高经济效益、改善工作环境、防止烫伤等基本原则。
4.2一般规定4.2.1设备和管道隔热工程的设计执行GB 50264-2013、GB/T 4272-2008、GB/T 8175-2008、HG/T20679-2014的规定。
4.2.2保温材料的选择以被保温管道的设计温度为依据,保温材料及制品的允许使用温度应高于设备和管道的设计温度。
4.2.3保温和防烫的保温厚度计算应以内部介质的正常操作温度为依据。
4.2.4保冷材料的选择应以被保温管道的设计温度为依据,保冷材料及制品的允许使用温度应低于设备和管道的设计温度。
4.2.5保冷和防结露的保冷厚度计算应以内部介质正常操作时的最低温度为依据。
4.2.6设备和管道四周的接管及结构部件,保冷和防结露的保冷厚度应按设备和管道的最低设计温度及构件的等量直径确定。
目次1 总则1.1 目的1.2 适用范围1.3 引用标准1.4 替代标准2 常用绝热材料的性能2.1 岩棉、矿渣棉及其制品2.2 玻璃棉及其制品2.3 硅酸钙绝热制品2.4 硅酸铝棉及其制品2.5 硅酸盐复合绝热涂料2 6 泡沫玻璃2.7 硬质聚氨酯泡沫塑料2.8 聚苯乙烯泡沫塑料2.9 绝热材料及其制品主要性3 绝热材料的选择3.1 保温层材料的选择3.2 保冷层材料的选择3.3 辅助材料的选择4 绝热设计4.1 保温设计的基本原则4.2 保冷设计的基本原则4.3 保温(保冷)计算附录 A岩棉、矿渣棉及其制品的厚度选用附录 B玻璃棉及其制品的厚度选用附录 C 硅酸钙绝热制品的厚度选用附录 D 硅酸铝棉及其制品的厚度选用附录 E 复合硅酸镁铝制品的厚度选用附录 F 泡沫玻璃的厚度选用附录 G 硬质聚氨酯泡沫塑料制品的厚度选用附录 H 聚苯乙烯泡沫塑料制品的厚度选用附录 I硅酸盐复合绝热涂料的用量选用表附录 J 硅酸纤维绳的用量选用表附录 K防烫层厚度选用表附录 L 设备保温厚度选用表1 总则1.1 目的为提高化工装置工程设计的设备和管道设计质量,合理选用绝热材料及其厚度,特编制本标准。
1.2 范围1.2.1 本标准规定了设备和管道隔热材料的选择原则、隔热设计的基本原则、保温(保冷)计算及各种隔热材料的厚度选用表。
1.2.2 本标准适用于新建、扩建和改建的化工装置中基础设计及详细设计阶段的设备和管道隔热材料及其厚度的选用。
1.3 引用标准使用本标准时,应使用下列标准的最新版本。
GBJ 126 《工业设备及管道绝热工程施工及验收规范》 SH 3010 《石油化工设备和管道隔热设计规范》1.4 替代标准本标准代替 SEPM 0055-2000《管道隔热材料及其厚度选用规定》。
2 常用绝热材料的性能2.1 绝热材料及其制品主要性能绝热材料及其制品主要性能见表 2.1。
2.2 岩棉、矿渣棉及其制品岩棉、矿渣棉是指以天然岩石、工业矿渣等为主要原料制成的。
岩棉、矿渣棉可加入酚醛树脂制成或直接贴面缝合成毡、板、带、管壳、缝毡、贴面毡等各种制品。
其主要性能指标见表 2.2。
2.3 玻璃棉及其制品玻璃棉是用熔融状玻璃原料或玻璃制品制成的一种矿物棉,玻璃棉加入固性粘结剂可制成玻璃棉板、带、毡、管壳等各种制品。
玻璃棉产品主要分为保温棉毡、保温棉板和保温棉管三类。
其主要性能指标见表2.3。
2.4 硅酸钙绝热制品硅酸钙绝热材料是以氧化硅、氧化钙和增强纤维(如石棉、玻璃纤维)为主要原料而制成的一种新型材料。
由于原料和反应条件不同,雪硅钙石的最高使用温度为 650 ℃,硬硅钙型的最高使用温度为 1000 ℃。
硅酸钙绝热制品的主要性能指标见表2.4。
2.5 硅酸铝棉及其制品硅酸铝棉是以粘土、矾土、氧化铝和石英为原料而制成的,其制品主要有硅酸铝棉板、硅酸铝棉毡、硅酸铝棉毯和硅酸铝棉管。
硅酸铝棉及其制品的主要性能指标见表 2.5。
2.6 硅酸盐复合绝热涂料硅酸盐复合涂料是用硅酸盐材料复合而成,以无机硅酸盐天然矿物纤维和人造硅酸盐纤维为主要成分。
用于奥氏体不锈钢材料表面的绝热,需提供氯离子含量检验报告,氯离子含量应符合 GBJ 126 中的要求。
其主要性能指标见表 2.6。
2 7 泡沫玻璃泡沫玻璃是以平板玻璃为主要原料,经粉碎掺碳、烧结发泡和退火冷却处理后制得。
适合用于保冷,尤其是深冷。
使用温度范围为-200 ℃~400 ℃。
其主要性能指标见表 2.7。
2.8 硬质聚氨酯泡沫塑料聚氨酯硬质泡沫塑料是用聚醚或聚酯多元醇与多异氰酸酯为主要原料,再加催化剂、稳泡剂和氟里昂发泡剂等,经混合、搅拌产生化学反应而形成发泡体。
硬质聚氨酯泡沫塑料的主要性能指标见表 2.8。
2.9 聚苯乙烯泡沫塑料聚苯乙烯泡沫塑料是以聚苯乙烯发泡而成,由表皮层和中心层构成蜂窝状结构。
其主要性能指标见表 2.9。
3 绝热材料的选择3.1 保温层材料的选择3.1.1 导热系数小保温材料及其制品的平均温度低于或等于 350 ℃时,其导热系数不得大于 0.12 W/(müK);保冷材料的平均温度低于 27 ℃时,其导热系数不应大于 0.064 W/(müK)。
3.1.2 密度小硬质保温材料及其制品密度不应大于 300 kg/m3;软质和半硬质保温材料及其制品的密度不应大于 200 kg/m3;保冷材料及其制品的密度不应大于 200 kg/m3。
3.1.3 机械强度硬质保温制品抗压强度不应小于 0.4 MPa;硬质保冷制品抗压强度不应小于 0.15 MPa。
3.1.4 安全使用温度范围安全使用温度范围应符合表 2.9 的规定,略高于保温对象表面的设计温度。
3.1.5 非燃烧性石油化工企业内部所使用的保温材料应为非燃烧材料。
3.1.6 化学性能符合要求用于与奥氏体不锈钢表面接触的绝热材料应符合 GBJ 126 有关氯离子含量的规定。
3.1.7 保温工程的设计使用年数一般以五至七年为宜。
保温材料在投资偿还年限内不应失效。
3.1.8 价格要求单位热阻的价格低。
3.1.9 保温材料对现场的适应性需经常拆除保温的地方,应选用易拆卸且不易破碎的材料;有振动的设备和管道应选用防振材料;化学药品易泄漏部位,应考虑防腐蚀。
3.1.10 安全性考虑腐蚀和泄漏所引起的危险,选用对被保温的设备和管道无腐蚀的材料;火灾时可产生有害气体的危险,应选用不燃材料。
3.1.11 施工性能施工性能好的材料应具有不易破碎、加工容易、粉尘少、密度小和易维护的性能。
3.2 保冷层材料的选择保冷材料及其制品用于常温以下的绝热或 0 ℃以上常温以下的防结露,应为闭孔型材料,材料的吸水率低、吸湿率低和透气率低,并应有良好的抗冻性,在低温下物性稳定,可长期使用。
除以上各技术指标外,还应符合:a) 含水率(质量)不大于 1 %;b) 非燃烧性或阻燃性,氧指数不小于 30。
3.3 辅助材料的选择3.3.1 保护层材料的选择3.3.1.1 主要技术性能保护层应具有严密的防水、防潮、抗大气腐蚀、良好的化学稳定性(不腐蚀绝热层或防潮层)和不燃性。
在使用条件下,应具有不软化、不脆裂且抗老化等性能。
其使用寿命不得小于设计使用年限。
3.3.1.2 常用保护层材料的选择3.3.1.2.1 软质、半软质绝热材料的保护层宜选用 0.5 mm 镀锌或不镀锌薄钢板;硬质绝热材料的保护层宜选用 0.5 mm~0.8 mm 铝或合金铝板,也可选用 0.5 mm镀锌或不镀锌薄钢板。
3.3.1.2.2 用于火灾危险性不属于甲、乙、丙类生产装置或设备和不划为爆炸危险区域的非燃性介质的公用工程设备和管道的绝热层材料,可选用 0.5 mm~0.8 mm阻燃型带铝箔玻璃钢板。
3.3.2防潮层材料的选择防潮层材料的主要技术性能如下:a) 具有抗蒸汽渗透性能、防潮性能、防水性能,吸水率不应大于 1 %;b) 应具有阻燃性、自熄性;c) 粘结及密封性能好,20 ℃时的粘结强度不低于 0.15 MPa;d) 安全使用温度范围大,有一定的耐温性,软化温度不低于 65 ℃。
有一定的抗冻性,冬季不脆裂、不脱落;夏季不软化、不起泡、不流淌;e) 化学性能稳定,挥发物不大于 30 %;无毒且耐腐蚀,不得对绝热层和保护层产生腐蚀或溶解作用。
4 绝热设计4.1 保温设计的基本原则4.1.1 保温设计应符合减少散热损失,节约能源,满足工艺要求,提高经济效益,改善工作环境防止烫伤等基本原则。
4.1.2 具有下列情况之一的设备或管道及组成件应予保温:a) 外表面温度高于 50 ℃;b) 表面温度低于或等于 50 ℃但工艺需要保温的设备和管道;c) 介质凝固点或冰点高于最低环境温度的设备和管道。
4.1.3 具有下列情况之一的设备或管道可不保温:a) 要求散热或必须裸露的设备和管道;b) 要求及时发现泄漏的设备和管道法兰;c) 内部有绝热,耐磨衬里的设备和管道;d) 须经常监视或测量以防止发生损坏的部位;e) 工艺生产中的排气、放空等不需要保温的管道。
4.1.4 表面温度超过 60 ℃但工艺要求不保温的设备或管道,需要经常维护又无法采用其它措施防止烫伤的部位,应在下列范围内设置防烫伤保温:a) 高于地面或操作平台 2.1 m 以内者;b) 离开操作面 0.75 m 以内者。
4.2 保冷设计的基本原则常温以下的设备或管道,应在减少冷量损失的同时,确保保冷层外表面温度高于环境的露点温度。
具有下列情况之一的设备和管道必须保冷:a) 需减少冷介质在生产或输送过程中的温升或气化的设备和管道;b) 需减少冷介质在生产或输送过程中的冷量损失或规定允许冷损失量的设备和管道;c) 需防止在环境温度下,表面凝露的设备和管道。
4.3 保温(保冷)计算4.3.1 保温计算根据不同的目的和限制条件,采用不同的保温计算方法。
为减少保温结构散热损失的保温层厚度,应按“经济厚度法”计算,其散热损失不得超过标准的规定值。
只有在用“经济厚度法”计算无法满足散热损失要求或无法使用“经济厚度法”计算时,方可按允许热损失计算;防止烫伤部位的保温层厚度,应按“表面温度法”计算,保温层外表面温度不宜超过 60 ℃;为限定表面散热热流量,应采用最大允许散热损失法计算。
4.3.2 保冷计算为减少冷量损失,采用“经济厚度法”计算保冷层厚度;为防止外表面结露,采用“表面温度法”计算保冷层厚度;工艺上允许一定量冷损失的保冷层厚度用“热平衡法”计算。
校核外表面温度时,应高于露点温度 1℃~3℃。
4.3.3 厚度选用各种隔热材料及其制品的厚度选用可参照附录 A 至附录 L。
4.3.4 经济厚度由于采用“经济厚度法”计算隔热层需要考虑保温结构造价,而该价格是随时变化的,设计中应该按当时的价格才可真正计算“经济厚度”,所以本标准中隔热层厚度,见附录 A 至附录 L,是按照最大热损失方法计算的,供设计中参考选用。