消防气压给水设备安装检验批质量验收记录
- 格式:xlsx
- 大小:13.16 KB
- 文档页数:1
给水管道及配件安装检验批质量验收记录消防完成给水管道及配件安装检验批质量验收记录05010501单位(子单位)工程名称分部(子分部)工程名称建筑给水排水及采暖分部-室内给水系统子分部分项工程名称消防管道及配件安装分项施工单位项目负责人检验批容量镀锌管370根分包单位分包单位项目负责人检验批部位地下室施工依据《建筑给水排水及采暖工程施工工艺标准》(GSQB12-10-2006)验收依据《建筑给水排水及采暖工程质量验收规范》GB50242-2002 验收项目设计要求及规范规定最小/实际抽样数量检查记录果主控项目1 给水管道水压试验设计要求/ 水压试验符合设计及规范要求2 给水系统通水试验第4 . 2 . 2条/ 通水试验符合设计及规范要求3 生活给水系统管道冲洗和消毒第4 . 2 . 3条/ /4 直埋金属给水管道防腐第4 . 2 . 4条/ /一般项目1 给排水管铺设的平行、垂直净距第4 . 2 . 5条 5 / 5 抽查5处,合格5处2 金属给水管道及管件焊接第4 . 2 . 6条/ /3 给水水平管道坡度坡向第4 . 2 . 7条/ /4 管道支、吊架第4 . 2 . 9条 3 / 3 抽查3处,合格3处5水表安装第4 . 2 . 10条/ /6水平管道纵、横方向弯曲允许偏差钢管每米1mm 3 / 3 抽查3处,合格3处全长25m以上≯25mm / / 塑料管每米 1.5mm / /全长25m以上≯25mm / / 铸铁管每米 2mm / /全长25m以上≯25mm / /立管垂直度允许偏差钢管每米3mm 3 / 3 抽查3处,合格3处5m以上≯8mm / / 塑料管复合管每米2mm / /5m以上≯8mm / /铸铁管每米3mm / /5m以上≯10mm / / 成排管段和成排阀门在同一平面上的间距3mm 6 / 6 抽查6处,合格5处7管道及设备保温厚度﹢0.1δ﹣0.05δ6 / 6 抽查6处,合格6处表面平整度卷材5mm / /涂料10mm / /给水管道及配件安装检验批质量验收记录05010501施工单位检查结果主控项目全部合格,一般项目满足规范规定要求;检查评定合格专业工长:项目专业质量检查员:年月日监理单位验收结论专业监理工程师:年月日单位(子单位)工程名称上虞万达广场J4-B 地块商铺1层分部(子分部)工程名称建筑给水排水及采暖分部-室内给水系统子分部分项工程名称消防管道及配件安装分项施工单位中国建筑第二工程局有限公司项目负责人陆信法检验批容量镀锌管176根分包单位华升建设集团浙江消防工程有限公司分包单位项目负责人娄东灿检验批部位商铺1层施工依据《建筑给水排水及采暖工程施工工艺标准》(GSQB12-10-2006)验收依据《建筑给水排水及采暖工程质量验收规范》GB50242-2002验收项目设计要求及规范规定最小/实际抽样数量检查记录检查结果主控项目 1 给水管道水压试验设计要求 / 水压试验符合设计及规范要求 2 给水系统通水试验第4 . 2 . 2条 / 通水试验符合设计及规范要求3 生活给水系统管道冲洗和消毒第4 . 2 . 3条 / / 4 直埋金属给水管道防腐第4 . 2 . 4条 / /一般项目1 给排水管铺设的平行、垂直净距第4 .2 . 5条 5 / 5 抽查5处,合格5处2 金属给水管道及管件焊接第4 . 2 . 6条 / /3 给水水平管道坡度坡向第4 . 2 . 7条 / /4 管道支、吊架第4 . 2 . 9条 3 / 3 抽查3处,合格3处5水表安装第4 . 2 . 10条/ /6水平管道纵、横方向弯曲允许偏差钢管每米1mm 3 / 3 抽查3处,合格3处全长25m 以上≯25mm / / 塑料管复合管每米1.5mm / / 全长25m 以上≯25mm / / 铸铁管每米2mm / / 全长25m 以上≯25mm/ /立管垂直度允许偏差钢管每米 3mm 3 / 3 抽查3处,合格3处5m 以上≯8mm / / 塑料管复合管每米 2mm / / 5m 以上≯8mm / / 铸铁管每米 3mm / / 5m 以上≯10mm / /成排管段和成排阀门在同一平面上的间距3mm6 / 6抽查6处,合格5处给水管道及配件安装检验批质量验收记录050105017管道及设备保温厚度﹢0.1δ ﹣0.05δ 6 / 6 抽查6处,合格6处表面平整度卷材 5mm / / 涂料10mm//施工单位检查结果主控项目全部合格,一般项目满足规范规定要求;检查评定合格专业工长:项目专业质量检查员:年月日监理单位验收结论专业监理工程师:年月日单位(子单位)工程名称上虞万达广场J4-B 地块商铺2层分部(子分部)工程名称建筑给水排水及采暖分部-室内给水系统子分部分项工程名称消防管道及配件安装分项施工单位中国建筑第二工程局有限公司项目负责人陆信法检验批容量镀锌管19根分包单位华升建设集团浙江消防工程有限公司分包单位项目负责人娄东灿检验批部位商铺2层施工依据《建筑给水排水及采暖工程施工工艺标准》(GSQB12-10-2006)验收依据《建筑给水排水及采暖工程质量验收规范》GB50242-2002验收项目设计要求及规范规定最小/实际抽样数量检查记录检查结果主控项目 1 给水管道水压试验设计要求 / 水压试验符合设计及规范要求 2 给水系统通水试验第4 . 2 . 2条 / 通水试验符合设计及规范要求3 生活给水系统管道冲洗和消毒第4 . 2 . 3条 / / 4 直埋金属给水管道防腐第4 . 2 . 4条 / /一般项目1 给排水管铺设的平行、垂直净距第4 .2 . 5条 5 / 5 抽查5处,合格5处2 金属给水管道及管件焊接第4 . 2 . 6条 / /3 给水水平管道坡度坡向第4 . 2 . 7条 / /4 管道支、吊架第4 . 2 . 9条 3 / 3 抽查3处,合格3处5水表安装第4 . 2 . 10条/ /6 水平管道纵、横方向弯曲允许偏差钢管每米1mm 3 / 3 抽查3处,合格3处全长25m 以上≯25mm / / 塑料管复合管每米1.5mm / / 全长25m 以上≯25mm / / 铸铁管每米2mm / / 全长25m 以上≯25mm/ /立管垂直度允许偏差钢管每米 3mm 3 / 3 抽查3处,合格3处5m 以上≯8mm / / 塑料管复合管每米 2mm / / 5m 以上≯8mm//给水管道及配件安装检验批质量验收记录05010501铸铁管每米 3mm / / 5m 以上≯10mm / / 成排管段和成排阀门在同一平面上的间距3mm / /7管道及设备保温厚度﹢0.1δ ﹣0.05δ6 / 6 抽查6处,合格6处表面平整度卷材 5mm / / 涂料10mm//施工单位检查结果主控项目全部合格,一般项目满足规范规定要求;检查评定合格专业工长:项目专业质量检查员:年月日监理单位验收结论专业监理工程师:年月日单位(子单位)工程名称上虞万达广场J4-B 地块7#楼分部(子分部)工程名称建筑给水排水及采暖分部-室内给水系统子分部分项工程名称消防管道及配件安装分项施工单位中国建筑第二工程局有限公司项目负责人陆信法检验批容量镀锌管36根分包单位华升建设集团浙江消防工程有限公司分包单位项目负责人娄东灿检验批部位7#楼施工依据《建筑给水排水及采暖工程施工工艺标准》(GSQB12-10-2006)验收依据《建筑给水排水及采暖工程质量验收规范》GB50242-2002验收项目设计要求及规范规定最小/实际抽样数量检查记录检查结果主控项目 1 给水管道水压试验设计要求 / 水压试验符合设计及规范要求 2 给水系统通水试验第4 . 2 . 2条 / 通水试验符合设计及规范要求3 生活给水系统管道冲洗和消毒第4 . 2 . 3条 / / 4 直埋金属给水管道防腐第4 . 2 . 4条 / /一般项目1 给排水管铺设的平行、垂直净距第4 .2 . 5条 5 / 5 抽查5处,合格5处2 金属给水管道及管件焊接第4 . 2 . 6条 / /3 给水水平管道坡度坡向第4 . 2 . 7条 / /4 管道支、吊架第4 . 2 . 9条 3 / 3 抽查3处,合格3处5水表安装第4 . 2 . 10条/ /6 水平管道纵、横方向弯曲允许偏差钢管每米1mm 3 / 3 抽查3处,合格3处全长25m 以上≯25mm / / 塑料管复合管每米1.5mm / / 全长25m 以上≯25mm / / 铸铁管每米2mm / / 全长25m 以上≯25mm/ /立管钢管每米3mm3 / 3抽查3处,合格3处给水管道及配件安装检验批质量验收记录05010501垂直度允许偏差5m 以上≯8mm / / 塑料管复合管每米 2mm / / 5m 以上≯8mm / / 铸铁管每米 3mm / / 5m 以上≯10mm / / 成排管段和成排阀门在同一平面上的间距3mm / /7管道及设备保温厚度﹢0.1δ ﹣0.05δ6 / 6 抽查6处,合格6处表面平整度卷材 5mm / / 涂料10mm//施工单位检查结果主控项目全部合格,一般项目满足规范规定要求;检查评定合格专业工长:项目专业质量检查员:年月日监理单位验收结论专业监理工程师:年月日单位(子单位)工程名称上虞万达广场J4-B 地块8#楼分部(子分部)工程名称建筑给水排水及采暖分部-室内给水系统子分部分项工程名称消防管道及配件安装分项施工单位中国建筑第二工程局有限公司项目负责人陆信法检验批容量镀锌管36根分包单位华升建设集团浙江消防工程有限公司分包单位项目负责人娄东灿检验批部位8#楼施工依据《建筑给水排水及采暖工程施工工艺标准》(GSQB12-10-2006)验收依据《建筑给水排水及采暖工程质量验收规范》GB50242-2002验收项目设计要求及规范规定最小/实际抽样数量检查记录检查结果主控项目 1 给水管道水压试验设计要求 / 水压试验符合设计及规范要求 2 给水系统通水试验第4 . 2 . 2条 / 通水试验符合设计及规范要求3 生活给水系统管道冲洗和消毒第4 . 2 . 3条 / / 4 直埋金属给水管道防腐第4 . 2 . 4条 / /一般项目1 给排水管铺设的平行、垂直净距第4 .2 . 5条 5 / 5 抽查5处,合格5处2 金属给水管道及管件焊接第4 . 2 . 6条 / /3 给水水平管道坡度坡向第4 . 2 . 7条 / /4 管道支、吊架第4 . 2 . 9条 3 / 3 抽查3处,合格3处5水表安装第4 . 2 . 10条/ /6 水平管道纵、横方向弯钢管每米1mm 3 / 3 抽查3处,合格3处全长25m 以上≯25mm / / 塑料管复合管每米1.5mm / / 全长25m 以上≯25mm//给水管道及配件安装检验批质量验收记录05010501曲允许偏差铸铁管每米2mm / / 全长25m 以上≯25mm/ /立管垂直度允许偏差钢管每米 3mm 3 / 3 抽查3处,合格3处5m 以上≯8mm / / 塑料管复合管每米 2mm / / 5m 以上≯8mm / / 铸铁管每米 3mm / / 5m 以上≯10mm / / 成排管段和成排阀门在同一平面上的间距3mm / /7管道及设备保温厚度﹢0.1δ ﹣0.05δ6 / 6 抽查6处,合格6处表面平整度卷材 5mm / / 涂料10mm//施工单位检查结果主控项目全部合格,一般项目满足规范规定要求;检查评定合格专业工长:项目专业质量检查员:年月日监理单位验收结论专业监理工程师:年月日单位(子单位)工程名称上虞万达广场J4-B 地块9#楼分部(子分部)工程名称建筑给水排水及采暖分部-室内给水系统子分部分项工程名称消防管道及配件安装分项施工单位中国建筑第二工程局有限公司项目负责人陆信法检验批容量镀锌管40根分包单位华升建设集团浙江消防工程有限公司分包单位项目负责人娄东灿检验批部位9#楼施工依据《建筑给水排水及采暖工程施工工艺标准》(GSQB12-10-2006)验收依据《建筑给水排水及采暖工程质量验收规范》GB50242-2002验收项目设计要求及规范规定最小/实际抽样数量检查记录检查结果主控项目1 给水管道水压试验设计要求 / 水压试验符合设计及规范要求2 给水系统通水试验第4 . 2 . 2条 / 通水试验符合设计及规范要求3 生活给水系统管道冲洗和消毒第4 . 2 . 3条 / / 4 直埋金属给水管道防腐第4 . 2 . 4条 / /一般项目1 给排水管铺设的平行、垂直净距第4 .2 . 5条 5 / 5 抽查5处,合格5处2 金属给水管道及管件焊接第4 . 2 . 6条 / /3 给水水平管道坡度坡向第4 . 2 . 7条 / /4 管道支、吊架第4 . 2 . 9条 3 / 3 抽查3处,合格3处5水表安装第4 . 2 . 10条/ /6 水平钢管每米1mm3 / 3抽查3处,合格3处给水管道及配件安装检验批质量验收记录05010501管道纵、横方向弯曲允许偏差全长25m 以上≯25mm / / 塑料管复合管每米1.5mm / / 全长25m 以上≯25mm / / 铸铁管每米2mm / / 全长25m 以上≯25mm/ /立管垂直度允许偏差钢管每米 3mm 3 / 3 抽查3处,合格3处5m 以上≯8mm / / 塑料管复合管每米 2mm / / 5m 以上≯8mm / / 铸铁管每米 3mm / / 5m 以上≯10mm / / 成排管段和成排阀门在同一平面上的间距3mm / /7管道及设备保温厚度﹢0.1δ ﹣0.05δ6 / 6 抽查6处,合格6处表面平整度卷材 5mm / / 涂料10mm//施工单位检查结果主控项目全部合格,一般项目满足规范规定要求;检查评定合格专业工长:项目专业质量检查员:年月日监理单位验收结论专业监理工程师:年月日单位(子单位)工程名称上虞万达广场J4-B 地块10#楼分部(子分部)工程名称建筑给水排水及采暖分部-室内给水系统子分部分项工程名称消防管道及配件安装分项施工单位中国建筑第二工程局有限公司项目负责人陆信法检验批容量镀锌管36根分包单位华升建设集团浙江消防工程有限公司分包单位项目负责人娄东灿检验批部位10#楼施工依据《建筑给水排水及采暖工程施工工艺标准》(GSQB12-10-2006)验收依据《建筑给水排水及采暖工程质量验收规范》GB50242-2002验收项目设计要求及规范规定最小/实际抽样数量检查记录检查结果主控项目1 给水管道水压试验设计要求 / 水压试验符合设计及规范要求2 给水系统通水试验第4 . 2 . 2条 / 通水试验符合设计及规范要求3 生活给水系统管道冲洗和消毒第4 . 2 . 3条 / / 4 直埋金属给水管道防腐第4 . 2 . 4条 / /一般项1 给排水管铺设的平行、垂直净距第4 .2 . 5条 5 / 5 抽查5处,合格5处2 金属给水管道及管件焊接第4 . 2 . 6条 / /3 给水水平管道坡度坡向第4 . 2 . 7条//4 管道支、吊架第4 . 2 . 9条 3 / 3 抽查3处,合格3处5水表安装第4 . 2 . 10条/ /6 水平管道纵、横方向弯曲允许偏差钢管每米1mm 3 / 3 抽查3处,合格3处全长25m以上≯25mm / / 塑料管复合管每米 1.5mm / /全长25m以上≯25mm / / 铸铁管每米 2mm / /全长25m以上≯25mm / /立管垂直度允许偏差钢管每米3mm 3 / 3 抽查3处,合格3处5m以上≯8mm / / 塑料管复合管每米2mm / /5m以上≯8mm / / 铸铁管每米3mm / /5m以上≯10mm / /成排管段和成排阀门在同一平面上的间距3mm / /7 管道及设备保温厚度﹢0.1δ﹣0.05δ6 / 6 抽查6处,合格6处表面平整度卷材5mm / /涂料10mm / /施工单位检查结果主控项目全部合格,一般项目满足规范规定要求;检查评定合格专业工长:项目专业质量检查员:年月日监理单位验收结论专业监理工程师:年月日。
消防喷水系统安装检验批质量验收记录1. 概述本文档记录了消防喷水系统安装的检验批质量验收情况。
验收的对象是消防喷水系统的安装工程,旨在确保系统安装符合相关规范和要求,以保障消防安全。
2. 检验批信息- 批次编号:[填写批次编号]- 承包单位:[填写承包单位]- 施工单位:[填写施工单位]- 施工地点:[填写施工地点]- 安装日期:[填写安装日期]3. 检验内容本次质量验收主要检查以下方面:- 消防喷水系统的管道安装情况及连接方式是否符合设计要求;- 喷头的数量和布置是否符合规范;- 管道的支撑及固定情况是否牢固可靠;- 系统的阀门、泵表、控制器等设备安装是否正确;- 系统的漏水测试和压力测试结果是否符合规定标准;- 其他需要特别关注的问题。
4. 检验结果根据对消防喷水系统安装工程的检查和测试,以下是质量验收的结果:- 消防喷水系统的管道安装合格,并符合设计要求;- 喷头的数量和布置符合规范;- 管道的支撑及固定牢固可靠;- 系统的阀门、泵表、控制器等设备安装正确;- 系统的漏水测试和压力测试结果符合规定标准;- 其他需要特别关注的问题也得到了处理和解决。
5. 验收结论根据质量验收的结果,本次消防喷水系统安装经过检验合格,符合相关规范和要求。
承建单位可以开始进行下一步的工程进展,同时需要做好系统的后续维护工作。
6. 签名- 验收单位:[填写验收单位名称]- 施工单位:[填写施工单位名称]- 验收人员:[填写验收人员名称]- 日期:[填写验收日期]以上是消防喷水系统安装检验批质量验收记录,确认无误后请进行存档备查。
消防设备安装检验批验收记录表完整优秀版项目信息:- 项目名称:- 项目地址:- 施工单位:- 监理单位:- 设计单位:- 联系人:验收时间:验收人员:- 代表施工单位:- 代表监理单位:- 代表设计单位:- 代表消防部门:验收内容:1. 消防设备安装情况:1.1 灭火设施:- [ ] 灭火器数量、类型符合规定要求- [ ] 灭火器位置合理、明显- [ ] 灭火器密封、压力正常- [ ] 灭火器有效期限内,未过期1.2 自动报警系统:- [ ] 系统布线完整、无损坏- [ ] 探测器数量、位置符合设计规定- [ ] 报警设备工作正常、音响清晰- [ ] 报警按钮明显、易于操作1.3 自动喷水灭火系统:- [ ] 系统布置符合设计要求- [ ] 喷头数量、位置符合设计规定- [ ] 喷头无漏水现象- [ ] 喷头储水罐内有足够的储水1.4 防烟排烟系统:- [ ] 排烟口数量、位置符合设计规定- [ ] 自动排烟设备工作正常- [ ] 手动排烟设备易于操作2. 电气设备安装情况:2.1 显眼的电气设备符号和标识:- [ ] 系统内的电气设备都有符号和标识- [ ] 电气设备的符号和标识清晰可见2.2 电源系统:- [ ] 电源线路符合要求- [ ] 电源电压稳定2.3 照明系统:- [ ] 照明设备数量、位置符合要求- [ ] 照明设备亮度正常2.4 紧急照明和应急电源系统:- [ ] 系统布置符合要求- [ ] 紧急照明和应急电源设备正常工作3. 安全标志和疏散指示标志:3.1 安全标志:- [ ] 安全标志数量、位置符合要求- [ ] 安全标志清晰可见3.2 疏散指示标志:- [ ] 疏散指示标志数量、位置符合要求- [ ] 疏散指示标志清晰可见4. 其他注意事项和评价:- [ ] 是否存在隐患或问题:- [ ] 是- [ ] 否- [ ] 其他备注:验收结论:- [ ] 合格- [ ] 不合格- [ ] 待补正验收意见:- 施工单位:- 监理单位:- 设计单位:- 消防部门:。
消防水泵安装检验批质量验收记录模板项目概述此文档为消防水泵安装检验批质量验收记录模板,记录了消防水泵的安装过程及质量验收情况。
安装验收记录项目信息- 项目名称:- 项目编号:- 施工单位:- 监理单位:- 设计单位:- 安装单位:- 验收单位:- 验收日期:检验标准- 安装要求:根据相关消防安装标准和规范执行- 设备规格:符合设计要求- 设备材质:符合设计要求- 设备安装位置:符合设计要求安装情况记录1. 消防水泵设备- 设备类型:- 设备型号:- 设备数量:- 设备安装位置:- 设备悬挂支架:固定可靠、合理均匀- 设备接线情况:符合相关电气安装标准- 设备接地情况:接地良好,电阻合格- 设备启动测试:启动正常、无异常声音、无泄漏2. 消防水泵管路- 管路材质:符合设计要求- 管路布置:符合设计要求,管道支架固定可靠- 管路连接:连接紧固,无渗漏,密封良好- 管路标识:管路标识清晰、准确验收结论根据上述安装情况记录,对消防水泵的安装进行验收。
经检查,消防水泵安装符合相关标准和要求,各项指标合格。
经验收,可以进行下一步工作。
验收人员- 验收单位代表:- 监理单位代表:- 施工单位代表:签名验收单位代表签名:日期:监理单位代表签名:日期:施工单位代表签名:日期:以上为消防水泵安装检验批质量验收记录模板。
请根据实际情况填写相关信息,对安装过程进行详细记录,确保消防水泵的质量和安全。
室内消防给水金属管管道安装工程检验批施工质量验收记录(一)表6.4.1-1 H050101(□□□□□□) □□B室内消防给水金属管管道安装工程检验批施工质量验收记录(二)表6.4.1-2 H050101(□□□□□□) □□B室内消防给水金属管管道安装工程检验批施工质量验收记录(一)表6.4.1-1 H050101(□□□□□□) □□B室内消防给水金属管管道安装工程检验批施工质量验收记录(二)表6.4.1-2 H050101(□□□□□□) □□B室内消防给水金属管管道安装工程检验批施工质量验收记录(一)表6.4.1-1 H050101(□□□□□□) □□B室内消防给水金属管管道安装工程检验批施工质量验收记录(二)表6.4.1-2 H050101(□□□□□□) □□B室内消防给水金属管管道安装工程检验批施工质量验收记录(一)表6.4.1-1 H050101(□□□□□□) □□B室内消防给水金属管管道安装工程检验批施工质量验收记录(二)表6.4.1-2 H050101(□□□□□□) □□B室内消防给水金属管管道安装工程检验批施工质量验收记录(一)表6.4.1-1 H050101(□□□□□□) □□B室内消防给水金属管管道安装工程检验批施工质量验收记录(二)表6.4.1-2 H050101(□□□□□□) □□B室内消防给水金属管管道安装工程检验批施工质量验收记录(一)表6.4.1-1 H050101(□□□□□□) □□B室内消防给水金属管管道安装工程检验批施工质量验收记录(二)表6.4.1-2 H050101(□□□□□□) □□B。
1/2/1/2/
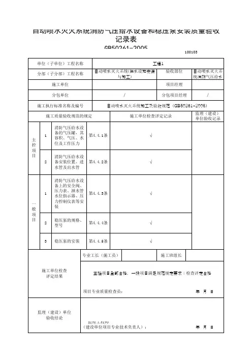
消防水泵和稳压泵安装检验批质量验收记录
370单位(子单位)工程名称
分部/子分部/分项
(或系统/子系统)
检验批容量所在的施工部位
7.1.2.128、消防水泵和稳压泵安装检验批质量验收记录检验批编号施工单位
项目负责人分包单位
项目负责人施工依据文件名称及编号
质量验收依据文件名称及编号
《自动喷水灭火系统工程施工及验收规范》GB50261-2005验收项目
设计要求及 规范规定最小/实际 抽样数量检查记录检查结果主 控 项 目消防水泵及稳压泵的规格
、型号符合设计要求,且
产品合格证和安装使用说
明书齐全
第4.2.1条 第4.4.4条消防水泵及稳压泵的安装
符合相关技术标准规定
第4.2.2条 第4.4.5条一 般 项 目吸水管及其附件的安装要
求
第4.2.3条施工单位
检查评定
综合结果
项目专业工长(施工员)签名:项目专业质检员签名:年 月 日
GD-C5-712128
监理(建设)
单位验收
综合结论
项目专业监理工程师(建设单位项目专业负责人)签名:年 月 日消防水泵的出水管安装阀
门、压力表及配件的要求第4.2.4条。