别克昂克雷电气中心标识视图介绍
- 格式:pdf
- 大小:371.21 KB
- 文档页数:40
汽车电路图的识读一、基础知识概述1.汽车电路图的特点汽车电路图主要用于表达各电气系统的工作原理及电器之间的连接关系,常见的表达方式主要有电路原理图、电气线路图和线束图。
本项目我们以目前各大整车制造厂商普遍采用的汽车电路原理图来介绍电路图识读的相关知识。
汽车电路原理图是用规定的图形符号,根据汽车各系统的工作原理和电器设备的连接关系绘制而成的。
汽车电路原理图是现在最常见的汽车电路图,既可以是全车电路图,也可以是单元电路图。
汽车电路原理图在绘制的时候不讲究电器设备的开关、安装位置和线路走向,用简明的符号代替电器设备,根据绘图的需要布置汽车电器设备的位置和线路走向,使得电路图简洁清晰,电路简单明了,电器设备间的连接控制关系十分清楚。
汽车电器原理图通常有以下特点:①导线都标注有颜色代码和规格,在有的车型上还标有线路代码。
②汽车电器设备符号旁边都标有设备名称和代码。
③过载保护装置都标有规格、代码和安装位置。
④电路图中的开关、继电器等控制器都处于断开状态,用电器都处于停止工作状态。
图1-1 汽车电路原理图示例2.汽车电气符号要看懂或分析汽车电路图,首先必须了解电路图中的图形符号和文字符号的含义。
下表是通用车系常用电气示意图符号及其说明:表1-1 通用车系常用电气示意图符号及其说明3.汽车电路导线标注在维修汽车电路时,为了快速方便地根据电路图在线束中查找到导线,在汽车电路图中对导线的颜色、所属的电器系统,甚至线束编号(上海通用车系)等进行了标注。
下表是通用别克车系的电路图导线颜色代号:表1-2 别克车系电路图导线颜色代号注:如果导线的颜色代号为“XX/”格式,则表示此导线为单一主色导线;如果其颜色代号为“XX/XX”格式,则表示此导线为辅色导线,其前面的缩写代表主色,后面的缩写代表辅色,例如“BK/GY”即表示该导线的主色为黑色,辅色为灰色。
此外,通用别克车系的所有搭铁、直列式连接器和接头都有相应的识别编号,与其在车辆上的位置相对应。
11.3.3.4 仪表板/中央控制台部件视图靠近转向柱图标(1) 车内空气温度传感器(CJ2)(2) 转向柱内部暖风、通风与空调系统模块–前(CJ2)图标(1) 空气温度传感器–左上(2) 空气温度执行器–左侧(3) 空气温度传感器–右下(4) 空气温度执行器–右侧(5) 模式执行器(6) 空气温度传感器–右上(7) 鼓风机电机(8) 鼓风机电机控制模块(9) 蒸发器温度传感器(10) 空气温度传感器–左下前暖风、通风与空调系统模块(C67)图标(1) 模式执行器(2) 内循环执行器(3) 鼓风机电机(4) 鼓风机电机控制模块(5) 空气温度执行器(6) 蒸发器温度传感器仪表板右侧后方图标(1) 仪表板结构(2) 保险丝盒–仪表板上仪表板左侧图标(1) 抬头显示屏(HUD) (UV6)(2) 仪表板装饰板(3) 组合仪表板(IPC)上仪表板右侧图标(1) 仪表板装饰板(2) 导航天线(U4H、UUM 或UUK)仪表板前中央(W49)图标(1) 时钟(2) 仪表板装饰板(3) 安全气囊系统仪表板模块指示灯(4) 危险警告灯开关(5) 暖风、通风与空调系统控制模块(6) 驾驶员信息中心(DIC) 开关(UH9)仪表板和方向盘图标(1) 安全气囊系统方向盘模块(2) 安全气囊系统仪表板模块仪表板部件图标(1) 前大灯开关(2) 组合仪表板(IPC)(3) 收音机(4) 日照传感器(CJ2) 或环境光照传感器(C67)(5) 仪表板装饰板(6) 安全气囊系统仪表板模块指示灯(7) 暖风、通风与空调系统控制模块(8) 加热型座椅开关–乘客(KA1) 或加热型和冷却型座椅开关–乘客(KB6)(9) 附件电源插座–仪表板(10) 多功能开关–仪表板(11) 加热型座椅开关–驾驶员(KA1) 或加热型和冷却型座椅开关–驾驶员(KB6)(12) 危险警告灯开关(X88 或Z88 不带UH9)(13) 危险警告灯开关和驾驶员信息中心(DIC) 开关(W49、X88 或Z88 带UH9)(14) 抬头显示屏(HUD) 开关(W49 或Z88 带UV6)中央仪表板装饰板下方图标(1) 仪表板装饰板(2) 扬声器–超低音(UQA 或UQS)转向柱部件图标(1) 方向盘/转向柱倾斜/伸缩开关(N38)(2) 转向信号/多功能开关(3) 安全气囊系统方向盘模块线圈(4) 防盗系统模块(TDM)(5) 方向盘速度位置传感器(6) 点火开关锁芯控制执行器(7) 点火开关(8) 方向盘倾斜执行器(N38)(9) 转向柱伸缩执行器(N38)(10) X295(11) 方向盘倾斜位置传感器(N38)方向盘部件图标(1) 喇叭开关(2) 方向盘控制开关–右侧(UK3)(3) 方向盘控制开关–左侧驾驶员侧仪表板下方图标(1) 音频放大器(UQA 或UQS)(2) 车身控制模块(BCM)(3) 制动踏板位置传感器(4) 加速踏板位置(APP) 传感器(5) 驻车制动开关左侧膝垫下方图标(1) 数据链路连接器(DLC)(2) 踏板总成(3) 地板上仪表板区域图标(1) 扬声器–右前高音(2) 扬声器–左前高音(3) 扬声器–中央仪表板(UQA 或UQS)自动变速器地板式换档杆图标(1) 自动变速器手动换档开关(2) 自动变速器换档杆位置指示器(3) X341(4) 自动变速器换档杆(5) 自动变速器换档锁定控制电磁阀(6) 点火开关锁芯控制开关控制台部件图标(1) 收音机/暖风、通风与空调系统控制装置–辅助(UK6) 或辅助暖风、通风与空调系统控制装置(不带UK6)(2) 加热型座椅开关–驾驶员(KA1) 或加热型和冷却型座椅开关–驾驶员(KB6)(3) 加热型座椅开关–乘客(KA1) 或加热型和冷却型座椅开关–乘客(KB6)(4) 附件电源插座–仪表板(5) 附件电源插座–中央控制台(6) 音频/视频适配器(U42)地板控制台后部图标(1) 附件电源插座– 110 伏交流(KV1)(2) 附件电源插座–中央控制台。
10.2.2.1 暖风、通风与空调系统示意图电源、搭铁、鼓风机控制、串行数据和日照传感器执行器传感器压缩机控制装置后暖风、通风与空调系统10.3.2.1 暖风、通风与空调系统示意图电源、搭铁、鼓风机控制和子系统参考执行器压缩机控制和温度传感器后暖风、通风与空调系统11.1.2.1 数据通信示意图低速 GMLAN高速 GMLAN通信启用和线性互联网总线 (LIN)11.1.2.2 车身控制系统示意图电源、搭铁和电源分布和电源模式的参考子系统参考(第 1 页,共 3 页)子系统参考(第 2 页,共 3 页)子系统参考(第 3 页,共 3 页)11.2.2.1 点烟器/电源插座示意图直流电源交流电源 (KV1)11.3.2.1 线束布线图车身线束布线- 左后乘客舱图标(1) JX405(2) X405前地板控制台线束布线图标(1) J371(不带KA1 或ULD)(2) X240(3) X340(4) J377(5) J373(6) J379(不带ULD)(7) J375方向盘线束布线图标(1) J297(2) J295 (UK3)(3) J291 (UK3)仪表板线束布线–发动机舱图标(1) 仪表板(2) X111转向柱线束布线图标(1) 转向柱总成(2) J293(3) J271(4) J253(5) X201(6) X211驾驶员车门线束布线图标(1) J577(不带AXE)(2) X553(3) X500(4) J555(5) J575(6) X555车顶控制台线束布线图标(1) X343(2) J328(3) J364 (C3U)左后车门线束布线图标(1) J711(2) X700乘客车门线束布线图标(1) X666(2) J602(3) J600(不带AXE)(4) J666(不带AXE)(5) J602(6) X664(7) X600右后车门线束布线图标(1) X800(2) J800发动机线束接头布线–后图标(1) J117(TSH 或T26)(2) J112(3) J141(4) J143(5) J132(6) J133(7) J140(8) J131(9) J144发动机线束接头布线–前图标(1) J134(2) J143(3) J133(4) J132(5) J117(TSH 或T26)驾驶员座椅线束布线(AG3)图标(1) J357(KA1 或KB6)(2) J355 (A45)(3) J353 (KA1)(4) J354 (AG3)(5) X315(6) X333(7) J358 (KB6)(8) J359 (KB6)(9) J350 (AG3)驾驶员座椅线束布线(不带AG3)图标(1) J355 (AH5)(2) J353 (KA1)(3) J357 (KA1)(4) X315(5) X333乘客座椅线束布线图标(1) X314(2) J342(KA1 不带A45)(3) J344(AAQ 或KB6)(4) J346 (AAQ)(5) X332(6) J349 (KB6)(7) J347 (KB6)车身线束布线–右后乘客舱图标(1) X452(2) X420(3) X422车身线束布线–前排乘客图标(1) X202(2) X340(3) X200(4) X600(5) X252(6) J323(7) X314(8) X324(9) X332(10) J325 (KB6)(11) J308(12) J304(13) X800(14) J313(15) X325 (UE1)(16) X325(17) X700(18) J333(19) J319(20) J321(DD8 带UVC)(21) X305(22) J315(C25 不带X88)(23) X333(24) X315(25) X209 (V92)(26) X500(27) J302(28) J311(29) J320 (V92)(30) JX205后保险杠线束布线图标(1) X440(UD7 或X88)(2) J444 (UD7)(3) J440 (UD7)尾灯线束布线(X88)图标(1) X451(2) J493(3) J495(4) J490(5) J488(6) X450前蒙皮线束布线(X88)图标(1) X151(2) X150(3) X122(4) J120(5) J122(6) X123车顶内衬线束布线图标(1) X398 (C3U)(2) J326(3) J339(4) J348(5) X420(6) X422(7) X216 (U42)(8) X343后排第 2 排座椅区域地板线束布线图标(1) X324(2) 直插式保险丝OnStar (UE1)(3) X325 (UE1)仪表板线束布线–乘客舱图标(1) X203(2) J216(3) JX205(4) J219(U42 或UQS)(5) X216 (U42)(6) J273 (RCA)(7) J215(8) J213(9) J202(10) J206 (CJ2)(11) X252(12) X200(13) X214(14) X240(15) X202(16) J208(17) J214(18) J211(19) J220(20) X201(21) J221(22) J251(23) X205前端照明灯线束布线图标(1) J122(2) J120(3) J126 (Z88)(4) X120(5) X151(6) X107 (W49)(7) X108 (W49)(8) J121(W49 带TSH 或T26)(9) J123(W49 带TSH 或T26)(10) X150雾灯加长件线束布线图标(1) 前保险杠蒙皮(2) J104(不带X88)(3) X108 (W49)(4) X107 (W49)(5) J113(不带X88)车身线束布线–靠近举升门图标(1) X901(2) X903(3) X450(W49 或X88)(4) X442 (V92)(5) X405(6) X440(UD7 或X88)(7) X451(W49 或X88)举升门线束布线图标(1) X903(2) X902 (UVC)(3) X901(4) X911(5) X931(W49 或Z88)(6) J911 (Z88)(7) J915(8) X940(9) J905 (TB5)(10) X933(11) J907 (TB5)(12) J913(13) X920(W49 或Z88)(14) J903 (Z88)发动机舱线束布线图标(1) X100(2) X161(3) X160(4) X111(5) J115(TSH 或T26)11.3.2.2 电气示意图符号 电压指示灯一般图标符号说明蓄电池电压点火开关 – OFF 位置点火开关 – Accessory 位置点火开关 – Run 位置点火开关 – Start 位置 符号说明主要部件列表图标示意图上的图标用于链接至“主要电气部件列表”。
汽车仪表盘显示说明车门状态指示灯—显示车门是否完全关闭的指示灯,车门打开或未能关闭时,相应的指示灯亮起,提示车主车门未关好,车门关闭后熄灭.驻车指示灯—驻车制动手柄(即手刹)拉起时,此灯点亮。
手刹被放下时,该指示灯自动熄灭。
在有的车型上,刹车液不足时此灯会亮.电瓶指示灯--显示蓄电池工作状态的指示灯。
接通电门后亮起,发动机启动后熄灭。
如果不亮或长亮不灭应立即检查发电机及电路。
刹车盘指示灯--显示刹车盘片磨损情况的指示灯。
正常情况下此灯熄灭,点亮时提示车主应及时更换故障或磨损过渡刹车片,修复后熄灭。
机油指示灯--显示发动机机油压力的指示灯,本灯亮起时表示润滑系统失去压力,可能有渗漏,此时需立即停车关闭发动机进行检查.水温指示灯--显示发动机冷却液温度过高的指示灯,此灯点亮报警时,应即时停车并关闭发动机,待冷却至正常温度后再继续行驶.安全气囊指示灯--显示安全气囊工作状态的指示灯,接通电门后点亮,约3-4秒后熄灭,表示系统正常,不亮或常量表示系统存在故障.ABS指示灯--接通电门后点亮,约3-4秒后熄灭,表示系统正常。
不亮或长亮则表示系统故障,此时可以继续低速行驶,但应避免急刹车.发动机自检灯--发动机工作状态的指示灯,接通电门后点亮,约3-4秒后熄灭,发动机正常。
不亮或长亮表示发动机故障,需及时进行检修.燃油指示灯--提示燃油不足的指示灯,该灯亮起时,表示燃油即将耗尽,一般从该灯亮起到燃油耗尽之前,车辆还能行驶约50公里左右。
清洗液指示灯--显示风挡清洗液存量的指示灯,如果清洗液即将耗尽,该灯点亮,提示车主及时添加清洗液。
添加清洁液后,指示灯熄灭.电子油门指示灯--本灯多见于大众公司的车型中,车辆开始自检时,EPC 灯会点亮数秒,随后熄灭,出现故障,本灯亮起,应及时进行检修.前后雾灯指示灯--该指示灯是用来显示前后雾灯的工作状况,前后雾灯接通时,两灯点亮,图中左侧的是前雾灯显示,右侧为后雾灯显示.转向指示灯--转向灯亮时,相应的转向灯按一定频率闪烁。
三、转向系统电气元件位置图翻转式转向盘/转向柱电气元件位置图见图9-1-18所示。
图9-1-18 翻转式转向盘/转向柱电气元件位置图1-转向盘2-自动变速器变速锁控制执行器(BTSI)3-C201在线连接器(转向盘线束侧)4-制动灯开关C2连接器(转向盘线束侧)5-制动灯开关C1连接器(转向盘线束侧)四、HV AC系统元件位置图HV AC系统元件位置如图9-1-19~图9-1-30所示。
图9-1-19 前仪表板的后部元件位置1-前灯线束2-外界环境空气温度表传感器图9-1-20 仪表安装板的后部右侧电气元件位置1-真空电磁阀2-辅助设备(RAP)继电器,后窗除雾继电器、后舱盖释放继电器和驾驶员开锁继电器图9-1-21 发动机的右侧下部电气元件位置1-爆震传感器2-发动机油压力指示开关3-C172(至RF轮速传感器)4-A/C压缩机离合器线圈5-发动机罩内辅助设备接线盒,C3(前灯线束)图9-1-22 发动机舱的左侧电气元件位置1-二级节流孔管2-A/C储能器3-A/C制冷剂压力传感器4-A/C压缩机图9-1-23 发动机舱的右侧电气元件位置1-储能器2-A/C制冷剂压力传感器图9-1-24 仪表底板的中央部位电气元件位置1-HV AC控制总成(CJ4)连接器2-HV AC控制总成(CJ4)图9-1-25 IP舱后边、HV AC总成(C60)的右侧电气元件位置1-仪表底板(IP)线束2-鼓风机电动机3-鼓风机电动机电阻器连接器4-LH温度执行器5-模式执行器真空管图9-1-26 IP舱后边、HV AC总成(CJ4)的右侧电气元件位置1-仪表线束2-真空电磁阀3-鼓风机电动机4-鼓风机电动机电阻器5-后温度执行器6-模式执行器图9-1-27 仪表底板(IP)的中心部位电气元件位置1-HV AC控制总成(C60)2-HV AC控制总成(C60)连接器3-HV AC真空连接器(C60)4-HV AC真空控制端(C60)图9-1-28 仪表底板(IP)的左后侧电气元件位置1-仪表底板(IP)线束2-LH温度执行器连接器3-LH温度执行器图9-1-29 地板操纵台的后面元件位置1-中央操纵台2-后HV AC控制总成图9-1-30 仪表底板(IP)的右后侧电气元件位置1-二级节流孔管2-P101 3-保险丝盒五、SIR系统主要元件的位置图SIR系统主要元件的位置图如图9-1-31所示。
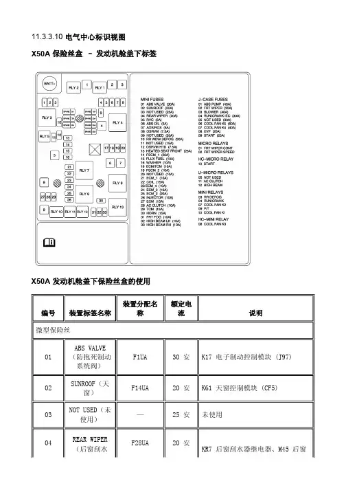
11.3.3.10 电气中心标识视图X50A 保险丝盒 – 发动机舱盖下标签X50A 发动机舱盖下保险丝盒的使用编号 装置标签名称 装置分配名称额定电流说明微型保险丝01 ABS VALVE (防抱死制动系统阀) F1UA 30 安 K17 电子制动控制模块 (J97)02 SUNROOF (天窗) F14UA 20 安 K61 天窗控制模块 (CF5)03 NOT USED (未使用) — 25 安 未使用04 REAR WIPER (后窗刮水F28UA 20 安KR7 后窗刮水器继电器、M45 后窗器)刮水器电机(两厢车)05 RVC(调节电压控制)F35UA 15 安B19C 制动助力器真空开关 (MH9)、K20 发动机控制模块、K61 天窗控制模块、Q8 控制电磁阀总成 (MH9)06 ABS OIL(防抱死制动系统机油)F3UA 5 安未使用07 AOS/ROS(有乘客自动传感/翻滚传感器)F21UA 5 安未使用08 OSRVM(车外后视镜)F10UA 7.5 安S52 车外后视镜开关 (DL7)09 NOT USED(未使用)—20 安未使用10 RR WDW DEFOG(后窗除雾器)F22UA 30 安E18 后窗除雾器格栅11 NOT USED(未使用)—15 安未使用12 OSRVM HTD(加热型车外后视镜)F27UA 15 安A9A 驾驶员车外后视镜 (DL7)、A9B乘客车外后视镜 (DL7)13 HEATED SEATFRONT(前排加热型座椅)F5UA 25 安K29 座椅加热控制模块 (KA1)14 NOT USED(未使用)—20 安未使用15 FLUX FUEL(燃油流量)F13UA 10 安未使用16 WASHER(洗涤器)F29UA 10 安KR6 后窗洗涤器泵继电器、KR11 挡风玻璃洗涤器泵继电器17 FUEL PUMP(燃油泵)F39UA 20 安KR23A 燃油泵继电器18 ECM/TCM(发动机控制模块/变速器控制模块)F36UA 10 安K27 燃油泵控制模块19–20 NOT USED(未使用)——未使用21 ECM_1(发动机控制模块_1)F43UA 10 安Q12 蒸发排放吹洗电磁阀、Q14 废气再循环阀 (LCU)、Q21 进气歧管管路控制阀 (LCU)、Q22 进气歧管调节电磁阀 (LDE)22 COIL(线圈)F45UA 20 安K35 点火线圈模块 (LDE)、T8A 点火线圈 1 (LCU)、T8B 点火线圈 2 (LCU)、T8C 点火线圈 3 (LCU)、T8D 点火线圈 4 (LCU)、KR20C 冷却风扇低速继电器、KR20D 冷却风扇高速继电器、KR29 空调压缩机离合器继电器23 ECM_4(发动机控制模块_4)F42UA 10 安B75B 质量空气流量/进气温度传感器 (LDE)、E41 发动机冷却液节温器加热器 (LDE)、K20 发动机控制模块 (LCU)24 ECM_3(发动机控制模块_3)F41UA 10 安B52A 加热型氧传感器 1、B52B 加热型氧传感器 2、K20 发动机控制模块 (LCU)、Q22 进气歧管调节电磁阀 (LCU)25 ECM_2(发动机控制模块_2)F40UA 15 安K20 发动机控制模块 (LDE)26 INJECTOR(喷油器)F44UA 10 安Q17A 喷油器 1、Q17B 喷油器 2、Q17C 喷油器 3、Q17D 喷油器 427 ECM(发动机控制模块)F12UA 15 安K20 发动机控制模块AC CLUTCH28 (空调离合器)F31UA 10 安KR29 空调压缩机离合器继电器29 TCM(变速器控制模块)F8UA 15 安Q8 控制电磁阀总成 (MH9)、Q13 蒸发排放通风电磁阀30 HORN(喇叭)F16UA 15 安P12 喇叭31 FRT FOG(前雾灯)F19UA 15 安E29LF 左前雾灯 (T3U)、E29RF 右前雾灯 (T3U)32 HIGH BEAM LH(左侧远光)F17UA 10 安E4E 前大灯−左侧远光33 HIGH BEAM RH(右侧远光)F18UA 10 安E4F 前大灯−右侧远光J 型保险丝01 ABS PUMP(防抱死制动系统泵)F2UA 40 安K17 电子制动控制模块 (J97)02 FRT WIPER(前窗刮水器)F23UA 30 安KR12B 挡风玻璃刮水器继电器03 BLOWER(鼓风机)F7UA 40 安KR32E 鼓风机电机继电器04 RUN/CRANKIEC(运行/起动仪表板电气中心)F15UA 30 安KR27 起动机继电器05 NOT USED(未使用)——未使用06 COOL FAN K5(冷却风扇K5)F33UA 40 安KR20D 冷却风扇高速继电器07 COOL FAN K4(冷却风扇K4)F32UA 30 安KR20C 冷却风扇低速继电器08 EVP(空调蒸发器)F47UA 20 安M9 电子真空泵电机 (MH9)09 START(起动机)F15UA 30 安KR27 起动机继电器微型继电器01 FRT WIPERCONT(前窗刮水器控制)KR12B 挡风玻璃刮水器继电器—KR12C 挡风玻璃刮水器速度控制继电器、M75 挡风玻璃刮水器电机02 FRT WIPERSPEED(前窗刮水器速度)KR12C 挡风玻璃刮水器速度控制继电器—M75 挡风玻璃刮水器电机HC 微型继电器10 START(起动机)KR27 起动机继电器—M75 挡风玻璃刮水器电机U 微型继电器05 NOT USED(未使用)——未使用06 FUEL PUMP(燃油泵)KR23A 燃油泵继电器—未使用11 AC CLUTCH(空调离合器)KR29 空调压缩机离合器继电器—Q2 空调压缩机离合器12 HIGH BEAM(远光)KR48 前大灯远光继电器—左侧远光/F17UA、右侧远光/F18UA迷你继电器03 RR DEFOG(后窗除雾器)KR5 后窗除雾器继电器—后窗除雾器/F22UA、F27UA04 RUN/CRANK(运行/起动)KR74 点火运行继电器—F34UA、F35UA、F36UA、F37UA、燃油泵/F39UA08 COOL FAN K3(冷却风扇K3)KR20D 冷却风扇高速继电器—G10 冷却风扇电机09 P/T(动力系统)KR75 动力系统继电器—F40UA、发动机控制模块_3/F41UA、发动机控制模块_4/F42UA、发动机控制模块_1/F43UA、喷油器/F44UA、线圈/F45UA13 COOL FAN K1(冷却风扇K1)KR20C 冷却风扇低速继电器—G10 冷却风扇电机重要注意事项:以下所列为保险丝盒内部的不可维修的印刷电路板 (PCB) 继电器——KR3 喇叭继电器—喇叭/F16UA——KR46 前雾灯继电器—前雾灯/F19UA——KR7 后窗刮水器继电器—M45 后窗刮水器电机——KR11 挡风玻璃洗涤液泵继电器—G24 挡风玻璃洗涤液泵——KR6 后窗洗涤液泵继电器—G24 挡风玻璃洗涤液泵X50A 保险丝盒- 发动机舱盖下,俯视图X50A 保险丝盒- 发动机舱盖下,仰视图X50A 保险丝盒- 发动机舱盖下X1X50A 保险丝盒 - 发动机舱盖下 X1连接器零件信息 线束类型:前端照明灯原装设备接头:13682771维修件接头:待定说明:42 路 F GT 150/280 Metri-Pack 630/800 系列(L-GY (浅灰色))端子零件信息 针脚:A3端接引线:待定拆卸工具:J-38125-11A诊断测试探针:J-35616-42(RD (红色))针脚:B2–B6、C2、D2–D4、F2、F4、G3–H1、H3–H5端接引线:13575735拆卸工具:J-38125-553诊断测试探针:J-35616-2A (GY (灰色))针脚:E2端接引线:13575718拆卸工具:J-38125-558诊断测试探针:J-35616-44(YE (黄色))针脚:J1端接引线:待定拆卸工具:J-38125-11A诊断测试探针:J-35616-42(RD (红色))针脚 尺寸 颜色 电路 功能选装件 A1–A2—— —未使用—A3 2.5 WH/BU (白色/蓝色) 409 冷却风扇电机电源电压 (1) —B1 — — — 未使用 —B2 0.5 BN/VT (棕色/紫红色)2234 前雾灯电源电压 T3UB3 1.0 WH(白色)711 左侧前大灯远光电源电压—B4 1.0 WH(白色)311 右侧前大灯远光电源电压—B5 0.5 VT/BU(紫红色/蓝色)5294 动力系统主继电器保险丝电源 (5) —B6 0.5 VT/BU(紫红色/蓝色)5294 动力系统主继电器保险丝电源 (5) —C1–D1———未使用—D2 0.5BU/WH(蓝色/白色)1314 左前转向信号灯电源电压—D3 0.5GY/BN(灰色/棕色)309 右侧驻车灯电源电压—D4 0.75BN/GY(棕色/灰色)29 喇叭控制—D5–E1———未使用—E2 3 GY(灰色)532 冷却风扇电机电源电压 (2) —F1–G2———未使用—G3 0.5GY/VT(灰色/紫红色)228 挡风玻璃洗涤器泵控制—G4 1 YE(黄312 右侧前大灯近光电源电压—X50A 保险丝盒 - 发动机舱盖下 X2色) G5 0.5 GN/VT (绿色/紫红色) 1315 右前转向信号灯电源电压 —G6 0.5 VT/GY (紫红色/灰色) 709 左侧驻车灯电源电压 —H1–H2— — — 未使用 —H3 0.5 BU/VT (蓝色/紫红色) 392 后窗洗涤液泵控制 —H4 1 YE (黄色) 712 左侧前大灯近光电源电压 —H5 0.5 RD/BN (红色/棕色) 2240 蓄电池正极电压 —H6–J3— —— 未使用 —连接器零件信息 线束类型:车身原装设备接头:13682769维修件接头:待定说明:75 路 F GT 150 280 Metri-Pack 630,800 系列(BK (黑色))端子零件信息针脚:2–4、19、22、23、56、72端接引线:针脚 2–4、72 – 待定端接引线:针脚 19、22、23、56 – 13575754拆卸工具:J-38125-11A诊断测试探针:J-35616-42(RD (红X50A 保险丝盒- 发动机舱盖下X2 色))针脚:5–11、13–15、25–29、33、34、39、40、42–49、57–62、64–68端接引线:13575735拆卸工具:J-38125-553诊断测试探针:J-35616-2A(GY(灰色))针脚:17、21、50、51端接引线:13575754拆卸工具:J-38125-553诊断测试探针:J-35616-4A(PU(紫色))针脚:37端接引线:13575718拆卸工具:J-38125-558诊断测试探针:J-35616-44(YE(黄色))针脚:52–55端接引线:13575753拆卸工具:J-38125-553诊断测试探针:J-35616-4A(PU(紫色))针脚:69端接引线:待定拆卸工具:J-38125-11A诊断测试探针:J-35616-42(RD(红色))针脚尺寸颜色电路功能选装件A1 ———未使用—A2 2.5RD/WH(红色/白色)140 蓄电池正极电压—A3 2.5BN/VT(棕色/293 后窗除雾元件电源电压—紫红色)A4 ———未使用—B1 0.5BN/VT(棕色/紫红色)193 后窗除雾继电器控制—B2 0.5BN/WH(棕色/白色)419 检查发动机指示器控制—B3–B9 ———未使用—B10 0.5GY/VT(灰色/紫红色)267 后视镜加热器元件电压—B11 0.5GY/VT(灰色/紫红色)267 后视镜加热器元件电压—B12 ———未使用—C1 2YE/BN(黄色/棕色)95 挡风玻璃刮水器电机低速控制—C2 ———未使用—C3 1.5RD/WH(红色/白色)640 蓄电池正极电压—C4 ———未使用—C5 2.5 BK(黑色)450 搭铁—C6–D1 ———未使用—D2 0.35WH/VT(白色/紫红色)860 前挡风玻璃刮水器开关高电平信号—GY(灰挡风玻璃刮水器电机继电器线圈电D3 0.35 色)91 源电压—D4–D5 ———未使用—D6 0.35 YE(黄色)5420 后窗刮水器电机继电器线圈控制两厢车D7–D10———未使用—D11 0.35 VT/YE(紫红色/黄色)5985 附件唤醒串行数据—D12–E1———未使用—F1 4RD/YE(红色/黄色)240 蓄电池正极电压—G1 ———未使用—G2 0.35GN/WH(绿色/白色)2270 后窗洗涤器继电器控制两厢车G3–G4 ———未使用—G5 0.5GN/VT(绿色/紫红色)1315 右前转向信号灯电源电压—G6 0.5BU/WH(蓝色/白色)1314 左前转向信号灯电源电压—G7 0.5BN/WH(棕色/白色)1317 雾灯继电器控制—G8 0.5WH/BU(白色/蓝色)6311巡航/电子节气门控制/变矩器离合器制动信号—G9 0.35 (棕色/灰色)2268 挡风玻璃洗涤器继电器控制—G10 0.35BN/WH(棕色/白色)28 喇叭继电器控制—G11 0.35BN/VT(棕色/紫红色)1969 前大灯远光继电器控制—G12 ———未使用—H1 2 BK(黑色)450 搭铁—H2 2 WH(白色)92 挡风玻璃刮水器电机高速控制—H3 1 BU(蓝色)393 后窗刮水器电机控制两厢车H4 1GY/VT(灰色/紫红色)5780挡风玻璃刮水器电机停止开关保险丝信号两厢车H5 0.35 BK(黑色)450 搭铁两厢车H6 ———未使用—H7 1.5 GY(灰色)120 燃油泵电源电压—J1 0.5RD/WH(红色/白色)1040 蓄电池正极电压—J2 ———未使用—J3 0.35RD/VT(红色/紫红色)1640 蓄电池正极电压—X50A 保险丝盒 - 发动机舱盖下 X3J40.35(红色/棕色) 440 蓄电池正极电压 —J5 0.5 GY/BN (灰色/棕色) 309 右侧驻车灯电源电压 —J6 0.5 VT/GY (紫红色/灰色) 709 左侧驻车灯电源电压 —J7 — — — 未使用 —J8 0.35 BN/VT (棕色/紫红色) 5486 运行继电器线圈控制 —J9 0.75 YE (黄色) 312 右侧前大灯近光电源电压 —J10 0.75 YE (黄色) 712 左侧前大灯近光电源电压 —J11–J12— — — 未使用 —K1 4 RD/YE (红色/黄色) 740 蓄电池正极电压 —K2–K3 — — — 未使用 —K4 2.5 VT/WH (紫红色/白色)239 运行/起动点火 1 电压 —X50A 保险丝盒 - 发动机舱盖下 X3连接器零件信息 线束类型:发动机原装设备接头:13682770维修件接头:待定说明:75 路 F GT 150 280 Metri-Pack 630,800 系列(BK (黑色))端子零件信息 针脚:A2端接引线:待定拆卸工具:J-38125-11A诊断测试探针:J-35616-42(RD (红色))针脚:B1–C4、C6、D2–D4、F2、G2–G5、H4–H6端接引线:13575735拆卸工具:J-38125-553诊断测试探针:J-35616-2A (GY (灰色))针脚:D5、F1、F5端接引线:13575753拆卸工具:J-38125-553诊断测试探针:J-35616-4A (PU (紫色))针脚:E1端接引线:13575718拆卸工具:J-38125-558诊断测试探针:J-35616-44(YE (黄色))针脚 尺寸 颜色 电路 功能选装件 A1 — — — 未使用— A2 1.5YE (黄色) 6起动机电磁阀起动电压—A3–B1 — — — 未使用 —B20.5 YE (黄色) 447 起动机继电器线圈控制 —B3 0.5 BK (黑色)1750 搭铁 —B4 0.5WH/GY(白色/灰色)459 空调压缩机离合器继电器控制—B5 0.5BN/GN(棕色/绿色)59 空调压缩机离合器电源电压—B6 0.5BU/WH(蓝色/白色)5421 喷油器电源电压 (1) —C1 0.75RD/WH(红色/白色)140 蓄电池正极电压—C2 0.75RD/VT(红色/紫红色)340 蓄电池正极电压MH9C3 0.5GN/VT(绿色/紫红色)335 低速冷却风扇继电器控制—C4 0.5BN/YE(棕色/黄色)473 高速冷却风扇继电器控制—C5–D1———未使用—D2 0.5 YE(黄色)5991 动力系统继电器线圈控制—D3 0.5 VT/BU(紫红色/蓝色)5291 动力系统主继电器保险丝电源 (2) —D4 0.5 VT/BU(紫红色/蓝色)5290 动力系统主继电器保险丝电源 (1) —VT/BUD5 0.75 (紫红色/蓝色)5290 动力系统主继电器保险丝电源 (1) LDEE1 1.5RD/WH(红色/白色)2040 蓄电池正极电压MH9E2–F1———未使用—F2 0.5GN/GY(绿色/灰色)465 燃油泵主继电器控制—F3–F4———未使用—F5 0.5 VT/BU(紫红色/蓝色)5291 动力系统主继电器保险丝电源 (2) —G1 ———未使用—G2 0.5BN/WH(棕色/白色)419 检查发动机指示器控制—G3 ———未使用—G4 0.5WH/BU(白色/蓝色)6311巡航/电子节气门控制/变矩器离合器制动信号—G5 0.5 VT/GY(紫红色/灰色)139 运行/起动点火 1 电压—G6–H3———未使用—H4 0.5 WH(白色)1310 蒸发排放炭罐通风电磁阀控制LCUX50D 保险丝盒 - 蓄电池 X1X50D 保险丝盒 - 蓄电池 X1X50D 保险丝盒 - 蓄电池 X2X50D 保险丝盒 - 蓄电池 X2X50D 保险丝盒 - 蓄电池 X3H5 0.5VT/YE (紫红色/黄色) 5985 附件唤醒串行数据 —H6–J3— —— 未使用 —连接器零件信息线束类型:蓄电池正极电缆原装设备接头:96954328维修件接头:由线束提供 - 参见“配件目录”说明:环状端子针脚 尺寸 颜色 电路 功能选装件 ————蓄电池正极电压—连接器零件信息线束类型:蓄电池正极电缆原装设备接头:CRG120-4维修件接头:由线束提供 - 参见“配件目录”说明:环状端子针脚尺寸颜色 电路功能选装件A 16.0 RD/WH (红色/白色)4042 蓄电池正极电压 —X50D 保险丝盒 - 蓄电池 X3X50D 保险丝盒 - 蓄电池 X4X50D 保险丝盒 - 蓄电池 X4X50D 保险丝盒 - 蓄电池 X5连接器零件信息 线束类型:车身原装设备接头:CRG120-4维修件接头:由连接器总成提供 – 参见“配件目录”说明:环状端子针脚尺寸颜色 电路功能选装件A 8.0 RD/BU (红色/蓝色)42 蓄电池正极电压 —连接器零件信息 线束类型:车身原装设备接头:MG613689-5维修件接头:待定说明:1 路 F端子零件信息 端接引线:待定拆卸工具:待定诊断测试探针:待定针脚尺寸颜色 电路功能选装件1 8 RD/GN (红色/绿色)40 蓄电池正极电压 —连接器零件信息X50D 保险丝盒 - 蓄电池 X5X51A 保险丝盒 – 仪表板标签X51A 保险丝盒 – 仪表板标签的使用线束类型:蓄电池正极电缆原装设备接头:CBR68-012维修件接头:由线束提供 - 参见“配件目录”说明:环状端子针脚尺寸颜色 电路功能选装件A 20 RD/YE (红色/黄色)2 蓄电池正极电压 —编号 装置标签名称 装置分配名称额定电流说明F1PTC_1 Fuse(正温度系数_1 保险丝)F1DA 40 安未使用F2PTC_2 Fuse(正温度系数_2 保险丝)F2DA 60 安未使用F3PWR_WINDWFuse(电动车窗保险丝)F3DA 20 安M74D 车窗电机–驾驶员 (AXG)F4DCDC Fuse(DCDC 保险丝)F4DA 30 安未使用F5BCM_1 Fuse(车身控制模块_1 保险丝)F5DA 20 安K9 车身控制模块F6BCM_2 Fuse(车身控制模块_2 保险丝)F6DA 20 安K9 车身控制模块F7BCM_3 Fuse(车身控制模块_3 保险丝)F7DA 30 安K9 车身控制模块F8BCM_4 Fuse(车身控制模块_4 保险丝)F8DA 30 安K9 车身控制模块F9BCM_5 Fuse(车身控制模块_5 保险丝)F9DA 25 安K9 车身控制模块F10BCM_6 Fuse(车身控制模块_6 保险丝)F10DA 20 安K9 车身控制模块F11BCM_7 Fuse(车身控制模块_7 保险丝)F11DA 20 安K9 车身控制模块BCM_8 FuseF12 (车身控制模块_8 保险丝)F12DA 30 安K9 车身控制模块—SPARE Fuse(备用保险丝)F13DA 20 安未使用F14 LIFTGATE Fuse(举升门保险丝)F14DA 10 安KR95A 举升门释放继电器(两厢车)KR95B 行李厢盖释放继电器(三厢车)F15 SDM Fuse(传感和诊断模块保险丝)F15DA 10 安K36 安全气囊系统传感和诊断模块F16 DLC Fuse(数据链路连接器保险丝)F16DA 15 安X84 数据链路连接器F17DLIS Fuse(DLIS 保险丝)F17DA 2 安S39 点火开关F18 HVAC Fuse(暖风、通风与空调系统保险丝)F18DA 10 安K33 暖风、通风与空调系统控制模块—SPARE Fuse(备用保险丝)F19DA 10 安未使用F20CHEVYSTARFuse(CHEVYSTAR保险丝)F20DA 10 安K73 远程通信接口控制模块 (UE3)—T_HITCH Fuse(T_HITCH 保险丝)F21DA 20 安未使用F22 AUDIO Fuse(音响系统保F22DA 15 安A11 收音机险丝)F23 DIC Fuse(驾驶员信息中心保险丝)F23DA 10 安未使用F24 PAS Fuse(驻车辅助系统保险丝)F24DA 10 安K41R 后驻车辅助控制模块 (UD7)F25 UHP_ONS Fuse(UHP_ONS 保险丝)F25DA 15 安未使用F26 IPC Fuse(仪表板组合仪表保险丝)F26DA 10 安P16 组合仪表F27SDM_RC Fuse(传感和诊断模块储备容量保险丝)F27DA 10 安K36 安全气囊系统传感和诊断模块F28 IPC_AOS Fuse(仪表板组合仪表_AOS 保险丝)F28DA 10 安P16 组合仪表F29YCL_SW Fuse(CL_SW 保险丝)F29DA 7.5 安未使用F30 LVL Fuse(LVL保险丝)F30DA 10 安S30 前大灯开关F25 CTD_HORN Fuse(安全防盗系统喇叭保险丝)F31DA 10 安未使用F32 HVAC Fuse(暖风、通风与空调系统保险丝)F32DA 10 安K33 暖风、通风与空调系统控制模块—SPARE Fuse(备用保险丝)F33DA 10 安未使用—T_HITCH Fuse(T_HITCH 保险丝)F34DA 10 安未使用F35 PWDW_FR Fuse(PWDW_FR 保险丝)F35DA 25 安S79D 驾驶员车窗开关、S79P 乘客车窗开关F36 PWDW_RR Fuse(PWDW_RR 保险丝)F36DA 25 安S79D 车窗开关–驾驶员—SPARE Fuse(备用保险丝)F37DA 20 安未使用F38CIGAR_APOFuse(CIGAR_APO保险丝)F38DA 20 安E32 点烟器插座F39 SUNRF_SW Fuse(天窗开关保险丝)F39DA 10 安S72 天窗开关 (CF5)F40 SPARE Fuse(备用保险丝)F40DA 10 安未使用R1LogisticsRelay(逻辑继电器)KR104A 逻辑模式继电器1—未使用R2 Horn Relay(喇叭继电器)KR3 喇叭继电器—安全防盗系统喇叭/F31DA 保险丝R3 LiftgateRelease Relay(举升门释放KR95A 举升门释放继电器—M30 举升门锁闩(两厢车)X51A 保险丝盒 - 仪表板 X1X51A 保险丝盒 - 仪表板 X1X51A 保险丝盒 - 仪表板,进线继电器)KR95B 行李厢盖释放继电器— M40 行李厢盖锁闩(三厢车)R4BEC Relay (蓄电池供电中心继电器) — — 未使用R5Run Relay (运行继电器) KR32E 鼓风机电机继电器 —暖风、通风与空调系统/F32DA 保险丝、M8 鼓风机电机R6 RAP/ACCY (保持型附件电源/附件)KR80 附件继电器—PWDW_FR/F35DA 、PWDW_RR/F36DA 、备用/F37DA 、CIGAR_APO/F38DA 、SUNRF_SW/F39DA 和 备用/F40DA连接器零件信息 线束类型:车身原装设备接头:21083000001维修件接头:待定说明:1 路 12.0 系列(BK (黑色))端子零件信息 端接引线:待定拆卸工具:待定诊断测试探针:待定针脚尺寸颜色 电路功能选装件1 8 RD/BU (红色/蓝色)42 蓄电池正极电压 —连接器零件信息端子零件信息X51A 保险丝盒 - 仪表板,进线线束类型:仪表板原装设备接头:2B128010F 维修件接头:待定说明:75 路 F针脚:F10Y –F12Y 、F21Y 、F22Y 、F27X 、F28Y 、F30X 、F32X 、F34X 、F38Y 、F5Y –F9Y 端接引线:待定拆卸工具:J-38125-36诊断测试探针:J-35616-35(VT (紫红色))针脚:F14Y –F16Y 、F18Y 、F20Y 、F24Y –F26Y 、F27Y 、F29Y 、F30Y –F31Y 、F32Y 、F34Y 端接引线:待定拆卸工具:J-38125-36诊断测试探针:J-35616-35(VT (紫红色))针脚:F17Y 、F33X 、F33Y 、F39Y 、R2 2、R3 1、R3 2、R5 1、R5 2、R6 1、R6 2端接引线:待定拆卸工具:J-38125-36诊断测试探针:J-35616-35(VT (紫红色))针脚:F1Y 、F23Y 、F2Y 、F35Y 、F36Y 、F3Y 、R2 3、R3 3、R3 5端接引线:针脚 F23Y –端接引线:针脚:F1Y 、F2Y 、F35Y 、F36Y 、F3Y 、R2 3、R3 3、R3 5 – 待定拆卸工具:待定诊断测试探针:待定针脚:R5 5、RS 3端接引线:待定拆卸工具:J-38125-36诊断测试探针:J-35616-42(RD (红色))针脚尺寸 颜色 电路 功能选装件 F1Y-———未使用—F2YF3Y 1GN/VT(绿色/紫红色)7628 左前电动车窗电机快速控制—F4Y ———未使用—F5Y 1RD/WH(红色/白色)2040 蓄电池正极电压—F6Y 1RD/GY(红色/灰色)2140 蓄电池正极电压—F7Y 2.5RD/BN(红色/棕色)2240 蓄电池正极电压—F8Y 2.5RD/YE(红色/黄色)2340 蓄电池正极电压—F9Y 1.5RD/GN(红色/绿色)2440 蓄电池正极电压—F10Y 1RD/BU(红色/蓝色)2540 蓄电池正极电压—F11Y 1RD/VT(红色/紫红色)2640 蓄电池正极电压—F12Y 2.5RD/WH(红色/白色)2740 蓄电池正极电压—F13Y ———未使用—F14Y 0.5BU/WH(蓝色/白色)6128 后部关闭装置解锁电机解锁控制—F15Y 0.5 (红色/灰色)2840 蓄电池正极电压—F16Y 0.5RD/YE(红色/黄色)3040 蓄电池正极电压—F17Y 0.35RD/VT(红色/紫红色)3340 蓄电池正极电压—F18Y 0.5RD/GN(红色/绿色)3140 蓄电池正极电压—F19Y-F20Y———未使用—F21Y 2.5RD/VT(红色/紫红色)340 蓄电池正极电压—F22Y 1.5RD/BU(红色/蓝色)3240 蓄电池正极电压—F23Y ———未使用—F24Y 0.5RD/BU(红色/蓝色)4540 蓄电池正极电压—F25Y 0.5RD/WH(红色/白色)3440 蓄电池正极电压UE1F26Y 0.5RD/BN(红色/棕色)2940 蓄电池正极电压—F27X 2.5VT/WH(紫红色/白色)239 运行/起动点火 1 电压—F27Y 0.5 (紫红色/白色)639 运行/起动点火 1 电压—F28X 2.5VT/WH(紫红色/白色)239 运行/起动点火 1 电压—F28Y 0.35VT/BK(紫红色/黑色)739 运行/起动点火 1 电压—F29X 2.5VT/WH(紫红色/白色)239 运行/起动点火 1 电压MFH 或 MX3F29Y 0.5RD/GN(红色/绿色)539 运行/起动点火 1 电压MFH 或 MX3F30X 2.5VT/WH(紫红色/白色)239 运行/起动点火 1 电压—F30Y 0.5VT/GN(紫红色/绿色)839 运行/起动点火 1 电压—F31X-F31Y———未使用—F31Y 0.5BN/GN(棕色/绿色)1329 喇叭电源电压—F32X 2.5RD/BU(红色/蓝色)302 蓄电池正极电压—F32Y 0.5 (紫红色/棕色)741 运行点火开关 3 电压—F33X 0.35 YE(黄色)6817 LED 背景灯变光控制—F33Y 0.35 BN(棕色)6136 电源电压—F34X 2.5VT/WH(紫红色/白色)239 运行/起动点火 1 电压—F34Y 0.75VT/WH(紫红色/白色)1139 运行/起动点火 1 电压—F35Y 2.5VT/YE(紫红色/黄色)443 附件电压—F36Y 2.5VT/YE(紫红色/黄色)543 附件电压—F37Y ———未使用—F38Y 1VT/YE(紫红色/黄色)243 附件电压—F39Y 0.35VT/BN(紫红色/棕色)641 运行点火开关 3 电压—F40Y-R2_3———未使用—R3_1 0.35 (绿色/棕色)5706 尾门锁闩继电器电源电压—R3_2 0.35 YE(黄色)5704 尾门锁闩继电器线圈控制—R3_3 0.5BU/WH(蓝色/白色)6128 后部关闭装置解锁电机解锁控制—R3_4 ———未使用—R3 5 0.5BU/WH(蓝色/白色)6128 后部关闭装置解锁电机解锁控制—R4_1–R4_5———未使用—R5_1 0.35 BK(黑色)1250 搭铁—R5_2 0.35BN/VT(棕色/紫红色)5486 运行继电器线圈控制—R5_3 4.0RD/YE(红色/黄色)740 蓄电池正极电压—R5_4 ———未使用—R5_5 3RD/BU(红色/蓝色)302 蓄电池正极电压—R6_1 0.35GY/VT(灰色/紫红色)755 保持型附件电源继电器线圈控制—R6_2 0.35 BK(黑色)1250 搭铁—BUS3 ———未使用—。
汽车内部功效按键和仪表盘指示灯显示说明之五兆芳芳创作车内功效按键.油箱开启键该按键是用来在车内遥控开启油箱盖.装有该按键的车辆,驾驶员可以通过这个按键将油箱盖子从车内打开.不过油箱的封闭好需要手动在车外控制. ESP开关头该按键是用来打开封闭车辆的ESP.车辆的ESP系统默认为任务状态,为了享受更直接的驾驶感触感染,车主可以按下该按键封闭ESP系统.倒车雷达键该按键是用来按照车主需要打开或是封闭车上的倒车雷达系统.驾驶员可以按下该按钮手动控制倒车雷达的任务.在倒车时手动封闭倒车雷达,或是手动开启倒车雷达.中控锁键该按键是车辆中控门锁的控制按钮.车主可以通过按下该按钮,同时打开或是封闭各车门的门锁.也可以单独封闭某一个开启的车门.有效的包管了车内人员的平安. 前大灯清洗键该按键是用来控制前大灯的自动清洗功效.在装有前大灯清洗的车辆上,车主可以通过按下这一按键开启钱大灯清洗装置,对车辆的前大灯进行喷水清洗. 后遮阳帘键该按键是用来控制车内电动后遮阳帘的打开与封闭.在装有电动后遮阳帘的车内,车主可以通过按下这一按键打开或是开启后窗的电动遮阳帘.用来遮挡阳光.仪表盘指示灯显示说明车门状态指示灯—显示车门是否完全封闭的指示灯,车门打开或未能封闭时,相应的指示灯亮起,提示车主车门未关好,车门封闭后熄灭.驻车指示灯—驻车制动手柄(即手刹)拉起时,此灯点亮. 手刹被放下时,该指示灯自动熄灭.在有的车型上,刹车液缺乏时此灯会亮.电瓶指示灯--显示蓄电池任务状态的指示灯.接通电门后亮起,策动机启动后熄灭.如果不亮或长亮不灭应立即查抄发电机及电路.刹车盘指示灯--显示刹车盘片磨损情况的指示灯.正常情况下此灯熄灭,点亮时提示车主应实时改换毛病或磨损过渡刹车片,修复后熄灭.机油指示灯--显示策动机机油压力的指示灯,本灯亮起时暗示润滑系统失去压力,可能有渗漏,此时需立即停车封闭策动机进行查抄.水温指示灯--显示策动机冷却液温度太高的指示灯,此灯点亮报警时,应即时停车并封闭策动机,待冷却至正常温度后再持续行驶.平安气囊指示灯--显示平安气囊任务状态的指示灯,接通电门后点亮,约3-4秒后熄灭,暗示系统正常,不亮或常量暗示系统存在毛病.ABS指示灯--接通电门后点亮,约3-4秒后熄灭,暗示系统正常.不亮或长亮则暗示系统毛病,此时可以持续低速行驶,但应避免急刹车.策动机自检灯--策动机任务状态的指示灯,接通电门后点亮,约3-4秒后熄灭,策动机正常.不亮或长亮暗示策动机毛病,需实时进行检验.燃油指示灯--提示燃油缺乏的指示灯,该灯亮起时,暗示燃油行将耗尽,一般从该灯亮起到燃油耗尽之前,车辆还能行驶约50千米左右.清洗液指示灯--显示风挡清洗液存量的指示灯,如果清洗液行将耗尽,该灯点亮,提示车主实时添加清洗液.添加清洁液后,指示灯熄灭.电子油门指示灯--本灯多见于大众公司的车型中,车辆开始自检时,EPC灯会点亮数秒,随后熄灭,出现毛病,本灯亮起,应实时进行检验.前后雾灯指示灯--该指示灯是用来显示前后雾灯的任务状况,前后雾灯接通时,两灯点亮,图中左侧的是前雾灯显示,右侧为后雾灯显示.转向指示灯--转向灯亮时,相应的转向灯按一定频率闪烁.按下双闪警示灯按键时,两灯同时亮起,转向灯熄灭后,指示灯自动熄灭.远光指示灯--显示大灯是否处于远光状态,通常的情况下该指示灯为熄灭状态.在远光灯接通和使用远光灯瞬间点亮功效时亮起.平安带指示灯--显示平安带状态的指示灯,依照车型不合,灯会亮起数秒进行提示,或直到系好平安带才熄灭,有的车还会有声音提示.O/D挡指示灯--O/D挡指示灯用来显示自动档的O/D挡(Over-Drive)超速挡的任务状态,当O/D挡指示灯闪亮,说明O/D挡已锁止.[O/D挡介绍]内循环指示灯--该指示灯是用来显示车辆空调系统的任务状态,平时为熄灭状态.当打开内循环按钮,车辆封闭外循环时,该指示灯自动点亮.示宽指示灯--示宽指示灯是用来显示车辆示宽灯的任务状态,平时为熄灭状态,当示宽灯打开时,该指示灯随即点亮.VSC指示灯--该指示灯是用来显示车辆VSC(电子车身稳定系统)的任务状态,多出现在日系车上.当该指示灯点亮时,说明VSC系统已被封闭.TCS指示灯--该指示灯是用来显示车辆TCS(牵引力控制系统)的任务状态,多出现在日系车上.当该指示灯点亮时,说明TCS系统已被封闭.图片格局。
规格紧固件紧固规格应用规格公制英制数据链路连接器螺钉 2.5 牛米 22 英寸磅力车身控制系统示意图(模块电源,搭铁,参考电源分布示意图和电源模式)诊断起点 - 数据通信查阅“诊断系统检查 - 车辆”,开始系统诊断。
“诊断系统检查 - 车辆”将提供以下信息:● 不进行通信的控制模块的识别● 对所存储的故障诊断码 (DTC) 及其状态的识别使用“诊断系统检查 - 车辆”将确定开始车辆诊断的正确程序。
在进行系统故障诊断码或症状诊断之前必须执行这些操作。
控制模块 U 代码列表这个列表包括所有模块与 U 代码故障诊断码有关的数据通信及其说明,按字母顺序排列。
并非所有故障诊断码适用于所有车辆。
控制模块 U 代码列表DTC故障诊断码说明U0001 00高速 CAN 总线故障U0002 00高速 CAN 总线U0020 00低速 CAN 总线U0073 00控制模块通信总线 A 关闭U0073 71电子控制单元 HS 总线关闭U0073 72电子控制单元 LS 总线关闭U0074 00控制模块通信总线 B 关闭U0075 00控制模块通信总线“C”关闭U0100 00与发动机控制模块/动力系统控制模块 (ECM/PCM) 失去通信U0100 75与发动机/动力系统控制模块 (ECM) 失去通信U0100 7F与发动机/动力系统控制模块 (ECM) 失去通信U0101 00与变速器控制模块 (TCM) 失去通信U0101 75与变速器控制模块 (TCM) 失去通信U0102 00与分动箱控制模块失去通信U0104 00与巡航控制模块失去通信U0104 7F与巡航控制模块失去通信U0106 00与预热塞控制模块失去通信U0109 00与燃油泵控制模块失去通信U010F 00与空调控制模块失去通信U0111 00与蓄电池能量控制模块失去通信U0117 00与电子动力输出控制模块失去通信U0121 00与电子制动控制模块 (EBCM) 失去通信U0122 00与车辆稳定性控制模块失去通信U0123 00与横向偏摆率传感器模块失去通信U0128 00与驻车制动控制模块失去通信U0129 00与制动系统控制模块失去通信U0131 00与动力转向控制模块失去通信U0132 00与行驶平顺性控制模块失去通信U0134 00与后动力转向控制模块失去通信U0136 00与后差速器控制模块失去通信U0137 00与挂车制动控制模块失去通信U0140 00与车身控制模块失去通信U0141 00与车身控制模块 A 失去通信U0144 00与车身控制模块“D”失去通信U0146 00与网关A失去通信U0151 00与安全气囊传感和诊断模块 (SDM) 失去通信U0151 71与安全气囊传感和诊断模块 (SDM) 失去通信 - 接收到无效串行数据U0151 7F与安全气囊传感和诊断模块 (SDM) 失去通信 - 异常U0155 00与仪表板组合仪表 (IPC) 控制模块失去通信U0156 00与信息中心 A(驾驶员信息中心)失去通信U0158 00与抬头显示器失去通信U0159 00与驻车辅助模块(RPA) 失去通信U0160 00与音频警报控制模块失去通信U0164 00与暖风、通风与空调系统控制模块失去通信U0165 00与后暖风、通风与空调系统控制模块失去通信U0168 00与车辆安全控制模块失去通信U0170 00与安全气囊系统传感器 A(乘客感知系统)失去通信U0172 00与翻车传感器失去通信U0173 00与“安全气囊系统传感器 D” 失去通信U0181 00与前照灯高度调节控制模块失去通信U0184 00与收音机失去通信U0186 00与音频放大器失去通信U0191 00与电视失去通信U0194 00与数字式收音机 (DRR) 失去通信U0196 00与后音响控制模块失去通信U0198 00与远程通信控制模块失去通信U0199 00与车门控制模块 A(驾驶员侧车门模块)失去通信U0200 00与车门控制模块 B(乘客侧车门模块)失去通信U0208 00与座椅控制模块 A(驾驶员座椅模块/座椅位置记忆模块)失去通信U0209 00与座椅控制模块 B(加热型/通风型座椅模块)失去通信U0210 00与座椅控制模块 C(后排加热型座椅模块)失去通信U0214 00与遥控功能执行器失去通信U0230 00与后门模块失去通信U0232 00与左侧物体检测模块 (SOD) 失去通信U0233 00与右侧物体检测模块 (SOD) 失去通信U0236 00与转向柱锁模块 (CLM) 失去通信U023A 00与车辆摄像机控制模块(车道偏离警告)失去通信U0241 00与前照灯控制模块 A 失去通信U0249 00与后娱乐系统控制模块 B 失去通信U0255 00与前显示屏接口模块失去通信U0256 00与前控制接口模块失去通信U0257 00与前控制/显示屏接口模块失去通信U0293 00与 HP2 动力系统控制模块失去通信U180F控制模块通信总线 B 关闭U1000Class 2 数据链路故障U1016与发动机控制模块/动力传动系统控制模块失去通信U1017与发动机控制系统失去通信U1024与变速器控制模块失去通信U1026与分动箱控制模块失去通信U1040与电子制动控制模块失去通信U1064与车身控制模块/仪表板集成模块失去通信U1088与安全气囊传感和诊断模块失去通信U1096与仪表板组合仪表失去通信U1098与辅助信息中心失去通信U1099与抬头显示器失去通信U1100与“驾驶员信息和显示控制系统”失去通信U1128与收音机失去通信U1129与放大器失去通信U1133与迷你换碟机失去通信U1137与卫星数字音频接收系统 (DRR) 失去通信U1153与温度控制面板失去通信U1164与驾驶员侧车门开关失去通信U1165与乘客侧车门开关失去通信U1176与遥控功能执行器失去通信U1177与可折叠车顶控制器失去通信U1193与遥控门锁接收器失去通信U1255与 Class 2 失去通信U1300Class 2 数据链路低电平U1301Class 2 数据链路高电平U1305Class 2 数据链路高电平或低电平U1500 01设备之间的专用总线 1 对蓄电池短路U1500 02设备之间的专用总线 1 对搭铁短路U1511 00设备间专用总线与设备 1 失去通信U1512 00设备间专用总线与设备 2 失去通信U1513 00LIN 总线 1 和设备 3 失去通信U1650 00底盘系统专用总线控制器U1651 00底盘系统专用总线传感器U180F 00控制模块通信总线 B 关闭U1802 00与燃油泵控制模块失去通信U1812 00蓄电池能量控制模块总线 B 高速通信启用电路电压过低U1813 00蓄电池能量控制模块总线 B 高速通信启用电路电压过高U1814 00动力系统高速通信启用电路U1815 00在总线 B 上与驱动电机控制模块 A 失去通信U1816 00在总线 B 上与驱动电机控制模块 B 失去通信U1817 00在总线 B 上与混合动力动力系统控制模块失去通信U1818 00在总线 B 上与发动机控制模块/动力系统控制模块失去通信U1820 00在总线 B 上与制动系统控制模块失去通信U1821 00在总线 B 上与直流-直流转换器控制模块 A 失去通信U1822 00在总线 B 上与主动前轮转向系统 (AFS) 失去通信U1823 00在总线 B 上与防抱死制动系统 (ABS) 控制模块失去通信U1824 00与行驶平顺性控制模块失去通信U1825 00与座椅控制模块 (CAN) 失去通信U1826 71在总线“B”上与多轴加速度传感器模块失去通信 - 接收到无效串行数据U1826 72在总线“B”上与多轴加速度传感器模块失去通信 - 活动计数器不正确/未更新U1826 7F在总线“B”上与多轴加速度传感器模块失去通信 - 异常U1827 71在总线“B”上与方向盘转角传感器模块失去通信 - 串行数据无效U1827 72在总线“B”上与方向盘转角传感器模块失去通信 - 活动计数器不正确/未更新U1827 74在总线“B”上与方向盘转角传感器模块失去通信 - 信号保护计算值不正确U1827 7F在总线“B”上与方向盘转角传感器模块失去通信 - 异常U182A 00在总线 B 上与蓄电池能量控制模块失去通信U1842 00在总线 B 上与电子制动控制模块与发动机控制模块失去通信U1843 00在总线 B 上与电子制动控制模块与混合动力发动机控制模块失去通信U1862 00蓄电池能量控制模块与通信网关模块失去通信U1863 00起动机/发电机控制模块与车身控制模块失去通信U1865 00油加热器与发动机控制模块失去通信U1866 00蓄电池能量控制模块与车身控制模块失去通信U186A 00与分动箱控制模块失去通信U186B 00与变速器控制模块失去通信U1875 00驱动电机 A 控制模块与蓄电池能量控制模块失去通信U1876 00驱动电机 A 控制模块与发动机控制模块 (ECM)/动力系统控制模块 (PCM) 失去通信U1878 00驱动电机 B 控制模块与蓄电池能量控制模块失去通信U1879 00驱动电机 B 控制模块与发动机控制模块 (ECM)/动力系统控制模块 (PCM) 失去通信U1885 00蓄电池能量控制模块与 HP2 动力系统控制模块失去通信U1886 00蓄电池能量控制模块与发动机控制模块 (ECM) 失去通信U1888 00与蓄电池组失去通信U1897 00起动机/发电机控制模块与蓄电池能量控制模块失去通信U1899 00起动机/发电机控制模块与发动机控制模块/动力系统控制模块失去通信U189A 00直流-直流转换器控制模块 A 与 HP2 动力系统控制模块失去通信U2099 00高速通信启用电路U209A 00高速通信启用电路电压过低U209D 00蓄电池能量控制模块高速通信启用电路电压过高U2100 00控制器局域网 (CAN) 总线通信U2100 47控制器局域网 (CAN) 总线通信U2102 00总线上控制器比编程的少U2103 00总线上控制器比编程的少U2105 00与发动机控制模块失去通信U2106 00与变速器控制模块失去通信U2107 00与车身控制模块失去通信U2108 00与防抱死制动系统/牵引力控制系统失去通信U2109 00与动力系统控制模块失去通信U2110 00与底盘多个控制系统失去通信U2111 00与转向系统控制模块失去通信U2112 00与电子悬架控制 (ESC) 失去通信U2113 00与传感和诊断模块 (SDM) 失去通信U2114 00与乘客感知系统或儿童座椅位置传感器失去通信U2115 00与(安全气囊控制系统)失去通信U2116 00与组合仪表失去通信U2117 00与信息显示器失去通信U2118 00与抬头显示器 (HUD)失去通信U2119 00与日间行车灯控制模块失去通信U2120 00与自动前照灯高度调节控制模块失去通信U2121 00与收音机显示屏失去通信U2122 00与收音机失去通信U2123 00与换碟机 (CDX) 失去通信U2124 00与音频放大器失去通信U2125 00与远程通信单元失去通信U2126 00与移动通信控制系统失去通信U2127 00与前暖风、通风与空调系统控制模块失去通信U2128 00与后暖风、通风与空调系统控制模块失去通信U2129 00与遥控功能执行器 (RFA) 失去通信U2130 00与驾驶员侧车门模块 (DDM) 失去通信U2131 00与驾驶员座椅模块 (DSM) 失去通信U2132 00与乘客侧车门模块 (PDM) 失去通信U2133 00与乘客侧座椅模块 (PSM) 失去通信U2134 00与后车门模块 (RDM) 失去通信U2135 00与后集成模块 (RIM) 失去通信U2136 00与后视镜位置记忆模块 (MMM) 失去通信U2137 00与车辆防盗系统 (VTD) 失去通信U2138 00与转向柱锁模块 (CLM) 失去通信U2139 00与转向柱集成模块 (CIM) 失去通信U2140 00与发动机舱盖下电气中心 (UEC) 失去通信U2141 00与后电气中心失去通信U2142 00与横向偏摆率传感器 (YRS) 失去通信U2143 00与方向盘转角传感器 (SAS) 失去通信U2144 00与距离传感巡航控制模块失去通信U2145 00与驻车辅助系统 (PAS) 失去通信U2146 00与换档杆模块 (SLM) 失去通信U2147 00与辅助加热器系统 (AHS) 失去通信U2148 00与天窗模块 (SRM) 失去通信U2149 00与轮胎气压监测 (TPM) 系统失去通信U2150 00导航电子控制单元 (ECU) 网关通信U2151 00导航电子控制单元 (ECU) 通信U2152 00导航总线请求电路低电平U2153 00导航电子控制单元 (ECU) - 车辆信息通信系统 (VICS) 通信电路U2160 00与转向控制系统传感器失去通信U2161 00与仪表板集成模块 (DIM) 失去通信U2162 00与仪表板集成模块 (IPM) 失去通信U2163 00与左后车门模块 (LRDM) 失去通信U2164 00与右后车门模块 (RRDM) 失去通信U2165 00与驾驶员侧车门开关 (DDS) 失去通信U2166 00与驾驶员位置模块 (DPM) 失去通信U2167 00与遥控门锁接收器 (RCDLR) 失去通信U2168 00与左侧物体检测模块 (SOD) 失去通信U2169 00与右侧物体检测模块 (SOD) 失去通信U2170 00与四轮驱动 (4WD) 离合器失去通信U2171 00与后排座椅娱乐系统 (RSE) 失去通信U2172 00与数字式收音机 (DRR) 失去通信U2173 00与被动式进入和被动式起动系统失去通信U2174 00与驻车加热器系统失去通信U2175 00与专用车辆模块失去通信U2176 00与动力输出 (PTO) 控制模块失去通信U2177 00 与巡航控制模块失去通信U2178 00与挂车接口模块失去通信U2179 00与电视模块失去通信U2180 00与可折叠车顶控制模块失去通信U2181 00与活动车顶模块失去通信DTC B1000诊断说明● 在使用本诊断程序前,执行“诊断系统检查 - 车辆”。
新浪汽车 | 新浪首页 | 导航 | 准确辨认仪表盘上的数据,是每一个驾驶员所必备的能力。
可如今,汽车技术日新月异,大量先进技术被运用到了我们的爱车上,车子仪表盘上的指示灯与中控台上的指示按钮也变得越来越繁杂,准确的辨认这些抽象的按钮已经不是一件容易的事情了。
我们在这里将车上的各种指示灯与控制按钮的功能归纳终结在一起。
这样也许会对您与爱车的沟通有所帮助。
购车指南:[海外报价][安全指标][新车解析][欧3欧4导购][国产新车][06年可能上市全新车型][06年可能上市改款车型] 车内各类仪表指示灯ABS指示灯 该指示灯用来显示ABS工作状况。
当打开钥匙门,车辆自检时,ABS灯会点亮数秒,随后熄灭。
如果未闪亮或者启动后仍不熄灭,表明ABS出现故障。
[ABS到底能干什么]EPC指示灯常见于大众品牌车型中。
打开钥匙门,车辆开始自检时,EPC 灯会点亮数秒,随后熄灭。
如车辆启动后仍不熄灭,说明车辆机械与电子系统出现故障。
[EPC指示灯有什么用] O/D挡指示灯该指示灯用来显示自动档的O/D 挡(Over-Drive)超速挡的工作状态,当O/D挡指示灯闪亮,说明O/D挡已锁止。
此时加速能力获得提升,但会增加油耗。
[何为O/D挡]安全带指示灯 该指示灯用来显示安全带是否处于锁止状态,当该灯点亮时,说明安全带没有及时的扣紧。
有些车型会有相应的提示音。
当安全带被及时扣紧后,该指示灯自动熄灭。
电瓶指示灯该指示灯用来显示电瓶使用状态。
打开钥匙门,车辆开始自检时,该指示灯点亮。
启动后自动熄灭。
如果启动后电瓶指示灯常亮,说明该电瓶出现了使用问题,需要更换。
机油指示灯 该指示灯用来显示发动机内机油的压力状况。
打开钥匙门,车辆开始自检时,指示灯点亮,启动后熄灭。
该指示灯常亮,说明该车发动机机油压力低于规定标准,需要维修。
油量指示灯 该指示灯用来显示车辆内储油量的多少,当钥匙门打开,车辆进行自检时,该油亮指示灯会短时间点亮,随后熄灭。