SMC真空系统
- 格式:ppt
- 大小:7.48 MB
- 文档页数:52
smc真空发生器使用方法SMC真空发生器是现代工业自动化生产的重要组成部分,它的使用对生产作业效率、产品质量和生产安全都有重要的影响。
SMC真空发生器的使用方法是非常重要的,下面将介绍SMC真空发生器的正确使用方法。
一、设备安装SMC真空发生器的安装非常重要,应尽量安装在静态空气处,尽量避免环境中有异物,并尽量避免发生工作时空气污染,以免影响机器运行效率。
同时,应注意空气温度以及真空状态下的湿度。
此外,应确保真空发生器与其他设备之间的稳定距离,以防止真空发生器的噪声损坏其他设备。
二、使用前的准备在使用SMC真空发生器之前,应检查真空流量调节器、真空电机和真空泵的状况,以确保它们的正常使用。
此外,应检查真空发生器的真空室,如果发现有异物,应及时清除。
同时,真空发生器的蓄能器应确保工作时间内充满,以便顺利进行程序运行。
三、正确使用SMC真空发生器的正确使用必须按照规定的程序步骤进行,不能跳过步骤或重复同一步骤。
此外,加工中遇到的疑难问题及时反馈给相关人员,以有效解决问题。
使用SMC真空发生器时,应确保真空室的温度控制在一定范围内,以防止由于温度过高或过低而影响到整个装配程序的完整性。
四、维护保养使用SMC真空发生器应定期进行检查和维护,以确保设备的安全和正常使用。
检查时首先应检查部件件,如空气管、真空管和蓄能器等,确保其处于不损坏的状态。
此外,应定期检查真空发生器内部的温度及湿度状态,然后更换滤芯,以确保真空发生器的正常使用。
总之,正确使用SMC真空发生器对于保证生产效率和产品质量非常重要,SMC真空发生器的安装和维护需要遵循一定的规程,确保设备的正常使用和长久使用。
机 种 名 称小型真空单元 真空发生器/真空泵系统系 列ZB系列使用说明书目录安全注意事项 2 型号表示・型号体系 9 产品各部分名称 12 安装・设置 13 空气源 15 使用供给压力 16 配管 16 V通口Ass’y品的使用 17 关于电磁阀 21 构造图・零件构成 25 维护・保养 26 滤芯更换要领 28 吸音材更换要领 28 电磁阀(供给阀・破坏阀)更换要领 29 关于集装式产品 30 关于过滤罩 30 关于破坏流量调整针阀 31 关于真空发生器的排气 31 规格 32 回路图 35 重量 37 真空发生器的排气特性・流量特性 38 真空泵系统流量特性 39 关于流量特性表 40 关于压力传感器Ass’y品 40 关于真空用压力开关Ass’y品 41 故障一览表 42安全注意事项此处所示的注意事项是为了能安全正确的使用本产品,预先防止对您和他人造成危害或损失而定。
为了表示这些事项的危险程度,将注意事项分成「注意」「警告」和「危险」三个等级。
不论哪个等级,都是与安全相关的重要内容,除了必须遵守国际规格(ISO/IEC)、日本工业规格(JIS)※1)以及其他安全规则※2以外,这些内容也请务必遵守。
*1) ISO 4414: Pneumatic fluid power -- General rules relating to systems.ISO 4413: Hydraulic fluid power -- General rules relating to systems.IEC 60204-1: Safety of machinery --Electrical equipment of machines. (Part1: General requirements)ISO 10218-1992: Manipulating industrial robots -Safety.JIS B 8370: 空气压系统通则JIS B 8361: 油压系统通则JIS B 9960-1: 机械类的安全性-机械的电气装置((第1部:一般要求事项)JIS B 8433-1993: 键控工业机器人-安全性等*2) 劳动安全卫生法 等注意: 误使用时,有可能对人和物品造成损害。
!"#$
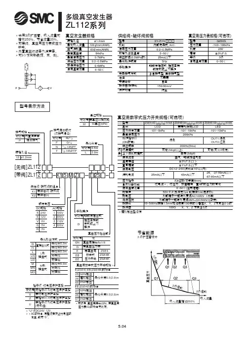
ZL112 *采用3级扩压管,吸入流量可
**AC的场合,用整流器防止过电压的 发生,故无“S”。
真
空
压
力
吸入流量增加250%
吸入流量1
级
性
能
2级性
能
2级性能
ZL112
通口排气
ZL112P
带真空压力表
ZL112-G
带真空用接头
ZL112-GN
带数字式真空压力开关
ZL112-E
2-ø5.4
带供给阀、破坏阀
ZL112-K1□L□□-E25(L)-M带供给阀
!
通口排气
ZL212P
带真空压力表
ZL212-G
带真空接头
ZL212-GN
带真空用数字式压力开关
ZL212-E
标准型
带真空压力表
带真空用数字式压力开关
带真空接头
通口排气
*采用上下重叠两个3级扩压管,
节省流量和吸入流量都是
ZL112的2倍
*可带真空压力表或压力开关
*可内置消声器
*可两个方向安装(底、侧)
型号表示方法
*无记号、真空用接头(GN)、带真空压
(G)的场合无此项。
外形尺寸图(毫米)
!"#$
ZL212。
产品名称:SMC真空发生器原理图
真空的含义是指在给定的空间内低于一个大气压力的气体状态,是一种物理现象。
在“虚空”中,声音因为没有介质而无法传递,但电磁波的传递却不受真空的影响。
事实上,在真空技术里,真空系针对大气而言,一特定空间内部之部份物质被排出,使其压力小于一个标准大气压,则我们通称此空间为真空或真空状态。
真空常用帕斯卡(Pascal)或托尔(Torr)做为压力的单位。
在自然环境里,只有外太空堪称最接近真空的空间。
1641年意大利数学家托里拆利在一根长管子内加满水银,然后很缓慢的将管口倒转在一个盛满水银的盆内,管子内水银柱的末端是76厘米高。
这时玻璃管最上方无水银地带是真空状态。
这一实验为“托里拆利实验”,完成实验的玻璃管为“托里拆利管”。
爱因斯坦在用场论观点研究引力现象时,已经认识到空无一物的真空观念是有问题的,他曾提出真空是引力场的某种特殊状态的想法。
首先给予真空崭新物理内容的是P.A.M.狄拉克。
狄拉克于1930年为了摆脱狄拉克方程负能解的困境,提出真空是充满了负能态的电子海。
产品名称:SMC真空表操作说明书
SMCCORPORATION成立于1959年,总部设在日本东京都。
时至今日,SMC已成为世界级的气动元件研发、制造、销售商。
在日本本土更拥有庞大的市场网络,为客户提供产品及售后服务。
SMC 作为世界最著名的气动元件制造和销售的跨国公司,其销售网及生产基地遍布世界。
SMC产品以其品种齐全、可靠性高、经济耐用、能满足众多领域不同用户的需求而闻名于世。
在日本市场占有率已超过60%的SMC,通过分布于世界51个国家的海外子公司及分销商,将世界各国SMC产品的生产、销售连成一体,为用户提供直接、完善的服务。
smc真空发生器原理SMC真空发生器原理。
SMC真空发生器是一种常用的真空设备,它通过特定的原理实现对空气的抽取,从而产生一定的真空度。
在工业生产和实验室研究中,真空设备的应用非常广泛,而SMC真空发生器作为其中的一种,其原理和工作机制备受关注。
首先,我们来了解一下SMC真空发生器的结构。
它通常由真空泵、气缸、电磁阀、真空表、压力开关等部件组成。
真空泵是核心部件,它通过机械、物理或化学方法将气体抽取出来,从而形成真空。
气缸和电磁阀则用于控制气体的流动和压力,真空表和压力开关则用于监测和调节真空度。
接下来,我们来介绍一下SMC真空发生器的工作原理。
当真空发生器开始工作时,真空泵会启动,开始抽取气体。
同时,电磁阀会关闭,防止外部气体进入系统。
随着真空泵的工作,气缸会逐渐形成负压,使得容器内的气体被抽取出来。
当真空度达到设定数值时,真空表会发出信号,通知压力开关停止真空泵的工作,从而保持系统的稳定状态。
在实际应用中,SMC真空发生器可以根据需要进行调节,以满足不同场合的需求。
通过调节电磁阀和真空泵的工作时间和频率,可以实现对真空度的精确控制。
这使得SMC真空发生器成为许多工业生产和实验室研究中不可或缺的设备。
总的来说,SMC真空发生器的原理和工作机制相对简单,但在实际应用中具有重要的作用。
它通过真空泵等部件的配合,实现对气体的抽取,从而产生一定的真空度。
在工业生产中,它可以用于各种真空工艺,如真空包装、真空干燥等;在实验室研究中,它可以用于真空蒸发、真空冷冻等实验。
因此,对SMC真空发生器的原理和工作机制有深入的了解,对于提高工作效率和保证实验结果的准确性具有重要意义。
Instruction ManualSpace Saving Vacuum UnitSeries ZQ□AThe intended use of the vacuum unit is to generate vacuum and controlthe operation of suction and release.These safety instructions are intended to prevent hazardous situations and/or equipment damage. These instructions indicate the level of potential hazard with the labels of “Caution,” “Warning” or “Danger.”They are all important notes for safety and must be followed in additionto International Standards (ISO/IEC) *1), and other safety regulations.*1) ISO 4414: Pneumatic fluid power - General rules relating to systems.ISO 4413: Hydraulic fluid power - General rules relating to systems.IEC 60204-1: Safety of machinery - Electrical equipment of machines. (Part 1: General requirements)ISO 10218-1: Manipulating industrial robots -Safety. etc.•Refer to product catalogue, Operation Manual and Handling Precautions for SMC Products for additional information.• Keep this manual in a safe place for future reference.Warning•Always ensure compliance with relevant safety laws and standards.•All work must be carried out in a safe manner by a qualified person in compliance with applicable national regulations. 2 SpecificationsNote *1) 10 to 150 Hz for 2 hours in each direction of X, Y and Z (De-energized, Initial valve).Note *2) 3 times in each direction of X, Y and Z (De-energized, Initial valve).measurement standards. They depend on atmospheric pressure (weather, altitude, etc.) and measurement method.Note *2) Must be 0.05MPa or more, lower than P Port pressure.Port Types: P: Air supply port, PD: Vacuum release port, PV: Common vacuum supply pressure port, PS: Common pilot pressure supply portNote *1) When needle is fully open.Note *2) Must be 0.05MPa or more, lower than PS Port pressure.3 Installation3.1 InstallationWarning•Do not install the product unless the safety instructions have been readand understood.•When mounting the product, tighten it with the recommendedtightening torque (0.54 to 0.66 N•m).•When mounting the manifold product, use the attached washers.•When installing the product, secure the space required formaintenance and inspection of the product•Do not drop, hit, or apply excessive impact to the product. 3.2 EnvironmentWarning•Do not use in an environment where corrosive gases, chemicals, salt water or steam are present.•Do not use in an explosive atmosphere.•Do not expose to direct sunlight. Use a suitable protective cover. •Do not install in a location subject to vibration or impact in excess of the product’s specifications.•Do not mount in a location exposed to radiant heat that would result in temperatures in excess of the product’s specifications•The suction filter used in this product is a simple one. If there is a lot of dust in the usage environment, please consider using a suction filter (ZFC series, etc.).•Do not use in place where static electricity build-up can occur.•Do not use in an environment where surges occur.3.3 Air SupplyCaution•Do not use air containing chemicals, synthetic oils containing organic solvents, salts, or corrosive gases.•Recommended quality of the supplied air be equivalent to the compressed air cleanliness grade "2: 6: 3" according to ISO8573-1: 2010.•Do not supply the pressure in excess of the product’s specificatio ns.3.4 PipingCaution•Before connecting piping make sure to clean up chips, cutting oil, dust, etc.•When piping pipe fittings to the pilot pressure exhaust (PE) port (M3) of the single specification, fix the parts where the port is installed, tighten by hand, and then use an appropriate tool to make about 1/4 turn. (Recommended tightening torque: 0.4 to 0.5 Nm)•When piping pipe fittings to the pilot pressure exhaust (P) port, etc. (M5) of the single specification, fix the parts where the port is installed, tighten by hand, and then use an appropriate tool to make about 1/6 to1/4 turn. (Recommended tightening torque: 1.0 to 1.5 Nm)•When piping the tube to the one-touch fitting, grasp the tube, slowly insert it into the one-touch fitting, and insert it all the way in. After inserting it all the way, pull the tube lightly and check that it does not come off.3.5 Wiring to the solenoid valve and pressure switchesRefer to the operation manual of solenoid valve (V100 series) and pressure switch (ZSE10 series). Manuals can be found by the links below:ZSE10: https:///manual/en-jp/?k=zse10V100: https:///manual/en-jp/?k=V1004 Settings4.1 Manual Override (With supply valve and release valve)Refer to the operation manual of the solenoid valve V100 series for the manual operation method.ORIGINAL INSTRUCTIONSManifoldSingle UnitManual of supply valveManual of release valve4.2 Release flow adjusting needleWhen the release valve is turned on, vacuum release air is let out.The release flow adjusting needle allows to control the vacuum break air flow rate.Loosen the lock nut and use a flat-blade screwdriver to adjust the release flow rate adjustment needle at the back of the lock nut.The breaking flow rate adjustment needle can be turned clockwise to reduce the release flow rate, and counterclockwise to increase the release flow rate.After adjusting the release flow rate adjustment needle, tighten the lock nut to fix the adjustment position.Refer to the catalogue for ‘How to Order’.Refer to the catalogue for outline dimensions.7.1 General MaintenanceCaution•Not following proper maintenance procedures could cause the product to malfunction and lead to equipment damage.• If handled improperly, compressed air can be dangerous.• Maintenanceofpneumatic systems should be performed only by qualified personnel.• Before performing maintenance, turn off the power supply and be sure to cut off the supplypressure. Confirm thattheair is released toatmosphere.• After installation and maintenance, apply operating pressure and power to the equipment and perform appropriate functional and leakage tests to make sure the equipment is installed correctly.• If any electrical connections are disturbed during maintenance, ensure they are reconnected correctly, and safety checks are carried out as required to ensure continued compliance with applicable national regulations.• Do not make any modification to the product.• Do not disassemble the product, unless required by installation or maintenance instructions • Implement the maintenance and check shown below to use the space saving vacuum unit safely and in an appropriate way for a long period of time.• Drain the air filter and mist separator regularly• Replace the sound absorbing material (silencer) built into the ejector regularly• Refer to the online operation manual for replacement parts. • Do not use benzene or thinner for cleaning7.2 Sound absorbing material replacement method • Single Unit− Loosen the assembly screws (2 pieces) of the silencer plate and remove the silencer plate (2 pieces) and the sound absorbing material.− Replace the silencer plate (2 sheets) and the sound absorbing material.− Assemble the silencer plate with the assembly screws (recommended tightening torque: 0.028 to 0.032 Nm).• Manifold− Loosen the two assembly screws of the silencer block and remove the silencer block.− Replace the sound absorbing material built into the silencer block. − Assemble the silencer block with the assembly screws (recommended tightening torque: 0.25 to 0.31 Nm).7.3 Filter element replacement method• Loosen the tension bolt and remove the filter case. • Replace the filter element built into the filter case.• Assemble the filter case with tension bolts (recommended tightening torque: 0.12 to 0.18 Nm).8.1 Limited warranty and Disclaimer/Compliance Requirements Refer to Handling Precautions for SMC Products.Caution• Exhaust from Space saving vacuum unit (ejector system)− For the silencer exhaust type, make sure that there is no obstruction around the exhaust port.− In the case of port exhaust type, exhaust resistance may be affected depending on the pipe diameter and length, so make sure that the back pressure is 1 kPa or less.− Do not block the exhaust port. • Ejector exhaust noiseWhen the vacuum ejector generates a vacuum, an intermittent noise (abnormal noise) may be generated from the exhaust section near the standard supply pressure where the vacuum pressure peaks, and the vacuum pressure may not be constant. There is no problem in use as long as the vacuum pressure range is sufficient for adsorption, but if you are concerned about the sound or affect the setting of the pressure switch, slightly change the supply pressure and reduce the range of the intermittent sound. Please avoid it.• About the release flow rate adjusting needle− Leakage cannot be reduced to zero when the needle is fully closed. − Since the release flow rate adjustment needle has a retaining mechanism, it will not rotate beyond the rotation stop position. If you try to turn the needle any further, it may be damaged.− When tightening the lock nut, tighten it by hand to about 15 to 30 degrees, and be careful not to damage it due to overtightening. • About solenoid valve and pressure switchFor the solenoid valve (V100 series) and pressure switch (ZSE10 series), refer to each instruction manual.9 Product disposalThis product should not be disposed of as municipal waste. Check your local regulations and guidelines to dispose this product correctly, in order to reduce the impact on human health and the environment.10 ContactsRefer to or www.smc.eu for your local distributor/importer.URL : https:// (Global) https:// www.smc.eu (Europe) SMC Corporation, 4-14-1, Sotokanda, Chiyoda-ku, Tokyo 101-0021, JapanSpecifications are subject to change without prior notice from the manufacturer. © 2021 SMC Corporation All Rights Reserved. Template DKP50047-F-085MTension bolt Filter case Filter element。
SMC 真空系统一、引言本文档旨在介绍和说明使用和维护SMC真空系统的相关信息。
SMC真空系统是一套先进的真空设备,广泛应用于工业生产和实验研究领域。
本文档将按照以下章节对SMC真空系统进行详细描述。
二、系统概述本章节介绍SMC真空系统的总体结构和主要组成部分。
包括真空泵、真空压力控制器、真空传感器和其他相关设备。
详细描述每个组件的功能和特点。
三、安装与调试本章节详细说明SMC真空系统的安装和调试流程。
包括安装位置的选择、管道连接、电源接线等。
同时提供调试方法和常见故障排除步骤。
四、操作指南本章节提供SMC真空系统的操作指南。
包括系统启动和关闭、真空泵开启和停止、真空度调节、压力控制器的设置等操作步骤。
同时针对不同实际应用场景给出操作注意事项和优化建议。
五、维护与保养本章节介绍SMC真空系统的日常维护和保养要点。
包括定期清洁、润滑和更换部件、维护记录的保存等。
同时提供常见故障的排查和解决方法。
六、安全注意事项本章节列出使用SMC真空系统时需要注意的安全事项。
包括高压风险、电气安全、防止污染等方面的指导。
同时提供应急处理措施和紧急停机程序。
七、附件1、SMC真空系统安装图纸2、SMC真空系统维护记录表格3、SMC真空系统产品说明书八、法律名词及注释1、涉及的法律名词:a:真空设备:指用来创造和维持一定低压环境的设备,以进行各种实验和工业生产过程。
b:压力控制器:指用来控制和调节真空系统压力的设备,以满足各种工艺需求。
c:安全事项:指使用真空系统时需要遵守和注意的各种安全原则和规定。
2、注释:a: SMC真空系统:SMC公司生产的一套完整的真空设备解决方案。
b:维护记录表格:用于记录每次维护和保养工作的表格,以便开展合理的设备维护管理。
SMC 真空系统SMC 真空系统1·系统概述1·1 系统定义SMC 真空系统是一种专为工业应用而设计和制造的真空设备,旨在实现高效的真空处理和控制。
1·2 系统组成SMC 真空系统由以下几个主要组件组成:1·2·1 真空泵:负责产生和维持所需真空度的装置。
1·2·2 阀门:用于调节真空系统中气体的流动。
1·2·3 传感器:用于监测真空度和其他相关参数。
1·2·4 控制器和仪表:用于控制和监测系统的运转状态。
1·2·5 管道和接头:连接各个组件并确保气体的有效流动。
2·系统安装与调试2·1 设备准备2·1·1 确定系统安装位置和布局。
2·1·2 检查设备和零部件是否完好。
2·1·3 准备所需的安装工具和材料。
2·2 安装步骤2·2·1 安装真空泵和阀门。
2·2·2 连接管道和接头。
2·2·3 安装传感器和控制器。
2·2·4 连接电源线和通信线缆。
2·2·5 进行系统的初步调试。
3·系统操作与维护3·1 系统启动和停止3·1·1 启动系统:按照指示,逐次启动真空泵、控制器和其他组件。
3·1·2 停止系统:按照指示,逐次停止各个组件,确保系统安全关闭。
3·2 真空度控制3·2·1 设置真空度目标值。
3·2·2 调节阀门和真空泵的运行状态以控制真空度。
3·2·3 监测真空度,并及时采取相应措施保持真空度稳定。
3·3 维护与保养3·3·1 定期检查和清洁系统组件。
smc真空发生器原理
SMC真空发生器基于二次侧叶片的原理工作。
其工作原理如下:
1. 真空发生器中的马达通过传动机构驱动叶轮转动。
2. 当马达转动时,叶轮在瞬间加速,使得发生器内部产生一个高速旋转的气流。
3. 由于气流的离心力作用,气流中的气体分子向外部被抛出,产生一个真空区域。
4. 同时,真空发生器的进气口处有入口,可以通过管道与被抽气体连接。
5. 被抽气体进入发生器后,受到气流的作用,被抛出真空区域,从而被抽取出来。
6. 被抽气体在发生器内部与气流不断碰撞、抛射和膨胀缩小,并且在此过程中气体温度会升高。
7. 最后,被抽取的气体从发生器的排气口排出,达到真空
抽取的目的。
通过以上工作原理,SMC真空发生器可以实现对气体的抽
取和形成真空的目的。
它的优点包括工作效率高、噪音低、体积小、使用寿命长等。
SMC真空发生器维护和修理保养工作原理SMC真空发生器是一种基于真空技术工作的设备,重要用于产生环境中的真空。
正常维护和保养是保证SMC真空发生器长期稳定工作的关键。
本篇文章将介绍SMC真空发生器的工作原理,以及维护和修理保养过程中需要注意的细节。
一、SMC真空发生器的工作原理SMC真空发生器是通过电磁阀或机械泵抽气将容器内的气体抽出来,从而形成真空的过程。
其中,电磁阀是真空度不超过0.1MPa 的情况下使用的一种针型阀门,可以快速地汲取容器内的气体,同时也可用于泵出较小的气体。
机械泵则重要是通过高速旋转的叶轮将空气抽出容器。
这种技术可以生成更高的真空度。
在SMC真空发生器中,真空度是通过压力计测量的。
在抽出空气之后,压力计会测量容器内的气压,从而判定是否达到预定的真空度。
一般情况下,真空度越高,则抽出空气的难度也就越大。
二、SMC真空发生器维护和修理保养的几个注意要点1. 防止机械泵的过热长时间使用机械泵会导致其过热,进而影响SMC真空发生器的工作效果。
为了防止机械泵的过热,需要引导其正常降温。
可以通过安装附加的风扇和散热器来改善散热效果。
2. 定期更换机械泵油机械泵油是中重负荷部件,需要定期更换以保证设备的正常运行。
建议在每500小时的使用后进行一次更换,并检查泵内是否有杂质和氧化物。
3. 定期检查密封性SMC真空发生器的密封性对于环境稳定操作来说非常紧要。
设备使用后,需要定期检查全部泄漏点的密封性。
4. 定期清洗容器内的杂质SMC真空发生器的容器内也简单积累杂质,这些杂质对真空度的影响很大。
为了维护设备的正常工作,需要定期清洗容器内的杂质。
5. 替换电磁阀电磁阀是简单损坏的部件,需要定期更换。
在更换过程中,需要注意与原件型号匹配,而且精准明确地调整其位置和功能。
6. 检查真空密度在保养维护工作中,检查真空密度时是至关紧要的步骤。
通过定期检测容器内的真空密度,可以发觉很多问题,如泄漏、磨损和设备损坏等。