流量仪表技术标书(参考)
- 格式:doc
- 大小:53.00 KB
- 文档页数:3
智能靶式流量计An Zh u a n g Ti a o Sh i Sh u o Mi n g Sh u智能靶式流量计一、拆箱小心打开包装箱并除去包装内的填充物,仔细核对装箱单上的每项条款,包括仪表型号、安装附件、说明书等,若发现有缺货、与装箱单不符或破损现象,请立即与我公司联系。
二、查看说明书该说明书包括仪表的技术参数、安装及调试规范,请仔细阅读说明书中的每一项内容,如对说明书中的内容有不明白的地方,可以打电话、传真或网上(QQ、E-m a i l)的方式与我公司联系。
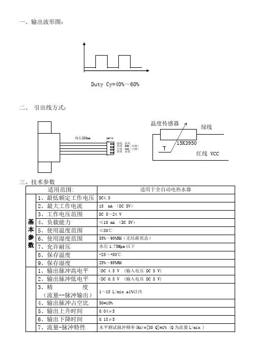
三、技术参数●公称口径及压力法兰式:D N15-D N300m m(压力1.6-10M P a)夹持式:D N15-D N300m m(压力1.6-10M P a)插入式:D N150-D N1500m m(压力1.6-10M P a)螺纹式:D N15-D N50m m(压力1.6-4M P a)●精 确 度:±0.5%~±2.5%F S标准型:±1.0%F S●介质温度:-40℃-+200℃(超过100℃加散热片,超过+200℃或低于-30℃加夹套装置)●环境温度:-40℃-+85℃(液晶不会损坏)液晶正常工作在-30℃-+80℃●供电电源:24V D C二线制4-20m A(12V D C-32V D C)电池型:3.6V@7.5A H锂电池,可连续使用三年●输出信号:4-20m A D C二线制、H a r t输出●测量管材质:不锈钢304、316或其它●防爆标志:本安型E x i aⅡC T5,隔爆型E x dⅡB T6●电缆接口:隔爆型1/2N P T内螺纹,其它M20×1.5内螺纹●液晶显示:瞬时流量显示数值范围:0-50000(可带小数点)累积流量显示数值范围:0-99999999(可带小数点)自动复位●外壳材质:铸铝●负载特性:R L m a x=50*(电源电压-12)Ω=600Ω@24V●防护等级:I P65智能靶式流量计An Zh u a n g Ti a o Sh i Sh u o Mi n g Sh u四、安装与外形尺寸1、法兰管道式128DB CA法兰式流量计示说 明:a.以上标准按国标G B/T9112、9113、9115、9116、9117、2000标准中的相关技术要求执行;b.其他(日标、美标、德标等)标准法兰均可订货,需在生产合同中予以说明;c.介质流向订货时请注明,(流体由上到下或由下到上;显示表头左视、右视)。
流量计的标定实验报告
《流量计的标定实验报告》
在工业生产中,流量计是一种非常重要的仪器设备,用于测量流体的流量。
为了确保流量计的准确性和可靠性,必须进行定期的标定实验。
本文将介绍一次流量计的标定实验报告,以便更好地了解流量计的工作原理和标定方法。
实验目的:通过标定实验,验证流量计的准确性和稳定性,以及了解流量计的测量范围和误差范围。
实验仪器:流量计、流量标定装置、压力表、温度计等。
实验步骤:
1. 确定实验条件,包括流体种类、流量范围、温度、压力等参数。
2. 将流量计安装在流量标定装置上,并连接好压力表和温度计。
3. 调节流量标定装置,使流体流量逐渐增加,记录下每个流量点对应的流量计读数、压力和温度。
4. 根据实验数据,绘制流量计的标定曲线,分析流量计的准确性和稳定性。
实验结果:
通过实验数据分析,得出以下结论:
1. 流量计的测量范围为0-1000L/min,误差范围在正负2%之间。
2. 在不同流量下,流量计的读数与实际流量基本吻合,表明流量计的准确性较高。
3. 流量计在不同温度和压力下的测量误差较小,稳定性良好。
结论:流量计的标定实验结果表明,该流量计具有较高的准确性和稳定性,可以满足工业生产对流量测量的要求。
通过本次标定实验,我们更加深入地了解了流量计的工作原理和标定方法,为今后的流量计使用和维护提供了重要参考。
同时,也提醒我们在工业生产中要重视流量计的定期标定,以确保生产过程中的流量测量准确和可靠。
流量计技术要求
流量计技术要求:
一、现场参数:
1.介质:过热蒸汽
2.温度:T≤300℃
3.工作压力:P=0.7-0.9MPa 最大压力1.6 MPa
4.管径:DN150
4.流量范围:1-10t
二、流量计要求:
1.采用法兰联接式涡街流量计,带温度压力补偿,。
2.智能流量数显仪表采用中文显示,可设密码保护,带485无线通讯系统,带断电累计功能及断电参数上传功能,各种参数能够实现数据上传到计算机上,实现在终端计算机读取各流量参数及断电次数和累计断电时间等,各参数可在数显表上循环显示。
3.配仪表箱,箱内配空气开关、接线端子及电源插座等。
5.带配对法兰、螺栓及螺母、金属垫片等安装附件,仪表用3×1屏蔽电缆。
涡街探头、压力变送器、温度元件应到指定的国家计量站进行检定合格。
(招标投标)仪表自控招标文件(技术部分)阳泉市污水处理二期工程自控系统采购招标文件招标编号:HAZB-QT-HW-20151100第三章技术规范及要求招标人:中国市政工程华北设计研究总院有限公司招标代理:山西华安建设项目管理有限公司日期:二○一五年十二月目录第一章概述及一般规定 (3)第二章仪表系统 (15)第三章计算机自动控制、工业电视监视、安防系统 (45)第四章特殊要求 (120)第一章概述及一般规定1.1 内容概述仪表、自控系统招标分为三个标段:仪表部分、自控部分、精确曝气部分。
其中仪表部分包括全厂仪表及与之相关的设备的采购、安装、调试以及配合自控和精确曝气承包商完成联调、运行等工作。
除以上工作之外部分由自控承包商完成。
精确曝气部分的硬件分别包含在仪表和自控部分,精确曝气系统供货商只提供软件,并且要求软件与整个系统完全兼容,显示画面的风格、标签命名和程序结构与主控系统完全一致。
由于仪表、自控系统、精确曝气系统在项目中存在着密切联系,承包商应全面了解各标段的工作范围和供货内容,以免出现不必要的纰漏或重复,必须仔细阅读以下全部内容,投标时只提供本标段的供货范围。
中标后三个标段的供货商在合同签订前,必须充分沟通,以保证供货的准确无误。
本技术要求中包含有关于仪表、计算机监控系统、工业电视监控的通用技术要求和特殊技术要求两部分,其中特殊技术要求包括了阳泉市污水处理工程仪表、自动控制系统、工业电视监视系统、工艺建模与优化及精确曝气控制系统、无人化值守等的供货、安装、校验、试车、服务等内容的要求。
鉴于工艺建模与优化及精确曝气控制系统、无人值守系统是全厂工艺优化及自控系统的核心,为保证污水厂自控运行最优化及最好的系统维护,建议本系统软件及硬件(仪表除外)由工艺建模与优化及精确曝气控制系统制造商统一提供,并且精确曝气系统不单独设置控制柜,纳入PLC1系统。
1.2 原则投标者应该在投标文件中提供详细的P&I图、完整的I/O清单、以及特殊要求中的全部图纸。
流量测量仪表基本参数一、测量范围流量测量仪表的测量范围是指在特定流量范围内,仪表可以准确测量流体的流量。
测量范围通常以体积流量或质量流量表示。
在选择仪表时,需要根据实际流量需求来确定测量范围。
二、精度流量测量仪表的精度是指其测量结果与实际流量之间的误差。
精度越高,仪表越能够准确反映实际流量。
精度通常以百分比或绝对误差表示。
在选择仪表时,需要根据实际精度要求来选择合适的仪表。
三、响应时间流量测量仪表的响应时间是指其对流量变化做出反应所需的时间。
响应时间越短,仪表越能够实时反映流量变化。
在选择仪表时,需要考虑被测流体的变化速度以及需要实时监测的要求。
四、测量介质流量测量仪表的测量介质是指其能够测量的流体类型。
不同的仪表适用于不同的流体类型,如气体、液体、蒸汽等。
在选择仪表时,需要考虑被测流体的类型以及相关特性,如压力、温度、腐蚀性等。
五、工作压力流量测量仪表的工作压力是指其在正常工作条件下所承受的最大压力。
工作压力范围越宽,仪表越能够适应不同的工作压力环境。
在选择仪表时,需要考虑被测流体的压力范围以及工作压力变化的要求。
六、工作温度流量测量仪表的工作温度是指其在正常工作条件下所承受的最大温度。
工作温度范围越宽,仪表越能够适应不同的温度环境。
在选择仪表时,需要考虑被测流体的温度范围以及工作温度变化的要求。
七、量程流量测量仪表的量程是指其能够测量的最大流量范围。
量程越大,仪表越能够适应不同的流量需求。
在选择仪表时,需要考虑被测流体的流量范围以及需要监测的流量变化范围。
八、重复性流量测量仪表的重复性是指其在相同条件下多次测量同一流量的误差分布情况。
重复性越好,仪表越能够提供一致的测量结果。
在选择仪表时,需要考虑其对重复性的要求以及需要监测的流体特性。
电磁流量计招标文件招标文件:电磁流量计一、简介电磁流量计是一种广泛应用于工业自动化领域的仪器,用于测量导电液体的流量。
本招标文件旨在寻找合适的供应商提供优质的电磁流量计产品。
二、规格要求1. 测量原理:电磁式测量原理。
2. 测量范围:XX至XX。
3. 测量精度:不低于0.5%。
4. 材质要求:流量计管体材料应为316不锈钢。
5. 环境适应能力:适应温度范围-20℃至70℃,压力范围XX至XX。
6. 通信接口:支持Modbus RTU/RS485通信接口。
7. 电源要求:220VAC,50Hz。
三、投标须知1. 投标截止日期:XX年XX月XX日。
2. 投标方式:通过电子邮件将投标文件发送至指定邮箱。
3. 投标文件要求包括:a) 公司简介:包括公司规模、经验、技术能力等。
b) 产品规格:详细说明符合招标文件要求的产品规格。
c) 价格报价:提供明细的价格清单,包括产品价格、运输费用等。
d) 技术方案:阐述供应商的技术解决方案和售后服务措施。
e) 资质证书:提供相关的资质证书和产品认证证书。
f) 合同条款:按照我方提供的模板填写并注明有效期。
4. 评标标准:a) 产品符合规格要求。
b) 价格合理并考虑到后续的维护和服务成本。
c) 供应商的技术方案和售后服务措施能够满足需求。
d) 供应商具备相关的资质证书和产品认证证书。
5. 合同签订:a) 中标通知将以邮件形式发送给中标供应商。
b) 中标供应商需按照招标文件的要求签署正式合同。
c) 合同生效后,供应商需按时交付货物,并提供培训和售后服务。
四、商务条款1. 价格条款:报价为含税价,运输费用需另行标明。
2. 付款条款:按照合同约定进行付款。
3. 交货期限:供应商需按照合同约定的时间交付货物。
4. 违约责任:如有违约行为,按照合同约定承担相应的违约责任。
5. 保修期限:供应商需提供一定期限的产品保修服务。
五、投标保证金投标保证金将在开标后第一时间退还给未中标供应商。
流量计招标技术规范书
1.总则
1.1 本次招标邀请具有相应资质、信誉良好、服务及时、处于国际或国内先进水平的专业生产商设计、制造并提供产品。
投标方应保证提供的产品是全新的、采用最新技术设计和优质材料制造,在各方面符合本招标文件规定的数量、质量、规格和性能要求。
提供的产品应具有高可靠性、高稳定性。
投标方对所提供产品的设计选型、各项技术指标、性能及售后服务负完全责任,并负责指导安装、调试、开机、培训等工作。
1.2 本技术规范书所提出的是最低要求,并未对所有技术细节作出规定,也未完全陈述与之相关的规范和标准,投标方应提供符合技术规范书要求和现行中国或国际通用标准的优质就地仪表设备。
1.3 投标方如果未对本规范书提出异议,招标方将认为投标方提供的设备符合本规范书所规定的标准要求。
如有偏差,偏差无论多少都必须清楚的标明在投标文件附件中的差异表内,(招标方如不同意投标方的产品偏差,则投标方的产品将不被采用)如投标方实际提供的产品达不到本技术规范书的要求,则投标方负完全责任,并负责赔偿由此给招标方造成的一切损失。
1.4 凡在设计范围之内的外购件或外购设备,应经招标方确认,但技术上均由投标方负责。
1.5 在签订合同之后,到开始制造之前的这段时间内,招标方有权提出因规范、标准和规程发生变化而产生的一些补充修改要求,投标方应遵守此要求,具体款项内容由供需双方共同商定。
1.6 招投标双方如遇到与所执行的标准不一致时,按较高的标准执行,但不低于最新的中国国家标准。
1.7 以本规范书为依据,招标方与中标方签订技术协议作为订货合同的附件,与合同正文具有同等效力。
1.8 在今后合同谈判及合同执行过程中的一切图纸、技术文件、设备信函等均使用中文。
1.9 技术规范书及合同规定的文件,包括图纸、计算、说明、使用手册等,必须采用国际单位制。
1.10投标方应在标书中出具相关的资质证明文件并说明本企业的装备能力及投标方以为有必要说明的本企业的其他方面的情况。
1.11投标方应对产品性能、硬件、软件的质量和功能担保,并在投标文件中单独提供技术担保条款。
在产品担保期内中标方免费更换不满足测量要求的仪表和损坏的部件。
1.12供货期要求在年月日前到需方施工现场。
1.13招标方因招标需要提供给投标方的数据、图纸、方案、参数等一切技术资料的所有权归招标方,投标方不得以任何方式挪作他用或泄露给第三方,否则投标方负一切法律责任,投标方应在投标书以专门条款对此作出承诺。
2技术要求
2.1一般要求:
2.1.1全部仪表的设计生产和相关技术指标应遵守本技术规范书和仪表数据表及国家最新有效的标准规范。
2.1.2仪表应整体交货,即可以在现场直接进行安装而不需要预组装。
2.1.3仪表应是完整的,不需要增加任何配件或做任何处理即可安装。
2.1.4仪表禁油﹑清洗
2.2设计制造要求:
2.2.1仪表必须根据设计条件要求合理选择材质,所选用材质应不低于仪表数据表中的要求。
2.2.2设备铭牌应采用耐腐蚀材料制造,必须按照有关标准在铭牌上注名材质﹑公称直径﹑公称压力﹑仪表系数及指示流动方向的箭头等内容,并标示仪表位号。
2.2.3仪表的连接方式应符合化工部HG20592-97标准,电气接口尺寸应完全符合仪表数据表中的规定要求。
防爆防护标准应不低于仪表数据表中的规定等级。
3.设备选型
3.1投标方所供仪表应在中国国内有良好的应用业绩,要求提供相关的业绩表(特别是省内业绩)及在用单位的联系人及联系电话以备咨询。
3.2供应厂商应严格按照仪表规格书中的工艺参数进行选型,如因选型错误给招标方造成的一切损失全部由投标方负责,设计院提供的型号仅作参考。
3.3所选仪表的性能指标应不低于仪表规格书中的要求,如精度、材质、最大测量范围、耐温/压范围等,并留有裕度。
如有偏差必须清楚的表明在技术标书的技术差异表中。
3.4 供货清单中要求提供详细的设备选型型号,并提供产品选型样本,以便技术人员评标。
4.供货范围
4.1仪表数量﹑规格﹑附件等要求详见仪表数据表;
4.2投标方在投标书中详细写明所能免费提供的备品备件及专用工具清单。
5.设计配合
5.1在适当的时候,中标方应派工程技术人员到招标方施工现场进行设计联络,说明初步设计的细节,确认最终的施工图设计,交通、食宿由中标方自理。
5.2设计联络并不解除中标方对设计应承担的责任。
5.3中标方应提供仪表设备的详细技术资料,包括但不限于装置外形尺寸图;法兰尺寸图、产品接地要求、硬件接线图、附带软件说明、操作手册、图纸、系统特性及功能的详细描述、主要元件厂家名称及产地等资料,采用语言为中文。
6.服务及质量保证
6.1投标方负责招标方的技术培训,培训应结合实际进行,通过培训,买方的技术人员能掌握有关的操作维修技能、参数的调整、并能处理各种故障。
中标方的培训大纲应提前提供给买方,培训材料为中文。
培训安排:投标方应根据经验向买方提出培训计划,包括时间及人员安排,现场培训时间应不少于1天,工厂培训时间应不小于为3人次/2天,培训所需费用由投标方负责。
6.2在设备运往买方现场前,买方有权对中标方所提供产品进行工厂检验。
投标方应在质保
期内达到合同规定的各项性能指标。
根据业主要求,投标方应派人参加现场开箱验货。
6.3中标方需免费提供产品所需的安装指导与开车调试等现场服务,直到达到合同规定的系统性能和各项指标。
在安装指导与开车调试期间, 中标方在接到业主通知后,24小时内派技术人员赶到施工现场,中标方负责检查确认后上电测试,在上电测试时所出现的损坏、故障,由中标方负责。
当仪表发生故障时,投标方应在1小时内答复,24小时内到达招标方现场。
查明原因,提出解决方案,在最短时间内进行处理。
装置正常运行后一年内仪表没有发生质量问题,视为验收合格。
6.4投标方在标书中提供各类故障的修复或更换的详细时间表。
6.5投标方对所供产品须提供18个月及以上的质量保证期,对质保期内非人为损坏的产品在最短时间内给予无偿更换。
6.6所供产品应随箱提供所有应提供的合格证及出厂标定文件,证明该产品为合格产品。
(包括但不限于质量证明书﹑防爆证书﹑材料检验报告﹑产品检验报告等)
7. 附件
附件一
附件二:仪表数据表。