plc电气图及电器控制基本控制电路
- 格式:ppt
- 大小:825.50 KB
- 文档页数:45
第二章电气控制线路基础2.1 电气控制线路图形、文字符号及绘制原则:P37~43 2.2 三相笼式异步电动机的基本控制线路一.全压启动控制线路1.原理2.保护:短路、过载、欠压和失压保护。
3.自锁二.点动控制线路三.多点控制线路四.正反转控制线路互锁五.顺序控制线路六.自动循环控制线路限位开关:SQ1、SQ2 限位保护:SQ3、SQ42.3 三相笼型异步电动机降压启动控制线路较大容量的笼型异步电动机(大于10KW)直接启动时,电流为其标称额定电流的4~5倍,会对电网产生巨大冲击,所以一般都采用降压启动(启动时降压,运行时全压)。
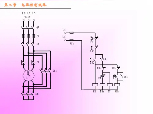
一.Y-△降压启动启动时为Y正常运行时为△二.自耦变压器降压启动三.软启动:P51~562.4 三相异步电动机制动控制线路制动控制方法分:机械制动:用机械装臵强迫电动机迅速停车电气制动:给电动机加一个与原来旋转方向相反的制动转矩,迫使电动机迅速下降。
一.反接制动控制1.单向运行反接制动2.可逆运行反接制动二.能耗制动控制1.电动机单向运行能耗制动2.电动机可逆运行能耗制动2.5 三相笼型异步电动机调速控制一.调速方法p s f s n n o )1(60)1(1-=-=三种:变极对数p 的变极调速、变转差率s 的降压调速和变电动机供电电源频率f 1的变频调速。
二.变极调速控制线路 变极电动机一般有双速、三速、四速之分,双速电动机装有一套绕组,而三速、四速则为两套绕组。
三.变极调速:控制最复杂,性能最好。
P63~67 2.6 电气控制线路的简单设计法一.简单设计法介绍:68~71二.设计举例2.7 典型生产机械电气控制线路分析一.电气控制线路分析的内容与要求1.内容:电气说明书、电气控制原理图2.分析方法:主电路→控制电路→总体检查二.常用机床电气控制1.C650卧式车床电气控制线路分析①机床的主要结构和运动形式②电气控制线路分析:P762.M7475型平面磨床电气控制线路例:一台4级带送机,由4台笼型电动机拖动,要求按以下设计控制电路。